Проектирование металлической балочной клетки
Федеральное
агентство по образованию
Государственное
образовательное учреждение высшего профессионального образования
Пермский
национальный исследовательский политехнический университет
Кафедра:
"Строительных конструкций и вычислительной механики"
Пояснительная
записка к курсовому проекту
Проектирование
металлической балочной клетки
Выполнил:
студент гр. ПГС-12зу Попова Я.Н.
Проверил: доцент Зуева И.И.
Пермь
2015
Содержание
1.
Компоновка балочной клетки
.1
Исходные данные
.2
Маркировка элементов монтажной схемы рабочей площадки
.
Расчет стального настила
.1
Конструктивный расчет настила
.2
Расчет сварных швов, прикрепляющих настил к балкам настил
.
Расчет балки настила Б2
.1
Статический расчет
3.2
Конструктивный расчет
4.
Расчет главной балки Г2
.1
Статический расчет
.2
Конструктивный расчет
.3
Проверка подобранного сечения
.4
Проверка прочности
.5
Проверка жесткости
.
Изменение сечения главной балки
.1
Подбор сечения
.2
Проверка подобранного сечения
.3
Проверка приведенных напряжений на уровне поясных швов
.4
Проверка общей устойчивости балки
.5
Расчет соединения поясов со стенкой
.6
Проверка местной устойчивости полки балки
.7
Проверка местной устойчивости стенки балки
.
Расчет поперечных ребер жесткости
.
Сопряжение балок настила с главными балками
.1
Расчет болтового соединения
.2
Расчет сварного соединения
.3
Проверка сечения на срез с учетом ослабления отверстий
.
Расчет опорной части балки
.
Монтажный стык главной балки
.
Расчет центрально-сжатой колонны К4 сплошного сечения
.1
Подбор сечения колонны
.2
Сопряжение главной балки с колонной сплошного сечения
.3
База колонны К4
.
Расчет колонны сквозного сечения
.1
Подбор сечения колонны
.2
Расчет планок
.3
Проверка сечения колонны на участке между планками
.4
Расчёт оголовка колонны сквозного сечения
.5
Расчёт башмака для колонны сквозного сечения
Список
литературы
балка клетка колонна сварной
1. Компоновка балочной клетки
Балочная клетка одноэтажной рабочей площадки,
рекомендуемая к разработке по заданию, соответствует балочной клетке нормального
типа. Балочная клетка представляет собой систему пересекающихся несущих балок и
балок настила, на которые опирается плоский стальной настил. Сопряжение балок
принимается в одном уровне. Ввиду того, что главная балка состоит из двух
отправочных элементов равной длины и имеют один монтажный стык, балки настила
располагаем симметрично относительно середины пролета.
Монтажная схема балочной клетки размерами по два
пролета балок настила и два пролета главных балок с указанием маркировки
элементов, основных размеров показана на рис. 1.1. Схема с грузовыми площадями
на рассчитываемые элементы показана на рис. 1.1.
.1 Исходные данные
|
Ф.И.О
|
№
п/п
|
Параметры
|
Условные
обозначения
|
Ед.
изм.
|
Размер,
величина, сталь
|
|
1
|
2
|
3
|
4
|
5
|
6
|
|
1
|
П
|
Шаг
балок настила
|
а
|
м
|
1,2
|
|
2
|
О
|
Пролет
балок настила
|
l
|
м
|
4,2
|
|
3
|
П
|
Пролет
главных балок
|
L
|
м
|
13,2
|
|
4
|
О
|
Нормативная
постоянная нагрузка
|
qнпост
|
кН/м2
|
13
|
|
5
|
В
|
Нормативная
временная нагрузка
|
qнвр
|
кН/м2
|
16
|
|
6
|
А
|
Высота
этажа
|
H
|
м
|
5
|
|
7
|
Я
|
Сталь
балок настила
|
|
|
C375
|
|
8
|
Н
|
Сталь
колонн
|
|
|
C345
|
|
9
|
А
|
Сталь
поясов главной балки
|
|
|
C255
|
|
10
|
Н
|
Сталь
настила, стенки главной балки
|
|
|
C245
|
|
11
|
И
|
Тип
настила - стальной с относительным прогибом
|
f/l
н
|
|
1/150
|
|
12
|
К
|
Класс
бетона фундамента
|
|
|
В10
|
|
13
|
О
|
Коэффициент
надежности по нагрузке (постоянной)
|
γf пост
|
|
1,1
|
|
14
|
Л
|
Коэффициент
надежности по нагрузке (временной)
|
γff вр
|
|
1,3
|
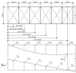
Монтажная схема балочной клетки с грузовыми
площадями на несущие элементы приведена на рис 1.1. В балочной клетке
нормального типа нагрузка с настила передается на балки настила, с балок настила
на главные балки, с главных балок на колонны.
Рис. 1.1 Монтажная схема балочной клетки с
грузовыми площадями на несущие элементы
.2 Маркировка элементов монтажной схемы рабочей
площадки
Маркировка несущих элементов зависит от
приходящейся на них нагрузки. Нагрузка, действующая на настил, равномерно
распределенная.
Ширина сбора нагрузки на элементы:
Балки настила Б1 -
Балки настила Б2 - a= 1,2 м
Главная балка Г1 -
Главная балка Г2 - l = 4,2 м
Площадь сбора нагрузки на колонны:
К1 -
К2 -
К3 -
К4 - 
2. Расчет стального настила
Для стального настила принимаются плоские
стальные листы. Сталь настила С245 по ГОСТ 27772-88. Листы привариваются к
верхним поясам балок настила (рис 2.1а). Это делает невозможным сближение опор
настила при его прогибе под нагрузкой. В настиле возникают растягивающие цепные
усилия Н. Приварка защемляет настил, однако в расчетах обычно защемление не
учитывается.
Рис. 2.1.
Предельный прогиб
. Настил
изгибается по цилиндрической поверхности. Для расчета вырезают полосу шириной
один метр.
.1 Конструктивный расчет настила
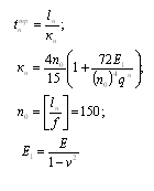
Требуемая толщина настила из условий прогиба:
Е1I - цилиндрическая жесткость пластинки,
где v = 0,3 - коэффициент Пуассона.
н - нормативная нагрузка на настил.
Силу Н, на действие которой надо проверить
сварные швы, прикрепляющие настил к балкам настила, можно проверить по
приближенной формуле:
Определяем толщину настила из
условия прогиба. Первоначально примем толщину настила tн = 10мм. Плотность
стали γs
= 78,5
,
коэффициент надежности по нагрузке 1,05. Сбор нагрузок на настил выполнен в
таблице 2.1.1.
Таблица 2.1.1.
Нагрузка на 1 м2 настила.
|
№
|
Вид
нагрузки
|
Условное
обозначение
|
Единицы
измерения
|
Нормативная
нагрузка
|
Коэффициент
надежности по нагрузке
|
Расчетная
нагрузка
|
|
1
|
Собственный
вес настила   0,7851,050,824
|
|
|
|
|
|
|
2
|
Постоянная
нагрузка
|
qпост
|
131,114,3
|
|
|
|
|
3
|
Временная
нагрузка
|
qвр
|
161,320,8
|
|
|
|
|
Итого:
|
|
29,78535,924
|
|
|
|
Погонная нормативная нагрузка на настил:
Погонная расчетная нагрузка на настил:
Подкрепляем ребрами, идущими перпендикулярно
балкам настила. Принимаем толщину настила 8 мм.
Требуемый шаг ребер:
Принимаем:
Рис. 2.1.1. Схема настила с ребрами.
Рис.2.1.2. Расчетное сечение настила
подкрепленное ребрами.
Для стали настила С245 по ГОСТ
27772-88, по табл. В.5:
(при tн = 8мм)
Находим геометрические характеристики:
Находим положение центра тяжести
относительно оси х1:
Момент инерции сечения настила включенного в
работу:
Рис. 2.1.3. Эпюра нормальных
напряжений в настиле.
Момент сопротивления:
Проверим принятое сечение:
Максимальный изгибающий момент в настиле:
Растягивающие цепное усилие Н:

Проверка прочности по нормальным напряжениям:
Прочность настила по нормальным
напряжениям обеспечена.
Проверка прочности настила по касательным
напряжениям и проверка жесткости настила:
Жесткость и прочность настила по
касательным напряжениям обеспечена.
.2 Расчет сварных швов,
прикрепляющих настил к балкам настил
Рис. 2.2.1. Расчетная схема настила.
Стальной настил приваривается угловыми сварными
швами к верхним поясам балок настила. Швы рассчитываются по двум сечениям:
· По металлу шва
· По металлу границы сплавления
Принимаем механизированную сварку проволокой
сплошного сечения.
По табл. Г1 для стали С245 находим сварочную
проволоку - СВ-08Г2С.
По табл. Г2 для проволоки СВ-08Г2С
находим
По табл. 3
По табл. В5
По табл.39*
По табл. 38
Принимаем максимальное из трех
значений катета шва:
3. Расчет балки настила Б2
Балка настила Б2 выполняется из прокатного
двутавра. Подберем 3 типа двутавров и выберем из них наиболее экономичный.
1. Двутавр с не параллельными гранями полок
по ГОСТ 8239-89.
2. Двутавр с параллельными гранями полок
нормального типа Б
по ГОСТ 26020-83.
3. Двутавр с параллельными гранями полок типа
Ш по ГОСТ 26020-83.
.1 Статический расчет
Определяем расчетную схему балки настила
пролетом l с равномерно распределенной нагрузкой. Расчет балки настила
производится на нагрузку, собранную с соответствующей ширины (рис. 1.2.).
Нормативная нагрузка от собственного
веса балки в первом приближении принимаем 0,3-0,5
, принимаю
0,4
. Сбор
нагрузки выполняется в табличной форме (табл. 3.1.), но предварительно найдем
эквивалентную толщину настила tн.
Толщина эквивалентная:
Таблица 3.1.
Нагрузка на балку настила.
|
№
|
Вид
нагрузки
|
Условное
обозначение
|
Единицы
измерения
|
Нормативная
нагрузка
|
Коэффициент
надежности по нагрузке
|
Расчетная
нагрузка
|
|
1
|
Собственный
вес настила   0,7121,050,748
|
|
|
|
|
|
|
2
|
Собственный
вес балки настила
|
 0,41,050,42
|
|
|
|
|
|
3
|
Постоянная
нагрузка
|
qпост
|
13,01,114,3
|
|
|
|
|
4
|
Временная
нагрузка
|
qвр
|
16,01,320,8
|
|
|
|
|
Итого:
|
|
30,11236,268
|
|
|
|
Постоянная нормативная нагрузка:
Погонная расчетная нагрузка:
Расчетный, максимальный изгибающий момент:
Расчетная, максимальная поперечная сила:
.2 Конструктивный расчет
Вариант 1: двутавр с не
параллельными гранями полок по ГОСТ 8239-89.
Конструктивный расчет
Подбор сечения балки
Требуемый момент сопротивления с учетом развития
пластических деформаций:
По табл. В.5 сталь С375 ГОСТ
27772-88
, при
толщине
. По табл.
Е.1 принимаем
для
двутавра.
По табл. 1
Проверка сечения
Расчетная погонная нагрузка на балку:
Уточняем момент и поперечную силу:
По табл. Е.1 интерполяцией находим коэффициент
сх.
Проверка прочность по нормальным напряжениям:
Уточняем расчетное сопротивление по
толщине полки:
Прочность по нормальным напряжениям обеспечена.
Проверка прочности по касательным напряжениям:
Прочность по касательным напряжениям обеспечена.
Проверка жесткости балки (по нормативным
нагрузкам).
Уточняем нормативную нагрузку, действующую на
балку с учетом фактической массы балки.
Прогиб балки:
Проверка общей устойчивости не требуется, т.к.
на верхний сжатый пояс балок настила опирается стальной настил и приваривается
непрерывными сварными швами.
Проверка местной устойчивости полки и стенки не
требуется, т.к. она обеспечивается из условий проката (ГОСТ 8239-89).
Вариант 2: двутавр с параллельными гранями полок
нормального типа по ГОСТ 26020-83.
Конструктивный расчет
Подбор сечения балки
Требуемый момент сопротивления с учетом развития
пластических деформаций:
По табл. В.5 сталь С375 ГОСТ
27772-88
, при
толщине
. По табл.
Е.1 принимаем
для
двутавра.
По табл. 1
3.3.2 Проверка сечения
Расчетная погонная нагрузка на балку:
Уточняем момент и поперечную силу:
По табл. 66 интерполяцией находим коэффициент
сх.
Проверка прочность по нормальным напряжениям:
Уточняем расчетное сопротивление по
толщине полки:
Прочность по нормальным напряжениям обеспечена.
Проверка прочности по касательным напряжениям:
Прочность по касательным напряжениям обеспечена.
Проверка жесткости балки (по нормативным
нагрузкам).
Уточняем нормативную нагрузку, действующую на
балку с учетом фактической массы балки.
Прогиб балки:
Проверка общей устойчивости не требуется, т.к.
на верхний сжатый пояс балок настила опирается стальной настил и приваривается
непрерывными сварными швами.
Проверка местной устойчивости полки и стенки не
требуется, т.к. она обеспечивается из условий проката (ГОСТ 26020-83).
Вариант 3: двутавр с параллельными гранями полок
широкополочного типа по ГОСТ 26020-83.
Конструктивный расчет. Вариант 3
Подбор сечения балки
Требуемый момент сопротивления с учетом развития
пластических деформаций:
По табл. В.5 сталь С375 ГОСТ
27772-88
, при
толщине
. По табл.
Е.1 принимаем
для
двутавра .
По табл. 1
Проверка сечения.
Расчетная погонная нагрузка на балку:
Уточняем момент и поперечную силу:
По табл. 66 интерполяцией находим коэффициент
сх.
Проверка прочность по нормальным напряжениям:
Уточняем расчетное сопротивление по
толщине полки:
Прочность по нормальным напряжениям обеспечена.
Проверка прочности по касательным напряжениям:
Прочность по касательным напряжениям обеспечена.
Проверка жесткости балки (по нормативным
нагрузкам).
Уточняем нормативную нагрузку, действующую на
балку с учетом фактической массы балки.
Прогиб балки:
Проверка общей устойчивости не требуется, т.к.
на верхний сжатый пояс балок настила опирается стальной настил и приваривается
непрерывными сварными швами.
Проверка местной устойчивости полки и стенки не
требуется, т.к. она обеспечивается из условий проката (ГОСТ 26020-83).
Таблица 3.2.1.
Сравнение балок настила.
|
Условное
обозначение
|
Единицы
измерения
|
Сечение
ГОСТ
|
|
|
I№24
ГОСТ 8239-89
|
I№23Б1
ГОСТ 26020-83
|
I№23Ш1
ГОСТ 26020-83
|
|
 0,2730,2580,362
|
|
|
|
|
|
 289260,5377
|
|
|
|
|
|
 346029964260
|
|
|
|
|
|
 29,8233,4823,74
|
|
|
|
|
|
 7,657,986,91
|
|
|
|
|
|
  
|
|
|
|
|
Наиболее оптимальным вариантом является двутавр
I№23Б1 по ГОСТ 26020-83.
4. Расчет главной балки Г2
Главную балку выполняем составного сечения.
.1 Статический расчет
Расчетная схема определяется типом балочной
клетки. Нагрузка с балок настила на главные балки передается в виде
сосредоточенных сил (опорных реакций). При равномерном расположении шести и
более сил нагрузка может заменятся эквивалентной равномерно распределенной
нагрузкой и собирается с ширины l = 5,4м.
Собственный вес главных балок определяется от 1
до 2% от действующей нагрузки (см. табл.4.1.). γс=
Таблица 4.1.
Нагрузка на главную балку.
|
№
|
Вид
нагрузки
|
Условное
обозначение
|
Единицы
измерения
|
Нормативная
нагрузка
|
Коэффициент
надежности по нагрузке
|
Расчетная
нагрузка
|
|
1
|
Собственный
вес настила t экв * γс=9,07*0,0785=
0,712
|
 0,7121,050,748
|
|
|
|
|
|
2
|
Собственный
вес балки настила   0,221,050,23
|
|
|
|
|
|
|
3
|
Постоянная
нагрузка
|
qпост
|
13,01,114,3
|
|
|
|
|
4
|
Временная
нагрузка
|
qвр
|
16,01,320,8
|
|
|
|
|
Итого:
|
|
29,93236,078
|
|
|
|
|
5
|
Собственный
вес главной балки Г2 qсгб 0,5991,050,629
|
|
|
|
|
|
|
Всего:
|
qгб
|
30,54136,717
|
|
|
|
Погонная нормативная нагрузка:
Погонная расчетная нагрузка:
Расчетный, максимальный изгибающий момент:
Расчетная, максимальная поперечная сила:
4.2 Конструктивный расчет
Принимаем балку составного сечения. Балка
бистальная. Сталь поясов главной балки С255 по ГОСТ 27772-88, сталь стенки
главной балки С245 по ГОСТ 27772-88.
Для бистальных балок, если возникает текучесть
на участке стенки то она, не опасна для остальной балки. Расчет учитывает
возможность появления пластичности в стенки.
Требуемый момент сопротивления:
По табл. В.5 сталь С255 ГОСТ
27772-88
, для
листового проката при толщине
. По табл. 1
Принимаю:
, с учетом
сортамента листового проката.
Из условия экономичности:
Принимаю:
, с учетом
сортамента листового проката.
- коэффициент учитывающий бистальную
балку.
По табл. В.5 сталь С245 ГОСТ
27772-88
, для
листового проката при толщине
.
Требуемая площадь одного пояса:
Ширина полки:
По сортаменту листового проката ГОСТ
82-70 принимаем
мм
Толщина полки:
см
По сортаменту листового проката ГОСТ
82-70 принимаем
мм
Площадь одного пояса:
.3 Проверка подобранного сечения
Находим момент инерции относительно оси х:
Момент сопротивления относительно оси х:
Статический момент:
.4 Проверка прочности
Уточняем расчетное сопротивления
полки при толщине
, по табл.
В.5 сталь С255 ГОСТ 27772-88
для листового проката.
Проверяем прочность по нормальные
напряжения:
Прочность по нормальным напряжениям обеспечена.
Проверяем прочность по касательным напряжениям:
Прочность по касательным напряжениям обеспечена.
4.5 Проверка жесткости
α=0,8…0,9 - коэффициент
учитывающий изменения сечения по длине балки.
Жесткость балки обеспечена.
5. Изменение сечения главной балки
Выполнение изменения в сечении балки
за счет ширины поясных швов, рационально выполнять изменение сечения на
расстоянии
.
Принимаю:
.
В измененном сечении находим:
Расчетный, максимальный изгибающий момент:
Расчетная, максимальная поперечная
сила:
5.1 Подбор сечения
Ширина пояса:
Площадь пояса:
По сортаменту листового проката ГОСТ
82-70 принимаю:
.2 Проверка подобранного сечения
Находим момент инерции относительно оси х:
Момент сопротивления относительно оси х:
Статический момент:
Проверка прочности по нормальным
напряжениям.
Расчетное сопротивления полки при
толщине
, по табл.
В.5 сталь С255 ГОСТ 27772-88
для листового проката.
Прочность по нормальным напряжениям обеспечена.
Проверка прочности по касательным напряжениям.
Прочность по касательным напряжениям обеспечена.
.3 Проверка приведенных напряжений на уровне
поясных швов
Нормальные напряжения в измененном сечении на
уровне поясных швов:
Средние касательные напряжения в стенке:
Выполним стык верхнего пояса прямым швом, а
нижнего - косым, равнопрочным основным металлом.
Проверка прочности по касательным напряжениям
для измененного сечения на опоре.
.4 Проверка общей устойчивости балки
Проверяем общую устойчивость измененного сечения
балки:

Так как
= 0,171 <
= 0,539, то
общая устойчивость главной балки в уменьшенном сечении обеспечена.
.5 Расчет соединения поясов со
стенкой
Расчет сварного шва соединяющего пояс со стенкой
производим на действие сдвигающей силы Т.
Сдвигающая сила на 1 см длины балки:
Поясные швы выполняются
двусторонними, автоматической сваркой в лодочку.
Сварочная проволока СВ-08А
· По металлу шва
По металлу границы сплавления
По табл. Г.2 для проволоки СВ-08А
находим
По табл. В.5
По табл. 36
По табл. 35
Принимаем минимально допустимый
катет поясных сварных швов:
5.6 Проверка местной устойчивости
полки балки
Определяем условную гибкость свеса пояса и
сравниваем ее с предельной гибкостью, принимаемой по [1, п. 8.5. 18]
=18,5 см;
Для бистального сечения:
кН/см2
где
- значение
= 0,180 из
[1, табл. 18] при
; при
условной гибкости стенки
если
, то
,
кН/см2;
= 24 кН/см2:
=
= 0,5.
0,286< 0,5 - местная устойчивость
полки обеспечена.
5.7 Проверка местной устойчивости стенки балки
Условная гибкость стенки:
= 4,847
кН/см
для стали С245 при
=10 мм;
см;
=1см.
;
=4,847 > 2,2
, местная
устойчивость стенки не обеспечена и требуется стенку главной балки укреплять
поперечными ребрами жесткости.
Шаг ребер:
м;
при
;
Расстояние между ребрами не должно
превышать
=2*110=220см<3м.
м >
м,
поэтому принимаем шаг ребер равным
шагу балок настила
м.
Так как ребра совпадают с балками
настила, то в этом месте местные напряжения смятия будут равны нулю.
Для 1- 6 отсеков
;
, поэтому
требуется проверка местной устойчивости стенки, которая проверяется по формуле:
Проверку местной устойчивости стенки
балки смотри в табл. 5.7.1.
Таблица 5.7.1.
Проверка местной устойчивости стенки главной
балки
|
N
п/п
|
Характеристика
сечения
|
Отсеки
|
|
|
1
|
2
|
3
|
4
|
5
|
6
|
|
1
|
Место
проверки местной устойчивости 0,61,83,04,25,46,6
|
|
|
|
|
|
|
|
2
|
Расчётный
момент 582,921582,202359,432914,593247,683358,72
|
|
|
|
|
|
|
|
3
|
Расчётная
поперечная сила 925,27740,21555,16370,11185,050
|
|
|
|
|
|
|
|
4
|
Момент
сопротивления 10759,5910759,5915134,5515134,5515134,5515134,55
|
|
|
|
|
|
|
|
5
|
6,525,213,912,611,300
|
|
|
|
|
|
|
|
6
|
4,854,854,854,854,854,85
|
|
|
|
|
|
|
|
7
|
α, табл.18
|
0,1445
|
0,1519
|
0,1588
|
0,1658
|
0,1727
|
-
|
|
8
|
0,7550,7550,7550,7550,7550,755
|
|
|
|
|
|
|
|
9
|
0,4750,3740,2810,1870,093-
|
|
|
|
|
|
|
|
10
|
0,5230,6240,5580,6180,6600,675
|
|
|
|
|
|
|
|
11
|
0,00140,00360,00530,00650,00720,0092
|
|
|
|
|
|
|
|
12
|
Примечания:
местная устойчивость
|
обеспеч.
|
обеспеч.
|
обеспеч.
|
обеспеч.
|
обеспеч.
|
обеспеч.
|
6. Расчет поперечных ребер жесткости
Назначаем сталь поперечных ребер жесткости С245.
Ширина поперечного ребра определяется по формуле:
br ³
+ 25 мм =
+ 25 = 72,33
мм.
Принимаем ширину ребра br = 100 мм (кратной 5
мм).
Толщина поперечного ребра назначается из условия
ts ³ 2 · br ·
= 2 · 100 ·
= =6,83 мм.
По сортаменту листового проката
принимаем ts = 10 мм.
На концах ребер жесткости для
пропуска поясных швов и уменьшения концентрации сварочных напряжений
устраиваются скосы размером 40х60 мм. Поперечные ребра привариваются ручной
сваркой к стенке и полке балки сплошными швами минимальных катетов, назначаемых
по [1, табл. 38] для тавровых соединений с двусторонними угловыми швами.
Для швов крепления ребер жесткости к полкам при
толщине более толстого из свариваемых элементов tf = 22 мм минимальный катет
шва равен kf = 5 мм, для швов крепления ребер жесткости к стенке балки при
толщине более толстого из свариваемых элементов ts = tw = 10 мм минимальный
катета шва равен kf = 4 мм.
Проверим несущую способность ребра на смятие:
;
;
;
кН/см
по табл. 51;
=1,025 по
табл. 2 для ГОСТ 27772-88;
;
7. Сопряжение балок настила с
главными балками
Сопряжение балок настила с главными балками
принимается в одном уровне, через поперечные ребра жесткости.
К балкам настила приваривается накладка с
заводскими швами, а к поперечному ребру жесткости главной балки накладка
крепится болтами нормальной точности.
Примем толщину накладки:
.
.1 Расчет болтового соединения
Определяем необходимое количество болтов. Болты
рассчитывают на срез и на смятие. Принимаем болты нормальной точности: М20,
dб=20мм, dотв=22мм, кл.-5.6.
Сталь накладки С285 по ГОСТ 27772-88.
Определяем несущую способность болта:
по табл. Г.5
, по табл.
41
, по табл.
Г.9
,
Несущая способность в соединении на
смятие:
по табл. В.5
, по табл.
Г.6
.
,2 - коэффициент, учитывающий
возможную неравномерность вовлечения болтов в работу.
Принимаю: