Релейная защита понизительной трансформаторной подстанции
СОДЕРЖАНИЕ
Введение
. Задание к курсовой работе
. Технико-экономический расчёт подстанции
.1 Расчет электрических нагрузок подстанции
.2 Выбор трансформаторов (автотрансформаторов АТ)
2.3 Расчет потерь электроэнергии
2.4 Расчет приведенных затрат
3. Расчёт токов короткого замыкания
.1 Построение расчетной и схемы замещения
. Выбор электрооборудования
.1 Выбор высоковольтных выключателей и разъединителей
.2 Выбор жестких шин
4.3 Выбор измерительных трансформаторов
.4 Расчет заземляющих устройств
Заключение
Список используемой литературы
ВВЕДЕНИЕ
Основой
экономики всех индустриальных стран мира является электроэнергетика.
Важнейшие задачи, решаемые энергетиками и энергостроителями, состоят в
непрерывном увеличении объёмов производства, в сокращении сроков строительства
новых энергетических объектов и реконструкции старых, уменьшение удельных
капиталовложений, в сокращении удельных расходов топлива, повышении
производительности труда. Современная энергетика характеризуется нарастающей
централизацией производства и распределения электроэнергии.
В перспективе энергетики стоит задача всемирного развития и использования
возобновляемых источников энергии, солнечной, геотермальной, ветровой,
приливной и др.
Энергетической программой предусматривается дальнейшее развитие
энергосберегающей политики.
1. ЗАДАНИЕ К КУРСОВОЙ РАБОТЕ
Выполнить расчеты электрической части подстанции. Выбрать необходимое
оборудование подстанций, рассчитать токи короткого замыкания, наметив
предварительно необходимые точки КЗ, проверить выбранное оборудование на
устойчивость к воздействию токов короткого замыкания. Выполнить расчет
заземляющего устройства
Таблица 1.1
Исходные данные к расчету
|
№ вар
|
U, кВ
|
U, кВ
|
L - n
|
Рл, МВт
|
Рmax, МВт
|
Рmin, МВт
|
Cos j
|
Sкз, МВ А
|
|
6
|
220/110/10
|
110 10
|
L1 - 4 L2
-8
|
30 2
|
120 16
|
110 14
|
0,86 0,88
|
9000
|
Таблица 1.2
Исходные данные к расчету
|
Номер варианта
|
Длина линии L,
км
|
Длина линии L,
км
|
Длина линии L,
км
|
|
7
|
52
|
64
|
2,5
|

Рисунок 1.1 - Графики суточных нагрузок СН и НН в процентах
Количество зимних суток равно 213, летних 152.
2. ТЕХНИКО-ЭКОНОМИЧЕСКИЙ РАСЧЁТ ПОДСТАНЦИИ
.1 Расчёт электрических нагрузок
подстанция короткое
замыкание заземляющий
По исходным данным, принимаемым в соответствии с вариантом,
рассчитываются мощности подстанции по напряжениям.
Полные мощности подстанции по ступеням напряжения:
Sм СН =
(2.1)
Sм СН =
Sм НН =
(2.2)
Sм НН =
где
- максимальная активная мощность на данной ступени
напряжения, МВт.
Полная
мощность на стороне высшего напряжения
S м ВН = S м СН+ Sм НН (2.3)
м ВН = 139,53+ 18,18 = 157,71МВА
Реактивные
мощности подстанции
Qм СН2 =
(2.4)
Qм СН2 =
Qм НН =
(2.5)
Qм НН =
Энергия зимних суток
ЗС СН= Р1 t1 + Р2 t2 + Р3 t3 (2.6)ЗС СН=
120*0,6*6+120*1*13+120*0,6*5 =2352 МВт час
ЗС НН= Р1 t1 + Р2 t2 + Р3 t3 (2.7)
W ЗС
НН=16*0,6*6+16*13+16*0,65=313,6 МВт час
Энергия летних суток.
ЛС СН = Р4 t4 + Р5 t5 + Р6 t6 (2.8)ЛС СН =
120*0,4*8+120*0,8*7+120*0,4*9=1488 МВт час
ЛС НН = Р4 t4 + Р5 t5 + Р6 t6+ Р7 t7 (2.9)
W ЛС
НН = 16*0,4*8+16*0,8*7+16*0,4*9=1984 МВт час
Электрическая энергия потреблённая за год по каждому графику
WГОД = WЗС NЗ + WЛС NЛ (2.10)
WГОД
СН = W ЗС СН + W ЛС СН (2.11)
WГОД
СН = 2352*213+1488*152=727152 МВт час
WГОД
НН = W ЗС НН + W ЛС НН (2.12)
WГОД
НН = 313,6*213+198,4*152=96953,6 МВт час
Время максимума потребления нагрузки
ТМ
=
(2.13)
ТМ,
СН =
(2.14)
ТМ,
СН =
час
ТМ,
НН =
(2.15)
ТМ,
НН =
Т
М ,ВН =
(2.16)
Т
М ,ВН =
Время
максимальных потерь энергии -t рассчитывается, за год на
каждом напряжении. Годовая продолжительность времени потерь принимается
календарная Т=8760 часов
(2.17)
для каждого напряжения свое время максимальных потерь
τ СН =
(2.18)
τ СН =
τ НН =
(2.19)
τ НН =
.2 Выбор трансформаторов (автотрансформаторов АТ)
Наметим два варианта схем подстанции и выполним их технико-экономический
расчет, на основании которого выбираем один из расчетных вариантов.
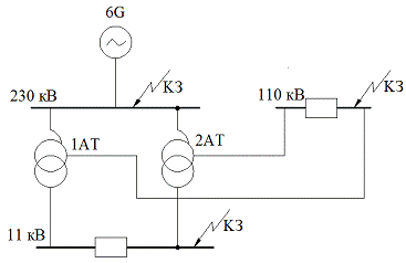
Рисунок 2.3 - Схемы подстанций 1-й вариант.
Рисунок 2.4 - Схемы подстанций 2-й вариант
Мощность трансформатора определяется его нагрузкой и определяется как
S
Н.ТР. ³ 0,7*S М (2.20)
-й вариант АТ1,2: 125³110,397 МВА
-й вариант Т1,2: 125³110,397 МВА
Т3,4: 125³97,671 МВА
для каждой ступени напряжения с учетом установки двух трансформаторов.
Выбранный трансформатор (автотрансформатор) проверим на аварийные
перегрузки при выходе одного трансформатора (автотрансформатора) из работы.
Коэффициент аварийной перегрузки определяется по формуле
(2.21)
-й
вариант АТ1,2:
-й
вариант Т3,4:
Т3,4:
Где
Smax- максимальная мощность по графику нагрузки на стороне
ВН. Sном.т- номинальная мощность трансформатора (АТ).
Выбранный
трансформатор (АТ) должен удовлетворять условию
(2.22)
1-й
вариант АТ1,2: 1,26<1,4
-й
вариант Т3,4: 1,26<1,4
Т3,4:
0,78<1,4
Проверка трансформатора (АТ) на систематические перегрузки производится
при отключении одного из трансформаторов (АТ) на плановый ремонт во время
летнего периода. Поэтому оставшийся в сети трансформатор (АТ) будет работать
как в аварийном режиме. Параметры выбираемых трансформаторов оформляются в
таблицу 2.1.
Таблица 2.1
Параметры выбранных трансформаторов (АТ).
|
Тип
|
SНОМ МВА
|
SНОМ нн МВА
|
UВН кВ
|
UСН кВ
|
UНН кВ
|
UK, %
|
РХХ, кВТ
|
РКЗ,
кВт
|
IX, %
|
|
|
|
|
|
|
В-С
|
В-Н
|
С-Н
|
|
В-С
|
В-Н
|
С-Н
|
|
|
АТДЦТН
|
125
|
63
|
230
|
121
|
10,5
|
11
|
45
|
28
|
65
|
315
|
280
|
275
|
0,4
|
|
ТДЦ
|
125
|
-
|
242
|
-
|
10,5
|
|
11
|
|
120
|
380
|
0,55
|
|
ТРДЦН
|
125
|
-
|
115
|
-
|
10,5
|
|
11
|
|
105
|
400
|
0,55
|
|
|
|
|
|
|
|
|
|
|
|
|
|
|
|
2.3 Расчёт потерь электроэнергии
Расчет потерь мощности DРк в автотрансформаторах (АТ1, 2) по обмоткам
∆РК,В
=
(2.23)
∆РК,В
=
∆Р
К,С =
(2.24)
∆Р
К,С =
∆Р
К,Н =
(2.25)
∆Р
К,Н =
где
КВЫГ=
- коэффициент выгодности или коэффициент типовой
мощности.
Если
номинальная мощность обмотки низкого напряжения
,
то вместо КВЫГ можно подставить:
(2.26)
Мощности обмоток автотрансформаторов при работе под нагрузкой.
SМнн=
(2.27)
SМнн=
Потери
энергии в автотрансформаторах DW
(2.28)
N - количество
автотрансформаторов на ПС.
Потери
энергии в двухобмоточных трансформаторах
(2.29)
(2.30)
где
Т = 8760 час
2.4
Расчет приведенных затрат
Стоимость потерь электроэнергии вычисляется для двух вариантов по
выражению:
(2.31)
тенге
тенге
(2.32)
где
- стоимость потерь энергии в автотрансформаторах.
b=2,89 тенге/кВт час - стоимость потерь электроэнергии.
(2.33)
где
- стоимость потерь энергии в трансформаторах.
Капитальные
затраты на основное оборудование ПС вычисляются, в соответствии с укрупненными
показателями стоимости. Для сравнения капитальных затрат вариантов удобнее
заполнить таблицу 2.2.
Примечание:
цены переведем в тенге, увеличивая заданную стоимость в 100 раз.
Таблица
2.2
Затраты
по вариантам
|
Наименование оборудования
|
Стоимость единицы
оборудования Тыс.тенге
|
Первый вариант.
|
Второй вариант.
|
|
|
Кол-во
|
Общая стоимость Тыс.тенге
|
Кол-во
|
Общая стоимость Тыс.тенге
|
|
АТ1, АТ2
|
19500
|
2
|
39000
|
0
|
|
|
Т1,Т2
|
18600
|
0
|
|
2
|
37200
|
|
Т3,Т4
|
19600
|
0
|
|
2
|
39200
|
|
Ячейка ОРУ-220
|
9500
|
1
|
9500
|
1
|
9500
|
|
Ячейка ОРУ-110
|
3730
|
1
|
3730
|
1
|
3730
|
|
Ячейка КРУ-10
|
210
|
1
|
210
|
1
|
210
|
|
КåОБЩ
|
|
|
52440
|
|
89840
|
Стоимость отчислений на амортизацию ремонт и обслуживание
(2.34)
где
- норма амортизационных отчислений от капитальных
затрат,
- для
ОРУ-110кВ и ниже - норма отчислений на обслуживание,
К- сумма полученных капитальных затрат из таблицы №3 по вариантам.
Приведённые затраты вычисляются по формуле
(2.35)
где
- нормативный коэффициент экономической эффективности
Вывод: для дальнейшего расчета выбираем 1-й вариант.
3. РАСЧЕТ ТОКОВ КОРОТКОГО ЗАМЫКАНИЯ
.1 Построение расчетной и схемы замещения
Для выбранного варианта составим расчетную схему и схему замещения. Все
элементы в схеме замещения заменим индуктивными сопротивлениями в относительных
единицах для соответствующего метода расчета тока КЗ. Секционные выключатели отключены.
Рисунок 3.1 - Расчетная схема ПС
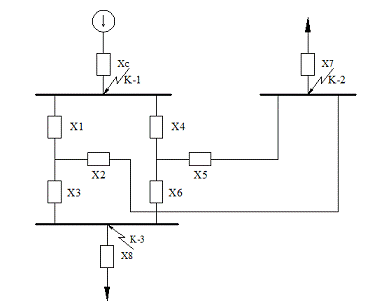
Рисунок 3.2 - Схема замещения ПС
Задаёмся базисными величинами
-
базисная мощность,
-
базисное напряжение, принимается равным среднему номинальному напряжению
ступени КЗ.
=
10,5;115; 230 кВ.
-
базисный ток ступени КЗ.
(3.1)
Переведём
сопротивления в относительные единицы. Перевод выполним по формулам в таблице
П-2 (приложения).
(3.2)
(3.3)

(3.4)
(3.5)
(3.6)
(3.7)
Произведя
преобразования в схеме, определим результирующее сопротивление для каждой из
намеченных точек КЗ.
Определить
начальное значение периодической составляющей тока КЗ.
, кА (3.8)
Определить
значение мгновенного амплитудного значения ударного тока
, кА (3.9)
где
из таблицы П-1(приложения).
Действующее значение ударного тока
,кА
(3.10)
Полученные
токи приведём в таблицу 3.1.
Таблица
3.1
Расчётные
токи соответствующих точек КЗ.
|
Точка КЗ
|
Iб, кА
|
Iпо, кА
|
iу, кА
|
Iу, кА
|
|
К1
|
25,13
|
22,8
|
55,35
|
54,6
|
|
К2
|
50,26
|
21,76
|
5,61
|
12,7
|
|
К3
|
550
|
37,53
|
72,65
|
105,2
|
4. ВЫБОР ОБОРУДОВАНИЯ
4.1 Выбор высоковольтных выключателей и разъединителей
Выбор выключателей производится по:
Роду установки;
По допустимому току;
По напряжению.
а) динамическая стойкость
б) термическая стойкость
Таблица 4
Условия выбора в/в выключателя
|
Условия выбора выключателя
|
Расчетные данные
|
Каталожные данные
выключателя
|
|
 
|
|
|
Выбор выключателя и разъединителя на 220 кВ:
UН =
220 кВ;
Таблица
5
Ведомость на выключатель и разъединитель ВН 220 кВ.
|
Расчетные данные
|
Каталожные данные
|
|
Выключатель У-220-2000-40У1
|
Разъединитель РНДЗ.2 -
220/1000У1
|
|
Uуст = 220 кВ
|
Uном = 220 кВ
|
Uном = 220 Кв
|
|
Iрабмах = 580 А
|
Iном = 2000 А
|
Iном = 1000 А
|
|
IПО = 22,8 кА
|
Iоткл = 40 кА
|
-
|
ia = 5,95
кА ia = 
Iотклβ%/100
=
|
=  ·40·30/100
= 16,9 кА-
|
|
|
|
iуд = 55,35 кА
|
iдин = 105 кА
|
iдин = 70,92 кА
|
|
Iпо = 22,8 кА
|
Iдин = 40 кА
|
-
|
|
Вк = I2ПО(tоткл+Та)
= = 22,82·(0,145+0,03) = 90,97 кА2·с
|
I2тер·tтер = 402·3 = = 4800 кА2·c
|
I2тер·tтер = 402·1 = = 1600 кА2·c
|
Выбор выключателя и разъединителя на 110 кВ:
UН =
110 кВ
Таблица 6
Ведомость на выключатель и разъединитель СН1 110 кВ.
|
Расчетные данные
|
Каталожные данные
|
|
Выключатель ВВБК-110Б-50/3150У1
|
Разъединитель РНД -
110/3200У1
|
|
Uуст = 110 кВ
|
Uном = 110 кВ
|
Uном = 110 кВ
|
|
Iрабмах =930 А
|
Iном = 3150 А
|
Iном = 3200 А
|
|
IПО = 21,76 кА
|
Iоткл = 50 кА
|
|
ia = 3,6
кА ia = 
Iотклβ%/100
=
|
=  ·50·35/100
= 24,75 кА
|
|
|
|
iуд = 5,61 кА
|
iвкл = 80 кА
|
Iпр.с = 125 кА
|
|
Iпо = 21,76 кА
|
Iвкл = 50 кА
|
|
|
Вк = I2ПО(tоткл+Та)
= = 21,762·(0,255+0,02) = 131кА2·с
|
I2тер·tтер = 31,52·3 = = 2977 кА2·c
|
I2тер·tтер = 502·3 = = 7500 кА2·c
|
Выбор выключателя на 10 кВ:
UН =
10 кВ
Выбор
разъединителя не производится, так как на стороне НН устанавливается КРУ.
Таблица 8
Ведомость на выключатель НН 10 кВ.
|
Расчетные данные
|
Каталожные данные
|
|
Выключатель ВВЭ10-41,5/1600УЗ
|
|
Uуст = 10 кВ
|
Uном = 10 кВ
|
|
Iрабмах = 1500 А
|
Iном = 1600 А
|
|
IПО = 37,53 кА
|
Iоткл =41,5 кА
|
|
ia = 1,66 кА
|
ia =  Iотклβ%/100=  ·63·20/100
= 17,82 кА
|
|
iуд = 72,65 кА
|
iвкл = 80 кА
|
|
Iпо = 37,53 кА
|
Iвкл = 41,5 кА
|
|
Вк = I2ПО(tоткл+Та)
= = 37,532·(0,286+0,02) =4,31 кА2·с
|
I2тер·tтер = 31,52·3 = = 2977 кА2·c
|
4.2 Выбор жестких шин
Выбор жестких шин производится лишь для напряжений 6-10 кВ, на напряжение
35 кВ и выше выбираются гибкие токопроводящие шины.
Проверка по допустимому току;
IРМ<IДОП , кА (4.4)
При
этом за IРМ будем принимать максимальный рабочий ток ступени
напряжением 10 кВ.
Исходя
из этого условия, выберем из ПУЭ 6 издания таблицы 1.3.31 прямоугольные
однополосные алюминиевые шины марки АДО размером (120х8 мм) с длительным
допустимым номинальным током 1900 А.
(4.5)
где
Iдоп.ном допустимый ток при действительной температуре
воздуха λ0
= 25 С0.
Тогда
1,5<1,9 кА
Механический
расчет выбранных однополосных шин
Наибольшее
удельное усилие при токе КЗ
(4.6)
Примем
а = 0,3м из [1].
Так
как расстояние между фазами значительно больше периметра шин а>2(h+b),
т.е. 0,6>2(0,12+0,08)м , то коэффициент формы Кф=1.
Изгибающий
момент
(4.7)
где
- длина пролета между опорными изоляторами шинной
конструкции, м.
Примем
Напряжение
в материале шины
(4.8)
W - момент
сопротивления шин (см.приложения таблицу П-3).
(4.9)
Шины
механически прочны если
Gрасч<Gдоп
(4.10)
где
Gдоп=40МПа из
таблицы П- 4 приложения.
Отсюда
22,8<40 МПа
Следовательно шины механически прочны, поэтому окончательно к установке
принимаем алюминиевые шины марки АДО прямоугольного сечения (120x8 мм) с длительно допустимым
номинальным током 1900А.
Проверка на термическую стойкость не производится из соображений малой
величины теплового импульса ВК.
4.3 Выбор измерительных трансформаторов
Выбор трансформаторов тока
Таблица 4.6
Условия выбора ТА.
|
№
|
Условия выбора
|
Расчетные данные
|
Каталожные данные
|
|
1. 2. 3. 4. 5.
|
 
|
|
|
Объём контрольно-измерительных приборов выбирается согласно источнику [1] с. 362-368, и справочных каталожных данных там же с.635.
Заданный класс точности 0,5.
Выбор ТА на стороне 220 кВ;
Таблица 4.7
Выбор ТА на стороне 220 кВ;
|
Условия выбора ТФЗМ220Б
|
Расчетные данные
|
Каталожные данные
|
|
 
|
|
|
Таблица 4.8
Контрольно-измерительные приборы.
|
Прибор
|
Тип
|
Кол-во
|
Нагрузка, ВА
|
|
|
|
|
А
|
В
|
С
|
|
|
Амперметр
|
Линии 220 кВ от системы
|
Э-335
|
6
|
0,5
|
0,5
|
0,5
|
|
|
Ваттметр
|
|
Д-335
|
1
|
0,5
|
0,5
|
0,5
|
|
|
Варметр
|
|
Д-335
|
1
|
0,5
|
0,5
|
0,5
|
|
|
Счётчик активной энергии
|
|
САЗ-И-675
|
1
|
3
|
-
|
3
|
|
|
Счётчик реактивной энергии
|
|
СРЗ-И-673М
|
1
|
3
|
-
|
3
|
|
|
Итого
|
|
|
|
10
|
4
|
10
|
|
|
Амперметр
|
АТ на стороне 220 кВ
|
Э-335
|
3
|
0,5
|
0,5
|
0,5
|
|
Ваттметр
|
|
Д-335
|
1
|
0,5
|
0,5
|
0,5
|
|
Варметр
|
|
Д-335
|
1
|
0,5
|
0,5
|
0,5
|
|
Счётчик активной энергии
|
|
САЗ-И-675
|
1
|
3
|
-
|
3
|
|
Счётчик реактивной энергии
|
|
СРЗ-И-673М
|
1
|
3
|
-
|
3
|
|
Итого
|
|
|
|
8,5
|
2,5
|
8,5
|
Вторичная
нагрузка состоит из сопротивления приборов, соединительных проводов и
переходного сопротивления контактов, причём
.
(4.11)
Сопротивление
приборов определяется по выражению
(4.12)
где
- максимальное значение на ступени напряжения.
Сопротивление
контактов принимают 0,05 Ом при 2-3 приборов, при большем количестве - 0,1 Ом.
Сопротивление соединительных проводов зависит от длины и сечения. Чтобы
трансформатор тока работал в выбранном классе точности необходимо
(4.15)
Тогда
(4.16)
Расчет
сечения контрольного кабеля;
Для
соединения ТА в полную звезду:
Рисунок
4.1 - Схема соединения ТА.
(4.17)
Зная
сопротивление проводов можно определить сечение
(4.18)
где
ρ
- удельное сопротивление материала
провода равное 0,0175 для меди;
на
ступени напряжением 220 кВ.
Окончательно
примем контрольный кабель с медными жилами, сечением 4,5мм2, марки КВВГ.
Таблица
4.9
Выбор
ТА на стороне 110 кВ;
|
Условия выбора ТФЗМ110У1
|
Расчетные данные
|
Каталожные данные
|
|
 
|
|
|
Таблица 4.10
Контрольно-измерительные приборы.
|
Прибор
|
Тип
|
Кол-во
|
Нагрузка, ВА
|
|
|
|
|
А
|
В
|
С
|
|
|
Амперметр
|
Линии 110 кВ
|
Э-335
|
7
|
0,5
|
0,5
|
0,5
|
|
|
Ваттметр
|
|
Д-335
|
1
|
0,5
|
0,5
|
0,5
|
|
|
Варметр
|
|
Д-335
|
1
|
0,5
|
0,5
|
0,5
|
|
|
Счётчик активной энергии
|
|
САЗ-И-675
|
1
|
3
|
-
|
3
|
|
|
Счётчик реактивной энергии
|
|
СРЗ-И-673М
|
1
|
3
|
-
|
3
|
|
|
Итого
|
|
|
|
10,5
|
2,5
|
10,5
|
|
|
Амперметр
|
АТ на стороне 110 кВ
|
Э-335
|
3
|
0,5
|
0,5
|
0,5
|
|
Ваттметр
|
|
Д-335
|
1
|
0,5
|
0,5
|
0,5
|
|
Варметр
|
|
Д-335
|
1
|
0,5
|
0,5
|
0,5
|
|
Счётчик активной энергии
|
|
САЗ-И-675
|
1
|
3
|
-
|
3
|
|
Счётчик реактивной энергии
|
|
СРЗ-И-673М
|
1
|
3
|
-
|
3
|
|
Итого
|
|
|
|
8,5
|
|
8,5
|
Вторичная
нагрузка состоит из сопротивления приборов, соединительных проводов и
переходного сопротивления контактов, причём
.
Сопротивление
приборов:
Окончательно
примем контрольный кабель с медными жилами, сечением 2,5мм2, марки КВВГ.
Таблица
4.13
Выбор
ТА на стороне 10 кВ;
|
Условия выбора ТПОЛ10
|
Расчетные данные
|
Каталожные данные
|
|
 
|
|
|
Таблица 4.14
Контрольно-измерительные приборы.
|
Прибор
|
Тип
|
Кол-во
|
Нагрузка, ВА
|
|
|
|
|
А
|
В
|
С
|
|
|
Амперметр
|
Линии 10 кВ
|
Э-335
|
3
|
0,5
|
0,5
|
|
|
Ваттметр
|
|
Д-335
|
1
|
0,5
|
0,5
|
-
|
|
|
Варметр
|
|
Д-335
|
1
|
0,5
|
0,5
|
-
|
|
|
Итого
|
|
|
|
3
|
3
|
1,5
|
|
|
Амперметр
|
Т на стороне 10 кВ
|
Э-335
|
3
|
0,5
|
0,5
|
0,5
|
|
Ваттметр
|
|
Д-335
|
1
|
0,5
|
0,5
|
-
|
|
Варметр
|
|
Д-335
|
1
|
0,5
|
0,5
|
-
|
|
Счётчик активной энергии
|
|
САЗ-И-675
|
1
|
3
|
3
|
-
|
|
Счётчик реактивной энергии
|
|
СРЗ-И-673М
|
1
|
3
|
3
|
-
|
|
Итого
|
|
|
|
8,5
|
8,5
|
1,5
|
Расчет сечения контрольного кабеля;
Окончательно
примем контрольный кабель с медными жилами, сечением 2,5мм2, марки КВВГ.
Выбор трансформаторов напряжения
Условия выбора:
По напряжению установки;
(4.19)
По вторичной нагрузке;
(4.20)
Sном -
номинальная мощность в выбранном классе точности равном 0,5.
Для
однофазных трансформаторов, соединенных в звезду, возьмём суммарную мощность
всех трех фаз:
(4.21)
Таблица 4.16
Выбор ТV
220 кВ.
|
Приборы
|
Тип
|
S 1-й, ВА
|
Число Обмоток
|
соsφ
|
sinφ
|
Число приб.
|
Общая мощность
|
|
|
|
|
|
|
|
Р, Вт
|
Q, ВАР
|
|
Вольтметр
|
Э-378
|
2
|
1
|
1
|
0
|
1
|
2
|
-
|
|
Варметр
|
Д-305
|
2
|
2
|
1
|
0
|
1
|
4
|
-
|
|
Ваттметр
|
Д-305
|
2
|
2
|
1
|
0
|
1
|
4
|
-
|
|
Счетчик активной энергии
|
СА-3У
|
3
|
2
|
0,38
|
0,925
|
2
|
12
|
29,2
|
|
Счетчик реактивной энергии
|
СР-4У
|
3
|
2
|
0,38
|
0,925
|
2
|
12
|
29,2
|
|
Вольтметр регистрирующий
|
Н-394
|
2
|
1
|
1
|
0
|
1
|
2
|
-
|
|
Ваттметр регистрирующий
|
Н-395
|
2
|
2
|
1
|
0
|
1
|
4
|
-
|
|
Частотомер
|
Э-362
|
1
|
1
|
1
|
0
|
2
|
2
|
-
|
|
Синхроноскоп
|
Э-327
|
10
|
1
|
1
|
0
|
1
|
10
|
-
|
|
Итого
|
|
52
|
58,4
|
Окончательно
выбираем ТV НКФ-220-58 с
. Сечение проводов по условиям механической прочности
примем 1,5мм2 для меди.
Таблица 4.17
Выбор ТV 110 кВ.
|
Приборы
|
Тип
|
S 1-й, ВА
|
Число обмоток
|
соsφ
|
sinφ
|
Число приб.
|
Общая мощность
|
|
|
|
|
|
|
|
Р, Вт
|
Q, ВАР
|
|
Вольтметр
|
Э-378
|
2
|
1
|
1
|
0
|
1
|
2
|
-
|
|
Варметр
|
Д-305
|
2
|
2
|
1
|
0
|
1
|
4
|
-
|
|
Ваттметр
|
Д-305
|
2
|
2
|
1
|
0
|
1
|
4
|
-
|
|
Счетчик активной энергии
|
СА-3У
|
3
|
2
|
0,38
|
0,925
|
6
|
36
|
87,6
|
|
Счетчик реактивной энергии
|
СР-4У
|
3
|
2
|
0,38
|
0,925
|
6
|
36
|
87,6
|
|
Вольтметр регистрирующий
|
Н-394
|
2
|
1
|
1
|
0
|
1
|
2
|
-
|
|
Ваттметр регистрирующий
|
Н-395
|
2
|
2
|
1
|
0
|
1
|
4
|
-
|
|
Частотомер
|
Э-362
|
1
|
1
|
1
|
0
|
2
|
2
|
-
|
|
Синхроноскоп
|
Э-327
|
10
|
1
|
1
|
0
|
1
|
10
|
-
|
|
Итого
|
|
100
|
175,2
|
Окончательно
выбираем ТV НКФ-110-58 с
Сечение проводов по условиям механической прочности
примем 1,5мм2 для меди.
Таблица
4.18
Выбор
ТV 10 кВ.
|
Приборы
|
Тип
|
S 1-й, ВА
|
Число обмоток
|
соsφ
|
sinφ
|
Число приб.
|
Общая мощность
|
|
|
|
|
|
|
|
Р, Вт
|
Q, ВАР
|
|
Вольтметр
|
Э-378
|
2
|
1
|
1
|
0
|
1
|
2
|
-
|
|
Счетчик активной энергии
|
СА-3У
|
1,5
|
2
|
0,38
|
0,925
|
5
|
15
|
36,5
|
|
Счетчик реактивной энергии
|
СР-4У
|
2,5
|
2
|
0,38
|
0,925
|
5
|
25
|
60,9
|
|
Вольтметр регистрирующий
|
Н-394
|
2
|
1
|
1
|
0
|
1
|
2
|
-
|
|
Частотомер
|
Э-362
|
1
|
1
|
1
|
0
|
2
|
2
|
-
|
|
Итого
|
|
40
|
97,4
|
Окончательно
выбираем ТV НОМ-10-66 с
.Сечение проводов по условиям механической прочности
примем 1,5мм2 для меди.
.4
Расчет заземляющих устройств
Напряжение
на заземлителе:
(4.22)
(4.23)
Поправочный
коэффициент:
(4.24)
(супесок),
(глина)
;
Коэффициент
определяемый по сопротивлению человека:
(4.25)
В
расчете принимают
Длинна
и расстояние между вертикальными заземлителями:
Площадь
занимаемая П.С.
Определяем
площадь 1-й ячейки для ОРУ-220:
l =
а+б+в+г=11,75+12+18,25+20,5=62,5 (м)
d = 15,4 (м)
Размеры
взяты из таблицы 6.1 учебника Рожковой(новое издание)стр514.
S1220 = l*d =
62,5*15,4=962,5(м2)
Определяем
площадь 4-х ячеек(2 от системы, 2 на АТ):
S4220 = S1220
*4=962,5*4=3850(м2)
l =
а+б+в+г=8+9+12,5+10,5=40 (м)
d = 9 (м)
Размеры
взяты из таблицы 6.1 учебника Рожковой(новое издание)стр417.
S1110 = l*d =
40*9=360(м2)
Определяем
площадь 8-ми ячеек(6 ячеек на линии, 2 на Т):
S8110=S1110*8=360*8=2880
(м2).
Определяем
площадь под АТ:
SАТ =2*( l*d)=2*(17,5*10,5)=367,5(м2).
Размеры
взяты из учебника Рожковой
Определяем
общую площадь заземления:
S=S4220+S8110+SАТ =
3850+2880+367,5=7097,5 (м2).
Общая
длинна горизонтальных заземлителей:
(4.26)
Ток
замыкания:
Допустимое
сопротивление:
(4.27)
Т.к.
естественных заземлителей не имеется то устанавливаем искусственные
сопротивление которого определяется по уравнению:
(4.28)
Число
ячеек по стороне квадрата:
(4.29)
Длина
полос в расчётной модели:
(4.30)
Длина
сторон ячейки:
(4.31)
Число
вертикальных заземлителей по периметру контура:
(4.32)
Общая
длина вертикальных заземлителей:
(4.33)
Относительная
глубина:
(4.34)
По
таблице П-7 методических указаний определяем
Т.к.
значение
не попадает под стандартные то для определения его
используем метод интерполирования:

(4.35)
Общее
сопротивление сложного заземлителя:
(4.36)
что
удовлетворяет условию выбора заземляющего контура.
ЗАКЛЮЧЕНИЕ
Электрическая
энергия находит широкое применение во всех областях народного хозяйства и в
быту. Этому способствуют такие ее свойства, как универсальность и простота
использования, возможность производства в больших количествах промышленным
способом и передачи на большие расстояния.
Важнейшие
задачи, которые в настоящее время решают энергетики и энергостроители, состоят
в непрерывном увеличении объемов производства, в сокращении сроков
строительства новых энергетических объектов, уменьшении удельных
капиталовложений, в сокращении удельных расходов топлива, повышении
производительности труда, в улучшении структуры производства электроэнергии и
т. д.
СПИСОК ИСПОЛЬЗУЕМОЙ ЛИТЕРАТУРЫ
1. Л.Д. Рожкова; В.С. Козулин Электрооборудование станций и
подстанций.- М.: Энергоатомиздат, 1987 г. - 648с.
2. Б.Н. Неклепаев; И.П. Крючков Электрическая часть
электростанций и подстанций.- М.: Энергоатомиздат, 1989 г. - 608с.
. ПУЭ Шестое издание.- С - Пб: ДЕАН, 1999 г.
. А.А. Федоров Справочник по электроснабжению и
электрооборудованию. Том 1,2.- М.: Энергоатомиздат, 1986 г.
. Г.Н. Ополева Схемы и подстанции электроснабжения.-
М.: Форум - Инфа-М, 2006 г.