Электроснабжение машиностроительного завода
Аннотация
В данном дипломном проекте
спроектирована система электроснабжения группы цехов машиностроительного
завода. Предложенная система позволяет осуществить рациональное получение,
распределение и потребление электроэнергии.
В ходе проекта произведен расчет электрических
нагрузок как одного цеха, так и всего предприятия. Выбраны трансформаторы
цеховых трансформаторных подстанций. Рассчитаны токи короткого замыкания, С
учетом которых выбрано необходимое оборудование схем внутреннего и внешнего
электроснабжения. Осуществлено технико-экономическое обоснование схемы внешнего
электроснабжения. Произведена компенсация реактивной мощности и оценены
показатели качества электроэнергии.
Рассмотрен вопрос релейной защиты силового
трансформатора ГПП.
Изучены вопросы безопасности жизнедеятельности,
организации и планирования электрохозяйства.
Содержание
Технический
паспорт дипломного проекта 6
Введение 8
Характеристика
производства 9
Расчет
электрических нагрузок промышленного предприятия 10
.1
Расчет электрических нагрузок электроцеха 10
.2
Расчет электрических нагрузок по предприятию 13
.3
Расчет картограммы электрических нагрузок 14
Выбор
числа, мощности и типа трансформаторов цеховых 17
трансформаторных
подстанций предприятия 17
Выбор
напряжения, схемы внешнего электроснабжения, 22
трансформаторов
ГПП предприятия 22
.1.
Расчет нагрузок на стороне низкого напряжения ГПП 22
.2.Выбор
напряжения внешнего электроснабжения 22
Технико-экономическое
обоснование схем 27
.1
Определение потерь в трансформаторах 27
.2
Расчет линии электропередач от районной подстанции энергосистемы до ГПП
предприятия 28
.3
Расчет токов короткого замыкания в начале отходящих линии от подстанции
энергосистемы и на вводах в главную понизительную подстанцию 29
.4
Выбор коммутационной аппаратуры в начале отходящих линий от подстанции
энергосистемы и на вводе ГПП 32
.5
Выбор коммутационной аппаратуры - 35 кВ 35
.6
Выбор коммутационной аппаратуры - 110 кВ 36
.7
Технико-экономические показатели сравниваемых схем внешнего электроснабжения 37
Выбор
величины напряжения и схемы внутреннего электроснабжения, расчет питающих линий 40
.1
Выбор напряжения 40
.2
Построение схемы электроснабжения 40
.3
Конструктивное выполнение электрической сети 41
.4
Расчет питающих линий 41
Расчет
токов короткого замыкания 44
Выбор
электрооборудования СЭС предприятия 52
.1
Выбор трансформаторов собственных нужд ГПП 52
.2
Выбор типа РУ на стороне НН ГПП, выключателей, ТТ и ТН 52
.3
Выбор трансформаторов тока на отходящих линиях 55
.4
Выбор трансформатора напряжения 59
.5
Выбор токопровода, соединяющего силовые трансформаторы ГПП и распределительное
устройство напряжением 10 кВ 62
.6
Выбор выключателей напряжением 10 кВ схемы внутреннего электроснабжения и
соответствующих трансформаторов тока 62
.7
Выбор коммутационной аппаратуры на стороне высшего и низшего напряжения
трансформаторных подстанций 65
Компенсация
реактивной мощности 66
Расчет
показателей качества 76
Выбор
аппаратуры намоточного отделения 1 81
Расчет
освещения электроцеха (специальный вопрос) 83
Релейная
защита силовых трансформаторов на ГПП 88
.1
Дифференциальная защита трансформатора ТДН - 16000/110/10 88
.2
Максимальная токовая защита 95
.3
Максимальная токовая защита от перегруза 98
.4
Газовая защита 99
Безопасность
жизнедеятельности на ГПП 100
.1
Конструктивное исполнение ГПП 100
.2
Основные габариты и разрывы, обеспечивающие безопасность работ ОРУ 110 кВ 101
.3
Основные требования к установке трансформаторов 101
.4
Закрытое распределительное устройство 102
.5
Правила окраски токоведущих частей 103
.6
Перечень защитных средств, применяемых на ГПП 103
.7
Электробезопасность 104
.7.1
Установка заземляющих ножей, выбор системы блокировки 104
.7.2
Расчет защитного заземления ОРУ ГПП 104
.8
Молниезащита 111
.9
Определение величины тока однофазного замыкания на землю 114
.10
Устройства сигнализации и контроля изоляции 115
.11
Освещение ОРУ 117
.12
Пожарная безопасность и взрывобезопасность 119
Производственный
менеджмент в энергетике предприятия 121
.1
Система целей энергетического хозяйства предприятия 121
.1.1
Построение дерева целей 121
.2
Анализ поля сил 123
.3
Объемы продукции и услуг по обеспечению основного производства 123
.4
Определение типов организационной культуры и структуры предприятия и его
энергохозяйства 125
.4.1
Организационная культура 125
.4.2
Организационная структура 127
.5
Функциональная матрица и должностная инструкция 128
.6
План-график Ганта по реализации целей 131
.7
Планирование труда и заработной платы 132
.7.1
Планирование использования рабочего времени 132
.7.2
Планирование численности рабочих 132
.7.3
Планирование численности эксплуатационного персонала 136
.7.4
Планирование численности ремонтного персонала 136
.7.5
Планирование численности персонала управления 139
.7.6
Планирование фонда заработной платы рабочих 141
.7.7
Планирование фонда заработной платы персонала управления 143
.8
Планирование производительности труда 144
.9
Калькуляция текущих затрат на энергетическое обслуживание 146
.10
Планирование сметы текущих затрат на энергетическое обслуживание
.11
Основные показатели энергохозяйства 148
Заключение 149
Список
литературы 150
Технический паспорт дипломного
проекта
1. Суммарная установленная мощность
электроприемников напряжением ниже 1 кВ: 25412 кВт.
2. Суммарная установленная мощность
электроприемников напряжением выше 1 кВ: 8920 кВт.
. Категория основных потребителей по
надежности электроснабжения:
Потребители 1 категории: литейный цех,
кислородная станция, пожарное депо.
Потребители 2 категории: ЦЗЛ, механический цех
1, механический цех 2, электроцех, РМЦ, заводоуправление, кузнечный цех,
механический цех 3, энергоцех, механический цех 4, обрубочный цех,
компрессорная 1, термический цех, сборочный цех 1, сборочный цех 2,
компрессорная 2.
Потребители 3 категории: столовая, учебные
мастерские, склад оборудования.
. Полная расчетная мощность на шинах
главной понизительной подстанции: 17474 кВт.
5. Коэффициент реактивной мощности:
- расчетный
;
заданный энергосистемой
;
естественный
.
. Напряжение внешнего
электроснабжения: 110 кВ.
. Мощность короткого замыкания в
точке присоединения к энергосистеме: 3000 МВ·А; тип и сечение питающих линий:
ВЛ-110 провод АС 70/11.
. Расстояние от предприятия до
питающей подстанции энергосистемы: 3 км.
. Количество, тип и мощность
трансформаторов главной понизительной подстанции: 2×ТДН -
16000/110.
. Напряжение внутреннего
электроснабжения предприятия: 10 кВ.
. Типы принятых ячеек
распределительных устройств в главной понизительной подстанции К - 104М.
. Цеховые ТП выполняются
комплектными с трансформаторами типа ТМЗ, мощностью: 400, 800, 1000 кВ·А.
. Тип кабельных линий ААП2л
сечением: 16, 25, 50, 70, 95, 120 мм².
Введение
электрическая подстанция
трансформаторный мощность
Энергетическая программа России, разработанная
на длительную перспективу, предусматривает, прежде всего, широкое внедрение
энергосберегающей техники и технологии.
Ускорение НТП предъявляет высокие требования к
базовым отраслям экономики страны, какой является энергетика. Производство,
передача и рациональное распределение электроэнергии приобретают все большее
значение. В свете задачи повышения технического уровня и качества продукции
необходимо направить усилия и в кратчайшие сроки добиться улучшения качества
электроэнергии, повышения надежности системы электроснабжения. В этом ключ к
решению задач проектирования и эксплуатации современных систем электроснабжения
промышленных предприятий.
Рационально спроектированная система
электроснабжения промышленного предприятия должна удовлетворять ряду
требований: высокой надежности и экономичности, безопасности и удобства в
эксплуатации, обеспечение требуемого качества электроэнергии соответствующих
уровней напряжения, стабильность частоты и т.д. Должны также предусматриваться
кратчайшие сроки выполнения строительно-монтажных работ и необходимая гибкость
системы, обеспечивающая возможность расширения при развитии предприятия без
существенного усложнения и удорожания первоначального варианта. Таким образом,
многообразие факторов, которые необходимо учитывать при проектировании
электроснабжения предприятия, повышает требования к квалификации инженеров
электриков. Вопросы рационального электроснабжения не должны решаться в отрыве
от общей энергетики данного района. Решения должны приниматься с учетом
перспективного плана электрификации района.
Характеристика производства
Технологический процесс данного предприятия
типичен для этого типа предприятия - механическая обработка деталей, штамповка
и последующая сборка готовых изделий. Электроприемники предприятий относятся в
основном ко 2 и 3 категориям, а также к 1 категории, в отношении надежности
электроснабжения.
Основные электроприемники - это низковольтные
асинхронные электродвигатели приводов различного технического оборудования.
Также на предприятии имеются высоковольтные электроприемники. К ним относятся
четыре синхронных двигателя и четыре дуговые сталеплавильные печи, параметры
которых указаны в техническом паспорте проекта.
Что касается окружающей среды, то данный завод
не производит практически никаких специфических выбросов. Внутри
производственных помещений также нет опасных для здоровья человека паров и
газов. Таким образом, никаких дополнительных требований к оборудованию не
предъявляется. Основной помехой для работы является пыль.
Средняя температура воздуха -
22,6ºС. Средняя температуры почвы на глубине 0,7 м
- 15ºС. Основное оборудование завода выбрано для
умеренного климата.
Район по гололеду - 2. Район по скоростному
напору ветра - 2.
Коррозионная активность грунта - средняя,
имеются блуждающие токи и растягивающие усилия в грунте, поэтому с учетом
данных ограничений принимается кабель типа ААП2л.
Годовое число часов использования
максимума нагрузки
ч.
Стоимость электроэнергии по двухставочному
тарифу:
основная ставка - 198,31
руб./кВт·мес;
дополнительная ставка - 1,144
руб./кВт·час.
1 Расчет электрических нагрузок
промышленного предприятия
.1 Расчет электрических нагрузок
электроцеха
Определение расчетной нагрузки по цеху производится
по методу тяжпромэлектропроекта. Этот метод заложен в основу «Руководящих
указаний по расчету электрических нагрузок» (РТН.36.18.32.4 - 92).
Исходными данными являются мощность, количество
и состав электроприемников цеха, их расположение по отделениям. Расчеты
представлены в таблице 1.
Номинальная расчетная мощность трехфазных
электроприемников:
,(1)
где
-
номинальная мощность одного электроприемника, кВт;
- число
электроприемников.
Средняя активная нагрузка за
наиболее загруженную смену:
,(2)
где
-
коэффициент использования по активной мощности.
Средняя реактивная нагрузка за
наиболее загруженную смену:
,(3)
где
-
коэффициент реактивной мощности.
Информация о коэффициентах
использования
и коэффициентах
мощности cosφ, как для
отдельных электроприемников, так и для характерных цехов по отраслям
промышленности приводится в справочниках. Из-за большого многообразия
наименований электроприемников и цехов не для всех можно найти справочные
данные о
и cosφ. В этом
случае они принимаются равными соответствующим данным для электроприемников и
цехов, схожих по режиму работы.
Эффективное число электроприемников
определяем по формуле (4) в случае, когда расчетный
.
,(4)
где
-
номинальная мощность i-го электроприемника.
Если
, то эффективное число
электроприемников определяем по формуле (5).
,(5)
где
- мощность
самого крупного электроприемника в узле.
В определенном случае, когда
отношение
,
, тогда
принимаем
.
Расчетные мощности
и
определяются
по формулам:
;(6)
,(7)
где
- расчетный
коэффициент активной мощности, определяется по
справочным
материалам
;
- расчетный
коэффициент реактивной мощности.
.(8)
Полная расчетная нагрузка группы трёхфазных
электроприемников определяется из выражения:
,(9)
Расчетный ток:
,(10)
где
-
номинальное напряжение сети.
Среднее значение коэффициента
использования:
,(11)
Расчетные значения
,
,
,
используются
в дальнейшем для выбора силовых понижающих трансформаторов, устанавливаемых в
цехе, а также коммутационной аппаратуры и питающих линий.
1.2 Расчет электрических нагрузок по
предприятию
Исходными данными для расчета являются
обобщенные электрические характеристики цехов предприятия (суммарная
установленная мощность, эффективное число электроприемников цехов). Расчет
ведется по укрупненным показателям, т.к. заданы суммарные установленные
мощности электроприемников по цехам, но не известен их состав. Расчет ведется
отдельно для низковольтных и высоковольтных электроприемников. Результаты
сведены в таблицу 2. Коэффициенты использования и мощности выбираются в
соответствии с группой цеха и характером нагрузки. Расчетные коэффициенты по
активной и реактивной мощности равны.
Расчетная активная осветительная нагрузка цеха:
,(12)
где
- площадь
цеха, м²;
- коэффициент спроса на
осветительную нагрузку, равный 0,85 для цехов основного производства и 0,9 для
цехов вспомогательного;
- удельная расчетная мощность
освещения, равная 0,015 кВт/м² для цехов с необходимой высокой
освещенностью; 0,01 кВт/м²
-
для цехов с необходимой средней освещенностью; 0,005 кВт/м² - для цехов с
необходимой низкой освещенностью.
Принимаем равенство:
.(13)
Расчетная полная мощность цеха с
учетом осветительной нагрузки:
.(14)
1.3 Расчет
картограммы электрических нагрузок
Картограмма нагрузок представляет собой
размещенные на генеральном плане окружности, центры которых совпадают с
центрами нагрузок цехов, а площади окружностей пропорциональны расчетным
активным нагрузкам. Каждая окружность делится на сектора, площади которых
пропорциональны активным нагрузкам электроприемников напряжением до 1 кВ,
электроприемников напряжением 10 кВ и электрического освещения. При этом радиус
окружности и углы секторов для каждого секторы соответственно определятся:
;(15)
,
,
,(16)
где m
- масштаб площадей картограммы нагрузок, кВт/м².
При выборе величины масштаба m
и построения картограммы нагрузок принимается, что величина минимального
радиуса 5 мм (при наименьшей из активных мощностей потребляемых цехов).
При этом получаем, что m
= 0,28 кВт/мм².
Центр электрических нагрузок предприятия
является символическим центром потребления электрической энергии (активной
мощности) предприятия, координаты которого находятся по выражениям:
;(17)
,(18)
где
,
- координаты
центра i-го цеха на плане
предприятия, м.
Центр нагрузок:
м,
м.
Местоположение ГПП выбрано с
координатами:
мм/м,
мм/м с учетом: центра электрических
нагрузок; площади, необходимой для размещения ГПП; розы ветров; рельефа
местности; наличия коридоров для прокладки воздушных и кабельных линий с учетом
охранной зоны.
Результаты расчетов сведены в
таблицу 3.
Таблица 3 - Картограмма электрических
нагрузок предприятия
|
Наименование
цехов
|
Ррi,
кВт
|
Рр.нi,
кВт
|
Рр.вi,
кВт
|
Рр.оi,
кВт
|
Xi,
м
|
Yi,
м
|
Ri,
мм
|
αнi
|
αвi
|
αоi
|
|
1
|
2
|
3
|
4
|
5
|
6
|
7
|
8
|
9
|
10
|
11
|
|
1)
ЦЗЛ
|
55,8
|
33,0
|
0
|
22,8
|
30
|
10
|
8
|
213
|
0
|
147
|
|
2)
Механический цех 1
|
956,1
|
854,4
|
0
|
101,7
|
47
|
101
|
33
|
322
|
0
|
38
|
|
3)Механический
цех 2
|
1407,0
|
1349,0
|
0
|
58,1
|
60
|
244
|
40
|
345
|
0
|
15
|
|
4)
Электроцех
|
424,6
|
397,3
|
0
|
27,3
|
60
|
327
|
22
|
337
|
0
|
23
|
|
5)
РМЦ
|
189,3
|
162,0
|
0
|
27,3
|
60
|
385
|
15
|
308
|
0
|
52
|
|
6)
Заводоуправление
|
68,0
|
30,0
|
0
|
38,0
|
126
|
10
|
9
|
159
|
0
|
201
|
|
7)
Литейный цех
|
2628,4
|
879,2
|
1638
|
111,2
|
192
|
97
|
55
|
120
|
224
|
15
|
|
8)
Кузнечный цех
|
947,4
|
872,1
|
0
|
75,3
|
170
|
197
|
33
|
331
|
0
|
29
|
|
9)
Механический цех 3
|
1174,6
|
1065,6
|
0
|
109,0
|
205
|
312
|
37
|
327
|
0
|
33
|
|
10)
Кислородная станция
|
137,4
|
132,0
|
0
|
5,4
|
147
|
379
|
13
|
346
|
0
|
14
|
|
11)
Столовая
|
150,0
|
112,0
|
0
|
38,0
|
231
|
10
|
13
|
269
|
0
|
91
|
|
12)
Энергоцех
|
411,2
|
385,4
|
0
|
25,8
|
222
|
388
|
22
|
337
|
0
|
23
|
|
13)
Механический цех 4
|
233,0
|
201,5
|
0
|
31,6
|
255
|
16
|
311
|
0
|
49
|
|
14)
Обрубочный цех
|
518,9
|
456,0
|
0
|
62,9
|
337
|
80
|
24
|
316
|
0
|
44
|
|
15)
компрессорная 1
|
171,6
|
160,0
|
0
|
11,7
|
344
|
398
|
14
|
336
|
0
|
24
|
|
16)
Термический цех
|
2351,8
|
2287,2
|
0
|
64,6
|
351
|
193
|
52
|
350
|
0
|
10
|
|
17)
Сборочный цех 1
|
611,2
|
544,5
|
0
|
66,7
|
405
|
300
|
26
|
321
|
0
|
39
|
|
18)
Учебные мастерские
|
124,9
|
94,5
|
0
|
30,4
|
455
|
86
|
12
|
272
|
0
|
88
|
|
19)
Сборочный цех 2
|
555,2
|
494,2
|
0
|
61,0
|
461
|
198
|
25
|
320
|
0
|
40
|
|
20)
Склад оборудования
|
21,8
|
10,8
|
0
|
11,0
|
545
|
187
|
5
|
178
|
0
|
182
|
|
21)
Компрессорная 2
|
5318,6
|
178,6
|
5120
|
20,1
|
549
|
275
|
78
|
12
|
347
|
1
|
|
22)
Пожарное депо
|
23,8
|
16,5
|
0
|
7,3
|
562
|
80
|
5
|
249
|
0
|
111
|
|
Итого
|
18480,6
|
10715,5
|
6758
|
1007
|
316,7
|
219,4
|
|
|
|
|
2
Выбор числа, мощности и типа трансформаторов цеховых трансформаторных
подстанций предприятия
Мощность трансформаторов цеховых
трансформаторных подстанций зависит: от величины нагрузки трансформаторов
подстанции, их категории по надежности электроснабжения, от размеров площади на
которой они размещены и т.д. При одной и той же равномерно распределенной
нагрузки с увеличением площади цеха должны уменьшаться единичная мощность
трансформаторов, т.к. это уменьшает длину питающих линий цеховой сети и потери
электроэнергии в них.
Существует связь между экономически
целесообразной площадью отдельного трансформатора цеховой ТП и плотностью
электрической нагрузки цеха, полученной на основании технико-экономических
расчетов.
Плотность электрической нагрузки определяется по
формуле:
,(19)
где
- расчетная
электрическая нагрузка цеха, кВ·А;
- площадь
цеха, м².
Величина плотности электрической
нагрузки рассчитывается в предположении равномерного распределения
электрических нагрузок по площади цеха.
Мощность трансформаторов
корректируется в зависимости от величины расчетной нагрузки цеха, а также ее
категории, числа типоразмеров трансформаторов на предприятии и ряда других
факторов.
Количество трансформаторов
определяем по формуле:
,(20)
где
- расчетная
активная нагрузка цеха от низковольтных потребителей, кВт;
- допустимый коэффициент загрузки
трансформаторов в нормальном режиме. Принимается равным: 0,6 - 0,7 для ТП,
питающей потребителей 1 категории; 0,7 - 0,8 для ТП, питающей потребителей 2
категории; 0,9 - 0,95 для ТП, питающей потребителей 3 категории по надежности
электроснабжения.
- выбранная номинальная мощность
трансформаторов цеховых ТП, кВ·А.
Принимается ближайшее целое число
трансформаторов.
Количество трансформаторов одной подстанции
зависит от категории электроприемников по надежности электроснабжения. Обычно
однотрансформаторные подстанции принимают для питания потребителей 3 категории.
Двухтрансформаторные подстанции используются для питания потребителей 1 и 2
категорий.
Наибольшая реактивная мощность, которую
трансформаторы могут пропустить из сети 10 кВ в сеть с напряжением 0,4 кВ:
.(21)
Величина
является
расчетной, поэтому в общем случае реактивная нагрузка трансформаторов
ей не
равна:
(22)
При
трансформаторы подстанции не могут
пропустить всю реактивную нагрузку и поэтому часть ее должна быть
скомпенсирована с помощью батарей конденсаторов на стороне низкого напряжения.
Мощность низковольтных конденсаторных
батарей:
.(23)
Они должны устанавливаться на ТП обязательно.
Коэффициент загрузки трансформаторов в
нормальном и послеаварийной режиме определяется по формуле:
.(24)
.(25)
Практически все ТП внутрицеховые встроенные,
располагаются как можно ближе к центру электрических нагрузок, т.к. это
наиболее экономично, с точки зрения расходов проводникового материала. Для
данного предприятия используются трансформаторы типа ТМЗ мощностью 400, 800,
1000 кВ·А. В цехах предусмотрены комплектные трансформаторные подстанции. Выбор
типа зависит от условий установки, охлаждения, состояния окружающей среды и
т.д. Экономически выгодным также является объединение нагрузок, и установка ТП
не в каждом цехе. Питание цехов может осуществляться от соседней ТП, установив
лишь низковольтные распределительные пункты (НРП). Данное решение зависит от
величины нагрузки, расстояния до соседней ТП, стоимости электроэнергии и т.д.
Установка НРП в цехе экономически выгодно, если выполняется соотношение:
,(26)
где
- полная
расчетная нагрузка цеха, кВ·А;
-
расстояние от РПН до соседней ТП, м.
Результаты расчетов по выборы
трансформаторов сведены в таблицу 4. Местоположение цеховых ТП и НРП показано
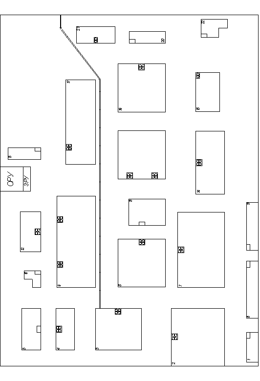
на генеральном плане предприятия (рисунок1).
Потери активной и реактивной
мощности в силовых трансформаторах определяются по формулам:
;(27)
,(28)
где
,
,
,
-
паспортные данные трансформаторов;
- число
трансформаторов, установленных на данной ТП.
Рисунок 1 Генплан с размещением ТП
3
Выбор напряжения, схемы внешнего электроснабжения, трансформаторов ГПП
предприятия
.1
Расчет нагрузок на стороне низкого напряжения ГПП
Для расчета нагрузки на
стороне низкого напряжения ГПП воспользуемся выражением (29), при этом
для
осветительной нагрузки и высоковольтных электроприемников, и
для
низковольтных электроприемников и трансформаторов.
;(29)
(кВт).
3.2 Выбор напряжения внешнего
электроснабжения
Величина напряжения питания ГПП
предприятия определяется наличием конкретных источников питания, уровнями
напряжения на них, расстоянием от ГПП до этих источников и другими факторами.
Из всех возможных вариантов внешнего
электроснабжения нужно выбрать оптимальный, т.е. имеющий наилучшие
технико-экономические показатели. Для этого, прежде всего, следует найти
величину рационального напряжения, которую возможно оценить по приближенной
формуле Стилла:
,(30)
где Li
= 3 км - длина питающей ГПП линии.
(кВ).(31)
Для сравнения принимаем 2 варианта внешнего электроснабжения
соответственно с меньшим и большим напряжением к Uрац,
т.е. 35 и 110 кВ.
Полная расчетная нагрузка предприятия,
необходимая для выбора силовых трансформаторов ГПП, находится приближенно по
формуле (32):
,(32)
где
-
экономически целесообразная мощность на стороне высшего
напряжения ГПП,
потребляемая предприятием от энергосистемы, квар.
,(33)
где
-
коэффициент реактивной мощности для 35 кВ-0,27, 110 кВ - 0,31.
,(34)
где
- потери
реактивной мощности в трансформаторах ГПП, квар.
Результаты расчетов сведены в
таблицу 5
Таблица 5 - Полная нагрузка
|
Напряжение,
кВ
|
tgφ
|
Qэс,
квар
|
∆Qтр
гпп, квар
|
Sрп,
кВА
|
|
1
|
2
|
3
|
4
|
5
|
|
35
кВ
|
0,27
|
4746
|
1275
|
18207
|
|
110
кВ
|
0,31
|
5449
|
1288
|
18403
|
Мощность
трансформаторов ГПП:
,(35)
где
- число
трансформаторов ГПП;
- коэффициент загрузки
трансформаторов в нормальном режиме, определяется из условия резервирования.
Результаты расчетов сведены в таблицу 6.
Таблица 6 - Выбор трансформаторов на ГПП
|
Параметры
|
Напряжение
сети, кВ
|
|
35
|
110
|
|
1
|
2
|
3
|
|
Расчетная
активная нагрузка предприятия Рр, кВт
|
17578
|
17578
|
|
tgφ
|
0,27
|
0,31
|
|
Мощность
трансформаторов ГПП Sт, кВА
|
13005
|
13145
|
|
Тип
трансформаторов ГПП
|
ТДНС
|
ТДН
|
|
Номинальная
мощность трансформатора, кВА
|
16000
|
16000
|
|
Потери
холостого хода Рхх, кВт
|
17
|
18
|
|
Потери
короткого замыкания Ркз, кВт
|
85
|
85
|
|
Напряжение
короткого замыкания Uкз, %
|
10
|
10,5
|
|
Ток
холостого хода Ixx, %
|
0,7
|
0,5
|
|
Коэффициент
загрузки в нормальном режиме Кз.норм
|
0,57
|
0,58
|
|
Коэффициент
загрузки в послеаварийном режиме Кз.авар
|
1,14
|
1,15
|
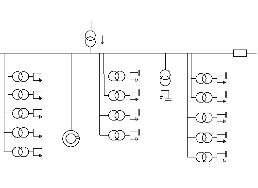
Схемы внешнего электроснабжения на 35 и 110 кВ
представлены на рисунках 2 и 3.
Рисунок 2 Схема внешнего электроснабжения
напряжением 35 кВ
Рисунок 3 Схема внешнего электроснабжения
напряжением 110 кВ
4 Технико-экономическое обоснование
схем
.1 Определение потерь в
трансформаторах
Потери активной и реактивной мощности
в силовых трансформаторах определяются по формулам (27) и (28), исходные данные
и результаты расчета сведены в таблицу 7.
Потери электрической энергии в трансформаторах:
,(36)
где t-годовое число
часов максимальных потерь:
,(37)
где
часов
-годовое число часов работы предприятия;
- годовое
число часов использования получасового максимума активной нагрузки, берется из
справочника:
часов.
Результаты расчетов сведены в таблицу 7.
Таблица 7 - Определение потерь в трансформаторах
|
Напряжение,
кВ
|
35
|
110
|
|
Трансформатор
|
ТДНС-16000/35
|
ТДН-16000/110
|
|
Sнт,
кВА
|
16000
|
16000
|
|
n,
штук
|
2
|
2
|
|
kзн
|
0,7
|
0,70
|
|
ΔРхх, кВт
|
17
|
18
|
|
ΔРкз, кВт
|
85
|
85
|
|
Iхх,
%
|
0,7
|
0,5
|
|
Uкз,
%
|
10,5
|
10,5
|
|
ΔРт, кВт
|
117,3
|
119,3
|
|
ΔQт, квар
|
1792
|
1806,4
|
|
Тг,ч
|
8760
|
8760
|
|
τ,
ч
|
2199
|
2199
|
|
Тм,ч
|
3770
|
3770
|
|
ΔАт, квт*ч
|
480997
|
498517
|
.2
Расчет линии электропередач от районной подстанции энергосистемы до ГПП
предприятия
Нагрузка в начале линии:
.(38)
Расчетный ток цепи линии:
.(39)
Ток в послеаварийном режиме (в случае питания
всей нагрузки по одной цепи):
.(40)
Сечение проводов линии находится по
экономической плотности тока
А/мм2:
.(41)
Выбирается ближайшее меньшее
стандартное сечение. По справочнику определяем длительно-допустимые токи и
удельные сопротивления выбранных проводов и проверяем провод по нагреву в
послеаварийном режиме:
.
Потери активной энергии в проводах
линии за год:
.(42)
Результаты расчетов сведены в таблицу 8.
Таблица 8 - Расчет линии
|
Напряжение,
кВ
|
35
|
110
|
|
Sрл,
кВА
|
18320
|
18517
|
|
Iрл,
А
|
151
|
49
|
|
Iп,
А
|
302
|
97
|
|
jэ,
А/мм^2
|
1,1
|
1,1
|
|
Fэ,
мм^2
|
137,37
|
44,18
|
|
Марка
провода
|
АС
- 120/27
|
АС
- 70/11
|
|
Iд,
А
|
375
|
265
|
|
ro,
Ом/км
|
0,253
|
0,429
|
|
xo,
Ом/км
|
0,391
|
0,444
|
|
L,
км
|
3
|
3
|
228627
|
40094
|
4.3
Расчет токов короткого замыкания в начале отходящих линии от подстанции
энергосистемы и на вводах в главную понизительную подстанцию
Исходная схема и схема замещения для расчетов
короткого замыкания приведена на рисунке 3.
Рисунок 4 Исходная схема а) и схема замещения б)
Определяем параметры схемы замещения. Мощность
короткого замыкания на шинах подстанции энергосистемы задана . Принимаем
базисную мощность Sб
= 1000 MBА, и
базисное напряжение: для 35 кВ Uб
= 37 кВ, для 110кВ Uб
=115кВ.
Сопротивление системы в относительных единицах:
.(43)
Сопротивление воздушной линии:
.(44)
Ток короткого замыкания в точке К-1
(периодическая составляющая принимается постоянной в течение всего процесса
замыкания),
.
.(45)
Ударный ток короткого замыкания:
,(46)
где Ку =1,72- ударный коэффициент
для точки К1 [3].
Апериодическая составляющая:
,(47)
где Та - постоянная времени
затухания апериодической составляющей, для установок напряжением выше 1000 В Та
= 0,05 с для точки К1[3].
Мощность кз ступени:
.(48)
Определим ток короткого замыкания в точке К2:
.(49)
Расчет тока кз в точке К2 проводится аналогично.
Результаты расчетов сведены в таблицу 9.
Таблица 9
- Токи короткого замыкания
|
Напряжение,
кВ
|
35
|
110
|
|
1
|
2
|
3
|
|
Sб,
МВА
|
1000
|
1000
|
|
Sc,
МВА
|
660
|
3000
|
|
Uб,
кВ
|
37
|
115
|
|
xc,
ое
|
1,52
|
0,33
|
|
xл,
ое
|
0,86
|
0,1
|
|
xk1,
ое
|
1,52
|
0,33
|
|
Ik1,
кА
|
10,3
|
15,06
|
|
Ку
|
1,72
|
1,72
|
|
iуд,
кА
|
25,05
|
36,64
|
|
tсз,
с
|
0,01
|
0,01
|
|
tсв,
с
|
0,08
|
0,08
|
|
t,
с
|
0,09
|
0,09
|
|
Ta,
с
|
0,05
|
0,05
|
|
Iat,
кА
|
2,41
|
3,52
|
|
Sк.ст,
МВА
|
660
|
3000
|
|
xk2,
ое
|
2,37
|
0,43
|
|
Ik2,
кА
|
6,58
|
11,57
|
|
Ку
|
1,80
|
1,80
|
|
iуд,
кА
|
16,75
|
29,44
|
|
tсз,
с
|
0,01
|
0,01
|
|
tсв,
с
|
0,08
|
0,08
|
|
t,
с
|
0,09
|
0,09
|
|
Ta,
с
|
0,05
|
0,05
|
|
Iat,
кА
|
1,54
|
2,7
|
|
Sк.ст,
МВА
|
421,59
|
2303,87
|
4.4
Выбор коммутационной аппаратуры в начале отходящих линий от подстанции
энергосистемы и на вводе ГПП
Выбор выключателей производится по следующим
параметрам:
. По номинальному напряжению:
.(50)
По максимальному
рабочему току:
,(51)
где IMAX
- максимальный рабочий ток установки, А;
IН
- номинальный ток выключателя, А.
.(52)
. По отключающей способности. Сначала
проверяется возможность отключения периодической составляющей тока короткого
замыкания:
,(53)
где IП,t
- периодическая составляющая тока короткого замыкания, кА,
-
номинальный ток отключения, кА.
Затем проверяется возможность
отключения апериодической составляющей тока короткого замыкания:
,(54)
где Iа,t
- апериодическая составляющая тока короткого замыкания, кА;
Iа,Н
- номинальный содержание апериодической составляющей, кА.
Номинальное допускаемое значение апериодической
составляющей в отключаемом токе для времени t определим по
формуле :
,(55)
где bН
- допустимое относительное содержание апериодической составляющей в отключаемом
токе для данного выключателя, (bН
= 0,4).
. Осуществляется проверка на электродинамическую
стойкость:
,(56)
где IП,0
- ток короткого замыкания, кА;
IПР.СКВ
- действующее значение предельного сквозного тока, кА;
,(57)
где iУД
- ударное значение тока короткого замыкания, кА;
iПР.СКВ
- амплитудное значение предельного сквозного тока, кА.
5. Осуществляется проверка на термическую
стойкость.
,(58)
где ВК - тепловой импульс
квадратичного тока короткого замыкания, измеряется в кА2;
IТЕРМ.Н
- предельный ток термической стойкости, кА;
tТЕРМ.Н
- допустимое время действия, с.
Тепловой импульс квадратичного тока короткого
замыкания определим по формуле:
.(59)
Разъединители выбираются по следующим
параметрам:
1. По номинальному напряжению:
. По максимальному рабочему
току:
. По электродинамической
стойкости:
. По термической стойкости:
4.5
Выбор коммутационной аппаратуры - 35 кВ
Выбор коммутационной аппаратуры в начале
отходящих линий от подстанции энергосистемы: устанавливаем выключатель ВГБЭ -
35 - 630
Все каталожные и расчетные данные сводим в
таблицу 10
Таблица 10
|
Расчетные
данные
|
ВГБЭ
- 35 - 630
|
|
Каталожные
данные
|
|
Uс = 35 кВ
|
UН = 35 кВ
|
|
IMAX = 349,53
А
|
IН = 630 А
|
|
Iп0 =
IП,t = 10,3 кА
|
IОТК.Н = 12,5 кА
|
|
iа,t = 2,41 кА
|
iа,Н = 20,33
кА
|
|
iУД = 25,05
кА
|
iПР.СКВ = 138 кА
|
|
ВК
= 14,85 кА2·с
|
кА2·с
|
Принимаем разъединители наружной установки, с
заземляющими ножами РНДЗ - 35 - 1000 - У1 . Расчетные данные установки и
каталожные данные разъединителя приведены в таблице 11.
Таблица 11
|
Расчетные
данные
|
РНДЗ
- 2 - 35 - 1000 - У1
|
|
Каталожные
данные
|
|
Uс = 35 кВ
|
UН = 35 кВ
|
|
IMAX = 349,53
А
|
IН = 1000 А
|
|
iУД = 25,05
кА
|
iПР.СКВ = 63 кА
|
|
ВК
= 14,85 кА2·с
|
кА2·с
|
Для защиты трансформаторов от перенапряжений в
питающей сети устанавливаем ограничители перенапряжений типа ОПН - У - 35/40,5.
4.6 Выбор коммутационной аппаратуры
- 110 кВ
Выбор коммутационной аппаратуры в начале
отходящих линий от подстанции энергосистемы: выключатель ВГБ - 110А, РДЗ - 2 -
110-1000Н.УХЛ1. Все каталожные и расчетные данные сводим в таблицу 12,13.
Таблица 12
|
Расчетные
данные
|
ВГБ
- 110А
|
|
Каталожные
данные
|
|
Uс = 110 кВ
|
UН = 110 кВ
|
|
IMAX = 112,46
А
|
IН = 2000 А
|
|
Iп0 =
IП,t = 15,06
кА
|
IОТК.Н = 40 кА
|
|
iа,t = 3,52 кА
|
iа,Н = 65,05
кА
|
|
iУД = 36,64
кА
|
iПР.СКВ = 138 кА
|
|
ВК
= 31,76 кА2·с
|
кА2·с
|
Таблица 13
|
Расчетные
данные
|
РДЗ
- 2 - 110 - 1000Н.УХЛ1
|
|
Каталожные
данные
|
|
Uс = 110 кВ
|
UН = 110 кВ
|
|
IMAX = 112,46
А
|
IН = 1000 А
|
|
iУД = 36,64
кА
|
iПР.СКВ = 63 кА
|
|
ВК
= 31,76 кА2·с
|
кА2·с
|
Для защиты трансформаторов от
перенапряжений в питающей сети устанавливаем ограничители перенапряжений типа
ОПН-У-110/73, кроме того в нейтраль силового трансформатора включаем
ОПН-У-110/56 и заземлитель типа ЗОН-110М-IУ1 (
,
кА2·с).
4.7
Технико-экономические показатели сравниваемых схем внешнего электроснабжения
При сравнении вариантов учитываются:
коммутационная аппаратура отходящих линий от питающей подстанции энергосистемы,
воздушные линии, вводные коммутационные аппараты и силовые трансформаторы ГПП.
Годовые приведенные затраты находятся по
формуле:
;(60)
,(61)
где:
- общие
ежегодные отчисления от капитальных вложений, это сумма нормативного
коэффициента Ен=0,12, отчислений на амортизацию и текущий ремонт.
отчисления на амортизацию и текущий ремонт приняты по [3];
- сумма капитальных затрат i-ой
группы одинаковых электроприемников, тыс. руб. Стоимости отдельных элементов
схемы электроснабжения принимаются по каталогам;
-стоимость годовых потерь
электроэнергии, тыс. руб.
При проектировании сетей электроснабжения
промышленных предприятий учитывается стоимость потерь электроэнергии по
двухставочному тарифу:
;(62)
,(63)
где Со - удельная стоимость потерь
электроэнергии, руб/кВт·ч;
α- основная
ставка тарифа, руб/кВт·год, берется из исходных данных;
β
- стоимость
1 кВт∙ч электроэнергии (дополнительная ставка тарифа), руб/кВт·ч, также
берется из исходных данных;
Км = ∆Рэ/∆Рм
= 0,79 - отношение потерь активной мощности предприятия ∆Рэ в
момент наибольшей активной нагрузки энергосистемы к максимальным потерям ∆Рм
активной мощности предприятия.
δ - поправочный
коэффициент коэффициент δ = 1,03.
Для 35 кВ:
(руб/кВт
ч).
Для 110 кВ:
(руб/кВт
ч).
Результаты сравнения вариантов 35 и 110 кВ
сведены в таблицы 14 и 15.
|
Вариант
|
Кап.
затраты, тыс. руб.
|
Приведённые
кап. затраты, тыс. руб.
|
Потери
эл. энергии, кВт*ч
|
Стоимость
потерь, тыс. руб
|
Приведённые
затраты, тыс. руб.
|
|
35
кВ
|
6
240
|
1
119
|
709
625
|
1
842
|
2
961
|
|
110
кВ
|
12
538
|
2
345
|
538
612
|
1
109
|
3
454
|
В результате расчетов видим, что приведенные
затраты по варианту 110 кВ превышают приведенные затраты по варианту 35 кВ на
14,27 %. Поэтому в качестве напряжения внешнего электроснабжения, мы принимаем
напряжение равное 110 кВ, так как согласно «Правилам устройства
электроустановок» следует принимать вариант сети более высокого номинального
напряжения даже в том случае, когда его экономические показатели на 10…15 %
хуже, чем варианта сети с меньшим номинальным напряжением.
5 Выбор величины
напряжения и схемы внутреннего электроснабжения, расчет питающих линий
.1
Выбор напряжения
Выбор величины напряжения распределительных
сетей предприятия зависит от величины нагрузок 6 и 10 кВ. Критерием выбора
являются технико-экономические показатели, в первую очередь приведенные
затраты, которые рассчитываются как для сети, так и для понижающих подстанций.
В данном курсовом проекте согласно: “Инструкции
по проектированию электроснабжения промышленных предприятий СН 174-75”, так как
отсутствует нагрузка 6 кВ, принимаем напряжение внутреннего электроснабжения
предприятия на напряжение 10 кВ.
5.2 Построение схемы
электроснабжения
Распределение электроэнергии на данном
промышленном предприятии выполняется по радиальным и магистральным схемам.
Магистральные схемы напряжением 10 кВ для питания цеховых ТП должны применяться
при последовательном, линейном расположении подстанций для группы
технологически связанных агрегатов. К одной магистрали подключены ТП1 и ТП4;
ТП12, ТП15 и ТП14, ТП8 и ТП3; ТП9 и ТП13; ТП7, ТП6 и ТП2; ТП11 и ТП10..
Радиальные схемы следует применять при нагрузках, расположенных в различных
направлениях от источника питания. По радиальным схемам подключен ТП5. Все эти
схемы осуществляются с помощью кабельных линий. При этом одноступенчатыми
радиальными схемами в основном нужно выполнять при питании больших
сосредоточенных нагрузок. Схема сетей внутреннего электроснабжения и ген. план
предприятия с нанесением кабельных линий, цеховых ТП, НРП и высоковольтных
приемников представлены в графической части проекта.
5.3 Конструктивное выполнение
электрической сети
Выбор способа распределения электроэнергии
зависит от величины электрических нагрузок, их размещения, плотности застройки
предприятия, конфигурации, технологических, транспортных и других коммуникаций,
типа грунта на территории предприятия.
Выбираем прокладку кабелей в траншее как очень
простой и экономически выгодный способ, применяемый при прокладке до шести
кабелей. Для прокладки используем кабель марки ААП2л. В местах пересечения с
железной дорогой кабели прокладываем в астбест-цементной трубе. В зданиях
кабельные линии прокладываем открыто в лотках.
5.4 Расчет питающих линий
Сечение кабелей напряжением 10 кВ определяем по
экономической плотности тока и проверяются по допустимому току кабеля в
нормальном режиме работы с учетом условий по его прокладке, по току перегрузки,
по потерям напряжения в послеаварийном режиме и термической стойкости к токам
короткого замыкания. Сечение кабелей на 0,4 кВ выбирается по допустимому току
кабеля. Все результаты расчетов приведены в таблице 17.
Расчетный ток в кабельной линии в нормальном режиме:
,(64)
где
- мощность
которая должна передаваться по кабельной линии в нормальном режиме, кВ·А.
Сечение кабельной линии, определяется по
экономической плотности тока:
,(65)
где
-
экономическая плотность тока, зависящая от типа кабеля и продолжительности
максимальной нагрузки [4] - j = 1,4.
По результатам расчета выбирается кабель,
имеющий ближайшее меньшее стандартное сечение по отношению к экономически
целесообразному. Допустимый ток кабеля с учетом условий его прокладки:
,(66)
где
-
поправочный коэффициент на число параллельно прокладываемых кабелей [4];
-
поправочный коэффициент на температуру среды, в которой прокладывается кабель
[4];
- число
параллельно прокладываемых кабелей.
Допустимая перегрузка кабеля в
послеаварийном режиме:
,(67)
где
-
коэффициент перегрузки [4].
Потеря напряжения в кабельной линии
определяется по формуле:
,(68)
где
,
- расчетная
активная и реактивная нагрузки;
,
- удельное
индуктивное и активное сопротивление кабеля, Ом/км.
6 Расчет токов короткого замыкания
Для выбора электрооборудования СЭС предприятия
производим расчет токов кз. в следующих точках:
К1 и К2 - в схеме внешнего электроснабжения;
К3 - в распределительном устройстве напряжением
10 кВ ГПП;
К4 - в электрической сети напряжением 0,4 кВ в
электроцехе.
В электроустановках напряжением выше 1000 В
учитываем индуктивные сопротивления всех элементов СЭС. В электроустановках
напряжением ниже 1000 В учитываем как индуктивные, так и активные сопротивления
некоторых элементов системы.
Мощность короткого замыкания в месте
присоединения линии, питающей главную понизительную подстанцию значительно
больше мощности потребляемой предприятием, поэтому допускается принимать
периодическую составляющую тока к.з. от энергосистемы неизменной во времени: Iк
= In.o
=
In.t
При коротком замыкании наиболее тяжелым режимом
СЭС является состояние схемы, когда один из трансформаторов ГПП отключен для
проведения профилактических мероприятий или ремонта и включены секционные
выключатели в РУ 10 кВ ГПП. Схема замещения для определения токов короткого
замыкания приведена на рисунке 5.
Для точек К1 и К2 расчет токов короткого
замыкания произведен в разделе «Технико-экономическое обоснование схемы
внешнего электроснабжения предприятия».
Точка К1:
(кА),
(кА).
Точка К2:
(кА);
(кА).
Рассчитаем токи в точке К3
Рисунок 5 Схема замещения
Примем Sб = 1000
МВ·А, Uб = Uср = 10 кВ.
Базисный ток:
(кА).(69)
Сопротивление трансформатора ГПП:
;(70)
(о.е).
Сопротивления кабельных линий:
;(71)
(о.е.).
Сопротивление синхронных двигателей:
,(72)
где
[5] для СТД
- 1600.
(о.е.).
Эквивалентное сопротивление будет иметь вид:
,(73)
где N
- число двигателей данного вида, подключенных на рассматриваемую секцию (в
данном случае N=2).
(о.е.).
Найдем периодическую составляющую тока КЗ от
энергосистемы:
,(74)
где Ес = 1 - ЭДС энергосистемы в
относительных единицах.
(кА).
Определим периодическую составляющую тока КЗ от
синхронных двигателей:
,(75)
где
- ЭДС
синхронного двигателя в относительных единицах.
(о.е.).
Определим ток в точке К3:
;(76)
(кА).
Мощность ступени короткого замыкания:
(МВ·А).
Рассчитаем ток в точке К4, для этого составим
схему замещения, представленную на рис 6.
Рисунок 6 Схема замещения
При
определении тока короткого замыкания в точке К-4 в качестве источника
рассматривается только энергосистема. Найдем сопротивление системы:
;(77)
(о.е.).
Индуктивное сопротивление трансформатора:
;(78)
(о.е.).
Активное сопротивление трансформатора:
;(79)
(о.е).
Активное сопротивление линии:
;(80)
(о.е).
Реактивное сопротивление линии:
;(81)
(о.е).
Эквивалентное сопротивление в точке К-4:
.(82)
Эквивалентное активное сопротивление:
;(83)
(о.е).
Эквивалентное реактивное сопротивление:
;(84)
(о.е).
Эквивалентное сопротивление в точке К4:
(о.е).
Ток в точке К4:
,(85)
где Ек = 1 о.е.
Базисный ток:
(кА).
По формуле (85):
(кА).(86)
Ударный ток короткого замыкания в точке К4:
;(87)
(кА).
Итоговые результаты по расчету токов короткого
замыкания во всех характерных точках (К1 - К4) сведем в таблицу 18.
Таблица 18 - Расчет токов короткого замыкания
|
Расчётная
точка
|
Напряжение,
кВ
|
Токи,
кА
|
Мощность
кз ступени
|
|
|
Iпо
|
Iпt
|
Iуд
|
|
|
Точка
К1
|
110
|
15,06
|
15,06
|
36,64
|
3000
|
|
Точка
К2
|
110
|
11,57
|
11,57
|
29,44
|
2304
|
|
Точка
К3
|
10,5
|
6,07
|
6,07
|
13,7
|
110,4
|
|
Точка
К4
|
0,4
|
8,18
|
8,18
|
18,5
|
5,67
|
.
7 Выбор электрооборудования СЭС предприятия
.1 Выбор трансформаторов собственных
нужд ГПП
Наиболее ответственными потребителями
собственных нужд являются оперативные цепи, системы связи, телемеханики,
система охлаждения трансформаторов, аварийное освещение, система пожаротушения,
освещение подстанции, обогрев шкафов комплектных распределительных устройств.
Устанавливаем 2 трансформатора собственных нужд
мощностью:
;(88)
(кВА).
Принимаем к установке ТМ-100/10,
который присоединяется к шинам 10 кВ через предохранители, так как
, кВА.
Ток предохранителя:
(А).(89)
Устанавливаем предохранитель типа:
ПКТ-101-10-10-31,5 УЗ.
7.2
Выбор типа РУ на стороне НН ГПП, выключателей, ТТ и ТН
Распределительное устройство на 10 кВ принимаем
комплектным, из шкафов серии К-104М (модернизированное). Ячейка К-104М
комплектуется следующим оборудованием:
·
выключатели
серии VF-12;
·
разъединитель
штепсельный РВР-10;
·
трансформаторы
тока ТЛК-10, ТЛШ-10;
·
трансформаторы
напряжения ЗНОЛ.06-10, НОЛ.09-10, НАМИ-10;
·
трансформатор
тока нулевой последовательности ТЗЛМ;
·
предохранители
для защиты трансформаторов измерительных типа ПКТ;
Выбор выключателей, установленных на вводе в
комплектное распределительное устройство, представлен в таблице 19.
Номинальный ток трансформатора ГПП:
,(90)
где Кз.н. - коэффициент загрузки
трансформатора ГПП в нормальном режиме.
(А).
Максимальный (послеаварийный) ток трансформатора
ГПП:
,(91)
где Кз.п.а - коэффициент загрузки
трансформатора в послеаварийном режиме.
(А).
Таблица 19 - Выбор выключателей на вводе в КРУ
|
Расчётные
данные
|
Условия
выбора
|
Каталожные
данные
|
|
|
|
|
|
VF-12.12.16
|
|
|
|
|
U,
кВ
|
10
|
Uуст
≤ Uном
|
12
|
|
Iраб
утяж, А
|
1231,7
|
Iмах
< Iном
|
1250
|
|
Iп,о=Iп,τ, кА
|
11,31
|
Iпо
< Iдин
|
16
|
|
Iуд,
кА
|
25,6
|
Iуд
< iдин
|
40
|
|
Iat,
кА
|
4,36
|
Iа,τ < Iа
ном
|
4,53
|
|
Bk,
кА2 с
|
14,1
|
Bк
< Iтер2∙tтер
|
768
|
Время от начала короткого замыкания до
отключения выключателя:
,(92)
где tз.мин
- минимальное время срабатывания релейной защиты, [3], с;
tс.в.
- собственное время срабатывания выключателя (каталог), с.
(с).
Апериодическая составляющая номинального тока:
,(93)
где Iоткл.н
- номинальный ток отключения, кА (каталог);
β - процентное
содержание апериодической составляющей в токе короткого замыкания.
(кА).
В качестве секционного выключателя и
выключателей отходящих линий принимаем аналогичные выключатели.
7.3 Выбор трансформаторов тока на
отходящих линиях
В ячейках КРУ типа К-104М устанавливаются
трансформаторы тока типа ТЛК-10. Рассмотрим подробно выбор трансформаторов тока
на вводе в КРУ, трансформатор тока в цепи секционного выключателя того же типа,
а трансформаторы тока на других присоединениях рассчитываются аналогично, их
типы представлены в таблице 20.
Условия выбора, расчетные параметры сети и
каталожные данные трансформаторов тока на вводе в КРУ указаны в таблице 8.
Таблица 20 - Выбор трансформаторов тока
|
Расчётные
данные
|
Условия
выбора
|
Каталожные
данные
|
|
|
ТЛК-1-10-1500-0,5/10Р
У3
|
|
U,
кВ
|
10
|
Uуст
< Uном
|
10
|
|
Iраб
утяж, А
|
1231,7
|
Iмах
< Iном
|
1500
|
|
Iуд,
кА
|
25,6
|
Iуд
< iдин
|
81
|
|
Bk,
кА2 с
|
14,1
|
Bк
< Iтер2∙tтер
|
2976,8
|
Для проверки выбранного трансформатора тока по
вторичной нагрузке составляем схему включения трансформаторов тока и
измерительных приборов (рисунок (8).
Рисунок 8 Схема включения
трансформатора тока и приборов
Определяем нагрузку по фазам (таблица 21),
пользуясь схемой включения (рисунок 8) и каталожными данными приборов, для
выбора наиболее загруженного трансформатора тока.
Таблица 21 - Выбор трансформатора тока по
нагрузке вторичных цепей
|
Прибор
|
Тип
прибора
|
Количество
приборов
|
Нагрузка
фазы, ВА
|
|
|
|
А
|
В
|
С
|
|
Амперметр
|
Э-335
|
1
|
0,5
|
-
|
-
|
|
Счетчик
активной и реактивной энергии
|
ЦЭ
2727
|
1
|
2,5
|
-
|
2,5
|
|
Итого:
|
3
|
-
|
2,5
|
По данным таблицы 21 видно, что наиболее
загруженной является фаза А, мощность приборов в этой фазе Sприб = 3
(ВА). Расчёт будем вести именно по этой фазе.
Сопротивление приборов определяем по формуле:
,(94)
где:
= 5 - ток
во вторичной обмотке трансформатора тока, А.
По формуле (94) определяем
сопротивление приборов:
(Ом).
Во вторичную обмотку наиболее загруженного
трансформатора тока включены два прибора, поэтому сопротивление контактов
принимается rк
=
0,05 Ом.
Номинальное сопротивление вторичной обмотки в
классе точности 0,5 согласно справочнику /3/ z2ном
= 0,4 Ом.
Допустимое сопротивление проводов:
;(95)
(Ом).
Для подстанции с высоким напряжением 110 кВ в
качестве соединительных проводов принимаем медные, удельное сопротивление меди
равно r = 0,0175
Ом·мм2/м.
В цепях 10 кВ длину соединительных
проводов от трансформатора тока до приборов в один конец можно принять l = 5 м. Так
как трансформаторы тока включены по схеме неполной звезды (см. рисунок 8), то
длину провода необходимо увеличить в
раз:
(м).
Сечение соединительных проводов определяем по
выражению:
;(96)
(мм2).
В качестве соединительных проводов принимаем
контрольный кабель КРВГ с жилами сечением 2,5 мм2 по условию
механической прочности.
Для обеспечения сигнализации однофазных
замыканий на землю в электрических сетях 10 кВ предприятия в начале питающих
кабельных линий устанавливаются трансформаторы тока нулевой последовательности
типа ТЗЛМ У3.
Схема включения приборов, выбранных на
секционных выключателях распределительного устройства 10 кВ главной
понизительной подстанции, представлена на рисунке 9.
Рисунок 9 Схема вторичных цепей трансформаторов
тока секционного выключателя 10 кВ
Нагрузка на трансформатор тока представлена в
таблице 22.
Таблица 22 - Нагрузка трансформатора тока
секционного выключателя
|
Прибор
|
Тип
|
Кол-во
|
Потребляемая
мощность, ВА
|
|
|
|
фаза
А
|
фаза
В
|
фаза
С
|
|
Амперметр
|
Э-335
|
1
|
0,5
|
−
|
−
|
Аналогично считаем,
(Ом).
(Ом).
(мм2).
Устанавливаем контрольный кабель типа КРВГ с
жилами сечением 2,5мм2
7.4 Выбор трансформатора
напряжения
Трансформатор напряжения устанавливается один на
каждую секцию сборных шин. Во вторичную обмотку трансформатора напряжения
включаются катушки напряжения измерительных приборов всех присоединений данной
секции и сборных шин.
Трансформаторы напряжения выбирают по следующим
условиям:
а) по напряжению
;(97)
б) по конструкции и схеме соединения обмоток;
в) по классу точности.
При напряжении 10 кВ в ячейках типа К-104М к
установке принимаем три однофазных трансформатора напряжения типа ЗНОЛ.09-10.02
У3. Каталожные данные выбранных трансформаторов напряжения приведены в [3].
Схема включения трансформаторов напряжения -
«звезда с землей - звезда с землей - разомкнутый треугольник» (рисунок 10).
Для трансформатора напряжения ЗНОЛ.09-10.0.2 У3
номинальная мощность вторичных цепей равна S2ном
= 75 ВА. Так как мы устанавливаем 3 однофазных трансформатора, то необходимо
мощность вторичных цепей увеличить в 3 раза:
ВА.
Чтобы трансформатор напряжения работал в заданном
классе точности, должно выполняться условие:
,(98)
где: Sнагр - мощность всех
измерительных приборов и реле, присоединенных к трансформатору напряжения, ВА;
S2ном
- номинальная мощность вторичной обмотки, ВА.
Рисунок 10 Схема подключения
трансформатора напряжения
Произведём проверку по
допустимой нагрузке вторичных цепей трансформатора напряжения, полученные при
этом величины сводим в таблицу 23.
Мощность, потребляемую приборами
определяем по формуле:
;(99)
(В·А).
Таким образом, Sнагр < S2ном,
следовательно, трансформаторы напряжения будут работать в классе точности 0,5.
Для соединения трансформаторов напряжения с
приборами принимаем контрольный кабель КРВГ с медными жилами сечением 2,5 мм2
по условию механической прочности.
Трансформатор напряжения присоединяется к
сборным шинам через предохранитель типа ПКТ101-10-2-12,5 У3 и втычной
разъединитель.
Таблица 23 - Вторичная нагрузка трансформатора
напряжения
|
Прибор
|
Тип
|
Число
приборов
|
Число
обмоток
|
S одной обмотки,
ВА
|
сosj
|
sinj
|
Общая
потребляемая мощность
|
|
|
|
|
|
|
|
Р, Вт
|
Q, вар
|
|
Вольтметр
(сборные шины)
|
Э-335
|
3
|
1
|
2,0
|
1,0
|
0
|
6,0
|
-
|
|
Счетчик
активной и реактивной энергии
|
Ввод
10 кВ от транс- форматора
|
ЦЭ
2727
|
1
|
2
|
3,0
Вт
|
0,38
|
0,925
|
6,0
|
14,6
|
|
Счетчик
активной и реактивной энергии
|
Линии
10 кВ
|
ЦЭ
2727
|
12
|
2
|
3,0
Вт
|
0,38
|
0,925
|
72
|
175,26
|
|
Итого:
|
84
|
189,86
|
7.5
Выбор токопровода, соединяющего силовые трансформаторы ГПП и распределительное
устройство напряжением 10 кВ
В качестве токоведущей части
соединяющей силовые трансформаторы и распределительное устройство, используем
закрытый комплектный токопровод типа: ТЗК-10-1600-51 [5] каталожные данные:
=10 кВ,
А,
кА.
7.6
Выбор выключателей напряжением 10 кВ схемы внутреннего электроснабжения и
соответствующих трансформаторов тока
Выбор выключателей напряжением 10 кВ
схемы внутреннего электроснабжения, а также соответствующие трансформаторы тока
приведены в таблице 24.
Таблица 24 - Выключатели 10 кВ
|
Кабельные
линии
|
Uн,
кВ
|
Iр,
А
|
Iутяж,
А
|
Iпо,
кА
|
Iу,
кА
|
Тип
выключателя
|
Тип
ТА
|
|
ГПП
- ТП4
|
10
|
38,28
|
76,55
|
11,31
|
25,60
|
VF-12;08;16
|
ТЛК-10-100-0,5/10Р
|
|
ГПП
- ТП5
|
10
|
19,06
|
38,12
|
11,31
|
25,60
|
VF-12;08;16
|
ТЛК-10-50-0,5/10Р
|
|
ГПП
- ТП7
|
10
|
43,32
|
86,63
|
11,31
|
25,60
|
VF-12;08;16
|
ТЛК-10-100-0,5/10Р
|
|
ГПП
- ТП8
|
10
|
24,44
|
48,88
|
11,31
|
25,60
|
VF-12;08;16
|
ТЛК-10-50-0,5/10Р
|
|
ГПП
- ТП9
|
10
|
18,49
|
36,99
|
11,31
|
25,60
|
VF-12;08;16
|
ТЛК-10-50-0,5/10Р
|
|
ГПП
- ТП11
|
10
|
36,96
|
73,91
|
11,31
|
25,60
|
VF-12;08;16
|
ТЛК-10-100-0,5/10Р
|
|
ГПП
- ТП12
|
10
|
34,23
|
68,47
|
25,60
|
VF-12;08;16
|
ТЛК-10-100-0,5/10Р
|
|
ГПП
- СД
|
10
|
92,38
|
184,75
|
11,31
|
25,60
|
VF-12;08;16
|
ТЛК-10-200-0,5/10Р
|
|
ГПП
- ДСП
|
10
|
27,18
|
54,35
|
11,31
|
25,60
|
VF-12;08;16
|
ТЛК-10-100-0,5/10Р
|
Кабели напряжением 10 кВ внутренней системы
электроснабжения проверяются на термическую стойкость к токам коротких
замыканий.
,(100)
где
(кА2·с);
- коэффициент зависящий от металла
токоведущих частей кабеля.
(мм2),
Примем
мм2.
Если площадь сечения кабеля, выбранная по условиям нормального и утяжеленного
режимов работы, оказывается меньше площади термически устойчивого сечения (
), то
сечение такого кабеля увеличиваем до ближайшего меньшего стандартного сечения.
Все кабели, для которых производится увеличение сечения, вносим в таблицу 25.
Проверим кабели, питающие
синхронные двигатели:
(кА2·с).
(мм2).
Оставляем полученное ранее сечение F
= 70 мм2.
Таблица 25 - Проверка кабелей на термическую
стойкость
|
Начало
и конец кабельной линии
|
Прежняя
площадь сечения кабеля, мм2
|
Площадь
термически устойчевого сечения кабеля, мм2
|
Тип
и площадь сечения нового кабеля
|
Rл,
Ом
|
|
ГПП
- ТП4
|
25
|
50
|
ААП2л
2×(3×50)
|
0,211
|
|
ТП4
- ТП1
|
16
|
50
|
ААП2л
2×(3×50)
|
0,124
|
|
ГПП
- ТП5
|
16
|
50
|
ААП2л
2×(3×50)
|
0,158
|
|
ГПП
- ТП7
|
25
|
50
|
ААП2л
2×(3×50)
|
0,052
|
|
ТП7
- ТП6
|
16
|
50
|
ААП2л
2×(3×50)
|
0,084
|
|
ТП6
- ТП2
|
16
|
50
|
ААП2л
2×(3×50)
|
0,144
|
|
ГПП
- ТП8
|
16
|
50
|
ААП2л
2×(3×50)
|
0,065
|
|
ТП8
- ТП3
|
16
|
50
|
ААП2л
2×(3×50)
|
0,124
|
|
ГПП
- ТП9
|
16
|
50
|
ААП2л
2×(3×50)
|
0,206
|
|
ТП9
- ТП13
|
16
|
50
|
ААП2л
(3×50)
|
0,107
|
|
ГПП
- ТП11
|
25
|
50
|
ААП2л
2×(3×50)
|
0,126
|
|
ТП11
- ТП10
|
16
|
50
|
ААП2л
2×(3×50)
|
0,068
|
|
ГПП
- ТП12
|
16
|
50
|
ААП2л
2×(3×50)
|
0,037
|
|
ТП12
- ТП15
|
16
|
50
|
ААП2л
2×(3×50)
|
0,146
|
|
ТП15
- ТП14
|
16
|
50
|
ААП2л
2×(3×50)
|
0,069
|
|
ГПП
- ДСП
|
16
|
50
|
ААП2л
(3×50)
|
0,206
|
7.7
Выбор коммутационной аппаратуры на стороне высшего и низшего напряжения
трансформаторных подстанций
В цеховых ТП применяем комплектные трансформаторные
подстанции. КТП-400, КТП-800 и КТП-1000 комплектуются выключателями нагрузки
типа ВНПу-10/100-16 с пружинным приводом со встроенными предохранителями ПКТ.
Результаты выбора сводим в таблицу 26.
Таблица 26 - Выключатели нагрузки и
предохранители
|
№
ТП
|
Uн,
кВ
|
Iр,
А
|
Iу,
А
|
Iк,
кА
|
Тип
выключателя нагрузки
|
Тип
предохранителя
|
|
ТП
1, 4
|
10
|
38,28
|
76,55
|
11,31
|
ВНПу-10/100-16зУ3
|
ПКТ10-100-31,5У3
|
|
ТП
2, 6, 7
|
10
|
43,32
|
86,63
|
11,31
|
ВНПу-10/100-16зУ3
|
ПКТ10-100-31,5У3
|
|
ТП
3, 8
|
10
|
24,44
|
48,88
|
11,31
|
ВНПу-10/100-16зУ3
|
ПКТ10-50-31,5У3
|
|
ТП
5
|
10
|
19,06
|
38,12
|
11,31
|
ВНПу-10/100-16зУ3
|
ПКТ10-50-31,5У3
|
|
ТП
9, 13
|
10
|
18,49
|
36,99
|
11,31
|
ВНПу-10/100-16зУ3
|
ПКТ10-50-31,5У3
|
|
ТП
10, 11
|
10
|
36,96
|
73,91
|
11,31
|
ВНПу-10/100-16зУ3
|
ПКТ10-100-31,5У3
|
|
ТП
12, 14, 15
|
10
|
34,23
|
68,47
|
11,31
|
ВНПу-10/100-16зУ3
|
ПКТ10-100-31,5У3
|
Выбор оборудования низковольтных
распределительных пунктов (0,4 кВ) осуществляется по токам нагрузки в
нормальном и утяжеленном режимах. Результаты выбора сведены в таблицу 27
Таблица 27 - Автоматические выключатели
|
№
ТП, РПН
|
Место
установки выключателя
|
Iр,
А
|
Iутяж,
А
|
Тип
выключателя
|
|
РПН1
|
Вводной
|
75,39
|
150,78
|
АВМ4С;
Iном = 400 А; Iо = 20 кА
|
|
РПН2
|
Вводной
|
130,44
|
260,88
|
АВМ4С;
Iном = 400 А; Iо = 20 кА
|
|
РПН3
|
Вводной
|
74,66
|
149,32
|
АВМ4С;
Iном = 400 А; Iо = 20 кА
|
|
РПН4
|
Вводной
|
199,34
|
398,67
|
АВМ4С;
Iном = 400 А; Iо = 20 кА
|
|
РПН5
|
Вводной
|
106,83
|
213,66
|
АВМ4С;
Iном = 400 А; Iо = 20 кА
|
|
РПН6
|
Вводной
|
97,92
|
195,83
|
АВМ4С;
Iном = 400 А; Iо = 20 кА
|
|
РПН7
|
Вводной
|
132,24
|
264,48
|
АВМ4С;
Iном = 400 А; Iо = 20 кА
|
|
РПН8
|
Вводной
|
31,11
|
62,23
|
АВМ4С;
Iном = 400 А; Iо = 20 кА
|
|
РПН9
|
Вводной
|
60,48
|
120,96
|
АВМ4С;
Iном = 400 А; Iо = 20 кА
|
8 Компенсация реактивной
мощности
Оптимальный выбор средств компенсации реактивной
мощности является составной частью построения рациональной системы
электроснабжения промышленного предприятия. РУ 10 кВ ГПП имеет две секции
сборных шин. Расчет ведется для одной секций сборных шин. К секциям СШ
подключены кабельные линии, питающие трансформаторы цеховых ТП, синхронные
двигатели, и дуговые сталеплавильные печи. В таблице 28 приведены исходные
данные для схемы электроснабжения. Здесь обозначено: Sнтi
- номинальная мощность трансформатора i-ой
ТП; Q1i
и ΔQтi
- реактивная нагрузка на один трансформатор i-ой
ТП и потери реактивной мощности в нем; Rтрi
- активное сопротивление трансформатора i-ой
ТП, приведенное к напряжению 10 кВ; Rлi
- активное сопротивление i-ой
кабельной линии. Схема замещения представлена на рисунке11.
Рисунок 11 Схема замещения СЭС для
расчета компенсации реактивной мощности
Таблица 28
|
Трансформаторная
подстанция
|
Sтн,
кВА
|
Q1i,
квар
|
ΔQтi, квар
|
Rтi,
Ом
|
Rлi,
Ом
|
|
ТП1
|
800
|
391,94
|
34,53
|
1,19
|
0,124
|
|
ТП2
|
1000
|
380,87
|
49,20
|
1,10
|
0,144
|
|
ТП3
|
400
|
90,375
|
23,84
|
3,44
|
0,124
|
|
ТП4
|
1000
|
239,79
|
37,24
|
1,10
|
0,211
|
|
ТП5
|
800
|
247,51
|
34,53
|
1,19
|
0,158
|
|
ТП6
|
400
|
127,15
|
23,84
|
3,44
|
0,084
|
|
ТП7
|
400
|
127,15
|
23,84
|
3,44
|
0,052
|
|
ТП8
|
800
|
463,63
|
27,96
|
1,19
|
0,065
|
|
ТП9
|
400
|
187,3
|
27,96
|
3,44
|
0,206
|
|
ТП10
|
800
|
204,08
|
33,30
|
1,19
|
0,068
|
|
ТП11
|
800
|
204,08
|
33,30
|
1,19
|
0,126
|
|
ТП12
|
800
|
428,46
|
30,52
|
1,19
|
0,037
|
|
ТП13
|
400
|
253,83
|
21,26
|
3,44
|
0,107
|
|
ТП14
|
400
|
159,22
|
21,28
|
3,44
|
0,069
|
|
ТП15
|
400
|
114,54
|
14,14
|
3,44
|
0,146
|
|
ИТОГО
|
|
3619,9
|
436,75
|
|
|
Данные о синхронных двигателях представлены в
таблице 29, где Д1, Д2 - параметры,
характеризующие потери активной мощности в синхронных двигателях.
Таблица 29
|
Обозначение
в схеме
|
Тип
двигателя
|
Uном,
кВ
|
Рсд.нi,
кВт
|
Qсд.нi,
квар
|
Ni,
шт
|
ni,
об/мин
|
Д1i,
кВт
|
Д2i,
кВт
|
|
СД
1,2
|
СТД
|
10
|
1600
|
-705
|
3000
|
4,25
|
6,27
|
Располагаемая реактивная мощность синхронных
двигателей определяется:
,(101)
где
-
коэффициент допустимой перегрузки синхронного двигателя по реактивной мощности,
зависящий от загрузки
по активной
мощности и номинальной
. Примем,
что все СД имеют
, тогда
Удельная стоимость потерь активной мощности от протекания
реактивной (значения всех входящих коэффициентов известны из
технико-экономического сравнения):
;(102)
(руб/кВт).
Затраты на генерацию реактивной мощности
отдельными источниками:
а) для низковольтных батарей конденсаторов 0,4
кВ:
;(103)
(руб/Мвар).
б) для высоковольтных батарей конденсаторов 10
кВ:
;(104)
(руб/Мвар).
в) для синхронных двигателей:
.(105)
,(106)
где
-
коэффициент отчислений;
,
-
капитальные затраты батарей конденсаторов;
,
- удельные
потери активной мощности в конденсаторах комплектных компенсирующих устройств.
Определим эквивалентные активные сопротивления
СД:
.(107)
Реактивная мощность, генерируемая синхронными
двигателями:
.(108)
,(109)
(кВ-2).
Результаты расчета по синхронным двигателям
сведены в таблицу 30.
Таблица 30
|
Обозначение
СД на схеме
|
Qсд.мi,
Мвар
|
З1г.сдi,
руб/Мвар
|
З2г.сдi,
руб/Мвар2
|
Rэ.сдi,
Ом
|
Qсдi,
Мвар
|
|
СД
1,2
|
1,92
|
27291,82
|
28555,65
|
0,68
|
0,90
|
Для определения оптимальной реактивной мощности,
генерируемой низковольтными конденсаторными батареями, находим эквивалентные
сопротивления трансформаторных подстанций.
. Для ТП5, питающейся по радиальной линии:
;(110)
. Для ТП4-ТП1, ТП8-ТП3, ТП9-ТП13, ТП111-ТП10,
ТП7-ТП6-ТП2, ТП12-ТП15-ТП14, питающихся по магистральной линии определяется
следующим образом: покажем на примере ТП 4 и ТП1.
0
1
Rт4
Rт1
Рисунок 12 Схема замещения линий ТП4 и ТП1.
Введем обозначения:
(Ом),
(Ом),
(Ом),
(Ом).
Эквивалентная проводимость точки 4:
;(111)
(Ом-1).
С учетом полученного эквивалентного
сопротивления присоединений ТП4 и ТП 1:
;(112)
(Ом).
;(113)
(Ом).
Полученные значения эквивалентных сопротивлений
сведены в таблицу 31.
Оптимальное значение реактивной
мощности низковольтных конденсаторных батарей, подключенных к шинам
трансформаторных подстанций, определим в предположении, что к этим шинам
главной понизительной подстанции подключены высоковольтные конденсаторные
батареи (Примем коэффициент Лагранжа
).
,(114)
;(115)
(Мвар∙Ом).
Результаты расчета мощностей источников Qсi
низковольтных БК сводим в таблицу 31, при этом принимаем только положительные
значения.
Таблица 31
|
Место
установки БК
|
Rэi,
Ом
|
Qсi,
Мвар
|
Qкi,
квар
|
Qкi+
Qсi, квар
|
Тип
принятой стандартной БК
|
Qстi,
квар
|
|
|
Расчет
ное
|
Приня
тое
|
|
|
|
|
|
ТП1
|
1,780
|
-0,060
|
0
|
23,45
|
23,45
|
-
|
-
|
|
ТП2
|
1,450
|
-0,167
|
0
|
154,03
|
154,03
|
УКЛН-0,38-150-50-У3
|
150
|
|
ТП3
|
3,824
|
-0,112
|
0
|
291,44
|
291,44
|
УКЛН-0,38-300-150
У3
|
300
|
|
ТП4
|
1,490
|
-0,304
|
0
|
243,20
|
243,20
|
УКБН-0,38-200-50У3
УК2-0,38-50 У3
|
250
|
|
ТП5
|
1,346
|
-0,361
|
0
|
151,71
|
151,71
|
УКЛН-0,38-150-50-У3
|
150
|
|
ТП6
|
4,010
|
-0,065
|
0
|
99,90
|
99,90
|
УК4-0,38-100
У3
|
100
|
|
ТП7
|
3,670
|
-0,085
|
0
|
99,90
|
99,90
|
УК4-0,38-100
У3
|
100
|
|
ТП8
|
1,227
|
-0,214
|
0
|
0
|
0
|
-
|
-
|
|
ТП9
|
3,846
|
-0,010
|
0
|
15,16
|
15,16
|
-
|
-
|
|
ТП10
|
1,517
|
-0,333
|
0
|
0
|
0
|
-
|
-
|
|
ТП11
|
1,435
|
-0,366
|
0
|
0
|
0
|
-
|
-
|
|
ТП12
|
1,250
|
-0,233
|
0
|
0
|
0
|
-
|
-
|
|
ТП13
|
3,965
|
0,057
|
0,057
|
0
|
56,79
|
УК2-0,38-50
У3
|
50
|
|
ТП14
|
3,997
|
-0,036
|
0
|
200,73
|
200,73
|
УКБН-0,38-200-50У3
|
200
|
|
ТП15
|
3,918
|
-0,092
|
0
|
0,00
|
0,00
|
-
|
-
|
|
ГПП
|
0
|
1,742
|
1,742
|
-
|
-
|
УКЛ-10,5-1800
У1
|
1800
|
|
ИТОГО
|
-
|
-
|
-
|
1279,526
|
1336,315
|
-
|
3100
|
Определение мощности высоковольтной БК,
подключаемой к СШ 10 кВ ГПП, производим из условия баланса реактивных мощностей
на СШ 10 кВ ГПП. Определим всю расчетную реактивную мощность, потребляемую
предприятием:
;(116)
(Мвар).
Определим экономически целесообразную реактивную
мощность как минимальную из двух:
;(117)
(Мвар).
;(118)
(Мвар).
Таким образом, экономически
целесообразная реактивная мощность, потребляемая предприятием
Мвар, а
мощность, приходящаяся на 1 секцию с.ш. ГПП -
Мвар.
Определим значение коэффициента
реактивной мощности tgφэ ,
задаваемого предприятию энергосистемой:
;(119)
.
Определяем мощность высоковольтной БК:
подключенной к секции шин:
;(120)
(Мвар).
Соответственно устанавливаем на секцию шин
высоковольтную конденсаторную установку УКЛ-10,5-1800 У1. Проверим баланс
реактивных мощностей. Баланс реактивных мощностей на сборных шинах 10 кВ ГПП
проверяется как равенство генерируемых Qг и потребленных Qр реактивных
мощностей.
.(121)
.(122)
(Мвар).
(Мвар).
Погрешность:
;(123)
(%).
Зная величины мощностей конденсаторных
компенсирующих устройств, определяем расчетный коэффициент реактивной мощности
на вводе главной понизительной подстанции:
;(124)
.
Запас реактивной мощности на шинах главной
понизительной подстанции:
;(125)
(%).
9 Расчет показателей качества
Так как имеются потребители,
ухудшающие качество электрической энергии, произведем расчет для определения
соответствия потребляемой энергии ГОСТу.
Рисунок 13 Расчетная схема
Рисунок 14 Схема замещения
; (126)
(Ом).
;(127)
(Ом).
Суммарное сопротивление:
;(128)
(Ом).
Мощность короткого замыкания в точке К1:
;(129)
(МВ·А).
. Размах колебаний напряжений:
;(130)
.
Полученное значение согласно ГОСТ 13109 - 97 в
норме.
. Коэффициент несинусоидальности:
;(131)
(кА).
.(132)
.(133)
где
-
коэффициент токораспределения, равный
;(134)
.
;
;
.
Результаты расчета по высшим гармоникам сведены
в таблицу 32
Таблица
32
|
v
|
5
|
7
|
11
|
13
|
17
|
19
|
23
|
25
|
29
|
31
|
35
|
37
|
|
Iv,
кА
|
2,89
|
1,47
|
0,60
|
0,43
|
0,25
|
0,20
|
0,14
|
0,12
|
0,09
|
0,08
|
0,06
|
0,05
|
|
uv,
В
|
159,90
|
114,22
|
72,68
|
61,50
|
47,03
|
42,08
|
34,76
|
31,98
|
27,57
|
25,79
|
22,84
|
21,61
|
.(135)
.(136)
Полученный
параметр согласно ГОСТ 13109 - 97 в норме.
3. Коэффициент несимметрии.
,(137)
где
-
напряжение обратной последовательности.
.(138)
Для определения используем уравнения,
связывающие мощности «мертвой» (P’)
и «дикой» (P”)
фазы.
;(139)
(МВт).
;(140)
(МВт).
;(141)
(МВт).
Ток обратной последовательности:
;(142)
(А).
По формуле (138):
(В).
Коэффициент несимметрии по формуле :
.(143)
Рассчитанный параметр согласно ГОСТ 13109-97 в
норме.
10 Выбор аппаратуры
намоточного отделения 1
В данном разделе решается
задача по расчету намоточного отделения 1, входящего в состав электроцеха.
Электроцех с расчетной активной мощностью 397,3 кВт запитан от КТП с двумя
трансформаторами типа ТМЗ - 400 - 10/0,4. Выбираем распределительные
шинопроводы, а также питающие их кабельные линии. В таблице 1 были рассчитаны
нагрузки рабочие токи на каждый шинопровод. Выбираем шинопроводы серии
ШРА4-250-32-IУЗ (Iном
= 250А), ШРА4-100-32-IУЗ
(Iном = 100А).
Расчетный
ток для выбора проводников и автоматических выключателей определяем по
номинальной мощности электроприемника:
,(144)
-
коэффициент мощности двигателя.
Пусковой ток асинхронного двигателя:
,(145)
где kп
- коэффициент пуска, для асинхронных двигателей с короткозамкнутым ротором kп
= 7.
Так как электроприемники
расположены линейно, то для их питания принимаем3 распределительных шинопровода
марки ШРА4 - 250 - 44 на номинальный ток 250 А. питание шинопровода
осуществляется кабелем с медными жилами типа ВВГ. На вводе устанавливается ящик
с трехполюсным рубильником и комплектом предохранителей типа ЯРП. А именно: ЯРП
12 - 250 с рубильником ВР - 32 и предохранителями ПН 2 - 250. Шинопроводы
закреплены на колонках цеха на высоте 3 м.
Питание
электроприемников осуществляется гибким медным проводом типа ПВ 3. Провода
прокладываются в каналах полов в трубах.
Результаты занесены в
таблицу 33
Таблица 33 - Выбор оборудования
и проводов по отделению
|
№
на плане
|
Наименование
Э.П.
|
Кол-во
|
Рном,
кВт
|
cosφ
|
Iном,
А
|
Тип
и количество проводов (кабелей)
|
F,
мм2
|
Iдоп,
А
|
Тип
АВ
|
|
1
|
2
|
3
|
4
|
5
|
6
|
7
|
8
|
9
|
10
|
11
|
|
1
|
ШР
- 1
|
|
|
|
|
|
|
|
|
|
|
2
|
станок
намоточный
|
20
|
2,4
|
0,4
|
9,1
|
провод
ПВ
|
4
|
1х2,5
|
25
|
ВА57ф35
|
|
3
|
электрокалорифер
|
1
|
2,8
|
0,5
|
8,5
|
провод
ПВ
|
4
|
1х2,5
|
25
|
ВА57ф35
|
|
4
|
итого
по ШР - 1
|
21
|
-
|
-
|
190,5
|
кабель
ВВГ
|
1
|
4х95
|
197
|
-
|
|
5
|
ШР
- 2
|
|
|
|
|
|
|
|
|
|
|
6
|
электрокалорифер
|
2
|
2,8
|
0,5
|
8,5
|
провод
ПВ
|
4
|
1х2,5
|
25
|
ВА57ф35
|
|
7
|
станок
оплеточный
|
12
|
0,6
|
0,4
|
2,3
|
провод
ПВ
|
4
|
1х2,5
|
25
|
ВА57ф35
|
|
8
|
автомат
намоточный
|
1
|
3,3
|
0,65
|
7,7
|
провод
ПВ
|
4
|
1х2,5
|
25
|
ВА57ф35
|
|
9
|
станок
перемоточный
|
3
|
3
|
0,4
|
11,4
|
провод
ПВ
|
4
|
1х2,5
|
25
|
ВА57ф35
|
|
10
|
установка
сатуроторная
|
2
|
2,2
|
1
|
3,3
|
провод
ПВ
|
4
|
1х2,5
|
25
|
ВА57ф35
|
|
11
|
вентилятор
|
1
|
14
|
0,8
|
26,6
|
провод
ПВ
|
4
|
1х4
|
30
|
ВА57ф35
|
|
12
|
итого
по ШР - 2
|
21
|
-
|
-
|
116,4
|
кабель
ВВГ
|
1
|
4х50
|
137
|
-
|
|
13
|
ШР
- 3
|
|
|
|
|
|
|
|
|
|
|
14
|
установка
испытательная
|
4
|
7,5
|
0,8
|
14,2
|
провод
ПВ
|
4
|
1х2,5
|
25
|
ВА57ф35
|
|
15
|
ванна
для лужения
|
4
|
10
|
1
|
15,2
|
провод
ПВ
|
4
|
1х2,5
|
25
|
ВА57ф35
|
|
16
|
вентилятор
|
1
|
14
|
0,8
|
26,6
|
провод
ПВ
|
4
|
1х4
|
30
|
ВА57ф35
|
|
17
|
электрокалорифер
|
1
|
2,8
|
0,5
|
8,5
|
провод
ПВ
|
4
|
1х2,5
|
25
|
ВА57ф35
|
|
18
|
итого
по ШР - 3
|
10
|
-
|
-
|
153
|
кабель
ВВГ
|
1
|
4х70
|
165
|
-
|
11 Расчет освещения
электроцеха (специальный вопрос)
Оптимальными условиями для зрительной работы
человека определяются светотехническими расчетами, цель которых состоит в
выборе системы освещения: определении количества светильников и мощности ламп,
необходимых для получения заданных нормируемых уровней освещенности или яркости
покрытий; размещении светильников.
В данном разделе производится расчет освещения
электроцеха, состоящего из шести отделений: намоточного отделения 1,2;
механического; коллекторного; отделения намотки полюсных катушек и пропитки.
Кроме этого в цехе есть различные бытовые и общественные помещения.
Расчет ведется по методу коэффициента
использования [12].
Рассмотрим пример расчета намоточного отделения
1.
Находим индекс помещения:
(146)
где а - длина, м;
b
- ширина, м;
Нр - рабочая поверхность, м.
.
Принимаем коэффициенты отражения поверхностей:
- потолка
стен
расчетной поверхности
.
Определяем
коэффициент использования [12] 
Найдем световой поток:
,(147)
где Ен - нормативная освещенность,
при освещении лампами ДРЛ принимаем равной 300 м;
Кз - коэффициент запаса,
принимаем равным 1,3;
Z
- коэффициент неравномерности, принимаем равным 1,15 для ламп ДРЛ;
N
- намечаемое число светильников.
(лм).
Принимаем к установке 10 светильников типа
РСП05-250-032 с лампами ДРЛ-250 (Фис = 12000 лм).
Проверка:
.(148)
.
Определим удельную мощность:
,(149)
где Рис - мощность лампы, Вт.
(Вт/м2).
Для выбора сечения кабеля и типа автоматического
выключателя группы рабочего освещения определим расчетный ток группы:
,(150)
где
- суммарная
нагрузка группы, Вт;
Кпм -
коэффициент, учитывающий потери мощности (Кпм = 1,2);
UФ - фазное
напряжение, В;
-
коэффициент мощности.
Для группы 1-1 рабочего освещения:
(А).
Выбираем кабель на группу 1-1 ВВГ(3х2,5),
который прокладываем по воздуху, и автоматический выключатель S233
RC20.
Расчеты остальных групп освещения производятся
аналогично и сводятся в таблицу 34.
Таблица 34 - Электротехническая ведомость
|
Номер
груп-пы
|
Потребители
(количество)
|
Расчетные
величины
|
Кабели
|
Защитные
аппараты
|
|
|
Рр,
Вт
|
cosφ
|
Iр,
А
|
марка,
сечение
|
способ
прокладки
|
Iд,
А
|
тип
|
Iуст,
А
|
|
1-1
|
ЛПО
2×40
(18), НПО
1×100
(5)
|
1940
|
0,9
/ 1
|
3,92
|
ВВГ(3×2,5)
|
в
коробе
|
28
|
S233
|
6
|
|
1-2
|
РСП
05-250-032 (12)
|
3000
|
0,9
|
6,06
|
ВВГ(3×2,5)
|
в
коробе
|
28
|
S233
|
16
|
|
1-3
|
РСП
05-250-032 (11)
|
2750
|
0,9
|
5,56
|
ВВГ(3×2,5)
|
в
коробе
|
28
|
S233
|
6
|
|
1-4
|
РСП
05-250-032 (11)
|
2750
|
0,9
|
5,56
|
ВВГ(3×2,5)
|
в
коробе
|
28
|
S233
|
6
|
|
1-5
|
РСП
05-250-032 (3), НББ - 60 (1)
|
810
|
0,9
/ 1
|
1,64
|
ВВГ(3×2,5)
|
в
коробе
|
28
|
S233
|
6
|
|
2-1
|
РСП
05-250-032 (11)
|
2750
|
0,9
|
5,56
|
ВВГ(3×2,5)
|
в
коробе
|
28
|
S231
|
6
|
|
2-2
|
РСП
05-250-032 (9)
|
2250
|
0,9
|
4,55
|
ВВГ(3×2,5)
|
в
коробе
|
28
|
S231
|
6
|
|
2-3
|
РСП
05-250-032 (11), НББ - 60 (1)
|
2810
|
0,9
/ 1
|
5,68
|
ВВГ(3×2,5)
|
в
коробе
|
28
|
6
|
В электротехнической ведомости группа 1 -
рабочее освещение, тип осветительного щитка - ОЩВ-6, который получает питание
от ТП3.
Определим сечение вводного кабеля и тип вводного
автомата на рабочее освещение:
,(151)
где КС - коэффициент спроса (КС
= 0,9).
(А).
Принимаем к установке на вводе кабель ВВГ(4х2,5)
и автомат ВА47-100
(IН
= 50 А).
Группа 2 - аварийное освещение, тип
осветительного щитка - ОЩВ-6, который получает питание от ТП 6.
Определим сечение вводного кабеля и тип вводного
автомата на аварийное освещение:
;(152)
А.
Принимаем к установке на вводе кабель ВВГ
(4х2,5) и автомат ВА47-100 (IН
= 50 А).
12 Релейная защита силовых
трансформаторов на ГПП
На ГПП установлены два трансформатора
ТДН-16000/110/10. Выбираем следующие виды защит:
продольная дифференциальная защита от
многофазных замыканий в обмотках трансформатора и на его выводах;
максимальная токовая защита с независимой
выдержкой времени от сверхтоков, вызванных внешними многофазными замыканиями;
максимальная токовая защита в одной фазе от
перегруза;
газовая защита от внутрибаковых повреждений.
На ГПП постоянный оперативный ток.
12.1
Дифференциальная защита трансформатора ТДН - 16000/110/10
Максимальный ток трехфазного короткого
замыкания, приведенный к стороне высшего напряжения силового трансформатора:
,(153)
где
- ток короткого замыкания в точке
К-3 на шинах 10 кВ ГПП;
- среднее напряжение высокой и
низкой сторон силового трансформатора.
(А).
Минимальный ток двухфазного короткого замыкания
на шинах 10 кВ ГПП, приведенный к стороне высшего напряжения силового
трансформатора:
;(154)
(А).
Первичный и вторичный номинальные токи силового
трансформатора:
;(155)
;(156)
(А).
(А).
Для выбора трансформаторов тока найдем
максимальные рабочие токи:
на стороне высшего напряжения:
;(157)
(А).
на стороне низкого напряжения:
;(158)
(А).
На стороне ВН принимаем к установке
трансформатор тока типа ТФЗМ110-У1-200-0,5/10р/10р:
,
.
Коэффициент трансформации
трансформатора тока
(159)
На стороне НН принимаем к установке
трансформатор тока типа ТОЛ-10-1500-0,5/10Р:
,
.
Коэффициент трансформации
трансформатора тока
;(160)
.
Силовой трансформатор имеет схему
соединения обмоток У/Д, следовательно, для компенсации сдвига фаз
трансформаторы тока на высокой стороне включаются по схеме полного треугольника
(
), а
трансформаторы тока на низкой стороне - по схеме звезды (
).
Защита выполняется с помощью
дифференциального реле РСТ-15.
Вторичные токи трансформаторов тока
в номинальном режиме работы:
;(161)
(А).
(А).
За основную сторону принимаем
сторону высшего напряжения, так как
.
Определяем токи небаланса, вызванные
погрешностями трансформаторов тока
и регулированием напряжения под
нагрузкой (РПН)
. При этом
все токи приводим к ступени напряжения основной стороны.
Определим ток небаланса
:
,(162)
где
-
коэффициент однотипности трансформаторов тока;
-
коэффициент апериодической составляющей для дифференциального реле;
-
допустимая погрешность трансформаторов тока;
А.
Определим ток небаланса
:
,(163)
где
- пределы
регулирования напряжения на стороне ВН;
- пределы
регулирования напряжения на стороне СН.
А.
Предварительное значение тока
срабатывания защиты по условию отстройки от токов небаланса
,(163)
где
-
коэффициент отстройки от токов небаланса;
(А).
Ток срабатывания защиты по условию отстройки от
броска тока намагничивания
,(164)
где
-
коэффициент отстройки от броска тока намагничивания;
(А).
Из двух токов срабатывания выбираем
наибольший, то есть
А.
Найдем предварительное значение
коэффициента чувствительности:
;(165)
.
Коэффициент чувствительности удовлетворяет
требуемым условиям, продолжаем расчет для реле РСТ-15.
Ток срабатывания реле на основной стороне:
;(166)
(А).
Ток срабатывания реле на неосновной стороне
(167)
где
-
коэффициент трансформации силового трансформатора.
.
(А).
Примем число витков основной обмотки
.
Расчетная МДС основной обмотки
;(168)
(А·витков).
Принимаем ближайшее стандартное
значение МДС
.
Расчетное число витков неосновной
обмотки находится из условия
;(169)
.
Принимаем
.
Составляющая тока небаланса
из-за
неравенства расчетного и действительного числа витков
;(170)
(А).
Ток срабатывания защиты с учетом всех
составляющих тока небаланса
,(171)
где
-
коэффициент отстройки.
(А).
Коэффициент чувствительности определяем по
формуле (165):
.
Так как коэффициент чувствительности превышает
требуемое нормированное значение, то защита удовлетворяет требованиям
чувствительности.
Ток срабатывания реле на основной стороне
(А).
Ток срабатывания реле на неосновной стороне
(А).
12.2 Максимальная
токовая защита
Резервной защитой от многофазных
коротких замыканий в обмотках трансформатора и на его выводах и защитой от
сверхтоков, вызванных внешними короткими замыканиями, является МТЗ с
независимой от тока выдержкой времени. Защита выполняется на реле РСТ-13-24 с
коэффициентом возврата
.
Максимальный рабочий ток по формуле
(157)
Коэффициент трансформации:
.
Ток срабатывания защиты по условию отстройки от
максимального рабочего тока при возможной перегрузке трансформаторов:
,(172)
где
- коэффициент отстройки;
- коэффициент возврата.
(А).
Определим коэффициент чувствительности в
основной зоне:
;(173)
.
Определим коэффициент чувствительности в зоне
резервирования:
;(174)
.
Ток срабатывания реле:
(А).
Используем защиту от токовых реле
РСТ-13-24, уставки 5-20 А. Для защиты используем трансформаторы тока
ТФЗМ110-У1-200-0,5/10р/10р, соединенные по схеме полного треугольника. Тогда
коэффициент схемы
.
Определим сумму уставок:
;(175)
.
Принимаем сумму уставок
.
Найдем ток уставки реле:
;
(А).(176)
Время срабатывания защиты принимается по условию
отстройки от МТЗ на секционном выключателе:
(с),(177)
(с).(178)
Выбираем реле времени типа РВ-01 с уставками
0,25-3,5 с.
12.3 Максимальная токовая защита от
перегруза
В качестве защиты от перегруза применяем
максимальную токовую защиту с одним реле тока РСТ-13-19, включенным на
трансформатор тока фазы А со стороны низшего напряжения силового
трансформатора.
Ток срабатывания защиты по формуле:
;(179)
(А).
Ток срабатывания реле:
;(180)
(А).
Принимаем к установке реле РСТ
13-19, у которого ток срабатывания находится в пределах
.
Определим сумму уставок:
Принимаем сумму уставок
.
Найдем ток уставки реле:
;(182)
.
Защита действует на сигнал с выдержкой времени tсз=2
с, устанавливаем реле времени типа РВ-01 (tвв=1-100
с).
12.4 Газовая защита
Газовая защита является основной защитой
трансформаторов от витковых замыканий и других внутренних повреждений,
сопровождаемых разложением масла и выделением газа. Газовая защита имеет два
реагирующих элемента с раздельным входом. При слабом газообразовании и
пониженном уровне масла срабатывает верхний элемент, действующий на сигнал. При
бурном газообразовании масла в баке, в баке происходит движение масла в сторону
расширителя. В результате перемещения масла с определенной скоростью срабатывает
нижний элемент, действующий на отключение без выдержки времени. Этот же элемент
срабатывает и при дальнейшем снижении уровня масла. В качестве реагирующего
органа выбираем реле типа РГТ-80. Уставка скоростного элемента (нижнего)
выбирается в зависимости от мощности и системы охлаждения силового
трансформатора. Так как трансформатор имеет мощность 16 МВ·А и систему
охлаждения Д, то принимаем уставку 0,6 м/с.
13 Безопасность
жизнедеятельности на ГПП
.1 Конструктивное исполнение ГПП
Главная понизительная подстанция промышленного
предприятия является объектом повышенной опасности поражения электрическим
током. Исходя из этого, на ГПП уделяется особое внимание вопросам охраны труда
и техники безопасности.
При выборе местоположения ГПП учтены требования
ПУЭ и СНиП. ГПП максимально приближена к центру электрических нагрузок с учетом
застройки территории, рельефа и геологии местности. К тому же ГПП расположена с
неветреной стороны относительно преобладающего ветра в районе (северо-западное,
юго-западное) и максимально возможно отдалена от имеющихся на предприятии
источников загрязнения.
Распределительное устройство 110 кВ ГПП
выполнено открытым.
Площадка подстанции соответствует требованиям
ПУЭ 4.2:
а) Площадка и заходы на нее расположены на
незаселенной местности.
б) Территория подстанции спланирована с уклоном
для стока ливневых вод. Уклон не более 3%.
в) Территория подстанции окружена внешним
забором высотой 2 м; вспомогательные сооружения - забором высотой 1,6 м.
г) Площадка ГПП предусматривает дальнейшее
расширение.
Распределительное устройство 10 кВ выполнено
комплектным. Здание ЗРУ выполняется из сборного железобетона с пролетом 6 м, с
высотой 3,8 м. подземные туннели силовых и контрольных кабелей служат
фундаментами для оборудования ячеек. Проемы в полу, через которые проходят
кабели, заделываются асбестом или цементом, вентиляционные отверстия
закрываются густыми металлическими сетками.
В соответствии с [2] к ОРУ подведена
автомобильная дорога. В ОРУ предусмотрен проезд вдоль выключателей для передвижных
монтажно-ремонтных механизмов и приспособлений, а также передвижных
лабораторий. Габариты проезда 3,5 м.
13.2
Основные габариты и разрывы, обеспечивающие безопасность работ ОРУ 110 кВ
Планировка площади ОРУ выполнена с уклоном для
отвода ливневых вод за пределы территории. Кабели расположены в траншеях. Для
обеспечения безопасности работ и осмотров ОРУ выдержаны следующие изоляционные
расстояния:
) От токоведущих частей или от
элементов оборудования или изоляции, находящихся под напряжением, до заземленных
конструкций или постоянных внутренних ограждений высотой не менее 2 м - 900 мм;
2) Между проводами разных фаз - 1000 мм;
) От токоведущих частей или от
элементов оборудования и изоляции, находящихся под напряжением до габаритов
транспортируемого оборудования - 1650 мм;
) От неогражденных токоведущих частей
до земли или до кровли зданий при наибольшем провисании проводов - 3600 мм;
) Между токоведущими частями разных
цепей по горизонтали при обслуживании одной цепи и не отключенной другой, от
токоведущих частей до верхней кромки внешнего забора, между токоведущими
частями и зданиями или сооружениями - 2900 мм;
) От контакта и ножа разъединителя в
отключенном положении до ошиновки, присоединенной ко второму контакту - 1100
мм.
13.3 Основные требования к
установке трансформаторов
Аппаратура ОРУ и трансформаторы установлены
открыто. Металлические конструкции ОРУ-110 кВ и ЗРУ-10 кВ и трансформаторов, а
так же подземные части металлических и железобетонных конструкций для защиты от
коррозии - окрашены.
Силовые трансформаторы установлены на низком
фундаменте из сборного железобетона. К ним обеспечен проезд для пожарных машин,
доставки и вывоза трансформаторов. Для осмотров и ревизий трансформаторы
снабжены стационарной лестницей. Трансформаторы для уменьшения нагрева прямыми
лучами солнца окрашены в светлые тона маслостойкой краской [2]. Для
предотвращения растекания масла и распространения пожара при повреждении, под
трансформаторами предусмотрены маслоприемники незаглубленного типа (дно на уровне
окружающей планировки земли) с отводом масла, выполненные в виде бортовых
ограждений высотой 0,25 м. Дно маслоприемника засыпано крупным чистым гравием
толщиной 0,25 м.
Все токоведущие части, доступные случайному
прикосновению, ограждены металлической сеткой с окном 25×25
мм; на всем электрооборудовании ОРУ и ЗРУ выполнены надписи и мнемосхемы,
поясняющие назначение электрооборудования, а так же вывешены предупреждающие
плакаты.
13.4 Закрытое
распределительное устройство
В ЗРУ ячейки КРУ установлены в два ряда с
центральным проходом шириной 2 м, ширина прохода между ячейкой и стеной - 1 м.
Выкатные элементы КРУ имеют механическую блокировку, так что доступ к
токоведущим частям автоматически закрывается металлическими шторками при выкате
тележки. ЗРУ имеет две двери для выхода, которые открываются наружу и имеют
самозапирающиеся замки [2]. ЗРУ выполнено без окон. Камеры трансформаторов
собственных нужд оборудованы барьерами у входов высотой 1,2 м [2].
13.5 Правила окраски
токоведущих частей
Для распознавания частей и фаз одноименных шин в
ЗРУ шины окрашены:
Фаза А - желтый цвет;
Фаза В - зеленый цвет;
Фаза С - красный цвет.
Заземляющие ножи окрашиваются в черный цвет.
13.6 Перечень защитных средств,
применяемых на ГПП
На ГПП согласно ПТЭ и ПТБ имеются следующие
защитные средства:
. Изолирующая штанга:
а) U
= 110 кВ - 1 шт. (ШИ-110);
б) U
= 10 кВ - 1 шт. (ШИ-10).
. Указатель напряжения:
а) УВН-90 на U
= 110 кВ - 1 шт.;
б) УВН-80 на U
= 10 кВ - 1 шт.;
в) МИН-1 на U
= 0,4 кВ - 1 шт.
. Изолирующие клещи:
а) U
= 10 кВ - 1 шт.;
б) U
= 0,4 кВ - 1 шт.
. Диэлектрические перчатки - 2 пары.
. Диэлектрические боты на ОРУ - 1 пара.
. Диэлектрические калоши - 1 пара;
. Диэлектрические ковры - по местным условиям.
. Шланговый противогаз - 2 шт.
. Защитные очки - 2 шт.
. Медицинская аптечка.
. Временные ограждения - 2 шт.
. Переносные заземления:
а) на U
= 110 кВ - 2 комплекта;
б) на U
= 10 кВ - 2 комплекта;
в) на U
= 0,4 кВ - 2 комплекта.
. Предупредительные плакаты - 8 комплектов.
13.7 Электробезопасность
13.7.1 Установка
заземляющих ножей, выбор системы блокировки
Для обеспечения безопасности работ на ОРУ-110 кВ
приняты к установке разъединители РДЗ с заземляющими ножами, предусмотрена
механическая блокировка, не позволяющая включить заземляющие ножи при включенных
главных и наоборот. Наличие заземляющих ножей, как правило, исключает
необходимость переносных заземлений, что значительно повышает безопасность
работ и снижает аварийность. Заземляющие ножи окрашены в черный цвет. Рукоятки
приводов заземляющих ножей окрашены в красный цвет, а рукоятки других приводов
- в цвета оборудования. В местах, в которых стационарные заземляющие ножи не
могут быть применены, на токоведущих и заземляющих шинах подготовлены
контактные поверхности для присоединения переносных заземляющих проводников.
Все ячейки КРУ-10 кВ имеют механическую
блокировку.
13.7.2 Расчет защитного заземления
ОРУ ГПП
Все металлические части электроустановок,
нормально не находящиеся под напряжением, но могущие оказаться под напряжением
из-за повреждения изоляции, должны надежно соединяться с землей. Такое
заземление называется защитным, так как его целью является защита
обслуживающего персонала от опасных напряжений прикосновения.
Заземление обязательно во всех электроустановках
при напряжении 380 В и выше переменного тока, 440 В и выше постоянного тока, а
в помещениях с повышенной опасностью, особо опасных и в наружных установках -
при напряжении 42 В и выше переменного тока, 110 В и выше постоянного тока.
В электрических установках заземляются корпуса
электрических машин, трансформаторов, аппаратов, вторичные обмотки
измерительных трансформаторов, приводы электрических аппаратов, каркасы
распределительных щитов, пультов, шкафов, металлические конструкции
распределительных устройств, металлические корпуса кабельных муфт,
металлические оболочки и броня кабелей, проводов, металлические конструкции
зданий и сооружений и другие металлические конструкции, связанные с установкой
электрооборудования.
Для выполнения заземления используют
естественные и искусственные заземлители.
В качестве естественных заземлителей применяют
водопроводные трубы, металлические трубопроводы, проложенные в земле, за
исключением трубопроводов горючих жидкостей и газов; обсадные трубы скважин,
металлические и железобетонные конструкции зданий, находящиеся в
соприкосновении с землей; металлические шпунты гидротехнических сооружений;
свинцовые оболочки кабелей; заземлители опор ВЛ, соединенные с заземляющим
устройством грозозащитным тросом; рельсовые подъездные пути при наличии
перемычек между рельсами.
Естественные заземлители должны быть связаны с
магистралями заземлений не менее чем двумя проводниками в разных точках.
В качестве искусственных заземлителей применяют
прутковую круглую сталь диаметром не менее 10 мм (неоцинкованная) и 6 мм (оцинкованная),
полосовую сталь толщиной не менее 4 мм и сечением не менее 48 мм2.
Количество заземлителей (уголков, стержней)
определяется расчетом в зависимости от необходимого сопротивления заземляющего
устройства или допустимого напряжения прикосновения.