Расчет цепной контактной подвески
План
1. Определить максимально допустимую длину пролета цепной
контактной подвески на прямом участке пути и в кривой для заданных условий
. Определить наибольшие изгибающие моменты, действующие на
промежуточные консольные опоры, установленные на внешней и внутренней стороне
кривого участка пути перегона радиуса R. Подобрать типы опор
. «Требования, предъявляемые к контактным проводам,
существующие и перспективные марки контактных проводов, их характеристики.
Причины износа контактных проводов; места повышенного износа; срок службы
контактных проводов»
. Перечислить общие положения техники безопасности и
организации работ в электроустановках; назвать категории работ в отношении мер
безопасности. Перечислить и пояснить схемами требования «Инструкции по технике
безопасности для электромонтеров контактной сети» (ЦЭ-761) при заданных
условиях работы: Общие требования безопасности при работах на контактной сети.
Работа на высоте
Исходные данные
Исходные данные для определения
максимально допустимых длин пролётов
цепная контактная подвеска опора
Система тока - переменный.
Тип контактной подвески -
полукомпенсированная;
Конструктивная высота контактной
подвески: h = 1.8 м;
Тип консолей - изолированные;
Длина подвесной гирлянды изоляторов,
hи = 0,17 м;
Условия расположения контактной
подвески:
характеристика местности - нулевые
места, насыпи 1…2 м, выемки глубиной до 5 м, в открытой равнинной местности с
невысоким (4…5 м) редким лесом (kV = 1; kГ = 1);
профиль пути - а) прямой участок;
б) кривая радиуса R = 800 м.
Исходные данные для расчета
изгибающего момента (мощности) опоры
. Принять для расчета
нераздельные опоры длиной 13.6 м типа С (для переменного тока);
. Тип подвески главных путей,
смонтированной на опорах, расчетные метеорологические условия и место расположения
контактной подвески (условия ветрового воздействия):
Марка проводов контактной сети:
несущего троса - ПБСМ-95;
контактных проводов - МФО-100.
ПБСМ-95 + МФО-100
Система тока: переменный.
Анкерный участок состоит из
пролётов, м: 6
60 + 10
50 + 9
46 м.
Расстояние от опоры до первой
простой струны, е. м - 10 м.
Минимальная температура, tmin
= - 45
Максимальная температура, tmax
= + 25
Ветровой район: I.
Гололедный район: III.
Форма гололеда - цилиндрическая.
Удельная плотность гололеда
= 900 кг/м3.
Температура гололеда, tг
= - 5
.
Температура, при котором наблюдается
максимальная скорость ветра, tV = - 5
.
Характеристика воздушной газовой
среды: среднеагрессивная к железобетонным конструкциям.
Радиус кривой R= 800м;
Габарит опоры Г, м:
· на внешней стороне
кривой - 3,15 м;
· на внутренней
стороне кривой - 3,45 м;
Плечо силы тяжести консоли zKH
= 1.8 м;
Высота опоры фундамента hon
= 9.6 м;
Высота точки приложения
горизонтальных усилий от контактного провода, hK = 6.5 м;
Высота точки приложения
горизонтальных усилий от несущего троса, hT = hK + h =
6.5 + 1.8 = 8.3 м;
Нагрузка от силы тяжести консоли с
фиксатором, GKH
· для внешней стороны
кривой - 70 даН;
· для внутренней
стороны кривой - 80 даН;
Нагрузка от силы тяжести гирлянды
изоляторов с учётом части веса фиксатора, передающиеся на несущий трос, GИЗ
= 20 даН;
Нагрузка от силы тяжести гололеда и
снега консоли, GКНГ
|
bH, мм
|
5
|
10
|
15
|
20
|
|
GКНГ, даН
|
10
|
20
|
30
|
40
|
1. Определение максимально
допустимую длину пролета цепной контактной подвески на прямом участке пути и в
кривой для заданных условий
.1 Обработка заданных
метеоусловий
Задана максимальная скорость ветра
для I-го ветрового района: vн = 22 м/с
= vH*kv = 22 *
1 = 22 м/с
скорость ветра при гололеде для III
гололедного района vгн = 15 м/с
г = vГH*kv = 15 * 1 = 15 м/с
толщина гололеда на контактном
проводе:
K = 0.5 * bг = 0,5 * 15 = 7,5 мм.
.2 Определение расчетного
режима
Ветровое воздействие на провода
возникает в двух режимах: максимального ветра и гололеда с ветром. Выбор
наибольшей допустимой длины пролета будем производить путем сравнения значений,
полученных при ветре максимальной интенсивности и при сочетании гололеда с
ветром (по наименьшему значению длин пролетов).
Определяем расчетный режим, исходя
из сравнения числовых значений ветровых нагрузок на контактные провода,
подсчитанные для обоих упомянутых режимов. Режим, соответствующий большей
нагрузке, будем считать расчетным и только для него выполним расчет длин
пролетов.
Горизонтальная ветровая нагрузка на
контактные провода:
в режиме ветра максимальной
интенсивности:
KVmax = CX *
* Н *
10-3 (1)
в режиме гололеда с ветром:
KГ = CX *
* (Н +
2*bк) * 10-3 (2)
Н - высота сечения контактного
провода, мм;
Сх - аэродинамический
коэффициент лобового сопротивления контактного провода ветру (1,85).
KVmax = 1,85 *
* 10,5
* 10-3 = 0,5876 даН/м;
pKГ = 1,85 *
* (10,5 + 2*7,5) * 10-3 = 0,6634 даН/м.
Таким образом, расчетным режимом
является режим гололеда с ветром, т. е он будет более тяжелым по ветровым
отклонениям.
1.3 Расчетные нагрузки на провода
и натяжения в проводах контактной подвески в расчетном режиме
Расчеты сведем в таблицу 1
Таблица 1
|
Расчетные параметры
|
Значения расчетных нагрузок, даН/м, и натяжений, даН, для
контактной подвески ПБСМ-95 + МФО-100, находящийся в открытой равнинной
местности с невысоким лесом на нулевых местах, невысоких насыпях, в
неглубоких выемках; kV = kГ = 1.
|
|
Нагрузка от веса проводов подвески g = gT + nK*(gK
+ gC),
|
g = 0.759 + 1*(0.873 + 0.1) = 1.732 даН/м.
|
|
Нагрузка от веса гололеда на несущем тросе gГТ = 0,009*π*bT*(d + bT)*0.8
|
gГТ = 0,0009*3,14*15*(12,5 + 15)*0.8 = 0,93258 даН/м.
|
|
Нагрузка от веса гололеда на контактном проводе gГК = 0,009*π*bК*(dср.к + bК)
|
gГК = 0,0009*3,14*7,5*(12,71 + 7,5) = 0,42835 даН/м
|
|
Полная вертикальная нагрузка от веса гололеда на проводах
контактной подвески gГ = gГТ + nK*(g ГK
+ g ГC),
|
gГ = 0,93258 + 1*(0,42835 + 0,06) = = 1,42093 даН/м
|
|
Ветровая нагрузка на несущий трос Рт
= CX * * (d
+ 2*bT) * 10-3
|
Рт = 1,25* * (12.5 + 2*15) * 10-3 = 0.550 даН/м
|
|
Ветровая нагрузка на контактные провода pK = CX * * (Н + 2*bк) * 10-3
|
pK = 1,85 * * (10,5 + 2*7,5) * 10-3 = 0,6634 даН/м.
|
|
Результирующая нагрузка на несущий трос qт =
|
qт = =
3,2 даН/м.
|
|
Нагрузка от веса контактных проводов с учетом веса гололеда на
них g’K = nK(gк + gгк)
|
g’K = 1*(0,873 + 0,42835) = 1,301 даН/м
|
|
Натяжение несущего троса в расчетном режиме Т
|
Т = Тmax = 2000 даН
|
|
Натяжение несущего троса при беспроводном положении контактного
провода Т0
|
1600 даН
|
|
Натяжение контактных проводов К
|
980 даН
|
1.4 Определение наибольших
допустимых пролетов
Применим приближенные формулы:
На прямых участках пути:
(3)
На кривых участках пути:
(4)
К - номинальное натяжение контактных
проводов, даН.
наибольшее допустимое
горизонтальное отклонение контактных проводов от оси токоприемника в пролете,
м.
- на прямых;
-
на кривых.
а - зигзаг контактного
провода, м.
- на прямых;
-
на кривых.
Рк - ветровая
нагрузка на контактные провода, даН/м.
РЭ - удельная
эквивалентная нагрузка, учитывающая взаимодействие несущего троса и контактного
провода при ветровом их отклонении, даН/м.
(5)
К - номинальное
натяжение контактного провода, даН.
Т - натяжение несущего
троса контактной подвески в расчетном режиме, даН/м.
- средняя длина струны
в средней части пролета, м.
(6)
- конструктивная высота
контактной подвески, м.- вертикальная нагрузка от собственного веса проводов
контактной подвески, даН/м. 0 - натяжение несущего троса контактной
подвески при беспровесном положении контактной подвески, даН
- горизонтальная
нагрузка от воздействия ветра на контактный провод, даН/м.
- горизонтальная
нагрузка от воздействия ветра на несущий трос, даН/м.
результирующая нагрузка
на несущий трос, даН/м.
- нагрузка от
собственного веса контактного провода, даН/м
,
-
упругий прогиб опор на уровне несущего троса и контактного провода под
действием ветровой нагрузки на опоры и провода, м.
- максимальная длина
пролета контактной подвески без учета эквивалентной нагрузки, м.
- длина подвесной
гирлянды изоляторов, м.
Формулы (3) и (4) можно
упростить, приняв
Впр =
(7)
Вкр =
(8)
При скоростях ветра до
25 м/с:
= 0,01
= 0,015
Впр (на прямой) = 0,877
Вкр (на кривой) = 0,840
.5 Определение максимально
допустимых длин пролетов для полукомпенсированной контактной подвески
Воспользуемся методом последовательных
приближений:
¬ определим lmax
без учета рэ
= 72,005 = 72 м.
¬ находим сренюю
длину струны в средней части пролета, приняв l = lmax = 72 м.
.
¬ определим удельную
эквивалентную нагрузку рЭ, приняв = lmax = 72 м.
¬ уточняем lmax
= 72 м., подставляя рЭ = 0,09733 даН/м
Однако, наибольшая допустимая длина
пролета (согласно правил устройства и эксплуатации контактных сетей
электрифицированных железных дорог) не должна превышать 70 м, на насыпях
высотой 5…10 м в открытой местности - 50 м; на кривых и незащищенных от ветра
местах при радиусе 900 м - 50 м, при радиусе 700 м - 45 м, при радиусе 500 м -
40 м, при радиусе 30 м - 35 м.
Для рассматриваемой
полукомпенсированной контактной подвески
ПБСМ-95 + МФО-100 на прямой при kV
= 1; kГ = 1 максимально допустимая длина пролета должна быть принята
max = 70 м.
.6 Определение наибольшей длины
пролета для полукомпенсированной контактной подвески ПБСМ-95 + МФО-100,
расположенной на кривой радиусом 800 м при kV = 1; kГ = 1
Расчет проводим аналогично - методом
последовательного приближения:
По формуле (4)
¬ определим lmax
без учета рэ
¬ определим удельную
эквивалентную нагрузку рЭ, приняв = lmax = 59,054 м.

¬ определим удельную
эквивалентную нагрузку рЭ, приняв = lmax = 59,054 м.
¬ уточняем lmax
= 59,054 м., подставляя рЭ = 0,07 даН/м
Дальнейшее уточнение длины пролета
не имеет смысла, так как будет происходить в долях метра.
Окончательно выбираем для полукомпенсированной
контактной подвески ПБСМ-95 + МФО-100, расположенной на кривой радиусом 800 м
принимаем длину пролета max = 60 м.
2. Определение наибольших
изгибающих моментов, действующих на консольные опоры, установленные на внешней
и внутренней стороне кривой заданного радиуса
.1 Подбор типовых опор
. Расчетная схема
промежуточной консольной опоры
Рис. 1. Расчетная схема
промежуточной изолированной консольной опоры
Условные обозначения на рис. 1:
РТ - горизонтальная
нагрузка от давления ветра на несущий трос, даН;
РК- горизонтальная
нагрузка от давления ветра на контактный провод, даН;
РОП- горизонтальная
нагрузка от давления ветра на опру, даН;
-
горизонтальная нагрузка от излома несущего троса на кривой, даН;
-
горизонтальная нагрузка от излома контактного провода на кривой, даН;П
- вертикальная нагрузка от веса контактной подвески, даН;КН -
вертикальная нагрузка от веса консоли, даН;
-
высота опры, м;
-
высота точек приложения горизонтальных сил относительно основания опоры, м;
zКН - плечо веса консоли,
м;
а - зигзак контактного провода;
Г - габарит опры, м (на внешней
стороне опоры Г = 3,15 м, на внутренней стороне опоры - 3,45 м);
dОП - диаметр опры на
уровне головок рельса (для железобетонных опор типа С (СС) можно принять равным
0,44 м.).. Определение погонных нагрузок на провода контактной подвески во
всех расчетных режимах
Погонные 9распределенные) нагрузки
на провода контактной подвески создаются за счет веса провода и веса гололеда
на проводах (вертикальные нагрузки) и за счет действия ветра на провода
подвески (горизонтальные нагрузки.
Погонные нагрузки были определены в
предыдущих расчетах, сведем их значения в таблицу 2.
|
Наименование нагрузок
|
Расчетные режимы
|
|
Гололед с ветром
|
Максимальный ветер
|
Минимальная температура
|
|
Вертикальная нагрузка от собственного веса 1 м. проводов даН/м
|
1,732
|
1,732
|
1,732
|
|
Нагрузка от веса гололеда на проводах подвески, gГ,
даН/м
|
1,421
|
-
|
-
|
|
Горизонтальная ветровая нагрузка на несущий трос, PT
даН/м
|
0,55
|
0,473
|
-
|
|
Нагрузка от давления ветра на контактный провод, РK,
даН/м
|
0,6634
|
0,5876
|
-
|
. Определение нормативных
нагрузок (усилий), действующих на опору
Длина пролета на кривой
составляет:=800м=50м
Расчет нормативных изгибающих
моментов в основании опор, по которым будем осуществлять подбор опор, выполняем
по нормативным нагрузкам.
Определение нормативных нагрузок,
действующих на опору, производится для трех расчетных режимов:
а. гололед с ветром;
б. максимального ветра;
в. минимальной температуры.
Вертикальная нагрузка от веса
контактной подвески:
а) для режима максимального ветра и
минимальной температурыП = g*l + GИЗ (9)
где g - погонная нагрузка от
собственного веса проводов подвески (троса, проводов и струн (по табл. 2 g =
1.732 даН/м); - длина пролета на кривой, (по нормативу для R= 800м - 50 м); ИЗ
- вес гирлянды изоляторов (по заданию GИЗ = 20 даН);П =
1,732*50 + 20 = 106,6 даН.
б) для режима гололеда с ветром
П = (g + gГ)*l + GИЗ (10)
где gГ - погонная
нагрузка от веса гололеда (по табл. 2 gГ = 1.421 даН/м);П =
(1,732 + 1,421)*50 + 20 = 177,65 даН.
Вертикальная нагрузка от веса
консоли задана по заданию:
для bH = 15 ммКН
= 30 даН.
Горизонтальная нагрузка от давления
ветра на несущий трос и контактный провод:
а) для режима гололеда с ветром
РТГ = ртг
* l = 0.55 * 50 = 27.5 даН;KГ = pкг * l
= 0,6634 * 50 = 33,17 даН.
б) для режима максимального ветра
РТВ = ртVmax
* l = 0.473 * 50 = 23.65 даН;KВ = pкVmax
* l = 0,5876 * 50 = 29.38 даН.
в) для режима минимальной
температуры жэти нагрузки отсутствуют
Горизонтальные нагрузки от давления
ветра на опору
а) для режима гололеда с ветром
РОП = СХ*
* SОП (11)
где СХ - аэродинамический
коэффициент лобового сопротивления (принимаем для опор С - 0,7 для конических
опор); ОП - площадь сечения опоры, для опор тиа С принимаем 3,46 м2;
vгн - скорость ветра, при
гололеде: 15 м/с.
РОПГ = 0,7*
* 3,46 = 34,059 даН.
б) для режима максимального ветра:
РОП = СХ*
* SОП (12)
vн - скорость ветра: 22
м/с.
РОПV = 0,7*
* 3,46 = 73,2655 даН.
в) в режиме минимальной температуры
этой нагрузки нет.
.2 Горизонтальная нагрузка от
изменения направления (излома) несущего троса на кривой
Здесь, прежде всего, указываем
значения натяжений несущего троса:
для полукомпенсированной подвески:Г
= 1900 даН;
Т tmin = 1650 даН;
T Vmax = 1600 даН.
Это табличные значения.
Горизонтальная нагрузка от излома
несущего троса на кривой будет:
а) для режима гололеда с ветром:
= ТГ
*
(13)
= 1900
*
= 118.75 даН;
б) для режима максимального ветра:
= ТVmax
*
(14)
= 1650
*
= 103.125 даН;
в) для режима минимальной
температуры:
= Тtmin
*
(15)
= 1600
*
= 100 даН;
Горизонтальная нагрузка от изменения
направления (излома) контактного провода на кривой
Для всех трех режимов: в силу того,
что номинальное натяжение контактных проводов К обеспечивается компенсаторами -
величина постоянная
= К *
(16)
= 980 *
= 61,25 даН;
Горизонтальная нагрузка от зигзага
контактных проводов и несущего троса на кривой.
На кривых участках пути контактная
подвеска обычно является вертикальной хордовой. Зигзаги контактного провода и
несущего на всех опорах одинаковы.
В этих условиях изменение
направления (излом) несущего троса и контактного провода зависит только от
радиуса кривой и длины пролета и не зависит от наличия зигзага проводов.
Следовательно, горизонтальная
нагрузка от зигзага контактных проводов и несущего троса равна нулю.
Составим итоговую расчетную таблицу
Таблица 3
|
Расчетные режимы
|
Нормативные нагрузки, даН
|
|
GП
|
GКН
|
РТ
|
РК
|
РОП
|
|
|
|
Гололед с ветром
|
177,65
|
30
|
27,5
|
33,17
|
34,059
|
118,75
|
61,25
|
|
Максимальный ветер
|
106,6
|
30
|
23,65
|
29,38
|
73,2655
|
103,125
|
61,25
|
|
Минимальная температура
|
106,6
|
30
|
|
|
-
|
100,0
|
61,25
|
d. определение изгибающих
моментов М0 относительно условного
обреза фундамента (УОФ).
Определение М0 относительно УОФ опоры
находим по формуле:
М0 = [GП*(Г
+ 0,5dОП) + GKH*zKH + (
PT
)*hT + (
PK
)*hK
PОП*
]*10-2 (17)
где РТ - горизонтальная
нагрузка от давления ветра на несущий трос, даН;
РК- горизонтальная
нагрузка от давления ветра на контактный провод, даН;
РОП- горизонтальная
нагрузка от давления ветра на опру, даН;
-
горизонтальная нагрузка от излома несущего троса на кривой, даН;
-
горизонтальная нагрузка от излома контактного провода на кривой, даН;П
- вертикальная нагрузка от веса контактной подвески, даН;КН -
вертикальная нагрузка от веса консоли, даН;
- высота
опры, м;
-
высота точек приложения горизонтальных сил относительно основания опоры, м;
zКН - плечо веса консоли,
м;
а - зигзак контактного провода;
Г - габарит опры, м (на внешней
стороне опоры Г = 3,15 м, на внутренней стороне опоры - 3,45 м);
dОП - диаметр опры на
уровне головок рельса (для железобетонных опор типа С (СС) можно принять равным
0,44 м.).
формула (17) пригодна для
определения изгибающих моментов опоры, установленной как на внешней, так и на
внутренней стороне кривой, при любом принятом направлении ветра и при любом
расчетном режиме.
От расчетного режима зависят
величины нагрузок, а от того на какой стороне кривой находится опора и какое
принято направление ветра, зависят знаки плюс или минус горизонтальных сил Р.
Рис. 2. Нагрузки на опоры,
установленные на кривой
Положительные направления
изгибающего момента и нагрузок обычно принимают от опоры к пути, следовательно,
перед вертикальными нагрузками от веса подвески GП и веса консоли GКН,
всегда направленными от опоры к пути, во всех случаях будет знак плюс.
На рис. 2. показано направление
действующих на опоры нагрузок от изменения направления (излома) проводов на
кривых участках пути
, и принимаемые в
расчетах направления ветра РТ, РК, РОП.
Поскольку расчеты М0 опор рационально выполнять для условий наиболее неблагоприятных
сочетаний нагрузок на опору, то:
Ø при
расчете М0 опор на внешней стороне кривой, где нагрузки GП,GК,
направлены от опоры к пути, следует принять направление ветра
тоже к пути;
Ø при
расчетах М0 опор внутренней стороны
кривой, где нагрузки GП и GК направлены к пути, а
нагрузки
- от пути (к полю), и до выполнения расчетов неясно, какое
направление ветра окажется наиболее неблагоприятным, расчеты выполняем для
обоих возможных направлений ветра
Расчет М0 опоры, установленной на внешней стороне кривой
принятое направление ветра - к пути
Формула (17) примет вид:
М0 = [GП*(Г
+ 0,5dОП) + GKH*zKH + (PT +
)*hT + (PK +
)*hK +
+ PОП*
]*10-2 (17.1)
1. Гололед с ветром:
М0 =
[177,65*(3,15 + 0,5*0,44) + 30*1,8 + (27,5 +118,75)*1,8 + (33,17 +61,25)*6,5 +
34,059*
]*10-2 = 16,933 кН*м
2. Максимальный ветер:
М0 =
[106,6*(3,15 + 0,5*0,44) + 30*1,8 + (23,65 +103,125)*1,8
+ (29,38 +61,25)*6,5 + 73,27*
]*10-2
= 15,822 кН*м
3. Минимальная температура:
М0 =
[106,6*(3,15 + 0,5*0,44) + 30*1,8 + (100)*1,8 + (61,25)*6,5 ]*10-
= 9,91 кН*м
Расчет М0 опоры, установленной на внутренней стороне кривой
а) принятое направление ветра - к
пути
Формула (17) примет вид:
М0 = [GП*(Г
+ 0,5dОП) + GKH*zKH + (PT -
)*hT + (PK -
)*hK +
+ PОП*
]*10-2 (17.2)
1. Гололед с ветром:
М0 =
[177,65*(3,45 + 0,5*0,44) + 30*1,8 + (27,5 - 118,75)*1,8 + (33,17 - 61,25)*6,5
+ 34,059*
]*10-2 = 5,227 кН*м
2. Максимальный ветер:
М0 =
[106,6*(3,45 + 0,5*0,44) + 30*1,8 + (23,65 -103,125)*1,8 + (29,38 -61,25)*6,5 +
73,27*
]*10-2 = 4,467 кН*м
3. Минимальная температура:
М0 =
[106,6*(3,45 + 0,5*0,44) + 30*1,8 + (-100)*1,8 + (-61,25)*6,5 ]*10-2
= -1,329 кН*м.
б) принятое направление к полю:
В режиме минимальной температуры
расчет не делаем, так как в этом режиме ветра нет.
Формула (17) примет вид:
М0 = [GП*(Г
+ 0,5dОП) + GKH*zKH + (-PT -
)*hT + (-PK -
)*hK -
PОП*
]*10-2 (17.3)
1. Гололед с ветром:
М0 =
[177,65*(3,45 + 0,5*0,44) + 30*1,8 + (-27,5 - 118,75)*1,8 + (-33,17 -
61,25)*6,5 - 34,059*
]*10-2
= - 3,345 кН*м
2. Максимальный ветер:
М0 =
[106,6*(3,45 + 0,5*0,44) + 30*1,8 + (-23,65 -103,125)*1,8 + (-29,38 -61,25)*6,5
- 73,27*
]*10-2 = - 4,9557 кН*м.
2.3 Выбор типа опоры
В результате расчетов было получено:
F На внешней стороне
кривой М0max = 16.933 kH*m - в режиме гололеда с ветром;
F На внутренней
стороне кривой М0min = 5.227 kH*m - в режиме с гололедом;
F Характеристика
воздушной газовой среды - среднеагрессивная к железобетонной конструкции;
F заданная
минимальная температура tmin = - 45
;
F Контактная сеть -
переменного тока.
По эти данным выбираем:
$ для внешней стороны
кривой опору (стойку) типа:
С136.6-1 МК (рис. 3)
Это стойка типа С - с проволочной
напрягаемой арматурой, длиной 13,6 м с толщиной стенки 60 мм, первой несущей
способности (
= 44
кН*м
М0max = 16.933 kH*м).
М - эта опора предназначена для
районов с расчетной температурой ниже - 40
;
К - стойка предназначена для
использования в местах со среднеагрессивной воздушной средой по отношению к
железобетонным конструкциям.
$ для внутренней стороны
кривой такая же стойка:
С136.6-1 МК
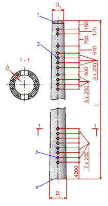
Рис. 3. Опора типа
С136.6-1 МК: 1 - заглушка верхняя <javascript:None()>; 2 - отверстия для
установки деталей контактной сети <javascript:None()>; 3 - отверстия для
вентиляции <javascript:None()>; 4 - заглушка нижняя
<javascript:None()>
D1 = 290 мм;
D2 = 492мм.
3. Требования, предъявляемые к
контактным проводам, существующие и перспективные марки контактных проводов, их
характеристики. Причины износа контактных проводов; места повышенного износа;
срок службы контактных проводов
Провода контактных
подвесок.
Общие положения
Назначение и конструкция контактных
проводов
Провода контактных подвесок
предназначены для передачи эл.энергии постоянного и переменного тока от тяговых
подстанций к ЭПС (питающими проводами).
Контактный провод -
основной или единственный провод контактной подвески
<#"658174.files/image064.gif">
Рис.1. Медный контактный провод
площадью сечения 85 мм² (а), 100 мм² (б) и 150 мм² (в)
Рис.2. Медный овальный контактный
провод площадью сечения 100 мм² (МФО-100)
Таблица 1. Основные замеры и
характеристики контактных проводов
|
Номинальная площадь сечения,мм2
|
Размеры, мм
|
Временное сопротивление медного провода, ГПа
|
Линейная плотность, кг/м
|
Нагрузки от силы тяжести, кН/м
|
|
А
|
Н
|
С
|
R
|
|
|
|
|
85
|
11,76
|
10,8
|
1,3
|
6,0
|
0,368
|
0,76
|
7,40*10-3
|
|
100
|
12,81
|
11,8
|
1,8
|
6,5
|
0,363
|
0,89
|
8,73*10-3
|
|
150
|
15,50
|
14,5
|
3,2
|
7,8
|
0,353
|
1,34
|
13,09*10-3
|
|
|
|
|
|
|
|
|
|
Площадь сечения контактного провода,
применяемого на отечественных железных дорогах, - 85, 100, реже - 150 мм², за рубежом - от 65 до
194 мм². Контактный провод
обычно изготовляют из электролитической меди. На первых электрических железных
дорогах в 1920-х годах (Великобритания, США) применяли контактный провод из
бронзы, который допускал более высокое натяжение, чем медный. Это свойство было
важно для улучшения качества токосъёма при некомпенсированных цепных контактных
подвесках, которые монтировались тогда в этих странах.
Рис.3. Биметаллический сталемедный
контактный провод
Рис.4. Комбинированный
сталеалюминиевый контактный провод
Износостойкость
бронзового меднокадмиевого контактного провода в 2-2,5 раза выше, чем медного.
Однако бронзовые контактные провода дороже медных, а их электрическое
сопротивление выше. Целесообразность применения бронзового контактного провода
определяется технико-экономическим расчётом. В ряде стран (ФРГ, Австрия, Япония
и другие) наряду с чисто медным контактным проводом выпускают низколегированный
медный контактный провод с присадками серебра, олова, которые повышают термо- и
износостойкость провода. Биметаллический сталемедный контактный провод (рис.3),
который выпускали в 1940-х годах в Германии, в 1950-х годах в СССР, в 1990-х
годах в Японии, используется для приёмо-отправочных путей
<#"658174.files/image068.gif"> <#"658174.files/image069.gif">
Рис. 6. Схема фиксирования
контактного провода на кривой двумя фиксаторами, установленными на фиксаторном
кронштейне, расположенном вдоль пути
Срок службы контактного провода при
наличии местных износов можно продлить различными путями. При местном износе
50-60 мм2 для провода сечением 150 мм2, 35-40 мм2
для провода сечением 100 мм2 и 25-30 мм2 для провода
сечением 85 мм2 на контактный провод устанавливают шунты (отрезки такого же
провода, располагаемые сбоку), препятствующие соприкосновению полоза с основным
проводом. Шунт крепится к основному проводу при помощи двух или более (в
зависимости от его длины) специальных соединительных зажимов (рис. 7). В
последнем.случае в средней части шунта устанавливают соединительные зажимы типа
I, по концам - типа II.
Если на каком-либо участке износ
превышает 60 мм2 для провода сечением 150 мм2, 40 мм2
для провода сечением 100 мм2 и 30 мм2 для провода
сечением 85 мм2, то провод вырезают и заменяют другим с износом не
более чем на примыкающих участках.
В тех случаях, когда повышенный
износ провода в пределах всего анкерного участка наблюдается в строго
определенных по отношению к опорам местах (например, под фиксаторами),
применяют продольную сдвижку контактного провода на 3-4 м. В результате этого в
местах расположения жестких точек, где происходит повышенный износ, оказываются
участки контактного провода с относительно малым износом, а участки провода с
повышенным износом перемещаются в местах, где износ провода происходит более
медленно.
В 1961-1962 гг. на некоторых
электрифицированных участках, где эксплуатируются электровозы с пантографами,
полозы которых заправлены сухой графитовой смазкой, была отмечена новая
разновидность износа контактного провода - волнообразный износ. Через равные
интервалы на проводе с таким износом видны небольшие (длиной 5-15 мм) участки с
хорошей полировкой рабочей поверхности, между которыми много кратеров и
наплывов - следов усиленного электрического износа. Расстояние между участками
с хорошей полировкой («длина волны») на разных дорогах различно, однако близко
к 100 или 150 мм. Местный износ провода внутри каждой волны достигает 3 мм
(рис. 8).
В результате специально проведенных
исследований было установлено, что непременными условиями возникновения волнообразного
износа контактного провода являются отсутствие средних пластин полозов при
применении сухой графитовой смазки и наличие значительных местных износов
провода.
Механизм возникновения и развития
волнообразного износа провода в этих условиях довольно прост (рис. 9). В тот
момент, когда полоз при наличии местного износа проходит своей средней частью
через выступ на проводе (положение 1 полоза на рис. 9, а), происходит усиленный
электрический износ провода. Объясняется это тем, что когда полоз, лишенный средних
контактных пластин, проходит по выступу средней частью, заполненной твердой
смазкой, являющейся плохим проводником, медные пластины отходят от контактного
провода и между ними и проводом возникает дуга.
В тот момент, когда с выступом на
проводе начинает контактировать одна из пластин полоза (положение 2 полоза на
рис. 9, а), дуга прекращается и ухудшения состояния поверхности провода не
происходит. Таким образом, на проводе возникают участки с неудовлетворительным
и хорошим состоянием его рабочей поверхности. Расстояние а между участками с
хорошим состоянием рабочей поверхности провода равно расстоянию между
серединами контактных пластин полоза.
Рис. 7. Соединительный зажим
контактного провода
Рис. 8. Контактный провод с
волнообразным износом
Этот процесс прогрессирует (2-я
стадия, рис. 9, б) до тех пор, пока рабочая поверхность провода не станет
волнообразной (рис. 9, в).
Электрический характер волнообразного
износа подтверждается также и тем обстоятельством, что наибольшие величины его
имеют место на подъемах и в зонах трогания электроподвижного состава, т. е.
там, где пантографами снимаются наибольшие тяговые токи.
Изучение износа контактного провода
на других дорогах показало, что при наличии средних пластин и сухой графитовой
смазки полозов волнообразного износа не происходит. Поэтому-основным
мероприятием по предупреждению и прекращению волнообразного износа провода
является устройство на полозах пантографов средних пластин, выполняемых из меди
или графитизированной стали и располагаемых на всей прямолинейной части
полозов.
Рис. 9 Стадии развития
волнообразного износа контактного провода
Последнее требование объясняется тем
обстоятельством, что в типовых полозах средние пластины располагаются на длине
не более 580 мм, в то время как зигзаги контактного провода находятся в
пределах 300-500 мм. При таком соотношении размеров под фиксаторами провод
сходит со средних пластин полоза и условия возникновения волнообразного износа
в этих местах сохраняются. Учитывая, что именно точки фиксации провода являются
очагами местных износов, длину средних пластин полоза следует принять равной
двойному максимальному зигзагу провода, т. е. 1 000 мм.
Другим обязательным мероприятием
должна быть тщательная регулировка контактной подвески и ликвидация условий для
возникновения местных износов.
На участках, где волнообразный износ
провода достиг уже опасной величины, кроме указанных, должны быть приняты меры
по скорейшему «заравниванию» волнообразного износа и при шлифовке провода.
Целесообразна езда при двух поднятых пантографах, когда практически исключены
одновременные отрывы всех контактных пластин обоих пантографов от провода, т.
е. сведен до минимума электрический износ. Эффективно повышение статических
давлений до 11-13 кГ для двухполозных пантографов и до 9--11 кГ для
однополозных.
Наиболее радикальным мероприятием в
этом отношении является переход на широкие (порядка 250 мм) полозы рамной
конструкции (рис. 10), когда никакие неровности рабочей поверхности провода не
могут стать очагом такого износа. Для закладки сухой графитовой смазки на
полозе рамной конструкции предусматриваются специальные карманы.
Общий износ контактного провода возрастает
в период гололеда, вызывающего искрение между проводом и полозом пантографа. О
мерах борьбы с гололедом на проводах изложено ниже, в параграфе «Эксплуатация
контактной сети в тяжелых метеорологических условиях».
Рис. 10. Полоз рамной конструкции: 1
- контактная пластина; 2 - сухая графитовая смазка
4. Общие положения техники
безопасности и организации работ в электроустановках; назвать категории работ в
отношении мер безопасности. Перечислить и пояснить схемами требования
«Инструкции по технике безопасности для электромонтеров контактной сети»
(ЦЭ-761) при заданных условиях работы
Общие положения техники безопасности
и организации работ в электроустановках
При выполнении работ в
электроустановках должны применяться исправные и испытанные средства защиты.
Работающая бригада должна быть ограждена сигналистами по указанию производителя
работ. В тех случаях, когда работа выполняется со снятием напряжения, нужно
помнить, что на участках, электрифицированных на переменном токе, в проводах
контактной сети и ВЛ возникает опасное для жизни наведенное от подвесок
соседних путей напряжение.
К работам в электроустановках
допускаются лица не моложе 18 лет, прошедшие медицинский осмотр,
производственное обучение безопасным методам труда, сдавшие экзамены в
квалификационной комиссии и имеющие удостоверение о проверке знаний по
электробезопасности.
При нахождении на работе
электромонтер обязан иметь при себе удостоверение о проверке знаний с талоном
предупреждения и предъявлять их по первому требованию работников,
осуществляющих контроль за выполнением требований безопасности.
Талон-предупреждение может быть
изъят у работника административно-техническим персоналом за нарушение им
требований безопасности. Проверка знаний у работника после изъятия талона-
предупреждения для выдачи очередного талона производится в двухнедельный срок в
объеме нарушенных разделов «Инструкции по технике безопасности для
электромонтеров контактной сети» (ЦЭ-761).
Электромонтер должен быть обеспечен
по установленным нормам спецодеждой, спецобувью, а также исправными испытанными
защитными и монтажными средствами, сигнальными принадлежностями.
Ответственными за безопасность при
выполнении работ являются:
¬ работник, выдающий
наряд или отдающий распоряжение на производство работ;
¬ дежурный ЭЧЦ,
выдающий приказ на производство работ;
¬ ответственный
руководитель работ;
¬ производитель
работ;
¬ наблюдающий;
¬ члены бригады.
Производитель работ осуществляет
надзор за работающими и несет ответственность за безопасность членов бригады в
процессе выполнения работ. Все технологические операции, в том числе
перемещения членов бригады на месте работы, должны осуществляться только по его
команде.
Наблюдающий несет ответственность за
безопасность работающих и соблюдение ими требований инструкций по безопасному
выполнению работ. При назначении наблюдающим электромонтер обязан вести
неотступный надзор за прикрепленными работающими, требуя от них выполнения мер
безопасности.
Каждый член бригады отвечает за
соблюдение им настоящей Инструкции и местных инструкций, а также указаний,
получаемых при инструктаже. Он должен принимать необходимые меры в случае, если
им будет замечено нарушение, допущенное другими членами бригады. В процессе
работы член бригады должен выполнять указания производителя работ или
наблюдающего.
Опасные места, а также указатели,
постоянные и временные сигнальные знаки, ручные сигналы, применяемые на
контактной сети, приведены в приложениях к «Инструкции по технике безопасности
для электромонтеров контактной сети» (ЦЭ-761):
Опасные места -
К опасным местам на контактной сети
относятся:
F врезные и
секционные изоляторы, отделяющие часто отключаемые и заземляемые пути
погрузки-выгрузки, осмотра крышевого оборудования и т. п.;
F места сближения на
расстояние менее 0,8 м консолей или фиксаторов различных секций перегонов и
станций;
F опоры с анкерными
отходами контактной подвески различных секций и заземленные анкерные отходы,
расстояние от места работы на которых до токоведущих частей менее 0,8 м;
F общие стойки
фиксаторов различных секций двухпутных консолей, перегонов и станций, где
расстояние между фиксаторами менее 0,8 м;
F опоры, где
расположены два и более разъединителя, разрядника;
F прошивающие
контактную подвеску и проходящие над ней на расстоянии менее 0,8 м шлейфы
разъединителей и разрядников с другими потенциалами;
F места прохода
питающих фидеров, отсасывающих и других проводов по тросам гибких поперечин;
F места расположения
электрорепеллентной защиты;
F опоры с роговым
разрядником, на которых смонтирована подвеска одного из путей, а шлейф
разрядника подключен к другому пути.
К опасным местам на ВЛ относятся:
F опоры с совместной
подвеской проводов ВЛ 6, 10 кВ и с напряжением до 1000 В при расстоянии между
ними менее 2 м;
F участки ВЛ в
пролете пересечения двух линий, если пересечение по габаритам выполнено с
отступлением от требований ПУЭ;
F опоры, на которых
установлены два и более разъединителя, две и более кабельные муфты различных
присоединений;
F опоры, на которых
крепятся провода пересекающихся линий напряжением до 1000 В различных
присоединений;
F участки линий
освещения пешеходных мостов, расположенные над контактной сетью, и линии
освещения пассажирских платформ на тросовой подвеске, закрепленной на нижних
фиксирующих тросах поперечин;
F деревянные опоры с
загниванием более допустимого.
Опасные места должны быть обозначены
предупреждающими знаками и плакатами «Внимание! Опасное место».
Указатели, постоянные и временные
сигнальные знаки, ручные сигналы, применяемые на контактной сети. Категории
работ
В отношении мер безопасности работы
подразделяются на выполняемые:
ö со
снятием напряжения и заземлением;
ö под
напряжением (на контактной сети);
ö вблизи
частей, находящихся под напряжением;
ö вдали
от частей, находящихся под напряжением.
При выполнении работы со снятием
напряжения и заземлением в зоне (месте) ее выполнения должно быть снято
напряжение и заземлены те провода и устройства, на которых будет выполняться
эта работа (рис.).
Рис. 5
Приближение работника
непосредственно или через инструмент, приспособление к проводам (в том числе и
по поддерживающим конструкциям), находящимся под рабочим или наведенным
напряжением, а также к нейтральным элементам на расстояние менее 0,8 м
запрещено. Если в процессе выполнения работы на отключенных и заземленных
проводах необходимо приблизиться к нейтральным элементам, то они должны быть
заземлены.
При выполнении работы под
напряжением провода и оборудование в зоне (месте) работы находятся под рабочим
или наведенным напряжением. Безопасность работающих должна обеспечиваться
применением средств защиты (изолирующих вышек, изолирующих рабочих площадок
дрезин и автомотрис, изолирующих штанг и др.) и специальными мерами
(завешиванием стационарных и переносных шунтирующих штанг, шунтирующих
перемычек и др.) (рис. 6).
Приближение к заземленным и
нейтральным частям на расстояние менее 0,8 м запрещено.
При выполнении работы вблизи частей,
находящихся под напряжением, работающему, расположенному в зоне (месте) работы
на постоянно заземленной конструкции, по условиям работы необходимо
приближаться самому или через неизолированный инструмент к опасным элементам (в
том числе к проводам осветительной сети) на расстояние менее 2 м. Приближение к
опасным элементам на расстояние менее 0,8 мзапрещено (рис. 7).
При выполнении работы вдали от
частей, находящихся под напряжением, работающему в зоне (месте) работы нет
необходимости и запрещено, работая на земле или постоянно заземленной
конструкции, приближаться к опасным элементам на расстояние менее 2 м (рис. 8).
Рис. 6
Рис. 7
Рис. 8.
При выполнении комбинированных работ
требуется соблюдать организационные и технические меры, соответствующие каждой
из категорий, входящих в эту работу.. Общие требования безопасности при
работах на контактной сети. Работа на высоте. Общие требования
безопасности при работах на контактной сети
Контактная сеть считается под
напряжением с момента первой подачи в неё напряжения. С момента подачи в
контактную сеть напряжения все переключения на контактной сети, а также подача
и снятие с неё напряжения должны производиться только по приказу электродиспетчера,
оформляемому в установленном порядке.
В каждой работающей на контактной
сети группе должен иметься руководитель, отвечающий за безопасность работающих
под его руководством лиц и за безопасность движения поездов по месту
производства работ.
Руководитель работы должен иметь при
себе схему секционирования контактной сети.
Каждый раз перед окончанием работы
руководитель работ должен привести контактную сеть в состояние, обеспечивающее
безопасность следования поездов по месту работ с установленной графиком
движения скоростью и безопасность посторонних лиц и обслуживающего персонала.
Работники, производящие работы на
контактной сети, обязаны беспрекословно выполнять все распоряжения руководителя
работ и приступать к работе на сети не раньше, чем руководитель работ даст на
это своё разрешение.
Все работы на высоте могут
производиться только в присутствии поблизости от места работ (не далее одного
мачтового пролёта) второго работника. Работы на высоте без предохранительных
поясов воспрещаются.
Во время работы работающие должны
закрепляться карабином или цепью предохранительного пояса за опоры или за
окончательно закреплённые тросы и провода.
При передвижении по вспомогательным,
фиксирующим или несущим тросам обязательно закрепление цепью предохранительного
пояса к одному из тросов.
При работе вблизи проводов или
деталей контактной сети, находящихся под напряжением, работники должны
находиться от них на расстоянии не менее 2 м. Руководитель работ должен
постоянно при этом следить, чтобы работники его группы не могли случайно
прикоснуться верёвкой, проволокой, тросом и другими предметами к проводам и
деталям контактной сети, находящимся под напряжением.
С разрешения в каждом отдельном
случае начальника дистанции контактной сети или его заместителя (мастера дистанции)
в светлое время суток допускается производство работ на расстояние меньше 2 м,
но не менее 0,8 м от частей, находящихся под напряжением.
При работе вблизи частей,
находящихся под напряжением, каждая работающая группа должна иметь заземляющую
штангу, причём башмак её должен быть присоединён к рельсу.
Для производства работ без снятия
напряжения с сети на деревянных опорах, не имеющих специальных заземлений, при
наличии оттяжки необходимо до начала работ проверить исправность изоляторов.
Для этого крюком заземляющей штанги, с присоединённым к рельсу заземляющим
проводом, прикасаются поочерёдно к арматуре, связанной с изоляторами (консоль,
кронштейны, крепительные уголки и т. п.). После этого штанга завешивается на
тот элемент арматуры, где будет производиться работа, и оставляется на месте
работ. При этом штанга может быть заменена медным заземляющим проводом,
сечением не менее 50 мм2 со специальными зажимами на концах.
При производстве работ, не
препятствующих проходу поездов, провода, натяжные приспособления, верёвки,
проволока и т. п. не должны выступать за пределы габарита приближения строений
к пути.
При производстве на путях работ,
препятствующих проходу поездов, место работ должно быть ограждено сигналами в
соответствии с требованиями ПТЭ и Инструкции по сигнализации.
При производстве на путях работ, не
препятствующих движению поездов, руководитель работ лично и через особо
выделенных специалистов обязан следить за поездами, подходящими к месту работ с
обеих сторон.
При приближении поезда руководитель
работ заблаговременно даёт распоряжение всем работающим об уходе с пути на
ближайшую обочину земляного полотна, не ближе 2 м от рельса на перегоне, или на
соседнее междупутье - на станции.
Если условия работы не обеспечивают
достаточной видимости и надёжной связи сигналистов с работающей группой людей,
руководителем работ должны быть выставлены дополнительно промежуточные
сигналисты. В особо трудных условиях, например, при работе с лейтера на больших
мостах, в тоннелях и скальных выемках большой протяжённости, сигналисты
выставляются на такие расстояния от места работ, чтобы с момента предупреждения
о подходе поезда обеспечивалось достаточное время для работающей группы
монтёров прекратить работу и выйти с лейтером и другими приспособлениями на
безопасное место. В случае надобности между удалёнными сигналистами и
работающей группой устанавливается телефонная связь при помощи переносных
телефонов.
Работа на проводах высокого или
низкого напряжения, пересекающих контактную сеть или проходящих на расстоянии
менее 4 м от частей контактной сети, находящихся под напряжением, допускается
только с разрешения электродиспетчера при условии снятия напряжения с
контактной сети и её заземления. Работа может производиться только под
наблюдением специально выделенного работника контактной сети.
Работа на контактной сети во время
грозы воспрещается.
Каждая отдельно работающая на
контактной сети группа должна иметь при себе аптечку, предохранительные пояса,
необходимые сигналы, а при работе вблизи от находящихся под напряжением частей
- также резиновые перчатки и заземляющую штангу, а в зависимости от местных
условий и переносный телефо
Все применяемые при производстве
работ на контактной сети монтажные и предохранительные приспособления должны
периодически в установленные сроки освидетельствоваться и испытываться по
действующим нормам.
Основные монтажные и
предохранительные приспособления: монтажные вагоны, вышки, лейтеры, лестницы,
лебёдки, полиспасты, предохранительные пояса, когти, шунтирующие и заземляющие
штанги, резиновые перчатки и боты, должны иметь присвоенные им номера и должны
быть занесены в хранящиеся у начальников дистанций или у производителей работ
книги, в которых должны фиксироваться даты и результаты производящихся
освидетельствований и испытаний монтажных приспособлений. Каждый раз перед
началом работы все монтажные и предохранительные приспособления должны
осматриваться лично непосредственным руководителем работы.
Пользоваться монтажными и
предохранительными приспособлениями с просроченными сроками испытания и
освидетельствования не допускается.
Работы на высоте
Работами на высоте считаются все
работы, выполняемые с подъемом от уровня земли до ног работающего на высоту 1 м
и более. Эти работы могут быть отнесены к различным категориям в зависимости от
конкретных условий.
Запрещено подниматься на деревянную
опору без проверки ее на загнивание.
Перед подъемом на опоры, на
поддерживающие конструкции и провода электромонтер должен визуально проверить
их исправное состояние, а также наличие заземления. Искровой промежуток или
диодный заземлитель необходимо предварительно закоротить шунтирующей перемычкой
сечением по меди не менее 50 мм
Подъем должен осуществляться с
полевой стороны опоры, а при наличии на опоре проводов контактной сети и ВЛ - с
боковых сторон.
Работу следует выполнять с
применением предохранительного пояса. Прикрепляться карабином или стропом
предохранительного пояса необходимо за опору, ригель, тросы, провода и другие
надежно закрепленные конструкции. При этом прикрепляться следует так, чтобы
исключалась возможность приближения работающего, даже в случае падения, к
электроопасным элементам на расстояние менее установленного категорией работы.
При закреплении карабином на полную длину стропа точка закрепления должна
находиться не ниже уровня груди работающего.
При инструктаже и во время работы
руководитель работ должен заранее указывать электромонтеру места закрепления
карабина или стропа предохранительного пояса.
Расстегивать карабин для крепления
его на новом месте можно только тогда, когда есть надежная опора в трех точках,
т. е. для двух ног и руки.
Запрещено снимать предохранительный
пояс до полного спуска на землю.
Работу следует выполнять в тщательно
заправленной одежде. Подошвы обуви должны обеспечивать надежное сцепление (не
скользить) при передвижении по конструкциям, ступеням лестниц.
Запрещается работать одновременно в
нескольких ярусах по одной вертикали, а также находиться на земле
непосредственно под работающими.
Лица, которым в случае
производственной необходимости приходится кратковременно находиться
непосредственно под работающим на высоте, должны соблюдать особую осторожность.
При установке опоры контактной сети,
монтаже консолей или кронштейнов электромонтерам запрещено находиться под
незакрепленной, подвешенной на полиспастах или под перемещаемой конструкцией.
Запрещается бросать инструмент или
материалы работающему наверху. Их следует подавать, поднимаясь по лестнице, или
с помощью веревки.
Подавать наверх и спускать вниз
приспособления, детали и конструкции массой до 25 кг разрешается при помощи
«удочки», а свыше 25 кг - полиспастом. Во избежание раскачивания поднимаемого
груза работник, находящийся внизу, должен оттягивать его свободным концом
веревки.
Запрещено прикреплять веревки,
предназначенные для подъема грузов, непосредственно к работающему на высоте.
Для подъема на опору могут
использоваться специальные «когти», лазы, а также лестницы.
Перед подъемом с помощью «когтей»
или лазов следует надежно закрепить их на ногах и стропом предохранительного
пояса охватить стойку опоры.
При работе «когти» или лазы
необходимо устанавливать так, чтобы они были нагружены равномерно. Если лазы
или «когти» являются единственным средством подъема на опору, то в бригаде их
должно быть не менее двух комплектов.
В бригаде должно быть не менее двух
предохранительных поясов.
Список использованной литературы и
источников
1. Горошков Ю.И., Бондарев Н.А. Контактная сеть: Учебник для
техникумов. - 3-е изд., перераб. и доп. - М.: Транспорт, 1990. - 399 с.
2. Михеев В.П. Контактные сети и линии электропередачи:
Учебник для вузов ж.д. транспорта. - М.: Маршрут, 2003. - 416 с.
. Фрайфельд А.В., Брод Г.Н. Проектирование контактной сети.
3-е изд., перераб. и доп. - М.: Транспорт, 1991. - 335 с.
. Дворовчикова Т.В., Зимакова А.Н. Электроснабжение и
контактная сеть электрифицированных железных дорог: Пособие по дипломному
проектированию: Учебное пособие для техникумов ж.д. трансп. - М.: Транспорт,
1989. - 166 с.
. Долдин В.М. (под ред.). Реконструкция и модернизация
контактной сети и воз душных линий. Узлы и конструкции. Учебное
иллюстрированное пособие, 2009 - 168 с.
. Соколов Н.Л. Контактная сеть: Учебное иллюстрированное
пособие для студентов техникумов, колледжей и учащихся образовательных
учреждений ж.д. транспорта, осуществляющих начальную профессиональную
подготовку. - М.: Маршрут, 2003. - 50 с.
7. Бондарев Н.А. Чекулаев В.Е. Контактная сеть: Учебник для
студентов техникумов и колледжей ж.д. транспорта. - М.: Маршрут, 2006. - 590 с.
8. ЦЗ-197. «Правила устройства и технической эксплуатации
контактной сети электрифицированных железных дорог».- М.: Транспорт, 1994.-118
с.
. ЦЭ-750 «Правила безопасности при эксплуатации контактной
сети и устройств элетроснабжения автоблокировки железных дорог» от 05.04.2000
г.
. ЦЭ-346 «Правила электробезопасности для работников
железнодорожного транспорта на электрифицированных железных дорогах» от
22.09.1995 г.
. ЦЭ-761 «Инструкция по безопасности для электромонтеров
контактной сети» от 15.06.2000 г.(в ред. 2003 г) _ М.: «Издательство НЦ ЭНАС»,
2012
. Федеральный закон о железнодорожном транспорте в
Российской Федерации от 10 января 2003 г. № 17-фз (извлечения). Раздел 3.
Охрана труда на железнодорожном транспорте