Расчет участка контактной сети станции и перегона

  • Вид работы:
    Курсовая работа (т)
  • Предмет:
    Транспорт, грузоперевозки
  • Язык:
    Русский
    ,
    Формат файла:
    MS Word
    388,8 Кб
  • Опубликовано:
    2012-07-31
Вы можете узнать стоимость помощи в написании студенческой работы.
Помощь в написании работы, которую точно примут!

Расчет участка контактной сети станции и перегона




 

 

 

 

 

 

КУРСОВОЙ ПРОЕКТ

Дисциплина:

Контактные сети

Тема:

Расчет участка контактной сети станции и перегона


Содержание

Технические данные

Введение

1. Определение нагрузок, действующих на провода контактной сети

1.1 Расчет нагрузок на главных путях станции

1.2 Расчет нагрузок на боковых путях станции

.3 Расчет нагрузок на перегоне на насыпи высотой 7 м

1.4 Расчет нагрузок на открытом ровном месте

2. Расчет длин пролетов

2.1 Расчет длин пролетов на главных путях станции

.2 Расчет длин пролетов на боковых путях станции

2.3 Расчет длин пролетов на насыпи

.4 Расчет длин пролетов на открытом ровном месте

.5 Расчет длин пролетов на кривой радиусом R1=600м

.6 Расчет длин пролетов на кривой радиусом R2=850м

2.7 Расчет длин пролетов на кривой радиусом R3=1000м

3. Расчет станционного анкерного участка полукомпенсированной цепной подвески

3.1 Определение длины эквивалентного пролета

3.2 Натяжение нагруженного н/т без дополнительных нагрузок

.3 Расчет н/т при режимах с дополнительными нагрузками

4. Порядок составления плана станции и перегона

4.1 Порядок составления плана станции

.2 Порядок составления плана перегона

Список используемой литературы

Технические данные

2-я цифра

Несущий трос

Контактный провод

Род тока

6

ПБСМ-70

МФ-100

Переменный


Характеристика метеоусловий



1-я цифра

Низшая температура

Высшая температура

Ветровой район

Толщина стенки гололёда

0

-30

+40

3

15 мм



Пикетаж перегона

Входной сигнал заданной станции

23км; 7+54

Начало кривой (центр слева) R=600 м

24км; 0+Г

Конец кривой

4+29

Ось каменной трубы с отверстием 1,1м

5+08

Начало кривой (центр справа) R=850 м

5+38

Конец кривой

25км; 4+20

Мост через реку с ездой по низу - ось моста

5+85

Длина моста

140

Ось железобетонной трубы с отверстием 3,5 м

6+92

Начало кривой R=1000 м (центр слева)

7+15

Конец кривой

26км; 2+28

Входной сигнал следующей станции

27км; 1+64

Ось переезда шириной 6 м

2+15

Первая стрелка следующей станции

3+61


Введение

Организация проектирования

К устройствам контактной сети относятся все провода контактных подвесок, поддерживающие и фиксирующие конструкции, опоры с деталями для крепления в грунте, к устройствам воздушных линий - провода различных линий (питающих, отсасывающих, для электроснабжения автоблокировки и прочих нетяговых потребителей и др.) и конструкции для их крепления на опорах.

Устройства контактной сети и воздушных линий, подвергаясь воздействиям различных климатических факторов (значительные перепады температур, сильные ветры, гололедные образования), должны успешно им противостоять, обеспечивая бесперебойное движение поездов с установленными весовыми нормами, скоростями и интервалами между поездами при требуемых размерах движения. Кроме того, в условиях эксплуатации возможны обрывы проводов, удары токоприемников и другие воздействия, которые также нужно учитывать в процессе проектирования.

Контактная сеть не имеет резерва, что обуславливает повышенные требования к качеству ее проектирования.

При проектировании контактной сети в разделе проекта электрификации железнодорожного участка устанавливают:

·   расчетные условия - климатические и инженерно-геологические;

·   тип контактной подвески (все расчеты по определению необходимой площади сечения проводов контактной сети выполняют в разделе электроснабжения проекта);

·   длину пролетов между опорами контактной сети на всех участках трассы;

·   типы опор, способы их закрепления в грунте и типы фундаментов для тех опор, которым они необходимы;

·   виды поддерживающих и фиксирующих конструкций;

·   схемы питания и секционирования;

·   объемы работ по установке опор на перегонах и станциях;

·   основные положения по организации строительства и эксплуатации.

Схема питания и секционирования участка контактной сети

1. Расчет нагрузок на провода цепной подвески

.1 Расчет нагрузок на главных путях станции

Контактная подвеска состоит из проводов: ПБСМ-70+МФ100

.1.1 Определяем вес проводов

gпров.=gк/п+gн/т+gстр.и заж., даН/м(1)

где: gк/п- вес контактного провода, МФ- 100 gк/п=0,89 даН/м.н/т- вес несущего троса, ПБСМ-70 gн/т=0,606 даН/м.

gстр.и заж.- вес струн и зажимов gстр.и заж.=0,05 даН/м.

gпров.=0,89+0,606+0,05=1,546 даН/м

.1.2 Определяем вес гололеда

.1.2.1 Определяем стенку гололеда на несущем тросе.

bр=bн*kг'*kг", мм(1)

где: bн- нормативная стенка гололеда, мм. По исходным данным bн=10 мм.

kг'- коэффициент учитывающий диаметр провода, мм.

Для несущего троса диаметром 11,0 мм kг'=0,99

kг"- коэффициент учитывающий высоту насыпи на которой расположена подвеска.

Для главных путей станции kг"=0,8

bр=10*0,99*0,8=7,92 мм

.1.2.2 Определяем стенку гололеда на контактном проводе.

bр к/п=0,5*bр, мм(1)

bр к/п=0,5*7,92= 3,96 мм

.1.2.3 Определяем вес гололеда на несущем тросе.

gгт=0,0009*π*bр*(dт+bр), даН/м(1)

где: bр- расчетная стенка гололеда на несущем тросе, мм.

dт- диаметр несущего троса, мм.

gгт=0,0009*π*7,92*(11+7,92)=0,4267 даН/м

.1.2.4 Определяем вес гололеда на контактном проводе.

gгк=0,0009*π*bк*(dк+bк), даН/м(1)

где: bк- расчетная стенка гололеда на контактном проводе, мм

dк- диаметр контактного провода, мм.

Диаметр контактного провода определяется по формуле

dк=, мм

где: А=11,8 мм Н=12,81 мм

dк==12,3 мм

gгк=0,0009*3,14*3,96*(12,3+3,96)=0,182 даН/м

1.1.3 Определяем расчетную скорость ветра

Uр=Uн*kв, м/с(1)

где: Uн- нормативная скорость ветра, м/с. По исходным данным Uн=22 м/с.

kв- коэффициент учитывающий высоту насыпи на которой расположена подвеска. kв=1

Uр=22*1=22 м/с

.1.4 Определяем ветровую нагрузку на несущий трос в режиме максимального ветра

РUmaxх, даН/м(1)

где: Сх- аэродинамический коэффициент сопротивления проводов. Для ПБСМ-70 Сх=1,15

dт- диаметр несущего троса, мм.

Uр- расчетная скорость ветра, м/с

РUmaxт=1,15=0,383 даН/м

.1.5 Определяем ветровую нагрузку на контактный провод в режиме максимального ветра

РUмахкх, даН/м(1)

где: Сх- аэродинамический коэффициент сопротивления проводов. Для МФ-100 Сх=1,25

dт- диаметр контактного провода, мм.

Uр- расчетная скорость ветра, м/с

РUмахк=1,25=0,465 даН/м

.1.6 Определяем нагрузку на несущий трос в режиме гололеда с ветром.

Ргтх, даН/м(1)

где: dт- диаметр несущего троса, мм.

bр- расчетная стенка гололеда, мм.

Uг- скорость ветра при гололеде, м/с

Uг =0,6*22=13,2 м/с

Ргт==0,336 даН/м

.1.7 Определяем нагрузку на контактный провод в режиме гололеда с ветром

Ргкх, даН/м(1)

где: dк- диаметр контактного провода, мм.

bр- расчетная стенка гололеда, мм.

Uг- скорость ветра при гололеде, м/с.

Ргк=1,25=0,275 даН/м

.1.8 Определяем результирующую нагрузку в режиме максимального ветра

gтumax=, даН/м(1)

где: gпр- вес проводов, даН/м.

РUмах- нагрузка на несущий трос в режиме максимального ветра, даН/м.

gUmax=√1,5462+0,3832=1,593 даН/м

.1.9 Определяем результирующую нагрузку в режиме гололеда с ветром

gUг=√(gпр+gгт+gгк)2тг2, даН/м(1)

где: gпр- вес проводов, даН/м.

gг- вес гололеда,

Ртг- нагрузка на несущий трос в режиме гололеда с ветром, даН/м

gUг=√(1,546+0,182+0,4267)2+0,3362=2,18 даН/м

1.2 Расчет нагрузок на боковых путях станции

Контактная подвеска состоит из проводов: ПБСМ-70+МФ85

1.2.1 Определяем вес проводов

gпров.=gк/п+gн/т+gстр.и заж., даН/м(1)

где: gк/п- вес контактного провода МФ- 85 gк/п=0,755 даН/м.н/т- вес несущего троса ПБСМ-70 gн/т=0,606 даН/м.

gстр.и заж.- вес струн и зажимов gстр.и заж.=0,05 даН/м.

gпров.=0,755+0,606+0,05=1,411 даН/м

.2.2 Определяем вес гололеда

.2.2.1 Определяем стенку гололеда на несущем тросе

bр=bн*kг'*kг", мм(1)

где: bн- нормативная стенка гололеда, мм. По исходным данным bн=10 мм.

kг'- коэффициент учитывающий диаметр провода, мм.

Для несущего троса диаметром 11,0 мм kг'=0,99

kг"- коэффициент учитывающий высоту насыпи на которой расположена подвеска. Для боковых путей станции kг"=0,8.

bр=10*0,99*0,8=7,92 мм

.2.2.2 Определяем стенку гололеда на контактном проводе

bр к/п=0,5*bр, мм(1)

bр к/п=0,5*7,92=3,96 мм

1.2.2.3 Определяем вес гололеда на несущем тросе

gгт=0,0009*π*bр*(dт+bр), даН/м(1)

где: bр- расчетная стенка гололеда на несущем тросе, мм.

dт- диаметр несущего троса, мм.

gгт=0,0009*π*7,92*(11+7,92)=0,4267 даН/м

.2.2.4 Определяем вес гололеда на контактном проводе

gгк=0,0009*π*bк*(dк+bк), даН/м(1)

где: bк- расчетная стенка гололеда на контактном проводе, мм

dк- диаметр контактного провода, мм.

Диаметр контактного провода определяется по формуле.

dк =, мм (1) где: А=10,8 мм Н=11,76 мм

dк==11,28 мм

gгк=0,0009*3,14*3,92*(11,28+3,96)=0,17 даН/м

.2.3 Определяем расчетную скорость ветра

Uр=Uн*kв, м/с(1)

где: Uн- нормативная скорость ветра, м/с. По исходным данным Uн=22 м/с.

kв- коэффициент учитывающий высоту насыпи на которой расположена подвеска kв=1

Uр=22*1=22 м/с

.2.4 Определяем ветровую нагрузку на несущий трос в режиме максимального ветра

РUmaxх, даН/м(1)

где: Сх- аэродинамический коэффициент сопротивления проводов. Для ПБСМ-70 Сх=1,15

dт- диаметр несущего троса, мм.

Uр- расчетная скорость ветра, м/с

РUmaxт=1,15=0,383 даН/м

.2.5 Определяем ветровую нагрузку на контактный провод в режиме максимального ветра

РUмахкх, даН/м(1)

где: Сх- аэродинамический коэффициент сопротивления проводов. Для МФ-85 Сх=1,25

dт- диаметр контактного провода, мм.

Uр- расчетная скорость ветра, м/с

РUмахк=1,25=0,4265 даН/м

.2.6 Определяем нагрузку на несущий трос в режиме гололеда с ветром

Ргтх, даН/м(1)

где: Сх- аэродинамический коэффициент сопротивления проводов. Для ПБСМ-70 Сх=1,15

dт- диаметр несущего троса, мм.

bр- расчетная стенка гололеда, мм.

Uг- скорость ветра при гололеде, м/с

Ргт==0,336 даН/м

.2.7 Определяем нагрузку на контактный провод в режиме гололеда с ветром

Ргкх, даН/м(1)

где: Сх- аэродинамический коэффициент сопротивления проводов. Для МФ-85 Сх=1,25

dк- диаметр контактного провода, мм.

bр- расчетная стенка гололеда, мм.

Uг- скорость ветра при гололеде, м/с.

Ргк=1,25=0,2614 даН/м

1.2.8 Определяем результирующую нагрузку в режиме максимального ветра

gтumax=, даН/м(1)

где: gпр- вес проводов, даН/м.

РUмах- нагрузка на несущий трос в режиме максимального ветра, даН/м.

gUmax=√1,4112+0,3832=1,462 даН/м

.2.9 Определяем результирующую нагрузку в режиме гололеда с ветром

gUг=√(gпр+gг)2тг2, даН/м(1)

где: gпр- вес проводов, даН/м.

gг- вес гололеда, даН/м

Ртг- нагрузка на несущий трос в режиме гололеда с ветром, даН/м

gUг=√(1,411+0,17+0,4267)2+0,3362=2,0356 даН/м

1.3 Расчет нагрузок на перегоне на насыпи высотой 7 м

Контактная подвеска состоит из проводов: ПБСМ-70+МФ100

1.3.1 Определяем вес проводов

gпров.=gк/п+gн/т+gстр.и заж. , даН/м(1)

где: gк/п- вес контактного провода МФ- 100 gк/п=0,89 даН/м.н/т- вес несущего троса ПБСМ-70 gн/т=0,606 даН/м.

gстр.и заж.- вес струн и зажимов gстр.и заж.=0,05 даН/м.

gпров.=0,89+0,606+0,05=1,546 даН/м

.3.2 Определяем вес гололеда

.3.2.1 Определяем стенку гололеда на несущем тросе.

bр=bн*kг'*kг", мм(1)

где: bн- нормативная стенка гололеда, мм. По исходным данным bн=15 мм.

kг'- коэффициент учитывающий диаметр провода, мм.

Для несущего троса диаметром 11,0 мм kг'=0,99

kг"- коэффициент учитывающий высоту насыпи на которой расположена подвеска. Для насыпи высотой более 5м kг"=1,08.

bр=15*0,99*1,08=16,038 мм

.3.2.2 Определяем стенку гололеда на контактном проводе.

bр к/п=0,5*bр, мм(1)

bр к/п=0,5*16,03=8,019 мм

.3.2.3 Определяем вес гололеда на несущем тросе.

gгт=0,0009*π*bр*(dт+bр), даН/м(1)

где: bр- расчетная стенка гололеда на несущем тросе, мм.

dт- диаметр несущего троса, мм.

gгт=0,0009*π*16,03*(11+16,03)=1,226 даН/м

.3.2.4 Определяем вес гололеда на контактном проводе.

gгк=0,0009*π*bк*(dк+bк), даН/м(1)

где: bк- расчетная стенка гололеда на контактном проводе, мм

dк- диаметр контактного провода, мм.

Диаметр контактного провода определяется по формуле

dк=, мм

где: А=11,8 мм Н=12,81 мм

dк==12,3 мм

gгк=0,0009*3,14*8,02*(12,3+8,019)=0,4607 даН/м

.3.3 Определяем расчетную скорость ветра

Uр=Uн*kв, м/с(1)

где: Uн- нормативная скорость ветра, м/с. По исходным данным Uн=25м/с.

kв- коэффиент учитывающий высоту насыпи на которой расположена подвеска. kв=1,2

Uр=25*1,2=30 м/с

1.3.4 Определяем ветровую нагрузку на несущий трос в режиме максимального ветра

РUmaxх, даН/м(1)

где: Сх- аэродинамический коэффициент сопротивления проводов. Для несущего троса Сх=1,15

dт- диаметр несущего троса, мм.

Uр- расчетная скорость ветра, м/с

РUmaxт=1,15=0,7116 даН/м

.3.5 Определяем ветровую нагрузку на контактный провод в режиме максимального ветра.

РUмахкх, даН/м(1)

где: Сх- аэродинамический коэффициент сопротивления проводов. Для контактного провода Сх=1,25

dт- диаметр контактного провода, мм.

Uр- расчетная скорость ветра, м/с

РUмахк=1,25=0,865 даН/м

1.3.6 Определяем нагрузку на несущий трос в режиме гололеда с ветром

Ргтх, даН/м(1)

где: Сх- аэродинамический коэффициент сопротивления проводов. Для несущего троса Сх=1,15

dт- диаметр несущего троса, мм.

bр- расчетная стенка гололеда, мм.

Uг- скорость ветра при гололеде, м/с

Ргт==0,6966 даН/м

.3.7 Определяем нагрузку на контактный провод в режиме гололеда с ветром

Ргк = Сх, даН/м(1)

где: Сх - аэродинамический коэффициент сопротивления проводов. Для контактного провода Сх=1,25

dк - диаметр контактного провода, мм.

bр - расчетная стенка гололеда, мм.

Uг - скорость ветра при гололеде, м/с.

Ргк=1,25=0,322 даН/м

1.3.8 Определяем результирующую нагрузку в режиме максимального ветра

gтumax=, даН/м(1)

где: gпр- вес проводов, даН/м.

РUмах- нагрузка на несущий трос в режиме максимального ветра, даН/м.

gUmax=√1,5462+0,71162=1,702 даН/м

.3.9 Определяем результирующую нагрузку в режиме гололеда с ветром.

gUг=√(gпр + gг)2тг, даН/м(1)

где: gпр- вес проводов, даН/м.

gг- вес гололеда, даН/м

Ртг- нагрузка на несущий трос в режиме гололеда с ветром, даН/м

gUг =√(1,55+1,226+0,4607)2+0,69662=3,3 даН/м

.4 Расчет нагрузок на открытом ровном месте

Контактная подвеска состоит из проводов: ПБСМ-70+МФ100

.4.1 Определяем вес проводов

gпров.=gк/п+gн/т+gстр.и заж. , даН/м(1)

где: gк/п- вес контактного провода МФ- 100 gк/п=0,89 даН/м.н/т- вес несущего троса ПБСМ-70 gн/т=0,606 даН/м.

gстр.и заж.- вес струн и зажимов gстр.и заж.=0,05 даН/м.

gпров.=0,89+0,606+0,05=1,546 даН/м

.4.2 Определяем вес гололеда

.4.2.1 Определяем стенку гололеда на несущем тросе

bр=bн*kг'*kг", мм(1)

где: bн- нормативная стенка гололеда, мм. По исходным данным bн=15 мм.

kг'- коэффициент учитывающий диаметр провода, мм. Для ПБСМ-70 kг'=0,99

kг"- коэффициент учитывающий высоту насыпи на которой расположена подвеска. Для открытого ровного места kг"=1,08

bр=15*0,99*1,08=16,038 мм

.4.2.2 Определяем стенку гололеда на контактном проводе

bр к/п=0,5*bр, мм(1)

bр к/п=0,5*16,038=8,019 мм

.4.2.3 Определяем вес гололеда на несущем тросе

gгт=0,0009*π*bр*(dт+bр), даН/м(1)

где: bр- расчетная стенка гололеда на несущем тросе, мм.

dт- диаметр несущего троса, мм.

gгт=0,0009*π*16,03*(11+16,03)=1,226 даН/м

.4.2.4 Определяем вес гололеда на контактном проводе

gгк=0,0009*π*bк*(dк+bк), даН/м(1)

где: bк- расчетная стенка гололеда на контактном проводе, мм

dк- диаметр контактного провода, мм.

Диаметр контактного провода определяется по формуле

dк=, мм

где: А=11,8 мм Н=12,8 мм

dк==12,3 мм

gгк=0,0009*3,14*8,019*(12,3+8,019)=0,4607даН/м

.4.3 Определяем расчетную скорость ветра

Uр=Uн*kв, м/с(1)

где: Uн- нормативная скорость ветра, м/с. По исходным данным Uн=25 м/с.

kв- коэффициент учитывающий высоту насыпи на которой расположена подвеска.. kв=1,15

Uр=25*1,15=28,75 м/с


РUmaxх, даН/м(1)

где: Сх- аэродинамический коэффициент сопротивления проводов. Для несущего троса Сх=1,15

dт- диаметр несущего троса, мм.

Uр- расчетная скорость ветра, м/с

РUmaxт=1,15=0,6535 даН/м

.4.5 Определяем ветровую нагрузку на контактный провод в режиме максимального ветра

РUмахкх, даН/м(1)

где: Сх- аэродинамический коэффициент сопротивления проводов. Для МФ-100 Сх=1,25

dт- диаметр контактного провода, мм.

Uр- расчетная скорость ветра, м/с

РUмахк=1,25=0,7943 даН/м

1.4.6 Определяем нагрузку на несущий трос в режиме гололеда с ветром

Ргтх, даН/м(1)

где: Сх- аэродинамический коэффициент сопротивления проводов. Для несущего троса Сх=1,15

dт- диаметр несущего троса, мм.

bр- расчетная стенка гололеда, мм.

Uг- скорость ветра при гололеде, м/с

Ргт==0,4838 даН/м

.4.7 Определяем нагрузку на контактный провод в режиме гололеда с ветром

Ргкх, даН/м(1)

где: Сх - аэродинамический коэффициент сопротивления проводов. Для МФ-100 Сх=1,25

dк - диаметр контактного провода, мм.

bр - расчетная стенка гололеда, мм.

Uг - скорость ветра при гололеде, м/с.

Ргк=1,25=0,346 даН/м

1.4.8 Определяем результирующую нагрузку в режиме максимального ветра

gтumax=, даН/м(1)

где: gпр- вес проводов, даН/м.

РUмах- нагрузка на несущий трос в режиме максимального ветра, даН/м.

gUmax=√1,5462+0,65352=1,678 даН/м

.4.9 Определяем результирующую нагрузку в режиме гололеда с ветром

gUг=√(gпр+gг)2тг2, даН/м(1)

где: gпр- вес проводов, даН/м.

gг- вес гололеда, даН/м

Ртг- нагрузка на несущий трос в режиме гололеда с ветром, даН/м

gUг=√(1,546+1,226+0,4607)2+0,48382=3,27 даН/м

2. Расчет длин пролетов

2.1 Расчет длин пролетов на главных путях станции

.1.1 Определяем длину пролета с Рэ=0

Lмах=2, м.

где: К - натяжение контактного провода МФ-100 К=1000 даН/м

Рк - ветровая нагрузка на контактный провод для расчетного режима.

bкдоп - максимальный вынос контактного провода в середине пролета, м.

γк - прогиб опоры на уровне крепления контактного провода, м

Для расчетного режима γк=0,015 м.

А - величина зигзага, м. а=0,3м

Lмах=2*=112,2м

.1.2 Определяем Рэ

Рэ=, даН/м(1)

где: Рк- ветровая нагрузка на контактный провод для расчетного режима, даН/м

Рт- ветровая нагрузка на несущий трос для расчетного режима, даН/м.

Т- натяжение несущего троса, даН. Для ПБСМ-70 Т=1600 даН

К- натяжение контактного провода, даН. Для МФ-100 К=1000 даН

hи - высота гирлянды изоляторов, м. Для неизолированной консоли hи=0,76

gт - результирующая нагрузка в режиме максимального ветра, даН/м.

γт - прогиб опоры на уровне крепления несущего троса, м. Для расчетного режима γт=0,022 м.

γк - прогиб опоры на уровне крепления контактного провода, м. Для расчетного режима γк=0,015м.

gк - вес контактного провода. Для МФ-100 gк=0,89 даН/м.

С - длина струны, м.

2.1.2.1 Определяем длину струны

С=h-0,115, м

где: h- конструктивная высота подвески, м. По исходным данным h=2 м

gпр- вес проводов, даН/м.

L- длина пролета, м.

То- натяжение несущего троса в беспровесном положении, даН.

С=2-0,115=1,32м

Рэ==(-0,043)даН/м

.1.3 Определяем длину пролета с учетом Рэ

Lмах=2, м.

Lмах=2=104м

2.2 Расчет длин пролетов на боковых путях станции

.2.1 Определяем длину пролета с Рэ=0

Lмах=2, м.

где: К - натяжение контактного провода, даН/м Для контактного провода МФ-85 К=850 даН/м

Рк - ветровая нагрузка на контактный провод для расчетного режима.

bкдоп - максимальный вынос контактного провода в середине пролета, м.

γк - прогиб опоры на уровне крепления контактного провода, м

Для расчетного режима γк=0,015 м.

А - величина зигзага, м. а=0,3м

Lмах=2*=106 м

.2.2 Определяем Рэ

Рэ=, даН/м(1)

где: Рк- ветровая нагрузка на контактный провод для расчетного режима, даН/м

Рт- ветровая нагрузка на несущий трос для расчетного режима, даН/м.

Т - натяжение несущего троса, даН. Для ПБСМ-70 Т=1600 даН

К - натяжение контактного провода, даН. Для МФ-85 К=850 даН

hи - высота гирлянды изоляторов, м. Для неизолированной консоли hи=0,76

gт - результирующая нагрузка в режиме максимального ветра, даН/м.

γт - прогиб опоры на уровне крепления несущего троса, м. Для расчетного режима γт=0,022 м.

γк - прогиб опоры на уровне крепления контактного провода, м. Для расчетного режима γк=0,015м.

gк - вес контактного провода. Для МФ-85 gк=0,755 даН/м.

С - длина струны, м.

.2.2.1 Определяем длину струны

С=h-0,115, м

где: h - конструктивная высота подвески, м. По исходным данным h=1,8м

gпр - вес проводов, даН/м.

L - длина пролета, м.

То - натяжение несущего троса в беспровесном положении, даН.

С=1,8-0,115=1,18м

Рэ==(-0,042)даН/м

2.2.3 Определяем длину пролета с учетом Рэ

Lмах=2, м.

Lмах=2=98,5м

2.3 Расчет длин пролетов на насыпи

.3.1 Определяем длину пролета с Рэ=0

Lмах=2, м.

где: К - натяжение контактного провода МФ-100 К=1000 даН/м

Рк - ветровая нагрузка на контактный провод для расчетного режима.

bкдоп - максимальный вынос контактного провода в середине пролета, м.

γк - прогиб опоры на уровне крепления контактного провода, м

Для расчетного режима γк=0,023 м.

А - величина зигзага, м. а=0,3 м

Lмах=2*=102м

.3.2 Определяем Рэ

Рэ=, даН/м(1)

где: Рк- ветровая нагрузка на контактный провод для расчетного режима, даН/м

Рт- ветровая нагрузка на несущий трос для расчетного режима, даН/м.

Т- натяжение несущего троса, даН. Для ПБСМ-70 Т=1600 даН

К- натяжение контактного провода, даН. Для МФ-100 К=1000 даН

hи- высота гирлянды изоляторов, м. Для неизолированной консоли hи=0,76

gт- результирующая нагрузка в режиме максимального ветра, даН/м.

γт- прогиб опоры на уровне крепления несущего троса, м. Для расчетного режима γт=0,031 м.

γк- прогиб опоры на уровне крепления контактного провода, м. Для расчетного режима γк=0,023м.

gк- вес контактного провода. Для МФ-100 gк=0,89 даН/м.

С- длина струны, м.

2.3.2.1 Определяем длину струны

С=h-0,115, м

где: h- конструктивная высота подвески, м. По исходным данным h=2м

gпр- вес проводов, даН/м.

L- длина пролета, м.

То- натяжение несущего троса в беспровесном положении, даН.

С=2-0,115=1,32м

Рэ==(-0,13)даН/м

2.3.3 Определяем длину пролета с учетом Рэ

Lмах=2, м.

Lмах=2=86,6м

2.4 Расчет длин пролетов на открытом ровном месте

.4.1 Определяем длину пролета с Рэ=0

Lмах=2, м.

где: К- натяжение контактного провода МФ-100 К=1000 даН/м

Рк- ветровая нагрузка на контактный провод для расчетного режима.

bкдоп- максимальный вынос контактного провода в середине пролета, м.

γк- прогиб опоры на уровне крепления контактного провода, м

Для расчетного режима γк=0,018 м.

а- величина зигзага, м. а=0,3м

Lмах=2*=99,7м

.4.2 Определяем Рэ

Рэ=, даН/м(1)

где: Рк - ветровая нагрузка на контактный провод для расчетного режима, даН/м

Рт - ветровая нагрузка на несущий трос для расчетного режима, даН/м.

Т - натяжение несущего троса, даН. Для ПБСМ-70 Т=1600 даН

К - натяжение контактного провода, даН. Для МФ-100 К=1000 даН

hи - высота гирлянды изоляторов, м. Для неизолированной консоли hи=0,76

gт - результирующая нагрузка в режиме максимального ветра, даН/м.

γт - прогиб опоры на уровне крепления несущего троса, м. Для расчетного режима γт=0,02 м.

γк - прогиб опоры на уровне крепления контактного провода, м. Для расчетного режима γк=0,01м.

gк - вес контактного провода. Для МФ-100 gк=0,89 даН/м.

С - длина струны, м.

2.4.2.1 Определяем длину струны

С=h-0,115, м

где: h- конструктивная высота подвески, м. По исходным данным h=1,8м

gпр- вес проводов, даН/м.

L- длина пролета, м.

То- натяжение несущего троса в беспровесном положении, даН.

С=1,8-0,115=1,12м

Рэ==(-0,088)даН/м

2.4.3 Определяем длину пролета с учетом Рэ

Lмах=2, м.

Lмах=2=88,9м

2.5 Расчет длин пролетов на кривой радиусом R1=600м

.5.1 Определяем длину пролета с Рэ=0

Lмах=2, м.

где: К- натяжение контактного провода МФ-100 К=1000 даН/м

Рк- ветровая нагрузка на контактный провод для расчетного режима.

bкдоп- максимальный вынос контактного провода в середине пролета, м.

γк- прогиб опоры на уровне крепления контактного провода, м

Для расчетного режима γк=0,018 м.

а- величина зигзага, м. а=0,4м

Lмах=2*=59,8м

.5.2 Определяем Рэ

Рэ=, даН/м(1)

где: Рк- ветровая нагрузка на контактный провод для расчетного режима, даН/м

Рт- ветровая нагрузка на несущий трос для расчетного режима, даН/м.

Т- натяжение несущего троса, даН. Для ПБСМ-70 Т=1600 даН

К- натяжение контактного провода, даН. Для МФ-100 К=1000 даН

hи- высота гирлянды изоляторов, м. Для неизолированной консоли hи=0,76

gт- результирующая нагрузка в режиме максимального ветра, даН/м.

γт- прогиб опоры на уровне крепления несущего троса, м. Для расчетного режима γт=0,028 м.

γк- прогиб опоры на уровне крепления контактного провода, м. Для расчетного режима γк=0,018м.

gк- вес контактного провода. Для МФ-100gк=0,89 даН/м.

С- длина струны, м.

.5.2.1 Определяем длину струны

С=h-0,115, м

где: h- конструктивная высота подвески, м. По исходным данным h=1,8м

gпр- вес проводов, даН/м.

L- длина пролета, м.

То- натяжение несущего троса в беспровесном положении, даН.

С=1,8-0,115=1,3165м

Рэ==(-0,0909)даН/м

2.5.3 Определяем длину пролета с учетом Рэ

Lмах=2, м.

Lмах=2=58,5м

.6 Расчет длин пролетов на кривой радиусом R2=850м

.6.1 Определяем длину пролета с Рэ=0

Lмах=2, м

где: К- натяжение контактного провода МФ-100 К=1000 даН/м

Рк- ветровая нагрузка на контактный провод для расчетного режима.

bкдоп- максимальный вынос контактного провода в середине пролета, м.

γк- прогиб опоры на уровне крепления контактного провода, м

Для расчетного режима γк=0,018 м.

а- величина зигзага, м. а=0,4м

Lмах=2*=68м

.6.2 Определяем Рэ

Рэ=, даН/м(1)

где: Рк - ветровая нагрузка на контактный провод для расчетного режима, даН/м

Рт - ветровая нагрузка на несущий трос для расчетного режима, даН/м.

Т - натяжение несущего троса, даН. Для ПБСМ-70 Т=1600 даН

К - натяжение контактного провода, даН. Для МФ-100 К=1000 даН

hи - высота гирлянды изоляторов, м. Для неизолированной консоли hи=0,76

gт - результирующая нагрузка в режиме максимального ветра, даН/м.

γт - прогиб опоры на уровне крепления несущего троса, м. Для расчетного режима γт=0,028 м.

γк - прогиб опоры на уровне крепления контактного провода, м. Для расчетного режима γк=0,018м.

gк - вес контактного провода. Для МФ-100 gк=0,89 даН/м.

С - длина струны, м.

2.6.2.1 Определяем длину струны

С=h-0,115, м

где: h- конструктивная высота подвески, м. По исходным данным h=1,8м

gпр- вес проводов, даН/м.

L- длина пролета, м.

То- натяжение несущего троса в беспровесном положении, даН.

С=1,8-0,115=1,16м

Рэ==(-0,0893)даН/м

2.7.3 Определяем длину пролета с учетом Рэ

Lмах=2, м.

Lмах=2=66,2м

.7 Расчет длин пролетов на кривой радиусом R3=1000м

.7.1 Определяем длину пролета с Рэ=0

Lмах=2, м.

где: К- натяжение контактного провода МФ-100 К=1000 даН/м

Рк- ветровая нагрузка на контактный провод для расчетного режима.

bкдоп- максимальный вынос контактного провода в середине пролета, м.

γк- прогиб опоры на уровне крепления контактного провода, м

Для расчетного режима γк=0,018 м.

а- величина зигзага, м. а=0,4м

Lмах=2*=72м

.7.2 Определяем Рэ

Рэ=, даН/м(1)

где: Рк- ветровая нагрузка на контактный провод для расчетного режима, даН/м

Рт- ветровая нагрузка на несущий трос для расчетного режима, даН/м.

Т- натяжение несущего троса, даН. Для ПБСМ-70 Т=1600 даН

К- натяжение контактного провода, даН. Для МФ-100 К=1000 даН

hи- высота гирлянды изоляторов, м. Для неизолированной консоли hи=0,76

gт- результирующая нагрузка в режиме максимального ветра, даН/м.

γт- прогиб опоры на уровне крепления несущего троса, м. Для расчетного режима γт=0,028 м.

γк- прогиб опоры на уровне крепления контактного провода, м. Для расчетного режима γк=0,018м.

gк- вес контактного провода. Для МФ-100 gк=0,89 даН/м.

С- длина струны, м.

2.7.2.1 Определяем длину струны

С=h-0,115, м

где: h- конструктивная высота подвески, м. По исходным данным h=1,8м

gпр- вес проводов, даН/м.

L- длина пролета, м.

То- натяжение несущего троса в беспровесном положении, даН.

С=1,8-0,115=1,12м

Рэ==(-0,089)даН/м

2.7.3 Определяем длину пролета с учетом Рэ

Lмах=2, м.

Lмах=2=70,2 м

Все расчеты сводим в таблицу 2

Таблица 2

Место расчета

Длина пролета без Рэ

Длина пролета с Рэ

Окончательная длина пролета

1. главные пути

112

104

70

2. боковые пути

106

98

70

3. насыпь

102

86,6

70

4. открытое ровное место

99,7

88,9

70

5. кривая R1=600м

59

58

58

6. кривая R2=850м

68

66

66

7. кривая R3=1000м

72

0,2

70

нагрузка контактный провод пролет

3. Расчет станционного анкерного участка полукомпенсированной рессорной подвески

3.1 Определение длины эквивалентного пролета

, м

где: li- длина пролета с номером i, м.

n-число пролетов в анкерном участке.

lау=∑li- длина анкерного участка, м.

=58 м

3.1.1 Выбор максимального допустимого натяжения н/т и номинального натяжения к/п


.1.1.1 Выбор режима с максимальным натяжением несущего троса

Будем исходить из сравнения эквивалентного пролета с критическим, длину которого определим по формуле:

,


где с - раcстояние от оси опоры до первой простой струны, принимаем равной 10 м.

;

конструктивный коэффициент цепной подвески, определяется по формуле:

 

где натяжение несущего троса при бес провесном положение к/п примем равной 75% максимального допустимого

максимальное приведенное натяжение подвески:

, даН/м

 даН/м;

 и - приведенные линейные нагрузки на подвеску соответственно при гололеде с ветром и при минимальной температуре:

,

даН/м;

  даН/м;

где:  - температурный коэффициент линейного расширения материала н/т;

-принимается равным 17*10-6;

расчетная температура гололедных образований, принимается равной -5;

минимальная температура, равна -40;

максимальная температура, равна 40;

м

Так как критический пролет оказался больше эквивалентного, максимальным натяжение н/т будет при минимальной температуре.

3.1.2 Определяем температуру беспровесного положения к/п

,

где: коррекция натяжения к/п в середине пролета. При двойном к/п принимаем

t=100.

Определение натяжения н/т.


При расчетах определяем, что = 1134

Расчет разгруженного н/т.


 - вес несущего троса

При значении = 1100

=-40


Тpx, даН

1100

1000

900

800

700

600

500

400

325

tx, С0

-40

-37,9

-35,8

-32,7

-28,3

-21,5

-10,2

10,5

40


По результатам расчетов строится монтажная кривая


Стрелы провеса разгруженного н/т.

При температурах  в реальных пролетах анкерного участка.

,

Для пролета

м.

Меняя длины пролетов и натяжение троса получаем следующие данные:

tx С

Тх, кг

L=70м

L=60м

L=50м



Fx

Fx

Fx

-40

1100

0,589

0,433

0,301

-37,9

1000

0,648

0,476

0,331

-35,8

900

0,72

0,529

0,367

-32,7

800

0,81

0,595

0,413

-28,3

700

0,926

0,68

0,472

-21,5

600

1,08

0,793

0,551

-10,2

500

1,296

0,952

0,661

10,5

400

1,62

1,19

0,827

40

325

1,994

1,465

1,017

3.1.3 По результатам расчетов строится монтажная кривая

.2 Натяжение нагруженного н/т без дополнительных нагрузок

Определение натяжений нагруженного (контактным проводом) несущего троса в зависимости от температуры.


где: gо-вес проводов цепной подвески, даН/м

Подставляя в это уравнение различные значения Тх, определим соответствующую им температуру.

При Тх=1800 кг

 =

= (-40)

Далее меняя Тх получаем следующие данные

Таблица

Тх, кг

1800

1700

1600

1500

1400

1300

1200

1100

1000

900

836

tx, С

-40

-37,3

-34,2

-30,3

-25,6

-19,8

-12,5

-3,1

9,2

25,9

40


По полученным данным строим график

.2.1 Определяем стрелы провеса для нагруженного несущего троса без дополнительных нагрузок

 

 

, даН/м

 - приведенная линейная нагрузка на подвеску без нагрузок

  даН/м;


Меняя длины пролета и подставляя различные Tx получаем следуюшие стрелы провеса для несущего троса:

tx С

Тх, кг

L=70м

L=60м

L=50м



Fx

Fx

Fx

-40

1800

1,089

0,792

0,542

-37,3

1700

1,134

0,826

0,567

-34,2

1600

1,184

0,864

0,595

-30,3

1500

1,239

0,906

0,620

-25,6

1400

1,3

0,954

0,661

-19,8

1300

1,368

1,007

0,701

-12,5

1200

1,446

1,068

0,746

-3,1

1100

1,536

1,138

0,799

9,2

1000

1,641

1,221

0,861

25,9

900

1,765

1,319

0,936

40

836

1,815

1,439

1,027


3.3 Расчет н/т при режимах с дополнительными нагрузками

Определение натяжений нагруженного (контактным проводом) несущего троса в зависимости от температуры.


где: t1- минимальная температура, С.

g1-вес проводов цепной подвески, даН/м

l- длина эквивалентного пролета, м

Ет- модуль упругости, кг/мм2

Sт- площадь сечения несущего троса, мм2

Подставляя в это уравнение различные значения Тх, определим соответствующую им температуру.

При Тх=1800 кг

=(-40)

Далее меняя Тх получаем следующие данные

Тх, кг

1800

1700

1600

1500

1400

1300

1200

1109

1000

900

836

tx, С

-40

-37,3

-34,2

-30,3

-25,6

-19,8

-12,5

-3,1

9,2

25,9

40


3.3.1 Определение стрел провеса несущего троса для действительных пролетов, входящих в анкерный участок

, м

где: g- вес проводов контактной подвески, даН/м

gт- вес несущего троса, даН/м

К- натяжение несущего троса, даН/м

Т0- натяжение несущего троса при беспровесном положении, даН/м

L-длина пролета, м

e- расстояние от опоры до первой струны, м

По этим данным строим график


Для L=70 м

при Т=1800 кг

=1,266 м

Для L=60 м

при Т=1800

=0,926м

Для L=50 м

при Т=1800 кг

=0,639м

3.3.2 Определение стрел провеса контактного провода для действительных пролетов входящих в анкерный участок

, м

Для L=70 м

при Т=1800 кг

=-0,237 м

Для L=60м

при Т=1800кг

=-0,169м

Для L=50 м

при Т=1800 м

=-0,113м

.3.3 Определяем изменение высоты расположения контактного провода у опоры

, м

Для L=70 м

при Т=1800 кг

=-0,09 м

Для L=60м

при Т=1800 кг

=-0,077м

Для L=50 м

при Т=1800 кг

=-0,064м

Подсчитанные данные сносим в таблицу

tx С

Тх, кг

L=70м

L=60м

L=50м



Fx

fкх

∆hех

Fx

fкх

∆hех

Fx

fкх

∆hех

-40

1800

1,266

-0,237

-0,09

0,926

-0,169

-0,077

0,639

-0,113

-0,064

-37,3

1700

1,306

-0,207

-0,081

0,955

-0,147

-0,069

0,66

-0,098

-0,057

-34,2

1600

1,347

-0,175

-0,071

0,987

-0,125

-0,061

0,682

-0,083

-0,05

-30,3

1500

1,393

-0,141

-0,059

1,02

-0,101

-0,051

0,706

-0,067

-0,042

-25,6

1400

1,441

-0,106

-0,046

1,057

-0,075

-0,039

0,733

-0,05

-0,033

-19,8

1300

1,494

-0,068

-0,031

1,097

-0,049

-0,027

0,761

-0,032

-0,022

-12,5

1,552

-0,028

-0,013

1,141

-0,02

-0,011

0,793

-0,013

-0,009

-3,1

1100

1,615

0,015

-0,007

1,189

0,011

-0,006

0,828

0,007

0,004

9,2

1000

1,686

0,06

0,033

1,243

0,043

0,028

0,868

0,029

0,023

25,9

900

1,765

0,109

0,063

1,304

0,078

0,054

0,913

0,052

0,045

40

836

1,821

0,142

0,087

1,347

0,101

0,074

0,945

0,068

0,062


3.3.4 По табличным данным строим монтажные кривые для несущего троса

Зависимость стрелы провеса несущего троса от температуры:


Зависимость стрелы провеса контактного провода от температуры:


Зависимость изменения конструктивной высоты подвески от температуры:

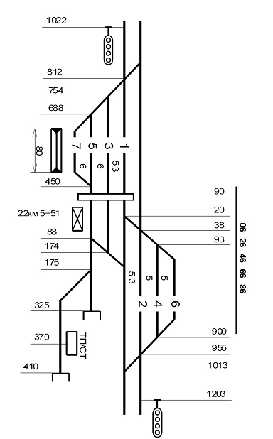
4. Порядок составления плана станции и перегона

.1 Порядок составления плана станции

.1.1 Подготовка плана станции

План станции вычерчиваем в масштабе 1:1000 на листе миллиметровой бумаге. Необходимую длину листа определяем в соответствии с заданной схемой станции, на которой указаны расстояния всех центров стрелочных переводов, светофоров, тупиков от оси пассажирского здания в метрах. При этом условно принимаем эти отметки в левую сторону со знаком минус, а в правую со знаком плюс.

Вычерчивание плана станции начинаем с разметки тонкими вертикальными линиями через каждые 100 метров условных станционных пикетов в обе стороны от оси пассажирского здания, принимаемый за нулевой пикет. Пути на плане станции представляем их осями. На стрелках оси путей пересекаются в точке называемой центром стрелочного перевода. Пользуясь данными, на заданной схеме станции наносим параллельными линиями оси путей, при этом расстояния между ними должны соответствовать в принятом масштабе заданным междупутьям.

На плане станции также показываем не электрифицированные пути. Указав на специальных выносах пикетные отметки центров стрелочных переводов, вычерчиваем стрелочные улицы и съезды. Далее на план станции наносим здания, пешеходный мост, пассажирские платформы, тяговую подстанцию, входные светофоры, переезды.

.1.2 Наметка мест, где необходимо фиксация контактных проводов

Разбивку опор на станции начинаем с наметки мест, где необходимо предусматривать устройства для фиксации контактных проводов. Такими местами являются все стрелочные переводы, над которыми должны быть смонтированы воздушные стрелки и все места, где провод должен изменить свое направление.

На одиночных воздушных стрелках наилучшее расположение контактных проводов, образующих стрелку, получается, если фиксирующее устройство установлено на определенном расстоянии С от центра стрелочного перевода. Смещение фиксирующих опор допускается к центру стрелочного перевода на 1 - 2 метра и от центра стрелочного перевода на 3 - 4 метра. В вершине кривой фиксирующую опору намечаем по пикету этой вершины, при этом зигзаг у этой опоры всегда выполняется отрицательным.

.1.3 Расстановка опор в горловинах станции

Разбивку опор на станции начинаем с горловины, где сосредоточены наибольшее количество мест фиксации контактных проводов. Из намеченных мест фиксации производим выбор тех мест, где рационально установить несущие опоры. При этом действительные длины пролетов не должны превышать расчетных длин и разница в длинах смежных пролетов должна быть не более 25% длины большего из них. Кроме того опоры на двухпутных участках следует располагать в одном пикете. Если установка только несущих опор приводит к значительному сокращению пикетов, то следует рассмотреть возможность выполнения части воздушных стрелок нефиксированными.

Воздушные нефиксированные стрелки могут быть выполнены только на боковых путях в случае, если опоры, расположены в близи (до 20 м.) от стрелочного переводов.

Выбрав размеры пролетов между опорами, фиксирующими воздушные стрелки главных путей, приступаем к наметке несущих опор на следующих стрелках станции, учитывая требования к длинам пролетов перечисленные выше.

У фиксирующих опор расставляем зигзаги.

4.1.4 Расстановка опор в средней части станции

При наличии в пределах станции искусственных сооружении выбираем способ прохода контактной подвески через эти сооружения. В соответствии с принятым способом намечаем места установки опор у пассажирского здания. После этого на оставшихся частях станции, по возможности применяя максимальные допустимые пролеты, намечаем места для опор жестких поперечин.

4.1.5 Разбивка анкерных участков

После расстановке опор по всей длине станции производим разбивку анкерных участков и окончательно выбираем места установки анкерных опор.

При разбивке анкерных участков необходимо выполнять следующие требования и условия:

число анкерных участков должно быть минимально возможным. При этом длина анкерного участка не должна превышать 1600 метров;

в отдельные анкерные участки выделяем боковые пути и съезды между главными путями;

для анкеровки желательно использовать ранее намеченные промежуточные опоры;

при анкеровки провод не должен менять свое направление на угол более 70;

если длина бокового пути более 1600 метров его следует разбить на два анкерных участка, а в середине выполнить не изолирующее сопряжение.

Длину нескольких пролетов расположенных примерно в середине анкерного участка снижаем на 10% относительно максимальной в данном месте, чтобы разместить среднюю анкеровку.

.1.6 Расстановка опор по концам станции

Согласно установленной схеме секционирования контактной сети в местах примыкания перегонов к станциям выполняем продольное секционирование. Изолирующее трехпролетное сопряжение монтируется между входным сигналом и ближайшим к перегону стрелочным переводом станции, по возможности на прямых участках пути. При этом каждый переходной пролет сокращаем на 25% от расчетного; переходные опоры по первому и второму пути смещаем относительно друг друга на 5 метров.

Приближение переходной опоры к входному светофору допускается на расстояние не менее 5 метров.

После расстановки опор под изолирующее сопряжение разбиваем пролет между крайней стрелкой и сопряжением, затем расставляем зигзаги, направление которых должно быть согласованным.

Изолирующее сопряжения с двумя воздушными промежутками и нейтральной вставкой находящейся между ними, должны быть расположены на перегоне за входным сигналом так, чтобы нейтральная вставка, по которой электроподвижной состав должен безостановочно проходить по инерции, не препятствовало остановке поезда у закрытого входного сигнала.

На участках где применяется только электрическая тяга, нейтральную вставку выполняют в пяти пролетах. От входного светофора станции до оси нейтральной вставке должно быть не менее 300 - 400 метров.

На участках, где применяется пригородное движение, нейтральную вставку выполняют в семи пролетах. От входного светофора станции до оси нейтральной вставке должно быть не менее 300 -400 метров.

Если учесть, что сигнал «включить ток на электровозе» практически устанавливается на первой, считая от станции, анкерной опоре нейтральной вставке, то, отложив от входного светофора станции в сторону перегона 300 метров (при электровозной тяге) или 450 метров (при наличии пригородного движения), получают ориентировочное место установки первой анкерной опоры нейтральной вставки.

При наличии на станции переезда опоры располагаем так, чтобы расстояние от края проезжей части переезда по ходу поезда до опор было не менее 25 метров.

Для выполнения поперечного секционирования со схемы питания и секционирования станции переносим все секционные изоляторы и выполняем их нумерацию, а на поперечных тросах жестких поперечин показываем врезные изоляторы между секциями, которые изолированы друг от друга.

В качестве основного типа несущих конструкций контактной сети на станциях должны приниматься жесткие поперечины, перекрывающих от двух до восьми путей. Если более восьми путей допускается применение гибких поперечин.

.1.7 Трассировка питающих и отсасывающих линий

Трассы питающих и отсасывающих линий от тяговой подстанции к электрифицируемым путям проектируем по кротчайшему расстоянию. Для анкеровки линий у здания тяговой подстанции и путей используем железобетонные опоры.

Воздушные питающие и отсасывающие линии, идущие вдоль станции подвешиваем с полевой стороны опор контактной сети. Для перевода питающих линий через пути используем жесткие поперечины, на которых смонтированы Т - образные конструкции.

4.2 Порядок составления плана перегона

.2.1 Подготовка плана перегона

План перегона выполняют в масштабе 1:2000.

В зависимости от числа путей на перегоне вычерчивают одну или две прямые линии, представляющие оси путей.

Пикеты на перегоне размечают вертикальными линиями через каждые 5 см (100 метров, в натуре) и нумерацию их в направлении счета километров, начиная с пикета входного сигнала.

Выше и ниже прямых линий, представляющих оси путей, вдоль всего перегона размещаем данные в виде таблиц. В таблицах указываем типы фиксаторов, типы опор, типы консолей, пикетаж опор, пикетаж искусственных сооружении, расстояние от оси пути до передней грани опоры. Под нижней таблицей вычерчиваем спрямленный план линий.

.2.2 Предварительная разбивка перегона на анкерные участки

Расстановку опор на перегоне начинают с переноса на план перегона опор изолирующего сопряжения станции или опор нейтральной вставки. Расположение этих опор на плане перегона должно быть увязано с их расположением на плане станции. При этом увязку осуществляем по входному сигналу. Затем откладывают от этой опоры длины следующих пролетов, указанных на плане станции и получают пикетные отметки сопряжения на плане перегона.

Далее намечаем анкерные участки контактной сети и примерное расположение мест их сопряжений. После этого в середине анкерных участках намечаем примерное расположение мест средних анкеровок, с тем, чтобы при разбивке опор пролеты со средней анкеровкой сократить по сравнению с расчетной.

Намечая анкерные участки, необходимо исходить из следующих соображений:

количество анкерных участков на перегоне должно быть минимальным;

максимальная длинна анкерного участка на прямой, должна быть не менее 1600 метров;

сопряжения анкерных участков рекомендуется, как правило, устраивать на прямых.

В конце перегона вычерчиваем трех пролетное изолирующее сопряжение.

4.2.3 Расстановка опор на перегоне

Расстановку опор производим пролетами, по возможности равными допустимым для соответствующего участка пути и местности, полученным в результате расчетов длин пролетов. Намечая места установки опор, следует сразу же заносить их в таблицу в графу «пикетаж опор».

На прямых участках пути зигзаги поочередно направляем у каждой из опор то в одну, то в другую сторону от оси пути. На кривых участках пути дают зигзаги в направлении от центра кривой.

Зигзаги контактного провода у смежных опор, расположенных на прямом и кривом участках должны быть увязаны.

На участках где могут возникать автоколебания проводов разбивку опор производим чередующимися пролетами, один из которых равен максимально допустимому, а другой на 7 - 8 метров меньше. При этом избегаем периодичности чередование пролетов.

Пролет со средними анкеровками должны быть сокращены два пролета на пять процентов.

Конструкция и габарит металлического моста через реку позволяет пропустить контактную подвеску, не изменяя ее параметров и высоты контактных проводов. Длинна пролета на мосту, должна быть не менее 40 - 45 метров. Опоры у моста устанавливаем после того, как определим, где будут находиться точки крепления контактной сети на перегоне.

.2.4 Обработка плана перегона

Выполнив расстановку опор и зигзагов контактного провода, производим окончательную разбивку контактной сети перегона на анкерные участки и вычерчиваем их сопряжение.

Около анкерных опор показывают длину и номер анкерного участка. Анкерные участки и опоры нумеруют в направлении счета километров. Составляют ведомость анкерных участков.

Список использованной литературы:

1. Борц Ю.В., Чекулаев В.Е. «Контактная сеть» - М.: Транспорт, 2001.-247с.

2. Горошков Ю.И., Бондарев Н.А. «Контактная сеть» - М.: Транспорт, 1981.-400с.

3. Марквардт К.Г. «Контактная сеть»-М.:Транспорт, 1994.-336с.

4. Фрайфельд А.В. Проектирование контактной сети.- М.: Транспорт, 1984,-397с.

5. Фрайфельд А.Д., Поршнев Б.Г., Власов И.И. «Проектирование контактной сети электрифицированных железных дорог» - М.: Транспорт, 1972.-320с.

6. Справочник по электроснабжению железных дорог. / Под редакцией К.Г. Марквардта - М.: Транспорт, 1981. - Т. 2- 392с.


Не нашли материал для своей работы?
Поможем написать уникальную работу
Без плагиата!
Без нейросетей!