Проектирование контактной сети
КУРСОВОЙ ПРОЕКТ
По дисциплине: «Контактные сети и
линии электропередачи»
СОДЕРЖАНИЕ
контактный сеть провод станция цепная подвеска
Введение
.Задание и исходные данные
.Определение нормативных нагрузок на провода контактной сети
.Расчет натяжения проводов
.Опредедление допустимых длин пролетов
.Разработка схем питания и секционирования станции
.Составление плана контактной сети станции
.Составления плана контактной сети перегона
.Расчет анкерного участка полукомпенсированной цепной
подвески
.Выбор способа прохода контактной подвески в искусственных
сооружениях
.Расчет и выбор опор контактной сети
Список литературы
ВВЕДЕНИЕ
Для закрепления теоретического материала, на заключительном этапе, в
рамках изучения дисциплины «Контактные сети и ЛЭП» выполняется курсовой проект
по проектированию её основных узлов и элементов станции и перегона
магистрального участка железной дороги. В ходе проектирования очень важно
самостоятельно изучить те разделы дисциплины, которые не были даны в процессе
изучения теоретического курса. Для этой цели можно воспользоваться
рекомендуемой литературой. Это позволит выявить творческие способности каждого
студента, которые так необходимы при решении вопросов в будущей деятельности
молодого специалиста.
Выбор параметров контактной сети имеет свои специфические особенности
из-за того, что она не имеет резерва, а токосъем должен производиться в любых
атмосферных условиях.
1. ЗАДАНИЕ НА ПРОЕКТИРОВАНИЕ
Тип цепной подвески и метеорологические условия
Таблица 1.1
Исходные данные к заданию
|
Система
|
Цепная подвеска на
|
При повторяемости 1 раз в
10 лет
|
|
тягового
|
главных путях
|
ветровой
|
толщина
|
климатичес-
|
|
тока
|
станции и перегона
|
район
|
стенки
|
кий район
|
|
|
табл.11.8.2
|
гололеда
|
табл.11.8.1
|
|
|
[4]
|
района
|
[4]
|
|
|
|
табл.11.8.3
|
|
|
|
|
[4]
|
|
|
Переменный
|
М95+МФ100
|
3
|
2
|
2
|
Исходя из исходных данных, принимаем (2)- скорость ветра V=25м/с, по (2) - толщину стенки
гололеда вн=20 мм, по (2)- минимальную температуру
tmin=-40ºС и максимальную температуру tmax=+35ºС.
.2.На главном пути станции для расчета задается - цепная одинарная
полукомпенсированная подвеска с рессорным тросом. На остальных путях станции -
полукомпенсированная подвеска ПБСМ70+МФ85 со специальными струнами.
.3.На главном пути перегона подвеска - компенсированная с рессорным
тросом.
.4.Гололед имеет цилиндрическую форму с плотностью jг=900 кг/м3.
.5.Температура образования гололеда -5ºС.
.6.Температура при ветре наибольшей интенсивности +5ºС.
.7.Проектируемая станция располагается в защищенной, а перегон - в
незащищенной от ветра зоне.
.8.Схема заданной станции показана на рисунке 1.1.
.9.Стрелки, примыкающие к главному пути, марки 1/11, а остальные - марки
1/9.
.10.Перегон задан в виде пикетажа основных объектов и выбирается по
предпоследней цифре варианта.
Рис.
1.1. Схема заданной станции.
2.ОПРЕДЕЛЕНИЕ НОРМАТИВНЫХ НАГРУЗОК НА ПРОВОДА КОНТАКТНОЙ СЕТИ
Нагрузки определяются с учетом защищенности от ветра и насыпи для
следующих режимов: без дополнительных влияний; при ветре наибольшей
интенсивности; при гололеде с ветром.
.1 Нагрузка от силы тяжести одного метра контактной подвески без
дополнительных влияний:
(2.1)
где:
gНТ
- нагрузка от силы тяжести несущего
троса (НТ):
для
М95 gНТг=0,834
даН/м ,
для
ПБСМ70 gНТв=0,586 даН/м,;
gКП - нагрузка
от силы тяжести контактного провода (КП):
для
МФ100 gКПг=0,873
даН/м,
для
МФ85 gКПв=0,74
даН/м
gc =0,1 даН/м - нагрузка от
силы тяжести зажимов и струн,
n=1 - число контактных проводов.
Нагрузку
от силы тяжести проводов берем из (2). Для комбинированных проводов (АС-35/6,2)
gАС=0,145
даН/м.
Для
главного пути М95+МФ100
Для второстепенного пути ПБСМ 70 + МФ85
2.2.Нагрузка
от силы тяжести гололеда на один метр длины провода:
где
произведение 9,81∙900∙3,14=27,7∙10-3 и тогда
получим
(2.2)
где
в - толщина стенки гололеда;
d -диаметр провода, мм.
Расчетное
значение толщины стенки гололёда в = вн∙К1∙К2,
где вн - нормативная величина стенки гололеда, берётся из
п.1.1. коэффициенты К1 и К2 определяются по
методике, приведенной на стр.28 [3].
Для
контактного провода
a
где
А и Н -соответственно ширина и высота контактного провода.
где:
Диаметр
несущего троса Размеры для контактного провода
dр, мм А, мм H, мм
ПБСМ70
11 МФ85 11,76 10,8
М95
12,5 МФ100 11,8 12,81
АС-35/6,2
8,4
Для
станции и перегона прямого участка
HНТст=9м,
hp= hКПст=7м,
hАСст=9,7м;
Для
насыпи высотой 7м:
HНТнас=9м+7м,
hp= hКПнас=7м+7м,
hАСнас=9,7м+7м.
Для
главного пути станции и перегона
(НТ)

;
(КП)
(ПЭ)
Для
второстепенного пути станции
(НТ)
(КП)
Для
главного пути на насыпи
(НТ)
(КП)
(ПЭ)
Суммарная
нагрузка от силы тяжести одного метра контактной подвески с гололедом
определится:
(2.3)
где
gгн,
gгк
- соответственно нагрузка от силы
тяжести гололеда на несущем тросе и гололеда на контактном проводе.
Для
главного пути станции и перегона
Для
второстепенного пути станции
Для
главного пути на насыпи
.3.Ветровая
нагрузка на провод без гололеда:
(2.4)
где Vp -
расчетная скорость ветра, учитывая что
где:
Vном=25м/с(из
п.1.1)
К=1
- на станции;
К=1,15
- на перегоне;
К=1,25
- на насыпи;
Cx
- аэродинамический коэффициент лобового сопротивления [2];
Сх=1,2
- для ПЭ;
Сх=1,25
- для НТ и КП (МФ85 и МФ100);
d -диаметр
провода, м. Для контактного провода вертикальный размер сечения Н, мм.
d=dp - для НТ и ПЭ;
d=H - для КП;
Для главного пути станции
(НТ)
(КП)
(ПЭ)
Для
главного пути перегона
(НТ)
(КП)
(ПЭ)
Для
главного пути на насыпи
(НТ)
(КП)
(ПЭ)
Для
второстепенного пути станции
(НТ)
(КП)
2.4.Ветровая нагрузка на провод в режиме гололеда
(2.6)
где
Vгл -
принимается из [2], (Vгл=0,5Vр).
Для
главного пути станции
(НТ)
(КП)
(ПЭ)
Для
главного пути перегона
(НТ)
(КП)
(ПЭ)
Для
главного пути на насыпи
(НТ)
(КП)
(ПЭ)
Для
второстепенного пути станции
(НТ)
(КП)

.5.Результирующая
нагрузка на отдельный провод:
в режиме наименьших температур q=g;
при ветре
(2.7)
Для
главного пути на станции
(НТ)
(КП)
(ПЭ)
Для главного пути перегона
(НТ)
(КП)
(ПЭ)
Для
главного пути на насыпи
(НТ)
(КП)
(ПЭ)
Для второстепенного пути станции
(НТ)
(КП)
Результирующая нагрузка на провод без
дополнительных влияний при гололеде:
Главные пути на станции:
(НТ)
(КП)
(ПЭ)
Главные пути перегона
(НТ)
(КП)
(ПЭ)
Главные
пути на насыпи:
(НТ)
(КП)
(ПЭ)
Второстепенные
пути на станции:
(НТ)
(КП)
.6.
Результирующая нагрузка на несущий трос цепной подвески определяется без учета
ветровой нагрузки на контактные провода, так как её основная часть
воспринимается фиксаторами:
в
режиме ветра наибольшей интенсивности
(2.9)
в
режиме гололеда с ветром:
(2.10)
Где
gгл(формула
2.3)
Для
главного пути станции
Для главного пути перегона
Для
главного пути на насыпи
Для
второстепенного пути станции
3.РАСЧЕТ
НАТЯЖЕНИЯ ПРОВОДОВ
Принимаемые
в расчетах наибольшие и номинальные натяжения проводов приведены из [2].
Натяжение несущего троса (Т0) при беспровесном положении
контактного провода предварительно принимается:
для
медных проводов -
-для
ПБСМ -
Натяжение
несущего троса при ветре набольшей интенсивности
Тв=0,7Тдп при медном
и
Тв=0,75Тдп при ПБСМ.
Действительные
значения Т0 и Тв
определяются при механическом расчете контактной подвески.
Тдоп
М95 1600даН
ПБСМ70 1600даН
МФ100 1000даН
МФ85 850даН
Главные пути:
Второстепенные пути:
.ОПРЕДЕЛЕНИЕ
ДОПУСТИМЫХ ДЛИН ПРОЛЕТОВ
Наибольшие
длины пролетов устанавливают в режиме ветра наибольшей интенсивности. При этом
ветровые отклонения контактного провода на прямых участках пути не должны
превышать 0,5м, а на кривых - 0,45м. Наибольшее расстояние между опорами, для
обеспечения надежного токосъема принимается равным не более 70 м.
Для
прямых участков пути
(4.1)
для кривых участков пути
(4.2)
где
К - номинальное натяжение контактного провода, даН/м;
n - количество контактных проводов;
Рвк - ветровая нагрузка на контактный провод, даН/м;
Рэ
- эквивалентная нагрузка, передающая
с несущего троса на контактный провод, даН/м;
R - радиус кривой пути, м;
вкдоп - наибольшее допустимое ветровое отклонение
контактного провода, м, (вкдоп =0,5 - на прямых; вкдоп
=0,45 - на кривых);
jk
- прогиб опоры под действием ветра на уровне крепления контактного провода(2) (
jk =0,01);
Формула
для определения удельной эквивалентной нагрузки имеет вид:
(4.3)
где
Рвн - ветровая нагрузка на несущий трос, даН/м;
К
- см.пункт 4 формулу (4.2);
Тв - натяжение несущего троса в режиме ветра наибольшей
интенсивности, даН;
l - длина пролета, м;
hu
- длина гирлянды подвесных изоляторов и крепительных деталей для несущего
троса, м. Определяется по [2] (hu
=0,55 м);
q - результирующая
нагрузка на несущий трос цепной подвески в режиме ветра наибольшей
интенсивности, даН/м;
gk
- нагрузка от силы тяжести контактного провода, (см.пункт 2, раздел 2.1,
формула 2.1), даН/м;
jн - прогиб опоры под действием ветра на уровне
крепления несущего троса, [2], м, (jн =0,015);
lср - средняя длина струн в средней части пролета, м.
Определяется по формуле:
(4.4)
где
h0 -
конструктивная высота цепной подвески, [2], (h0 =1,8 м);
g - нагрузка от силы тяжести цепной подвески, (см.пункт 2,
раздел 2.1, формула 2.1), даН/м;
T0 - натяжение несущего троса при беспровесном состоянии
контактного провода, (см.пункт 3), даН;
а
- длина зигзага, (а=0,3 - на прямых;
а=0,4 - на кривых).
Для
главного пути станции
Для
главного пути перегона
Для
главного пути на насыпи
Для
второстепенного пути станции
Для
главного пути на перегоне с кривой R=500 м
Для
главного пути перегона с кривой R=900 м
Для
главного пути на насыпи с кривой R2=900 м
Для
главного пути на насыпи с кривой R3=1200 м
Полученные
значения длин участков сводим в таблицу.
Допустимые
длины пролетов
Таблица
4.1
|
Место расчета
|
Рэ=0
|
Рэ#0
|
Принимаем
|
|
1. Главные пути станции
|
78,68
|
75,298
|
70
|
|
2. Главные пути перегона
|
68,417
|
65,442
|
67
|
|
3. Главные пути на насыпи
|
62,944
|
60,234
|
50
|
|
4. Второстепенные пути
станции
|
75,823
|
77,022
|
70
|
|
5. Перегон кривая R1
|
49,435
|
48,462
|
40
|
|
6. Перегон кривая R2
|
60,093
|
58,948
|
50
|
|
7. Перегон кривая R3
|
65,152
|
63,737
|
55
|
|
8. Перегон кривая R2
на насыпи
|
58,009
|
56,831
|
50
|
|
9. Перегон кривая R3
на насыпи
|
62,52
|
61,086
|
55
|
5.РАЗРАБОТКА СХЕМ ПИТАНИЯ И
СЕКЦИОНИРОВАНИЯ СТАНЦИИ
Схема питания и секционирования контактной сети должна обеспечивать: наименьшие
потери напряжения и энергии в сети при нормальном режиме работы
электрифицированного участка; минимальные нарушения графика движения поездов
при выходе из работы какой-либо секции контактной сети. На отечественных
магистральных железных дорогах предусматривается только двустороннее питание
фидерных зон. При одностороннем питании небольших по длине участков
проектируются шунтирующие линии.
При составлении схем секционирования предусматривают продольное и
поперечное секционирование и секционирование с обязательным заземлением
отключенной секции. Продольное секционирование предусматривает разделение
контактной сети станций перегонов у каждой тяговой подстанции и поста
секционирования. Если на станции расположена тяговая подстанция, то все
станционные пути питаются от одного фидера, который является резервным для
питания любого из перегонов. Деповские пути также питаются от отдельного
фидера. Продольное секционирование осуществляется изолирующими сопряжениями на
участках постоянного тока и изолирующими сопряжениями с нейтральной вставкой -
на участках переменного тока.
В схеме секционирования контактной сети должно быть использовано как
можно меньше секционных изоляторов и разделителей. На станциях в отдельные
секции выделяются электрифицированные парки и горловины.
При поперечном секционировании предусматривается разделение контактных
подвесок главных путей и перегонов. Если к главному пути примыкает более трех
путей, то их выделяют в отдельную секцию. В гололедных районах, кроме первого,
контактная подвеска по каждому главному пути должна иметь одинаковое сечение
для составления схем и равномерного нагрева проводов при плавке гололеда.
Секционирование с обязательным заземлением отключаемой секции
осуществляют для погрузочно-разгрузочных путей; в местах снабжения пассажирских
поездов водой и налива емкостей через верх; осмотра оборудования и отстоя
электроподвижного состава; электродепо и пунктов экипировки. Заземление
отключенной секции осуществляется специальным секционным разъединителем с
заземляющим ножом и ручным приводом. На участках переменного тока при
дистанционном управлении предусматривается два разъединителя, один из которых
включается на землю. Приводы этих разъединителей сблокированы так, что
одновременное их включение невозможно. Поперечное секционирование
осуществляется секционными изоляторами. Электрическое соединение секций
производят секционными разъединителями.
На питающих фидерах постоянного тока, если его длина более 150 м и менее
750 м, предусматривается включение линейного разъединителя с ручным приводом.
При длине более 750 м разъединитель оборудуют моторным приводом.
Питающие линии переменного тока во всех случаях присоединяют к контактной
сети линейными разъединителями с двигательным приводом.
На схемах питания и секционирования указывается нормальное положение
разъединителей. Продольные разъединители обозначают первыми буквами русского
алфавита: А, Б, В, Г и т.д.; поперечные - буквой П; разъединители питающих
линий - буквой Ф; разъединители с заземляющим контактом - буквой З; прочие разъединители
- буквой Р; деповские разъединители - буквой Д. К каждой из указанных букв в
случае необходимости добавляют цифровой индекс, соответствующий номерам путей,
направлений, фидеров. Разъединителям, питающим четные пути, присваивается
четный индекс, для разъединителей нечетных путей - нечетный индекс.
Схема секционирования данной станции представлена на рисунке 5.1
6.СОСТАВЛЕНИЕ ПЛАНА КОНТАКТНОЙ СЕТИ СТАЦИИ
План контактной сети станции составляется на миллиметровой бумаге в
масштабе 1:1000. Ось главного пути изображают прямой линией, на которую наносят
ось пассажирского здания и через каждые 100 м обозначают станционные пикеты. В
общем случае план контактной сети станции обычно разрабатывают в следующей
последовательности: размещение опор в горловинах станции и у пешеходного моста;
разбивка анкерных участков [2] с.317; расстановка зигзагов; трассировка
питающих и отсасывающих фидеров; выбор опор, типовых поддерживающих и
фиксирующих устройств; обработка плана контактной сети и составление спецификаций.
Расстояние до искусственных сооружений и центров стрелочных переводов
даны от оси пассажирского здания.
Вначале необходимо на линии главного пути отметить точку центра перевода
и от нее под углом 1/11 (1/11 - тангенс угла между контактными проводами пересекающихся
подвесок воздушной стрелки) провести тонкую линию. Затем параллельно главному
пути на расстоянии междупутья провести линии остальных путей.
Установку опор необходимо начинать с горловин станции. Для этой цели
намечаются места фиксации пересекающихся контактных проводов на воздушных
стрелках. На с.319 [2] приведены расстояния от центра переводов до наилучшего
расположения фиксирующих устройств. При этом по возможности в этих местах лучше
располагать опоры с жесткими поперечинами или с консолями. Это даст возможность
в дальнейшем выполнять зигзаги контактных проводов от осей сходящихся путей
величиной 330-400 мм, что является необходимым условием надежного
взаимодействия токоприемника и контактных проводов. Переходная опора сопряжения
должна быть не ближе 5 м от входного сигнала в сторону станции, а воздушный
промежуток должен быть размещен между входным сигналом и первой стрелкой, в
противном случае сигнал можно перенести за пределы промежутка. Длину переходных
пролетов уменьшают на 25 % по отношению к наибольшему допустимому. От горловины
станции до пешеходного мостика и пролета средней анкеровки длины пролетов
выполняются наибольшими. Пролет средней анкеровки уменьшается на 10 % от
смежной наименьшей.
В зоне переходного мостика контактную подвеску, как правило, пропускают
под ним без дополнительных изоляционных узлов. Разница в длине двух соседних
пролетов при полукомпенсированных подвесках не должна превышать 25% длины
большего пролета. Средние анкеровки размещают таким образом, чтобы обеспечивалась
одинаковая компенсация обеих половин анкерного участка. При длине анкерного
участка менее 800 м применяется компенсация без средней анкеровки. На главном
пути, если длина анкерного участка более 1600 м, предусматривается эластичное
сопряжение, т.е. два анкерных участка. Съезды выделяют в отдельные анкерные
участки. Необходимо иметь в виду, что из всех возможных вариантов выбирается
тот, при котором будет установлено наименьшее количество несущих и фиксирующих
опор.
Анкерная опора, расположенная со стороны перегона, должна располагаться
не далее 300 м от центра перевода первой стрелки. При параллельном расположении
от трех до семи путей следует применять жесткие поперечины. Опоры в пределах
разгрузочных платформ и складских помещений следует располагать по их краям.
При невозможности выполнения такого варианта опоры и стойки жестких поперечин
могут быть установлены в междупутьях, если их ширина будет 6 м между главными
путями и 5,4 м между другими путями станции.
Питающие и отсасывающие фидеры тяговых подстанций подвешиваются на опорах
контактной сети и в исключительных случаях на самостоятельных опорах или
прокладываются кабельными. Фидеры подвешиваются на станционных консолях с
внешней стороны опор. Расстояние от проводов контактной подвески до фидера не
должно быть менее 2 м. Необходимо также выполнить трассировку линий «два
провода - рельс» (ДПР) при переменном токе или воздушной линии (ВЛ) 10 Кв при
постоянном токе. При этом следует иметь в виду, что они должны быть расположены
на других опорах контактной сети, например, с другой стороны станции. Переходы
воздушных линий через контактные сети путей осуществляют подставками к
железобетонным опорам или устанавливают металлические опоры увеличенной высоты.
На дополнительных опорах высотой 15 м может быть подвешено не более четырех
различных линий, по две на противоположных сторонах опор.
Обработка плана контактной сети станции производится в соответствии с
принятой схемой секционирования. Указываются места установки секционных
изоляторов, секционных разъединителей, продольных и поперечных электрических
соединителей. Разрядники необходимо устанавливать согласно рекомендаций,
приведенных [4] на с.138. Опоры нумеруются в направлении по ходу счета
километров, начиная с первой анкерной опоры изолирующего сопряжения в начале
станции. Допускается проставление типов опор и поддерживающих конструкций на
плане против каждой опоры в таблице спецификаций или на вертикальных линиях
после габарита и пикетажа опор. Составление плана контактной сети станции
заканчивается составлением таблиц спецификаций: анкерных участков, опор,
жестких поперечин, консолей и фиксаторов. Указывается при этом марка, тип и
количество соответствующих устройств.
7.СОСТАВЛЕНИЕ ПЛАНА КОНТАКТНОЙ СЕТИ ПЕРЕГОНА
План контактной сети перегона выполняют в масштабе 1:2000 и в следующей
последовательности: разбивка опор; разбивка анкерных участков и зигзагов;
трассировка усиливающих и других проводов; выбор типов опор и поддерживающих
конструкций; обработка плана контактной сети и составление спецификаций.
Ось пути изображают прямой линией, на которой на носят условные
обозначения искусственных сооружений, переезда, моста и железобетонной трубы.
Ниже этих прямых размещают спрямленный план линии, на котором показывают
кривые, их длины и радиусы. Через каждые 100 м вертикальными линиями размечают
пикеты, нумерация которых соответствует общему счету километров. Снизу и сверху
пути оставляются места для размещения таблиц или высоких линий, в которых
указывается все необходимые данные после обработки плана перегона.
План перегона начинается с входного сигнала станции, до которого
устраивается 3-пролетное изолирующее сопряжение анкерных участков. Расстановку
опор проводят до насыпи моста. Искусственные сооружения, переезды,
железобетонные трубы, пересечения линий переносят на условные прямые линии.
В таблице, при составлении плана, вдоль всего перегона приводят все
необходимые данные: пикетаж искусственных сооружений, габариты и типы опор, тип
консолей и фиксаторов. На двухпутном участке опоры располагают в створе по
обеим путям. Разбивку опор производят пролетами, полученными при расчете и
возможно наибольшими. Примерно намечают места расположения всех анкеровок и
пролета средней анкеровки. Мост с ездой по низу обычно выделяется в отдельную
секцию, поэтому устраивают изолированные сопряжения анкерных участков.
Расстановку зигзагов начинают с кривых участков пути, после чего зигзаги
расставляют на прямых участках. Односторонние зигзаги не допускаются,
необходимо установить один нулевой зигзаг. Усиливающие провода подвешиваются на
кронштейнах с полевой стороны опор. Если это сделать невозможно из-за прохода
ДПР или ВЛ-10 Кв, то усиливающий провод подвешивается на консоли вблизи
несущего троса. На переходных опорах сопряжений (изолирующих и эластичных)
предусматривается установка двух консолей и двух фиксаторов.
На план контактной сети перегона наносят специальные разъединители,
разрядники, поперечные и продольные электрические соединители. В середине
каждого пролета указывается его длина. Обозначаются длины анкерных участков.
В заключении плана контактной сети перегона составляется таблица
спецификаций, куда включаются: анкерные участки, опоры, консоли и фиксаторы.
Указывается тип проводов и их длина, а также типы и количество опор, консолей и
фиксаторов.
Сигналы, сооружения и кривые
Начало кривой R1=500 м центр
справа по
ходу километров 25 км, 2+60
конец кривой 4+82
ось каменной трубы с отверстием 1,1 м 5+16
начало кривой R2=900 м центр
справа по 5+30
ходу километров
конец кривой 26 км, 2+60
мост через реку пикет оси моста 4+10
с ездой по низу длина моста в м 152
ось железобетонной трубы с отверстием 3,5 м 6+20
начало кривой R3=1200 м центр
слева 7+65
по ходу километров
конец кривой 27 км, 2+16
входной сигнал следующей станции 6+54
ось переезда шириной 6м 7+56
первая стрелка следующей станции 8+16
План контактной сети перегона представлен на рисунке 7.1, с.3
8.РАСЧЕТ АНКЕРНОГО УЧАСТКА
ПОЛУКОМПЕНСИРОВАННОЙ ЦЕПНОЙ ПОДВЕСКИ
Расчет выполняется для анкерного участка на главном пути станции. В объем
расчета входят: построение монтажных кривых для нагруженного и ненагруженного
несущего троса и контактного провода, а также определение натяжений несущего
троса при гололеде с ветром и ветре наибольшей интенсивности, определение стрел
провеса контактного провода.
Расчет производится в следующей последовательности (§ 6.3 [2] ):
.1.Определение эквивалентного пролета lэ:
(8.1)
где
li - длина i-го пролета.
Длины
пролета анкерного участка:
,52,70,70,40,43,42,48,52,65,58,59,58,70,62,62,62,63,62,62,62
.2.Установление
исходного режима, при котором будет наибольшее натяжение несущего троса. Для
этой цели необходимо определить критический пролет по формуле
(8.2)
где
Zmax - наибольшее
приведенное натяжение подвески, даН/м;
Wгл , Wtmin -
соответственно приведенные нагрузки на подвеску при гололеде tгл и низшей температуре
tmin, даН/м;
αн - коэффициент
линейного расширения материала несущего троса, ◦С-1;
tгл - расчетная температура гололедных образований, ◦С,
(tгл = -5ºС);
tmin
- наименьшая температура окружающей среды, ◦С, (tmin = -40ºС).
Приведенные
величины Zx u
Wx определяются из следующих выражений (для режима Х):
(8.3)
(8.4)
где
qx, g0 - соответственно результирующая нагрузка, действующая
на несущий трос в режиме Х и нагрузка от силы тяжести подвески, даН/м;
К
- натяжение контактного провода
(проводов), даН/м;
Т0 - натяжение несущего троса при беспровесном положении
контактного провода, даН/м;
Φх -
конструктивный коэффициент цепной подвески, определяемый по формуле:
(8.5)
где
l - длина пролета, м;
С - расстояние от опоры до ветровой нерессорной струны.
Определяется следующим образом. Если, например, lэкв=60м и
расстояние между струнами подвески равно 10м, то С=10м.
Если
в результате расчета получилось lэкв>lкр, то исходным будет режим гололеда с ветром, т.е.
наибольшее натяжение несущего троса Tmax
возникает в этом режиме. Если lэкв<lкр - исходный режим при
наименьшей температуре. Проверку правильности выбора исходного режима
необходимо провести при сравнении результирующей нагрузки на несущий трос
цепной подвески в режиме гололеда с ветром qгл (берется из пункта 2, раздел 2.6, формула 2.10) с
критической нагрузкой qкр
[2].
Для
медных несущих тросов - 24α=408∙10-6 1/ºС;
Для
ПБСМ несущих тросов - 24α=319∙10-6 1/ºС
МФ85 МФ100 ПБСМ70 М95
αЕнSн(даН/ºС) = 18,42 21,68 16,48 20,37
lэкв<lкр,
следовательно
исходный режим при наименьшей температуре.
qгл<qкр,
следовательно
исходный режим выбран верно.
.3.Определение
температуры беспровесного состояния контактного провода t0. В расчетах
принимают:
(8.6)
где
t’ -
коррекция на отжатие контактного провода токоприемником в середине пролета. При
одном контактном проводе t’
=10-15◦С,
t’ =0 ◦С - для полукомпенсированной подвески с
рессорным тросом.
ºС.
.4.Определение
натяжения несущего троса при беспровесном положении контактного провода (Т0
). Натяжение Т0 в этом случае может быть определенно по
уравнению состояния свободно подвешенного провода, записанное относительно
температуры беспровесного состояния контактного провода t0:
(8.7)
где
q - результирующая
нагрузка (если исходным режимом является режим наименьших температур, то q=gn; если исходным режимом является режим Гололеда с
ветром, то q=qгл);
Тmax - наибольшее натяжение несущего троса, [2], даН;
αн -
см.пункт 8, раздел 8.2, формула 8.2, ◦С-1;
Ен
- модуль
упругости, МПа;
Sн - фактическая площадь сечения, мм2;
lэ - эквивалентный пролет (см.пункт 8, раздел 8.1,
формула 8.1), м;
g0 - см.пункт 2, раздел 2.1, формула 2.1, даН/м;
T0 - см.пункт 8, раздел 8.2, формула 8.4, даН/м.
В
практических расчетах проводов и тросов часто возникает необходимость вычислять
произведения 24α
и Αes , а также
обратные им величины. В целях облегчения расчетов значения указанных величин
для некоторых проводов, тросов и проволок приведены в пункте 8.2.
В
этом выражении величины с индексом «1» относят к режиму наибольшего натяжения
несущего троса, а с индексом «0» - к режиму беспровесного состояния контактного
провода. Решение управления начинается с задания величины Т0,
приведенного в разделе 3. Далее пользуясь линейной интерполяцией, определяют
это натяжение, соответствующее ранее выбранной температуре t0.
.5.Натяжение
разгруженного Трх (без контактного провода) несущего троса
определяется по уравнению состояния цепной подвески и удобно рассчитывать так:
(8.8)
где
где
gн -
нагрузка от силы тяжести несущего троса (см.пункт 2, раздел 2.1, формула 2.1), даН/м;
g0 - нагрузка от силы тяжести подвески (если исходным
режимом является режим наименьшей температуры, то g0=g0);
αн Ен
Sн -
см.пункт 8, раздел 8.1, даН/◦С;
Значение
А0 в (8.8) равно значению трех первых слагаемых уравнения
(8.7), поэтому здесь А0 вычислять не следует. Для построения
монтажной кривой Трх=f(tx) задаются
несколькими значениями Трх . Вид этой кривой показан на
рис.8.1.
для
tx =
tmin= -40ºC,
при Трх1=1600 даН
-
для tx =
t0= -13ºC,
при Трх2=1150 даН
для
tx =
tгл= -5ºC, при Трх3=1000
даН
для
tx =
tв= +5ºC, при Трх4=850
даН
для
tx =
tmax= +35ºC,
при Трх=550 даН
.6.Стрелы
провеса разгруженного несущего троса Fрх в различных пролетах анкерного участка
(8.9)
где gн - см.пункт 2, раздел 2.1, формула
2.1, даН/м.
По результатам расчетов для всех i-х пролетов строятся зависимости Fрх =f(tx), рис.8.1.
Для lmin=40 м
- для tx1 = -37,79 ºC, при Трх1=1600 даН
для
tx =
-13,692ºC,
при Трх2=1150 даН
для
tx -4,91 ºC, при Трх3=1000
даН
для
tx = +4,7 ºC, при Трх4=850
даН
для
tx =+31,1 ºC, при Трх5=550
даН
Для
lmax=70 м
-
для tx1 = -37,79 ºC,
при Трх1=1600 даН
для
tx = -13,692ºC, при Трх2=1150
даН
для
tx -4,91 ºC, при Трх3=1000
даН
для
tx = +4,7 ºC, при Трх4=850
даН
для
tx =+31,1 ºC, при Трх5=550
даН
Для
lэ=60 м
-
для tx1 = -37,79 ºC,
при Трх1=1600 даН
для
tx = -13,692ºC, при Трх2=1150
даН
для
tx -4,91 ºC, при Трх3=1000
даН
для
tx = +4,7 ºC, при Трх4=850
даН
для
tx =+31,1 ºC, при Трх5=550
даН
.7.Натяжение
нагруженного несущего троса в зависимости от температуры:
(8.10)
где
А0 - имеет то же значение, что и выше (см.пункт 8, раздел
8.5, формула 8.8).
Ен - модуль упругости, МПа;
Sн - фактическая площадь сечения, мм2;
в
этой формуле результирующая нагрузка qx=g0 (так
как исходным режимом является режим наименьших температур); В результате
расчетов строятся зависимости Тх=f(tx), рис.8.1.
Кроме
этого, рассчитываются натяжения несущего троса при режимах гололеда с ветром Тгл
и при ветре наибольшей интенсивности Тв.
Для
этой цели по формулам (8.10) величины с индексом Х относят к ответствующему
режиму. Полученные значения наносят на график рис.8.1,
для
tx =
tmin= -40 ºC,
при Тx1=1800 даН
-
для tx =
t0= -13 ºC, при Тх2=1360
даН
-
для tx =
tгл= -5 ºC, при Тх3=1250
даН
-
для tx =
tв= +5 ºC, при Тх4=1130
даН
-
для tx =
tmax= +35ºC,
при Тх5=860 даН
8.9.Стрелы провеса контактного провода в пролетах анкерного участка
(8.12)
где
F0 -
стрела провеса несущего троса при беспровесном положении контактного провода,
м.
Полученные
зависимости имеют вид, показанный на рис.8.1, с.52.
Для
lmin=40 м
для
tx =
-40
ºC
для
tx =
-13 ºC
-
для tx = -5 ºC
-
для tx = +5 ºC
-
для tx = +35 ºC
Для
lmax=70 м
для
tx =
-40
ºC
для
tx =
-13 ºC
-
для tx = -5 ºC
-
для tx = +5 ºC
-
для tx = +35 ºC
Для
lэ=60 м
для
tx =
-40
ºC
для
tx =
-13 ºC
-
для tx = -5 ºC
-
для tx = +5 ºC
-
для tx = +35 ºC
Результаты
расчетов 8 пункта сводятся в табл.8.1 для построения монтажного графика
Таблица
8.1
|
|
Длина
|
Температура tx,ºC
|
|
|
пролета
|
tmin=
-40
|
t0=-13
|
tгл=
-5
|
tв=
+5
|
tmax=
+35
|
|
Натяжение разгру-
|
|
1600
|
1150
|
1000
|
850
|
550
|
|
женного НТ Трх
|
|
|
|
|
|
|
|
Натяжение нагру-
|
|
1800
|
1360
|
1250
|
1130
|
860
|
|
женного НТ Тх
|
|
|
|
|
|
|
|
Стрела провеса
|
lmin=40
м
|
0,104
|
0,145
|
0,167
|
0,196
|
0,303
|
|
разгруженного НТ
|
lmax=70
м
|
0,319
|
0,444
|
0,511
|
0,601
|
0,929
|
|
Fрх
|
lэ=60
м
|
0,235
|
0,326
|
0,375
|
0,442
|
0,682
|
|
Стрела провеса
|
lmin=40
м
|
0,209
|
0,266
|
0,285
|
0,31
|
0,385
|
|
нагруженного НТ
|
lmax=70
м
|
0,659
|
0,865
|
0,928
|
1,111
|
|
Fх
|
lэ=60
м
|
0,481
|
0,598
|
0,637
|
0,685
|
0,827
|
|
Стрелы провеса КП
|
lmin=40
м
|
-0,014
|
0
|
0,005
|
0,011
|
0,03
|
|
lmax=70
м
|
-0,079
|
0
|
0.026
|
0,058
|
0,152
|
|
lэ=60
м
|
-0,052
|
0
|
0.017
|
0,039
|
0,102
|
Монтажный график представлен на рисунке 8.1.
9.ВЫБОР СПОСОБА ПРОХОДА ПОДВЕСКИ В
ИССКУСТВЕННЫХ СООРУЖЕНИЯХ
.1. На станции под пешеходным мостиком проход контактной подвески может
быть осуществлен тремя способами:
использование искусственного сооружения в качестве опоры [2];
пропуск подвески без крепления к искусственному сооружению;
в несущий трос включается изолированная вставка, которая крепится к
искусственному сооружению.
Без крепления подвески к искусственному сооружению необходимо выполнить
следующее условие:
(9.1)
где
h - расстояние
от уровня головок рельсов до нижнего края искусственного сооружения; hkmin =5.75м - наименьшая допустимая высота контактных
проводов над уровнем головок рельсов; fk max =
0,152 м - наибольшая стрела провеса контактных проводов при Fk max;
lmin = 0,3м - наименьшее расстояние между несущим тросом и
контактным проводом в середине пролета;
Fmax
=1,11м- наибольшая стрела провеса несущего троса;
Fmin
= 0,209м- наименьшая стрела провеса несущего троса;
ymin
= 0,15м - подъем несущего троса при низшей температуре на расстоянии Х от
середины пролета.
Условие сходиться, следовательно монтаж подвески
будет осуществляться без крепления подвески к пешеходному мостику.
9.2. На перегоне контактная подвеска на
мосту с ездой по низу для компенсированной подвески будет осуществляться с
помощью поворотной консоли:
где hи -
длина изоляторного звена или гирлянды.
Рис 9.1. Схема установки на мостах с ездой понизу поворотной консоли
10.РАСЧЕТ И ВЫБОР ОПОР КОНТАКТНОЙ СЕТИ
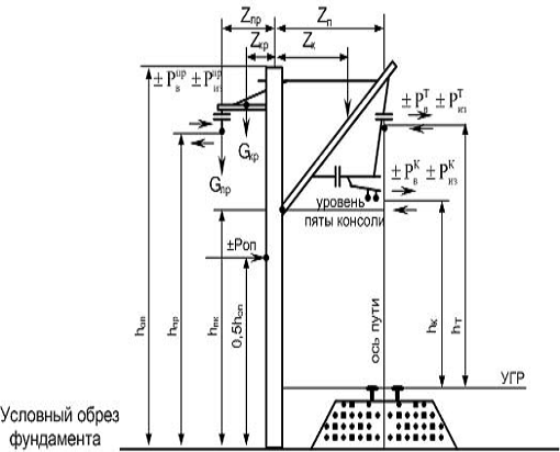
10.1.Составляется схема нагружения опоры (рис.10.1).
Рисунок 10.1
Расчетная схема для расчета и выбора опор
.2.Рассчитываются нагрузки от внешних воздействий в режимах: ветер
наибольшей интенсивности; гололед с ветром;
Величины нагрузок при различных режимах сводятся в табл.10.1.
Таблица 10.1
Значение линейных нагрузок
|
|
|
|
|
Значения нагрузок при
режимах
|
|
№
|
Виды нагрузок
|
Размер-
|
Участок
|
гололеда
|
ветер наибольшей
|
|
п/п
|
|
ность
|
|
с ветром
|
интенсивности
|
|
1
|
Нагрузка от силы
|
|
станция
|
3,842
|
1,807
|
|
|
тяжести подвески
|
даН/м
|
перегон
|
3,842
|
1,807
|
|
|
|
|
насыпь
|
4,547
|
1,807
|
|
2
|
Ветровая нагрузка
|
|
станция
|
0,605
|
0,77
|
|
|
на НТ
|
даН/м
|
перегон
|
0,801
|
1,03
|
|
|
|
|
насыпь
|
0,946
|
1,2
|
|
3
|
Ветровая нагрузка
|
|
станция
|
0,567
|
0,97
|
|
|
на КП
|
даН/м
|
перегон
|
0,75
|
1,3
|
|
|
|
|
насыпь
|
0,886
|
1,5
|
|
4
|
Нагрузка от силы
|
|
станция
|
1,509
|
0,145
|
|
|
тяжести
|
даН/м
|
перегон
|
1,509
|
0,145
|
|
|
Провода (ПЭ)
|
|
насыпь
|
2,07
|
0,145
|
|
5
|
Ветровая нагрузка
|
|
станция
|
0,547
|
0,387
|
|
|
На ПЭ
|
даН/м
|
перегон
|
0,723
|
0,512
|
|
|
|
|
насыпь
|
0,855
|
0,605
|
|
6
|
Нагрузка от силы
|
даН/м
|
|
100
|
60
|
|
|
тяжести консоли
|
|
|
|
|
|
7
|
Нагрузка от силы тяжести
|
|
|
|
|
|
|
кронштейна с
|
даН/м
|
|
70
|
40
|
|
|
изоляторами
|
|
|
|
|
Длины пролетов для расчета опор по типу:
Промежуточные опоры
lэ=60 м - станция;
l= lmax=49 м - кривая на перегоне R=500
м;
Переходные опоры
-
станция;
- Перегон;
-насыпь;
Анкерные опоры lст=70
м - станция.
Вертикальная нагрузка от силы тяжести подвески в режиме Х:
(10.1)
где
gx - нагрузка от силы тяжести подвески, даН/м; l
- длина пролета, равная полусумме
длин смежных пролетов, м; Gu = 15 - нагрузка
от силы тяжести изоляторов, даН; Gф =15- нагрузка от силы тяжести половины фиксаторного
узла, даН.
10.3.
Нагрузка от силы тяжести подвески
Промежуточные опоры
Режим
гололеда с ветром:
Промежуточная
опора на станции l=lэ=60м, главный путь:
Промежуточная
опора на станции l=lэ=60м,
второстепенный путь:
Промежуточная
опора на перегоне, прямой участок l=67м
Промежуточная
опора на насыпи, прямой участок l=50м
Промежуточная опора на перегоне R1=500м; l=49м:
Режим ветра наибольшей интенсивности:
Промежуточная
опора на станции l=lэ=60м,
главный путь:
Промежуточная
опора на станции l=lэ=60м,
второстепенный путь:
Промежуточная
опора на перегоне, прямой участок l=67м
Промежуточная
опора на насыпи, прямой участок l=50м
Промежуточная опора на перегоне R1=500м; l=49м:
Анкерные опоры
В режиме гололеда с ветром
Анкерные опоры главный путь станции,l=70м
Анкерная опора, второстепенный путь станции, l=70м
Все остальные анкерные опоры принимаются как
промежуточные
В режиме ветра наибольшей интенсивности
Анкерные опоры главный путь станции, l=70м.
Анкерные
опоры, второстепенный путь станции, l=70м
Все остальные анкерные опоры принимаются как
промежуточные.
Переходные опоры:
При режиме гололеда с ветром
Переходные
опоры, главный путь станции
Переходные
опоры, второстепенный путь станции
Переходные
опоры на перегоне, прямой участок
Переходные
опоры на насыпи, прямой участок
Переходные
опоры на перегоне, R1=500м.
При режиме ветра наибольшей интенсивности:
Переходные
опоры, главный путь станции
Переходные
опоры, второстепенный путь станции
Переходные
опоры на перегоне, прямой участок
Переходные
опоры на насыпи, прямой участок
Переходные
опоры на перегоне, R1=500м.
10.4.
Вертикальная нагрузка от силы тяжести линии продольного электроснабжения (ПЭ):
(10.2)
где
gпрх -
нагрузка от силы тяжести проводов линии электроснабжения;
Gи =15- нагрузка от силы тяжести изоляторов, даН.
Режим гололеда с ветром:
Промежуточные опоры
Главный путь станции l=60м
Перегон, прямой участок l=67м
Насыпь, прямой участок l=50м
Перегон, кривая R1=500м
Анкерная опора на станции l=70м.
Переходные опоры
главный
путь станции
на
перегоне, прямой участок
на
насыпи, прямой участок
на
перегоне, R1=500м.
Режим ветра наибольшей интенсивности:
Промежуточные опоры:
Главный путь станции l=60м
Перегон, прямой участок l=67м
Насыпь, прямой участок l=50м
Перегон, кривая R1=500м
Анкерная опора на станции l=70м.
Переходные опоры
главный
путь станции
на
перегоне, прямой участок
на
насыпи, прямой участок
на
перегоне, R1=500м.
10.5 Нагрузка на провода контактной сети от
ветра, передающиеся на опорные устройства.
(10.3)
где
Рвх - ветровая нагрузка на i-ый провод (см.
пункт 2, разделы 2.3; 2.4, формулы 2.5; 2.6), даН/м.
Промежуточные опоры:
Режим гололеда с ветром
На станции, прямой участок, l=60м
НТ
КП
ПЭ
На станции, второстепенный путь l=60м:
НТ
КП
На перегоне, прямой участок,l=67м
НТ
КП
ПЭ
НТ
КП
ПЭ
На перегоне, кривая R1=500м
НТ
КП
ПЭ
Анкерные опоры:
Главные пути станции,l=70м
НТ
КП
ПЭ
На станции, второстепенный путь l=70м:
НТ
КП
Все остальные анкерные опоры принимаем как
промежуточные
Переходные опоры
главный
путь станции 
НТ
КП
ПЭ
На станции, второстепенный путь l=61,25м:
НТ
КП
на
перегоне, прямой участок
НТ
КП
ПЭ
на
насыпи, прямой участок
НТ
КП
ПЭ
на
перегоне, R1=500м.
НТ
КП
ПЭ
Режим ветра наибольшей
интенсивности:
На станции, прямой участок, l=60м
НТ
КП
ПЭ
На станции, второстепенный путь l=60м:
НТ
КП
На перегоне, прямой участок,l=67м
НТ
КП
ПЭ
На насыпи, прямой участок l=50м
НТ
КП
ПЭ
На перегоне, кривая R1=500м
НТ
КП
ПЭ
Анкерные опоры:
Главные пути станции,l=70м
НТ
КП
ПЭ
На станции, второстепенный путь l=70м:
НТ
КП
Все остальные анкерные опоры принимаем как
промежуточные
Переходные опоры
главный
путь станции
НТ
КП
ПЭ
На станции, второстепенный путь l=61,25м:
НТ
КП
на
перегоне, прямой участок
НТ
КП
ПЭ
на
насыпи, прямой участок
НТ
КП
ПЭ
на
перегоне, R1=500м.
НТ
КП
ПЭ
.6.
Усилие на опору от изменения направления провода на кривой
(10.4)
где Нix - натяжение i-го провода в режиме Х, даН; R - радиус кривой, м.
Учитывая что натяжение равно: Ннт1-1600даН,
Нкп1-1000даН, Нпэ1-300даН.
Гололед с ветром
Промежуточные опоры R1=500м,
l=49м
НТ
КП
ПЭ
Усилие
на анкерные опоры принимается такое как на промежуточные опоры.
Переходные
опоры R1=500м , l=61,25м
НТ
КП
ПЭ
Ветер наибольшей интенсивности
Учитывая что
Ннт2=0,75* Ннт1=0,75*1600=1200даН
Нкп2=0,75* Нкп1=0,75*1000=750даН
Нпэ2=0,75* Нпэ1=0,75*300=225даН
Промежуточные опоры
НТ
КП
ПЭ
Усилие
на анкерные опоры принимается такое как на промежуточные опоры.
Переходные
опоры R1=500м, l=61,25м
НТ
КП
ПЭ
10.7. Усилие на опору, обусловленное изменением направления проводов при
их отводах на анкеровку:
(10.5)
где
Z = Г+0,5Б; Г-
габарит опоры (расстояние от оси пути до передней грани опоры), Г=3,3 м;
Б - ширина опоры, Б=0,432 м.
Учитывая
что натяжение равно: Ннт-1120даН, Нкп1-1000даН
Гололед с ветром
Переходные опоры на главном пути станции, l=61.25м
НТ
КП
Переходные
опоры на главном пути перегона, l=58,625м
НТ
КП
Переходные
опоры на главном пути насыпи, l=43,75м
НТ
КП
Ветер наибольшей интенсивности
Учитывая что
Ннт2=0,75* Ннт=0,75*1120=840даН
Нкп2=0,75* Нкп1=0,75*1000=750даН
НТ
КП
Переходные опоры на главном пути перегона, l=58,625м
НТ
КП
Переходные
опоры на главном пути насыпи, l=43,75м
НТ
КП
Усилие
от зигзага контактных проводов:
(10.6)
где
К - натяжение контактного провода, даН;
а
- величина зигзага контактного
провода, м
Анкерная
опора на станции:
Промежуточная опора на станции:
Главный путь перегона прямой участок
Главный
путь насыпи, прямой участок
Перегон,
кривая R1=500м
10.8.Нагрузка от ветра на опору:
(10.7)
где
Сх=0,7 - аэродинамический коэффициент (для железобетонных
опор, [3] с.30); Vp - расчетная скорость ветра, м/с; Sоп - площадь
поверхности, на которую действует ветер:
(10.8)
где
d=0,29, D =0,432
- верхний и нижний диаметры опоры, м;
h=9,6 -высота
опоры, м.
Vгл=12,5м/с; Vгл=14,375м/с; Vгл=15,625/с
Vв=25м/с; Vв=28,75м/с; Vв=31,25м/с
Гололед
с ветром
Станция
Перегон
Насыпь
Ветер
наибольшей интенсивности
Станция
Перегон
Насыпь
10.9.
Суммарный изгибающий момент от внешних сил относительно обреза фундамента в
режиме Х:
(10.9)
где
zп -
габарит подвески, м; zкон - длина плеча нагрузки консоли, 1,8 м;
zкр - длина плеча нагрузки кронштейна, 1,3 м; zпр - длина плеча
нагрузки провода (ПЭ), 1,7 м; hн, hк, hпр -
расстояние от условного обреза фундамента(УОФ) до несущего троса, контактного
провода и провода линии ПЭ соответственно, hн=9м, hк=7м, hпр=9,7м; hоп - расстояние
от УОФ до середины опоры, 4,8 м; nN - количество подвесок; nкон - количество консолей;
nпр -
количество проводов ПЭ; nкр -
количество кронштейнов; Рiвх - нагрузка на провода контактной сети от ветра,
предающаяся на опорные устройства, даН; Рiиз -
ветровая нагрузка действующая на опору от изменения направления ветра i(Риз=Ранк при отводе провода на анкеровку; Риз=Ркр
при изменения направления провода на кривой; Риз=Рз
- при изменении направления провода на зигзагах), даН; Роп -
нагрузка от ветра на опору, даН.
Промежуточные
опоры на прямой
Гололед
с ветром
Станция
Перегон
Насыпь
Ветер
наибольшей интенсивности
Станция
Перегон
Насыпь
Промежуточные
опоры на кривой (внешняя сторона)
Гололед
с ветром
R1=500м
Ветер
наибольшей интенсивности
R1=500м
Промежуточные
опоры на кривой (внутренняя сторона)
Гололед
с ветром
R1=500м
Ветер
наибольшей интенсивности
R1=500м
Переходные
опоры на прямой
Гололед
с ветром
Станция

Перегон
Насыпь
Ветер
наибольшей интенсивности
Станция
Перегон
Насыпь
Анкерные
опоры
Гололед
с ветром
Ветер
наибольшей интенсивности
Изгибающий
момент относительно пяты консоли для переходной опоры в этом режиме:
(10.10)
где
h - высота опоры, м; hпт - высота пяты консоли, м; zп - габарит подвески, м; zкон - длина плеча нагрузки консоли, м; zкр - длина плеча
нагрузки кронштейна, м; zпр - длина плеча нагрузки провода (ПЭ), м; hн, hк, hпр - расстояние от условного обреза фундамента (УОФ) до
несущего троса, контактного провода и провода линии ПЭ соответственно, м;
hоп
- расстояние от УОФ до середины
опоры, м; nN - количество
подвесок; nкон -
количество консолей; nпр -
количество проводов ПЭ; nкр -
количество кронштейнов; Рiвх - нагрузка на провода контактной сети от ветра,
предающаяся на опорные устройства, даН; Рiиз -
ветровая нагрузка действующая на опору от изменения направления ветра i(Риз=Ранк при отводе провода на анкеровку; Риз=Ркр
при изменения направления провода на кривой; Риз=Рз
- при изменении направления провода на зигзагах), даН; Роп -
нагрузка от ветра на опору, даН.
Результаты
расчетов сводятся в табл.10.3.
В
соответствии с ГОСТ 19330-81 типовые железобетонные опоры именуют стойками.
Нормативные изгибающие моменты относительно условного обреза фундамента
приведены в табл.8.9 [2]. Для участков переменного тока - С. В качестве
консольных промежуточных опор рекомендуются стойки первого типа с нормативно изгибающим
моментом 44 Кн∙м (4,5 тс∙м) - С (СО) 136.6-3 с нормативно
изгибающим моментом 79 Кн∙м (8,0 тс∙м) с продольными
оттяжками.
Переходные
опоры на прямой
Гололед
с ветром
Станция
Перегон
Насыпь
Ветер
наибольшей интенсивности
Станция
Перегон
Насыпь
Полученные
значения сведем в таблицу 10.3.
Таблица
10.3
|
Назначение
|
Участок
|
Изгибающий момент, даНм
|
Тип опоры
|
|
опоры
|
|
Могл
|
Мов
|
Мптгл
|
Мптв
|
|
|
Промежуточные
|
станция
|
1975
|
1797
|
|
|
СС136.6-1
|
|
опоры на прямой
|
перегон
|
2216
|
2178
|
|
|
СС136.6-1
|
|
|
насыпь
|
2303
|
2239
|
|
|
СС136.6-1
|
|
Промежуточные
|
R1=500 м
|
5178
|
3987
|
|
|
СС136.6-2
|
|
опоры на кривой
|
|
|
|
|
|
|
|
с внешней стороны
|
|
|
|
|
|
|
|
|
|
|
|
|
|
|
|
Промежуточные
|
R1=500 м
|
-4070
|
-2906
|
|
|
СС136.6-2
|
|
опоры на кривой
|
|
|
|
|
|
|
|
с внутренней стороны
|
|
|
|
|
|
|
|
|
|
|
|
|
|
|
|
Переходные опоры
|
станция
|
|
|
3586
|
1986
|
|
|
на прямой
|
перегон
|
|
|
3443
|
1911
|
|
|
|
насыпь
|
|
|
2520
|
1456
|
|
|
Анкерные опоры на станции
|
|
2222
|
2004
|
|
|
СС136.6-3
|
СПИСОК ЛИТЕРАТУРЫ
1. Методические указания к курсовому и дипломному
проектированию по дисциплине «Контактные сети и ЛЭП» для студентов
специальности 190401 - «Электроснабжение железных дорог» для всех форм обучения
(2-ое издание дополненное и переработанное) / Составители : В.Л. Григорьев,
Теплякова Н.В.. - Самара: СамГУПС, 2010.- с.
2. Фрайфельд А.В. Проектирование контактной сети. - М.:
Транспорт, 1991. - 335с.
. Марквардт К.Г. Контактная сеть. - М.: Транспорт,
1994. - 335с.
. Михеев В.П. Контактные сети и линии электропередачи:
Учебник для вузов ж.-д. транспорта. - М.: Маршрут, 2003. - 416с.
5. Конспект лекций.