Проектирование привода двухступенчатого редуктора
Содержание
Техническое
предложение
.
Кинематический расчет привода
.1
Определение параметров исполнительного органа
.2
Подбор электродвигателя
.3
Определение частот вращения и вращающих моментов на валах
.
Расчет зубчатой передачи
.1
Выбор материала зубчатых колес
.2
Определение допускаемых контактных напряжений и напряжений изгиба
.3
Определение делительного диаметра и модуля
.4
Определение допускаемых изгибающих напряжений
.5
Проектировочный расчет на максимальную перегрузку
.6
Проверочный расчет
.7
Проверочный расчет на выносливость при изгибе
.8
Определение геометрических и других параметров колеса и шестерни
.
Эскизное проектирование
.1
Проектировочные расчеты валов
.2
Выбор типа и схемы установки подшипников
.3
Составление компоновочной схемы
.
Выбор муфт
4.1
Подбор упругой муфты
4.2
Подбор компенсирующей муфты
.
Расчет шпоночных соединений
.
Подбор подшипников качения на заданный ресурс
.
Проверочный расчет валов
.1
Расчет валов на статическую прочность
.2
Расчет валов на сопротивление усталости
.
Расчет и конструирование элементов корпусных деталей и крышек
подшипников
.
Выбор смазочных материалов и системы смазывания
.
Расчет и конструирование исполнительного органа привода
.1
Проектировочный расчет вала
.2
Подбор подшипников качения
.3
Конструирование опорных узлов и крышек подшипников
.
Конструирование рамы
Выводы
Список
использованных источников
привод редуктор подшипник вал
Техническое предложение.
Элементы ленточного конвейера и его функции.
Привод конвейера осуществляется электродвигателем,
так как он наиболее компактный, удобный в эксплуатации и имеет стабильный режим
работы.
Редуктор служит для понижения угловой скорости и
передачи её на барабан. Мы используем зубчатый редуктор, двухступенчатый по
разделенной схеме(с разделённой быстроходной передачей).
Для транспортировки штучных грузов служит лента,
которая плотно посажена на барабан, который приводит её в движение за счёт
вращения передаваемого от редуктора.
Соединение редуктора с двигателем осуществляется
при помощи упругой муфты. Она обладает способностью амортизировать толчки и
удары, демпфировать колебания. Выполняет компенсирующую функцию, допуская
радиальное и угловое смещение валов. Для соединения барабана и редуктора будем
использовать компенсирующую муфту. Она имеет высокую нагрузочную способность,
способна передавать большие крутящие моменты, а также компенсировать не большие
смещения осей соединяемых валов (радиальное и угловое).
Преимущества и недостатки схемы.
Схема технологична, проста в эксплуатации.
Данная схема отличается простотой конструкции благодаря использованию редуктора
развёрнутой схемы. Схема подходит для работы в различных сферах промышленности:
авиастроении, авиации, пищевой и угольно-добывающей промышленности,
машиностроении и т.д.
Варианты решения поставленной задачи.
Проектирование данной схемы начнем с подбора
двигателя расчёта ленты по заданаму режиму работы. Зная исходную скорость
вращения в редукторе и скорость вращения на выходе спроектировать редуктор,
после чего следует расчёт исполнительного органа (барабана).
Рис.1
1- исполнительный орган;
2- компенсирующая муфта;
- редуктор;
- упругая муфта;
- двигатель.
1. Кинематический расчет привода
.1 Определение параметров исполнительного органа
Рис.2
Подбор ленты для транспортёра.
F=F1-F2;
F - сила тяги
перемещения грузов;
F1=F2efα;
=0,3 -коэффициент трения;
a=180°-угол охвата;
F1,
F2 -разрывные
силы действующие на ленту;
efa=2,56;
=2,56×F2-
F2=1,56×F2=6000
H;
2=6000/1,56=3846.15
Н;
1=F+F2=6000+3846.15=9846.15
Н.
Fp = F1 - разрывная
сила;
=400 мм - ширина барабана;
=100 МПа - разрывное усилие;
=12 МПа - допускаемое разрывное
усилие;
i - число
прокладок ленты;
;
Принимаем i=2.
Из справочника [1] выбираем ленту
для транспортёра: Лента 2М-400-2-ТК-200-5-2-В ГОСТ 20-85.
Рассчитаем диаметр барабана: Dб=i*100=2*100=200
мм.
1.2 Подбор электродвигателя
От типа двигателя, его мощности, частоты
вращения и прочего зависят конструктивные и эксплуатационные характеристики
рабочей машины и её привода.
Сила тяги для перемещения штучных грузов F=6000
Н, скорость движения ленты V=
1.0 м/с.
Потребная мощность Nп=
F∙v=6000∙1=6000
Вт.
- мощность двигателя;
Общий коэффициент полезного действия
привода:
ηобщ=ηм2∙ηзп2∙ηп;
ηм=0,99 - КПД
муфты; ηпод=0,99 - КПД
подшипника; ηпередачи=0,975 - КПД
одной ступени редуктора;
ηобщ=0,975∙0,975∙0,99∙0,992=0,922.
Расчетная мощность двигателя:
кВт.
Из ряда 3; 4; 5,5; 7,5 кВт принимаем
мощность двигателя N=7,5 кВт.
Частота вращения исполнительного
органа:
об/мин.
Зная частоту вращения барабана и
потребную мощность двигателя, мы можем определить передаточное отношение, по
которому определяем стандартный двигатель. Стандартные значения частот вращения
750, 1000, 1500, 3000, при этом передаточное отношение для развёрнутой схемы не
должно превышать 30.
- передаточное отношение всего
редуктора;
дв - частота
вращения двигателя.
Определим передаточное отношение i для разных
значений nдв. Результаты
занесём в таблицу 1.
Таблица 1
|
nдв
|
i
|
|
750
|
7,85
|
|
1000
|
10,47
|
|
1500
|
15,71
|
|
3000
|
31,41
|
Мы выбираем двигатель с большей частотой
вращения, поскольку он имеет меньшие габариты.
Принимаем nдв=3000
об/мин.
В зависимости от частоты вращения и мощности
выбираем двигатель исполнения М100 АИР112S4У3
ГОСТ 19523-74 - трехфазный асинхронный короткозамкнутый двигатель со станиной и
щитами из чугуна, с высотой оси вращения 112 мм, с установочным размером по
длине станины S, 4-х полюсный,
климатического исполнения У (для районов умеренного климата), категории 3 по
ГОСТ 15150-69 [1].
Габаритные размеры двигателя:
l30=435
мм;
h31=305
мм;
d30=280
мм.
Установочные и присоединительные размеры
двигателя:
l1=80
мм;
d1=32
мм
l10=140
мм;
l31=55
мм;
d10=12
мм;
b10=190
мм [1]
1.3 Определение частот вращения и вращающих
моментов на валах
Зная передаточное отношения всего редуктора,
определим передаточное отношения каждой ступени.
Номинальная частота вращения асинхронного
электродвигателя nдв=2900
об/мин.
С учетом этого
.
Определим передаточное отношение и
мощность каждой из ступеней, частоты вращения на валах. Результаты вычислений
занесём в таблицу 2.
Таблица 2
|
Тихоходная
ступеньБыстроходная ступень
|
|
|
|
i
|
 
|
|
|
n1, об/мин
|
 =2900
|
|
|
n2, об/мин
|

|
|
|
N, кВт
|

|
|
Вращающий момент на быстроходном валу:
Нм.
Вращающий момент на промежуточном
валу:
Нм.
Вращающий момент на тихоходном валу:
Нм.
2. Расчет зубчатой передачи
2.1 Выбор материала зубчатых колёс
Материал для зубчатых колес выбирают
по критериям:
· твердость;
· вид термообработки;
· экономические показатели;
· хорошую обрабатываемость
Для зубчатых колёс наиболее подходящими будут
стали - 40Х, 40ХН, 30ХГСА. При расчетах возможно незначительное изменение
твёрдости материала. Для колеса выбираем материал сталь 40ХН, твёрдость 50,55 HRC.
Расчёт зубчатых передач приведен в таблицах 3-9.
Таблица 3
|
Наименование
параметра
|
Шестерня
(Колесо)
|
Обозначение
|
Значения
|
|
|
|
Быстр.ст.
|
Тих.ст.
|
|
Мощность,
кВт
|
|
N
|
6,44
|
6,38
|
|
Передаточное
число
|
|
U
|
4,43
|
3,44
|
|
Частота
вращения, об/мин
|
Шестерня
|
n
|
1455
|
328,44
|
|
Колесо
|
|
328,44
|
95,5
|
|
Срок
службы, ч.
|
|
Lh
|
25000
|
|
Режим
работы
|
|
-
|
постоянный
|
|
Угол
наклона профиля
|
|
b
|
0°
|
|
Мmax/Mном
|
|
|
2,2
|
|
Степень
по нормам плавности
|
|
|
7-В
|
|
Заготовка
|
Шестерня
|
|
Поковка
|
|
Колесо
|
|
|
|
Марка
стали
|
Шестерня
|
|
40ХН
|
40ХН
|
|
Колесо
|
|
|
|
|
Термообработка
|
Шестерня
|
|
Закалка
ТВЧ
|
|
Колесо
|
|
|
|
Упрочнение
|
Шестерня
|
|
-
|
|
Колесо
|
|
|
|
Предел
текучести, МПа
|
Шестерня
|
|
460
|
460
|
|
Колесо
|
|
|
|
|
Твердость
поверхности, HRC
|
Шестерня
|
|
50
|
55
|
|
Колесо
|
|
45
|
50
|
|
Смещение
|
Шестерня
|
X1
|
0
|
0
|
|
Колесо
|
X2
|
0
|
0
|
|
Количество
зубьев
|
Шестерня
|
Z1
|
24
|
20
|
|
Колесо
|
Z2=
Z1×U
|
144
|
100
|
2.2 Определение допускаемых контактных
напряжений
Таблица
4
|
Наименование
параметра
|
Обозначение
|
Формула
|
Значения
|
|
|
|
Быстр.ст.
|
Тих.ст.
|
|
Кол-во
нагружений за один оборот
|
Ш
|
с
|
|
1
|
1
|
|
К
|
|
|
1
|
1
|
|
Кол-во
циклов нагружений, млн.
|
Ш
|
Nk
|
Nk=60∙c∙n∙Lh
|
4,35∙10
9
|
7,145∙108
|
|
К
|
|
|
7,25∙10
8
|
1,443∙108
|
|
Базовое
число циклов, млн.
|
Ш
|
NHB
|
NHB=30∙(HB)2.4
|
1,33∙10
8
|
1,331∙108
|
|
К
|
|
|
1,08∙10
8
|
1,08∙108
|
|
Показатель
степени
|
Ш
|
m
|
если
Nk> NHB,, то
т=20; если Nk< NHB , то т=6.
|
20
|
20
|
|
К
|
|
|
6
|
6
|
|
Коэффициент
долговечности
|
Ш
|
ZN
|
ZN= 0,840.0,919
|
|
|
|
К
|
|
|
0,909
|
0,986
|
|
Коэффициент
запаса прочности
|
Ш
|
SH
|
|
1,2
|
1.2
|
|
К
|
|
|
1,2
|
1.2
|
|
Предел
контактной выносливости, МПа
|
Ш
|
σHlim
|
σHlim=17HRC+200
|
1135
|
1135
|
|
К
|
|
|
1050
|
1050
|
|
Допускаемое
контактное напряжение, МПа
|
Ш
|
[σ]H
|
768,597840,662
|
|
|
|
К
|
|
|
773,968
|
839,305
|
|
Принятое
|
|
|
|
773,968
|
839,305
|
2.3 Определение делительного диаметра и модуля
Таблица
5
|
Наименование
параметра
|
Обозначение
|
Формула
|
Значения
|
|
|
|
Быстр.ст.
|
Тих.ст.
|
|
Коэффициент,
учитывающий неравномерность распределения нагрузки по длине контактной линии
|
KHβ
|
[2]
|
1,27
|
1.13
|
|
Вспомогательный
коэффициент
|
Kd
|
[2]
|
770
|
770
|
|
Относительная
толщина венца
|
Ψbd
|
|
0.8
|
0.4
|
|
Крутящий
момент на шестерне
|
T
|
|
21,208
|
127,3
|
|
Расчетный
делительный диаметр,
мм
|
dW1
|
17,08765,198
|
|
|
|
Модуль,
мм
|
Расч
|
m
|
|
0,712
|
3,26
|
|
Прин
|
|
|
1,25
|
|
Делительный
диаметр
|
Ш
|
dW
|
3060
|
|
|
|
К
|
|
|
180
|
300
|
|
Межосевое
расстояние, мм
|
|
aW
|
105180
|
|
|
|
Ширина
венца, мм
|
Расч
|
bW
|
23,2623,75
|
|
|
|
Прин
|
|
|
24
|
24
|
|
2.4
Определение допускаемых изгибных напряжений Таблица 6
|
|
Наименование
параметра
|
Обозначение
|
Формула
|
Значения
|
|
|
|
Быстр.ст.
|
Тих.ст.
|
|
Коэффициент
долговечности
|
Ш
|
YN
|
11
|
|
|
|
К
|
|
|
1
|
1
|
|
Коэффициент,
учитывающий размеры колес
|
Ш
|
Yx
|
1,0461.042
|
|
|
|
К
|
|
|
1,028
|
1.012
|
|
Коэффициент,
учитывающий способ получения заготовки
|
Ш
|
Yk
|
Для
штамповки [2].
|
1
|
1
|
|
К
|
|
|
1
|
1
|
|
Коэффициент,
запаса прочности
|
Ш
|
SF
|
[2]
|
1,7
|
1.7
|
|
К
|
|
|
1,7
|
1.7
|
|
Предел
выносливости при изгибе, МПа
|
Ш
|
σFlim0
|
[2]
|
600
|
600
|
|
К
|
|
|
600
|
600
|
|
Допускаемое
напряжение при изгибе, МПа
|
Ш
|
[σF]
|
369,265367,941
|
|
|
|
К
|
|
|
362,64
|
357,353
|
|
Принятое
|
|
|
|
362,64
|
357,353
|
|
2.5
Расчет на максимальные перегрузки Таблица 7
|
|
Предел
контактной выносливости, МПа
|
Ш
|
σFlim
|
|
1800
|
1800
|
|
К
|
|
|
965
|
965
|
|
Коэффициент,
запаса прочности
|
Ш
|
SFmax
|
|
1,75
|
1,75
|
|
К
|
|
|
1,75
|
1,75
|
|
Допускаемое
контактное напряжение, МПа
|
Ш
|
[σH]max
|
26402640
|
|
|
|
К
|
|
|
2420
|
2420
|
|
|
|
|
|
|
|
|
|
|
|
|
|
|
Допускаемое напряжение при изгибе,
МПа Ш [σF]max
1075,89
,77
.6.Проверочный расчет
Таблица 8
|
Наименование
параметра
|
Обозначение
|
Формула
|
Значения
|
|
|
|
Быстр.ст.
|
Тих.ст.
|
|
Коэффициент,
учитывающий форму сопрягаемых поверхностей
|
ZH
|
2,52,5
|
|
|
|
Коэффициент,
учитывающий свойства материала
|
ZE
|
190190
|
|
|
|
Коэффициент
торцевого перекрытия
|
1,7241,688
|
|
|
|
|
Коэффициент,
учитывающий суммарную длину контактных линий
|
Z 0,8710,878
|
|
|
|
|
Окружная
скорость, м/с
|
V
|
4,5551,517
|
|
|
|
Коэффициент,
учитывающий окружную скорость
|
ZV
|
[2] При v<6 м/с -
ZV=1
|
1
|
1
|
|
Коэффициент,
учитывающий шероховатость сопрягаемых поверхностей
|
ZR
|
для
Ra=1.25−0.63 мкм
ZR=1 для
Ra=2.25−1.25 мкм
ZR=0.95 для
Ra=40−10 мкм
ZR=0.9
|
1
|
1
|
|
Коэффициент,
учитывающий появление погрешностей зацепления
|
[2]
|
0,14
|
0,14
|
|
|
Коэффициент,
учитывающий влияние разности шагов зацепления зубьев
|
q0[2]4,74,7
|
|
|
|
|
Удельная
окружная динамическая сила, Н/мм
|
Wt
|
12,5395,991
|
|
|
|
Действующее
контактное напряжение, МПа
|
 777,122843,828
|
|
|
|
|
Сравнение
с допускаемым
|
 0,4080,539
|
|
|
|
2.7 Расчет на выносливость при изгибе
Таблица
9
|
Наименование
параметра
|
Обозначение
|
Формула
|
Значения
|
|
|
|
Быстр.ст.
|
Тих.ст.
|
|
Коэффициент,
учитывающий форму зуба
|
YFS
|
YFS=3.47+13.2/ZV
|
4,02
3,562
|
4,13
3,602
|
|
Коэффициент,
учитывающий перекрытие зубьев
|
Y [2]11
|
|
|
|
|
Коэффициент,
учитывающий наклон зубьев
|
Yβ
|
11
|
|
|
|
Коэффициент,
учитывающий распределение нагрузки по длине контактной линии
|
KFβ
|
KFβ
=KHβ
|
1,27
|
1,13
|
|
Коэффициент,
учитывающий динамическую нагрузку, возникающую в зацеплении
|
KFV
|
KFV KHV1,2131,021
|
|
|
|
Коэффициент
|
KF
|
1,7471,138
|
|
|
|
|
|
|
|
|
Действующее изгибное напряжение, МПа 
330,883
,158274,389
|
239,31
|
|
|
|
|
|
Сравнение
с допускаемым
|
 -19,162-25,426
|
|
|
|
|
Нmax
, МПа 1334
|
|
|
|
|
Сравнение
с допускаемым
|
 0,350,35
|
|
|
|
|
Fmax
, МПа 827,207
|
|
|
|
|
Сравнение
с допускаемым
|
 -0,32-0,32
|
|
|
|
|
|
|
|
|
|
.8 Oпределение
геометрических и других параметров колеса и шестерни
Геометрических и другие параметры колеса и
шестерни для быстроходной и тихоходной ступеней сведены в таблицу 10.
Таблица 10
|
Тихоходная
ступень
|
Быстроходная
ступень
|
|
Наименование
величины
|
Обозначение
|
Формула
|
Значение
|
|
Делительный
диаметр шестерни, мм
|
dw1
|
-
|
60
|
30
|
|
Делительный
диаметр колеса, мм
|
dw2
|
-
|
300
|
180
|
|
Диаметр
вершин шестерни, мм
|
da1
|
da1=dw1+2×m
|
66
|
32.85
|
|
Диаметр
вершин колеса, мм
|
da2
|
da2=dw2+2×m
|
306
|
182.5
|
|
Диаметр
впадин шестерни, мм
|
df1
|
df1=dw1-2,5×m
|
52.5
|
26.88
|
|
Диаметр
впадин колеса, мм
|
df2
|
df2=dw2-2,5×m
|
292.5
|
176.88
|
|
Ширина
шестерни, мм
|
bw1
|
bw1=bw+1..3×m
|
30
|
26.5
|
|
Ширина
колеса, мм
|
bw2
|
bw1=bw
|
24
|
24
|
|
Межосевое
расстояние, мм
|
aw
|
aw=(dw1+dw2)/2
|
180
|
105
|
|
Допускаемое
напряжение при кручении, МПа
|
[tкр]
|
-
|
30
|
30
|
|
Вращающий
момент на тихоходном (среднем) валу, Н×мм
|
TТ(Тс)
|
-
|
606400
|
21220
|
|
Диаметр
отверстия под вал в колесе, мм
|
dв
|
46.5815.235
|
|
|
|
Принимаем,
мм
|
dв
|
-
|
75
|
25
|
|
Толщина
обода колеса, мм
|
δоб
|
2,5..3×m
|
7.5…9
|
3.125…3.75
|
|
Принимаем,
мм
|
δоб
|
-
|
8
|
3.5
|
|
Внутренний
диаметр обода колеса, мм
|
dоб
|
dоб=df2-2× δоб
|
276.5
|
169.88
|
|
Толщина
стенки колеса, мм
|
С
|
С=0,2..0,4×dв
|
22.5
|
7.5
|
|
Толщина
ступицы колеса, мм
|
δст
|
δст=0,3..0,4× dв
|
30
|
12.6
|
|
Диаметр
ступицы колеса, мм
|
dст
|
dст=dв+2×δст
|
135
|
82
|
|
Диаметр
отверстия в стенке колеса, мм
|
dотв
|
dотв=0,25×(dст-dоб)
|
35.38
|
31.22
|
|
Размер
фаски, мм
|
f
|
f=0,5×m
|
1,6
|
0,6
|
|
Угол
уклона обода и ступицы, град.
|
g
|
-
|
7
|
7
|
3. Эскизное проектирование
.1 Проектировочные расчеты валов
Вал - это деталь, предназначенная для передачи
вращающего момента вдоль своей оси и для поддержания вращающихся деталей. Так
же на него, во время эксплуатации, действуют поперечные силы и изгибающие
моменты. Конструкция вала зависит от типа и размеров расположенных на нем
деталей и способа их крепления.
Определение диаметров валов из расчета на
кручение.
- допускаемое касательное напряжение
при кручении;
Т - вращающий момент на валу;
d - диаметр
вала.
Для валов редукторов общего
машиностроения условное допускаемое напряжение принимают из диапазона
МПа, мы
примем его равным 30 МПа [7]. Расчеты диаметров валов занесены в таблицу 11.
Таблица 11
|
Диаметр
быстроходного вала
|
|
мм,
принимаем., чтобы обеспечить сопряжение с полумуфтой мм
|
|
|
Диаметр
промежуточного вала
|
|
мм,
принимаем мм
|
|
|
Диаметр
тихоходного вала
|
|
мм,
принимаем мм
|
|
После определения диаметров валов разрабатываем
их конструкцию, т.е. формируем ступени, опорные буртики, предусматриваем
шпоночные пазы. Ступенчатая форма вала должна позволять свободно передвигаться
каждой детали вдоль вала до ее посадочного места и просто фиксировать ее на
этом посадочном месте в осевом направлении.
Проверим разницу между диаметрами впадин зубьев
шестерен и диаметрами валов на быстроходном валу и промежуточном валу.
На быстроходном валу:
мм, так как
разница меньше, чем 9×m=9×1.25=11.25
мм, то шестерню нарезаем на валу;
На промежуточном валу:
мм, так как
разница меньше, чем 9×m=9×3=27 мм, то
шестерню нарезаем на валу.
3.2 Выбор типа и схемы установки
подшипников
Выбирая подшипники, на первом этапе
конструирования редуктора исходят из ориентировочных значений диаметров валов.
Затем, параллельно с уточнением размеров валов по длине и по диаметру и
уточнением нагрузки подшипника пересматриваем первоначальный вариант и выбираем
наиболее рационально подшипники.
Выбираем шариковые радиальные
однорядные подшипники. Этот тип в основном предназначен для восприятия
радиальных нагрузок, но может воспринимать и осевые нагрузки.
Опоры выполняем с простейшим осевым
креплением. Один подшипник предотвращает осевое смещение вала в одном
направлении, а другой - в другом. Кольца подшипников должны закрепляться на
валу и в корпусе, чтобы фиксировать вал в осевом направлении, воспринимать
осевую нагрузку и предотвращать проворот колец при динамических нагрузках.
Применим упор в заплечик вала.
На быстроходный вал, в первом приближении,
выбираем подшипник 306 ГОСТ 8338-75.
На промежуточный вал выбираем
подшипник 406 ГОСТ 8338-75.
На тихоходный вал выбираем подшипник
212 ГОСТ 8338-75.
.3 Составление компановачной схемы
Компоновка двухступенчатого редуктора по
развёрнутой схеме в первом приближении состоит из:
быстроходного вала;
быстроходной ступени редуктора;
тихоходной ступени редуктора;
тихоходного вала;
подшипников тихоходного вала;
подшипников промежуточного вала;
подшипников быстроходного вала;
промежуточного вала.
4. Выбор муфт
Стандартизованные муфты подбираются по
допускаемому вращающему моменту и диаметру валов, так же учитываются габариты.
Основная характеристика муфты -
расчетный вращающий момент
, где
- коэффициент режима работы.
4.1 Подбор упругой муфты
Назначение упругих муфт - снижение ударной
нагрузки и предотвращение опасных колебаний. Кроме того, упругие муфты
допускают некоторую компенсацию неточностей взаимного положения валов. С помощью
упругих муфт можно предотвратить возможность появления резонансных колебаний.
Упругая муфта состоит из двух полумуфт и упругих элементов.
Основными типами упругих муфт являются
втулочно-пальцевая МУВП, со звездочкой и с торообразной оболочкой.
Проведем сравнительный анализ этих
типов муфт (таблица 12).
Таблица 12
|
Наименование муфты
|
Станд. момент, Нм
|
Расчетный момент, Нм
|
Габариты (диаметр, длина), мм
|
Допуск. радиал. смещение
|
Доп. угловое смещение, град.
|
Предел. частота вращения
|
|
МУВП
|
250
|
31,83
|
140/165
|
0,3
|
1
|
3800
|
|
Со звездочкой
|
125
|
31,83
|
105/188
|
0,4
|
1
|
1980
|
|
С торообразной оболочкой
|
160
|
31,83
|
190/190
|
2,5
|
3
|
3700
|
Наиболее выгодной по габаритам является муфта со
звездочкой, так же её можно расточить под вал двигателя(dдв=38
мм).
Выбираем упругую со звездочкой муфту 125-36-I.2-25-I.2-УЗ
ГОСТ 1408.4-76 [5].
Диаметр одной полумуфты выбираем 36
мм(растачивается до 38 мм), чтобы обеспечить сопряжение с валом двигателя.
Диаметр другой полумуфты выбираем 36 мм, для сопряжения с быстроходным валом
редуктора.
.2 Подбор компенсирующей муфты
Компенсирующие муфты предназначены для
соединения валов с небольшими взаимными смещениями осей, связанными с
неточностями изготовления, монтажа и упругими деформациями.
Мы имеем два варианта выбора компенсирующих
муфт: зубчатая и цепная.
Зубчатая муфта состоит из двух втулок с внешними
зубьями надетых на них обойм с внутренними зубьями. Зубчатые муфты обладают
существенными достоинствами, которые определили их широкое применение:
а) большой несущей способностью и надежностью
при малых габаритах вследствие большого числа одновременно работающих зубьев;
б) допустимостью значительных частот вращения.
Цепная муфта состоит из двух звездочек,
насаженных на соединяемые валы и имеющих одинаковые числа зубьев, охватывающей
их цепи и кожуха. Для цепных муфт характерны простота конструкции, относительно
небольшие габариты, простота монтажа и демонтажа без осевых смещений валов.

Расчетный вращающий момент
Нм, где
-коэффициент, учитывающий степень
ответственности передачи,
- коэффициент, учитывающий условия
работы,
- коэффициент углового смещения,
-номинальный момент вращения.
Проведем сравнительный анализ
зубчатой и цепной муфты (таблица 13).
Таблица 13
|
Наименов-е
муфты
|
Станд.
момент, Нм
|
Расчетный
момент, Н∙м
|
Габариты
(диаметр, длина), мм
|
Допуск.
радиол. смещение
|
Доп.
угловое смещ-е, град.
|
Предел.
частота вращения
|
|
Зубчатая
|
2500
|
1273,44
|
185/220
|
0
|
1,5
|
4500
|
|
Цепная
|
2000
|
|
280/354
|
0,6
|
1
|
700
|
Так как обе муфты могут передать заданный
крутящий момент, то выбираем более выгодную по габаритам зубчатую муфту
2500-60-І.2-УЗ ГОСТ 50895-96.
5. Расчет шпоночных соединений
Шпонка - деталь, устанавливаемая в пазах двух
соприкасающихся деталей и препятствующая относительному повороту или сдвигу
этих деталей.
Шпоночное соединение применим на тихоходном валу
и быстроходном.
Применим призматические шпонки (прямоугольного
сечения).
Размеры сечений шпонок выбирают в зависимости от
диаметра вала. Шпонки закладывают в паз вала, соответствующий длине шпонки, без
крепления.
Основным расчетом для призматических шпонок
является расчет на смятие в предположении равномерного распределения давления
по поверхности контакта боковых граней шпонки.
Рис.4 Схема шпоночного соединения.
, откуда расчетная длина шпонки
равна
, где
Т - вращающий момент на валу;
- допускаемое напряжение смятия;
- предел текучести материала шпонки.
Материалом шпонок назначим Ст6 ГОСТ
380-71.
МПа.
Определим расчетную длину шпонок для
различных сопрягаемых с валом элементов:
· упругая полумуфта
мм;
· колесо тихоходной ступени
мм;
· компенсирующая полумуфта
мм;
Из-за большой длинны шпонки под
колесами быстроходной ступени применим шлицевое соединение.
Расчетные длины шпонок необходимо
сопоставить с рядом стандартных длин.
Таблица 14
|
Сопрягаемый
элемент
|
dв, мм
|
Стандартные
b•h
|
Стенд.
длина (диапазон), мм
|
Расчетная
длина, мм
|
Принятая
длина, мм
|
Обозначение
|
|
Упругая
полумуфта
|
25
|
8 718-904,2318Шпонка
1-8 7 18 ГОСТ
23360-78
|
|
|
|
|
|
Колесо
быстрод. ступени
|
-
|
-
|
-
|
-
|
-
|
Шлицы
ِd-8х36 Н7/f7х40 Н12/a11 Х7H9 ГОСТ
1139-80
|
|
Колесо
тихоход. ступени
|
65
|
18x11
|
50-220
|
28,27
|
50
|
Шпонка
3-18 11 50 ГОСТ
23360-78
|
|
Компенсирующая
полумуфта
|
55
|
16 1045-18031,0950Шпонка 1-16 10 50 ГОСТ 23360-78
|
|
|
|
|
6. Подбор подшипников качения на заданный ресурс
В качестве опор валов используем стандартные подшипники
качения. Нагрузочная способность подшипников заданного диаметра и серии зависит
от типа подшипника. С увеличением диаметра подшипника, а также при переходе от
легких серий к более тяжелым, нагрузочная способность возрастает, но
увеличивается стоимость.
Применим шариковые радиальные однорядные
подшипники. Они воспринимают как радиальные, так и ограниченные двухсторонние
осевые нагрузки. Обеспечивают осевое фиксирование вала в двух направлениях.
Необходимо определить динамическую
грузоподъемность, чтобы подобрать из стандартных соответствующий подшипник.
Динамическая грузоподъемность подшипника:
, где
- расчетный ресурс,
- для шариковых подшипников,
- для
роликов;
- коэффициент, вводимый при
необходимости повышения надежности;
- коэффициент, учитывающий качество
материала подшипников, смазочный материал и условия эксплуатации - для обычных
условий работы [7];
- эквивалентная нагрузка для
радиальных подшипников;
- радиальная нагрузка;
- коэффициент вращения (при
вращении внутреннего кольца) [7];
- коэффициент безопасности,
учитывающий характер нагрузки;
При
температурный коэффициент
[7].
При проектировании опор передач
исходными для определения нагрузок, действующих на подшипник, являются силы в
зацеплении: нормальная сила и сила трения. Силами трения пренебрегаем, так как
коэффициент трения между хорошо смазанными и чисто обработанными зубьями весьма
мал. За радиальную нагрузку принимаем наибольшую из рассчитанных суммарных
радиальных реакций в опорах.
Для определения нагрузок,
действующих на опоры, вал на подшипниках заменяем балкой на опорах.
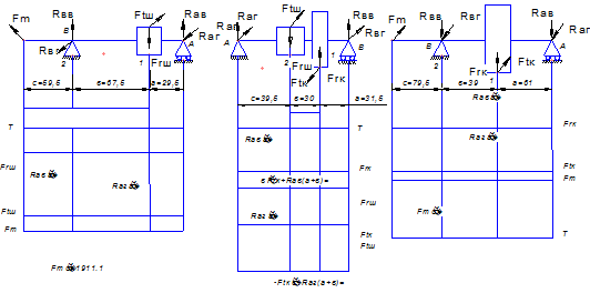
Размеры а, в, с взяты из чертежа в
первом приближении.
Таблица 15
|
Величина
|
Разм.
|
Формула
|
Быстр.
Вал Рис.1
|
Помеж.
Вал Рис.2
|
Тихохд.
Вал Рис.3
|
|
a
|
мм
|
|
29,5
|
31,5
|
61
|
|
b
|
|
|
67,5
|
30
|
39
|
|
c
|
|
|
59,5
|
39,5
|
79,5
|
|
Ft1/ Ft2
|
Н
|
14144243,3/14144243,3
|
|
|
|
|
Fr1/ Fr2
|
|
514,71544,4/514,81544,4
|
|
|
|
Fm Для муфты со
звездочкой:
Для зубчатой муфты:
,
|
m, z - муфты.23,03-1181,5
|
|
|
|
|
|
RАВ
|
Н
|
|
358,1
|
249,8
|
-602,5
|
|
RАГ
|
|
|
969,8
|
2632,5
|
715,6
|
|
RВВ
|
|
|
156,5
|
779,6
|
-942,3
|
|
RВГ
|
|
|
467,5
|
3024,8
|
4709,2
|
|
RА
|
|
1033,8
|
2644,3
|
935,5
|
|
|
RВ
|
|
492,73123,74802,6
|
|
|
|
|
F
|
|
1343,9
|
4060,8
|
6243,4
|
|
|
Cp
|
Н
|
24145,940142,535955,5
|
|
|
|
|
N подшипника /Ск
|
|
|
306/28100
|
406/47000
|
212/52000
|
7. Расчет валов на статическую и усталостную
прочность
.1 Расчет валов на статическую прочность
Для проверочного расчета валов составим расчетные
схемы. Валы представим в виде балки на двух опорах. Построим эпюры изгибающих и
крутящих моментов.
Быстроходный вал. Промежуточный вал. Тихоходный
вал.
Рис.8
Рис.9 Рис.10
Рассмотрим быстроходный вал (рис.8).
Устанавливаем опасные сечения вала. Опасными
являются сечения 1 и 2. Выполним проверку вала на прочность в этих сечениях.
Составляющие нормальной силы в зацеплении:
окружная
Н;
радиальная
Н.
Усилие от муфты берем из предыдущих
расчетов:
Н.
В первом сечении:
- изгибающий момент в вертикальной
плоскости:
НĤмм;
- изгибающий момент в горизонтальной
плоскости:
НĤмм;
- суммарный изгибающий момент:
НĤмм;
Н∙мм. - максимальное значение
изгибающего момента, возникающее в момент пуска двигателя.
Крутящий момент:
Н∙мм.
Напряжение изгиба:
МПа.
Напряжение кручения
МПа.
Эквивалентное напряжение
МПа.
Допускаемое напряжение для материала
вала 40ХН, имеющего предел текучести
МПа,
.
Коэффициент запаса прочности
.
Условие прочности выполняется.
Во втором сечении:
Н∙мм;
суммарный изгибающий момент:
Н∙мм;
Н∙мм.
Крутящий момент:
Н∙мм.
Напряжение изгиба:
МПа.
Напряжение кручения:
МПа.
Эквивалентное напряжение:
МПа.
Коэффициент запаса прочности:
.
Условие прочности выполняется.
Рассмотрим промежуточный вал (рис.9).
Опасными являются сечения 1 и 2. Выполним
проверку вала на прочность в этих сечениях.
Составляющие нормальной силы в зацеплениях:
- окружная:
Н,
Н;
- радиальная:
Н,
Н.
В первом сечении:
Н∙мм
- изгибающий момент в вертикальной
плоскости;
Н∙мм
изгибающий момент в горизонтальной
плоскости;
суммарный изгибающий момент:
Н∙мм;
Н∙мм.
Крутящий момент:
Н∙мм.
Напряжение изгиба:
МПа.
Напряжение кручения:
МПа.
Эквивалентное напряжение:
МПа.
Коэффициент запаса прочности:
.
Условие прочности выполняется.
Во втором сечении:
изгибающий момент в вертикальной
плоскости:
Н∙мм;
изгибающий момент в горизонтальной
плоскости:
Н∙мм;
суммарный изгибающий момент:
Н∙мм;
Н∙мм.
Крутящий момент:
Н∙мм.
Напряжение изгиба:
МПа.
Напряжение кручения:
МПа.
Эквивалентное напряжение:
МПа.
Коэффициент запаса прочности:
Условие прочности выполняется.
Рассмотрим тихоходный вал (рис.10).
Опасными являются сечения 1 и 2. Выполним
проверку вала на прочность в этих сечениях.
Составляющие нормальной силы в зацеплении:
- окружная
Н;
- радиальная
Н.
Усилие от муфты:
Н.
В первом сечении:
изгибающий момент в вертикальной плоскости:
;
изгибающий момент в горизонтальной
плоскости:
Н∙мм;
суммарный изгибающий момент:
Н∙мм;
Н∙мм.
Крутящий момент:
Н∙мм.
Напряжение изгиба:
МПа.
Напряжение кручения:
МПа.
Эквивалентное напряжение:
МПа.
Коэффициент запаса прочности:
.
Условие прочности выполняется.
Во втором сечении:
Н∙мм;
суммарный изгибающий момент:
Н∙мм;
Н∙мм.
Крутящий момент:
Н∙м.
Напряжение изгиба:
МПа.
Напряжение кручения:
МПа.
Эквивалентное напряжение:
МПа.
Коэффициент запаса прочности:
.
Условие прочности выполняется.
.2 Расчет валов на сопротивление
усталости
Расчет на сопротивление усталости
проводят в форме проверки коэффициента запаса прочности по усталости.
При совместном действии изгиба и
кручения запас усталостной прочности определяется по формуле:
, где
- коэффициент запаса по нормальным
напряжениям;
- коэффициент запаса по касательным
напряжениям;
- предел выносливости материала при
изгибе;
- предел выносливости материала при
кручении;
- коэффициенты чувствительности к
асимметрии цикла напряжений;
- амплитудные напряжения;
- средние значения напряжений.
Напряжения кручения изменяются пропорционально
изменению нагрузки. В большинстве случаев трудно установить действительный цикл
нагрузки машины в условиях эксплуатации, тогда расчет выполняют условно по
номинальной нагрузке, а цикл напряжений принимают симметричным для напряжений
изгиба и отнулевым для напряжений кручения.
- суммарные коэффициенты,
учитывающие влияние всех факторов на сопротивление усталости при изгибе и
кручении;
- коэффициент абсолютных размеров
поперечного сечения;
- коэффициент влияния упрочнения,
вводимый для валов с поверхностным упрочнением;
- эффективные коэффициенты
концентрации напряжений.
Механические характеристики стали 40ХН:
твердость НВ не менее 240;
МПа,
МПа,
МПа,
МПа;
,
[7].
Проведем расчет на усталостную
прочность валов в двух сечениях. Коэффициенты в формулах выбираются в
зависимости от концентратора напряжений. Результаты расчета сведем в таблицу.
Таблица 3
|
Опасное
сечение №1
|
Опасное
сечение №2
|
|
Место
расположения
|
Подшипник
между муфтой и колесом на тихоходном валу
|
Шпонка
под колесом на промежуточном валу
|
|
, Н∙мм157252163120
|
|
|
|
Т,
Н∙мм
|
834560
|
459360/2=229680
|
|
d,мм
|
55
|
44
|
|
,
МПа360360
|
|
|
|
,
МПа210210
|
|
|
|
, МПа
|
|
|
|
, МПа
|
|
|
|
0,660,72
|
|
|
|
1,21,2
|
|
|
|
1,51,5
|
|
|
|
22,05
|
|
|
|
1,651,9
|
|
|
|
 
|
|
|
|
 
|
|
|
|
 
|
|
|
|
 
|
|
|

Условие прочности выполняется
|
Условие
прочности выполняется
|
|
|
8. Расчет и конструирование элементов корпусных
деталей и крышек подшипников
Корпусные детали предназначаются для обеспечения
правильного взаимного расположения сопряженных деталей редуктора, восприятия
нагрузок, действующих в редукторе, защиты рабочих поверхностей зубчатых колес и
подшипников от внешних инородных частиц окружающей среды, защиты от выброса
масла в окружающую среду при работе редуктора, отвода теплоты, а также для размещения
масляной ванны.
Корпус редуктора состоит из собственно корпуса и
крышки, которые отливаются из чугуна. Основными элементами корпуса являются его
стенки, лапы, фланец корпуса, прилегающая к фланцу крышка и гнезда для
подшипников с ребрами жесткости. В нижней части корпуса имеется резьба для
маслоспускной пробки. Предусмотрен также прилив для маслоуказателя. Чтобы
загрязненное масло сливалось полностью, дну корпуса придают уклон.
В крышке предусмотрен люк, размеры которого
достаточны для осмотра передач. Люк закрыт стальной крышкой, которая крепится
болтами. В крышке установлена отдушина, через которую из редуктора выходит
воздух, расширяющийся от выделения тепла в зацеплении. Крепление крышки к
корпусу производят болтами.
Для транспортировки корпусных деталей и
редуктора в сборе его крышка снабжена подъемными ушами.
Для корпуса характерны гладкие очертания.
Необходимо учитывать особенности механической обработки после литья. Плоские
поверхности (стыковые поверхности фланцев корпуса и крышки, торцовые поверхности
подшипниковых гнезд, участки под головки болтов и др.) обрабатываются
фрезерованием. Предусмотрены отверстия под два штифта по диагонали, которые
сверлятся после соединения корпуса и крышки. Штифты предназначены для фиксации
перед расточкой отверстий.
Габаритные размеры корпусных деталей выясняются
при компоновке редуктора, они в основном определяются типом, размерами и
относительным расположением деталей передачи.
Рассчитаем размеры основных элементов корпуса
редуктора.
Толщина стенки корпуса:
мм,
принимаем
мм.
. Толщина стенки крышки:
мм,
принимаем
мм.
Толщина ребра в сопряжении со
стенкой корпуса:
мм,
принимаем
мм.
. Толщина ребра в сопряжении со
стенкой крышки:
мм,
принимаем
мм.
Диаметр фундаментных болтов:
мм.
Диаметр болтов соединения крышки с
корпусом редуктора:
мм.
Диаметр болтов крепления крышки
смотрового отверстия:
мм,
принимаем
мм.
. Толщина фундаментных лап:
мм.
Толщина фланца корпуса:
мм
. Толщина фланца крышки для болта с
шестигранной головкой:
мм.
Толщина подъёмных ушей крышки:
мм.
Расстояние от стенки до края фланца
по разъему крышки и корпуса для болта с шестигранной головкой:
мм.
Расстояние от края фланца до оси
болта:
мм.
Торцовые крышки предназначены для герметизации
подшипников качения, осевой фиксации подшипников и восприятия осевых нагрузок.
Выбираем стандартные крышки торцовые глухие ГОСТ
18511-73 и торцовые с канавкой для уплотнительного кольца ГОСТ 11641-73 [1].
9. Выбор смазочных материалов и системы
смазывания
Смазочные материалы применяют с целью уменьшения
интенсивности изнашивания, снижения сил трения, отвода от трущихся поверхностей
теплоты и продуктов изнашивания, а также для предохранения деталей от коррозии.
Снижение сил трения благодаря смазке обеспечивает повышение КПД машины. Кроме
того, стабильность коэффициента трения и демпфирующие свойства слоя смазочного
материала между взаимодействующими поверхностями способствуют снижению
динамических нагрузок, увеличению плавности и точности работы машины.
Под смазыванием понимается подведение смазочного
материала к поверхностям трения.
Смазка в редукторе производится жидким нефтяным
маслом. Главной характеристикой смазочного масла является его вязкость.
Емкость ванны для масла такова, что на каждый
киловатт передаваемой мощности приходится 0,5 л масла. Таким образом, в картер
необходимо залить масло в количестве 0,5∙6=3 л.
Смазку заливают через отдушину в крышке
смотрового люка. Загрязненная смазка спускается через отверстие у дна корпуса,
закрываемое резьбовой пробкой.
Приспособлением для контроля уровня масла
является жезловой масло указатель.
Экономичность и долговечность машины в большой
степени зависят от правильности выбора смазочного материала. Обычно значения
коэффициентов трения в парах трения снижаются с ростом вязкости смазочного
материала, но вместе с тем повышаются гидромеханические потери на перемешивание
смазочного материала.
Для смазывания зубчатых передач со
стальными зубьями ориентировочное значение вязкости масла определяется в
зависимости от
.
, где
- твердость по Виккерсу активных
поверхностей зубьев,
- контактные напряжения, МПа,
- окружная скорость в зацеплении,
м/с.
При подборе масел для многоступенчатых
редукторов с общей масляной ванной выбирают промежуточное значение вязкости
между требуемыми значениями для тихоходной и быстроходной ступеней.
Для тихоходной ступени:
;
м/с;
МПа;
.
Потребная кинематическая вязкость:
мм2/с.
Для быстроходной ступени:
;
;
МПа;
.
Потребная кинематическая вязкость:
мм2/с.
мм2/с
Из рекомендуемого диапазона значений
вязкости выбираем масло ИТП-150 ТУ 38-101451-78 [3].
10. Расчет и конструирование
исполнительного органа привода
Исполнительным органом привода
ленточного конвейера для транспортировки штучных грузов является барабан.
Барабан служит для посадки ленты конвейера.
Ширина барабана В=600 мм, диаметр
барабана D=200 мм.
Барабан литой.
.1 Проектировочный расчет вала
Вал барабана нагружен таким же
крутящим моментом, как и выходной вал редуктора. Поэтому при приближенном
расчете получим то же среднее значение диаметра d=55 мм.
Принимаем: диаметр входного конца (по муфте) 55 мм; диаметр в месте посадки
подшипников 75 мм. Длины участков определяем в процессе конструирования.
.2 Подбор подшипников качения
Приводной вал имеет большую длину и
подвержен значительным прогибам под действием внешних нагрузок, поэтому
подшипники должны допускать значительные перекосы. В связи с этим выбираем
радиальные двухрядные сферические шарикоподшипники.
Необходимо определить динамическую
грузоподъемность, чтобы подобрать из стандартных соответствующий подшипник.
Для определения нагрузок,
действующих на опоры, вал на подшипниках заменяем балкой на опорах.
Рассмотрим расчетную схему приводного вала. Считаем,
что усилие от ленты (Sо)
прикладывается в двух местах (рис. 6)
Усилие S0=S/2=F/2=8000/2=4000
Н.
Усилие от муфты Fм=1757
Н.
Определим реакцию в опоре В.
Н.
Динамическая грузоподъемность
подшипника:
, где
- расчетный ресурс;
- для шариковых подшипников;
- коэффициент, вводимый при
необходимости повышения надежности;
- коэффициент, учитывающий качество
материала подшипников, смазочный материал и условия эксплуатации - для обычных
условий работы;
- радиальная нагрузка,
- коэффициент безопасности,
учитывающий характер нагрузки [7].
Расчетный ресурс:
млн.об.
Динамическая грузоподъемность
подшипника:
Н.
Выбираем радиальный двухрядный
сферический подшипник, имеющий обозначение 1613 ГОСТ 28428-90 и следующие
данные:
- внутренний диаметр
мм;
- наружный диаметр
мм;
- ширина
мм;
.3 Конструирование опорных узлов и крышек
подшипников
Фиксация вала осуществляется двумя сферическими
двухрядными подшипниками. Для них выбираем корпус типа ШМ140 ГОСТ 13218.1-80
[1] и крышки торцовые с манжетным уплотнением корпусов подшипников качения ГОСТ
13219.2-81 [3].
Одну из опор выполняем фиксирующей (после
полумуфты), а вторую - плавающей. Плавающая опора компенсирует погрешности
изготовления и температурные деформации.
Расстояние между опорами 800 мм.
11. Конструирование рамы
Установочная рама предназначена для объединения
механизмов привода в установку, монтируемую на фундаменте.
Рама выполнена литой.
Конструкция рамы разрабатывается на основе
эскизной компоновки.
Сначала вычерчиваем контур электродвигателя,
затем в соединении с валом электродвигателя муфту, контур редуктора.
Высота нижнего пояса:
, где L=1960 мм -
длина плиты;
мм.
Необходимо предусмотреть платики.
Назначение платиков - компенсировать ошибки размеров и другие дефекты литой
конструкции.
Крепление сборочных единиц к раме
выполняют болтами с использованием специальных косых шайб. Крепление рамы к
фундаменту выполним фундаментными болтами, диаметром 20мм.
Выводы
В данной курсовой работе в
соответствии с полученным заданием спроектирован привод ленточного конвейера,
который делится на отдельные узлы и детали (редуктор, двигатель, барабан,
рама).
Все составные части нашего механизма
просты для удобства в эксплуатации. Все детали рассчитывались с учетом запаса
прочности и заданного времени работы, что обеспечивает надежность работы
механизма. Выбор стандартных изделий велся в соответствии с ГОСТ, что
обеспечивает их взаимозаменяемость. Еще одним преимуществом является простота в
монтаже и демонтаже.
Данный привод, как и любой механизм,
подлежит своевременному техосмотру, который включает в себя: замена
отработанного масла, устранение неполадок, осмотр деталей, в случаи
неисправности их замена, проверка соответствия нормам эксплуатации и др.
В качестве материала для большинства
деталей мы принимали Сталь40ХН. Благодаря её механическим свойствам удалось:
. Уменьшить габаритные размеры
привода.
. Снизить массу установки.
. Как следствие первых двух пунктов
- снизить себестоимость продукции.
В связи с уменьшением массы и
габаритных размеров возрастает транспортабельность привода.
Список использованных источников
1. Анурьев
В. И. Справочник конструктора-машиностроителя. В 3х т.- М.: Машиностроение,
1979.
2. Иванов
В. Н. и Иванов М. Н. Детали машин. Курсовое проектирование. Учеб. пособие для
машиностроит. вузов.- М.: «Высшая школа», 1975.- 551с.
. Кузьмин
А. В. и др. Курсовое проектирование деталей машин. Справ. пособие. Часть 1.-
М.: «Высшая школа», 1982.- 208 с.
. Кузьминов
Ф.Ф., Пшеничных С. И. Подбор муфт. Конструкция, основы расчета. Учеб. пособие
по курсовому и дипломному проектированию.- Х.: «ХАИ», 2006.- 103 с.
. Курсовое
проектирование деталей машин. Под общей редакцией В. Н. Кудрявцева. Учеб.
пособие для машиностроит. специал. вузов.- Л.: Машиностроение, 1984.- 400 с.
. Назин
В. И. Проектирование подшипников и валов. Учебное пособие.- Х.: «ХАИ», 2004.-
220 с.
. Решетов
Д. Н. Детали машин. Учебник для машиностроит. вузов.- 4-е изд.- М.:
Машиностроение, 1989.- 496 с.