Разработка конструкции привода общего назначения, состоящего из электродвигателя и двухступенчатого редуктора

  • Вид работы:
    Курсовая работа (т)
  • Предмет:
    Другое
  • Язык:
    Русский
    ,
    Формат файла:
    MS Word
    690,04 Кб
  • Опубликовано:
    2012-09-17
Вы можете узнать стоимость помощи в написании студенческой работы.
Помощь в написании работы, которую точно примут!

Разработка конструкции привода общего назначения, состоящего из электродвигателя и двухступенчатого редуктора

СОДЕРЖАНИЕ

ВВЕДЕНИЕ

. АНАЛИЗ ТЕХНИЧЕСКОГО ЗАДАНИЯ

. ВЫБОР ДВИГАТЕЛЯ. КИНЕМАТИЧЕСКИЙ, СИЛОВОЙ И ЭНЕРГЕТИЧЕСКИЙ РАСЧЕТ ПРИВОДА

. РАСЧЕТ ПЕРЕДАЧ ПРИВОДА

.1 Расчет конической зубчатой передачи

.1.1 Проектный расчет конической передачи

.1.2 Проверочный расчет

.1.3 Геометрический расчет

.1.4 Расчет сил в зацеплении

.2 Расчет цилиндрической косозубой передачи

.2.1 Проектный расчет

.2.2 Проверочный расчет

.2.3 Геометрический расчет

.2.4 Расчет сил в зацеплении

. РАЗБОРКА ЭСКИЗНОГО ПРОЕКТА РЕДУКТОРА

.1 Конструирование валов

.1.1 Расчет быстроходного вала

.1.2 Расчет промежуточного вала

.1.3 Расчет тихоходного вала

.2 Конструирование стакана и крышек подшипников

.3 Разработка конструкции зубчатых колес

.3.1 Разработка конструкции цилиндрического колеса

.3.2 Разработка конструкции конического колеса

.4 Разработка конструкции корпуса редуктора

.5 Расчет шпоночных соединений

. РАЗРАБОТКА ТЕХНИЧЕСКОГО ПРОЕКТА РЕДУКТОРА

.1 Построение эпюр изгибающих моментов

.2 Проверка вала на сопротивление усталости

.3 Проверка подшипников промежуточного вала

.4 Выбор сорта смазочного материала

.5 Выбор и проверка муфты

.6 Разработка конструкции сварной рамы

СПИСОК ИСПОЛЬЗОВАННОЙ ЛИТЕРАТУРЫ

ВВЕДЕНИЕ

Целью данного курсового проекта является разработка конструкции привода общего назначения, состоящего из электродвигателя и двухступенчатого редуктора. Двигателем служит трехфазный асинхронный электродвигатель, крутящий момент от которого через клиноременную передачу предается на быстроходный вал редуктора. Среди особенностей конструкции редуктора следует отметить, что он двухступенчатый. В качестве быстроходной ступени выступает коническая передача и в качестве тихоходной - цилиндрическая косозубая передача. В данном проекте приоритетным является усреднение массогабаритных показателей передач при минимальной стоимости и материалоемкости. В редукторных передачах применены такие виды упрочнения деталей как закалка токами высокой частоты и улучшение. Детали редуктора максимально стандартизованы, выбраны стандартные крышки подшипников и т. д. В техническом задании не указаны масштабы выпуска привода, поэтому при его проектировании допускаем одиночное и мелкосерийное производство. При расчете отдельных узлов на прочность ограничимся расчетами наиболее опасных сечений или единиц, при этом, считая, что менее опасные элементы будут обладать достаточной прочностью.

1. АНАЛИЗ ТЕХНИЧЕСКОГО ЗАДАНИЯ

Поскольку кинематическая схема привода определена техническим заданием, наметим лишь некоторые принципиальные пути проектирования.

Во-первых, для снижения материалоемкости редуктора при относительно несложной технологии изготовления передач назначаем для шестерен обеих ступеней закалку ТВЧ, а для колес - улучшение. Зубья конической передачи выполняем круговыми, а цилиндрической - косыми. Для унификации материалов редукторных передач принимаем для шестерен и колес обеих ступеней сталь 40 Х.

Во-вторых, двигатель выбираем из трехфазных асинхронных электродвигателей переменного тока с короткозамкнутым ротором серии 4А.

2. ВЫБОР ДВИГАТЕЛЯ. КИНЕМАТИЧЕСКИЙ, СИЛОВОЙ И ЭНЕРГЕТИЧЕСКИЙ РАСЧЕТ ПРИВОДА

Мощность на выходном валу:

, (2.1.)

Общий КПД привода:

, (2.2.)

где  - значения КПД цилиндрической, конической передачи и муфты соответственно (табл. 2.1., [1]).

Потребная мощность на выходном валу привода:

. (2.3.)

Ориентировочное передаточное число привода:

, (2.4.)

где  - ориентировочные передаточные числа конической и цилиндрической передач.

Ориентировочная частота вращения двигателя:

. (2.5.)

По табл. [П. 4.1.1.] для мощности  ближайшую частоту вращения к  имеем двигатель 4А180М8У3, у которого .

Уточняем общее передаточное число привода и передаточные числа каждой ступени:

.

Принимаем .

Передаточное число редуктора:

; (2.6.)

; (2.7.)

. (2.8.)

Частоты вращения валов:

; (2.9.)

;

.

Крутящие моменты на валах:

; (2.10.)

; (2.11.)

;

3. РАСЧЕТ ПЕРЕДАЧ ПРИВОДА

3.1 Расчет конической зубчатой передачи

Как было принято ранее, назначаем для зубьев шестерни поверхностную закалку ТВЧ, а для колеса - улучшение.

 - твердость поверхности шестерни;

 - твердость поверхности зубьев колеса.

Рассчитаем допускаемое контактное напряжение шестерни:

. (3.1.)

Здесь .

 - коэффициент, учитывающий шероховатость поверхности зубьев (принято шлифование).

 - коэффициент запаса прочности (для ТВЧ).

.

Базовое число циклов нагружений:

.

Эквивалентное число циклов нагружений:

.

Поскольку , то , поэтому принимаем минимальное значение .

.

Допускаемое контактное напряжение колеса рассчитаем аналогично:

; (3.2.)

;

;

, поэтому ,

где ;

;

.

Так как передача относится к группе II, в качестве допускаемого контактного напряжения принимаем меньшее из двух следующих значений:

;

;

Окончательно принимаем: .

Допускаемые напряжения изгиба:

, (3.3.)

Находим отдельно для шестерни  и колеса .

Пределы длительной выносливости при изгибе:

;

;

;  (коэффициенты шероховатости и запаса прочности для шестерни и колеса одинаковы).

Коэффициенты долговечности , так как ;

;

, то есть  и ;

;

.

Поскольку в техническом задании не указан коэффициент кратковременных перегрузок , определим максимальные допускаемые напряжения - контактные  и изгиба - . Значение  находим только для колеса, которое в силу меньшей твердости зубьев является слабым звеном передачи в отношении контактной прочности при кратковременных перегрузках.

;

;

.

3.1.1 Проектный расчет конической передачи

Внешний делительный диаметр колеса:

. (3.4.)

Принимаем  - коэффициент нагрузки.

 - коэффициент, учитывающий особенности контакта зубьев.

.

Принимаем из ряда стандартных размером (ГОСТ 2185-66), .

Предварительное число зубьев колеса:

,

где  - коэффициент, взятый из [1, табл. 3.8.].

Предварительное число зубьев шестерни:

.

Фактические числа зубьев шестерни и колеса:

;

.

Фактическое передаточное число:

; (3.5.)

 - отклонение фактического передаточного числа от требуемого, что значительно меньше допустимого значения .

Внешний торцовый модуль:

. (3.6.)

Внешнее конусное расстояние:

.

Ширина зубчатого венца:

. (3.7.)

Округляем до ближайшего целого числа из стандартного ряда .

Коэффициент ширины зубчатого венца:

 - что соответствует рекомендациям.

Внешний делительный диаметр шестерни:

. (3.8.)

Средний делительный диаметр шестерни:

. (3.9.)

.1.2 Проверочный расчет

Условие контактной выносливости:

. (3.10.)

Уточним коэффициент нагрузки :

. (3.11.)

Средняя окружная скорость в зацеплении:

. (3.12.)

Для данного значения окружной скорости назначаем 8-ю степень точности.

По [1, табл. 3.4.] коэффициент динамической нагрузки для 8-й степени точности  (для окружной скорости ).

По [1, риз. 3.3] определяем коэффициент, учитывающий неравномерность распределения нагрузки между зубьями .

,

где  (для  по [1, риз 3.4.]) - коэффициент концентрации нагрузки.

.

Следовательно, условие контактной выносливости выполняется.

 - данное значение лежит в допустимых пределах .

Расчет на изгибную выносливость:

Для зубьев шестерни

. (3.13.)

Для зубьев колеса

. (3.14.)

Биэквивалентные числа зубьев шестерни и колеса:

;

,

где ;  - углы целительных конусов колеса и шестерни.

 - средний угол наклона круговых зубьев.

По [1, табл. 3.9.] выбираем коэффициенты смещения исходного контура:

; .

По [1, табл. 3.8.] выбираем коэффициенты формы зубьев шестерни:

; .

Коэффициент, учитывающий особенности контакта зубьев:

.

Определяем коэффициент нагрузки :

;

;

;

.

Смысл данных коэффициентов тот же, что и при контактной выносливости.

;

.

Следовательно, условие изгибной выносливости выполняется.

Проверочный расчет при кратковременных перегрузках:

;

;

.

Условие контактной и изгибной прочности при кратковременных перегрузках выполняется.

3.1.3 Геометрический расчет

Среднее конусное расстояние:

.

Средние делительные диаметры шестерни и колеса:

;

.

Средний нормальный модуль:

.

Высота головки зуба в среднем сечении:

;

.

Коэффициенты изменения расчетной толщины зубьев шестерни и колеса:

;

.

Высота ножки зуба в среднем сечении:

;

.

Угол ножки зуба:

;

.

Угол головки зуба:

; .

Угол конуса вершин:

; .

Угол конуса впадин:

; .

Внешняя высота головки зуба:

;

.

Внешняя высота ножки зуба:

;

.

Внешняя высота зуба:

.

Диаметры вершин зубьев:

;

.

Диаметры впадин зубьев:

;

.

Постоянная хорда зуба:

;

;

;

.

Высота до постоянной хорды зуба:

;

;

;

.

3.1.4 Расчет сил в зацеплении

Окружная сила:

. (3.15)

Осевая сила на шестерне:

 (3.16.)

Радиальная сила на колесе:

; ;

Радиальная сила на шестерне:

Осевая сила на колесе:

; .

Суммарная сила в зацеплении:

.

.2 Расчет цилиндрической косозубой передачи

Поскольку принято, что виды упрочнения и материалы шестерен и колес редукторных передач одинаковы, при расчете допускаемых напряжений цилиндрической передачи остается лишь уточнить эквивалентные числа циклов нагружений , , ,  и определить коэффициенты долговечности , , , . Остальные параметры, входящие в  и  будут иметь такие же значения, как и у конической передачи.

Так как цилиндрическая шестерня находится на одном валу с коническим колесом, то эквивалентные числа циклов для них будут одинаковыми, т. е. , .

Эквивалентные числа циклов нагружений зубьев цилиндрического колеса:

; .

В силу того, что  и

.

Коэффициенты .

Так как  и .

Коэффициенты долговечности  и  принимаем равными единице.

;

;

;

.

Расчетное значение  выбираем как меньше из следующих значений:

;

.

Окончательно принимаем .

3.2.1 Проектный расчет

Из условия контактной выносливости определяем главный параметр передачи - межосевое расстояние

, (3.17.)

где  - коэффициент, зависящий от типа передачи;

 - коэффициент нагрузки;

 - коэффициент ширины зубчатого венца [1, табл. 3.3].

.

Принимаем стандартное значение .

Ширина зацепления:

. (3.18.)

Округляем до стандартного значения .

Ширина зубчатого венца шестерни:

. (3.19.)

Нормальный модуль зацепления:

.

Принимаем .

Ориентировочное значение угла наклона зубьев:

. (3.20.)

Числа зубьев шестерни и колеса:

. (3.21.)

Окончательно принимаем .

.

Окончательно принимаем .

Уточняем фактическое передаточное число:

.

Отклонение фактического передаточного числа от требуемого:

, что значительно меньше допускаемого

значения .

Уточняем угол наклона зубьев:

. (3.22.)

.2.2 Проверочный расчет

Уточняем коэффициент нагрузки:

. (3.23.)

Окружная скорость в зацеплении:

,

где .

Значение  принимаем по [1, рис. 3.3.]. Для заданного значения окружной скорости по рекомендациям назначаем 8-ю степень точности.

; .

Здесь ;

 принимаем по [1, табл. 3.58.] для ; ;

, [1, табл. 3. 4.].

Следовательно, .

Определяем контактные напряжения:

, (3.24.)

где  - для стальных колес;

;

,

где  - торцовый коэффициент перекрытия;

.

Поскольку  и , то условие контактной выносливости выполняется.

Определяем напряжение изгиба:

. (3.25.)

Уточняем коэффициенты нагрузки :

, (3.26.)

где ; ;  [1, табл. 3.4.].

Для определения  найдем эквивалентные числа зубьев:

; .

При коэффициентах смещения  по [1, табл. 3.7.] принимаем , .

Коэффициент, учитывающий влияние многопарности зацепления на изгибную выносливость:

;

,

где  - осевой коэффициент перекрытия.

Выявим менее прочные по изгибу зубья:

,

поэтому целесообразно проверять на изгибную выносливость зубья колеса

.

Следовательно, условие выносливости по изгибу выполняется.

Проверочный расчет на прочность при кратковременных перегрузках.

;

 - из таблицы электродвигателей;

.

Условие контактной и изгибной прочности при кратковременных перегрузках выполняется.

3.2.3 Геометрический расчет

Делительные диаметры:

; .

Диаметры вершин зубьев:

;


Диаметры впадин зубьев:

;

.

Постоянная хорда зуба:

.

Высота до постоянной хорды зуба:

;

.

3.2.4 Расчет сил в зацеплении

Окружная сила:

.

Радиальная сила:

.

Осевая сила:

.


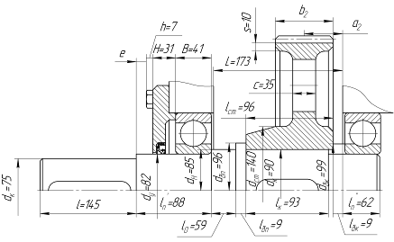
4. РАЗБОРКА ЭСКИЗНОГО ПРОЕКТА РЕДУКТОРА

В соответствии с рекомендациями выбираем из атласов по деталям машин конструкцию коническо-цилиндрического редуктора, которую будем считать прототипом разрабатываемого редуктора. В качестве такого примем редуктор КЦ на рис. 656 [4]. Естественно, конструктивные решения отдельных его деталей и узлов будут изменены. Например, коническую вал-шестерню будем устанавливать в роликоподшипниках по схеме «врастяжку». В связи с этим конструкции вала-шестерни и стакана будут изменены. Другие изменения отмечены в соответствующих разделах проекта.

4.1 Конструирование валов

.1.1 Расчет быстроходного вала


Определим диаметр концевого участка:

. (4.1.)

По ГОСТ 12080-66 принимаем стандартный цилиндрический концевой участок. Его основные размеры:

; ; ; .

Определим остальные диаметры вала.

Диаметр под уплотнением принимаем .

На него одевается манжета  ГОСТ 8752-79.

Диаметр резьбового участка принимаем таким, чтобы диаметр впадин резьбы . Следовательно, . Шаг резьбы .

.

На резьбовой участок накручивается круглая шлицевая гайка  ГОСТ 2524-70.

Диаметр свободного участка ; .

Диаметр подшипниковых шеек принимаем больше диаметра резьбового участка .

На него одевается подшипник 7216 (ГОСТ 27365-87).

Диаметр буртика подшипника:

, (4.2.)

где  для подшипника 7207А.

Осевые размеры вала.

Длина буртика подшипника:

.

Размер  получается с помощью построения. Для этого предварительно найдем расположение условных шарниров подшипников.

Расстояние между условными шарнирами:

.

Принимаем .

Длины подшипниковых шеек:

, где  - ширина подшипника 7207 А.

.

Длина резьбового участка:

, где  - высота гайки.

Длина уплотнения:

, (4.3.)

где .

Здесь и далее примем единый зазор, равный толщине стенки корпуса .

 - длина участка под манжетой;

 - толщина стенки крышки у манжеты;

 - наружный зазор.

 - ширина канавки под стопорное кольцо ГОСТ 13942-86.

4.1.2 Расчет промежуточного вала

Проектирование начнем с определения диаметра участка под колесом:

. (4.4.)

Выбираем значение  по ряду нормальных линейных размеров.

Диаметр под подшипником принимаем .

Диаметр буртика колеса:

, (4.5.)

где  - величина фаски, определяется по [1, табл. с. 155].

Диаметр под шестерней принимаем равным диаметру под колесом .


Осевые размеры вала.

Длина левой подшипниковой шейки:

, (4.6.)

где  - ширина подшипника 7212 А.

 - зазоры.

Длина участка под колесом:

, (4.7.)

где ;

 - длина ступицы колеса.

Длина буртика колеса:

.

Длина участка под шестерней:

, (4.8.)

где  - длина ступицы цилиндрической шестерни.

Длина правой подшипниковой шейки:

.

Расстояние между внутренними стенами корпуса редуктора:

.

Расстояние от внутренней стенки до оси тихоходной ступени:

.

4.1.3 Расчет тихоходного вала

Расчет диаметров тихоходного вала начнем с определения диаметра концевого участка

. (4.9.)

Принимаем стандартный цилиндрический концевой участок, у которого , , , .

Диаметр под уплотнением:

, (4.10.)

где  (I, табл. 155).

Принимаем  согласно внутреннему диаметру манжеты [1. П10] .


Диаметр подшипниковой шейки принимаем большим диаметра под уплотнением, кратный пяти . На него одевается шариковый подшипник 317.

Диаметр буртика подшипника:

. (4.11.)

Принимаем .

Диаметр под колесом принимаем из ряда нормальных линейных размеров .

Диаметр буртика колеса:

,

где  [I, табл. 155].

Осевые размеры вала.

Длина концевого участка принимается по ГОСТ 12080-66, .

Длина левой подшипниковой шейки:

, (4.12.)

где ;

 - ширина подшипника 317;

 - высота крышки подшипника (из [1, П. 9.2.] для );

 - высота головки болта , крепящего крышку к корпусу.

.

Длина правой подшипниковой шейки:

. (4.13.)

Длина участка под колесом:

, (4.14.)

где  - длина ступицы цилиндрического колеса.

Длина буртика колеса:

. (4.15.)

Длина свободного участка получается автоматически:

. (4.16.)

На этом расчет основных размеров валов редуктора окончен.

4.2 Конструирование стакана и крышек подшипников

Основные размеры стакана.

Диаметр фланца стакана примем равным .

По рекомендациям [1, 241] выбираем толщину стенки стакана .

Внутренний диаметр стакана принимаем по наружному диаметру подшипников быстроходного вала .

Диаметр центров окружностей винтов , соединяющих стакан с корпусом редуктора:

.

Высота буртика для упора в широкий торец наружного кольца подшипника:

.

В качестве материала корпуса принимаем сравнительно дешевый серый чугун марки СЧ15. При проектировании крышки подшипника быстроходного вала за основу примем стандартную торцевую крышку с отверстием для манжетного уплотнителя.

Наружный диаметр и диаметр центров окружностей винтов примем по размерам стакана:

, .

Основные размеры крышки.

Внутренний диаметр .

Диаметр гнезда под манжету .

Высота фланца крышки .

Высота крышки .

Крышка быстроходного вала вместе со стаканом крепятся к корпусу с помощью четырех болтов

Для промежуточного вала примем две одинаковые стандартные глухие крышки (ГОСТ 18511-73).

Основные размеры крышек:

; ; ; ; ; ; ; ; ; ; ; .

Крышки крепятся к корпусу с помощью четырех болтов  каждая.

Для тихоходного вала с одной стороны примем стандартную глухую крышку, основные размеры которой:

; ; ; ; ; ; ; ; ; ; ; .

Крышка крепится к корпусу шестью болтами .

При проектировании торцевой крышки с отверстием для манжетного уплотнения на тихоходном валу примем за основу стандартную крышку, уменьшив зазор между подшипником и внутренней стенкой крышки  и приняв толщину стенки крышки . В этом случае общая высота крышки составит .

Остальные размеры крышки:

; ; ; ; ; ; .

Крышка крепится к корпусу шестью болтами .

4.3 Разработка конструкции зубчатых колес

.3.1 Разработка конструкции цилиндрического колеса

Диаметр ступицы колеса:

.

Толщина ступицы:

.

Толщина обода колеса:

. (4.17.)

Толщина диска:

. (4.18.)

4.3.2 Разработка конструкции конического колеса

Диаметр ступицы:

. (4.19.)

Толщина диска:

. (4.20.)

Толщина обода:

. (4.21.)

Ширина кольцевого выступа:

. (4.22.)

.4 Разработка конструкции корпуса редуктора

Корпус проектируем согласно рекомендациям в [1, П. 3.5.1.]. Для корпуса редуктора принимаем серый чугун СЧ15, ГОСТ 1412-85.

Толщина стенки корпуса .

Расстояние от окружности вершин колеса тихоходной ступени до днища редуктора:

. (4.23.)

Принимаем .

Наименьший зазор между внутренней стенкой крышки корпуса и колесом:

.

Для увеличения жесткости корпуса на его нижней части предусматриваем вертикальные ребра, которые располагаем под подшипниковыми гнездами.

Толщина и высота ребра:

; .

В отличие от прототипа, где фланцы корпуса редуктора и крышки стягиваются болтами с гайками в проектируемом редукторе, используем винтовые соединения. Стяжные болты с уменьшенной шестигранной головкой образуют с отверстиями во фланце крышки корпуса сопряжения с зазором и завинчиваются в резьбовые отверстия во фланце корпуса.

Толщины фланцев корпуса и крышки:

. (4.24.)

Диаметр стяжного болта:

. (4.25.)

Принимаем болт с резьбой .


На нижней стороне фланца корпуса принимаем бобышки - местные приливы, в местах расположения стяжных болтов. Высота бобышек .

Болты располагаем таким образом, чтобы расстояние от подшипниковых гнезд и гнезда стакана не превышало .

При этом длина стяжных болтов у тихоходного вала будет составлять , а у быстроходного и промежуточного . Длина болтов, стягивающих фланцы крышки и корпуса, составляет .

Ширина фланца .

Координата расположения оси отверстия для стяжного болта .

Для центрирования крышки редуктора относительно корпуса принимаем конические штифты по ГОСТ 3129-70 с диаметром:

. (4.26.)

Диаметр фундаментных болтов редуктора:

. (4.27.)

Выбираем резьбу  - для фундаментных болтов.

Длину стержня фундаментных болтов назначим предварительно равной:

, (4.28.)

где  - толщина лап корпуса.

Принимаем фундаментальные болты  ГОСТ 7808-70. Количество фундаментальных болтов принимаем равным шести для более надежного крепления редуктора к раме.

Ширина лап:

. (4.29.)

Координата расположения оси отверстия для фундаментального болта:

. (4.30.)

Для подъема и транспортировки крышки корпуса и редуктора в сборе на наружной поверхности крышки располагаем две проушины в плоскости оси ее продольной симметрии, а под фланцами корпуса - крюки.

, ; , .

4.5 Расчет шпоночных соединений

Для крепления шкива ременной передачи на концевом участке быстроходного вала примем шпонку  ГОСТ 23360-78, у которой глубина врезания во втулку , а в вал .

Расчетная длина шпонки:

. (4.31.)

Выполним проверку прочности шпоночного соединения по напряжению смятия на плоских участках боковых граней [1, П. 4.3.2.]:

. (4.32.)

Аналогично выбираем шпонку для конического колеса на промежуточном валу: шпонка ; , ;

; (4.33.)

. (4.34.)

Для цилиндрической шестерни по промежуточном валу: шпонка ; , ;

;

.

Для цилиндрического колеса на тихоходном валу: шпонка ; , ; ;

.

Для концевого участка тихоходного вала: шпонка ; , ;

.

5. РАЗРАБОТКА ТЕХНИЧЕСКОГО ПРОЕКТА РЕДУКТОРА

Технический проект редуктора начинается с проверочных расчетов валов на прочность. В данном проекте ограничимся расчетами для промежуточного вала. Для выбора опасных сечений на промежуточном валу и последующих прочностных расчетов составим его расчетную схему.

Эпюры суммарного, изгибающего и эквивалентного моментов строить не обязательно, т.к. по имеющимся эпюрам достаточно просто выбрать 2…3 предположительно опасных сечения и выполнить для них необходимые расчеты.

Расчетная схема вала составлена при следующих допущениях:

вал представлен в виде статически определимой двух опорной балки;

конические роликоподшипники условно заменены шарнирами 1 и 2;

цилиндрическая шестерня и коническое колесо заменены силами , ,  и , , , точки приложения которых лежат на делительных окружностях посредине зубчатых венцов.

Значения сил зацепления, а также диаметры берем из расчета передач:

; ; ; ;

; ; ; .

Направление осевых сил на цилиндрической шестерне и коническом колесе принимаем по худшему варианту, т. е.  и  действуют в одном направлении.

Расстояния ,  и  находим графически:

; ; .

Приведем силы конической передачи к оси промежуточного вала:

; (5.1.)

. (5.2.)

Здесь  и  - дополнительные изгибающие моменты, приложенные в сечении, проходящем посередине ступицы конического колеса.

Определим реакции опор  и  в плоскости .

Уравнение равновесия моментов сил относительно точки 2: ;

. (5.3.)

Из формулы (5.3.):

.

Уравнение равновесия сил в проекции на ось : ;

. (5.4.)

Из (5.4.):

.


Аналогично определим реакции опор  и  в плоскости : ;

; (5.5.)

.

;

; (5.6.)

.

Суммарные радиальные реакции в опорах:

;

.

5.1 Построение эпюр изгибающих моментов

Для построения эпюр изгибающих моментов  и  вычислим их значения в сечениях I и II.

Плоскость .

Сечение I:

;


Проверка:

.

Сечение II:

;

.

Проверка:

.

Плоскость :

Сечение I:

.

Сечение II:

;

.

Эпюры изгибающих моментов представлены на рисунке/

Суммарные изгибающие моменты в сечениях I и II:

;

.

Эквивалентные моменты в сечениях I и II:

;

.

Опасными сечениями можно считать I и II, поскольку диаметр вала и размеры шпоночных канавок в обоих сечениях одинаковы, поэтому на прочность будем проверять сечение I, в котором больше суммарный и эквивалентный моменты.

Кроме них целесообразно проверить на прочность и сечение III, проходящее по правому торцу цилиндрической шестерни. Здесь концентратором напряжений является ступенчатый перепад поверхности.

.2 Проверка вала на сопротивление усталости

двигатель привод передача редуктор

Вал выполняется из конструкционной стали 45, для которой ; .

Пределы выносливости при симметричном цикле:

; (5.7.)

. (5.8.)

Поскольку напряжение изгиба вала при постоянных нагрузках изменяется по симметричному циклу, то:

, (5.9.)

где  и  - амплитудное и среднее напряжение изгиба, ;

 - осевой момент сопротивления „чистого“ сечения.

Для сечения со шпоночной канавкой:

.

Тогда по формуле (5.9.):

.

Для напряжения кручения принимаем нулевой цикл, у которого:

. (5.10.)

Здесь ;

.

Коэффициенты влияния асимметрии цикла:

;

.

Концентратором напряжений здесь является шпоночная канавка, поэтому:

,  (из [1, табл. 5.5.]).

Коэффициенты влияния абсолютных размеров поперечного сечения при изгибе и кручении берем из [1, табл. 5.5.]:

; .

Коэффициент влияния шероховатости поверхности при изгибе и при кручении:

 (для шлифования по [1, рис. 5.15.]);

.

Так как на данном участке отсутствует упрочнение, то .

Коэффициент анизотропии свойств стали:

.

Коэффициент снижения предела выносливости :

. (5.11.)

Коэффициент снижения предела выносливости :

. (5.12.)

Коэффициент запаса прочности по усталости при изгибе:

. (5.13.)

Коэффициент запаса прочности при кручении:

. (5.14.)

Расчетный коэффициент запаса прочности по усталости в сечении I:

. (5.15.)

Следовательно, сечение I обладает достаточным запасом прочности сопротивления усталости.

Проверим вал на сопротивление усталости в сечении III, для этого дополнительно рассчитаем:

;

;

;

;

.

Концентратором напряжения является галтель:

;

Остальные коэффициенты:

; ; ; ; ; .

Определим коэффициенты снижения предела выносливости по формуле (5.12.):

; (5.16.)

; (5.17.)

;

.

Коэффициент запаса прочности в сечении II по усталости:

.

Таким образом, сечение II имеет достаточный запас сопротивления усталости.


.

Сечение I:

. (5.18.)

Сечение III:

. (5.19.)

Следовательно, вал удовлетворяет критерию статической прочности при кратковременных перегрузках.

Целесообразно проанализировать результаты прочностных расчетов вала, что удобно сделать, если занести их в таблицу

Номер сечения

I

III








Из приведенной таблицы следует, что наиболее опасным является сечение I, так как основная прочностная характеристика вала - коэффициент запаса прочности по усталости  здесь имеет наименьшее значение.

5.3 Проверка подшипников промежуточного вала

Поскольку частота вращение промежуточного вала и внутренних колец подшипников , выбранные подшипники 7208А проверяем по критерию динамической грузоподъемности.

Расчетная схема подшипников промежуточного вала представлена на рис.


Исходные данные к расчету подшипников:

;  - внешние осевые силы на валу;

;  - радиальные нагрузки в подшипниках (найдены при расчете вала на прочность).

Из [1, табл. П. 75 и табл. 5.8.] выписываем характеристики подшипника 7208А:

; ; ; ;

;

.

Находим минимальные осевые силы в подшипниках:

; (5.20.)

. (5.21.)

Определим осевые нагрузки в подшипниках:

; ; .

Примем , тогда:

.

Следовательно .

Принимаем .

.

Следовательно, , а .

Проверим необходимость учета осевых нагрузок в расчете  и :

,

следовательно, осевую нагрузку на подшипник 1 не учитываем;

,

значит, осевую нагрузку на подшипник 2 необходимо учесть.

Здесь  - коэффициент вращения (вращаются внутренние кольца подшипников).

Определяем эквивалентные динамические радиальные нагрузки подшипников:

, (5.22.)

где  - коэффициент безопасности [1, табл. 5.9.];

 - температурный коэффициент;

.

С учетом циклограммы нагрузки:

; (5.23.)

. (5.24.)

Так как , то более нагруженным оказался второй подшипник - 2.

Проверим возможность применения подшипника 7208А в наиболее нагруженной опоре 2 по условию:

, следовательно выбранный подшипник 7208Аможно рассчитывать на долговечность.

Определим его расчетную долговечность:

, (5.25.)

что превышает требуемый срок службы редуктора . Значит, результат приемлемый.

5.4 Выбор сорта смазочного материала

Для редукторных передач принимаем смазку погружением, причем объем масляной ванны принимаем таким, чтобы в нее полностью погружался зубчатый венец конического колеса.

Определим среднюю кинематическую вязкость масла в редукторе.

Для конической передачи:

. (5.26.)

Для такого значения по таблице принимаем кинематическую вязкость .

Для цилиндрической передачи:

.

Среднее значение кинематической вязкости:

.

По [1, табл. 5.14.] выбираем для данного редуктора масло индустриальное И-20А ГОСТ 20799-88, у которого .

Так как окружные скорости цилиндрического и конического колес меньше , то подшипники редуктора не могут в достаточной мере смазываться тем не маслом И-20А за счет разбрызгивания или образования масляного тумана. Кроме того параметр  для подшипников редуктора равен ,  и , что значительно ниже допустимого значения , до которого применим пластичный смазочный материал. Таким образом, смазка подшипников всех валов проектируемого редуктора будет осуществляться пластичным смазочным материалом Литол-24 ГОСТ 21150-87. Для предотвращения вытекания смазки из подшипников применим маслозащитные шайбы соответствующих диаметров, штампованные из листовой стали.

Для контроля уровня масла в редукторе установим фонарный маслоуказатель, основные размеры которого принимаем согласно [1, рис. 5.40.]:

; ; ; .

Для слива отработанного масла предусмотрим в редукторе сливное отверстие. При этом днище редуктора выполняется под уклоном, а возле отверстия делается приямок. Для закрывания сливного отверстия примем цилиндрическую пробку с резьбой и прокладкой [1, рис. 5.42.].

Основные размеры пробки: Резьба - ; ; ; ; ; ; ; ; ; .

Для заливки масла в редуктор и периодического осмотра поверхности зубьев передач на крышке редуктора предусматриваем смотровое окно, которое в рабочем состоянии редуктора закрыто крышкой.

Окно выполняем прямоугольной формы .

Высота плотика: .

Ширина плотика: , (5.27.)

где  - диаметр болтов , крепящих крышку.

В крышке смотрового окна предусматриваем пробку, которая ввинчивается в гайку, приваренную изнутри. Размеры пробки не играют особой роли в работе редуктора, поэтому принимаются на усмотрение изготовителя.

.5 Выбор и проверка муфты

Выбираем муфту упругую втулочно-пальцевую (МУВП) ГОСТ 21424-75.

Проверочный расчет на изгиб:

,

.

Расчетные размеры пальцев  и втулок выбираем по табл. [1].

 МПа;

 МПа.

Проверочный расчет на смятие

 МПа,

 МПа.

Размеры и основные параметры муфт МУВП по ГОСТ 21424-75 из табл. 4.7 [1]

 кН; мм;


 мм; мм;


 мм; мм;


 мм; мм;


 мм; мм;


 мм; мм;


 мм;


 об/мин;.


.6 Разработка конструкции сварной рамы

Поскольку масштаб выпуска данного привода в техническом задании не указан, зададимся единичным производством с возможностью увеличения масштаба выпуска максимум до мелкой серии. Изготовление литой плиты в этом случае будет нерентабельным, поэтому останавливаемся на сварной раме, изготовленной из сортового проката - швеллеров с наклонными полками, ГОСТ 8240-72.

Расчетная высота швеллера:

,

где  - длина Г-образной рамы.

По [1, табл. П. 15.1.] выбираем швеллер №14, у которого ; ; ; .

Для крепления рамы привода к бетонному полу используем фундаментные болты типа 6, исполнения 1, ГОСТ 24379 1-80 с резьбой .

Глубина заделки фундаментных болтов:

.

Похожие работы на - Разработка конструкции привода общего назначения, состоящего из электродвигателя и двухступенчатого редуктора

 

Не нашли материал для своей работы?
Поможем написать уникальную работу
Без плагиата!
Без нейросетей!