Привод конвейера

  • Вид работы:
    Курсовая работа (т)
  • Предмет:
    Другое
  • Язык:
    Русский
    ,
    Формат файла:
    MS Word
    605,16 Кб
  • Опубликовано:
    2013-10-27
Вы можете узнать стоимость помощи в написании студенческой работы.
Помощь в написании работы, которую точно примут!

Привод конвейера

ВВЕДЕНИЕ


Проект - это комплекс технических документов, относящихся к изделию, предназначенному для изготовления или модернизации, и содержащий чертежи, расчеты, описание с принципиальными обоснованием.

Подготовка студентов в высших учебных заведениях направлена на то, чтобы обучить их мастерству проектирования. При выполнении курсового проекта студент должен проявлять максимум самостоятельности и творческой инициативы в выборе вариантов конструкций, материалов, форм деталей, графического оформления чертежей и т.п.

Изучения основ проектирования начинают с проектирования простейших элементов машин общего назначения.

Знания и опыт, приобретенные студентом при проектировании элементов машин, являются базой для дальнейшей работы, а также для выполнения курсовых проектов по специальным дисциплинам и дипломного проекта.

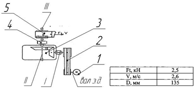
Проектируемый привод предназначен для передачи вращения от электродвигателя на цепь конвейера. Ленточный конвейер предназначен для транспортировки различных грузов. Широко применяется в горном деле , на производстве.

Привод к ленточному конвейеру работает следующим образом: электродвигатель 1 передает крутящий момент на быстроходный вал редуктора через клиноременную передачу 2, затем крутящий момент передается на тихоходный вал конического одноступенчатого прямозубого редуктора 3 (частота вращения уменьшается, крутящий момент увеличивается) и затем через зубчатую муфту 4 на вал ленточного конвейера.

Электродвигатель, редуктор и опоры барабана устанавливаются на раму, сваренную из швеллера 100.

Рама устанавливается на фундамент и крепится к нему с помощью анкерных болтов.

Шкивы ременной передачи , а также зубчатое колесо , муфта ,крепятся на валы привода с помощью шпоночного соединения.

Рис.1 Привод ленточного конвейера

1. ВЫБОР ЭЛЕКТРОДВИГАТЕЛЯ И КИНЕМАТИЧЕСКИЙ РАСЧЕТ


1.1 Определяем общий КПД привода


где: ηм - КПД муфты (ηм = 0,98 ) ;

ηпп - КПД пары подшипников (ηпп = 0,99 );

ηзп - КПД закрытой конической передачи (ηзп = 0,97);

ηр - КПД открытой ременной передачи (ηоп = 0,96);

ηо = 0,96 ∙ 0,993 ∙ 0,97 ∙0,98 = 0,885

1.2 Определяем частоту вращения, крутящий момент и мощность выходного вала

Определяем мощность на выходе:

Pвых=Ft*v/1000=        2500*2,6/1000=6,5 Кн

Исходные данные для проведения кинематического расчета:

Окружная сила на барабане F=2,5 кН;

Скорость перемещения груза v = 2,6м/c.

Диаметр барабана D=135мм

Долговечность привода 17500ч.

Режим нагрузки-постоянный

Клиноременная передача расположена вертикально

1.3 Определяем требуемую мощность электродвигателя, кВт

,


1.4 Ориентировочное значение общего передаточного числа привода

Uор = Uор1 ∙ Uор2 ∙ … ∙ Uорi ,

где: Uор1 ∙ Uор2 ∙ … ∙ Uорi - средние рекомендуемые значения передаточных чисел для выбранных передач.

Uор1 = 3,15 -рекомендуемое значение для зубчатой прямозубой передачи;

Uор2 = 2- рекомендуемое значение для ременной передачи;

Uор = 3,15 ∙ 2 = 6,3

1.5 Определение частоты вращения выходного вала

вых=6*104*v/(π*D)=6*104*2,6/(3.14*135)=368 об/мин

1.6 Определение угловой скорости выходного вала

= =38,51 с-1

1.7 Определяем ориентировочное значение угловой скорости вала электродвигателя, с -1

ωдв ор = ωт ∙Uор, с -1

где: ωт - угловая скорость на тихоходном валу, с -1

ωдв ор = 38,51 ∙ 6,3= 242,61 , с -1

1.8 Определяем ориентировочное значение частоты вращения вала электродвигателя, мин -1

,мин-1

 , мин -1

1.9 По рассчитанным значениям мощности и ориентировочной частоты вращения вала электродвигателя по табл.2.3

Выбираем электродвигатель с мощностью Pдв ≥ Pтр и частотой вращения близкой к nдв. Принимаем двигатель 4А112М2: мощность Pдв = 7,5 кВт, частота вращения nдв =2900 мин -1(асинхронная)

Далее расчет ведем по Pтр ( а не по Pдв) и выбранной nдв.

Рассчитаем угловую скорость вала электродвигателя, с -1 ;

,c-1


1.10 Общее передаточное число привода



1.11 Производим окончательную разбивку Uо по ступеням: с учетом того, что передаточные числа зубчатых передач должны иметь дробные значения (для лучшей приработке зубьев)

Uо =U1∙ U2 ∙… ∙Ui,

Принимаем U1 = 3,15 ; U2 = 2,5

Uо = 3,15 ∙ 2,5 = 7,875

Полученное значение Uо ≈U .

1.12 Определяем угловые скорости на каждом валу ω, с -1

ωдв = 303,53с -1

, с -1

, с -1

1.13 Определяем частоту вращения каждого вала n, мин -1

nдв = 2900, мин -1

, мин -

, мин -1

2. ОПРЕДЕЛЕНИЕ МОЩНОСТЕЙ И ПЕРЕДАВАЕМЫХ КРУТЯЩИХ МОМЕНТОВ НА ВАЛАХ

2.1 Определяем мощность на каждом валу, кВт

кВт

P1=Pдвр*ηпп=7,34*0,96*0,99=6,975 кВт

кВт

 кВт

2.2 Определяем вращающие моменты на каждом валу, Н∙м

 Н∙м

 Н∙м

 Н∙м

 Н∙м

2.3 Проверочные расчеты

, Н∙м

, Н∙м

, Н∙м

, Н∙м

, Н∙м

, Н∙м

Отклонение от расчетного не превышает 2 %.

Табл. 2.1 Сводная таблица результатов вычислений

№ вала

Мощность Р, кВт

Угловая скорость ω, с-1

Частота вращения n, мин -1

Крутящий момент Т, Н∙м

дв

7,34

303,53

2900

24,18

1

6,975

121,41

1159,96

57,44

2

6,698

38,54

368,21

173,79

3

6,499

38,54

368,21

168,62



3. РАСЧЕТ ПЕРЕДАЧ

3.1 Расчет закрытой конической передачи

Расчет зубчатой конической передачи редуктора.

Выбор материала для изготовления шестерни и колеса .

Выбираем материал зубчатой передачи :

Для шестерни -Сталь40Х; твердость >45 HRC

Для колеса -Сталь 40Х;твердость <350HB2;

Разность средних твердостей HB1ср-HB2 ср20…50

б) Механические характеристики стали 40Х: 269…302 HB;

Для шестерни : твердость 45…50HRC , улучшение и закалка ТВЧ , Дпр=200мм;

Для клеса: твердость 269…302HRC , улучшение , Sпр=125мм;

Дпр-предельный диаметр заготовки;

Sпр -предельная толщина заготовки;

σв=790 Н/мм² ,σт=640 Н/мм² , σ-1=375 Н/мм²

в)Средняя твердость зубьев шестерни и колеса :

HB1cр=258,5; HB2cр=238,5 ; HB1cр- HB2cр=20

Определение допускаемых контактных напряжений при расчете на выносливость.

а)Рассчитаем коэффициент долговечности КHL:

Для колеса наработка за весь срок службы :

N2=573*w2*Lh

w2=38,54 с-1 : Lh-cрок службы ,ч;

Lh=17500 ч(по заданию)

N2=573*38,54*17,5*103=386,45*106 циклов

Для шестерни N1=N2*u=386,45*106*3,15=1217,3*106 циклов

Число циклов перемены напряжений NHO1 соответствующее пределу выносливости находим по [табл3.3 ;2] интерполированием:

NHO1=17,06*106циклов. NHO2=15,7*106 циклов.

Так как N1> NHO1 и N2 > NHO2 , то коэффициенты долговечности КHL1=1 и КHL2=1.

д)Допускаемое контактное напряжение [σ]HO , соответствующее числу циклов перемены напряжений NHO[табл.3.1 ,2]

Для колеса [σ]HO2=1,8*HB2ср+67=1,8*238,5+67=496,3Н/мм2

Для шестерни [σ]HO1=1,8HBср1+67 =1.8*258.5+67=532.3Н/мм2

Определение допускаемых контактных напряжений при расчете на контактную прочность при действии максимальной нагрузки

Для шестерни [σ]H1= КHL1*[σ]HO1=1*532,3=532,3 Н/мм2

Для колеса [σ]H2= КHL2 *[σ]HO2=496,3*1=496,3 н/мм2

Т.к. HB1cр- HB2cр=20 , то коническая прямозубая передача рассчитывается по меньшему значению [σ]H из полученных для шестерни [σ]H1и колеса [σ]H2 т.е.по менее прочным зубьям ,т.е [σ]H=496,3 Н/мм2

Определение допускаемых напряжений изгиба при расчете на выносливость.

Определяем коэффициент долговечности КFL:

Наработка на весь срок службы:

N1=1217,3*106 циклов

N2=386,45*106 циклов

Число циклов перемены напряжений NFO1 соответствующее пределу выносливости . NFO=4*106 для обоих колес

Т.к. N1>NFO1 и N2>NFO2 , то коэффициенты долговечности КFL1=1 и КFL2=1

Допускаемое контактное напряжение изгиба , соответствующее числу циклов перемены напряжений NFO

[σ]FO1=1.03*HB1ср=1,03*258,5=266,3Н/мм2

[σ]FO2=1,03*HB2ср=1,03*238,5=245,7 Н/мм2

Допускаемое напряжение изгиба :

[σ]F1= КFL1*[σ]FO1=1*266.3=266.3 Н/мм2

[σ]F2= КFL2*[σ]FO2=1*245,7=245,7 Н/мм2

Т.к. передача реверсивная , то [σ]F уменьшаем на 25%

[σ]F1=266,3*0,75=199,7 Н/мм2

[σ]F2=245,7*0,75=184,3 Н/мм2

Рассчитанные данные сведем в таблицу 3.1

Элемент передачи

Марка стали

Dпред

Термообработка

НВ1ср

[σ]H

[σ]F



Sпред.


НВ2ср

Н/мм2

Шестерня

40Х

200

У

258,5

532,3

199,7

Колесо

40Х

125

У

238,5

496,3

184,3


Проектный расчет

Определим главный параметр -внешний диаметр колеса

dе2=1,75*104*=1,75*104*=0,241м=241мм.

гден-0,85-коэффициент для прямозубых колес

u=3.15-передаточное отношение

Кн=1 (коэфф. из табл 2,3 [1])- определяется в зависимости от

d=0.166*=0.54

Угол делительного конуса :

2=arctg(u)= arctg(3.15)=73,28°

1=90-2=90-72,38°=17,62°

Конусное расстояние:

Re= dе2/(2*sin2)=241/(2*sin73,28°)=125,81 мм

Ширина колеса:

b=*Re=0,285*125,81=35,85 мм

Внешний торцовый модуль передачи:

e===1,8мм

Принимаем внешний окружной модуль по 1 ряду ГОСТ

me=2мм.

f=0.85-коэффициент вида конических колес

Для прямозубых колес Кf=1-коэффициент , учитывающий распределение инагрузки по ширине венца.

Определим число зубьев колеса :

z2= dе2/me=241/2=120,5 шт

Принимаем z2= 121

Число зубьев шестерни :

z1= z2/u=121/3,15=38,41

Принимаем z1 = 38

Фактическое передаточное отношение :

uф=121/38=3,184;δ1=17,44º ;δ2=72,56º

Из таблицы 2,10 [1] определяем коэффициенты смещения для зубчатых колес

хе1=0,24

хе2=-хе1=-0,24

Определим делительные диаметры шестерни и колеса

Для шестерни : de1=me*z1=2*38=76мм

Для колеса : de2 = me*z2 = 2*121=242 мм

Внешние диаметры:

Шестерни dae1=de1+2(1+xe1)me*cos =76+2(1+0.24)*2*cos17.44º=80,73мм

колеса: dae2=de2+2(1+xe2)me* cos2=242+2(1-0.24)*2*cos72,56º=242,91

Внутренние диаметры шестерни dfe1=de1-2(1,2-xe1)me*cos1=76-2(1,2-0.24)*2*cos17.44º=72,33мм

колеса : dfe2=de2-2(1+xe2)me* cos2=242-2(1,2+0.24)*2*cos72,56º=240,27 мм

Расчетные параметры шестерни и колеса снесем в таблицу 4.2

Таблица 3.2 Параметры зубчатой конической передачи

Параметр

Значение

Внешнее конусное расстояние Re

125,81

Внешний окружной модуль me

2

Ширина зубчатого венца b

36

Число зубьев шестерни z1 колеса z2

 38 121

Вид зубьев

прямые

Делительный диаметр шестерни de1 колеса de2

 76 242

Внешний делит. диаметр вершин шестерни da1 колеса da2

 80,73 242,91

Диаметр впадин Шестерни dfe1 Колеса dfe2

 72,33 240,27


Проверочный расчет;

Проверим пригодность заготовок колес .

Условие пригодности заготовок колес:

Dзаг<Dпред; Sзаг<Sпред

Диаметр заготовки шестерни Dзаг

Dзаг =da1+6мм=80,73+6=86,73 мм<200 мм

Sзаг=b2+4 мм=36+4=40 мм <125 мм

Dпред=200 мм ; Sпред=125мм

Проверочный расчет по контактным напряжениям:

н =470*

Ft=2*T2*103/d2=2*173,79*1000/242=1436,2 Н-окружная сила в зацеплении

Kнα=1-коэффициент , учитывающий распределение нагрузки между зубьями .

Кнν =1,05-коэффициент динамической нагрузки , зависящий от окружной скорости колес и степени точности передачи.(табл 4,2[2])

V=ω2*d2/(2*1000)=38,54*242/(2*1000)=4,66м/с-окружная скорость колес

Степень точности -7- табл 2,5(1)

Кнβ=1

υн=1-коэффициент вида конических колес.

н =470*=357,02 <[σн]=496,3 МПа

Расчет допускаемых контактных напряжений передачи верен (недогруз 28%>10%)

Уменьшим ширину колеса и сделаем пересчет . b=30мм

н =470*=391 <[σн]=496,3 МПа

Недогруз 8,71% <10%

Проверка на изгиб зубьев шестерни [σ]F1 и колеса [σ]F2

σF2=[Yf2*Yв*Ft/(vf*b2*m)]* Kfαfβfν<[σ]F2

σF1=[σ]F2*Yf1/Yf2<[σ]F1

Kfα=1-коэффициент , учитывающий распределение нагрузки между зуб

Кfβ- коэффициент динамической нагрузки по длине зуба.

Кfβ=1

Кfν=1,33- коэффициент динамической нагрузки , зависящий от окружной скорости колес и степени точности передачи.(табл 4,3[2])

Yf1 и Yf2 -коэффициенты формы зуба шестерни и колеса . По табл 4,4[2] в зависимости от эквивалентного числа зубьев zv1=z1=38; zv2=z2=121

Принимаем Yf1=3,7; Yf2=3,6 ;

Yв=1-коэффициент , учитывающий наклон зуба

[σ]F1=199,7 Н/мм2

[σ]F2=184,3 Н/мм2

σF2=3,6*1*1436.2/(1*30*2)*1*1*1,33=114.6 Н/мм2<184,3мм2

σF1=184,3*3,3,7/3,6=189,41<199,7 Н/мм2

σF2-значительно меньше [σF] но это допустимо , т.к. нагрузочная способность большинства зубчатых передач ограничивается контактной прочностью

Сведем расчетные данные в таблицу4.3

Таблица 3.3

Параметр

Допускаемые напряжения

Расчетные значения

Примечания

Контактные напряжения σ нН/мм2

496,3

391

Недогрузка8.71%

Напряжения изгиба

σF21

199,7

189,41

Недогрузка 5.15%


σF2

184,3

114.6

Недогрузка 37.81%


Расчет сил в зацеплении

Ft=2*T2*103/d2=2*173,79*1000/242=1436.2 Н-окружная сила в зацеплении

Осевая сила на шестерне

Fa1=Ft*tgα*sinδ1=1436.2*tg20*sin17,62=158.23Н

Радиальная сила на шестерне:

Fr1= Ft*tgα*cosδ1=1436.2*tg20*cos17,62=498.2 Н

Осевая сила на колесе

Fa2=Fr1=498.2 Н

Радиальная сила на колесе

Fr2=Fa1=158.23 Н

3.2 Расчет ременной передачи

В задании задана клиноременная передача.

Рассчитаем диаметр ведущего шкива:

D1=(3…4)*=86,75…115,66 мм

Принимаем D1=100мм ,

Определяем скорость ремня v=π*nдв*D1/(30*103)=3.14*2900*100/(30*103)=30,35 м/с

Диаметр ведомого шкива D2=D1*u*(1-ε)=100*2,5*(1-0.015)=246.25мм.

Принимаем D2=250мм

Определяем фактическое передаточное отношение ременной передачи.

Uф= = =2.538

ε-величина , учитывающая проскальзывание.

Фактическая угловая скорость вала №1

ωф=ωдв/u=303,53/2,538=119,59рад/с

Определяем процент расхождения:

Δ=

Допускаемый процент расхождения 3%

Определяем интервал межосевого расстояния

Аmin=0.55*(d1+d2)+Т0

Т0=3.3 мм -высота сечения ремня профиля А

аmin=0.55*(D1+D2)+T0=0.55*(100+250)+3,3=195,8 мм

аmax=D1+D2=100+250=350 мм

Предварительно принимаем межосевое расстояние ap=300 мм

Определяем расчетную длину ремня:

L=2*ap+=2*300+=1168.25 мм

Примем ближайшее значение по стандарту L=1120 мм

Определим уточненное значение межосевого расстояния

аp=0,25*[(L-W)+],

где W=0.5*π*(D1+D2)=0.5*3.14*(100+250)=549,5 мм

у=(D2-D1)2=(250-100)2=22500 мм2

аpф=0,25*[(1120-549,5)+]=275 мм

При монтаже передаче необходимо обеспечить возможность уменьшения межосевого расстояния на 0,01*L=0.01*1120=11,2 мм , для обеспечения надевания ремня и необходимо предусмотреть возможность увеличения межосевого расстояния на 0,025*L=0.025*1120=28 мм, для натяжения ремня.

Угол обхвата ремнем ведущего шкива

α=180-57*=180-57*=148,9°120°

Из табл 3,11[3] в зависимости от момента на ведомом шкиве выбираем профиль «А» ремня.

Определим допускаемую мощность, передаваемую одним клиновым ремнем


где [Р0] - допускаемая приведенная мощность, передаваемая одним клиновым ремнем

Из табл 5,5 [2] Ро=2,5

Cp,Cα,CL,Cz-поправочные коэффициенты ,из табл.5,2[2]

Cp=1-коэффициент режима работы, учитывающий условия эксплуатации

Cα=0,91-коэффициент , учитывающий влияния угла обхвата,

CL=1-коэффициент , учитывающий длину ремня,

Cz=0,95-коэффициент , учитывающий число ремней в передаче (Предполагается ,что число ремней будет от3 до 5 )

Определение числа ремней ременной передачи:

Z= = = =3,39 шт

Принимаем z=4 шт

Где Рном= 7,34 кВт-требуемая мощность электродвигателя

P0= 2,16

Определяем силу предварительного натяжения ремня F0, H

F0===56,47 Н

Окружная сила , передаваемая комплектом клиновых ремней

Ft=

Определяем силы натяжения ведущей F1 и ведомой F2 ветвей ремня.

F1=F0+=56,47+=86,69 Н

F2=F0-=56,47-=26,24 Н

Определить силу давления ремней на вал Fоп

Fоп=2*F0*z*sinα/2=2*56,47*4*sin 148,9/2=435,22 Н

Определяем ширину шкивов

Вш=(z-1)*e*2*f=(4-1)*15+2*10=65 мм

По конструктивным соображениям принимаем длину ступицы шкива lст= 70мм. Диаметр ступицы dст=50мм.

Сведем расчетные данные ременной передачи в таблицу4.4

Таблица 3.4

Наименование параметра и единицы измерения

Обозначение параметров и числовое значение

Диаметр шкивов, мм Ведущий Ведомый

 D1=100 D2=250

Ширина шкивов,мм

В=65

Фактическое передаточное число

U=2,5

Угол обхвата ремнем меньшего шкива,°

α=148,9

Скорость ремня ,м/с

V=30,35

Число ремней , шт

Z=4

Давление на валы ,Н

Fоп=435,22

Длина ремня , мм

L=1120

Межосевое расстояние,мм

A=275

Длина ступицы шкивов, мм

70


Из таблицы 3,20[3] выбираем параметры шкива для ремней профиля «А» рис.3

Размеры профиля ремня сведем в таблицу6

Таблица 4.5

f

e

b

b1

h

10

15

3,3

13,3

8,7


Рис. 3.1 Размер профиля канавок клиноременного шкива профиля «В»

4. ПРЕДВАРИТЕЛЬНЫЙ РАСЧЕТ ВАЛОВ редуктора

 

Валы предназначены для установки на них вращающихся деталей и передачи крутящего момента.

Конструкции валов в основном определяются деталями, которые на них размещаются, расположением и конструкцией подшипниковых узлов, видом уплотнений и техническими требованиями.

Валы воспринимают напряжения, которые меняются циклично от совместного действия кручения и изгиба. На первоначальном этапе проектирования вала известен только крутящий момент, а изгибающий момент не может быть определен, т.к. неизвестно расстояние между опорами и действующими силами. Поэтому при проектировочном расчете вала определяется его диаметр по напряжению кручения, а влияние изгиба учитывается понижением допускаемого напряжения кручения.

Входной вал ( быстроходный ).


Рис. 4.1 быстроходный вал

Участок 1 - выходной конец вала для установки шкива и с другой стороны для установки шестерни. Диаметр  выходного конца быстроходного вала определяется по формуле:


где Т - крутящий момент на рассматриваемом валу, Н∙м;

 - пониженные допускаемые напряжения кручения, МПа, для выходных концов вала принимаются равными  МПа;

=15 МПа(1.c160)

 Принимаем Ø27мм

Участок 2 - участок для установки уплотнения; диаметр выбирается с учетом стандартных значений для деталей по эмпирической формуле:


Участок 3 - участок для установки подшипников, диаметр выбирается с учетом стандартных значений для деталей по эмпирической формуле:


Участок 4 - участок вала для упора колец подшипников. Диаметр также определяется по эмпирической формуле:


Вал тихоходный (выходной вал)

Материал вала-сталь45ГОСТ1050-74,термообработка -улучшение , твердость HB=160

Участок 1 - выходной конец вала для установки полумуфты. Диаметр  выходного конца вала определяется по формуле:


где: Т - крутящий момент на рассматриваемом валу, Н∙м;

 - пониженные допускаемые напряжения кручения, МПа, для выходных концов вала принимаются равными  МПа;

Рис. 4.2 Выходной вал

Принимаем , учитывая влияние изгиба вала от натяжения цепи =25МПа

Принимаем для выходного конца вала Ø35 мм.

Участок 2 - участок для установки уплотнения; диаметр выбирается с учетом стандартных значений для деталей по эмпирической формуле:


Участок 3 - участок для установки подшипников; диаметр выбирается с учетом стандартных значений для деталей по эмпирической формуле:


Участок 4 - участок для установки зубчатого колеса. Диаметр определяется по формуле:


Участок 5 - диаметр буртика для удержания зубчатого колеса и определяется по формуле:


Вал барабана(3 вал)

Участок 1 - выходной конец вала для установки полумуфты Диаметр  выходного конца вала определяется по формуле:


где: Т - крутящий момент на рассматриваемом валу, Н∙м;

 - пониженные допускаемые напряжения кручения, МПа, для выходных концов вала принимаются равными  МПа;

Принимаем , учитывая влияние изгиба вала от натяжения цепи =40МПа

Принимаем для выходного конца вала Ø35 мм.(для муфты)

Участок 2 - участок для установки уплотнения; диаметр выбирается с учетом стандартных значений для деталей по эмпирической формуле


Участок 3 - Диаметр вала под подшипники ; диаметр выбирается с учетом стандартных значений для деталей по эмпирической формуле:


Участок 4 - Диаметр вала под барабан; диаметр выбирается с учетом стандартных значений для деталей по эмпирической формуле:



5. ВЫБОР И РАСЧЕТ МУФТ

Муфты служат для продольного соединения двух деталей привода, связанных общим крутящим моментом. Тип муфты выбираем в соответствии с предъявляемыми к ней требованиями.

Все муфты стандартизированы и выбираются в зависимости от условий эксплуатации, величины расчетного крутящего момента и диаметров соединяемых валов.

Расчетный крутящий момент определяем по формуле:


где: Тр - расчетный крутящий момент, Н∙м;

ТН - номинальный крутящий момент на валу взятый из кинематического расчета;

К1=1-коэффициент ответственности передачи (простая остановка машины)

К2 - коэффициент учитывающий режим работы привода. ( К = 1.1).

Для соединения выходного вала редуктора и горизонтального вала барабана по ГОСТ5006-83 выбираем компенсирующую зубчатую муфту. Ее размеры в зависимости от номинального момента и диаметра вала.

Зубчатые муфты широко применяют для соединения валов , особенно в тяжелом машиностроении , где передаются большие моменты и затруднена точная установка узлов.компенсирующая способность муфты достигается созданием зазоров между зубьями и приданием бочкообразной формы зубьям втулки.

Для соединения тихоходного вала и вала барабана выбираем зубчатую муфту МЗ 710-I-710-II.2-У3 по ГОСТ 5006-83.

Выбранную муфту проверим смятие зубьев.


где К - коэффициент, учитывающий режим работы, К=1,1;

b - длина зуба, b =10 мм;

d - диаметр делительной окружности, d =z∙m.

z - число зубьев, z=50;

m - модуль зацепления, m=2 мм;

 - допустимое удельное давление, =15 МПа.

МПа

Муфта удовлетворяет условиям выбора.

Рис. 5.1 Эскиз зубчатой компенсирующей муфты

6. ПОДБОР ПОДШИПНИКОВ ДЛЯ ВАЛОВ

Предварительный подбор подшипников производим исходя из соотношения: Fa / Fr .

Если:

Fa / Fr < 0.3 , то принимаем шариковый радиальный однорядный подшипник;

.3 < Fa / Fr < 0.7 , то принимаем шариковый радиально-упорный однорядный подшипник;

Fa / Fr > 0.7 , то принимаем роликовый радиально-упорный однорядный конический подшипник.

Для быстроходного вала:

Fa1 / Fr1 =158,23/ 498,2 =0,31 - на первом валу устанавливаем шариковые радиально-упорные однорядные подшипники;

подшипники средней серии , т.к. вал консольно расположен , устанавливаем их в стакан

№46207 , d=35 мм, D = 72мм, B = 17 мм.

Для тихоходного вала:

Fa2 / Fr2 = 498,2 / 158,23= 3,14 - на втором валу устанавливаем роликовые радиальныо-упорные однорядные конические подшипники средней серии № 7209А, d=45 мм, D = 85мм, B = 20,75мм.

Рис 6.1

Размеры подшипников сведем в таблицу 6.1

Таблица 6.1

№подш

d

D

Т`

Cr

Cor

e

46207

35

72

17

29

16,4


7209A

45

85

20,75

62,7

50

0.414



7. КОМПОНОВОЧНАЯ СХЕМА И ВЫБОР СПОСОБА СМАЗЫВАНИЯ ПЕРЕДАЧ И ПОДШИПНИКОВ, ОПРЕДЕЛЕНИЕ РАЗМЕРОВ КОРПУСНЫХ ДЕТАЛЕЙ.


7.1 Компоновочная схема редуктора

На миллиметровой бумаге выполняем эскизную компоновку - расположение зубчатых колес .Вычерчиваем оси валов под углом 90º , затем отмеряем конусное расстояние Re=125,81 , b =30,строим диаметры шестерни и зубчатого колеса , и ширину колеса и шестерни. Вычерчиваем диаметры валов под подшипники, диаметр ступицы колеса. Толщина стенки корпуса 8мм.

Вычерчиваем колесо и вал -шестерню в виде трапеций.Очерчиваем внутреннюю стенку корпуса.

Определяем зазор между торцом ступицы колеса и внутренней стенкой корпуса: A1=1.2*δ,

Где δ=8мм-толщина стенок корпуса редуктора .

А1=1,2*8=9,6мм.

Принимаем А1=10мм

Принимаем зазор от окружности вершин зубьев колеса до внутренней стенки корпуса А=δ=8мм.

Вычерчиваем подшипники , оставляя место для маслоотбойных колец. Затем определяемся с размерами валов и вычерчиваем их . После этого схематично вычерчиваем крышки подшипников , учитывая конструктивные особенности редуктора ( кольца , манжеты и др.)

Вычерчиваем остальные элементы редуктора - шкив, муфту , фланцы корпуса редуктора.

Подбираем по ГОСТ ам шпонки и прорисовываем их на компоновочной схеме. Прорисовываем оси болтов .

Измеряем расстояния между местами приложения сил (середина венца зубчатого колеса, середина подшипника , место соединения полумуфт),для дальнейших расчетов валов.

7.2 Выбор способа смазки передач и подшипников

Смазка, зубчатых зацеплении и подшипников уменьшает потери на трение, износ и нагрев деталей.

По способу подачи смазки к зацеплению различают картерную и циркуляционную смазки.

Картерная смазка осуществляется окунанием венцов зубчатых колес в масло, заливаемое внутрь корпуса. Эту смазку применяют при окружным скоростях в зацеплении передач V < 12-15 м/с,. При большей скорости масло сбрасывается центробежной силой. При смазывании окунанием объем масла заливаемого в картер определяет из расчета (0,4-0,8)л масла на 1 кВт передаваемой мощности.

Рекомендуется, чтобы уровень масла был не выше центра нижнего тела качения подшипника (шарика или ролика).

Смазывание подшипников качения, редукторов общего назначения или пластичными мазями..

Пластичные мази лучше, чем жидкие масла, защищают подшипник от коррозии, особенно при длительных перерывах в работе. Для их удержания в подшипнике и корпусе не требуются сложные уплотнения. При выборе пластичной мази учитывают рабочую температуру подшипникового узла и наличие в окружавшей среде влаги. Пластичные мази (солидол)мы закладываем между подшипниками и мслоотражающими кольцами.

Уровень масла, находящегося в корпусе редуктора, контролируют различными маслоуказателями.

Для слива масла из корпуса редуктора предусматривается мослосливное отверстие, размещаемое в нижней части корпуса и закрываемое резьбовой пробкой.

Во время работы редукторов повышается давление внутри корпуса в связи с нагревом масла и воздуха. Это приводит к выбрасыванию масла из корпуса через уплотнения и стыки. Чтобы избежать этого, внутреннюю полость корпуса соединяют с внешней средой путем установки отдушин. Мы устанавливаем в крышке редуктора отдушину .

Из таблицы 25[8] в зависимости от контактных напряжений и окружной сорости выбираем вязкость масла для смазывания зубчатой передачи 30*10-6 м2/с.

Из таблицы 27 [8] выбираем в зависимости от вязкости масло индустриальное И-30А.

7.3 Конструктивные размеры шестерни и колеса


Шестерню выполняем с небольшой ступицей , выходящей за венец на 5 мм.

Конструктивные размеры колеса

Определим диаметр и длину ступицы


Принимаем lст=75 мм.

Определим толщину обода


Принимаем δо=8мм.

Определим толщину диска

 .

Принимаем С=8 мм.

Определим диаметр центральной окружности


Определим диаметр отверстия D0=D1-2*δ=242-2*8=226мм


Фаска


Расчетные данные сведем в таблицу 8.1

Таблица 7.1

Наименование параметров и единица измерения

Обозначение параметров и числовое значение

Диаметр ступицы колеса,мм

dcт=80

Длина ступицы колеса,мм

lст=75

Толщина обода колеса ,мм

δ0=8

Толщина диска колеса,мм

С=8

Внутренний диаметр обода ,мм

D0=226

Фаска,мм

n=1х45°

Диаметр центровой окружности,мм

Dотв=153

Диаметр отверстий,мм

dотв=18


7.4 Конструктивные размеры корпуса и крышки редуктора

Корпус предназначен для размещения деталей передачи, обеспечения смазки, восприятия усилий, возникающих при работе, а также для предохранения деталей передачи от повреждений и загрязнений.

Наиболее распространенным материалом для литых корпусов является серый чугун (СЧ15-32).

Редукторы общего назначения для удобства сборки и разборки конструируют разъемными.

Габариты и форма редуктора определяются числом и размерами зубчатых колес, заключенных в корпус, положением плоскости разъема и расположением валов.

В нижней части основания корпуса предусматривают маслосливное отверстие, закрываемое резьбовой пробкой, сбоку- отверстие для установки маслоуказателя.

Взаимное положение основания корпуса и крышки фиксируют двумя коническими штифтами , которые устанавливают до расточки отверстий под родшипники.Дно корпуса выполняют наклонным 1-2° в сторону сливного отверстия.

В крышке корпуса для заливки масла , контроля сборки и осмотре редуктора при эксплуатации предусматривают смотровое окно . Оно располагается в месте , удобном для осмотра зацепления.

Во время работы редукторов повышается давление внутри корпуса в связи с нагревом воздуха и масла . Это приводит к выбрасыванию масла из корпуса через уплотнения и стыки . чтобы избежать этого , внутреннюю часть корпуса соединяют с внешней средой путем установки отдушины в его верхней точке.

Для подъема и транспортировки крышки, основания корпуса и собранного редуктора предусматривают крючья, проушины или рым-болты.

Размеры элементов корпуса из СЧ15-32

1)   толщина стенок корпуса редуктора (во всех случаях d и d1 ³ 8 мм):


 мм

, мм

Принимаем δ = δ1 = 8 мм

Толщина фланца основания b=1.5*δ=1.5*8=12 мм

Толщина нижнего фланца основания p=2.35*δ=2.35*8=18.8=19 мм

Толщина ребер основания m=(0.85…1)*δ=8мм

Толщина нижнего фланца крышки b1=1.5*δ1=1.5*8=12 мм

Толщина ребер крышки m1=(0.85…1)*δ1=8 мм

Диаметр фундаментных болтов d1=(0.072*Re+12=0.072*125,81+12=21мм Принимаем М22

Диаметр болтов у подшипников: d2=(0,7…0,75)*d1=15,4…16,5=М16

Диаметр болтов соединяющих основание с крышкой :

d3=(0,5…0,6)*d1=0,5*22=11мм=М12 мм

Крепящих смотровую крышку:

, мм

, мм

1)   Количество фундаментальных болтов: 4

2)   Размеры элементов подшипниковых гнезд:

Диаметр расточки D принимаем по наружному диаметру подшипника;

Диаметр оси установки болтов

,мм

Наружный диаметр фланца

, мм

Количество болтов для крепления крышки подшипников n4 = 4…6;

Диаметр болтов d3 = 10 мм;

Размер, определяющий положение болтов :

q>0.5*d2+d4

q>0.5*14+8=15мм

Расчетные данные сведем в таблицу 8.2

Таблица 7.2

Наименование параметра и единица измерения

Обозначение параметра и числовое значение

Толщина стенок корпуса редуктора ,мм

δ=8мм

Толщина стенок крышки редуктора,мм

δ=8мм

Толщина верхнего фланца корпуса,мм

b=12мм

Толщина нижнего фланца крышки,мм

b1=12мм

Толщина нижнего фланца корпуса,мм

P=19мм

Фундаментные болты

М22

Болты,соединяющие крышку с корпусом

М12

Диаметр штифта

5

Длина штифта

20

Болты,крепящие крышку редуктора к корпусу

М16

Болты,крепящие крышку подшипников к корпусу

М10



8. РАСЧЕТ ВАЛОВ ПО ЭКВИВАЛЕНТНОМУ МОМЕНТУ


Рассчитаем ведущий вал на изгиб

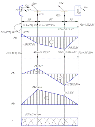
Чертим расчетную схему вала (рис.9.1), при помощи которой определяем реакции в опорах и изгибающие моменты на валу. Для этого рассмотрим вал в горизонтальной и вертикальной плоскости как балку, лежащую на двух опорах.


Рис.8.1 Схема нагружения валов

Горизонтальная плоскость

Определяем изгибающий момент МИ от осевой силы FА1

, Н · мм

ΣМА=0

Н

ΣМB=0

, Н

Проверка:-Fш+Rav+Rbv-Fr=-435,22+396,96+563,45-498,2=0

Строим эпюру МИН (Н∙мм)

МI=М-Fr1*50=6012,74-498,2*50=-18897,26 Н*м

МII=-Fш*72=-435*72=-31335,84 Н*м

Вертикальная плоскость

ΣМА=0

 , Н

ΣМB=0

 Н

Проверка Ft1-Rav-Rbv+Fш=1436,2-2499,5+1498,57-435,22=0

Строим эпюру МИV (Н∙мм)

МI=Ft*50=1436,2*50=71810 Н*м

МII=-Fш*72=-435,22*72=-31335,84Н*м

Определяем ΣМИ (Н∙мм)

, Н · мм =74,252 Н*м

, Н · мм =44.31 Н*м

, Н · м

Произведем проектировочный расчет вала;

d== =16,06мм.

Наиболее опасным является сечение вала в месте опоры В d=35мм.Условие прочности выполняется.

Определяем реакции в опорах:

Н


Рассчитаем ведомый вал на изгиб

Чертим расчетную схему вала (рис.9.1), при помощи которой определяем реакции в опорах и изгибающие моменты на валу. Для этого рассмотрим вал в горизонтальной и вертикальной плоскости как балку, лежащую на двух опорах. Вертикальная плоскость

Определяем изгибающий момент МИ от осевой силы FА1

, Н · мм

Силы трения в опорах не учитываются. Большинство муфт, вследствие неизбежной несоосности соединяемых валов, нагружают вал дополнительной силой FM.

При расчёте валов можно приблизительно считать

Fм=130*=130*=1688 Н

На тихоходном валу редуктора, где вращающий момент значителен, должна быть предусмотрена расчетная консольная нагрузка FM, приложенная к середине выступающего конца вала.

Направление силы FM в отношении окружной силы Ft может быть любым, так как это зависит от случайных неточностей монтажа.

Поэтому в расчётных схемах силу FM направляем так, чтобы она увеличивала напряжение от окружной силы Ft (худший случай).

ΣМc=0

Н

ΣМD=0

, Н

Строим эпюру МИН (Н∙мм)

МI=Rch*100=379.42*100=37942 Н*м

МIII=Rdh*101=-221.19*101=-22340,19Н*м

Вертикальная плоскость

ΣМc=0

Н

ΣМD=0

, Н

Рис 8.2 Эпюры изгибающих моментов быстроходного вала

Проверка:Fм+Rсv-Ft2 +RDv =1688-3047,9+1436,2-76,27=0

Строим эпюру МИН (Н∙мм)

МI=Fм*76=1688*76=128288 Н*м

МII=-Rdv*101=76,27*101=7703,27Н*м

Определяем ΣМИ (Н∙мм)

, Н · мм =128,288 Н*м

, Н · мм =23,631Н*м

, Н · м

Произведем проектировочный расчет вала;

d== =19,79мм.

Наиболее опасным является сечение вала в месте опоры C d=45мм.Условие прочности выполняется.

Рис. 8.3 Эпюры изгибающих моментов тихоходного вала

Определяем реакции в опорах:

Н

 


9. ПОДБОР ПОДШИПНИКОВ ПО ДИНАМИЧЕСКОЙ ГРУЗОПОДЪЕМНОСТИ

 

Произведем расчет наиболее нагруженного подшипника быстроходного вала (опора В) по динамической грузоподъемности.

Условие для выбора подшипника

С<[C]

Где С-требуемая динамическая грузоподъемность,кН;

[C]-табличное значение динамической грузоподъемности

Радиальная нагрузка , действующая на подшипник;

Ra==2526,7 Н-из ранее рассчитанного

Rb=1599,1 Н

V=1-коэффициент вращения (при вращении внутреннего кольца)

По таблице из [5] находим статическую грузоподъемность предварительно выбранного подшипника С0 = 16,4 кН.

Fa/C0=158.23/16400=0,009

В зависимости от этого соотношения из таблиц [5] выбираем e=0.34

Вычисляем осевые составляющие реакций опор от действия радиальных сил, которые зависят от угла контакта .

S1=e×RA=0,34*2526,7=859 Н

S2 = e × RB = 0,34 × 1599,1 = 543,6 Н

Определяем расчетные осевые нагрузки F1 и F2 .

S1>S2, Fa>0 значитF1=S1=859 H2=S1+Fa=859+158.23=1017,23 Н

Определяем соотношение  и сравниваем его с е. При этом, если соблюдается условие , то Х = 1, Y = 0; если , то Х и Y находят из таблиц [5].

 следовательно Х = 1, Y = 0.

Определяем эквивалентную динамическую нагрузку:


где: R - радиальная нагрузка, действующая на подшипник

V - коэффициент вращения. При вращении внутреннего кольца V=1.

Kd - коэффициент безопасности. Kd = 1.1

KT - температурный коэффициент. KТ = 1 при температуре подшипника менее 1000С.

Н

Требуемое значение динамической грузоподъемности:

C=Fe(=2779.37*(=607,49Н

n-частота вращения кольца подшипника

L-требуемая долговечность подшипника(для общего редукторостроения L=5000-1000ч)

α-коэффициент , зависящий от характера кривой усталости.(для шариковых подшипников α=3) Подшипник удовлетворяет условиям прочности , т.к.607,49 Н <16400Н. Рассчитаем подшипник тихоходного вала.

Rc==3071,4

Н-из ранее рассчитанного

Rd=233,9 Н

Из таблиц [5] находим статическую грузоподъемность предварительно выбранного подшипника С0 = 50 кН.

Fa/C0=498,2/50000=0,009

из таблицы выбираем e=0,414

Вычисляем осевые составляющие реакций опор от действия радиальных сил, которые зависят от угла контакта .

S1=e×Rc=0,414*3071,4=1271,5Н

S2 = e × Rd = 0,414 × 233,9 = 96,83 Н

Определяем расчетные осевые нагрузки F1 и F2 .

S1>S2, Fа>0 значитF1=S1=1271,5H2=S1+Fa=1271,5+498,2=1769,7 Н

Определяем соотношение  и сравниваем его с е. При этом, если соблюдается условие , то Х = 1, Y = 0; если , то Х и Y находят по каталогу [1].

 следовательно Х = 1, Y = 0.

Определяем эквивалентную динамическую нагрузку:


где: R - радиальная нагрузка, действующая на подшипник

V - коэффициент вращения. При вращении внутреннего кольца V=1.

Kd - коэффициент безопасности. Kd = 1.1

KT - температурный коэффициент. KТ = 1 при температуре подшипника менее 1000С.

Н

Требуемое значение динамической грузоподъемности:

C=Fe(=3378.54*(=503,74Н

n-частота вращения кольца подшипника

L-требуемая долговечность подшипника(для общего редукторостроения L=5000-1000ч)

α-коэффициент , зависящий от характера кривой усталости.(для шариковых подшипников α=3)

Подшипник удовлетворяет условиям прочности , т.к.503,74Н <50000

10. ПОДБОР И ПРОВЕРОЧНЫЙ РАСЧЕТ ШПОНОЧНЫХ СОЕДИНЕНИЙ

Зубчатые колеса, шкивы, звездочки и другие детали крепятся на валах с помощью шпоночных соединений.

Сечение шпонки выбирают в зависимости от диаметра вала (см./3/табл.4.1). Длину шпонки принимают по длине ступицы с округлением в меньшую сторону до стандартной

Рис11.1 Основные параметры шпонок


где: - длина шпонки, мм

- длина ступицы, мм

Шпонки рассчитываются на смятие по формуле:(см./3/с.73)


где:- напряжение смятия, Н/мм

- крутящий момент на валу, Н∙мм

- диаметр вала вместе посадки шпонки, мм

- рабочая длина шпонки, мм

,-параметры шпонки смотри выше, мм

- допускаемое напряжение смятия 110-190, Н/мм2

Z - количество шпонок.

Шпонки подбираем по ГОСТ23360-78 в зависимости от диаметра вала

Ведущий вал

Шпонки под шкив и под шестерню:

параметры шпонки: b = 8мм, h = 7 мм, l = 40мм , t1 = 4мм, t2 = 2,8 мм , lр = l - b = 40 - 8= 32 мм , d = 27м .

 Условие выполняется

Ведомый вал

Шпонка под звездочку:

параметры шпонки: b =10 мм, h = 8 мм, l = 65 , t1 = 5мм, t2 = 3,3 мм , lр = l - b = 65-10 = 55мм , d = 35мм .

 Условие выполняется

Шпонка под зубчатое колесо:

параметры шпонки: b = 16 мм, h = 10 мм, l = 70 мм , t1 = 6 мм, t2 = 4.3 мм , lр = l - b = 55 - 12 = 43 мм , d = 40 мм .

Условие выполняется

11. НАЗНАЧЕНИЕ ПОСАДОК , ШЕРОХОВАТОСТИ ПОВЕРХНОСТИ, ВЫБОР СТЕПЕНЕЙ ТОЧНОСТИ И НАЗНАЧЕНИЕ ДОПУСКОВ ФОРМЫ РАСПОЛОЖЕНИЯ ПОВЕРХНОСТЕЙ.

Для обеспечения правильной сборки и нормальной работы детали могут иметь некоторые рассеяние действительных размеров относительно номинальных значений. Допускаемые пределы рассеяния, удовлетворяющим условиям сборки и нормальной работы, ограничиваются предельными размерами наибольшим предельным размером dmax(Dmax) и наименьшим предельным размером dmin(Dmin) .

Для изготовления и контроля детали информация о предельных (допускаемых) размерах должна быть известна из чертежа. Однако для упрощения чертежей на них обозначают не предельные размеры, а предельные отклонения размера от номинального значения (верхнее и нижнее), которые представляют собой алгебраическую разность между соответствующим предельным размером и номинальным.

Более подробную информацию по данной теме можно получить в любой технической литературе по курсу : «Взаимозаменяемость стандартизация и технические измерения»(а также см./3/параграф 7.2)

В нашем случае мы используем посадки рекомендованные соответствующей технической литературой (см./3/табл.7.3).В основном мы используем посадки в системе отверстия, так как для отверстия труднее подобрать инструмент заданной точности. Точность изготовления проверяется калибром или специальными измерительными приборами.

Для посадок подшипников на валы принимаем посадку L6/к6 для всех валов, шероховатость поверхности Ra=0,8

Для тихоходного вала:

Ø45L6/к6

Для посадки колеса на тихоходном валу Ø50Н7/n6

Для вала Ø50n6

Для внутренней поверхности ступицы:

Ø50Н7+0,025

Для посадок крышек подшипников в корпус редуктора принимаем посадку Н7/h9

Ø72Н7/h9

Для крышки Ø72h9=Ø72-0,074

Для корпуса Ø72Н7=Ø72+0,030

Для посадок крышек подшипников в корпус редуктора принимаем посадку Н7/h9

Ø85Н7/h9

Для крышки Ø85h9=Ø85-0,087

Для корпуса Ø85Н7=Ø85+0,035

Для посадки под манжеты принимаем для валов посадку d9, шероховатость Ra=0.02

Посадки шпоночных соединений ;для валов N9 , для втулок Js9/

Для шпоночных соединений по СТ СЭВ 57-73 и СТ СЭВ 144-75 принимаем отклонения : паза вала 8N9=8-0.036 , паза ступицы 8Js9=8+0.018, по высоте шпонки 7h11=7-0.075, по глубине паза в вале t1=4+0.2. по глубине паза во втулке t2=2,8+0.2

Для шпонки 10N9=10-0.036 , паза ступицы 10Js9=10+0.018, по высоте шпонки 8h11=8-0.09, по глубине паза в вале t1=5+0.2. по глубине паза во втулке t2=3.3+0.2

Для шпонки 16N9=16-0.043 , паза ступицы 16Js9=12, по высоте шпонки 10h11=10-0.09, по глубине паза в вале t1=6,0+0.2. по глубине паза во втулке t2=4,3+0.2

Для валов назначаем шероховатость поверхностей торцов заплечиков под подшипники Ra2,5 , а посадочных шеек валов Ra1,25. Шероховатость ступеней вала для посадки зубчатых колес назначаем Ra 2.5.

Для посадочных поверхностей ступиц звездочки, муфты и зубчатого колеса назначаем шероховатость Ra2.5

Для посадочных поверхностей крышек подшипников и торцев Ra1.6

По таблицам [3] назначаем для быстроходного вала допуск симметричности 0,030 ,допуски цилиндричности 0,005-на диаметрах Ø27,Ø35. Для заплечиков вала допуск перпендикулярности 0,025.

Для тихоходного вала допуск симметричности 0,030 ,допуски цилиндричности 0,005-на диаметрах Ø45,Ø50,. Для заплечиков вала допуск перпендикулярности 0,025.

12 РАСЧЕТ ВАЛОВ НА ВЫНОСЛИВОСТЬ

Рассчитаем быстроходный вал

Проверочный расчет вала на усталостную прочность при изгибе.


где: nσ и nτ коэффициенты запаса по изгибным и крутящим напряжениям ;

n - допускаемое значение коэффициента запаса = 1.1 - 2.5 .


где: σ-1 и τ-1 - пределы выносливости для материала вала при симметричном цикле изгиба (табл. 11.5 /5/) ; Кσ и Кτ эффективные коэффициенты концентрации напряжений; εб,ετ -масштабные факторы при изгибе и кручении ; ψσ и ψτ - коэффициенты чувствительности к асимметрии цикла (табл. 11.5 /5/); σи и τк - напряжения изгиба и кручения; σ-1 =0.43*σв=0,43*900= 387 МПа


τ-1 = 0,22*σв=0,22*900=198 МПа


 Условие прочности выполняется

Рассчитаем тихоходный вал

Проверочный расчет вала на усталостную прочность при изгибе.


где: nσ и nτ коэффициенты запаса по изгибным и крутящим напряжениям ;

n - допускаемое значение коэффициента запаса = 1.1 - 2.5 .


где: σ-1 и τ-1 - пределы выносливости для материала вала при симметричном цикле изгиба (табл. 11.5 /5/) ; Кσ и Кτ эффективные коэффициенты концентрации напряжений; εб,ετ -масштабные факторы при изгибе и кручении ; ψσ и ψτ - коэффициенты чувствительности к асимметрии цикла (табл. 11.5 /5/); σи и τк - напряжения изгиба и кручения;

σ-1 =0.43*σв=0,43*900= 387 МПа


τ-1 = 0,22*σв=0,22*900=198 МПа


 Условие прочности выполняется

13. ОПИСАНИЕ СБОРКИ РЕДУКТОРА

Перед сборкой внутреннюю полость корпуса редуктора тщательно очищают и покрывают маслостойкой краской.

Сборку производят в соответствии со сборочным чертежом редуктора, начиная с узлов валов:

на ведущий вал насаживают мазеудерживающие кольца и шарикоподшипники, предварительно нагретые в масле до 80-100°С;

в ведомый вал закладывают шпонку и напрессовывают зубчатое колесо до упора в бурт вала; затем надевают мазеудерживающие кольца и устанавливают роликоподшипники, предварительно нагретые в масле.

Собранные валы укладывают в основание корпуса редуктора и надевают крышку корпуса, покрывая предварительно поверхности стыка крышки и корпуса спиртовым лаком. Для центровки устанавливают крышку на корпус с помощью двух конических штифтов; затягивают болты, крепящие крышку к корпусу.

После этого в подшипниковые "камеры закладывают пластичную смазку, ставят крышки подшипников с комплектом металлических прокладок для регулировки. Перед постановкой сквозных крышек в проточки закладывают армированные манжеты. Проверяют проворачиванием валов отсутствие заклинивания подшипников (валы должны проворачиваться от руки) и закрепляют крышки болтами. Далее на конец ведущего вала в шпоночную канавку закладывают шпонку, устанавливают полумуфту.

Затем ввертывают пробку маслоспускного отверстия с прокладкой и жезловый маслоуказатель. Заливают в корпус масло и закрывают смотровое отверстие крышкой с прокладкой из технического картона; закрепляют крышку болтами. Обьем масла V=0.8*3,767=3л

Собранный редуктор обкатывают и подвергают испытанию на стенде по программе, устанавливаемой техническими условиями.

14. РЕГУЛИРОВКА ПОДШИПНИКОВ И ЗАЦЕПЛЕНИЙ

Коническое зацепление и конические подшипники тихоходного вала регулируются поджатием крышками.

Для регулировки зазоров между крышками и корпусом предназначены металлические регулировочные прокладки. На быстроходном валу такая же система. Поджимая болтами крышку подшипников, мы устраняем зазоры в подшипниках и в коническом зацеплении.

муфта подшипник ленточный конвейер

СПИСОК ЛИТЕРАТУРЫ


1. А.Е. Шейнблит «Курсовое проектирование деталей машин».

. Курсовое проектирование деталей машин ч1 А.В. Кузьмин, Н.Н. Макейчик, В.Ф. Калачев, В.Т. Радкевич, А.А. Миклашевич

. Курсовое проектирование деталей машин ч2 А.В. Кузьмин, Н.Н. Макейчик, В.Ф. Калачев, В.Т. Радкевич, А.А. Миклашевич

. П.Ф. Леликов, О.П.Дунаев «Конструирование деталей машин» Москва «Высшая школа»1985

. Детали машин и основы конструирования : учеб. пособие по курсовому проектированию для студентов инженерно- технических и химико-технологических специальностей очной и заочной форм обучения / сост. А.Ф. Дулевич и др.- Мн.: БГТУ, 2006. - 220 с.

. П.Ф.Леликов, О.П.Дунаев «Конструирование деталей машин» Москва «Высшая школа»1985

. П.Г. Гузенков «Детали машин» Москва «Высшая школа»1982

. А.С. Дмитриченко, А.С. Ковеня, С.А. Лосик. Методическое пособие к курсовому проекту «Прикладная механика».Минск 1996г.

Похожие работы на - Привод конвейера

 

Не нашли материал для своей работы?
Поможем написать уникальную работу
Без плагиата!
Без нейросетей!