Привод ленточного конвейера
МИНИСТЕРСТВО
ОБРАЗОВАНИЯ РОССИЙСКОЙ ФЕДЕРАЦИИ
ЮЖНО-УРАЛЬСКИЙ
ГОСУДАРСТВЕННЫЙ УНИВЕРСИТЕТ
Филиал
в г. Златоусте
Кафедра
технической механики
Пояснительная
записка к курсовому проекту по курсу механика
«Привод
ленточного конвейера»
ЗД-205.2909.00.00
ПЗ
Руководитель
Зайнетдинов
Р. И.
«__»_________20_г.
Автор
проекта
студент
группы ЗД-205
Попов
А.В.
«__»_________20_г.
Проект
защищен
с
оценкой
«__»_________20_г.
Златоуст
г.
Аннотация
Попов А. В. Привод ленточного конвейера. -
Златоуст: Филиал ЮУрГУ,2009,
Библиография - наименований.
В работе выполнен проект привода ленточного
конвейера, состоящего из электродвигателя, упругой муфты, конического
одноступенчатого редуктора, цилиндрической передачи и приводного барабана. При
проектировании подобран электродвигатель, выполнены расчеты зубчатых передач,
валов, подшипников, шпоночных соединений редуктора, подобрана стандартная
упругая муфта. Также проведена исследовательская часть курсового проекта,
заключавшаяся в нахождении наиболее оптимального варианта тихоходного вала
конического редуктора. В ходе которой нами были рассчитаны зубчатые передачи
для двух разных моментов и подобраны подшипники. В графической части проекта
разработаны чертеж общего вида редуктора, диаграммы зависимости расположения
выходного конца вала на долговечность подшипников и расчетные схемы.
Бланк задания
Структурная схема
Узел 1 - электродвигатель
Узел 2 - МУ (муфта упругая)
Узел 3 - КОН (конический одноступенчатый
редуктор)
Узел 4 - ОЦ (открытая цилиндрическая передача)
Узел 5 - рабочий орган БП (барабан приводной
ленточного конвейера); D
- диаметр барабана 315 мм; В - ширина барабана 450 мм
График нагрузки (II)
Работа осуществляется в две смены
Тяговое усилие Ft
= 1000 H
Группа материалов - I
Срок службы в годах - 5 лет
β1
= 1,7
β2
= 0,5
V = 2 м/с
nC
= 3000 мин-1
Кинематическая схема
Краткое описание привода
Ленточный конвейер (рис.1) имеет станину 6, на
концах которой установлены два барабана: передний 7 - приводной и задний 1 -
натяжной. Вертикально замкнутая лента 5 огибает эти концевые барабаны и по всей
длине поддерживается опорными роликами, называемыми роликоопорами, - верхними 4
и нижними 10, укрепленными на станине 6. иногда вместо роликов применяют
настил. Приводной барабан 7 получает вращение от привода 11 и приводит в
движение ленту вдоль трассы конвейера.
Лента загружается через одну или несколько
загрузочных воронок 2, размещенных на конвейере. Транспортируемый груз
перемещается на верхней (грузонесущей, рабочей) ветви ленты, а нижняя ветвь
является возвратной (обратной). Возможно также транспортирование грузов
одновременно на верхней и нижних ветвях ленты в разных направлениях.
Грузы выгружаются на переднем барабане 7 через
разгрузочную воронку 8 или в промежуточных пунктах конвейера при помощи
разгрузочных устройств: плужковых 3 или барабанных разгружателей. Наружная
поверхность ленты очищается от прилипших к ней частиц груза очистным устройством
9, установленным у переднего барабана 7.
Ленточные конвейеры применяются для перемещения
в горизонтальном и наклонном направлениях разнообразных насыпных и штучных
грузов, а также для межоперационного транспортирования изделий при поточном
производстве. Они получили широкое распространение во всех отраслях
промышленности и являются основными агрегатами механизации транспорта в
литейных цехах, на топливоподачах электростанций, подземного и наземного
транспорта угля и породы в угледобывающей промышленности, руды, кокса и флюсов
в металлургии, строительных материалов и полезных ископаемых в карьерах, зерна
в зернохранилищах, песка и камня на строительство каналов и гидростанций.
Ленточные конвейеры служат составными частями
таких сложных машин, как роторные экскаваторы, перегрузочные и отвальные мосты,
погрузочно-разгрузочные машины и т. п. Большое распространение ленточные
конвейеры получили благодаря возможности получения высокой производительности
(до 30000 т/ч), большой длине транспортирования (до 3-4 км в одном конвейере и
до 100 км в системе из нескольких конвейеров), простоты конструкции и
эксплуатации и высокой надежности работы.
конвейер привод электродвигатель
редуктор
1. Подбор двигателя
.1 Находим требуемую мощность
двигателя по формуле
, (1)
где Ft - тяговое
усилие, Н;
V - окружная
скорость, м/с;
η - общий КПД привода,
определяется по формуле
, (2)
где η2 - КПД
упругой муфты, примем равным 0,98 [1, табл. 2.2];
η3 - КПД
закрытой конической передачи, примем равным 0,96 [1, табл. 2.2];
η4 - КПД
открытой цилиндрической передачи, примем равным 0,93 [табл. 2.2, 1];
η5 - КПД
барабана, примем равным 0,99 [1, табл. 2.2];
ηП - КПД
подшипников качения, примем равным 0,99 [1,табл.2.2]
кВт
.2 Находим требуемую частоту
вращения двигателя по формуле
, (3)
где nб - частота
вращения барабана, мин-1, определим по формуле
, (4)
Dб - диаметр
барабана, мм;
мин-1
i’ - общее
передаточное отношение, определим по формуле
, (5)
iP -
передаточное отношение редуктора, примем равным 6 [табл.2.3,1];
iозк -
передаточное отношение открытой цилиндрической передачи, примем равным 5 [1,
табл.2.3]
мин-1
Выбираем двигатель по частоте
вращения [3, табл. 1.5], и получим
Марка двигателя 4А90L2УЗ
РН=3 кВт
nН=2840 об/мин
1.3 Производим проверку по пусковому
моменту
,7
2,1
Вывод: двигатель по пусковому
моменту проходит.
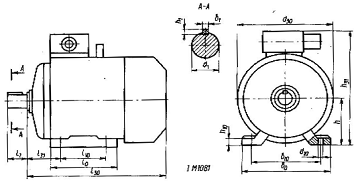
1.4 Эскиз двигателя
2. Кинематический расчет
.1 Определяем передаточное отношение
привода по формуле
, (6)
2.2 Распределяем передаточное
отношение между редуктором и открытой зубчатой передачи
Примем iрст=4 по [1,
табл.2.3]. Определяем передаточное отношение открытой передачи по формуле
, (7)
где i -
передаточное отношение привода
.3 Определяем мощности, частоты
вращения, угловые скорости и вращающие моменты валов привода
Определяем мощность вала двигателя
по формуле
, (8)
кВт
Определяем частоту вращения вала
двигателя по формуле
, (9)
об/мин
Определяем угловую скорость вала
двигателя по формуле
, (10)
с-1
Определяем вращающий момент вала
двигателя по формуле
, (11)
Н·м
Определяем мощность быстроходного
вала по формуле
, (12)
кВт
Определяем частоту вращения
быстроходного вала по формуле
, (13)
об/мин
Определяем угловую скорость быстроходного
вала по формуле
, (14)
с-1
Определяем вращающий момент
быстроходного вала по формуле
, (15)
Н·м
Определяем вращающий момент вала
двигателя по формуле
, (16)
Н·м
Определяем мощность тихоходного вала
по формуле
, (17)
кВт
Определяем частоту вращения
тихоходного вала по формуле
, (18)
об/мин
Определяем угловую скорость
тихоходного вала по формуле
, (19)
с-1
Определяем вращающий момент
тихоходного вала по формуле
, (20)
Н·м
Определяем мощность вала барабана по
формуле
, (21)
кВт
Определяем частоту вращения вала
барабана по формуле
, (22)
об/мин
Определяем угловую скорость вала
барабана по формуле
, (23)
с-1
Определяем вращающий момент вала
барабана по формуле
, (24)
Н·м
2.4 Делаем проверку по мощности,
частоте и вращающему моменту
, (25)
,9998 = 2
nБ = 121,326
об/мин - частота вращения барабана по формуле (22)
n’Б
= 121,322 об/мин - частота вращения барабана по формуле (2)
, (26)
,477 = 157
3. Расчет конического прямозубого
редуктора
Исходные данные:
Схема передачи
Передаваемая мощность P1
=2,309 кВт
Момент на колесе Т2 = 29,524
Н·м
Угловая скорость w1
= 297,253 с-1
Частота вращения n1 = 2840 мин-1
Передаточное число u = 4
График нагрузки
Срок службы передачи L
= 5 лет Вид смазки зацеплений - масляная ванна
3.1 Кинематический расчет
P2 =2,194
кВт; Т1 = 7,768 Н·м; w2
= 74,313 с-1;
n2 = 710 мин-1
3.2 Материалы зубчатых колес I
группы
С учетом рекомендаций [1, табл. 3.2] назначаем:
для шестерни - сталь 40Х с термообработкой улучшение,
НВ1 = 269…302, sb
=900 МПа, sT =750
МПа;
для колеса - сталь 40Х c термообработкой
улучшение,
НВ2 = 235…262,sb
=790 МПа, sT
=640 МПа
3.3
Допускаемые напряжения при расчете на выносливость
.3.1 Допускаемые контактные
напряжения
Базовый предел контактной выносливости по [4,
табл. 12.4;].
sHlimb1(sH01)
= 2· НВ1+70 = 2·280 + 70 = 630 МПа
sHlimb2(sH02)
= 2· НВ2+70 = 2·250 + 70 = 570 МПа
Коэффициент безопасности по [ 4, с. 187]
для зуба шестерни SH1 = 1,1, для зуба колеса SH2 =1,1
Базовое число циклов перемены напряжений
NH01 =
NH02 =
Эквивалентное число циклов перемены
напряжений пo [ 4, с
187].
HE1 = 60 n1(tH
+ b13 t2),
(27)
где n1 -частота
вращение быстроходного вала,мин-1;
tH - время под
нагрузкой ТH определяем по формуле
tH = 300 L ncм tH’, (28)
L - срок службы
передачи в годах;
ncм - число
рабочих смен;
tН’-
продолжительность работы передачи под нагрузкой TH
tH
= 300·5·2·3 = 9000 ч
NHE1
= 60·2840(9000+0,53· 10500)=17,573·108
t2
= 300·5·2·3,5 = 10500 чHE2 = 60·710(9000+1,73·
10500)=25,809·108
Коэффициент
долговечности определяем по формуле
KHL1 =
, (29)HL1
=
KHL2 =
Принимаем KHL1
= 1; KHL2 = 1
Допускаемые контактные напряжения
определяем по формуле
[sH]1 =
, (30)
[sH]1 =
[sH]2 =
Допускаемые контактные напряжения
для передачи определяем по выражению:
Принимаем [sH] =[sH]1,2min = 518,182 МПа
3.3.2 Допускаемые
напряжения изгиба
Базовый предел изгибной выносливости
зубьев
sFlimb1 (sF01) =1,8· НВ1=1,8·280=504
МПа
sFlimb2 (sF02) = 1,8· НВ2=1,8·250=450
МПа
Коэффициент безопасности по [
4, c. 194] SF1 = 1,75; SF2 = 1,75
Коэффициент, учитывающий
двухстороннее приложение нагрузки
[ 4, с. 194] KFc = 1
Базовое число циклов перемены
напряжений и показатель степени по [ 4, с. 194]
NF01 = 4000000
NF02 = 4000000
m1(mF1)
= 6
m2(mF2) = 6
Эквивалентное число циклов перемены
напряжений по формуле
FE1 = 60 n1
c (tH + b2m1 t2),
(31)FE1 = 60·2840∙1(9000+0,56· 10500)=1,562∙109FE2
= 60·710∙1(9000+0,56· 10500)=3.904∙108
Коэффициент долговечности определяем
по формуле
FL1 =
, (32)FL1
=
= 0,369FL2
=
=0,466
Принимаем KFL1 = 1; KFL2
= 1
Допускаемые напряжения изгиба
по формуле
[sF]1 =
, (33)
[sF]1 =
=288 МПа
[sF]2 =
=257,143 МПа
3.4 Допускаемые
напряжения для проверки прочности зубьев при перегрузках
.4.1 Предельные
допускаемые контактные напряжения по формуле
[sH]max1 =2,8
=2,8∙750=2100
МПа
[sH]max2 =2,8
=2,8∙640=1792
МПа
3.4.2 Предельные
допускаемые напряжения изгиба
[sF]max1 =
=600 МПа
[sF] max2 =
=512 МПа
3.5 Вращающие
моменты на валу шестерни
Т1= 7,768 Н м, колеса Т2=
29,524 Н м.
3.6 Внешний делительный диаметр
колеса
Внешний делительный диаметр колеса из условия
контактной выносливости передачи. Расчетная формула по [ 5 ]
de2 =
, (34)
где νН -
коэффициент вида конических колес, для прямозубых колес равен 1;
Кd -
коэффициент для прямозубых колес равен 990;
ybRe - коэффициент принимаемый нами
рамным 0,25;
КНβ -
коэффициент, учитывающий распределение нагрузки по ширине венца, определяется
по [2, табл. 3.5 ] в зависимости от ybd ( коэффициент ширины колеса)
равном
Принимаем KHb
=1,24
de2=
По ГОСТ 12289-76 принимаем de2=180 мм
3.7 Определяем углы делительных
конусов
d1 =90-d2=14,0360d2
= arctgU=arctg(4)=75,9640
3.8
Конусное расстояние и ширина колес
Re =
, (35)
Re =
b =
, (36)
b =
Принимаем b1 = b2 = b
=21 мм
3.9 Определяем модуль и числа зубьев
Внешний делительный диаметр шестерни
de1
=
de2
/ u, (37)
de1
=180/4=45 мм
Определяем числа зубьев Z1
=18
Z2 =
u·Z1,
(38)
Z2
=4·18=72
Принимаем Z2
=72
Определяем внешний торцовый модуль по формуле
mte
=
de2 /
Z2,
(39)
mte
=
180/72=2,5
Значение mte
необходимо согласовать со СТ СЭB 310-76 ( ГОСТ
9563-60 )
Принимаем mte
=2,5
Уточняем число зубьев шестерни и колеса
Z2 =
, (40)
Z2 =
Принимаем Z 2 =72
Z1 =
, (41)
Z1 =
Принимаем Z1 =18
3.9 Фактическое передаточное число и
оценка его отклонения
uф =
Du = (uф - u)100% / u
=(4-4)
100%/4=0
3.10 Окончательное значение размеров
колес
Углы делительных конусов по uф
d2
= arctgUФ=arctg(4)=75,964
cosd2
=0,2425
d1
=90-d2=14,036
cosd1
=0,97 sind1
=0,2425
Внешние делительные диаметры
de1 =
, (42)
de1 =
de2 =
Внешние диаметры вершин
dae1 =
, (43)
dae1 =
dae2 =
Внешние диаметры впадин
dfe1 =
, (44)
dfe1 =
dfe2 =
Средний торцовый модуль tm =
, (45)tm
=
Средние делительные диаметры
dm1 =
, (46)
dm1 =
dm2 =
3.11 Окружное усилие, окружная
скорость и степень точности изготовления
Определяем окружное усилие по формуле
Ft =
, (47)t
=
Определяем окружную скорость по
формуле
V =
, (48)=
По [1, табл. 4.2 ] в зависимости от окружной
скорости назначаем степень точности изготовления - 7
3.12 Проверка выносливости зубьев по
контактным напряжениям
Расчетная формула [4, ф.(12.78)]
sн =
, (49)
где ZН -
коэффициент формы сопряженных поверхностей зубьев в полюсе зацепления, примем
равным 1,77 по [5];
ZM -
коэффициент, учитывающий механические свойства материалов сопряженных зубьев,
примем равным 275 МПа1/2 по [5];
WHt - удельная
расчетная окружная сила, определим по формуле
, (50)
КНα -
коэффициент, учитывающий распределение нагрузки между зубьями прямозубых колес,
примем равным 1 по [1, стр. 72];
КНν -
коэффициент динамической нагрузки, зависящий от окружной скорости колес и
степени точности передачи, примем равным 1,24 по [1, табл. 4.3];
КНβ -
коэффициент, учитывающий распределение нагрузки по ширине венца, определяется
по [2, табл. 3.5 ] в зависимости от ybd ( коэффициент ширины колеса)
равном
ybd = bw / dm1,
(51)
ybd = 21/39,907=0,526
Примем КНβ = 1,174
uH -
коэффициент вида конических колес, для прямозубых равен 0,85 по [5];
Расчетные контактные напряжения и их
оценка
sн =
Вывод:16,3 % - передача по
контактным напряжения проходит.
3.13 Проверочный расчет на
выносливость по напряжениям изгиба
Расчетная формула [5]
sF =
, (52)
где КFν -
коэффициент динамической нагрузки, примем равным 1,5 по [1, табл. 4.3];
YF -
коэффициент формы зуба; для колеса равен 3,61, для шестерни равен 4,14 по [1,
табл. 4.7];
zv1 -
эквивалентное число зубьев, определим по формуле
zv1 =
, (53)
zv1 =
zv2 =
Оценку прочности зуба шестерни и
колеса производим по отношению
=
=
Расчет ведем по тому зубчатому
колесу, для которого это отношение меньше, то есть по первому
Расчетные напряжения изгиба для
зубьев шестерни и их оценка
sF =
3.14 Проверка прочности зубьев при
перегрузках
shmax =
sFmax =
Результаты расчёта прямозубого
конического редуктора на ЭВМ.
GM=1; Kd=990; Kbe=0,25; T2=29,524 H·м; u=4; ψbd=0,5262263; KHβ=1,174129;[σH]=518,182
МПа; mte=2,5; z1=18; z2=72; mtm=2,217043; dm1=39,90678
мм; dm2=159,6271
мм; de1=45 мм; de2=180 мм; bW=21 мм; Re=92,46255
мм; δ1=14,03618; δ2=75,96382; de2cт=180 мм; de2расч=164,3964
мм; dв2=24,72566
мм; масса (кг) = 2,017502; относительная стоимость=2,017502;
|
477,6908
|
117,4236
|
98,69358
|
|
622,8326
|
199,6201
|
167,7791
|
4. Расчет открытой цилиндрической
передачи
Исходные данные:
Схема передачи

Момент на колесе Т2 = 159,068
Н·м
Угловая скорость w1
= 74,313 с-1
Частота вращения n1 = 710 мин-1
Передаточное число u = 5,852
График нагрузки
Срок службы передачи L
= 5 лет
4.1 Кинематический расчет
P2 =2,02
кВт; Т1 = 29,524 Н·м; w2
= 12,699 с-1;
n2 = 121,326 мин-1
4.2 Материалы зубчатых колес I
группы
С учетом рекомендаций [1, табл. 3.2] назначаем:
для шестерни - сталь 40Х с термообработкой улучшение,
НВ1 = 269…302, sb
=900 МПа, sT =750
МПа;
для колеса - сталь 40Х c термообработкой
улучшение, НВ2 = 235…262,sb
=790 МПа, sT
=640 МПа
.3
Допускаемые напряжения изгиба
Базовый предел изгибной выносливости зубьев
sFlimb1
(sF01)
=1,8· НВ1=1,8·280=504 МПа
sFlimb2
(sF02)
= 1,8· НВ2=1,8·250=450 МПа
Коэффициент безопасности по [ 4, c. 194]
SF1 = 1,75; SF2 = 1,75
Коэффициент, учитывающий двухстороннее
приложение нагрузки [ 4, с. 194] KFc = 1
Базовое число циклов перемены напряжений и
показатель степени по [ 4, с. 194]
NF01 =
4000000 NF02 = 4000000
1(mF1)
= 6 m2(mF2) =
6
Эквивалентное число циклов перемены напряжений
по формуле (31)
NFE1 = 60·710∙1(9000+0,56·
10500)=3,904∙108FE2 = 60·121,326∙1(9000+0,56·
10500)=6,671∙107
Коэффициент долговечности определяем по формуле
(32)
KFL1 =
= 0,318FL2
=
=0,626
Принимаем KFL1 = 1; KFL2
= 1
Допускаемые напряжения изгиба
по формуле (33)
[sF]1 =
=288 МПа
[sF]2 =
=257,143 МПа
4.4 Допускаемые
напряжения для проверки прочности зубьев при перегрузках
4.4.1 Предельные
допускаемые контактные напряжения по формуле
[sH]max1 =2,8
=2,8∙750=2100
МПа
[sH]max2 =2,8
=2,8∙640=1792
МПа
4.4.2 Предельные
допускаемые напряжения изгиба
[sF]max1 =
=600 МПа
[sF] max2 =
=512 МПа
4.5 Вращающий
момент на шестерне
Т1 = 29,524 Н м
4.6 Определяем модуль зацепления
Определяем модуль зацепления из условия изгибной
выносливости по формуле [4. ф. (12.70)]
m =
, (54)
где Km -
вспомогательный коэффициент, примем равным 14 по [5];
ybd - коэффициент ширины колес, примем
равным 0,494 по [4, с. 190];
КFb -
коэффициент неравномерности распределения нагрузки, примем равным 1,3 по [2,
табл. 3.7 ]
Примем z1
= 27,
тогда z2
определим по формуле (38)
z2
=
27·5,852=158,004
Принимаем z2
=158
Определяем эквивалентное число зубьев по формуле
zv1
=
Z1=27
zv2 =
Z2=158
Коэффициент формы зуба [1, табл. 4.7]; F1
=
3,959 YF2
=3,553
Оценка прочности зуба шестерни и колеса по
отношению
=
=
В расчетную формулу подставляем YF и [sF] того
зубчатого колеса, для которого отношение меньше, то есть по второму.
т =
Для силовых передач m ³ 1,5 мм. По
ГОСТ 9563-60 принимаем т =1,5
4.7 Основные геометрические размеры
зубчатых колес
Делительный диаметр зубчатого колеса определим
по формуле
d = m·z,
(55)
где m
- модуль зацепления;
z - число зубьев
d1 =
d2 =
Диаметр вершин зубьев
зубчатого колеса определим по формуле
a = d + 2m, (56)
da1
=
da2
=
Диаметр
впадин зубьев зубчатого колеса определим по формуле
f = d - 2,5m, (57)f1 =
df2
=
Ширину
венца колеса определим по формуле
b2 = bw =
, (58)
b2 = bw =
Принимаем
b2 =22 мм
Ширину
венца шестерни определим по формуле
b1 = 1,12 b2, (59)
b1 =
Принимаем
b1 =25 мм
Межосевое
расстояние определим по формуле
a w =
, (60)
a w =
4.8 Окружная скорость и степень
точности изготовления
Окружную скорость найдем по формуле (48)
V =
По окружной скорости назначаем
степень точности изготовления - 9
4.9Проверка выносливости зубьев колеса по
напряжениям изгиба по формуле [5]
sF =
, (61)
где Ft - окружная
сила, определим по формуле (47)t =
YF -
коэффициент формы зуба, примем равным 3,553
КF -
коэффициент, определяющийся по формуле
КF= КFα× КFβ× КFν, (62)
КFα - примем
равным 1 по [1, стр. 66];
КFβ - примем
равным 1,32;
КFν - примем
равным 1,09 по [1, табл. 4.3];
КF=
1×1,32×1,09 = 1,439
sF=
Вывод: 2,42 % - передача проходит по
напряжениям изгиба
4.10 Проверка прочности зубьев при
перегрузках производится по формуле
sH =
, (63)
где ZН
- коэффициент формы сопряженных поверхностей зубьев в полюсе зацепления, примем
равным 1,77 по [5];
ZM
- коэффициент, учитывающий механические свойства материалов сопряженных зубьев,
примем равным 275 МПа1/2 по [5];
WHt
- удельная расчетная окружная сила, определим по формуле (50)
где КНα
- коэффициент, учитывающий распределение нагрузки между зубьями прямозубых
колес, примем равным 1 по [1, стр. 72];
КНν
- коэффициент динамической нагрузки, зависящий от окружной скорости колес и
степени точности передачи, примем равным 1,08 по [1, табл. 4.3];
КНβ
- коэффициент, учитывающий распределение нагрузки по ширине венца, определяется
по [2, табл. 3.5 ], примем равным 1,08;
sH =
4.11 Проверка прочности зубьев при
перегрузках
shmax =
МПа
sFmax =
МПа
Результаты расчёта прямозубого
конического редуктора на ЭВМ.
u=5,852; T1=295,24 H м;
прямозубая тип - 2; Кт=14; ψbd=0.4938272; KFβ=1.312654; KFυ=1.089486; КFα=1; [σF]1=288
МПа; [σF]2=257,143
МПа; [σF]max1=600 МПа; [σF]ma21=512 МПа;;
степень точности - 9; β=0;
d1=40,5 мм; d2=237 мм; b1=25 мм ; b2=22 мм; m=1.5; mрасч=1,617749; dв1=1,947418
мм; dв2=34,61445 мм
; zυ1=27; zυ2=158; YF1=3.958889; YF2=3.553544;
масса (кг) = 3.965485; относительная стоимость=3.965485;
|
275.153
|
246.9805
|
878.2728
|
0
|
0
|
5. Предварительный расчет валов и
эскизная компоновка
.1 Расчет валов
Определим диаметры выходных концов валов по
формуле
, (64)
где Т - крутящие моменты на валах, Н·м;
[τкр] -
допускаемое напряжение кручения, для быстроходного вала примем равным 17 мм, а
для тихоходного вала - 23 мм, по [6, стр. 4] МПа
мм
Примем равным dБ = 20 мм
мм
Примем равным dТ = 20 мм
Определим диаметр цапфы валов по
формуле
dП = d + Δd, (65)
где Δd -
определяем по [6, табл.1], примем для быстроходного и тихоходного валов равным
7 мм;
dПБ = 20 + 7 =
27 мм
dПТ = 20 + 7 =
27 мм
Округляем полученные числа до
ближайшего числа кратному 5.
Примем dПБ = 25 мм; dПТ = 25 мм
Определяем диаметры валов по
зубчатыми колесами
Быстроходный вал
dБЗК = dПБ - Δd’, (66)
где Δd’ -
определяется по рекомендациям [6, стр. 5], примем для быстроходного вала равным
3 мм, а для тихоходного - 3 мм;
dБЗК = 25 - 3 =
22 мм
Тихоходный вал
dБЗК = dПБ + Δd’, (67)
dБЗК = 25 + 3 =
28 мм
5.2 Установим вид соединения
быстроходного вала с шестернею
Для того, чтобы вал выполнялся
заодно с шестернею необходимо выполнение условия
dP1 < dБЗК + Δd
где dP1 определим
по формуле
, (68)
мм
dБЗК + Δd = 31 мм
Вывод: условие выполняется, поэтому
шестерня выполняется заодно с валом
5.3 Некоторые параметры колес и
корпуса редуктора
Найдем длину ступицы конического
колеса по формуле
Lст2 =
(1,2÷1,5)dТзк, (69)
Lст2 = 1,35·28
= 37,8 мм
Примем Lст2 = 38 мм
Определим диаметр ступицы колеса по
формуле
dст2 = 1,6dТЗК, (70)
dст2 = 1,6 ·
28 = 44,8 мм
Примем равным dст2 = 45 мм
Определим толщину стенки редуктора
по формуле
δ = 0,05Re + 1, (71)
δ = 0,05·92,769 + 1 = 5,638 мм
Примем δ = 8 мм
5.4 Предварительный выбор подшипников
По диаметрам цапф быстроходного и
тихоходного валов подбираем конический радиально-упорный подшипник качения.
Получим подшипник с параметрами:
№ 7205; d = 25 мм; D = 52 мм; Т
= 16,5 мм; b = 15 мм; с
= 13 мм; r = 1,5 мм; r1 = 0,5 мм; α = 140; С = 23,9 кН;
С0 = 17,9 кН; Y = 1,67; Y0 = 0,92.
Схема расположения подшипников на
валах - «в распор»
Применяется жидкая смазка
подшипников (разбрызгиванием)
6. Расчет валов на статическую
прочность
Составим расчетную схему
быстроходного вала.
Определим окружную, радиальную и осевую силы для
шестерни
Окружную силу определим по формуле
, (72)
Радиальную силу определим по формуле
, (73)
Осевую силу определим по формуле
, (74)
6.1 Определяем реакции опор
В плоскости YOZ
Примем равным RBy = +192,433 H
Проверка
В плоскости XOZ
Примем равным
RАх
=
+188,15
Проверка
6.2 Строим эпюры изгибающих моментов
В плоскости XOZ
I участок 0≤Z1≤c1
II участок 0≤Z2≤f1
В плоскости YOZ
I участок 0≤Z1≤c1
II участок 0≤Z2≤f1
6.3 Строим
эпюры крутящих моментов
6.4 Определяем суммарный изгибающий
момент в опасном сечении
Опасным сечением является - сечение
В.
, (75)
Определим эквивалентный момент
, (76)
Определим эквивалентное напряжение
по формуле
, (77)
МПа < 60 МПа
Составим расчетную схему тихоходного
вала
Определим окружную, радиальную и осевую силы для
конического колеса и цилиндрической шестерни
Осевую силу на колесе определим по
формуле (73)
Радиальную силу на колесе определим
по формуле (74)
Окружную силу на цилиндрической
шестерни определим по формуле (72)
Осевую силу на цилиндрической
шестерни определим по формуле
, (78)
6.5 Определяем реакции опор
В плоскости YOZ
Примем равным RAY = + 643,98
Н
Проверка
В плоскости XOZ
Примем равным RAX = +2360,38
Н
Проверка
6.6 Строим эпюры изгибающих моментов
В плоскости XOZ
I участок 0≤Z1≤l3
III участок 0≤Z≤c2
В плоскости YOZ
I участок 0≤Z1≤l3
II участок 0≤Z2≤f2
III участок 0≤Z3≤c2
6.7 Строим
эпюры крутящих моментов
6.8 Определяем суммарный изгибающий
момент в опасном сечении
Опасным сечением по формуле
(75)является - сечение А.
Определим эквивалентный момент по
формуле (76)
Определим эквивалентное напряжение
по формуле (77)
МПа < 60 МПа
7. Расчет подшипников качения
конического редуктора
Быстроходный вал
Исходные данные:
Схема вала
Осевая сила, действующая на вал Fa
=34,359 Н
Частота вращения вала n =2840 мин - 1
Диаметр цапфы вала dn = 25 мм
Рабочая температура t £
60 0C
Рекомендуемая долговечность [Lh] =19500 ч
7.1 Определим радиальные нагрузки,
действующие на подшипник по формуле
Fr1 =
, (79)
Fr1 =
=
7.2 Тип подшипника
Учитывая нагрузки, действующие на опоры выбираем
тип подшипника - учитывая диаметр цапфы вала, принимаем подшипник лёгкой серии
№ 7205, для которого - d ´ D ´
T(B) = 25 ´ 52 ´
16,25, С = 24000 Н, Со =17500 Н, e =0,36, Y = 1,67,Yо =0,92
7.3 Определяем эквивалентную
динамическую нагрузку
P
=
, (80)
где V - коэффициент вращения, примем
равным 1 по [1,
с. 142 ];
Кб - коэффициент
безопасности, примем равным 1,4 по [1, табл. 9.4 ];
КТ - температурный коэффициент [1,
с. 142 ]
Определим осевые составляющие радиальной
нагрузки по формуле
S1 =
, (81)
S1 =
S2 =
Определим осевые силы действующие на
подшипники
Так как S1 > S2, то
Fa1 = S1 =181,86 Н Fa2 = S1+ Fa =181,86+34,359=216,22 Н-
коэффициент радиальной нагрузки назанчаем по отношению Fa /(VFr) и коэффициенту
e;
Y - коэффициент осевой нагрузки
назначаем по отношению Fa /(VFr) и
коэффициенту e;
Fa1 /(VFr1)
=
< e
Следовательно X1
=1, Y1
=0
Fa2 /(VFr2)
=
> e
Следовательно X2
=0,4, Y2
=1,67
P1
=
Н
Р2 =
Н
Более нагруженной является опора A
7.4 Определим расчетную
долговечность опоры подшипника
По формуле
h =
, (82)h
=
398947,43 ч
Вывод: выполняется условие для
подшипников ведущего вала конического редуктора по долговечности.
Тихоходный вал
Схема вала
Осевая сила, действующая на вал Fa
=137,434 Н
Частота вращения вала n =710 мин - 1
Диаметр цапфы вала dn = 25 мм
Рабочая температура t £
60 0C
Рекомендуемая долговечность [Lh] =19500 ч
7.5 Определим радиальные нагрузки
Определим радиальные нагрузки, действующие на
подшипник по формуле (79)
Fr1 =
=
7.6 Тип подшипника
Учитывая нагрузки, действующие на опоры выбираем
тип подшипника - учитывая диаметр цапфы вала, принимаем подшипник лёгкой серии
№ 7205, для которого - d ´ D ´
T(B) = 25 ´ 52 ´
16,25,
С = 24000 Н, Со =17500 Н, e =0,36,Y = 1,67,Yо
=0,92
7.7 Определяем эквивалентную
динамическую нагрузку
Определим осевые составляющие радиальной
нагрузки по формуле (81)
S1 =
S2 =
Определим осевые силы действующие на
подшипники
Tак как S1 <S2 и Fа=137,434Н
<S2 -S1 =
731,06-159,54 =571,52Н, то
Fa1 = S2
- Fа
=731,06-137,434=593,63Н
Fa2 =S2
=731,06 Н
Fa1 /(VFr1) =
> e
Следовательно X1
=0,4, Y1
=1,67
Fa2 /(VFr2)
=
< e
Следовательно X2
=1, Y2
=0
P1
=
Н
Р2 =
Н
Более нагруженной является опора A
7.8 Определим расчетную
долговечность опоры подшипника
По формуле (82)
Lh =
44665,33 ч
Вывод: выполняется условие для
подшипников ведущего вала конического редуктора по долговечности.
8. Расчет шпоночных соединений
Тихоходный вал
Исходные данные: вращающий момент на валу T =
29,52 Нм
8.1 Подбор и расчет шпоночного
соединения (под зубчатым колесом)
Диаметр вала под зубчатым колесом dзк = 28 мм
По диаметру вала по ГОСТ 23360-78 выбираем
шпонку ?
h = 8 ?
7 мм, t1 = 4мм, t2 = 3,3 мм.
Принимаем Lст = 38 мм.
Определим длину шпонки по формуле
= Lст - 5...10 мм, (83)=38-6=32 мм
По [1, табл. К42] принимаем l =32 мм
8.2 Напряжения смятия и их оценка
sсм =
< [s]см, (84)
где lp - находится по
формулеp =l-bp = 32-8=24 мм
[sсм]=100 МПа
sсм =
Вывод: sсм < [s]см
8.3 Напряжения среза и их оценка
tср =
, (85)
[tср] =0,6[sсм]=60 МПа
tср =
МПа
Вывод: tср<[tср]
Обозначение шпонки по ГОСТу - Шпонка
8? 7?32 ГОСТ
23360-78
8.4 Подбор и расчет шпоночного
соединения на выходном конце вала
Диаметр вала d = 20 мм
По диаметру вала по ГОСТ 23360-78 выбираем
шпонку
? h = 6 ?
6 мм, t1 = 3,5мм, t2 = 2,8 мм.
Длина шпонки L = (1,2... 1,5)d -5…10
=1,3·20-6=20 мм
По ГОСТ 23360-78 принимаем l =20 мм
8.5 Напряжения смятия и их оценка
По формуле (84)p = =20-6=14 мм
sсм =
Вывод: sсм < [s]см
8.6 Напряжения среза и их оценка
По формуле (85)
tср =
МПа
Вывод: tср<[tср]
Обозначение шпонки по ГОСТу - Шпонка
6? 6?20 ГОСТ
23360-78
Быстроходный вал
Исходные данные: вращающий момент на валу T =
7,768 Нм
8.7 Подбор и расчет шпоночного
соединения на выходном конце вала
Диаметр вала d = 20 мм
По диаметру вала по ГОСТ 23360-78 выбираем
шпонку ?
h = 6 ?
6 мм, t1 = 3,5мм, t2 = 2,8 мм.
Длина шпонки L = (1,2... 1,5)d -5…10
=1,3·20-6=20 мм
По ГОСТ 23360-78 принимаем l =20 мм
.8 Напряжения смятия и их оценка, по формуле
(84)p = =20-6=14 мм
sсм =
Вывод: sсм < [s]см
8.9 Напряжения среза и их оценка
По формуле (85)
tср =
МПа
Вывод: tср<[tср]
Обозначение шпонки по ГОСТу - Шпонка
6? 6?20 ГОСТ
23360-78
Эскиз шпонки
9. Проверочный расчет вала на
выносливость
Эскиз вала
S =
Ss =
St
=
Определим пределы выносливости
материала вала
s- 1 =0,43σВ=0,43·600=258
МПа
t- 1 =0,58s- 1=0,58·258=149,64
МПа
9.1 Сечение А-А
Характеристика сечения
Максимальный изгибающий и крутящий моменты,
действующие в сечении
Ми =22,68 Н мМк =29,52 Н м
Определим моменты соспротивления сечения изгибу
по формуле
W =
, (86)
W =
1824,89 мм3
Определим моменты соспротивления
сечения кручению по формуле
Wк =
, (87)
Wк =
3978,94 мм3
Определим амплитуду и среднее
напряжение цикла при изгибе
sа =
МПа sm =
МПа
Коэффициенты
Ks
= 1,6 по [2, табл. 8.5]; Kd(es) = 0,89 по [2,
табл. 8.8];
Kv(b) =0,95; ys
=
0,2 по [2, стр. 164]
Определим коэффициент запаса
усталостной прочности по изгибу по формуле
Ss =
, (88)s =
=10,96
Определим амплитуду и среднее
напряжение цикла при кручении
ta = tm =
МПа
Коэффициенты
Kt
=1,5 по [2, табл. 8.5]; Kd(et) = 0,782 по [2, табл. 8.8]; Kv(b) = 0,95; yt
=0,1 по [2, стр. 166]
Определяем коэффициент запаса
усталостной прочности по кручению по формуле
St
=
, (89)
St =
=19,03
Общий коэффициент запаса определим
по формуле
S =
, (90)
S =
=9,49 >
[S]=2,5…4
9.2 Сечение Б-Б
Характеристика сечения
Максимальный изгибающий и крутящий моменты,
действующие в сечении и =77.57 H
м Mк =29,52 Н м
Определим момент сопротивления сечения изгибу по
формуле
W =
, (91)
W =
мм3
Определим момент сопротивления
сечения кручению по формуле
Wк =
, (92)
Wк =
мм3
Определим амплитуду и среднее
напряжение цикла при изгибе
sа =
МПаsm = 0
Коэффициенты
Ks/
Kd(es) = 2,44 по
[2, табл. 8.7]; Kv(b) =0,95; ys = 0,2 по [2,
стр.164]
Определим коэффициент запаса
усталостной прочности по изгибу формуле (88)s
=
3,18
Определим амплитуду и среднее
напряжение цикла при кручении
ta
= tm =
МПа
Коэффициенты
Kt
/ Kd(et) = 0,6·(Ks
/ Kd(es))
+0,4=1,864 по [2, табл. 8.7]; Kv(b) =0,95; yt =0,1
по
[2, стр.166]
Определим коэффициент запаса
усталостной прочности по кручению по формуле (89)
St
=
24,11
Общий коэффициент запаса определим
по формуле (90)
S =
= 3,15
9.3 Сечение В-В
Характеристика сечения
Максимальный крутящий момент, действующий в
сечении
Mк =29,52
Определим моменты соспротивления сечения
кручению по форму-ле (87)
Wк =
1427,069 мм3
Определим амплитуду и среднее
напряжение цикла при кручении
ta = tm =
МПа
Коэффициенты
Kt
=1,5 по [2, табл. 8.5]; Kd(et) = 0,83 по [2, табл. 8.8]; Kv(b) = 0,95; yt
=0,1 по [2, стр. 166]
Определяем коэффициент запаса
усталостной прочности по кручению и общий коэффициент запаса определим по
формуле (89)
S =St =
=7,227
10. Расчет упругой муфты
Исходные данные:
Диаметры соединяемых валов d1 =24мм,
d2 = 20 мм
Вращающий момент на валу T = 7,926
Нм
Частота вращения валов n =2840 мин
- 1
По диаметрам соединяемых валов d1 и
d2 с учетом момента Т выбираем типоразмер муфты [1, табл. К25].
Параметры выбранной муфты:
Номинальный момент Тн = 40 Н м
Максимальная частота вращения nmax
=3009,554мин - 1
(Максимальная угловая скорость wmax =315 c -1)
Диаметры соединяемых валов d
=18...25 мм
10.1 Проверяем муфту по вращающему
моменту
= kT £ [Tн]=1,2 [1, табл.
10.26]=1,2·7,926=9,51 Н м
Вывод: для взятой муфты выполняется условие по
вращающему моменту
10.2 Проверяем муфту по частоте
вращения
£ [nmax]
мин-1 <
3009,554 мин-1
Вывод: для взятой муфты выполняется условие по
частотам вращения
10.3 Эскиз выбранной муфты с
основными размерами
lЦИЛ
= 38 мм; lКОН
= 26 мм; LЦИЛ
= 130 мм; LКОН
= 120 мм; D = 125 мм
11. Выбор сорта масла
Смазывание зубчатого зацепления производится
окунанием зубчатого колеса в масло, заливаемое внутрь корпуса до уровня,
обеспечивающего погружение колеса примерно на 25 мм. Объем масляной ванны
V = 1,34 дм3.
По [2, табл. 10.8] устанавливаем вязкость масла.
При контактных напряжениях σН
= 1792 МПа и средней скорости V
= 5,931 м/с вязкость масла должна быть приблизительно равна 50·10-6
м2/с. По [2, табл. 10.10] принимаем масло индустриальное И-50А (по
ГОСТ 20799-75)
12. Конструктивные размеры колес и
корпуса редуктора
.1 Колесо зубчатое коническое
Толщину обода определим по формуле
мм
Примем S=9 мм
Определим диаметр ступицы колеса по формуле
(70):
dст2
= 1,6 · 28 = 44,8 мм
Примем равным dст2
= 45 мм
Найдем длину ступицы конического колеса по
формуле (69)
Lст2
= 1,35·28 = 37,8 мм
Примем Lст2
= 38 мм
С - толщина диска определяется графически
12.2 Корпус редуктора
Таблица 1
|
Параметры
|
Ориентировочные
соотношения (размеры, мм)
|
Толщина
стенки корпуса
|
δ
= 0,05·92,769 + 1 = 5,638 мм, примем равным 8 мм
|
|
Продолжение
таблицы 1
|
|
Параметры
|
Ориентировочные
соотношения (размеры, мм)
|
Толщина
крышки редуктора
|
δ1
= 0,04·92,769 + 1 = 4,71 мм, примем равным 8 мм
|
Толщина
верхнего фланца корпуса
Толщина
нижнего фланца корпуса
Диаметр
фундаментных болтов (их число 4)
|
d1 = 0,072·92,769+12 = 18 мм
|
|
|
Высота
бобышки hб под болт
|
выбирают
конструктивно так, чтобы образовалась опорная поверхность под головку болта
|
13. Исследовательская работа
.1 Расчет открытой передачи на ЭВМ
u=5,852; T1=295,24
H м; прямозубая тип
- 2; Кт=14; ψbd=0.03771428;
KFβ=1.2210557;
KFυ=1.089486;
КFα=1;
[σF]1=288
МПа; [σF]2=257,143
МПа; [σF]max1=600
МПа; [σF]ma21=512
МПа;; степень точности - 8; β=0; d1=87,5
мм; d2=490
мм; b1=36,3
мм ; b2=33
мм; m=3.5; mрасч=4,58129;
dв1=41,65003
мм; dв2=73,40956
мм ; zυ1=25;
zυ2=140;
YF1=3.998;
YF2=3.564286
13.2 Расчет редуктора на ЭВМ
GM=1; Kd=990;
Kbe=0,25; T2=295,24
H·м; u=4;
ψbd=0,579302;
KHβ=1,192756;[σH]=518,182
МПа; mte=4,375;
z1=18;
z2=72;
mtm=3,836035; dm1=69,04862
мм; dm2=276,1945
мм; de1=78,75
мм; de2=315
мм; bW=40
мм; Re=162,3481
мм; δ1=14,03618;
δ2=75,96382;
de2cт=315
мм; de2расч=315,4012
мм; dв2=53,26978
мм
13.3 Расчетные реакции опор
|
№
схемы
|
Реакции
опор
|
|
RCX
|
RDX
|
RCY
|
RDY
|
RC
|
RD
|
|
T1
|
T2
|
T1
|
T2
|
T1
|
T2
|
T1
|
T2
|
T1
|
T2
|
T1
|
T2
|
|
1 схема
|
2360,37
|
11385,39
|
-513,11
|
-2387,02
|
-600,65
|
-2196,77
|
85,63
|
119,71
|
2435,59
|
11595,38
|
520,21
|
2390,02
|
|
2
схема
|
-1834,51
|
-8079,22
|
765,81
|
3580,91
|
839,51
|
4393,23
|
-255,77
|
-1765,21
|
2017,47
|
9196,43
|
807,39
|
3992,35
|
|
3
схема
|
-1834,51
|
-8079,22
|
765,81
|
3580,91
|
882,83
|
3981,38
|
-317,81
|
-1267,64
|
2035,88
|
9006,95
|
829,13
|
3798,66
|
|
4
схема
|
2360,38
|
11385,39
|
-513,12
|
-2387,02
|
-643,98
|
-2611,32
|
147,68
|
380,55
|
2446,65
|
11681,01
|
533,95
|
2417,16
|
13.4 Долговечность подшипников
|
№
схемы
|
Долговечность
подшипников в часах
|
|
T1
|
T2
|
|
7305
|
7310
А
|
|
1 схема
|
44665,33
|
16975,92
|
|
2
схема
|
84954,22
|
39580,95
|
|
3
схема
|
82420,68
|
36480,57
|
|
4
схема
|
45344,57
|
16564,65
|
Вывод: проанализировав данные диаграмм получим,
что наиболее оптимальным является схема 2.
Литература
1. Шейнблит А. Е. Курсовое
проектирование деталей машин: Учеб. пособие для техникумов. - М.: Высш. шк.,
1991. - 432 с.
2. Курсовое проектирование
деталей машин: Учеб. пособие для учащихся машиностроит. спец. техникумов / С.
А. Чернавский, К. Н. Боков, И. М. Чернин и др. - М.: Машиностроение, 1988. -
416 с.
. Приводы машин: Справочник/В.В.
Длоугий, Т.И. Муха, А.П. Цупиков, Б.В. Януш; Под общ. Ред. В.В. Длоугого. - 2-е
изд., перераб. И доп. - Г.: Машиностроение, Ленингр. Отд-ние, 1982. - 383 с.,
ил.
4. Гузенков П.
Г. Детали машин: Учеб. для вузов. - М.: Высш. шк., 1986. - 359 с.
. Конспект лекций
. Учебное пособие