Привод ленточного конвейера
Министерство
образования Республики Беларусь
Министерство
образования и науки Российской Федерации
Федеральное
агентство по образованию
Государственное
учреждение высшего профессионального образования
"Белорусско-Российский
университет"
Кафедра
"Основы проектирования машин"
Курсовая
работа по дисциплине
"Механика"
Привод
ленточного конвейера
Могилев
2010
Содержание
Введение
. Энерго-кинематический расчет
привода
.1 Подбор электродвигателя
.2 Определение частот вращения и
крутящих моментов на валах
. Расчет передачи редуктора
.1 Выбор материалов и определение
допускаемых напряжений зубчатых колес
.2 Проектный расчет передачи
.3 Проверочные расчеты передачи
.3.1 Проверочный расчет передачи по
контактным напряжениям
2.3.2
Проверочный расчет по напряжениям изгиба
.3.3
Тепловой расчет
3. Расчет открытой цепной передачи
. Расчет валов привода
.1 Проектный расчет всех валов
привода
.2 Проверочный расчет вала редуктора
на усталостную выносливость
. Подбор подшипников для валов
привода
.1 Предварительный выбор подшипников
для всех валов привода и его обоснование
.2 Проверочный расчёт подшипников
качения ведомого вала редуктора на динамическую и статическую грузоподъёмность
. Расчет шпоночных соединений
. Выбор муфт
. Смазка редуктора и узлов привода
. Техника безопасности и
экологичность проект
Заключение
Список использованных источников
Введение
привод электродвигатель вал редуктор
Курсовой проект - работа, направленная на
решение конкретной задачи в области проектирования машин и механизмов с учетом
основных требований, предъявляемых к конструкции деталей машин. К ним относятся
функционально-эксплуатационные, производственно-технические,
технико-экономические и эстетические требования (критерии работоспособности -
прочность, жесткость и т.д.; малый вес конструкции, не дефицитность и дешевизна
материалов; технологичность конструкций; удобство в эксплуатации; красота форм
и отделки конструкций). Этим основным требованиям должна удовлетворять не
только каждая машина или механизм в целом, но и каждая деталь. Спроектированный
и изготовленный с учетом этих требований механизм будет надежным, долговечным,
дешевым, экономичным и безопасным в эксплуатации.
Курсовая работа по прикладной механике
представляет собой технический документ, в котором в форме описаний, пояснений,
расчетных формул, чертежей и схем с необходимой полнотой формулируются принятые
решения, приводятся доказательства их рациональности, даются необходимые
пояснения о порядке осуществления проекта.
Заданием данной курсовой работы является спроектировать
червячный редуктор общего назначения, предназначенный для длительной
эксплуатации на производстве.
1.
Энерго-кинематический расчет привода
.1 Подбор электродвигателя
) Рассчитываем мощность на приводном валу
=Ft
*V= 5.7* 0.27 =1,539
к Вт (1.1)
2) Определяем КПД всего механизма
η=ηмуфты 1*η1передачи
*η2передачи
*η
муфты 2*η^k
подшипн. (1.2)
К=3
η=0,99*0,96*0,75*0,998*(0,99)^3
= 0,6844
3) Мощность, потребляемая электродвигателем
эп= Pр/η
= 1.539/0.6844=2.2487
кВт (1.3)
4) Определяем частоту вращения рабочего органа
np = 60000*V/(
π*D)
= 60000*0,27/(3,14*250) = 20.637 об/мин (1.4)
- делительный диаметр звездочки, мм
=p/(sin(π/z))
= 130/(sin(π/10)) = 0,420
мм
(1.5)
Р - шаг цепи, мм, Z
- число зубьев звездочки
) Передаточное число привода
U0=U10
*U20=12.3*2.75=34
(1.6)
10 - ориентировочное передаточное число
червячного редуктора
U20 -
ориентировочное передаточное число цепной передачи
) Желаемая частота вращения вала
эж=np*
U0 =20.637*34 = 700
об/мин (1.8)
7) Подбираем марку двигателя
4А132SBУ3
Pэ=4 кВт ; n
= 700 об/мин
.2 Определение частот вращения и крутящих
моментов на валах
) Определяем частоты вращения
1 = n
= 700 об/мин (1.9)
n2 = n1/U20=
700/2.75=254,61 об/мин (1.10)
n3=n4
= n2/U10=254.61/12.3=20.7
об/мин (1.11)
Осуществляем проверку

) Определяем угловые скорости
ω1 =
π*n1/30 = 3,14*700/30
= 73,26 рад/с (1.12)
ω2 =
π*n2/30 =
3,14*254,61/30 = 26,65 рад/с (1.13)
ω3 =
π*n3/30 = 3,14*20.7/30
= 2.166 рад/с (1.14)
ω4 =
π*n4/30 = 3,14*20.7/30
= 2.166 рад/с (1.15)
3) Определяем мощность на валах
1 = Pэп*ηмуфты1*
ηпары подш. =
2.2487*0,998*0,99=2.221 кВт (1.16)
P2 = P1*ηподш*
ηцепной передачи =
2.221*0,99 *0,98 = 2.155 кВт (1.17)
P3 = P2*ηподш.*
ηчервячной
передачи =2.155*0,99*0,75=1.6 кВт (1.18)
P4 = P3*ηподш.*
ηмуфты2=1.6*0,99*0,99=1.56
кВт (1.19)
4) Моменты
Т1 = 103*P1/ω1
= 103*2.221/73,26 = 30.3 Н*м (1.20)
Т2 = 103*P2/ω2
= 103*2.155/26.65 = 80,96 Н*м (1.21)
Т3 = 103*P3/ω3
= 103*1.6/2.166 = 738 Н*м (1.22)
Т4 = 103*P4/ω4
= 103*1.56/2.166 = 720 Н*м (1.23)
Таблица 1. Энерго-кинематические данные
|
Номер
вала
|
Частота
вращения n,об/мин
|
Угловая
скорость ω,
рад/с
|
Мощность
Р,кВт
|
Крутящий
момент Т, Н*м
|
Передаточное
Число U
|
|
1
|
700
|
73,26
|
2.221
|
30.3
|
2.75
|
|
|
2
|
254.61
|
26.65
|
2.155
|
80.86
|
|
12.3
|
|
3
|
20.7
|
2.166
|
1.6
|
737
|
12.3
|
|
4
|
20.7
|
2.166
|
1.56
|
720
|
|
2. Расчет передачи редуктора
Принимаем z1=1,
где z1-число
заходов червяка
(2.1)
здесь
- число зубьев червячного колеса.
В первом приближении оцениваем
скорость скольжения
(2.2)
.1 Выбор материалов и определение
допускаемых напряжений
По рекомендации примем для червячного колеса
алюминиевую бронзу БРАЖ9-4.
При этом
(2.1.1)
2.2 Проектный расчет передачи
Учитывая стандартные значения q
предварительно назначаем q=10. При этом
- в
рекомендуемых пределах, (2.2.1)
где q -
коэффициент диаметра червяка.
Определяем межосевое расстояние
при
(2.2.2)
где Е1, Е2-
модули упругости материалов червяка и колеса
Е1=
;
(2.2.3)
Определяем модуль
принимаем
(2.2.4)
Необходимый коэффициент смещения
мм (2.2.5)
Определяем диаметры d1, d2
(2.2.6)
(2.2.7)
(2.2.8)
(2.2.9)
(2.2.10)
здесь
- окружная скорость
Уточняем
.
(2.2.11)
.3 Проверочные расчеты передачи
.3.1 Проверочный расчет передачи по
контактным напряжениям
Проверяем прочность зубьев колеса по контактным
напряжениям.
Предварительно определяем:
d = 50˚=0,8727 рад - угол обхвата колесом
(2.3.1.1)
-торцовый коэффициент перекрытия
окружная скорость колеса
м/с (2.3.1.2)
Следовательно kV=1 и при
постоянной нагрузке
и
подставляем
и находим
(2.3.1.3)
2.3.2 Проверочный расчет по
напряжениям изгиба
Проверяем прочность зубьев колеса по напряжениям
изгиба. Предварительно определяем:
(2.3.2.1)
(2.3.2.2)
(2.3.2.3)
Коэффициент формы зуба YF = 1,40
(2.3.2.4)
(2.3.2.5)
(2.3.2.6)
Основные размеры червяка:
(2.3.2.7)
(2.3.2.8)
(2.3.2.9)
Основные размеры колеса:
(2.3.2.10)
(2.3.2.11)
(2.3.2.12)
(2.3.2.13)
(2.3.2.14)
(2.3.2.15)
Примем dam2 = 176 мм и b2 = 56.7 мм
.3.3 Тепловой расчет
Определяем КПД передачи:
, (2.3.3.1)
где
- угол трения, град;
; (2.3.3.2)
Тогда КПД передачи будет
(2.3.3.3)
Выделяющаяся тепловая мощность,
(2.3.3.4)
Тепловая мощность, передаваемая в
окружающую среду, кВт
(2.3.3.5)
где kt = 0,015 -
при хорошей циркуляции воздуха;
- температура окружающей среды;
- внутренняя
температура редуктора (масла); S - поверхность охлаждения, для
одноступенчатых редукторов;
(2.3.3.6)
Т.к. Q1<Q2, то
температура
(2.3.3.7)
3. Расчет цепной передачи на ЭВМ
Расчёт выполнен по программе
<<КПДМ>>.
Версия программы 1.0.56
Авторские права: (c) Захаров Н. М.,
Зоин А. А. 2000-2004 г.
Расчёт цепной передачи
Исходные данные:
условное обозначение цепи - Цепная
передача;
тип цепи - однорядная;
шаг цепи t = 1,6 мм;
разрушающая нагрузка Fв = 0 кН;
масса 1 м цепи q = 3 кг;
мощьность N = 1,6 кВт;
частота вращения ведущей звёздочки
n1 = 73,26 об/мин;
передаточное число u = 2,44;
момент на валу ведущей звёздочки T1
= 30,3 кН·м;
Результаты расчёта:
число зубьев ведущей звёздочки z1 =
25;
число зубьев ведомой звёздочки z2 =
61;
скорость цепи v = 3,81 м/с;
длина цепи в шагах Lp = 123,82;
межосевое расстояние а = 4984,96 мм;
диаметр ведущей звёздочки d1 =
997,21 мм;
диаметр ведомой звёздочки d2 =
2427,87 мм;
окружная сила Ft = 419,94 H;
натяжение от центробежных сил Fv =
43,54 H;
сила предварительного натяжения от
массы цепи Fo = 733,53 H.
4. Расчет
валов привода
.1 Проектный расчет всех валов
привода
мм (4.1.1)
где
(МПа)
Принимаем dв1
= 30мм. Для обеспечения прочности диаметр вала под подшипники принимаем dn1
= 35мм. Делительный диаметр вал-червяк d1
= 63мм
Расчет тихоходного вала
Назначаем материал: Сталь 45х, термообработка:
нормализация.
Определяем диаметр выходного конца вала
мм (4.1.2)
где
(МПа)
Принимаем dв2
= 44мм. Для обеспечения прочности диаметр вала под подшипники принимаем dn2
= 55мм. Диаметр в месте посадки колеса dк2
= 61мм
.2 Проверочный расчет ведомого вала на
усталостную выносливость
Для выполнения проверочного расчета тихоходного
вала редуктора на усталость и выносливость предварительно выполним эскизную
компоновку редуктора.
Компоновка редуктора выполняется для:
размещения внутри редуктора зубчатых колес так,
чтобы получить минимальные внутренние размеры редуктора;
определения расстояния между опорами валов;
- определения точек приложения сил, нагружающих
валы.
1) Берём средний диаметр вала
d = 75 мм
) Разрабатываем конструкцию вала (берется из
компоновки)
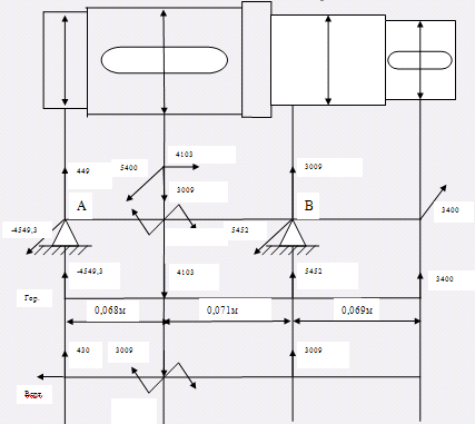
)Вычерчиваем расчетную схему вала
Рисунок 1. Эпюры моментов
) Рассчитываем силы действующие на вал
(4.2.2)
(4.2.3)
(4.2.4)
(4.2.5)
5) Разбиваем схему на 2 составляющих
- горизонтальную и вертикальную
)Рассматриваем горизонтальную
плоскость
(4.2.6)
(4.2.7)
(4.2.8)
(4.2.9)
Проверка
(4.2.10)
7) Рассматриваем вертикальную
плоскость
(4.2.11)
(4.2.12)
(4.2.13)
(4.2.14)
Проверка:
Аb- Fг+ Вr=0 (4.2.15)
-4635+4170=0
) Находим суммарные реакции опор
(4.2.16)
(4.2.17)
(4.2.18)
(4.2.19)
(4.2.20)
(4.2.21)
(4.2.22)
(4.2.23)
-запас сопротивления по изгибу
(4.2.24)
-по кручению (4.2.25)
Для второго сечения
(4.2.27)
(4.2.28)
(4.2.29)
Принимаем r=1,25;
;
.
(4.2.30)
(4.2.31)
(4.2.32)
Хватает на сопротивление.
5. Подбор подшипников для валов
привода
.1 Предварительный подбор
подшипников качения для всех валов привода и его обоснование
На цепную передачу были взяты
роликовые конические подшипники серии 211, так как на данный вал действуют
осевые и радиальные силы.
На вал червяка были взяты шариковые
радиально-упорные подшипники серии 411 и двух-рядные роликовые конические, так
как на данный вал действуют осевые и радиальные силы.
На вал червячного колеса и на
барабан были взяты роликовые конические подшипники серии 411, так как на данный
вал действуют осевые и радиальные силы.
5.2 Предварительный расчет подшипников качения
ведомого вала редуктора на динамическую и статическую грузоподъемность
Дано: реакции опор подшипников:
r1=Ra=4578
Hr2=Rb=7155Ha=Fa=729,35 Н=14
обр\мин
Ln=19200
ч
Диаметр вала d=75
мм
Предварительно назначаем роликовый конический
подшипник, для которого по каталогу С=109 kН,
Обозначеие 67411
С0=109kH
C=152kH
(5.1)
l≈0,3
V=1
(5.2)
X=1; Y=0
Kб=1,3;
Kт=1.
(5.3)
KHE=0,25
(5.4)
(5.5)
a1=1;
a2=1.
(5.6)
Условие выполняеться (16.20)
0=0,6;
Y0=0,5
(5.7)
Условие 16.28 соблюдается [1. c.295]
6. Расчет шпоночных соединений
Для закрепления деталей на валах редуктора
используем призматические шпонки. Размеры поперечного сечения шпонок выбираем
по ГОСТ 23360-78 в соответствии с диаметром вала в месте установки шпонок.
Расчётную длину округляем до стандартного значения, согласуя с размером
ступицы.
Дано
d=80мм
Т=737Н*м
Шпонка - призматическая, b=22мм;
h=14мм; l=66мм
σсм=4*Т/(h*l*d)=4*918/14*10^-3
* 66*10^-3*80*10^-3=39,88 МПа (6.1)
τ=2*Т/ h*l*d)=
19,44 МПа (6.2)
d=60мм
Т=737Н*м
Шпонка - призматическая, b=18мм;
h=11мм; l=80мм
σсм=4*Т/(h*l*d)=4*737/11*10^-3
* 80*10^-3*60*10^-3=55,83 МПа
τ=2*Т/ h*l*d)=
27,95 МПа
d=30мм
Т=30.3Н*м
Шпонка - призматическая, b=16мм;
h=10мм; l=68мм
σсм=4*Т/(h*l*d)=4*27.95/10*10^-3
* 68*10^-3*50*10^-3=3.45 МПа
τ=2*Т/ h*l*d)=
1.75МПа
Таблица 4 - Шпонки призматические ГОСТ 23360-78
|
Вал
|
Т,
Н.м
|
d, мм
|
b, мм
|
h, мм
|
l, мм
|
t1, мм
|
t2, мм
|
, МПа
|
|
Быстроходный
|
80.86
|
8
|
7
|
65
|
4,0
|
3,3
|
3.45
|
|
Тихоходный
|
737
|
60
|
12
|
8
|
60
|
5,0
|
3,3
|
55.83
|
|
Тихоходный
|
737
|
68
|
16
|
10
|
85
|
6,0
|
4,3
|
39.88
|
7. Выбор Муфт
Для соединения вала электродвигателя с валом
цепной передачи используется муфта упругая со звёздочкой по ГОСТ 50894-96.
Для соединения редуктора и цепной передачи
используется муфта компенсирующая кулачково-дисковая по ГОСТ 20720-93
8. Смазка редуктора и узлов привода
Для уменьшения износа зубьев, потерь на трение,
а также для отвода тепла выделяющегося в зацеплении применяют смазку передач в
редукторе.
В червячных передачах с нижним расположением
червяка его следует погружать в смазку не глубже высоты витка, при этом
желательно, чтобы уровень масла проходил через центр нижнего элемента качения.
Объем масляной ванны принимают таким, чтобы обеспечить отвод выделяющегося
тепла к стенкам корпуса.
Смазка зубчатой передачи осуществляется путём
окунания зубчатого колеса в масло. Во избежание больших потерь при разбрызгивании
глубина погружения зубчатого колеса не должна превышать четверти его диаметра.
Червячное колесо и шестерня смазываются
разбрызгиванием, а подшипники масляным туманом, образующимся при
разбрызгивании.
Объем масляной ванны рекомендуется принимать
таким, чтобы на 1кВт передаваемой мощности приходилось 0,35-0,7л масла.
9. Техника безопасности и экологичность проекта
Требования по технике безопасности в процессе
эксплуатации редуктора должны быть следующими:
заливку масла, слив отработанного масла из
картера и проверку уровня масла производить только при полной остановке
редуктора;
соединительные муфт и концы валов должны быть
защищены предохранительными кожухами;
при разборке редуктора необходимо снять действие
внешних нагрузок на валы.
запрещается эксплуатация привода при отсутствии
заземления на двигателе.
запрещается эксплуатация привода без ограждений.
запрещается заходить за ограждения во время
работы привода.
запрещается производить ремонт и тех.
обслуживание при подключенном к сети двигателе.
привод не подлежит эксплуатации в местах, где
возможно возгорание паров бензина, пыли или стружки
при появлении явного запаха сгоревшей обмотки
немедленно обесточить двигатель.
ЗАКЛЮЧЕНИЕ
При выполнении курсового проекта по
"Механике" были закреплены знания, полученные за прошедший период
обучения в таких дисциплинах как: теоретическая механика и сопротивление
материалов.
Целью данного проекта является проектирование
редуктора, который состоит как из стандартных деталей, так и из деталей форма и
размеры которых определяются на основе конструктивных, технологических,
экономических и других нормативов.
В ходе решения поставленные передом ной задач,
была основана методика выбора элементов редуктора привода, получены навыки
проектирования, позволяющие обеспечить необходимый технический уровень,
надёжность и долгий срок службы механизма.
Опыт и навыки, полученные в ходе выполнения
курсового проекта, будут востребованы при выполнении как курсовых проектов по
специальным дисциплинам, так и при выполнении дипломного проекта.
СПИСОК ИСПОЛЬЗОВАННЫХ ИСТОЧНИКОВ
1.Иванов М.Н. Детали машин. - М.:
Высш. шк., 1991. - 382 с.
.Кузьмин А.В., Чернин И.М., Козинцев
Б.С. Расчёты деталей машин. - Мн.: Выш. шк., 1986. - 400 с.
.Анурьев В.И. Справочник
конструктора-машиностроителя. Том 1. - М.: "Машиностроение",
1979.-728 с.
.Анурьев В.И. Справочник
конструктора-машиностроителя. Том 2. - М.: "Машиностроение",
1979.-559 с.
.Анурьев В.И. Справочник
конструктора-машиностроителя. Том 3. - М.: "Машиностроение",
1979.-560 с.
.Иванов М.Н. Курсовое проектирование
деталей машин. Часть 1.
.Детали машин. Проектирование: Учеб.
пособие / Л.В.Курмаз, А.Т.Скобейда. - Мн.: УП "Технопринт", 2001. -
290 с.
.Дунаев П.Ф. Конструирование узлов и
деталей машин. - М.: Высш. шк.,1978.-352 с.