Моделирование аналоговых схем
Цель работы: закрепление навыков моделирования
аналоговых схем, а также работы с моделями компонентов, заданных списком
параметров.
Подготовка к работе
В данной работе необходимо рассчитать схему
простого сетевого источника питания постоянного тока с транзисторным
стабилизатором, провести его моделирование, измерить параметры получившегося
источника и путем редактирования моделей стабилитрона и транзистора добиться
необходимых значений этих параметров.
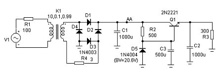
Схема блока питания приведена на рис.1. Она
содержит силовой трансформатор, питаемый от сети переменного тока 220 В, 50 Гц,
мостовой выпрямитель на диодах со сглаживающим конденсатором, а также
стабилизатор напряжения, выполненный на стабилитроне и транзисторе.
сетевой ток транзистор напряжение
Рис.1.
Выходное напряжение блока на резисторе нагрузки R3
должно быть стабилизировано и иметь пульсации, амплитуда которых не превышает
2...5 мВ. Выходное напряжение: Uвых
= 5 Вольт.
Упрощенный расчет схемы выполним в следующем
порядке.
Напряжение в точке АА (рис.1):
UAA =
Uвых*1.5
= 5*1.5 = 7.5 [B].
Напряжение (эффективное) вторичной обмотки
трансформатора:
U2
=
0.707*(UAA+2)
= 0.707*(7.5+2) = 6.7165 [B].
Коэффициент трансформации трансформатора:
КU
=
U2
/ 220 = 6.7165 / 220 = 0.03
Индуктивность вторичной обмотки:
L2
= L1*
КU
2
= 10*0.032 = 0.09 [Гн]
Индуктивность первичной обмотки L1
принимаем равной 10 Гн.
В качестве стабилитрона используется диод D5.
Модель этого диода мы в ходе выполнения работы изменим так, чтобы он имел
нужное нам напряжение обратного пробоя, т.е. стабилизации:
Uст
= Uвых+0.6
= 5+0.6 = 5.6 [В]
2
=
(UAA
- Uст)
/ Iст =
(7.5 - 5.6)/(9.5*10-3) = 200 [Ом].
Номиналы остальных элементов принем равными
указанным на схеме.
Выполнение работы
Собираем на экране МС схему согласно рис.1.
Источнику переменного напряжения устанавливаем
частоту 50 Гц, амплитуду 311 В.
В диалоговом окне параметров диода D5
укажем пробивное напряжение V =
Uст
=
5.6 В
После ввода схемы вызовем режим моделирования Transient
Analysis и укажем программе
задание построить на одной и той же системе координат напряжения в точке 6 и на
резисторе нагрузки (Рис.2).
Рис.2.
Кривая V(6)
проходит на несколько вольт выше кривой V(R3).
Значение напряжения в нагрузке не отличается от заданного более чем на 5%.
Пульсации
напряжения нагрузки не превышает 5 мВ.(Рис.3).
Рис.3.
Измеряем относительную нестабильность выходного
напряжения блока питания. Для этого увеличим напряжение источника V1
на 29 В и запишем новое значение напряжения нагрузки.
DU = (DUвых
/
Uвых)
/ (DUвх
/
Uвх)
= [(5.641-5.634)/5.641]/(29/340)
= 0.015
Величина DU
не превышает 2%.
Исследуем влияние значения коэффициента передачи
тока базы транзистора на величину DU.
В модели транзистора увеличем почти в 3 раза значение параметра BF,
после чего повторим измерение DU.

Как видно по графику (рис.4) значение выходного
напряжения после увеличения значения параметра BF
не повлияло на значение выходного напряжения, а амплитуда пульсаций выходного
напряжения блока питания уменьшилась всего лишь на десятки микровольт.