Расчет и исследование системы управления динамическим объектом
Содержание
1. Общие методические указания
2. Система стабилизации скорости вращения двигателя постоянного
тока
2.1 Описание системы
2.2 Технологические требования к системе стабилизации
3. Система управления процессом врезного шлифования
3.1 Описание системы
3.2 Технологические требования к системе
4. Система стабилизации мощности резания процесса сквозного
бесцентрового шлифования
4.1 Описание бесцентрового шлифовального станка
4.2 Технологические требования к системе стабилизации
5. Система электромагнитного подвеса
5.1 Описание системы
5.2 Технологические требования к системе стабилизации
6. Система стабилизации тока дуговой сталеплавильной печи
6.1 Назначение и краткое описание системы
6.2 Уравнения элементов системы
6.3 Технологические требования к системе стабилизации
6.4 Рекомендация по выполнению работы
Литература
1.
Общие методические указания
Цель курсовой работы
Целью курсовой работы по теории автоматического управления
является приобретение практических навыков по анализу и синтезу конкретных систем
управления. Обобщенная функциональная схема системы автоматического управления
представлена на рис.1.1.
Рис.1.1 Обобщенная функциональная схема системы
регулирования
Здесь приняты следующие обозначения:
- вектор выходных переменных;
- вектор управляющих воздействий;
;
- вектор входных переменных;
- вектор состояния;
- объект управления (регулирования); Р - регулятор, цель
функционирования которого состоит в организации свойства
при
. На схеме (рис.1.1) сплошной линией обозначена обратная связь по
выходным переменным, значение которых и нужно поддерживать на заданном уровне с
требуемой точностью. Пунктиром обозначена возможная обратная связь по
состоянию, если переменные, образующие вектор
, технически доступны измерению.
В каждом из вариантов систем, которые представлены в последующих
разделах, для расчета предлагается функциональная схема объекта с описанием
математической модели каждого элемента. Понятно, что на практике проектировщик
системы управления прежде всего и должен грамотно составить функциональную
схему объекта и выделить основные группы переменных (
), которые характеризуют его свойства.
Этапы выполнения курсовой работы
Задание на курсовую работу предполагает выполнение следующих
этапов.
· Выделение в исходном описании объекта основных переменных
и представление его математической модели
в какой-либо стандартной форме (дифференциальные уравнения, уравнения
состояния, передаточные функции и т.д.).
· Изображение подробной структурной схемы объекта с указанием
возмущений и помех измерения.
· Исследование собственных свойств объекта (с использованием
косвенных методов оценки качества процессов или путем имитационного
моделирования).
· Проверка условий разрешимости задачи синтеза.
· Расчет статического режима системы по заданной точности
стабилизации выходных величин. Обычно точность задается значением отклонения
выходных переменных при действии возмущений в диапазоне от нуля до номинальных
значений. Целью расчета статики является определение требуемого значения
коэффициента усиления регулятора. На этом этапе обычно устанавливается схема
включения регулятора в контур регулирования.
· Выбор и обоснование метода синтеза структуры и параметров
регулятора по заданным требованиям к динамике (т.е. к процессу
) и виду модели объекта. Особое внимание
нужно обратить на переход от "технологических" требований (обычно это
быстродействие и перерегулирование) к одной из форм желаемой динамической
характеристики.
· Расчет структуры и параметров регулятора: согласование результата
с требуемыми значениями коэффициентов усиления по условиям статики.
стабилизация автоматическое управление шлифование
· Проверка результатов синтеза с помощью
моделирования непрерывной системы.
· Анализ влияния нелинейного характера
одного из элементов объекта на работу системы управления.
Задание по расчету регулятора модальным методом
1. Составить описание объекта управления в пространстве
состояний.
2. Определить передаточную функцию объекта управления
по управляющему воздействию и возмущению, коэффициент передачи, постоянные
времени.
. Определить вид передаточных функций корректора
статики и корректора динамики, порядок замкнутой системы.
. По заданным показателям качества определить границы
области допустимого расположения корней.
. Рассчитать параметры корректирующих звеньев.
. Рассчитать наблюдатель состояния, определить вид,
параметры корректирующего звена.
. Изобразить структурную схему наблюдателя состояния
на интегрирующих элементах.
. Изобразить структурную схему замкнутой системы с
корректирующими звеньями и наблюдателем состояния.
. С помощью пакета MATLAB провести анализ свойств
замкнутой системы стабилизации (или слежения). Снять переходный процесс,
определить показатели качества (перерегулирование, время переходного процесса,
установившуюся ошибку (статическую или скоростную)), сравнить значения
полученных показателей с заданными.
. С помощью моделирования выполнить анализ влияния
нелинейной или нестационарной характеристики одного из элементов объекта на
работу системы управления.
. Сделать вывод по работе.
Задание по расчету регулятора частотным методом синтеза
1. Составить описание объекта управления в пространстве
состояний.
2. Определить передаточную функцию объекта управления
по управляющему воздействию и возмущению, коэффициент передачи, постоянные
времени.
. Определить желаемый коэффициент передачи разомкнутой
системы по заданному значению статической или скоростной ошибкам.
. Построить логарифмические амплитудные частотные
характеристики (ЛАЧХ) исходной и скорректированной разомкнутой системы.
. Определить ЛАЧХ и передаточную функцию
корректирующего звена.
. Проверить устойчивость системы логарифмическим
критерием Найквиста.
. По ЛАЧХ и ЛФХ разомкнутой скорректированной системы
определить запасы устойчивости по фазе и модулю.
. Изобразить структурную схему корректирующего звена
на интегрирующих элементах.
. Изобразить структурную схему замкнутой системы.
. С помощью пакета MATLAB провести анализ свойств
замкнутой системы стабилизации (или слежения). Снять переходный процесс,
определить показатели качества (перерегулирование, время переходного процесса,
установившуюся ошибку (статическую или скоростную)), сравнить значения полученных
показателей с заданными.
. С помощью моделирования выполнить анализ влияния
нелинейной или нестационарной характеристики одного из элементов объекта на
работу системы управления.
. Сделать вывод по работе.
Оформление курсовой работы
Законченная курсовая работа оформляется в виде пояснительной
записки. Пояснительная записка должна соответствовать стандарту ТПУ 2.5.01-99
"Работы выпускные квалификационные, проекты и работы курсовые. Общие
требования и правила оформления".
Пояснительная записка должна включать в указанной ниже
последовательности: титульный лист, задание, содержание, введение, основную
часть, заключение, список использованных источников, приложения.
Основная часть пояснительной записки должна подробно отражать
ход и результаты исследования по всем пунктам программы. В ней, однако, ни в
коем случае не должно быть переписанных текстов из учебников, учебных пособий,
монографий или других изданий. Терминология, обозначения и определения должны
быть едиными по всей записке и соответствовать общепринятым в
научно-технической литературе. Сокращения слов в тексте и подписях под
иллюстрациями не допускаются. Все обозначения электрических, механических и
других физических величин должны быть приведены в системе СИ.
2. Система
стабилизации скорости вращения двигателя постоянного тока
2.1 Описание
системы
Одним из типичных примеров использования методов теории
автоматического регулирования является система стабилизации скорости вращения
двигателя постоянного тока с независимым возбуждением (рис.2.1.).
Рис.2.1 Схема управления двигателем постоянного тока с
независимым возбуждением
Здесь приняты следующие обозначения:
- управляемые преобразователи для питания
якорной цепи и обмотки возбуждения двигателя;
- двигатель постоянного тока;
- обмотка возбуждения двигателя;
- активные сопротивления преобразователей;
- напряжение и ток на якоре двигателя;
- угловая скорость вращения двигателя;
- момент, развиваемый двигателем;
- момент сопротивления на валу двигателя,
преодоление которого обычно является технологическим назначением двигателя;
,
- напряжения на входах управляемых преобразователей.
На основании физических законов [1] и при допущении, что
инерционность управляемых преобразователей существенно ниже инерционности
процессов в двигателе, можно записать математическую модель системы (рис.2.1) в
линейном приближении:

Как правило, для электроприводов общепромышленных механизмов
, где
- момент инерции двигателя.
Параметры якорной цепи двигателя определяются на основе паспортных
данных. Активное сопротивление якорной цепи двигателя находят по выражению
где
- коэффициент полезного действия.
Индуктивность якорной цепи
,
где
- число пар полюсов машины;
- для двигателей с компенсационной
обмоткой.
Индуктивностью преобразователя можно пренебречь
, активное сопротивление преобразователя
соизмеримо с сопротивлением нагрузки
.
Произведение
определяется по соотношению
.
2.2
Технологические требования к системе стабилизации
Цель управления заключается в стабилизации скорости вращения
двигателя
. Причем выход на заданную скорость
вращения должен осуществляться за время
(табл.2.1) с перегулированием не более
. Максимальное отклонение по скорости не
должно превышать значения
при
,
.
Для измерения
к двигателю подключается тахогенератор. Выбор тахогенератора
можно выполнить по значению номинальной частоты вращения в соответствии с
вариантом задания (см. табл.2.2). В зависимости от выходной переменной
тахогенератора, а также соотношения постоянных времени двигателя, как объекта
управления, и преобразователя, определяется его передаточная функция, которая
учитывается вместе с передаточной функцией объекта управления при расчете
регулятора
Исходные данные для расчета параметров регулятора приведены в
табл.2.1
Таблица 2.1
№ п/п Паспортные данные двигателя 

|
 
|
|
|
|
|
|
|
   
|
|
|
|
|
|
|
|
|
|
|
1
|
0,17
|
110
|
3,0
|
104,2
|
0,53
|
2
|
0,004
|
0,17
|
20
|
3
|
|
2
|
0,55
|
220
|
3,2
|
102,7
|
0,70
|
2
|
0,005
|
0,55
|
10
|
3,2
|
|
3
|
0,75
|
220
|
5,5
|
117
|
0,77
|
2
|
0,011
|
0,75
|
5
|
5,5
|
|
4
|
0,4
|
110
|
4,0
|
115,6
|
0,68
|
2
|
0,011
|
0,4
|
10
|
4
|
|
5
|
0,6
|
220
|
3,5
|
143,5
|
0,69
|
2
|
0,028
|
0,6
|
3,5
|
|
6
|
0,92
|
220
|
5,2
|
120,8
|
0,58
|
2
|
0,022
|
0,92
|
5
|
5,2
|
|
7
|
0,46
|
220
|
4,8
|
110
|
0,63
|
2
|
0,018
|
0,46
|
20
|
4,8
|
|
8
|
0,30
|
110
|
3,6
|
109,1
|
0,51
|
2
|
0,009
|
0,3
|
0
|
3,6
|
Таблица 2.2
|
№
|
Тахогенератор
|
Паспортные
данные тахогенератора
|



Rя
|
|
|
|
|
|
|
1
|
ТД-103-ПМ
|
6
|
1000
|
0,051
|
0,1
|
700
|
|
2
|
ТД-103-ПМ
|
6
|
1000
|
0,051
|
0,1
|
700
|
|
3
|
ТД-103
|
6,6
|
1500
|
0,041
|
0,1
|
660
|
|
4
|
ТД-103-ПМ
|
6
|
1000
|
0,051
|
0,1
|
700
|
|
5
|
ТД-103-ПМ
|
6
|
0,051
|
0,1
|
700
|
|
6
|
ТД-201
|
7,7
|
1000
|
0,077
|
0,2
|
780
|
|
7
|
ТД-102
|
3,3
|
1500
|
0,028
|
0,1
|
330
|
|
8
|
ТД-103-ПМ
|
6
|
1000
|
0,051
|
0,1
|
700
|
3. Система
управления процессом врезного шлифования
3.1 Описание
системы
При врезном шлифовании деталей
типа валов и отверстий съем припуска
происходит за счет поперечной подачи
шлифовального круга
[2]. На рис.3.1 введены обозначения:
- скорость поперечной подачи шлифовальной
бабки;
- сила взаимодействия
и
в процессе обработки;
- величина упругой деформации, вызываемая нежесткостью
технологической системы;
- приведенная жесткость.
Рис.3.1 Схематическое изображение процесса шлифования
Припуском называется слой металла, который необходимо снять в
результате шлифования. Текущий припуск - это разность между текущим и
окончательным значениями радиуса детали. Скорость съема припуска определяется
скоростью
и коэффициентом режущей способности
шлифовального круга
, который применяется в зависимости от
диаметра
, а также вследствие его затупления.
В процессе шлифования необходимо обеспечить автоматическое
изменение скорости съема припуска
в зависимости от его текущего значения, например по программе,
изображенной на рис.3.2, где
и
- начальное, конечное значение припуска;
- величина припуска для перехода на
чистовую обработку. С целью контроля припуска используется измерительная скоба
с индивидуальным датчиком и преобразователем. Перемещение шлифовальной бабки
осуществляется через редуктор двигателя постоянного тока.
Рис.3.2 Диаграмма изменения припуска в процессе шлифования
Математическая модель процесса описывается системой уравнения
[3]
где
- перемещение шлифовальной бабки
(подача);
и
- коэффициенты передачи двигателя совместно с редуктором и
измерительного преобразователя припуска;
- напряжение, пропорциональное припуску;
- сигнал управления. В последних двух
уравнениях не учитывается инерционность двигателя и измерителя по сравнению с
инерционностью процесса шлифования.
Таким образом, процесс описывается системой дифференциальных
уравнений второго порядка. Структурная схема системы показана на рис.3.3.
Рис.3.3 Структурная схема системы
В соответствии с рис.3.2 и моделью процесса шлифования уравнение
эталонного входного сигнала системы имеет вид
где
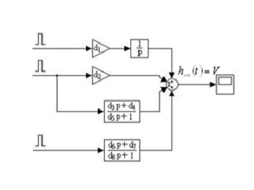
Схема устройства, формирующего эталонный сигнал заданного вида,
представлена на рис.3.4.
Рис.3.4 Схема
формирования входного воздействия
3.2
Технологические требования к системе
Цель управления состоит в выполнении заданного программного
изменения припуска в процессе шлифования. Для формирования внешнего сигнала
по схеме рис 3.4 необходимо рассчитать
параметры динамических звеньев di в соответствии с вариантом задания.
Система управления должна обеспечивать на начальном этапе
обработки выход режима шлифования без перерегулирования на заданный программный
уровень за время
. Максимально допустимое отклонение от
программного движения
(табл.3.1).
В системе управления необходимо учесть, что коэффициент резания
изменяется во времени,
,
причем правка шлифовального круга производится через время
, после чего
.
Таблица 3.1
|
Параметр
|
1
|
2
|
3
|
4
|
5
|
6
|
7
|
8
|
|
,        
|
|
|
|
|
|
|
|
|
|
, 3040203040203040
|
|
|
|
|
|
|
|
|
|
, 100300400200500300100200
|
|
|
|
|
|
|
|
|
|
,        
|
|
|
|
|
|
|
|
|
|
, 181525321281014
|
|
|
|
|
|
|
|
|
|
, 0,50,81,20,70,90,61,20,8
|
|
|
|
|
|
|
|
|
|
, 0,080,20,20,10,150,050,40,3
|
|
|
|
|
|
|
|
|
|
, 0,020,030,040,0350,050,030,0250,04
|
|
|
|
|
|
|
|
|
|
, 0,0010,0020,0030,0020,0050,0010,0010,003
|
|
|
|
|
|
|
|
|
|
,       
|
|
|
|
|
|
|
|
|
Произвести синтез регулятора с учетом диапазона и скорости
измерения коэффициента
.
4. Система
стабилизации мощности резания процесса сквозного бесцентрового шлифования
4.1 Описание
бесцентрового шлифовального станка
Станок предназначен для обработки цилиндрических деталей
небольшого диаметра (3…20 мм) с высокой точностью, причем на точности обработки
деталей сказываются упругие деформации станка. Известно, что стабилизировать
упругие деформации можно путем стабилизации мощности, расходуемой на резание
приводом шлифовального круга, а это, в свою очередь, ведет к повышению точности
обработки деталей. Целью курсовой работы является синтез системы стабилизации
мощности, расходуемой на резание (рис.4.1).
Рис.4.1 Структурная схема процесса сквозного центрового
шлифования
Здесь U - напряжение якорной цепи двигателя
постоянного тока, осуществляющего подачу обрабатываемой детали в зоне резания; I - ток якорной цепи;
,
,
- момент, развиваемый двигателем, момент нагрузки и суммарный
момент вращения соответственно;
- скорость вращения привода подачи; S - линейная
скорость перемещения детали в зоне резания;
- мощность резания; N
- мощность, расходуемая
приводом шлифовального круга на резание; h - припуск
обрабатываемой детали, изменяющийся во времени случайным образом;
- сопротивление якорной цепи двигателя
подачи;
- постоянная времени якорной цепи;
,
- приведенный
к якорю двигателя;
- коэффициент связи скорости вращения
привода подачи и скорости движения обрабатываемой детали в зоне резания;
- коэффициент связи между скоростью
подачи детали и мощностью резания;
- электромеханическая постоянная времени привода шлифовального
круга.
4.2
Технологические требования к системе стабилизации
Переходный процесс в замкнутой системе стабилизации мощности,
расходуемой на резание, должен быть монотонным (т.е. без перерегулирования);
вид переходного процесса не должен зависеть от переменного параметра
(припуска обрабатываемой детали);
требуемое время переходного процесса (
) точность работы системы (
) заданы в табл.4.1 На первом этапе расчета можно считать припуск
обрабатываемых деталей постоянным, равным верхнему пределу, указанному в
табл.4.1.
Таблица 4.1
|
Параметр
|
Вариант
|
|
1
|
2
|
3
|
4
|
5
|
6
|
7
|
8
|
|
6070407050604050
|
|
|
|
|
|
|
|
|
|
0,40,30,40,20,40,30,250,3
|
|
|
|
|
|
|
|
|
|
10129111110912
|
|
|
|
|
|
|
|
|
|
10129111110912
|
|
|
|
|
|
|
|
|
|
0,100,080,050,040,060,070,040,8
|
|
|
|
|
|
|
|
|
|
5,06,54,26,05,34,84,04,7
|
|
|
|
|
|
|
|
|
|
1,01,21,41,11,31,11,01,2
|
|
|
|
|
|
|
|
|
|
0,0010,0020,0010,0020,0030,0020,0020,002
|
|
|
|
|
|
|
|
|
|
0,050,060,080,100,070,050,040,06
|
|
|
|
|
|
|
|
|
60…
…
…
…
…
…
…
…
|
220
|
|
|
|
|
|
|
|
|
|
0,80,60,70,50,60,80,60,8
|
|
|
|
|
|
|
|
|
|
3242,50,63,513
|
|
|
|
|
|
|
|
|
|
Ku · 10-3 [1/A]
|
6.0
|
11.67
|
4.44
|
12.73
|
13.64
|
12.0
|
8.89
|
8.33
|
Предварительно необходимо, используя структурную схему
станка, записать дифференциальные уравнения объекта в нормальной форме, оценить
величину и пределы изменения.
5. Система
электромагнитного подвеса
5.1 Описание
системы
Электромагнитный подвес (ЭП) представляет собой систему
стабилизации положения с электромагнитным исполнительным механизмом [5]
(рис.5.1).
Рис.5.1 Функциональная схема электромагнитного подвеса
На рис.5.1 использованы следующие обозначения: УМ - усилитель
мощности; ЭМ - электромагнит; ДП - датчик положения якоря ЭМ. ЭП
работает следующим образом. Отклонение якоря ЭМ Dx от некоторого заданного положения V измеряется датчиком положения ДП,
выходной сигнал которого
подается на вход регулятора P. Выходной сигнал регулятора U, сформированный в соответствии с
выбранным законом управления, усиливается блоком УМ и прикладывается к
катушке электромагнита. Изменение тока в катушке ЭМ и, следовательно,
тягового усилителя, приводит к перемещению якоря ЭМ в направлении,
соответствующем убыванию величины Dx. Таким образом, обеспечивается стабилизация положения якоря ЭМ
относительно заданного положения V.
Конструкция электромагнитного исполнительного механизма показана
на рис.5.2, где I - цилиндрический магнитопровод; 2 -
катушка; 3 - якорь; 4 - неподвижное основание; 5 - подвешиваемое тело.
Полная система уравнении, описывающих динамику электромагнитного
исполнительного механизма, следующая [6]:
(5.1)
где приняты обозначения:
m-суммарная масса подвешиваемого груза, кг;
- внешнее усилие, приложенное к
подвешиваемому телу, H;
S - суммарная площадь воздушного зазора между якорем и
магнитопроводом ЭМ,
; w - число витков в катушке ЭМ;
- средняя длина силовой линии в ЭМ,
; R - активное сопротивление
катушки ЭМ; Ом; x=V+Dx.
Система (5.1) может быть преобразована к одному скалярному
уравнению стандартного вида
(5.2)
Уравнение (5.2) описывает динамические свойства электромагнитного
исполнительного механизма при любых значениях x (t) и i (t) и используются при синтезе систем,
обеспечивающих стабилизацию положения якоря ЭМ при достаточно больших
отклонениях Dx и
подвешиваемого груза.
В некоторых случаях при расчете систем стабилизации такого вида
может быть использована более простая математическая модель электромагнитного
исполнительного механизма. В частности, предполагая, что в процессе работы
воздушный зазор ЭМ изменяется мало по сравнению с его средней величиной,
можно считать
Dx<<V (5.3)
Кроме того, по условиям работы ЭП справедливо
(5.4)
где
- постоянная составляющая усилия нагрузки.
(5.5), где
Так же, как и (5.2), это уравнение нелинейно и содержит
нестационарные параметры. Основным отличием этого уравнения является то, что
.
Еще более простую математическую модель имеет электромагнитный
исполнительный механизм, катушка которого подключена к выходу управляемого
источника тока, т.е. для случая, когда в качестве УМ используется
усилитель с токовой обратной связью. При этом вместо второго уравнения системы
(5.1) имеем соотношение
(5.6)
где a -
коэффициент передачи УМ с токовой обратной связью.
С учетом предложений (5.3) и (5.4) уравнение динамики ЭМ
может быть преобразовано к виду
(5.7)
где
Это уравнение линейно, поэтому синтез регулятора ЭП в
данном случае может быть проведен с использованием линейных методов. Однако
необходимо помнить, что уравнение (5.7) описывает динамику ЭМ только при
малых отклонениях якоря Dx от
заданного положения V, при
неизменной массе подвешиваемого груза, в том случае, когда УМ с токовой
обратной связью может быть описан как идеальный управляемый источник тока.
5.2
Технологические требования к системе стабилизации
Требуется определить параметры регулятора
(см. рис.5.1) таким образом, чтобы
обеспечить стабилизацию положения якоря ЭМ относительно заданного
значения V. Процесс отработки возмущений должен
носить апериодический характер и заканчиваться за время tп (табл.5.1). Расчёт системы выполнить при следующих
характеристиках внешнего усилия:
и
причём
.
Таблица 5.1
|
Параметры
|
1
|
2
|
3
|
4
|
5
|
6
|
7
|
8
|
|
0,10,10,140,260,220,180,160,24
|
|
|
|
|
|
|
|
|
|
800800800800800800800800
|
|
|
|
|
|
|
|
|
|
       
|
|
|
|
|
|
|
|
|
|
650325255510325255510650
|
|
|
|
|
|
|
|
|
|
2815401012416
|
|
|
|
|
|
|
|
|
|
3,21,22,51,53,02,21,63,1
|
|
|
|
|
|
|
|
|
|
       
|
|
|
|
|
|
|
|
|
|
12553425
|
|
|
|
|
|
|
|
|
|
1010101010101010
|
|
|
|
|
|
|
|
|
|
508015040060100220180
|
|
|
|
|
|
|
|
|
|
5025151050505050
|
|
|
|
|
|
|
|
|
|
       
|
|
|
|
|
|
|
|
|
|
0,050,020,010,010,080,060,020,04
|
|
|
|
|
|
|
|
|
6. Система
стабилизации тока дуговой сталеплавильной печи
6.1
Назначение и краткое описание системы
Система стабилизации дуговой сталеплавильной печи (рис.6.1)
предназначена для преобразования электрической энергии в тепловую посредством
мощного дугового разряда между электродом и расплавляемым металлом, загруженным
в дуговую сталеплавильную печь.
Рис.6.1 Функциональная схема системы стабилизации ДСП
Здесь У - тиристорный усилитель; ЭГП - электрогидропровод;
ДСП - дуговая сталеплавильная печь; P - регулятор.
Система работает следующим образом. В установившемся режиме
величина тока дуги I
соответствует заданному значению
, ошибка D=0. При
действии на систему возмущения, вызывающего изменение дугового промежутка, а
следовательно, и тока дуги (например, в виде обвала подплавившихся кусков
металла)
. Сигнал рассогласования D усиливается до номинальных величин на
входе электрогидропровода. При этом электрод, связанный с исполнительным
механизмом ЭГП, перемещается вверх или вниз (в зависимости от знака
величины) до тех пор, пока значение тока дуги не окажется равным заданному
. Система возвращается в исходное
положение.
6.2 Уравнения
элементов системы
Усилитель У является безынерционным звеном с
нелинейной статической характеристикой
(6.1)
представленной на рис.6.2.
Поведение электрогидропривода описывается дифференциальным
уравнением
(6.2)
где
- скорость перемещения электрода; l - межэлектродное расстояние; U - сигнал на входе электрогидропровода; T, A, B -
параметры (см. табл.6.1);
- нелинейная статическая характеристика ЭГП
(рис.6.3)

Дуговая сталеплавильная печь является нелинейным нестационарным
элементом и может быть описана уравнением
(6.3)
в котором конкретный вид
неизвестен, за исключением его граничных значений -
(см. табл.6.1).
6.3
Технологические требования к системе стабилизации
Технологической целью управления является поддержание постоянного
горения дуги, что соответствует стабилизации тока на некотором постоянном
уровне
.
Необходимо рассчитать параметры регулятора, обеспечивающего выполнение
следующих требований: время переходного процесса в системе при отработке
возмущений не более
(табл.6.1); характер переходного процесса
- монотонный.
6.4
Рекомендация по выполнению работы
1. Имея в виду нелинейный нестационарный характер объекта
управления, неполноту информации о нем, широкие пределы изменения
, в качестве метода синтеза целесообразно
использовать метод старшей производной [4].
Таблица
6.1
|
Параметр
|
1
|
2
|
3
|
4
|
5
|
6
|
7
|
8
|
|
T
|
0,01
|
0,02
|
0,03
|
0,04
|
0,04
|
0,06
|
0,05
|
|
A
|
2
|
1
|
5
|
2
|
3
|
4
|
4
|
1
|
|
B
|
2
|
3
|
2
|
4
|
1
|
1
|
3
|
4
|
|
0,100, 200,300,400,500,400,606,50
|
|
|
|
|
|
|
|
|
|
1020302515182812
|
|
|
|
|
|
|
|
|
|
0,100, 200,300,250,150, 200,350,41
|
|
|
|
|
|
|
|
|
|
1015132015161117
|
|
|
|
|
|
|
|
|
|
55555555
|
|
|
|
|
|
|
|
|
|
1010101010101010
|
|
|
|
|
|
|
|
|
2. В случае расчета линейной стационарной системы принять
следующие значения:
Усилитель (У) в этом случае является пропорциональным
звеном,
(6.4)
дифференциальное уравнение электрогидропривода следующее:
(6.5)
а уравнение дуговой сталеплавильной печи можно преобразовать к
виду:
(6.6)
Таким образом, прямой канал системы, изображенной на рис.6.1,
описывается уравнениями (6.4) - (6.6). Расчет регулятора можно выполнить
частотным либо модальным методами.
Замечание:
При расчете регулятора частотным методом для построения исходной
ЛАЧХ требуется определить постоянные времени типовых звеньев. С этой целью
можно предварительно вычислить корни характеристического уравнения 3-го порядка
, (6.7)
например, с помощью решения Кардано [6]. Путем замены переменных
уравнение (6.7), записывается в виде
где
Корни последнего уравнения определяются следующим образом:
где
Литература
1. Башарин
А.В., Новиков В.А., Соколовский Г.Г. Управление электроприводами: Учеб. пособие
для вузов. - Л., 1982.
2. Бесекерский
В.А., Попов Е.П. Теория систем автоматического регулирования. - СПб., 2004.
. Волков
Н.И., Миловзоров В.П. Электромашинные устройства автоматики: Учеб. Для вузов -
М.: Высш. Шк., 1986.
. Востриков
А.С., Французова Г.А. Теория автоматического регулирования - М.: Высшая школа,
2006.
. Козлов
А.П., Красов И.М. Электромагнитные управляющие элементы. - М., 1966.
. Корн
Г., Корн Т. Справочник по математике для научных работников и инженеров. - М.,
1977.
. Любчик
М.А. Силовые электромагниты аппаратов и устройств автоматики постоянного тока:
Расчет и элементы проектирования. - М., 1968.
. Михелькевич
В.Н. Автоматическое управление шлифованием. - М.: Машиностроение, 1975.
. Никулин
Е.А. Основы теории автоматического управления. Частотные методы анализа и
синтеза систем. - СПб.: БХВ-Петербург, 2004.
. Свенчанский
А.Д., Гуттерман К.Д. Автоматическое регулирование электрических печей. - М. -
Л., 1965.
11. Топчеев
Ю.И. Атлас для проектирования систем автоматического регулирования. М.:
Машиностроение, 1989.
12. Филипс
Ч., Харбор Р. Системы управления с обратной связью. - М.: Лаборатория базовых
знаний, 2001.