¹,=
=19.113<[20]
м/с
для прямозубых з. к.со
степенью точности 5, [2, с. 68]
Окружная скорость на
всех кинематических парах привода главного движения ниже допустимых значений.
2.8 Расчет параметров
передач
.8.1 Расчет параметров
ременной передачи
В качестве ременной
передачи выбираем поликлиновую, как наиболее распространенную. При этом
используем поликлиновой ремень сечения Л.
Определение диаметров
шкива=100 мм=125 мм
Линейные скорости ремня
на шкивах [6, с.8] можно определить по формуле 3.10:
,
м/с;
м/с.
Межцентровое расстояние
а определяется конструктивными особенностями. Рекомендуемое а для клиноременных
передач по ГОСТ 1284.3-96 [6, с.9]:
.5<a<450
Принимаем а = 400 мм.
Расчетная длина ремня
вычисляется по формуле:
,где
мм
Длину ремня округляем до
ближайшей стандартной длины. Получаем LP = 1120 мм.
После определения
окончательной длины ремня уточняется номинальное межосевое расстояние по
формуле [6, с.9]:
Таким образом, межосевое
расстояние остается, а = 355 мм.
Для зубчатых ремней по
расчетной длине ремня определим расчетное число зубьев ремня:
Таким образом, расчетное
число зубьев ремня,
Устанавливаем
окончательную длину зубчатого ремня:
Округляем L = 1000 мм.
2.8.2 Расчет зубчатой
передачи
Для 2 ступени:
Для обеспечения
жесткости валов принимаем модуль m = 3 мм.
Предварительное значение
межосевого расстояния можно найти по формуле:
,
где - модуль зубчатой
передачи, мм;å - суммарное число зубьев колес передачи.
Значение межосевого
расстояния, округляется до ближайшего стандартного по нормали станкостроения
Н21-5 [4, с.279].
Рабочая ширина
венца=(6-8)m, где
принимаем b=20 мм
Диаметры делительной окружности шестерни и колеса=m·z,
гдемодуль,ммчисло зубьев;=3·31=93 мм, d2=3·61=183 мм,
Диаметры окружностей вершин зубьев=d+2·m=93+2·3=99 мм, da2=189 мм,
Диаметры окружностей впадин зубьев=d-2,5·m=93-2,5·3=57 мм,
df2=175.5 мм.
Для 3 ступени:
Для обеспечения жесткости валов принимаем модуль m = 4 мм.
Рабочая ширина венца=(6-8)m, где
мм,
принимаем b=30 мм
Диаметры делительной окружности шестерни и колеса=4·57=228 мм,
d4=4·38=152 мм, d5=4·22=88 мм, d6=4·73=292 мм,
Диаметры окружностей вершин зубьев=228+2·4=236 мм, da4=160 мм,
da5=96 мм, da6=300 мм,
Диаметры окружностей впадин зубьев=228-2,5·4=218мм, df4=142 мм.
df5=78 мм, df6=282 мм.
.9 Расчет диаметров валов
Диаметры валов по условному расчету на кручение:
, (4.11)
где М - крутящий момент на валу, Н×м;
[t] - допустимое напряжение на кручение, МПа:
[t] = (0,025…0,03)×sв.
Принимаем в качестве материала для валов и шпинделя одну марку
стали в целях унификации: сталь 40Х.
'I
=30,983
мм, принимаем d'I=42 мм,'II
=32,698 мм, принимаем
d'II=50 мм,'III
=40,418
мм, принимаем d'III=60 мм'IV
=59,453 мм, принимаем
d'IV=80 мм
3. Проверочные расчеты
.1 Расчеты зубчатых передач
В качестве материала зубчатых колес принимаем сталь 40ХН. Ее
механические свойства зависят от варианта термической обработки. Выбрав
термическую обработку - улучшение, приведем некоторые характеристики данной
марки стали, необходимые для расчетов, в виде таблицы 3.1.
Таблица 3.1 Характеристика стали 40ХН
|
Мар-ка стали
|
Предельные размеры за-готовки, мм
|
Твердость зубьев
|
Предел текучести sТ, МПа
|
|
|
Dпр
|
Sпр
|
в серд-цевине
|
на по-верхности
|
|
|
40ХН
|
улуч-шение
|
315
|
200
|
235-262НВ
|
235-262НВ
|
630
|
Определим усилие, действующее на
единицу ширины зуба
,
токарный винторезный
станок
где
М- момент на валу, Н·мширина зубчатого венца,ммделительный диаметр
шестерни,ммкоэффициент, учитывающий неравномерность нагрузки между зубьями по
ширине зуба (k=1,5)
Н;
Определим максимальное напряжение в основании зуба
,
где коэффициент, учитывающий форму зуба,усилие, действующее на
единицу ширины зуба,Нмодуль зубчатого колеса,мм
Н
Выносливость зуба при изгибе
σF
[σFp],
[σFp]= σFlim/SF,
где
[σFp]-допускаемое контактное напряжение при изгибе,Н
σFlim- предел выносливости материала,Нкоэффициент запаса прочности
Материал зубчатых колес сталь 40ХН.
σFlim=600 Н; =1.7 при повышенной вероятности разрушения
[σFp]=600/1.7=353 Н > σF=345
Н
Условие выносливости выполняется.
Определение контактной выносливости
,
где
ί- передаточное отношение зубчатой передачи,усилие, действующее на
единицу ширины зуба,Н
aω- межосевое расстояние,мм
Н
Условие контактной выносливости рабочей поверхности зуба:
σH
[σHp], где
[σHp]- допустимое контактное напряжение,Н
[σHp]= σHlim/SH, где
σHlim-предел выносливости материала,Нзапас прочности
σHlim=600 Н; SH=1,1;
[σHp]=600/1.1=545 Н > σH=369,8
Н
Условие контактной выносливости выполняется
.2 Расчет валов
.2.1 Расчет вала на статическую прочность
Проверку статической прочности выполняют в целях предупреждения
пластических деформаций в период кратковременных перегрузок (пуск, разгон,
торможение и т.д.)
Расчет ведем по валу с крутящим моментом M=382.2 Н∙м:
,
где
М- крутящий момент на валу, Н·ммодуль,ммчисло зубьев,усилие в
зацеплении,Н
,
гдеусилие в зацеплении,Н
α=20˚- угол зацепления
Значения величин сил и моментов представлены в таблице.’/
Таблица 3.2 Усилия и моменты на валу
|
Зубчатое колесо
|
Усилие в зацеплении Ft,H
|
Fr, Н∙м
|
|
Z2
|
3802,9
|
1384,1
|
|
Z3
|
3352,6
|
1220,2
|
|
Z5
|
8686,3
|
3161,5
|
.2.2 Расчет валов на изгиб и
кручение
Расчет проведем только для вала III,
как наиболее нагруженного.
Для расчета вала необходимо знать
силы, действующие на зубчатые колеса z2,z3, z5.
При выполнении расчета необходимо
показать расчетную схему вала, построить эпюры изгибающих и крутящего моментов.
При этом вал рассматривается как балка на трех опорах (двух подшипниках). Силы,
действующие на вал со стороны насаженных на него элементов передач, будем
считать сосредоточенными и приложенными посередине ступиц. Участки длин li
определим с чертежа конструкции в масштабе.
Строим эпюру нагружения третьего
вала.
Проверка:
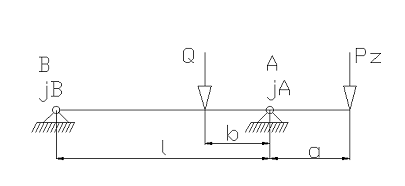
3.3 Расчёт шпинделя
.3.1 Проверка шпинделя
на жесткость
Рисунок 2- Схема к
расчету шпинделя на жесткость
Упругое перемещение
переднего конца шпинделя рассчитывается по формуле:

Где: l=582мм- расстояние
между опорами;
а=121мм- вылет
шпинделя;=132мм- расстояние от зубчатого колеса до передней опоры.
среднее значение осевого
момента инерции сечения консоли,
среднее значение
осевого момента инерции сечения шпинделя между опорами,
=0.145-
радиальная жесткость передней опоры;=0.12- радиальная жесткость задней опоры;
Е=
-
модуль упругости, МПа;=1.8кН- сила резания.
Подставив численные
данные получим:
Расчетную жесткость
получаем из уравнения:
Где:
=
-
прогиб шпинделя;
=1800 H- сила,
действующая на шпиндель
Рассчитаем обратную
величину жесткости- податливость j:
Таким образом условие
жесткости выполняется.
.3.2 Проверка шпинделя
на точность вращения
В результате этого
расчета выбирают класс точности подшипников шпинделя в зависимости от его
допускаемого радиального биения
. Предполагают наиболее
неблагоприятный случай, когда биение подшипников
в передней опоре и
в
задней направлены в противоположные стороны как показано на рисунке 3.
Рисунок 3- Схема к
расчету шпиндельного узла на точность
При этом радиальное
биение конца шпинделя
Приняв:
Получим:
мм
мм.
По рассчитанным данным
выбираем подшипники требуемого класса точности.
.4 Выбор подшипников
качения
Производим расчет
подшипников на статическую грузоподъемность.
При расчете на
статическую грузоподъемность проверяем, не будет ли радиальная нагрузка на
подшипник превосходить статическую грузоподъемность: Fr ≤ Cr.
вал:
Проверяем подшипник тип
308 - радиальный статическую грузоподъемность. Статическая грузоподъемность Сor
= 6 кН.
Определяем эквивалентную
статическую радиальную нагрузку:
= X0Fr + Y0Fa
Определяем эквивалентную
статическую радиальную нагрузку:
= 0,5•1100 =0,55 кH
Так как эквивалентная
нагрузка получается меньше, чем радиальная, то для расчета принимаем Por = Fr,
то есть Por = кН.
,55 кH ≤ 6 кН,
следовательно, принимаем этот подшипник 308.вал
Проверяем подшипник тип
308 - радиальные подшипники на статическую грузоподъемность. Статическая
грузоподъемность Сor = 6 кН.
Определяем эквивалентную
статическую радиальную нагрузку:
= X0Fr + Y0Fa= 0,5•3802
=1.9 кH
Так как эквивалентная
нагрузка получается меньше, чем радиальная, то для расчета принимаем Por = Fr.
Статическая прочность
обеспечена, если выполнено условие:
≤ Сor,
Где Сor - статическая
радиальная грузоподъемность подшипника.
В данном случае 1.9 кH≤
6 кН, следовательно, принимаем этот подшипник 308вал
Проверяем подшипник тип
308 - радиальные подшипники на статическую грузоподъемность. Статическая
грузоподъемность Сor = 6 кН.
Определяем эквивалентную
статическую радиальную нагрузку:
= X0Fr + Y0Fa= 0,5•8686
=4.3 кH
Так как эквивалентная
нагрузка получается меньше, чем радиальная, то для расчета принимаем Por = Fr.
Статическая прочность
обеспечена, если выполнено условие:
≤ Сor,
Где Сor - статическая
радиальная грузоподъемность подшипника.
В данном случае 4.3кH≤
6 кН, следовательно, принимаем этот подшипник 308
Подбираем подшипник
36116к в переднюю опору и 46213 шпинделя конструктивно, так как очевидно
выполнение условий грузоподъемности, расчет опускаем.
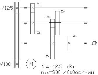
4. Разработка привода
подач
Разработка кинематической
схемы привода подач.
) Необходимые данные для
разработки схемы привода подач:
Интервал рабочих подач:
Sм=1...2000 мм/мин.
Скорость быстрого
перемещения: vх=5 м/мин.
Шаг ходового винта:
tх=10 мм.
) По исходным данным
подбираем электродвигатель:
Выбираем высокомоментный
электродвигатель серии ПВ тип ПБВ112. Данный электродвигатель имеет мощность
1.1 КВт с частотой вращения ротора nНОМ=500 об/мин и nmax=2000 об/мин,
Мном=21Нм и Ммах=210Нм.
) Определяем
передаточное отношение зубчатых колес коробки подач:
Зубчатые колеса коробки
подач определяются из уравнения кинематического баланса, составленного для
наибольшей рабочей подачи, ротор электродвигателя при этом вращается с
номинальной частотой:
или
где,
-передаточное
отношение зубчатых колес коробки подач.
Откуда:
=24/60
) По расчётам редуктор
выбираем из конструктивных соображений редуктор с числами зубьев 24 и 60.
) Строим кинематическую
схему привода подач.
Рисунок 3.
Кинематическая схема привода подач
) Определяем
максимальную, номинальную и минимальную частоты вращения:
- число заходов
- шаг ходового винта
- передаточное
отношение
) Определяем диаметр
ходового винта:
,
где [τ]
для стали 40Х= 900·0,025=22,5МПа
М=210·2.5·0,85=446,2Нм
Принимаем диаметр
ходового винта 50мм.
Литература
1. Режимы резания металлов. Справочник. Изд. 3-е, перераб. и
доп., М.: «Машиностроение», 1972г
. Справочник технолога - машиностроителя. Под ред. Р.И.
Косиловой и К.С. Мещерякова в 2-х томах: Т.2, М: «Машиностроение», 1986г.
. Методическое пособие “Обработка конструкционных
материалов, режущие инструменты и станки”. К., КУАИ, 1987.
. “Общемашиностроительные нормативы режимов резания для
технического норматирования работ на металлорежущих станках”, Часть 1. М.,
Машиностроение, 1974.
. Петруха П.Г.“Резание конструкционных материалов, режущие
инструменты и станки”. М., Машиностроение, 1974.
. Аршинов В.А., Алексеев Г.А.“Резание металлов и режущий
инструмент”. М., Машиностроение, 1976.
. Бушуев В.В. Основы конструирования станков. - М.:
Станкин, 1992 - 520с.
. В помощь конструктору-станкостроителю /В.И. Калинин, В.Н.
Никифоров, Н.Я. Аникеев и др. М.: Машиностроение, 1983. - 288 с., ил.
. Дунаев П.Ф., Леликов О.П. Детали машин. Конструирование
узлов и деталей машин: Учеб. пособие для машиностроит. спец. техникумов.- М.:
Высш. шк., 1984 - 336 с., ил.
. Допуски и посадки: Справочник в 2-х ч. Ч.1 /Под ред. В.Д.
Мягкова. - 5-е изд., перераб. и доп. - Л.: Машиностроение. Ленингр. отд-ние,
1978 - 544 с., ил.
. Егоров М.Е., Дементьев В.И. и др. Технология
машиностроения. - М.: Высш. шк., 1976.
. Кочергин А.И. Конструирование и расчет металлорежущих
станков и станочных комплексов. Курсовое проектирование: Учеб. пособие для
вузов.-Мн.: Выш. шк., 1991.-382 с.: ил.
. Мовнин М.С., Д.Г. Гольцикер, Техническая механика, часть
3. Детали машин.Учебник. (Изд. 5-е, переработ. и доп.) Л., «Судостроение»,
1972.
. Металлорежущие станки. Учеб. пособие для втузов Н.С.
Колев, Л.В. Красниченко, Н.С. Никулин и др.-2-е изд., перераб. и доп. - М.:
Машиностроение, 1980. - 500 с., ил.
. Металлорежущие станки и автоматы: Учебник для
машиностроительных втузов / Под ред. А.С. Проникова. - М.: Машиностроение,
1981. - 479 с., ил.
. Металлорежущие станки: Учебник для машиностроительных
вузов/ Под ред. В.Э. Пуша.-М.:
Машиностроение, 1985. - 256
с., ил.
. Орлов П.И. Основы конструирования: Справочно-методическое
пособие. В 2-х кн. Кн.1 / Под ред. П.Н. Учаева.- Изд. 3-е, испр. - М.:
Машиностроение, 1988. - 560 с., ил.
. Орлов П.И. Основы конструирования: Справочно-методическое
пособие. В 2-х кн. Кн.2 / Под ред. П.Н. Учаева.- Изд. 3-е, испр. - М.:
Машиностроение, 1988. - 544 с., ил.
. Перель Л.Я., Филатов А.А. Подшипники качения: Расчет,
проектирование и обслуживание опор: Справочник. - 2-е изд., перераб. и доп. - М.: Машиностроение, 1992. - 608 с.: ил.