Расчет металлической конструкции фермы

  • Вид работы:
    Курсовая работа (т)
  • Предмет:
    Строительство
  • Язык:
    Русский
    ,
    Формат файла:
    MS Word
    49,52 Кб
  • Опубликовано:
    2013-03-25
Вы можете узнать стоимость помощи в написании студенческой работы.
Помощь в написании работы, которую точно примут!

Расчет металлической конструкции фермы

Содержание

Компоновка поперечной рамы

Определение нагрузок на поперечную раму

Определение жесткостных характеристик рамы

Расчет верхней части колонны

Подбор сечения нижней части колонны

Расчет раздельной базы сквозной колонны

Расчет фермы

Подбор сечения элементов фермы

Расчет сварных швов прикрепления раскосов и стоек к фасонкам и поясам фермы

Список литературы

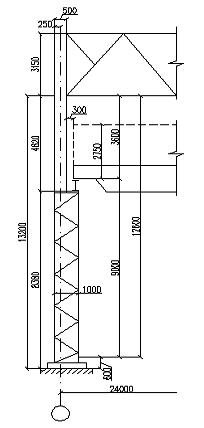
Компоновка поперечной рамы

Тип основной несущей системы - двухпролетная поперечная рама.

Шаг колонн - 12 метров, шаг ферм - 6 метров.

Температурных швов - нет.

Ригели шарнирно сопрягаются с колоннами, колонны защемлены в фундаменте.

Определение вертикальных размеров

Пролет здания: L=24000 мм.

Высота от уровня чистого пола до верха головки подкранового рельса:

h1=9000 мм.

Габаритный размер от головки рельса до верхней точки тележки крана:

hк=2750 мм.

Прогиб фермы (200-400 мм), т.к. L=24 м принимаем а=200 мм - размер, учитывающий прогиб конструкции покрытия

Высота от головки рельса до низа фермы:

h2=(hк +100)+a=(2750+100)+200=3050 мм.

Округляем с кратностью 200: h2=3200 мм.

Полезная высота:

H = h1+h2=9000+3200=12200 мм,

от уровня пола до низа стропильных конструкций.

Принято: H=12600 мм.

Шаг колонн: B=12000 мм.

Высота подкрановой балки: hб=1500 мм.

Высота рельса: hp =120 мм.

Высота верхней части колонны:

hв= hб+ hp + h2=1500+120+3200=4820 мм

Заглубление опорной плиты: hп=600 мм.

Высота нижней части колонны:

hн=H-hв+hп=12600-4820+600=8380 мм.

Высота колонны:

hk=hв+hн=4820+8380=13200 мм.

Определение горизонтальных размеров

Грузоподъемность крана: Q=32/5 т.

Привязка наружной грани колонны к оси: b0=250 мм.

Ширина верхней части колонны:

Bв1=2×b0=2×250=500 мм.

Ширина верхней части колонны должна быть:

Bв1³ hв /12=4820/12=401,6мм.

Условие выполняется, тогда принимаем: bв=bв1=500 мм.

Верхняя часть сечения колонны выполняется в виде сплошного сечения.

Вылет крана за ось подкрановой балки по ГОСТ на кран 32/5: B1=300 мм.

Привязка головки рельса к оси колонны:

l=B1+(bв-b0)+75=300+(500-250)+75=625 мм.

Округляем с кратностью 250, тогда l=750 мм.

Ширина нижней части колонны:

Bн=b0+l=250+750=1000 мм.

Нижняя часть сечения колонны выполняется в виде сплошного сечения.

Пролет крана:

lk=L-2×l=24000-2×750=22500 мм.

На схеме поперечной рамы показаны размеры, полученные ранее.

Определение нагрузок на поперечную раму

Коэффициент надежности по назначению конструкции gn=0.95.

Ширина грузовой площади ригеля b=12000 мм.

Пролет ригеля L=24000мм.

Временные нагрузки

Снеговая нагрузка.

Район строительства: г. Пермь.

Район по весу снегового покрова: V.

Нормативная снеговая нагрузка на 1м2 горизонтальной поверхности земли S0=3,2 кПа

Коэффициент, учитывающий уклон кровли: m=1.

Снеговая нагрузка на 1м2 поверхности покрытия:

Нормативная:

S=m×S0=1×3.2=3.2 кПа;

Расчетная снеговая нагрузка:

P=S×а=3.2×6=19.2 кН/м,

где а - шаг ферм.

Сосредоточенные силы в опорных узлах ригелей от снеговой нагрузки:

Реакция крайней опоры:

Pкр=P×L/2=230.4 кН;

Реакция средней опоры:

Pср=P×L=460.8 кН.

Ветровая нагрузка.

Район по скоростным напорам ветра: II

Нормативное значение ветрового давления W0=0.3 кПа

Тип местности: В.

W=Wo×k×c

Коэффициенты, учитывающие изменение ветрового давления по высоте:

Для 5 м: К5=0.5

Для 10 м: К10=0. 65.

Ширина расчетного блока равна шагу рам. b=12 м

Аэродинамический коэффициент:

для вертикальных стен с наветренной стороны: с1=0.8

для вертикальных стен с подветренной стороны: с2= 0.6.

Расчетная линейная ветровая нагрузка с наветренной стороны:

На участке 0-5 м:

qв5= W0×b×K5×c1=0.3×12×0.5×0.8=1.44 кН/м.

На высоте 10 м:

qв10= W0×b×K10×c1=0.3×12×0.65×0.8=1.872 кН/м.

Расчетная линейная ветровая нагрузка с подветренной стороны:

На участке 0-5 м:

q1в5= W0×b×K5×c2=0.3×12×0.5×0.6=1.08 кН/м.

На высоте 10 м:

q1в10= W0×b ×K10×c2=0.3×12×0.65×0.6=1.404 кН/м.

Расчетная линейная ветровая нагрузка с наветренной стороны на высоте 13.2 м или на уровне нижнего пояса фермы:

Qвн=1.44+(1.872-1.44)×3.2/10=1.578 кН/м.

Расчетная линейная ветровая нагрузка с наветренной стороны на высоте 16.35 м или на уровне верхнего пояса фермы:

Qвв=1.44+(1.872-1.44)×6.35/10=1.714 кН/м.

Расчетная линейная ветровая нагрузка с подветренной стороны на высоте 13.2 м:

Q1вн=1.08+(1.404-1.08)×3.2/10=1.184 кН/м.

Расчетная линейная ветровая нагрузка с подветренной стороны на высоте 16.35м:

Q1вв=1.08+(1.404-1.08)×6.35/10=1.286 кН/м.

Сосредоточенные силы от ветровой нагрузки:

С наветренной стороны:

W=(Qвн+Qвв)×3.15/2=(1.578+1.714)×3.15/2=5.185 кН;

С подветренной стороны:

W/ =(Q1вн+Q1вв)×3.15/2=(1,184+1.286)×3.15/2=3.89 кН.

Эквивалентные линейные нагрузки

qэ= qв5·α =1,44·1,06 =1,526 кН/м

qэ1= q1в5·α =1.08 ·1,06 =1,145 кН/м

Вертикальная нагрузка от мостовых кранов.

Краны: 2х32/5, ширина крана: В2=6.3 м,

база: К=5.1 м.

Режим работы кранов: средний.

Коэффициент сочетания nC=0.85,

Коэффициент надежности по нагрузке: gf =1.1.

Нормативные вертикальные давления колес :

Pnmax = 315 кН.

Пролет подкрановой балки:

Lpb=12 м

Погонный вес подкрановой балки:

Qpk=5.33 кН/м

Собственный вес подкрановой конструкции:

Gpk= Qpk × Lpb=5.33×12=64.кН.

Линии влияния.






Расчетное максимальное давление, передаваемое на колонну колесами крана:

D1=Pnmax×(0.475+0.9+1+0.575)=315×(0.475+0.9+1+0.575)=929.25 кН.

Dmax= gf ×gn ×nC ×D1+Gpk=1.1×0.95×0.85×929.25+64 =889.4 кН.

Расчетное минимальное давление, передаваемое на колонну колесами крана:

Количество колес с одной стороны крана: n0=2;

Вес крана с тележкой: Gk=520 кН;

Грузоподъемность крана:

Q=30×9.8=294 кН;

Нормативные вертикальные давления колес (минимальные):

Pnmin =(Gk + Q)/n0- Pnmax =(520+294)/2-315=92 кН,

Тогда

D1=Pn min ×(0.475+0.9+1+0.575)=92×(0.475+0.9+1+0.575)=271.4 кН.

D min = gf ×gn ×nC ×D1+Gpk=1.1×0.95×0.85×271.4+64 =305.07 кН.

Ширина нижней части колонны: bn=1.0 м

Расстояние между осью подкрановой балки и центром тяжести нижней части колонны:

Ek=bn/2=1.0/2=0.5 м.

Изгибающие моменты от Dmax , D min:

Mmax= Dmax×Ek =889.4×0.5=444.7 кН×м.

Mmin = Dmin ×Ek =305.07×0.5=152.54 кН×м.

Нагрузка от торможения тележки крана.

Вес тележки: Gt=120 кН.

Нормативная поперечная горизонтальная сила передаваемая одним колесом от торможения тележки:

Tk =0.05×(Q+ Gt)/ n0=0.05×(294+120)/2=10.35 Кн

Расчетная поперечная горизонтальная сила от торможения тележки крана:

Tmax=gf ×gn ×nC ×Tk×(0.475+0.9+1+0.575)max=1.1×0.95×0.85×10.35×(0.475+0.9+1+0.575)=27.12 кН.

Постоянные нагрузки

Высота верхней части колонны: hв=4,82 м.

Высота нижней части колонны: hн=8,38 м.

Ширина верхней части колонны: bв=500 мм.

Ширина нижней части колонны: bн=1000 мм.

Нагрузка на 1м2 кровли: Нормативная Gkrn=1.34 кПа,

Расчетная Gkr=1.59 кПа.

Расчетная нагрузка на ригель рамы:

Qp=0.95×Gkr×B=0.95×1.59×12=18.126 кН/м.

Реакция крайней опоры:

Fpf= Qp×L/2=18.126×24/2=217.5 кН.

Реакция средней опоры:

Fspf= Qp×L=18.126×24=435.03 кН.

Вес верхней части колонн (крайней и средней):

Необходимые данные для определения веса:

a=6 - для верхней части колонн,

Строительный коэффициент веса колонны: q=1.5.

Плотность стали (т/м3): r=7.85 т/м3.

Расчетное сопротивление материала (С235) Ry=230 Мпа.

Коэффициент условий работы: gс=1.1.

Найдем суммарное усилие от всех возможных нагрузок на часть колонны без учета рамности:

Усилие в верхней части крайней колонне:

Nкр=Fpf+Pкр=217.5+230.4=447.9 кН.

Усилие в верхней части средней колонне:

Nср=Fсpf+Pср=435.03+460.8=895.83кН.

Вес верхней части крайней колонны:

Gвкр=a×q×r×hв×Nкр/(Ry×gс×100)=6×1.5×7.85×4.82×447.9/(230×1.1×100)=6,02 кН.

Вес верхней части средней колонны:

Gвср=a×q×r×hв×Nср/(Ry×gс×100)=6×1.5×7.85×4.82×895.83/(230×1.1×100)=12.06 кН.

Вес нижней части колонн (крайней и средней):

Для определения веса нижней части колонны: a=4

Найдем суммарное усилие от всех возможных нагрузок на часть колонны без учета рамности:

Усилие в верхней части крайней колонны:

Nнкр=Fpf+Pкр+Dmax+Gвкр=217.5+230.4+889.4+6.02=1343.32 кН.

Усилие в верхней части средней колонне:

Nнср=Fсpf+Pср+2×Dmax+Gвср=435.03+460.8+2×889.4+12.06=2686.69 кН.

Вес нижней части крайней колонны:

Gнкр=a×q×r×hн×Nнкр/(Ry×gс×100)=4×1.5×7.85×8.38×1343.32/(230×1.1×100)=20.8 кН.

Вес нижней части средней колонны:

Gнср=a×q×r×hн×Nнср/(Ry×gс×100)=4×1.5×7.85×8.38×2686.69/(230×1.1×100)=41.9 кН.

Вес верхней части колонны прикладываем к оси верхней части колонны на уровне подкрановой балки:

Hgв=hн+hpb=8.38+1.5=9.88 м.

Вес нижней части колонны прикладываем к оси нижней части колонны на уровне:

Hgн=hн/2=8.38/2=4.19 м.

Определение жесткостных характеристик рамы


Жесткостные характеристики сквозного ригеля (фермы).

Жесткостные характеристики определяются по приближенным формулам:

E·If=E·(Aнп·Авп)·НФ2·m /(Анпвп)

E·Af=E·(Aвпнп).

Где :

Авп=N/0,7·Ry - площадь сечения верхнего пояса фермы;

Анп=N/Ry - площадь сечения нижнего пояса фермы;

N=q·L2/8·hф =(18.126+19,2)×242/(8×3.15)=853,17 кН - усилия в поясах фермы (по модулю);

q- суммарная погонная нагрузка (постоянная + снеговая);

If - момент инерции ригеля;

L- пролет ригеля;

Нф- высота фермы в середине пролета;

hф- высота фермы на опоре;

Е- модуль упругости стали (20600 кН/см2);

Ry- расчетное сопротивление стали поясов (230 МПа);

m - коэффициент влияния решетки фермы на ее общую жесткость (0,9).

Тогда

Авп=853.17·103 /(0,7·230·106) = 0.0053 м2,

Анп= 853.17·103 /(230·106) = 0.0037 м2,

If= 0.0053 ·0.0037 ·3.152·0.9/( 0.0053 +0.0037) = 0.0195 м4,f= 0.0053 +0.0037 = 0.009 м2

E·If = 2.06·108·0.0195 = 4.02·106 кН·м2

E·Af = 2.06·104·90 = 1,85·106 кН

Жесткостные характеристики верхней и нижней части колонны.




Крайняя колонна

нижняя часть

=(p·B)/2=19.2·24/2=230.4 кН

=(·B)/2=18.126·24/2=217.5 кН

 = 174127,6 см4

 = 69,65 см2

 = 1,45·106 кН

 = 0,358·106 кН·м2

-верхняя часть

= 29021,27 см4

= 46,43 кН

 = 0,96·106 кН

 = 0,06·106 кН·м2

Средняя колонна

нижняя часть

 = 348255,2 см4

 = 139,3 см2

 = 2,87·106 кН

 = 0,72·106 кН·м2

-верхняя часть

= 58042,53 см4

= 92,87 см2

 = 1,91·106 кН

 = 0,12·106 кН·м2

Расчет двухступенчатой колонны

Исходные данные

Высота нижней части колонны: hн=8.38 м.

Ширина нижней части колонны: bн=1.0 м.

Высота верхней части колонны: hв=4.82 м.

Ширина верхней части колонны: bв=0.5 м.

Расчетные усилия (по модулю):

для верхней части колонны

в сечении 1-1: N1=465,9 кН M1=0 кНм

в сечении 2-2: N2 =471,93 кН M2 =41,65 кНм

для нижней части колонны

в сечении 3-3: N3=1249,35 кН M3=35,5 кНм

N3=1041,99 кН M3=76,1 кНм

в сечении 4-4: N4 =1270,133 кН M4 =305,19 кНм

N4 =1062,77 кН M4 =352,79 кНм

Соотношение жесткостей верхней и нижней части колонны 1/5







Определение расчетных длин колонны в плоскости рамы


lefx1=mн×hн

lefx2=mв×hв

hв/ hн= lв/ lн=4.82/8.38=0.575 < 0.6

Iв/Iн=0.2

n= Iв×lн/(Iн×lв)=0,2×8,38/4,82=0,347

mн=1,86 mв=mн1=1,86/0,67=2,78 £ 3

α1=

Расчетные длины колонн в плоскости рамы:

lefx1=mн×hн=1.86×8.38=1558,7 см,

lefx2=mв×hв=2,78×4,82=1340 см.

Расчетные длины колонн из плоскости рамы:

lefy1= hн=838 см,

Высота подкрановой балки Hпб=1.5 м

lefy2= hв - hпб=4,82-1,5=332 см.

Материал колонны: сталь С235;

Ry=230 МПа;

E=206e9 Па.

Расчет верхней части колонны


Подбор сечения верхней части колонны.

Расчетные усилия для верхней части колонны принимаем в сечении 2-2:

Продольная сила

N=471,93 кН,

Изгибающий момент

М=41,65 кН×м.

Сечение верхней части колонны принимаем в виде широкополочного двутавра высотой 0.5 м.

Для симметричного двутавра:

ix » 0.42×h=0.42×0.5=0.21 м;

rx » 0,35×h =0.35×0.5=0.175 м.

Условная гибкость:

=63.8×0.0334=2.13.

Относительный эксцентриситет приложения нагрузки:

mx=M/(N×rx)=41,65·103/(471,93·103·0.175)=5,04.

Примем в первом приближении:

Af/Aw=1.

Коэффициент влияния формы сечения по таблице 73 СНиП:

h=1.4-0.02× = 1.4-0,02·2.13=1.36.

Приведенный эксцентриситет:

mef=h×mx=1.36·5,04 =6,84.

Коэффициент для проверки устойчивости внецентренно-сжатых сплошностенных стержней в плоскости действия момента по таблице 74 СНиП: je=0.17.

Требуемая площадь сечения:

Aтр=N/(je×Ry)=471,93·103/(0.17·230·106) = 120,7 см2

По сортаменту подбираем двутавр широкополочный 50Ш4.

Геометрические характеристики сечения:

h=0.501 м,

bf=0.3 м,f=0.0235 м,w=0.0165 м,=0.02217 м2,y=10599,999 см4,x=96149,984 см4,x=3838 см3,y=0.0692 м,

ix=0.2082 м.

Проверка устойчивости верхней части колонны в плоскости действия момента.

Площадь полки:

Af=bf·tf=0.3·0.0235=0.00705 м2,

Площадь стенки:

Aw=tw·hw=0.0165·(0.501-2×0.0235)=0.0075м2.

Af /Aw=0.00705/0.0075=0.94.

Условная гибкость:

=2.15

Относительный эксцентриситет приложения нагрузки:

mx=M×A/(N×W)=41,65·103×221,7·10-4 /(471,93·103·3838×10-6)=0,5.

Коэффициент влияния формы сечения:

h=(1.75-0.1×mx)-0.02×(5-mx= (1.75-0.1·0.5)-0.02·(5-0.5)·2.15=1.5.

Приведенный эксцентриситет:

mef=h×mx=1.5·0.5=0,75.

Коэффициент для проверки устойчивости внецентренно-сжатых сплошностенных стержней :

je=0.636.

s=N/(je×A)=471,93·103/(0.636·221.7·10-4)=33,4 МПа<Ry=230МПа.

Колонна устойчива в плоскости рамы.

Проверка устойчивости верхней части колонны из плоскости действия момента.

Гибкость верхней части колонны из плоскости действия момента:

ly= lefy2/iy=3.32/0.0692 =47,98.

Коэффициент продольного изгиба по таблице 72 СНиП:

jy=0.895.

Для определения mx найдем максимальный момент в средней трети расчетной длины стержня:

Mx1/3=41,65·2/3=27.76 кН×м,

по модулю Мхmax/2=41,65/2=20.83 кН×м.

Тогда

mx=Mx1/3×A/(N×Wx)=27,76·103·221,7·10-4/(471,93·103·0.003838)=0,34 кН×м.

Так как mx<5 то коэффициент

с=b/(1+a×mх);

c - коэффициент учитывающий влияние момента на устойчивость внецентренно-сжатого стержня, из плоскости действия момента (учет изгибно-крутильной формы потери устойчивости).

Значения a и b определим по таблице 10 СНиП:

Коэффициент a=0.7

=47,98<=94.012,

следовательно b=1.0.

Тогда с=b/(1+a×mx)=1/(1+0.7·0.34)=0.8.

Проверку устойчивости колонны из плоскости действия момента проводим с учетом всей площади сечения, так как обеспечивается условие местной устойчивости стенки (прокатный двутавр).

s=N/(с×jy×A)=471,93·103/(0.8·0.895·221,7·10-4)=29.7МПа<Ry=230 МПа.

Колонна устойчива из плоскости рамы.

Подбор сечения нижней части колонны


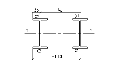
Сечение нижней части колонны сквозное, состоящее из двух ветвей, соединенных решеткой.

Высота сечения h=1000 мм.

Расчетные усилия:

N3=1041,99 кН M3=76,1 кНм (изгибающий момент догружает подкрановую ветвь колонны).

N4 =1062,77 кН M4 =352,79 кНм (изгибающий момент догружает наружную ветвь колонны).


Определим ориентировочное положение центра тяжести сечения колонны.

Принимаем zo=0.15 м.

Расстояние между осями ветвей колонны:

h0=h-z0=1.0-0.15=0.85 м.

Расстояние от подкрановой ветви до центра тяжести сечения колонны:

y1=M4×h0/(M3+M4)= 352.79 ·103·0.85/(76.1 ·103+352.79 ·103)=0.7 м.

Расстояние от наружной ветви до центра тяжести сечения колонны:

y2=h0-y1=0.85-0.7=0.15 м.

Усилия в ветвях колонны:

В подкрановой ветви:

Nv1=N3×y2/h0+M3/h0=1041.99·103 0.15/0.85+76.1·103/0.85=273.4 кН.

В наружной ветви:

Nv2= N4×y1/ h0+M4/ h0=1062.77 ·103·0.7/0.85+352.79·103/0.85=1290.27 кН.

Требуемая площадь подкрановой ветви (двутавр):

Av1=Nv1/(0.8·Ry)= 273.4 ·103/(0.8·230·106)=0.0015 м2.

Требуемая площадь наружной ветви (двутавр):

Av2= Nv2/(0.8·Ry)= 1290.27 ·103/(0.8·230·106)=0.007 м2.

По сортаменту подбираем двутавр 30Ш2 со следующими характеристиками:

Av=0.007765 м2,

iy=0.1253 м,

ix=0.0473 м,

h=0.295м, b=0.2 м.

Уточняем положение центра тяжести сечения колонны:

zo=b/2=0.1 м;

тогда h0=h-z0=1.0-0.1=0.9 м.

y1=A×h0/(Av+Av)=77.65·0.9/(2×77.65)=0.45 м,2=h0-y1=0.9-0.45=0.45 м.

Усилия в ветвях:

В подкрановой ветви:

Nv1=N3×y2/h0+M3/h0=1041.99·103 0.45/0.9+76.1·103/0.9 = 605.5 кН

В наружной ветви:

Nv2= N4×y1/ h0+M4/ h0=1062.77 ·103·0.45/0.9+352.79·103/0.9=923.4 кН.

Проверка устойчивости ветвей из плоскости рамы (относительно оси у-у):

Расчетная длина:

ly=hн=8.38 м.

Гибкость:

ly=ly/iy=8.38/0.1253 = 66,88.

Определяем: jy=0.790.

Подкрановая ветвь:

s1=Nv1/(jy·Av)=605,5·103/(0.790·0.007765)=98.7·106<Ry=230 МПа;

Наружная ветвь:

s2=Nv2/(jy·Av)=923,4·103/(0.790·0.007765)=150,53·106<Ry=230 МПа;

Устойчивость подкрановой и наружной ветвей обеспечена. Проверка устойчивости ветвей в плоскости рамы (относительно осей х11, х22):

Из условия равноустойчивости ветви в плоскости и из плоскости рамы определяем требуемое расстояние между узлами решетки:

lх1=lв1/iх1=lу=66.88,

следовательно lв1=66,88×iх1=66,88×0.0473 = 3.16 м.

Принимаем расстояние между узлами решетки lв1=1.5м, разделив нижнюю часть колонны на 5 панелей.

Гибкость: lx1= lв1/ix1=1.5/0.0473 =31.71.

Определяем jx=0.927.

s1=Nv1/(jx·Av)= 605,5·103/(0.927·0,007765)=84.12·106<Ry=230 МПа.

Устойчивость подкрановой и наружной ветвей обеспечена в плоскости рамы.

Расчет решетки сквозной колонны

Максимальная поперечная сила в сечении (4-4) колонны:

Qmax=46,42 кН.

Условная поперечная сила:

Qfic»0.2×(Av+Av)=0.2×(77,65+77,65)=31,06 кН.

Расчет решетки проводим на Qmax.

Длина раскоса:

м.

Sina=h0/lp=0.9/1.46=0.61.

Усилие сжатия в раскосе:

Nr=Qmax/(2·Sina)=46,42/ (2·0.61)=38,05 кН.

Задаемся: lr=150, jr=0.289.

Требуемая площадь раскоса:

Aр,tr=Nr/(jr·Ry·0.75)=38,05·103/(0.289·230·106·0.75)=7,63·10-4 м2.

Принимаем по сортаменту уголок ∟ 70х6, имеющего следующие характеристики:

Aр=8,15 см2,

imin=1.38 см.

Определим гибкость раскоса:

lmax=lр/imin=146/1.38=105.8.

Тогда j=0.519.

Напряжения в раскосе:

sр=Nr/(j·Aр)=38,05·103/(0.519·0.000815)=89.95МПа.

[sр]=Ry×0.75=230·106·0.75=172.5·МПа.

sр=89.95 МПа < [sr]=172.5 МПа,

Cледовательно устойчивость раскосов обеспечена.

Проверка устойчивости колонны в плоскости действия момента как единого стержня

Геометрические характеристики всего сечения:

A=Av+Av= 2·Av=2·0.007765 = 155.3 см2.

Jx=Av×(y12+ y22)=0.01553·(0.452+0.452)=0.00629 м4.

ix ==0.636 м.

lx= lefx1/ix=15,58/0.636=24.5.

Площадь сечения раскосов по двум граням сечения колонны:

Ar=2× Aр =2·8.15=16.3 см2.

Коэффициент a1, зависящий от угла наклона раскосов, принимаем равным 20.75, тогда:

Приведенная гибкость:

=28.2.

Условная приведенная гибкость:

=0.94.

Для комбинации нагрузок, догружающих наружную ветвь:

m=M4×A×y2/(N4×Jx)= 352,79·103·0.01553·0.45/(1062,77·103·0.00629)=0.37.

Принимаем jvn=0.698.

s=N4/(jvn A)=1062,77·103/(0.698·0.01553)=98·106 < Ry=230 МПа.

Для комбинации нагрузок, догружающих подкрановую ветвь:

m=M3×A·y1/(N3×Jx)=76,1·103×0.01553·0.45/(1041,99 ·103·0.00629)=0.08.

Принимаем jvn=0.872.

s=N3/(jvn·A)= 1041,99 ·103/(0.872·0.01553)=76.94·106 < Ry=230·МПа.

Устойчивость колонны в плоскости действия момента как единого стержня обеспечена.

Устойчивость сквозной колонны как единого стержня из плоскости действия момента проверять не нужно, так как она обеспечена проверкой устойчивости отдельных ветвей.

Проверка еще одного опасного сечения.

Расчетные усилия:

N3=1249.35 кН M3=35.5 кНм (изгибающий момент догружает подкрановую ветвь колонны).

N4 =1270.133 кН M4 =305.19 кНм (изгибающий момент догружает наружную ветвь колонны).

Усилия в ветвях:

В подкрановой ветви:

Nv1=N3×y2/h0+M3/h0=1249.35·103 0.45/0.9+35.5·103/0.9 = 664 кН

В наружной ветви:

Nv2= N4×y1/ h0+M4/ h0=1270.13 ·103·0.45/0.9+305.19·103/0.9=974.2 кН.

Проверка устойчивости ветвей из плоскости рамы (относительно оси у-у):

Расчетная длина:

ly=hн=8.38 м.

Гибкость:

ly=ly/iy=8.38/0.1253 = 66,88.

Определяем: jy=0.790.

Подкрановая ветвь:

s1=Nv1/(jy·Av)=664·103/(0.790·0.007765)=108,24·106<Ry=230 МПа;

Наружная ветвь:

s2=Nv2/(jy·Av)=974.2·103/(0.790·0.007765)=158,8·106<Ry=230 МПа;

Устойчивость подкрановой и наружной ветвей обеспечена.

Проверка устойчивости ветвей в плоскости рамы (относительно осей х11, х22):

Из условия равноустойчивости ветви в плоскости и из плоскости рамы определяем требуемое расстояние между узлами решетки:

lх1=lв1/iх1=lу=66.88,

следовательно lв1=66,88×iх1=66,88×0.0473 = 3.16 м.

Принимаем расстояние между узлами решетки lв1=1.5м, разделив нижнюю часть колонны на 5 панелей.

Гибкость: lx1= lв1/ix1=1.5/0.0473 =31.71.

Определяем jx=0.927.

s1=Nv1/(jx·Av)= 664·103/(0.927·0,007765)=92.24·106<Ry=230 МПа.

Устойчивость подкрановой и наружной ветвей обеспечена в плоскости рамы.

Проверка устойчивости колонны в плоскости действия момента как единого стержня

Геометрические характеристики всего сечения:

A=Av+Av= 2·Av=2·0.007765 = 155.3 см2.

Jx=Av×(y12+ y22)=0.01553·(0.452+0.452)=0.00629 м4.

ix ==0.636 м.

lx= lefx1/ix=15,58/0.636=24.5.

Площадь сечения раскосов по двум граням сечения колонны:

Ar=2× Aр =2·8.15=16.3 см2.

Коэффициент a1, зависящий от угла наклона раскосов, принимаем равным 20.75, тогда:

Приведенная гибкость:

=28.2.

Условная приведенная гибкость:

=0.94.

Для комбинации нагрузок, догружающих наружную ветвь:

m=M4×A×y2/(N4×Jx)= 305,19·103·0.01553·0.45/(1270,133·103·0.00629)=0.27.

Принимаем jvn=0.854.

s=N4/(jvn A)=1270,133·103/(0.854·0.01553)=96·106 < Ry=230 МПа.

Для комбинации нагрузок, догружающих подкрановую ветвь:

m=M3×A·y1/(N3×Jx)=35,5·103×0.01553·0.45/(1249,35 ·103·0.00629)=0.03.

Принимаем jvn=0.925.

s=N3/(jvn·A)= 1249,35 ·103/(0.925·0.01553)=86.97·106 < Ry=230·МПа.

Устойчивость колонны в плоскости действия момента как единого стержня обеспечена.

Устойчивость сквозной колонны как единого стержня из плоскости действия момента проверять не нужно, так как она обеспечена проверкой устойчивости отдельных ветвей.

Расчет раздельной базы сквозной колонны

Ширина нижней части колонны равен 1 м, поэтому проектируем базу раздельного типа:

Материал базы С235. Расчетное сопротивление:

при толщине листа 21-40 мм R1=220 Мпа;

при толщине листа 4 - 20 мм R2=230 Мпа.

Материал фундамента - бетон класса В12 с расчетным сопротивлениемb = 7.5 МПа.

Расчетные комбинации усилий в сечении (4-4) колонны:

Момент, догружающий подкрановую ветвь колонны (-): М1=-305.193 кН×м;

Соответствующая продольная сила: N1=-1270.13 кН.

Момент, догружающий наружную ветвь колонны (+): М2=352.788 кН×м;

Соответствующая продольная сила: N2=-1062.77 кН.

Расстояние между центрами сечений ветвей колонны: h0=0.9 м.

y1= y2=0.45 м.

Усилия в ветвях колонны:

В подкрановой ветви:

Npk=(1270.13×0.45)/0.9+305.193/0.9=974,17 кН;

В наружной ветви:

Npn=(1062,77×0.45)/0.9+352,79/0.9=923,37 кН.

принимаем N= Npk=974,17 кН.

Принимаем коэффициент g=1.2.

Определение требуемой площади плиты базы:

Apltr=N/(Rb·g)= 974,17·103/(7.5·106·1.2)=0.108 м2.

Конструируем базу колонны с траверсами толщиной 12 мм, привариваем их к полкам колонны и к плите угловыми швами.

Нахождение размеров плиты: принимаем с=8 см, следовательно, В=29.5+2·4= 37.5 см,

Принимаем В=40 см.

L=1080/40=27 см.

Принимаем L=27 см.

Принимаем плиту размером 400x270 мм, Аpl=1080 см2.

Определение толщины плиты.

Находим напряжение под плитой базы :

бf==923,37/1080=8.5 МПа.

Вычисляем изгибающие моменты на разных участках для определения толщины плиты:

Участок 1 (опертый по 4 сторонам):

Больший размер: b=0.269 м,

Меньший размер: a=0.095

Отношение b/a=0.269/0.095=2.83 >2 принимаем a=0.125.

M1=a×sf ×a2=0.125·8.5·106·(0.095)2=9.59 кН×м.

стержень рама сварной ферма

Участок 2 (опертый по 3 сторонам):1 = 20 см,1 =5.3 см,

b1/a1=200/53=3.77 >2, принимаем b=0.133;

М2 =b×бf a12 = 0.133·8.5×106×0.0532 = 3.17 кН×м.

Участок 3 - консольный:

c = 2.3см,

М3 =c2×бf/2=0.0232·8.5×106/2 =2.25 кН×м.

Выбираем максимальный из моментов:

Mmax2=9.59 кН×м.

Определяем толщину плиты по максимальному моменту:

tпл >==1.6 см;

принимаем плиту толщиной tпл=2 см.

Крепление траверсы к колонне и плите.

Прикрепление траверсы к колонне выполняется полуавоматической сваркой в углекислом газе сварочной проволокой Св-08Г2С.Высоту траверсы будем определять из условия размещения сварных швов, поэтому предварительно проведем сравнительную оценку прочности по металлу шва и границе сплавления

Расчетные характеристики сварного соединения таблицы 34 и 56 СНиП:wf =200 МПА, bf = 0.8;wz =160 МПа, bz=1.05;

gwz=gwf=1;

Rwf =0.8×200 =160 МПа < bz ×Rwz =168 Мпа.

Расчет ведем по металлу шва ; принимаем катет шва kf =10 мм

Необходимая высота траверсы при четырех сварных швах, прикрепляющих листы траверсы к полкам колонны составляет:

принимаем hтр= 0.5 м.

Проверим допустимую длину шва:

[lw]=85×kf·bf=85·0.010·0.8=0.68 м;

lw= N/(4×kf×Rwf ×bf ×gf)= 923,37·103/(4·200·106·0.8·0,01) =0.144<[lw]=0.68 м

требование к максимальной длине швов выполняется.

Крепление траверс к плите принимаем угловым швом kf=0.010 м.

Проверяем прочность швов:

sw = N/(kf ·ålw) = 923,37·103/(0.01·2×(2·0.34+0.55+0.019))= 96.8·МПА<[sw]= 160 МПа,

т.е. швы удовлетворяют требованиям прочности. При вычислении суммарной длины швов с каждой стороны шва не учитывалось по 1 см. на непровар. Приварку торца колонны к плите выполняем конструктивным швом kf=0.008 м, т.к. эти швы в расчете не учитывались.

Нагрузка на анкерные болты

Продольная минимальная сила в сечении (4-4) колонны: N1=-1270.133 кН,

Соответствующий момент, догружающий подкрановую ветвь(-):

M1=-305.193 кНм.

Продольная минимальная сила в сечении (4-4) колонны: N2=-1062,77 кН,

Соответствующий момент, догружающий наружную ветвь (+):M2=352,788 кН×м.

Усилие в фундаментных болтах принимается равным:

Z1=M2/h0-N1/h0×y2=-1270,13×0.45/0.9+352,79/0.9=243 кН

Z2=M1/h0-N2/h0×y1=-1062,77×0.45/0.9+305,193/0.9=192,3 кН.

Рассчитываем болты на растягивающую силу:

Z=Z2=243 кН

Расчетное сопротивление растяжению фундаментного болта из стали ВСт3кп2: Rba=185 Мпа.

Требуемая площадь болтов:

Abtr=Z/Rba=243·103/185·106=13.14 см2.

Используя таблицу 62 СНиП, анкерные болты принимаем диаметром d=24мм, с площадью сечения Ab=4.52см2.

Принимаем количество болтов равное четырем.

Опирание фермы на колонну

Примыкание фермы к колонне сбоку.

Опорное давление фермы на колонну:

N=917.2 / 2 = 458.6 кН (так как имеются подстропильные ферм).

Расчет торцевой поверхности опорного ребра на смятие.

Опорное ребро проектируем из стали С245 стали Rр=360 МПа - расчетное сопротивление смятию.

Коэффициент условия работы: gc=1.

Требуемая площадь смятия:

Atr=N/(Rp*gc)=458.6×103/360×106=0.00127 м2=12.5 см2.

Принимаем опорное ребро 160х8 мм.

Определение длины шва крепления опорного ребра.

Крепление опорного фланца к фасонке выполняется полуавтоматической сваркой под флюсом проволокой Св-10ГА диаметром 1.4-2 мм.

Расчетные характеристики сварного соединения при катите шва kf =8 мм:

Rwf =200 МПА,

bf = 0.9;

Rwz =165 МПа,

bz=1.05;

gwz=gwf=1;

Rwf =0.9×200 =180 МПа>bz ×Rwz 1.05×165=173 МПа.

Расчет шва нужно вести по границе сплавления.

Необходимая длина сварного шва:

lw =N/(2×kf×Rwz×bz)=458.6×103/(2×0.008×173×106)=0.165 м,

принимаем lw=0.28 м.

Высота опорного ребра: Lopr=0.28+1.5×0.008=0.3 м.

Расчет фасонки.

Принимаем толщину и высоту фасонки: 12х280 мм.

Проверяем опорную фасонку на срез:

t=458.6/(0.012×0.28)=136.48 МПа<Rs=140 МПа

(фасонка из стали С245 с расчетным сопротивлением на срез Rs=140 МПа).

Подбор болтов крепления нижнего пояса фермы.

Усилие N=458.6 кН

Расчетное сопротивление болта Rb=185 Мпа

Требуемая площадь

Abtr=N/Rb= 458.6/185= 2.47 см2

Принимаем 4 болта. Площадь одного болта Ab=3,14 см2 d=20 мм

Крепление опорного столика.

Принимаем толщину опорного столика 16 мм.

Катет сварного шва: kf = 8 мм.

Необходимая длина сварного шва:

lw=N/(kf×Rwz ×bz )=458.6×103/(0.008×165×106×1.05)=0.325 м.

Ширина полки двутавра верхней части колонны 32 см, исходя из этого, размеры опорного столика равны: 180х100 мм (180 мм - ширина, 100 мм - высота).

Узел крепления верхнего пояса фермы к колонне.

Так как сопряжение фермы с колонной принято шарнирным, то фланец делаем тонким (t = 8¸10 мм) возможно малой длины, расстояние между болтами по горизонтали принимаем достаточно большим (b=220 мм). Гибкий фланец не сможет воспринимать сколько-нибудь существенную силу распора.

Расчет фермы


Нагрузки, действующие на ферму

Ширина расчетного блока равна 6 м (т.к. имеются подстропильные фермы), таким образом сбор нагрузок, действующих на ферму, будем производить с 6 метров.

Расчетные усилия в стержнях фермы определим от постоянной и снеговой нагрузок, действующих совместно.

Постоянная нагрузка на ферму:

Qp=0,95·Gkr·B=0,95·1,59·6=9,063 кН/м

Снеговая нагрузка на ферму:

P=Sr×B=3.2×6=19.2 кН/м

Нагрузку приложим к узлам фермы в виде сосредоточенных сил.

Силы, приложенные к 1 и 11 узлу фермы, равны:

(9.063+19.2) ×3 = 84.8 кН.

Расчетная схема фермы


Расчетные усилия в стержнях ферм от постоянной и снеговой нагрузок

№ элем.

№ сеч.

N(кН)

1

1

282.607

1

2

282.607

2

1

605.619

2

2

605.619

3

1

605.619

3

2

605.619

4

1

282.607

4

2

282.607

5

1

-0.063

5

2

-0.063

6

1

-484.483

6

2

-484.483

7

1

-484.527

7

2

-484.527

8

1

-646.006

8

2

-646.006

9

1

-646.006

9

2

-646.006

10

1

-484.527

10

2

-484.527

11

1

11

2

-484.483

12

1

-0.063

12

2

-0.063

13

1

0

13

2

0

14

1

-84.8

14

2

-84.8

15

1

-84.8

15

2

-84.8

16

1

-84.8

16

2

-84.8

17

1

0

17

2

0

18

1

-409.781

18

2

-409.781

19

1

292.742

19

2

292.742

20

1

-175.622

20

2

-175.622

21

1

58.557

21

2

58.557

22

1

58.557

22

2

58.557

23

1

-175.622

23

2

-175.622

24

1

292.742

24

2

292.742

25

1

-409.781

25

2

-409.781

26

1

0

26

2

0

27

1

0

27

2

0

 

Подбор сечения элементов фермы


Методика подбора сечений для сжатых стержней.

Требуемая площадь сечения:

Atr=(gn×N)/(j×Ry×gc).

Коэффициент надежности по назначению: gn=0.95.

Коэффициент условия работы: gc=1.

Материал для элементов фермы сталь С245 (Ry=240 MПа).

Коэффициент j=0.686 для верхнего пояса, при начальной гибкости l0=80.

Коэффициент j=0.542 для сжатых раскосов и стоек, при начальной гибкости l0=100.

Гибкость стержней:

lx=lefx/ix, ly=lef.y/iy.

Геометрические характеристики сечения по сортаменту: А, ix , iy.

Коэффициент jmin находится по большей из {lx ,ly }.

Проверка на устойчивость:

s=gn×Nn/(jmin×A×gc).

Методика подбора сечений для растянутых стержней.

Требуемая площадь сечения:

Atr=(gn×N)/(Ry×gc)

Коэффициент надежности по назначению: gn=0.95.

Коэффициент условия работы: gc=0.95

Материал для элементов фермы сталь С245 (Ry=240 MПа).

Гибкость стержней:

lx=lefx/ix, ly=lef.y/iy.

Геометрические характеристики сечения по сортаменту: А, ix , iy.

Проверка на прочность:

s=gn×Nn/(A×gc).

Таблица проверки сечений стержней фермы.

Элемент

Стержень

Расчетные усилия

Сечение

Площадь

Гибкость

jmin

Проверка сечения на






lx

ly

[l]


Уст- вость

Прочность

Ry×gc



Сжим.

Раст.


А см2








верхний пояс

6

484.48


û ë 125x10

48,66

78

78

120

0,740

127.5


240


7

484.53


û ë 125x10

48,66

78

78

120

0,740

127.7


240


8

646


û ë 125x10

48,66

78

78

120

0,740

170.6


240

нижний пояс

1


282.6

û ë 125x10

48,66

156

312

400

0.135


55.24

228


2


605.6

û ë 125х10

48,66

156

312

400

0.135


118.4

228

раскосы

18

409.8


û ë 120x10

46.48

81.5

81.5

180

0.675

124.1


240


19


292.7

û ë 120x10

46.48

65.5

81.5

400

0.675


59.82

228


20

175.6


û ë 120x10

46.48

65.5

81.5

180

0.675

53.17


240


21


58.6

û ë 120x10

46.48

65.5

81.5

400

0.675


11.98

228

стойки

14

84.8


û ë 60x8

18.08

139

174

180

0,153

83.5


240


15

84.8


û ë 60x8

18.08

139

174

180

0,153

83.5


240


Расчетная длина lef

Направление продольного изгиба

Пояса

Опорные стойки и раскосы

Прочие элементы

В плоскости фермы

l

l

0.8×l

Из плоскости фермы

L1

L1

L1



Расчет сварных швов прикрепления раскосов и стоек к фасонкам и поясам фермы

Для сварки узлов фермы применяем полуавтоматическую сварку проволокой Св-08Г2С диаметром 1.4-2 мм.

Расчетные характеристики сварного соединения при катете шва kf=8 мм:wf =200 МПА,

bf = 0.9; Rwz =165 МПа,

bz=1.05; gwz=gwf=1;тогда

Rwf =0.9×200=180 МПа>bz ×Rwz = 1.05×165 = 173.3 МПа.

Несущая способность определяется прочностью границы сплавления:

Rwz ×bz ×gwz=173.3 МПа.

Длину швов определяем по формуле:

lw=N / (2×kf××Rwz ×bz ×gwz)+0.01

Cечение

N,

Шов по обушку

Шов по перу

стержня


kH

Nоб,kH

kf,см

lw,см

Nпер,kH

kf,см

lw,см

18

û ë 120x10

409.8

286.86

0.8

10.35

122.94

0.8

4.43

19

û ë 120x10

292.7

204.89

0.8

7.39

87.81

0.8

3.17

20

û ë 120x10

175.6

122.92

0.8

4.43

52.68

0.8

1.90

21

û ë 120x10

58.6

41.02

0.8

1.48

17.58

0.8

0.63

14

û ë 60x8

84.4

59.08

0.8

2.13

25.32

0.8

0.91

15

û ë 60x8

84.4

59.08

0.8

2.13

25.32

0.8

0.91


Список литературы

1.       Металлические конструкции/Под ред. Беленя Е.И. М.: Стройиздат, 1986, 560с.

.         ГОСТ 23838-79. Здания промышленных предприятий одноэтажные. Параметры. М.: Из-во стандартов, 1980, 8с.

.         СНиП II-23-81. Стальные конструкции. Нормы проектирования. М. Стройиздат, 1988, 60 с.

.         СНиП 2.01.07-85. Нагрузки и воздействия. Нормы проектирования. М.: Стройиздат. 1987, 34с.

Похожие работы на - Расчет металлической конструкции фермы

 

Не нашли материал для своей работы?
Поможем написать уникальную работу
Без плагиата!
Без нейросетей!