Однофазный инвертор напряжения
Введение
В данном курсовом проекте проектируется
полупроводниковый преобразователь электрической энергии - автономный инвертор
напряжения. Вначале преобразователи выполнялись исключительно на основе
электромеханических систем. Но в настоящее время такие системы вытеснены
полупроводниковыми преобразователями, которые в свою очередь имеют ряд
преимуществ: они обладают высокими регулировочными характеристиками и
энергетическими показателями, имеют малые габариты и массу, просты и надежны в
эксплуатации. Кроме преобразования и регулирования тока и напряжения такие
установки обеспечивают бесконтактную коммутацию токов в силовых цепях.
Благодаря указанным преимуществам полупроводниковые преобразовательные
устройства получили широкое применение в различных отраслях народного
хозяйства.
Автономный инвертор - устройство, преобразующее
постоянный ток в переменный с неизменной или регулируемой частотой и работающий
на автономную (не связанную с сетью переменного тока) нагрузку. Нагрузкой
автономного инвертора может быть единичный потребитель (асинхронный двигатель,
электрическая установка) или разветвленная сеть потребителей (несколько
нагрузок, работающих по своему графику). Основой автономного инвертора является
вентильное переключающее устройство, которое может выполняться по однофазным
или трехфазным схемам (с нулевым выводом или мостовым).
Особенностью автономных инверторов напряжения
является то, что источник питания, который подключается на вход инвертора,
работает в режиме источника напряжения (например, аккумуляторная батарея), чем
и обусловливается название инверторов этого типа. Формирования кривой выходного
напряжения осуществляется путем использования соответствующего закона
(алгоритма) переключения силовых ключей.
1. Принцип работы однофазного
инвертора напряжения
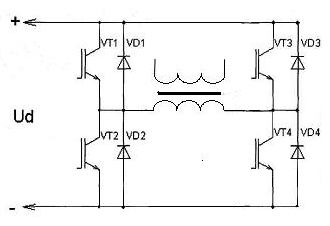
Однофазная мостовая схема
транзисторного автономного инвертора напряжения, являющаяся одной из самых
распространенных схем такого типа, удобна для первоначального изучения принципа
действия инверторов напряжения, особенностей структуры схем и электромагнитных
процессов в них. Схема однофазного мостового транзисторного инвертора
напряжения показана на рис. 1.1.
Рис. 1.1 Схема однофазного
мостового транзисторного инвертора напряжения
однофазный
трансформатор инвертор силовой
Рассмотрим работу схемы
инвертора при симметричном управлении, то есть при условии, что транзисторы
VT1, VT2 включаются одновременно и находятся во включенном состоянии 180
градусов по частоте выходного напряжения, а транзисторы VT3, VT4 тоже включаются
одновременно, но со сдвигом по фазе на 180 градусов по отношению к первой паре
транзисторов.
Временные развертки
электромагнитных процессов в схеме показаны на рис. 1.2. При включении
транзисторов VT1, VT2 точка b
схемы подключается к положительному зажиму источника питания, а точка a
к отрицательному. При этом в нагрузке нарастает ток i2
в направлении, указанном на схеме, причем эдс самоиндукции в этом случае
препятствует увеличению тока в контуре. В момент θ = π
транзисторы VT1, VT2 выключаются и контур тока нагрузки размыкается. Однако,
благодаря энергии запасенной в индуктивности нагрузки, ток нагрузки
поддерживается за счет ЭДС самоиндукции, при этом знак этой ЭДС меняется на
обратную, что приводит к включению диодов VD3, VD4. При включении диода VD3
точка a схемы подключается
к положительному зажиму источника питания, а точка b
- к отрицательному. Таким образом, полярность напряжения на нагрузке меняется
на обратную, независимо от того, включены ли транзисторы VT3, VT4 или нет. На
этом интервале ток нагрузки протекает от индуктивности нагрузки через диод VD3,
через источник Ed в обратном направлении и через диод VD4 в нагрузку. При этом
обеспечивается сброс энергии, запасенной в индуктивности нагрузки, обратно в
источник питания. Поэтому диоды, включенные в схеме инвертора параллельно
силовым транзисторам, называются обратными диодами. Для нормальной работы схемы
необходимо, чтобы к моменту спада тока нагрузки до нуля, транзисторы VT3, VT4
были включены, что обеспечивает повторение всех процессов с другой полярностью
тока. На рис. 1.2 (а) обозначены интервалы проводимости силовых
полупроводниковых приборов:
λ1
- интервал проводимости диодов VD1. VD2;
λ2-
интервал проводимости транзисторов VT1, VT2;
λ3-
интервал проводимости диодов VD3, VD4;
λ4-
интервал проводимости транзисторов VT3, VT4.
Рис. 1.2 Развертки процессов в
однофазной мостовой схеме инвертора напряжения
На рис. 1.2 (б) представлена
кривая входного тока инвертора, которая показывает, что в течение первой
полуволны выходного напряжения кривая входного тока совпадает с кривой тока
нагрузки, в момент изменения полярности выходного напряжения кривая входного
тока претерпевает разрыв и в течение второй полуволны выходного напряжения
кривая входного тока повторяет кривую тока нагрузки, но с обратной полярностью.
Среднее значение входного тока Id
определяет активную мощность, отбираемую от источника питания. Разрывный
характер кривой входного тока инвертора предъявляет жесткие требования к
выходному сопротивлению источника питания, особенно в области высоких частот.
Поэтому в реальных схемах на входе АИН устанавливается ёмкостный фильтр,
который на рис. 1.1 показан пунктиром. На рис. 1.2 (в, г, д) показаны кривые
напряжения между коллектором и эмиттером транзистора VT1, тока транзистора VT1
и тока обратного диода VD1, соответственно. После окончания процессов
коммутации эти напряжения равны напряжению источника питания Ukm
= Ubm = Ed.
Как следует из анализа кривой
коллекторного напряжения силового транзистора, напряжение на коллекторе
транзистора при выключении нарастает непосредственно после окончания интервала
проводимости, фактически, при наличии полного тока нагрузки в силовом ключе.
Таким образом, нормальная работа схемы возможна лишь при использовании полностью
управляемых силовых полупроводниковых приборов, обеспечивающих возможность
принудительной коммутации тока.
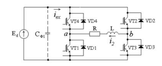
2. Выбор силовой части
В качестве силовой схемы
инвертора напряжения примем мостовой однофазный транзисторный инвертор
напряжения, выполненный на IGBT-транзисторах.
Его схема представлена на рисунке 2.1.
Рис. 2.1 Мостовой однофазный
инвертор напряжения
На рисунке 2.2 показан алгоритм
переключения транзисторов инвертора при угле проводимости каждого транзистора
= 180°.
Рис. 2.2 Алгоритм работы инвертора
напряжения
Расчёт силовой части
1. Uпит
= 24 В
2. Sн
= 1 кВа
3. Uн
= 40 В
4. cosφ = 0,7
Мощность на нагрузке должна составлять 1кВа.
Т.к. трансформатор не идеален в нем происходят потери (перемагничивание
сердечника и т.п.). Примем КПД трансформатора η = 90%,
тогда подаваемая мощность и соответственно мощность трансформатора:
т = Sн /
η
= 1000 / 0,9 = 1100 ВА
Полный ток:
Iн = Sт / Uпит
Iн = 1100 / 24 =
45,8 А
Полное сопротивление:
Zн = Uпит
/ Iн
Zн = 24 / 45,8 =
0,52 Ом
Активное сопротивление:
Rн = Zн
· cosφ = 0,52 · 0,7 =
0,364 Oм
Реактивное сопротивление:
sin²
φ = 1 - cos²
φ
sin²
φ = 0,51
sinφ = 0,71
Хн = Zн
· sinφ = 0,52 · 0,71 =
0,369 Ом
Максимальное значение тока силовых
вентилей
Из условия (4.34) [1. 147] принимаем
iнмах = 72,17
А
Т.к. угол φ
получился отрицательным, переведём его в положительную область путём смещения
на 180%
π -
φ = 3,14 - 2,4348 = 0,71 рад
В соответствии с полученными данными выбираем IGBT
- Транзистор IRGB4061DPBАF:
Корпус ТО-220 АВ
U = 600 В
Ic (25°C
/ 100°C) = 36 A
/ 18 А
Pd = 206 Вт
Выбираем диод КД202Д:
I пр.cр.
max = 5 Aобр. и.п.
max = 200 В max
= 5 кГц
Расчёт трансформатора
Исходные данные:
. Sт = 1100 кВа
. Uпит = 24 В
3. Uн
= 40 В
4. Iн
= 45,8 А
5. fн
= 400 Гц
В соответствии с этим выбираем:
Тип сердечника: броневой (Ш-образный)
Материал сердечника: электротехническая сталь
Э350
Bт = 1,2 Тл
Кф = 1
Ки = 0,4
Перегрев ΔТ
= 25°
j = 3 А / мм²
По таблице [2. 261] находим габариты при данной ScSo
и Pт:
c = 32 мм
h = 80 мм
a = 32 мм
Рис. 2.2.1 Габариты трансформатора
Тогда:
Sок = hc
= 80х32 = 25,60 см²
Sст = 16,02 см²
Gст = 2,95 кг
Данные электротехнической стали сердечника Э350
толщина 0,2 мм [2. 261]:
Ш-32х50
Sст. Акт = 14,56
Кол-во пластин = 212 шт.
Вес 3,170 кг
Sст. Акт. = 13,6 см²
- lст
= 27,4 см
Определяем число витков первичной и вторичной
обмоток:
ΔU для
первичной и вторичной обмотки соответственно составляют:
ΔU1 = 1 ΔU2
= 2
Находим токи в первичной и вторичной обмотках:
т.к. КПД трансформатора η
= 0,9, то
cosφ = 0,94
I1 = Pт
/ U1· η·
cosφ
I1 = 1100 / 24·0,9·0,94 = 54,18
I2 = Pт
/ U2· η·
cosφ
I2 = 1100 / 40·0,9·0,94 = 32,5
Принимаем σ = 2 А/мм²
для
медного провода, тогда диаметр проводов:
d1 = 0,8√ I1
= 5,89 мм, принимаем 4,00х7,10 мм (ПСД, Провод с обмоткой из Стекловолокна в 2
слоя)
d2 = 0,8√ I2
= 4,56 мм, принимаем 4,80 мм (ПБД, 2 слоя хлопчатобумажной пряжи)
Площадь поперечного сечения:
s1 = 0,8d1²
= 27,75
мм²,
принимаем
28,4 мм²
(ПСД)
s2 = 0,8d2²
= 16,64
мм²,
принимаем
18,10 мм²
(ПБД)
3. Система управления
В связи с тем, что транзисторы силового контура
инвертора, как правило, работают в ключевом режиме, естественной формой
выходного напряжения является прямоугольная. Такая форма удобна для нагрузок
постоянного тока, получающих питание с выхода инвертора через выпрямитель и
фильтр, так как при этом пульсации основной гармоники напряжения на входе
фильтра невелики. Для ряда нагрузок переменного тока такая форма питающего
напряжения или допустима (светильные и нагревательные устройства), или
приемлема (электродвигатели, обмотки электромагнитов, реле и т.п.), поскольку
первые безразличны к роду тока, а вторые сами обладают фильтрующими свойствами
вследствие индуктивного характера эквивалентного сопротивления.
Согласно исследованиям при питании
электродвигателей напряжением прямоугольной формы вращающий момент, перегрев
обмотки, время пуска и другие основные характеристики электродвигателя
незначительно отличаются от аналогичных характеристик при питании
электродвигателей синусоидальным напряжением при условии равенства первых
гармоник напряжений.
Для некоторых нагрузок переменного тока,
например для сельсинов, поворотных трансформаторов и т.п., требуется чисто
синусоидальная форма питающего напряжения, так как при наличии высших гармоник происходит
сильное искажение регулировочных характеристик этих устройств в режиме, где
близка к нулю первая гармоника.
Синусоидальная форма выходного напряжения
наиболее универсальна, т.е. обеспечивает эффективную работу всех видов нагрузок
переменного тока, а иногда становится целесообразной, и для нагрузок
постоянного тока, так как обеспечивает коммутацию силовых транзисторов и диодов
при токе, близком к нулю, уменьшает тем самым высокочастотные пульсации,
радиопомехи и, следовательно, массу и габаритные размеры фильтрующих узлов в
инверторе, потребителе и линии связи. При синусоидальной форме напряжения
передача энергии на значительные расстояния по обычным проводным линиям не
вызывает искажения формы напряжения.
Качество выходного напряжения, т.е. приближение
его формы к синусоидальной, принято характеризовать прежде всего коэффициентом
гармоник Kг, %, определяемым
как отношение действующего значения высших гармоник к действующему значению
первой (основной) гармоники, т.е.

,
где Un -
действующее значение напряжения гармоники с номером n;
U1 -
действующее значение напряжения первой гармоники, U -
действующее значение выходного напряжения; nmin - номер
ближайшей к основной высшей гармоники.
Иногда используют также критерий
синусоидальности на напряжения в виде отношения U1/U,
называемого коэффициентом искажения Kиск (6.2).
Согласно (6.1)
.
Таким образом, коэффициенты K1 и Kиск
характеризуют один и тот же показатель - общее содержание высших гармоник, но
не отражают сложность фильтрации (массогабаритных показателей фильтра), так как
не учитывают расположение гармоник в частотном спектре. Предложение учесть
данное обстоятельство с помощью КПД выделения гармоники, определяющего
отношение мощности первой гармоники к мощности на выходе инвертора по все
полосе частот, нельзя признать удачным, как его значения существенно зависит от
cosφ нагрузки и
при cosφ = 1
становится равным
.
Наиболее эффективным критерием оценки
синусоидальности является коэффициент гармоник Kг.ф
для напряжения, получаемого на выходе стандартного фильтра с заданным
параметром, подключенного к выходу инвертора. В качестве такого фильтра удобно
принять простейший Г-образный LC-фильтр,
а в качестве указанного параметра - его относительную частоту
ω* = ω/ω0= ω
,
где ω0 - собственная
частота фильтра; ω - рабочая частота фильтруемого
напряжения (первой гармоники); L и C -
индуктивность дросселя и емкость конденсатора фильтра соответственно.
тогда ω*
=
ω√LC, где ω
= f = 400
,04 / 400 = √LC
LC = 6,76·10
(-6)
С = 0,5 мкФ
L = 12,5 мГн
Модуль коэффициента передачи фильтра по
напряжению на частоте гармоники с номером n
.
С учетом (6.4) коэффициент гармоник
напряжения на выходе фильтра
.
При этом коэффициент передачи фильтра по
напряжению первой гармоники принят равным единице, что, как будет показано
ниже, близко к получаемым в большинстве практических случаев значениям.
Построив зависимости Kг.ф
= f (ω*)
для каждого исследуемого напряжения на выходе инвертора, можно объективно
оценить качество напряжения. Чем ближе к оси ординат будет расположена эта
зависимость, тем с меньшим значением относительной частоты ω*
и, следовательно, с меньшей массой и габаритными размерами потребуется фильтр
для обеспечения заданного значения Kг.ф.
Из (6.5) видно, что значение ω*
для данного значения Kг.ф
будет тем меньше, чем выше номер ближайшей к основной высшей гармоники (nmin),
т.е. качество выходного напряжения инвертора определяется не столько его
коэффициентом гармоник Kг.ф,
сколько количеством исключенных из спектра этого напряжения высших гармоник
низкого порядка. Поэтому все рассматриваемые ниже методы формирования выходного
напряжения в основном направлены на решение задачи исключения высших гармоник,
ближайших к основной.
Для получения высоких значений КПД в широком
диапазоне изменения входных напряжений в преобразовательной технике транзисторы
используются преимущественно в ключевом режиме. Если в силовом контуре
инвертора используются простейшие схемы двухтактных усилителей мощности, то на
выходе формируется одноуровневое импульсное напряжение (рис. 3.1)
Рис. 3.1
Добавление в силовой контур
выходного фильтра низкой частоты обеспечивает получение синусоидального
выходного напряжения. Классификация различных форм импульсной модуляции
одноуровневого напряжения дана на рис. 3.2.
По модулируемому параметру
различаются три вида модуляции: частотно-импульсная; фазо-импульсная;
широтно-импульсная.
В первых двух видах длительность
импульсов неизменна, а изменяется либо частота их повторения, либо сдвиг фазы
относительно начала импульсного интервала в зависимости от значения
модулирующего напряжения. Эти два вида модуляции не нашли широкого применения в
преобразовательной технике вследствие сложности фильтрации модулированного
напряжения.
Наиболее распространена в
преобразовательной технике широтно-импульсная модуляция, при которой частота
повторения импульсов неизменна, а изменяется длительность (ширина) импульсов.
По числу импульсов в полупериоде М
широтно-импульсная модуляция (ШИМ) разделяется на однократную (М=1) и
многократную (М>1).
По полярности импульсов в
полупериоде многократная ШИМ разделяется на однополярную, когда импульсы
каждого полупериода имеют одну полярность и между импульсами напряжение имеет
нулевой уровень (нулевая пауза), и двухполярную, когда в пределах полупериода
импульсы имеют чередующуюся полярность (нулевые паузы между импульсами
отсутствуют).
Однополярная ШИМ, как правило, имеет
лучший спектральный состав. Однако двухполярные ШИМ может быть реализована в
простейших схемах инверторов (со средней точкой и в полумостовой), а для
реализации однополярной ШИМ необходимо использование мостовой схемы или
введение в силовой контур дополнительных ключей.
Рис. 3.2 Классификация видов импульсной
модуляции одноуровневого напряжения
равномерную, когда полупериод разделен на четное
или нечетное число i импульсных
интервалов равной длительности (каждый интервал содержит смежные импульс и
нулевую паузу или импульсы прямой и обратной полярностей);
неравномерную, когда такое разделение
отсутствует.
При равномерной ШИМ упрощается по сравнению с
неравномерной система управления, однако при неравномерной ШИМ можно исключить
большее количество, чем при равномерной, высших гармоник низкого порядка при
одинаковом числе импульсов за полупериод.
По форме функции построения (форме модулирующего
напряжения) многократная равномерная ШИМ разделяется на синусоидальную;
ступенчатую; трапецеидальную (в частном случае - треугольную).
В системе управления транзисторами используется
эталонное (модулирующее) напряжение, форма которого соответственно имеет вид
синусоиды, многоступенчатой кривой, аппроксимирующей синусоиду, и трапеции. Это
напряжение сравнивается с опорным, например пилообразным, напряжением тактовой
частоты (fтакт = 2ifвых),
и в моменты равенства эталонного и опорного напряжений подается сигнал на
переключение соответствующих силовых транзисторов. Благодаря этому длительность
импульса выходного напряжения данного интервала пропорциональна амплитуде
эталонного напряжения на этом интервале.
По расположению точки, в которой функция
построения определяет длительность импульса на данном интервале, многократная
равномерная ШИМ разделяется на:
двухстороннюю, когда указанная точка расположена
в середине интервала;
одностороннюю, когда указанная точка расположена
в начале или в конце интервала.
При использовании опорного пилообразного
напряжения оно имеет двухстороннюю симметричную форму для двухсторонней ШИМ и
одностороннюю форму для односторонней ШИМ.
Для трапецеидальной функции построения
дополнительно может использоваться симметрично-односторонняя ШИМ, при которой
на первой половине полупериода указанная точка расположена в конце интервала, а
на второй половине полупериода - в начале интервала. Такая ШИМ согласно
исследованиям имеет наилучший спектральный состав и реализуется относительно
простой цифровой системой управления, в которой суммируются сигналы двух
близких частот.
При синусоидальной функции построения, кроме
того, различают четыре рода ШИМ:
-го, когда указанная точка соответствует
положению модулируемого фронта импульса;
-го, когда указанная точка соответствует
тактовым моментам времени (началу, концу или середине импульсного интервала);
-го, когда указанная точка смещена относительно
модулируемого фронта на некоторое время, пропорциональное заданному
коэффициенту;
-го, когда указанная точка смещена относительно
тактового момента времени на некоторое время, пропорциональное заданному
коэффициенту.
Система управления инвертором
В данной курсовой работе мы используем
многократную неравномерную ШИМ с четырьмя импульсами в полупериоде,
расположенными симметрично относительно полупериода, [4 стр. 47] при которой
исключаются пары низших из высших гармоник и кратные им гармоники. Например,
при α1
= 42°, α2
= 360 и α3
=12° исключаются 3-я, и 5-я и кратные им гармоники, а при α1
= 33 3/7°, α2 = 36°, α3=18°
- 5-я, 7-я и кратные им гармоники. Данный вид ШИМ позволяет снизить частоту
генератора тактовых импульсов до нескольких килогерц. В первом случае fфакт=
30fвых, а во втором fфакт=
70fвых Кроме того, при
регулировании напряжения путем уменьшения угла αи
спектральный состав не изменяется.
Рис. 3.1.1 Многократная
неравномерная ШИМ с четырьмя импульсами в полупериоде
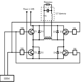
На рис. 3.1.2 изображена схема системы
управления однофазным мостовым инвертором. Функции управления выполняет
микроконтроллерная система на базе цифрового сигнального процессора. Выводы
микропроцессорной системы подключены к управляющим вывводам силовоых ключей
через микросхемы драйверов (УИ). Драйверы выполняют функции согласования между
силовыми ключами и выходными цепями микропроцессорной системы управления. Кроме
того, драйверы реализуют защитные функции, прекращая поступление управляющих
импульсов к силовым ключам инвертора при возникновении токовых перегрузок.
Рис. 3.1.2 Схема системы управления однофазным
мостовым инвертором
В качестве драйверов используем в схеме, TLP250
фирмы Toshiba.
Основные характеристики:
Корпус: DIP-8
Тип выхода: Драйвер
Количество выходов: 1
Коммутируемое напряжение (макс): 35 В
Коммутируемый ток (макс: 20 мА
Напряжение изоляции: 2.5 кВ
Время включения: 150 нс
Время выключения: 150 нс
4. Система защиты
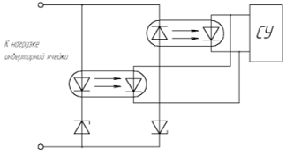
Используем систему защиты на основе оптронов.
Мощность излучения, генерируемого светодиодом, и уровень фототока, возникающего
в линейных цепях с фотоприемниками, прямо пропорциональны току электрической
проводимости излучателя. Таким образом, по оптическим (бесконтактным,
дистанционным) каналам можно получить вполне определенную информацию о
процессах в электрических цепях, гальванически связанных с излучателем.
Рис. 4.1 - Схема защиты по току
На рис. 4.1 приведена схема индикатора тока. Она
подсоединяется последовательно с нагрузкой мостового инвертора, т.е. c
обмоткой статора асинхронного двигателя. Связь излучателя с высоковольтной
электрической сетью осуществляется с помощью трансформатора тока, первичной
обмоткой которого является сам токонесущий провод, пропущенный через отверстие
тороидального сердечника на (рис. 3.1.2 точка А). Вторичная обмотка содержит п
витков (в рассматриваемом примере n
= 92). Поэтому ток электрической проводимости светодиода Iсв
значительно меньше тока в нагрузке Iнагр:
Iсв = Iнагр
/ n. Максимальный
уровень тока светодиода удобно ограничивать трансформатором. Если ток в сети
достигает высокого (опасного для излучателя) значения, то сердечник
трансформатора насыщается, и ток во вторичной обмотке ограничивается на уровне,
допустимом для светодиода. Второй стабилитрон предохраняет светодиод от
электрических перегрузок в обратном направлении и является защитой при отрицательной
полуволне тока. Таким образом, оптронный датчик может в безопасных условиях
контролировать большие токи в силовой части схемы.
Рис. 4.2 - Схема защиты по напряжению
Аналогична выполнена схема защиты по напряжению,
рисунок 4.2 Параллельно к нагрузке подсоединяются оптроны, последовательно к
которым включены стабилитроны. При увеличении напряжения больше критического
стабилитрон пробивается и через оптрон на систему управления подается импульс
который прекращает подачу импульсов на транзисторные ключи.
Заключение
В данной курсовой работе был спроектирован
однофазный инвертор напряжения. Нагрузкой является асинхронный двигатель с
короткозамкнутым ротором мощностью 1000 Вт.
Системой упрвления служит микропроцессорная
система, которая подключена к управляющим выводам силовоых ключей через
микросхемы драйверов, которые в свою очередь производят включение и выключение
силовых ключей.
Выходное напряжение формируется с помощью многократной
неравномерной ШИМ с четырьмя импульсами в полупериоде. Применение ШИМ
обеспечивает преимущественное содержание в кривой выходного напряжения основной
гармоники и минимальное содержание высших гармонических с близкими основной
гармонике частотами.
Управляющие сигналы ШИМ подаются на силовые
ключи со взаимным сдвигом в 180 электрических градусов для обеспечения
однофазного переменного напряжения на нагрузке.
Система защиты обеспечивает закрытия
транзисторов в случае возникновения в силовой части коротких замыканий и
перенапряжений. Схемы защиты выполнены на полупроводниковых приборах с
гальванической развязкой силовой части схемы и системы управления.
Список литературы
1. В.П.
Петрович. Силовые преобразователи электрической энергии. Учебное пособие. -
Томск: Изд. ТПУ, 2000. - 154 с.
. В.И.
Мелешин. Транзисторная преобразовательная техника. - Москва:
Техносфера,
2005. - 632 с.
. И.И.
Белопольский. Расчет трансформаторов и дросселей малой мощности. М.-Л.
Госэнергоиздат, 1963. - 272 с.
4. В.С.
Моин. Стабилизированные транзисторные преобразователи. М. Энергоатомиздат.
1986. - 376 с.
5. Транзисторы
и их зарубежные аналоги. Биполярные транзисторы средней и большой мощности
низкочастотные. Справочник. В 4 т. Т. 2. Издание второе, исправленное. - М.: ИП
РадиоСофт, 1999. - 544 с.
6. Окснер,
Эдвин С. Мощные полевые транзисторы и их применение : пер. с англ. / Э.С.
Окснер. - М. : Радио и связь, 1985. - 288 с. : ил. - Библиогр.: с. 277-284
7. www.datasheetcatolog.com
<http://www.datasheetcatolog.com> - справочные данные о современных
полупроводниковых прибораx.