Анализ и синтез САУ методом корневого годографа

  • Вид работы:
    Отчет по практике
  • Предмет:
    Информатика, ВТ, телекоммуникации
  • Язык:
    Русский
    ,
    Формат файла:
    MS Word
    1,1 Мб
  • Опубликовано:
    2013-03-15
Вы можете узнать стоимость помощи в написании студенческой работы.
Помощь в написании работы, которую точно примут!

Анализ и синтез САУ методом корневого годографа

Оглавление

1. Цель работы

. Описание САР следящей системы

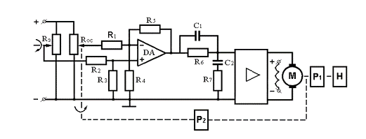
.1 Принципиальная схема

. Принцип регулирования САР

. Функциональная и структурная схемы

.1 Функциональная схема

.2 Структурная схема

. Передаточные функции разомкнутой системы WРС(S) и передаточные функции замкнутой САР по задающему воздействию -  и возмущающему воздействию -  воздействиям

.1 Передаточная функция разомкнутой системы WРС(S)

. Дифференциальное уравнение САР

. Оценка устойчивости САР по корням характеристического уравнения системы

. Оценка устойчивости САР на основе критерия Михайлова

. Оценка устойчивости САР на основе критерия Найквиста

. Определить по критерию устойчивости Гурвица критический коэффициент усиления разомкнутой системы Крс

. Приняв начальные условия нулевыми, построить переходную характеристику САР

. Определить полную установившуюся ошибку системы

Заключение

Литература

1. Цель работы


-  Изучение системы автоматического регулирования (САР).

-       Оценка качеств, характеристик САР (устойчивости, ошибки, переходного процесса) по различным методам и критериям.

2. Описание САР следящей системы

 

.1 Принципиальная схема



Параметры

Значение параметров САР по вариантам



9

Кду1

В/рад

28,6

Кду2

В/рад

28,6

Ку1


14

Ку2


14

Т1

с

0,2

Т2

с

0,1

Т3

с

0,87

Т4

с

0,023

Кэу


22

Кд1

рад/В·с

1,45

Кд2

рад/н·м·с

7,8

Тэ

с

0

Тм

с

0,141

Кр1


-

Кр2


0,01

Краз


127,7

Мн

Н·м

4

Один из основных элементов следящей системы - сравнивающе-суммирующее устройство, в котором производится сравнение фактически получающейся выходной величины (угол поворота выходного вала двигателя постоянного тока с независимым возбуждением) с заданной входной величиной (угол поворота движка однополярного датчика)  и вырабатывается сигнал рассогласования . Передача величины  с выхода на вход осуществляется по цепи отрицательной обратной связи; при этом знак  меняется на обратный. Так как по заданию должно быть , то рассогласование  является ошибкой следящей системы. Эта ошибка в хорошо работающей следящей системы должна быть достаточно малой. Поэтому сигнал  усиливается и преобразуется в новый сигнал , который приводит в действие исполнительное устройство (двигатель постоянного тока с независимым возбуждением). Исполнительное устройство изменяет  так, чтобы ликвидировать рассогласование. Однако из-за наличия различных возмущающих воздействий (момент сопротивления на валу) рассогласование возникает вновь, и следящая система всё время работает на его уничтожение, т. е. "следит" за ним и, в итоге, за заданной величиной .

Для осуществления процесса управления с требуемой точностью применяют специальные корректирующие устройства, входящие в состав усилителя-преобразователя, и дополнительные местные обратные связи. В результате сигнал  достаточно сложным образом зависит оти от параметров состояния самого исполнительного устройства.

4. Функциональная и структурная схемы

 

.1 Функциональная схема


Рис. 2.1 Функциональная схема следящей системы

ЗУ - задающее устройство.

ДН - делитель напряжения.

ССУ - сравнивающее-суммирующее устройство.

КЦ - корректирующая цепь.

ЭУ - электронный усилитель.

ДПТ - двигатель постоянного тока.

Р2 - редуктор 2.

ОУ - объект управления.

Потенциометры Rз (ЗУ) и Rос (ДН) образуют измерительный мост. Потенциометр Rос через редуктор связан с валом электродвигателя М.

Задающим устройством для следящей системы является потенциометрRз, образующие измерительный мост с потенциометром Rос. ПотенциометрRз выполняет функцию датчика углового перемещения. Регулируемой величиной объекта управления (ОУ) является угол поворотаqего входной оси.

Напряжение Uз сравнивается с напряжением Uос и в результате чего на выходе сравнивающего суммирующего устройства (ССУ) получается сигнал рассогласования ΔU. Сигнал ΔU, усиливается в электронном усилителе (ЭУ) до уровня необходимого для нормальной работы двигателя постоянного тока (ДПТ).Вал электродвигателя приводит в движение ОУ, а через редуктор (Р2) движок потенциометра Rос до тех пор, пока измерительный мост не будет сбалансирован.

Для улучшения показателей качества сигнала ΔU перед ЭУ введена корректирующая цепь (КЦ).

 

.2 Структурная схема


.2.1 Передаточная функция для двигателя постоянного тока.

(TЭTМs2 + TМs+ 1)Δω(t) = KД1 ΔUЯ(t) - KД2 (TЭs+ 1)ΔφН(t)

или

(TЭTМs2 + TМs+ 1) sΔφ(t) = KД1 ΔUЯ(t) - KД2 (TЭs+ 1)ΔМС(t)

ω- частота вращения выходноговала двигателя;

φ- угол поворота выходного вала;

UЯ- напряжение на якоре;

МС- момент сопротивления на валудвигателя;

KД1, KД2 - коэффициенты передачипо напряжению и моменту;

TЭ, TМ - электромагнитная и электромеханическая постоянные времени.

При определении ПФ по одному из воздействий, другие воздействия приравниваются к нулю (принцип суперпозиции).

Передаточная функция есть отношение выходного сигнала к входному в изображении S при нулевых начальных условиях, иначе отношение оператора правой части дифференциального уравнения к оператору левой части при замене P на S.

Воспользовавшись принципом суперпозиции, получим передаточную функцию ДПТ по напряжению якорной цепи - . Для этого приравняем MC=0, тогда

(TЭTМs2 + TМs+ 1) sΔφ(t) = KД1ΔUЯ(t)

Получим передаточную функцию ДПТ по напряжению якорной цепи:


Аналогичным образом получаем передаточную функцию ДПТ по моменту сопротивления , приравняв ΔUЯ(t)=0


Структурная схема САР составляется по ее функциональной схеме с учетом полученных передаточных функций элементов и устройств, входящих в данную схему.

Передаточные функции элементов и устройств САР:

Редуктор Р2:

Δj2(t) =KP2·Δj1(t)

j1 - угол поворота входного вала;

j2 - угол поворота выходного вала;

KP2 - коэффициент передачи редуктора Р2.

WP2(s) = KP2

Сопротивление Rос

UОС(t) = KПUВХ(t)


Электронный усилитель ЭУ

ΔU2(t)= KЭУΔU1(t)

U2 - напряжение на выходе ЭУ;

U1 - напряжение на входе ЭУ;

KЭУ-коэффициентусиления.


КорректирующаяцепьКЦ

(T3 s+ 1)( T4s + 1) ΔU2(t)= (T1 s+ 1)( T2 s+ 1) ΔU1(t)

где

T1= R6 С

T2= R7 С

T1T2= R6R7C1C1

T3 +T4= R6C1+(R7+R6)


Сравнивающее суммирующее устройство ССУ

ΔUВЫХ(t)= KУ2ΔU2(t) -KУ1ΔU1(t)

где

KУ2= R5 / R2

KУ1= R5 / R1

Датчик угловых перемещений Rз

ΔU(t)= KДУ Δj

j- угол поворота движка потенциометра (измеряемая величина);

U - напряжение на выходе датчика;

KДУ- коэффициент передачи датчика.

KДУ = KДУ1

Рис. 2.2 Структурная схема САР следящей системы

5. Передаточные функции разомкнутой системы WРС(S) и передаточные функции замкнутой САР по задающему воздействию - и возмущающему воздействию -  воздействиям


Используя правила структурных преобразований, полученную структурную схемуСАР приводим к виду:

Рис. 3.1 Структурная схема САР

 

.1 Передаточная функция разомкнутой системы WРС(S).


Для получения передаточной функции разомкнутой системы WРС(S) составим структурную схему разомкнутой САР. Для этого:

- отрабатываются все воздействия и блоки, не входящие в главныйконтур управления;

-разрывается главная ОС, и ее цепь рассматривается какпродолжение прямой цепи прохождения воздействияg.

Рис. 3.2 Структурная схема разомкнутой САР

Выражение для передаточной функции разомкнутой системы:

WРС(S)=WКЦ(s)·WЭУ(s)·Wg(s)·Wр2(s) ·Wдн(s)·Wу2(s)РС(S)=·KЭУ· · · KДН· KУ2

Для получения передаточной функции замкнутой системы по любому из воздействий необходимо воспользоваться принципом суперпозиции.

Структурная схема для получения передаточной функции замкнутой системы по задающему воздействию представлена на рис. 3.3.

Рис. 3.3 Структурная схема САР по задающему воздействию.

Выражение для передаточной функции:


- передаточная функция прямой цепи прохождения сигнала.


Структурная схема для получения передаточной функции замкнутой системы по возмущающему фактору представлена на рис. 3.4.

Рис. 3.4 Структурная схема САР по возмущающему фактору

Выражение для передаточной функции:


- передаточная функция прямой цепи прохождения сигнала.


Структурная схема для получения передаточной функции замкнутой системы по ошибке регулирования представлена на рис. 3.5.

Рис. 3.5 Структурная схема САР по ошибке регулирования

Выражение для передаточной функции:

 

6. Дифференциальное уравнение САР


Получив передаточные функции замкнутой системы по задающему воздействию  и возмущающему фактору , структурную схему САР, представленную на рис. 3.1 можно представить в виде рис. 4.1:

Рис. 4.1 Структурная схема САР

Уравнение выходного сигнала САР в изображении S


Где ,  - изображения задающего g(t) воздействия и возмущающего фактора j(t).

Введем обозначения

=>A(s)·X(s) = B(s)·G(s)+ C(s)·J(s)

Где A(s), B(s), C(s)· - полиномы изображенияs:

A(s)=(a0·sn+ a1·sn-1+ a2·sn-2+ . . . + an);(s)=(b0·sm+ b1·sm-1+ b2·sm-2+ . . . + bm);(s)=(c0·sl+ c1·sl-1+ c2·sl-2+ . . . + cl).

тогда

(a0·sn+ a1·sn-1+ a2·sn-2+ . . . + an) ·X(s) = (b0·sm+ b1·sm-1+ b2·sm-2+ . . . + bm)

G(s) + +(c0·sl+ c1·sl-1+ c2·sl-2+ . . . + cl) ·J(s)

Если знаменатель передаточной функции A(s) приравнять к нулю, получим характеристическое уравнение замкнутой системы:

A(s)=(a0·sn+ a1·sn-1+ a2·sn-2+ . . . + an)=0;

Решая данное уравнение, определяются корни характеристического уравнения s1, s2, sn-1, sn. Переходя от изображений сигналов к их оригиналам и, заменяяs→ p → d/dt, получим дифференциальное уравнение САР:

j(s)= UЗ + MC =


Переходя от изображений сигналов к их оригиналам и, заменяя p → s, получим дифференциальное уравнение САРследящей системы:

[(T1·p+1)(T2·p+1)(TЭ·TМ·p2+TМ·p+1)+КУ2 ·КДУ2·КР2

·(T3·p+1)(T4·p+1)·КЭУ·КД1]·j(t)= КДУ1· КУ1(T3·p+1)(T4·p+1)·КЭУ· КД1 ·

UЗ(t)-КД2 (TЭ·p+1)(T1·p+1)( T2·p+1)·МС (t)

 

7. Оценка устойчивости САР по корням характеристического уравнения системы


Решением дифференциального уравнения при известныхg(t), j(t) является закон изменения выходной регулируемой величины X(t). Для того, чтобы найти переходные процессы, протекающие в САР, необходимо применить к уравнению


обратное преобразование Лапласа:


Если интегралы являются «неберущимися», то для определения переходного процесса используется формула Хэвисайда:


где

U0 - амплитуда входного воздействия;

A′(si) - значение производнойbзнаменателя передаточной функции при значенииsi

Корни характеристического уравнения системы (рис. 5.1) могут быть вещественными (корень S1), комплексно-сопряженными (S2, S3, S7, S8), мнимыми (S5, S6). Кроме того, корни могут располагаться: в левой полуплоскости, в правой, либо на оси ординат и, соответственно, будут левыми, правыми, либо нулевыми.

Система будет устойчива, если переходный процесс при t → ∞ стремится к установившемуся значению X(∞) = Xуст. А это значит, что показатель экспоненты уравнения формулы Хэвисайда должен быть отрицательным, то есть все корни характеристического уравнения системы должны располагаться в левойполуплоскости корней(рис. 5.1).

Рис. 5.1 Варианты расположения корней характеристического уравнения

Корневой критерий устойчивости:

Для того, чтобы САР была устойчивой необходимо и достаточно чтобы все корни характеристического уравнения системы были левыми.

Если среди корней характеристического уравнения системы есть хотя бы один правый, а остальные левые, то САР является неустойчивой.

Если среди корней характеристического уравнения системы есть хотя бы один нулевой, а остальные левые, то САР является нейтральной, то есть - находится на границе устойчивости.

Приведем уравнение

A(s) = [(T1·p + 1)(T2·p + 1)(TЭ·TМ·p2 + TМ·p + 1) + КУ2 ·КДУ2·КР2 ·(T3·p +

1) (T4·p + 1)·КЭУ ·КД1

К виду

T1T2TЭTМ·s4+T1T2TМ·s3+T1T2·s2+T1TЭTМ·s3+T1TМ·s2+T1·s+T2TЭ·TМ·s3+T2

TМ·s2+ +T2·s + TЭ·TМ·s2+ TМ·s+1+КУ2 ·КДУ2·КР2 ·КЭУ·КД1(T3 T4 s2+ T3·s

+T4·s+1) = T1T2TЭTМ·s4+[T1T2TМ+T1TЭTМ3+T2TЭ·TМ]·s3 + [T1T2 + T1TМ + 2TМ + TЭ·TМ + КУ2 ·КДУ2·КР2 · КЭУ·КД1 ·T3 T4] ·s2+ [T2+ TМ+ КУ2 ·КДУ2·КР2

КЭУ·КД1 (T3+T4)] ·s + +КУ2 ·КДУ2·КР2 · КЭУ·КД1+1=0

Подставляя известные значения Т, рассчитаем коэффициенты характеристического уравнения системы:

a0=0,2·0,1·0·0,141=0;

a1=0,2·0,1·0,141+0,2·0·0,141+0,1·0·0,141=0,00282;

a2=0,2·0,1+0,2·0,141+0,1·0,141+0·0,141+14·28,6·0,01·22·1,45·0,87·0,023

= 2,618129;

a3=0,1+0,141+14·28,6·0,01·22·1,45(0,87+0,023)=114,3017;

a4=14·28,6·0,01·22·1,45+1=128,7276

Используя программу MatLab, получим значения корней характеристического уравнения системы

Вывод: Все корни характеристического уравнения системы являются левыми, следовательно, САР следящей системы для данных параметров является устойчивой.

автоматический регулирование система годограф

8. Оценка устойчивости САР на основе критерия Михайлова


Для оценки устойчивости САР необходимо получить уравнение кривой Михайлова. Для этого воспользуемся характеристическим уравнением замкнутой системы

A(s) = (a0·sn+ a1·sn-1+ a2·sn-2+ . . . + an)=0;

Переходя в частотный диапазон, заменяя s → jω, выделяя вещественную и мнимую составляющие, получим уравнение кривой Михайлова.

D(j ω) =a0· (j ω)n + a1· (j ω)n-1 + a2· (j ω)n-2 +. . .+ an-1· (j ω) + an =

= U(ω) +jV(ω)

Где U(ω), V(ω) − вещественная и мнимая составляющие уравнения кривой Михайлова.

По уравнению кривой Михайлова, при изменении ω, на комплексной плоскости строиться кривая Михайлова (рис. 6.1)

Рис. 6.1 Кривые Михайлова, построенные для устойчивых систем cn=1, n=2, n=3, n=4

Для того, чтобы САР была устойчивой необходимо и достаточно выполнение следующих условий:

- при ω=0 годограф кривой Михайлова должен начинаться на положительной вещественной оси;

-при изменении частоты 0 = ωдо ∞ годограф кривой Михайлова должен поочередно, нигде не обращаясь в 0, в положительном (против часовой стрелки) направлении пройти n квадрантов.

Если годограф кривой Михайлова при конкретной частоте, не равной 0, проходит через начало координат, то система является нейтральной.

При невыполнении хотя бы одного из сформулированных условий система является неустойчивой. Подставим известные значения an, в характеристическое уравнение замкнутой системы

A(s)=0·s4+ 0,00282·s3+ 2,618129·s2+ 114,3017·s+128,7276=0;

D(j ω) =0· (j ω)n + 0,00282· (j ω)3 + 2,618129· (j ω)2 +114,3017 ·(j ω) +

128,7276=(-2,618129· ω2 + 128,727)+j(0,00282· ω3+114,3017 · ω)

Изменяя ω можно построить кривую Михайлова (рис. 6.2, 6.3)

Рис. 6.2 Кривая Михайлова для ωот 0 до 10 (с-1)

Рис. 6.3 Кривая Михайлова дляωот0 до 230 (с-1)

Вывод:

Все требования условия устойчивости Михайлова выполняются:

- при ω=0 годограф кривой Михайлова начинается на положительной вещественной оси;

-при n=3 порядок следования квадрантов не нарушается.

Следовательно, САР следящей системыс данными параметрами является устойчивой.

 

9. Оценка устойчивости САР на основе критерия Найквиста


Для оценки устойчивости САР необходимо воспользоваться передаточной функцией разомкнутой системы и, заменяя s → jω, построить годограф амплитудно-фазовой частотной характеристики (АФЧХ). Особенностью данного критерия является то, что по виду АФЧХ разомкнутой системы оценивается устойчивость САР в замкнутом состоянии.

Система автоматического управления в разомкнутом состоянии может быть устойчивой, неустойчивой или нейтральной. Поэтому существует два подхода в оценке устойчивости системы.

Если система в разомкнутом состоянии устойчивая, то для того, что бы она была устойчивой и в замкнутом состоянии, необходимо и достаточно чтобы годограф АФЧХ разомкнутой системы не охватывал точку с координатами [-1; j0].

Если годограф АФЧХ разомкнутой системы проходит через точку с координатами [-1; j0], то система в замкнутом состоянии является нейтральной, то есть находится на границе устойчивости.

На рис.7.1 представлены годографы АФЧХ трех САР. Годограф 1 соответствует САР, устойчивой в замкнутом состоянии, 2 - нейтральной, 3 - неустойчивой.

Рис.7.1 Годографы АФЧХ разомкнутой системы

Если система в разомкнутом состоянии является неустойчивой или нейтральной. (В характеристическом уравнении разомкнутой системы среди левых корней имеется хотя бы один правый корень или нулевой), то для того, что бы она была устойчивой в замкнутом состоянии, необходимо и достаточно чтобы годограф АФЧХ разомкнутой системы охватывал точку с координатами [-1; j0] в положительном направлении К/2 раз, где К - количество правых корней разомкнутой системы.

На рис. 7.2 изображен годограф АФЧХ неустойчивой разомкнутой системы, которая имеет один правый корень.

Рис. 7.2 Годограф АФЧХ разомкнутой системы при К=1

Годограф АФЧХ охватывает точку с координатами [-1; j0] в положительном направлении 0,5 раза, следовательно, система в замкнутом состоянии является устойчивой.

Оценим устойчивость САР следящей системы, используя критерий Найквиста.

Воспользуемся передаточной функцией САР следящей системы.

WРС(S)= · KЭУ· · · KДН· KУ2=

= =

=  =

=

Определим корни характеристического уравнения разомкнутой системы, используя Matlab.


Так как все корни левые, используем 1-й подход оценки устойчивости системы.

Используя Mathсad, построим годограф АФЧХ устойчивой разомкнутой системы (рис. 7.3 и рис. 7.4).

Рис. 7.3 Годограф кривой Найквиста дляω от 0 до 40 (с-1)

Рис. 7.4 Годограф кривой Найквиста дляω от 0 до 8 (с-1)

Вывод:

Годограф кривой Найквиста, согласно рис. 7.4, охватывает точку скоординатами [-1; j0], следовательно, система в замкнутом состоянии являетсяустойчивой.

10. Определить по критерию устойчивости Гурвица критический коэффициент усиления разомкнутой системы Крс


Под критическим (граничным) коэффициентом KКР САР понимается значение коэффициента разомкнутой системы КРС, при котором САР в замкнутом состоянии является нейтральной. Для определения значения критического коэффициента KКР системы можно использовать любой из критериев устойчивости.

Для определения KКР с использование критерия Гурвица необходимо воспользоваться характеристическим уравнением замкнутой системы:

A(s) = (a0·sn+ a1·sn-1+ a2·sn-2+ . . . + an) = 0;

Из коэффициентов уравнения составляется главный определитель Гурвица, на основе следующих правил:

.   по главной диагонали определителя Гурвица располагаем коэффициенты характеристического уравнения, начиная сa1;

2.       столбцы определителя заполняются коэффициентами относительно главной диагонали:

- вверх - с возрастающими индексами;

вниз - с убывающими индексами;

вместо отсутствующих коэффициентов ставятся нули.

Остальные определители Гурвица составляются из главного определителя, путем выделения количества строк (столбцов), равных порядковому номеру определителя.


Критерий:

Для того чтобы система была устойчивой необходимо и достаточно чтобы все определители Гурвица были положительными.

Если хотя бы один определитель меньше нуля, то система является неустойчивой.

Если хотя бы один определитель равен нулю, а остальные больше нуля, то система является нейтральной.

Т.е. для определения значения критического коэффициента ККР системы, достаточно воспользоваться предпоследним определителем и, приравняв его к нулю, найти значение ККР.

Определяем, какие коэффициенты системы составляют коэффициент разомкнутой системы КРС

WРС(S)= · KЭУ· · · KДУ2· KУ2

 KЭУ · KД1 · KР2 · KДУ2· KУ2

Из характеристического уравнения системы

A(s) = T1T2TЭTМ·s4+[T1T2TМ+T1TЭTМ3 +T2TЭ·TМ]·s3+[T1T2

+T1TМ+T2TМ+TЭ·TМ+

У2 ·КДУ2·КР2 · КЭУ·КД1 ·T3 T4] ·s2+ [T2+ TМ+ КУ2 ·КДУ2·КР2 · КЭУ·КД1

(T3+ T4)] ·s + +КУ2 ·КДУ2·КР2 · КЭУ·КД1 +1=0

видно, чтоKPC входит только в a4.

A(s)=0·s4+ 0,00282·s3+ 2,618129·s2+ 114,3017·s+127,7276+1=0;(s)=0·s4+ 0,00282·s3+ 2,618129·s2+ 114,3017·s+ KPC+1(s)= 0,00282·s3+ 2,618129·s2+ 114,3017·s+ KPC+1

Составим определитель третьего порядка


Воспользуемся определителем третьего порядка:

PC+1)·0,0000079524= 0,843904

KКРPC=106118,4105

 

11. Приняв начальные условия нулевыми, построить переходную характеристику САР


Качество работы любой системы регулирования характеризуется количественными и качественными показателями, которые определяются по кривой переходного процесса, либо по другим динамическим характеристикам системы. Переходный процесс в системе является ее реакцией на внешнее воздействие, которое в общем случае может быть сложной функцией времени. Обычно рассматривают поведение системы при следующих типовых воздействиях: единичной ступенчатой функции 1⋅(t), импульсной функции δ(t) и гармонической функции. Чаще всего прямые оценки качества (характер переходного процесса, время регулирования - tР и перерегулирование - σ,%) получают по кривой переходной характеристики h(t), т.е. при единичном ступенчатом входном воздействии 1⋅(t).

На характер переходного процесса влияют как числитель, так и знаменатель передаточной функции. Если передаточная функция замкнутой системы WЗС(s)не имеет нулей, т.е. имеет вид:


то характер переходного процесса полностью определяется корнями характеристического уравнения замкнутой системы:

a0·sn+ a1·sn-1+ a2·sn-2+ . . . + an=0

Если корни характеристического уравнения вещественные Si= αiто характер переходного процесса монотонный, рис. 10.1

Рис. 10.1 Апериодический переходный процесс

Если корни вещественные Si= αi и комплексно-сопряженные Slk = αk±jbk и αk комплексных корней много больше αl вещественных, то характер переходного процесса колебательный (периодический), рис. 10.2

Если пара корней находится на оси ординат, а остальные в левой полуплоскости - переходный процесс колебательный с постоянной амплитудойи частотой. Система находится на границе устойчивости.

Если корни характеристического полинома замкнутой системы находятся влевой полуплоскости, то такую систему принято считать устойчивой.

Если хотябы один из корней находится в правой полуплоскости, а остальные в левой, тотакую систему принято считать неустойчивой.

Рис. 10.2 Колебательный переходный процесс

Склонность системы к колебаниям характеризуется максимальным значением регулируемой величины hmax (рис. 10.3) или значением перерегулирования - σ,%.


где h - установившееся значение регулируемой величины после завершения переходного процесса

Быстродействие системы характеризуется длительностью переходного процесса tP. Время регулирования tP. (длительность переходного процесса) определяется как время, протекающее от момента приложения на вход системы воздействия до момента, после которого выполняется следующее неравенство:

│h(t) − h│£ Δh

где Δh - малая постоянная величина, представляющая собой заданную точность. В ТАУ принято задавать Δ= 0,05

Колебательные переходные процессы характеризуются периодом Tсоб и частотой ωсоб собственных колебаний.

Степень устойчивости η представляет собой абсолютное значение вещественной оси до ближайшего корня(либо до пары комплексных корней). Колебательность μ представляет собой tg(j) (рис. 1.3). Время переходного процесса tP и σ,% связаны со степенью устойчивости ηи колебательностьюμ следующими соотношениями:


Для более точной оценкиtP и σ,% по данным соотношениям необходимо, чтобы система не имела нулей и все корни характеристического уравнения системы были расположены внутри или на границе трапеции в плоскости корней рис. 10.4.

Рис. 1.4 Корневые показатели качества


тогда


Для построения переходной характеристики воспользуемся Matlab. Результаты приведены на рис. 10.5.

Приведем все показатели системы:

hmax = 102 рад/с;

hЗС =99,2;

М=0,00196 с;

μ = tg(j) = 0/1,1594 = 0.

η = 1,1594;

соб =∞ с;

ωсоб = 0 с-1;

Рис. 10.5 Переходная характеристика в САР следящей системы

13. Определить полную установившуюся ошибку системы


Исследование точности регулирования систем автоматического управления проводят путем анализа функционирования ее установившихся режимов. То есть, точность регулирования системы оценивается установившимися ошибками, которые в свою очередь определяются структурой системы (передаточными функциями) и воздействиями (задающими воздействиям и возмущающими факторами).

В следящих системах автоматического управления и следящем приводе задающее воздействие изменяется с постоянной скоростью υ0.

g(t)= υ0·t, υ0 = const

либо с постоянным ускорением


Точность процесса регулирования оценивается с помощью ряда ошибок


где εycm(t) -установившаяся ошибка;

c0, c1,…,cn/n! -коэффициенты ряда ошибок;

g(t), g’’(t), dng(t)/dtn- 1-я, 2-я, …, n-я производные от задающего воздействия.

Коэффициенты c0, c1,…, cn/n! ряда ошибок выражаются через передаточную функцию по ошибке регулирования  следующим образом:


Ряд ошибок на практике является ограниченным как справа, так и слева. Ограниченность справа обуславливается равенством нулю некоторых производных от задающего воздействия g(t). Так, например, при типовом воздействии g(t)= g0 ·1(t) установившаяся ошибка определяется по выражению

εycm= c0 · g0

В этом случае коэффициент ряда ошибок c0 характеризует статическую ошибку.

Если задающее воздействие изменяется с постоянной скоростью, установившаяся ошибка выражается как

εycm= c0 · υ0 ·t + c1 · υ0

где коэффициент c1характеризует ошибку по скорости.

Установившаяся ошибка для задающего воздействия выражается как


Коэффициент c2 /2!характеризует ошибку по ускорению.

Из выражений представленных выше выражений следует, что для устранения статической ошибки, ошибок по скорости и ускорению необходимо равенство нулю, соответственно, коэффициентов c0, c1, c2 /2!. Для этого необходимо обеспечить системе соответствующий порядок астатизма.

Под порядком астатизма понимается степень υ изображения Sυ, находящегося в знаменателе передаточной функции разомкнутой системы.

Например для


порядок астатизма равен 2.

Для астатических систем1-го порядка коэффициент c0 равен нулю, для систем с астатизмом 2-го порядка - c0, c1равны нулю, для систем с астатизмом3-го порядка - c0, c1, c2 /2! равны нулю. Таким образом, астатические системы 1-го порядка воспроизводят без ошибки постоянные задающие воздействия

g(t)= g0 ·1(t)

системы с астатизмом 2-го порядка воспроизводят без ошибки задающее воздействие, меняющееся с постоянной скоростью

g(t)= υ0 ·t, υ0 = const

и т. д.

Выражение для передаточной функции:



Заключение

 

В ходе выполнения данной курсовой работы были закреплены знания, полученные на лабораторных занятиях, в процессе самостоятельного изучения специальной литературы. Был приобретен опыт работы с пакетами прикладных программ и системами автоматизированного проектирования систем управления, а также приобретен навык самостоятельной исследовательской работы.

Литература


1. Теория автоматического управления (Часть первая) Теория линейных систем автоматического управления / Н.А. Бабаков, А.А. Воронов, Г.А. Дидук и др.; Под ред. академика А.А. Воронова - М.: Высшая Школа. 1986.

2. Теория управление: Лабораторный практикум. / Е.М. Яковлева, В.С. Аврамчук - Томск: Издательство ТПУ, 2005. - 78с.


Не нашли материал для своей работы?
Поможем написать уникальную работу
Без плагиата!
Без нейросетей!