Автоматизация измерений и контроля температуры в процессе каталитического риформинга бензина

  • Вид работы:
    Реферат
  • Предмет:
    Информационное обеспечение, программирование
  • Язык:
    Русский
    ,
    Формат файла:
    MS Word
    612,16 Кб
  • Опубликовано:
    2012-10-27
Вы можете узнать стоимость помощи в написании студенческой работы.
Помощь в написании работы, которую точно примут!

Автоматизация измерений и контроля температуры в процессе каталитического риформинга бензина

Министерство образования и науки РФ

Государственное образовательное учреждение

высшего профессионального образования

Магнитогорский Государственный технический университет

им. Г.И.Носова



Кафедра промышленной кибернетики и систем управления



Реферат на тему:

«Автоматизация измерений и контроля температуры в процессе каталитического риформинга бензина»


Исполнитель: Бичурина Е. Д. студент 5 курса, группа МСС-06

Руководитель: Гребенникова Вера Владимировна,

старший преподаватель

Работа допущена: ____________________

 

 

 

 

 

Магнитогорск, 2010

Содержание:

Введение

. Процесс каталитического риформинга бензина

. Методы измерения температуры

. Создание автоматизированной информационной системы

Заключение

Список использованных источников

Введение

каталитический риформинг бензин термопара

Одним из процессов, позволяющим улучшить качество бензинов, а также получить ценные мономеры, является каталитический риформинг, широко распространенный в современной нефтепереработке. В настоящее время работают в основном установки каталитического риформинга на платиновом катализаторе, так называемый платформинг.

Назначение процесса - производство высокооктанового базового компонента автомобильных бензинов, а также получение индивидуальных ароматических углеводородов: бензола, толуола, ксилолов. В результате процесса получают и водородсодержащий газ (технический водород), используемый далее в процессах гидроочистки топлив, масляных и других фракций, а также на установках гидрокрекинга.

Сырьем для каталитического риформинга служат бензиновые фракции прямой перегонки: широкая фракция 85-180°С для получения высокооктанового бензина, фракции 62-65, 85-115 и 115-150°С для получения бензола, толуола и ксилолов соответственно. Иногда к прямогонной широкой бензиновой фракции добавляют низкооктановые бензины коксования, термического крекинга. Сера, содержащаяся в сырье, вызывает отравление (дезактивацию) катализатора, поэтому платформингу обычно предшествует гидроочистка сырья.

Основные блоки установки:

·   блок предварительной гидроочистки сырья предназначен для превращения веществ, дезактивирующих платиновый катализатор, при взаимодействии их с водородом. В блок включена также очистка водородсодержащего газа раствором моноэтаноламина.

·   блок каталитического риформинга с адиабатическими реакторами и стационарным слоем катализатора R-56,86. Здесь в присутствии водорода происходит глубокое изменение углеводородного состава бензиновых фракций с образованием и накоплением главным образом ароматических углеводородов;

·   блок стабилизации катализата предназначен для удаления из нестабильного катализата легких компонентов с целью получения стабильного катализата - компонента бензинов, соответствующего требованиям норм;

·   блок отпарки гидрогенизата предназначен для удаления из сырья продуктов превращения процесса гидроочистки. В блок также включена очистка раствором моноэтаноламина углеводородного газа и подача раствора NaOH при регенерации катализаторов гидроочистки и риформинга;

·   блок регенерации моноэтаноламина, используемого для очистки водородсодержащего и углеводородного газов от сероводорода;

·   блок сепарации топливного газа служит для отделения сконденсировавшихся углеводородов из топливного и факельного газа, сбора их и откачки с установки. В блок входит также схема приготовления и подачи хлорорганической смеси для блока риформинга.

Внедрение автоматизированной системы для контроля входных параметров процесса каталитического риформинга позволяет получать наиболее качественные продукты на выходе процесса, с требуемыми показателями качества, согласно соответствующим стандартам. С помощью правильно подобранного оборудования можно увеличивать производительность данной установки, упростить и обезопасить работников предприятия от различного вида травм, результаты, полученные и обработанные на вычислительной технике нового поколения будут наиболее объективными, в случае сбоев, система, с помощью автоматизированной аппаратуры, будет предупреждать технологов об отклонениях и сбоях, которые можно предотвратить и многое другое.

Далее в пояснительной записке данной курсовой работы рассмотрим, этапы процесса каталитического риформинга бензина и с помощью, каких автоматических приборов регулируются параметры данного процесса для нормальной работы системы.

1. Процесс каталитического риформинга бензина


В процессе платформинга с движущимся катализатором, циркулирующим между реактором и регенератором, три реактора расположены друг над другом и выполнены в виде одного колонного аппарата, разного диаметра по высоте. Катализатор из первого (верхнего) реактора перемещается во второй, а из второго в третий. Из нижнего реактора катализатор транспортируется в регенератор. Технологическая схема установки представлена на рисунке 1. Сырье насосом 5 подается в продуктовый теплообменник 6, предварительно смешиваясь с циркуляционным водородсодержащим газом, а затем поступает в змеевик первой секции многосекционной печи 7. Нагретая до 520оС газосырьевая смесь вводится в реактор 2.

Промежуточный подогрев реакционной смеси осуществляется в змеевиках следующих секций печи 7. Продукты реакции по выходе из реактора 4 снизу проходят систему регенерации тепла (теплообменник 6 и водяной холодильник 8). В отличие от обычных схем разделение жидкой и газовой фаз происходит в газосепараторе 9 низкого давления (1 МПа).

Газ из аппарата 9 компримируется компрессором 15 до давления 1,5 МПа, смешивается с жидкой фазой, подаваемой насосом 11, смесь охлаждается в холодильнике 13 и разделяется в газосепараторе высокого давления 12. Такая последовательность сепарации, вызванная низким давлением в реакционной зоне, уменьшает унос бензина с водородсодержащим газом и повышает содержание в газе водорода.

Водородсодержащий газ компрессором 10 подается в блок гидроочистки сырья и на циркуляцию в узел смешения с сырьем платформинга перед теплообменником 6. Балансовое количество водородсодержащего газа выводится с установки.

В колонне 18 осуществляется стабилизация катализата. Головная фракция стабилизации после охлаждения и конденсации в аппарате 19 отделяется в газосепараторе 20 от сухого газа и подается насосом 21 на орошение стабилизатора 18, а балансовое количество выводится с установки. Для подвода тепла в низ стабилизационной колонны 18 служит трубчатая печь 17. Нижний продукт колонны 18 -стабильный катализат - выводится с установки через аппарат 14.

Из реактора 4 снизу вся масса отработанного катализатора транспортируется в секцию регенерации 1, где и происходит последовательный выжиг кокса, оксихлорирование (для разукрупнения кристаллитов платины) и добавление хлоридов (промоторов). Регенерированный катализатор после охлаждения подается на верх реактора 2. Используемый в качестве транспортирующего газа водород восстанавливает катализатор после пребывания его в окислительной среде регенератора. При необходимости можно отключить от реактора без нарушения режима работы установки.

Рисунок 1 - Технологическая схема установки каталитического риформинга с движущимся слоем катализатора:

- Секция регенерации; 2-4 - реакторы платформинга; 5,11,16,21 - насосы; 6,14 - теплообменники; 7 - многосекционная печь; 8,13 - холодильники; 9,12 - газосепараторы низкого и высокого давления; 10,15 - компрессоры; 18 - стабилизационная колонна (стабилизатор); 17 - трубчатая печь; 19 - аппарат воздушного охлаждения; 20 - газосепаратор.

Режим работы реакторов:

Температура, оС Давление, МПа Объемная скорость подачи сырья, ч-1 Кратность циркуляции водородсодержащего газа, м3/м3 Распределение катализатора по реакторам

490-520 1,2-1,3 1,5-2,0 1500-1800 1:2:4


В ходе процесса каталитического риформинга основными параметрами, которые должны контролироваться является температура сырья, подаваемого в ректор (520 оС), а также давление в самом реакторе, которое поддерживается достаточно низким, чтобы уменьшить унос бензина с водородсодержащим газом и повысить содержание в газе водорода. В данном курсовом проекте рассмотрим, как автоматизировать процесс контроля температуры на входе в реактор.

 

. Методы измерения температуры


Контроль над температурой составляют основу многих технологических процессов. Существует множество датчиков температуры, построенных с использованием различных физических законов. Одни из них прекрасно справляются с конкретной задачей по измерению температуры, другие предназначены для универсального использования. В данном разделе описаны основные типы датчиков для измерения температуры, их особенности, слабые и сильные стороны, задачи, для которых они предназначены.

Если рассматривать датчики температуры для промышленного применения, то можно выделить их основные классы: кремниевые датчики температуры, биметаллические датчики, жидкостные и газовые термометры, термоиндикаторы, термисторы, термопары, термометры сопротивления, инфракрасные датчики температуры.

Кремниевые датчики температуры используют зависимость сопротивления полупроводникового кремния от температуры. Диапазон измеряемых температур для таких датчиков составляет от -50 оС до +150 оС. Внутри этого диапазона кремниевые датчики температуры показывают хорошую линейность и точность. Большим плюсом можно назвать большое разнообразие типов выходного интерфейса: это может быть напряжение, ток, сопротивление, либо цифровой выход, позволяющий подключить такой датчик к сети передачи данных. Из слабых мест кремниевых датчиков температуры можно отметить узкий температурный диапазон и относительно большие размерами по сравнению с аналогичными датчиками других типов, особенно термопарами. Кремниевые датчики температуры применяются в основном для измерения температуры поверхности, температуры воздуха, особенно внутри различных электронных приборов.

Биметаллический датчик температуры сделан из двух разнородных металлических пластин, скрепленных между собою. В биметаллических датчиках пластинки замыкают или размыкают контакты реле, или двигают стрелку индикатора. Диапазон работы биметаллических датчиков от -40 оС до +550 оС. Биметаллические датчики используют для измерения поверхности твердых тел, реже для измерения температуры жидкости. Основным преимуществом датчиков является простота и надежность конструкции, возможность работы без электрического тока, низкая стоимость. Вместе с тем, биметаллические датчики температуры имеют большой разброс характеристик, особенно при низких температурах. Основные области применения биметаллических температурных датчиков - автомобильная промышленность, системы отопления и нагрева воды.

Жидкостные и газовые термометры наиболее старые типы датчиков температуры. Жидкостные термометры используют эффект расширения жидкостей при повышении температуры. В качестве жидкостей используется спирт или ртуть в диапазоне комнатных температур. В газовых термометрах используется эффект расширения, при переходе вещества из жидкого в газообразное состояние. Газ давит через мембрану и замыкает электрические контакты. Диапазон измерений для жидкостных и газовых термометров от -200 оС до +500 оС. Термометры этого класса обычно применяются для визуального контроля температуры, либо в качестве термостатов в различных нагревателях и холодильной технике.

Термисторы. В этом классе датчиков используется эффект изменения электрического сопротивления материала под воздействием температуры. Обычно в качестве термисторов используют полупроводниковые материалы, как правило, оксиды различных металлов. В результате получаются датчики с высокой чувствительностью. Однако большая нелинейность позволяет использовать термисторы лишь в узком диапазоне температур. Термисторы имеют невысокую стоимость и могут изготавливаться в миниатюрных корпусах, позволяя увеличить тем самым быстродействие. Термисторы не имеют определенной температурной характеристики. Она зависит от конкретной модели прибора и области его применения. Основными достоинствами термисторов является их высокая чувствительность, малые размеры и вес, позволяющие создавать датчики с малым временем отклика, что важно, например, для измерения температуры воздуха. Безусловно, невысокая стоимость так же является их достоинством, позволяя встраивать датчики температуры в различные приборы.

Инфракрасные датчики температуры или пирометры измеряют температуру поверхности на расстоянии. Принцип из работы основан на том, что любое тело при температуре выше абсолютного нуля излучает электромагнитную энергию. Диапазон измерений температур бесконтактными датчиками от -45 оС до +3000 оС. Причем в диапазоне высоких температур инфракрасным датчикам нет конкуренции. Для правильного измерения температуры необходимо определить и установить излучательую способность измеряемого объекта. Если значения будут выбраны неправильно, то температура будет измеряться неверно. Обычно показания занижаются. Основные достоинства инфракрасных датчиков температуры: малое время отклика. Это самые быстродействующие датчики температуры. Возможность измерения температуры движущихся объектов. Измерения температуры в труднодоступных и опасных местах. Измерение высоких температур, там, где другие датчики уже не работают. К достоинствам можно отнести то, что отсутствует непосредственный контакт с объектом и соответственно не происходит его загрязнения. Это может быть важно в полупроводниковой промышленности или фармацевтике.

Термометры сопротивления это резисторы, изготовленные из платины, меди или никеля. Это могут быть проволочные резисторы, либо металлический слой может быть напыленным на изолирующую подложку, обычно керамическую или стеклянную. Платина чаще всего применяется в термометрах сопротивления из-за ее высокой стабильности и линейности изменения сопротивления с температурой. Медь используется в основном для измерения низких температур, а никель в недорогих датчиках для измерения в диапазоне комнатных температур. Для защиты от внешней среды платиновые термометры сопротивления помещают в защитные металлические чехлы и изолируют керамическими материалами, такими как оксид алюминия или оксид магния. Однако вместе с дополнительной изоляцией растет и время отклика датчика на резкие температурные изменения. Платиновые термометры сопротивления одни из самых точных датчиков температуры. Кроме того, они стандартизированы, что значительно упрощает их использование. Стандартно производятся датчики сопротивлением 100 и 1000 Ом. Изменение сопротивления таких датчиков с температурой дается в любых тематических справочниках в виде таблиц или формул. Диапазон измерений платиновых термометров сопротивления составляет -180 оС +600 оС.

Термопары представляют собой две проволоки из различных металлов, сваренных между собой на одном из концов. Термоэлектрический эффект открыл немецкий физик Зеебек в первой половине 19-го века. Он открыл, что если соединить два проводника из разнородных металлов таким образом, что бы они образовывали замкнутую цепь и поддерживать места контактов проводников при разной температуре, то в цепи потечет постоянный ток. Экспериментальным путем были подобраны пары металлов, которые в наибольшей степени подходят для измерения температуры, обладая высокой чувствительностью, временной стабильностью, устойчивостью к воздействию внешней среды. Это например пары металлов хромель-аллюмель, медь-константан, железо-константан, платина-платина/родий, рений-вольфрам. Каждый тип подходит для решения своих задач. Термопары хромель-алюмель (тип К) имеют высокую чувствительность и стабильность и работают до температур вплоть до 1300 оС в окислительной или нейтральной атмосфере. Это один из самых распространенных типов термопар. Термопара железо-константан (тип J) работает в вакууме, восстановительной или инертной атмосфере при температурах до 500 оС. При высоких температурах до 1500 оС используют термопары платина- платина/родий (тип S или R) в керамических защитных кожухах. Они прекрасно измеряют температуру в окислительной, нейтральной среде и вакууме.

К материалам термоэлектродов предъявляется ряд требований:

·        Однозначная и по возможности близкая к линейной зависимость термоЭДС от температуры;

·        Жаростойкость и механическая прочность с целью измерения высоких температур;

·        Химическая инертность;

·        Термоэлектрическая однородность материала проводника по длине, что позволяет восстанавливать рабочий спай без переградуировки, а также менять глубину его погружения;

·        Технологичность (воспроизводимость) изготовления с целью получения взаимозаменяемых по термоэлектрическим свойствам материалов (обязательное требование);

·        Стабильность градуировочной характеристики (обязательное требование);

·        Дешевизна.

 

. Создание автоматизированной информационной системы


Исходя из рассмотренных в предыдущем разделе методов определения температуры, выбираем датчик для контроля контролируемого параметра (температуры). На рисунке 2 показано как выглядит простейшая автоматизированная система (для контроля технологического параметра) в общем виде.

Рисунок 2 - Простейшая техническая система

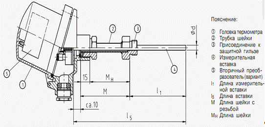
Для измерения температуры на входе в реактор возьмем первичный датчик - термопару, которая может быть установлена в защитную гильзу.

Измерение температур с помощью термопар получило широкое распространение из-за надежной конструкции датчика, возможности работать в широком диапазоне температур и дешевизны. Широкому применению термопары обязаны в первую очередь своей простоте, удобству монтажа, возможности измерения локальной температуры. Они гораздо более линейны, чем многие другие датчики, а их нелинейность на сегодняшний день хорошо изучена и описана в специальной литературе. К числу достоинств термопар относятся также малая инерционность, возможность измерения малых разностей температур. Термопары незаменимы при измерении высоких температур (вплоть до 2200°С) в агрессивных средах. Термопары могут обеспечивать высокую точность измерения температуры на уровне ±0,01°С. Они вырабатывают на выходе термоЭДС в диапазоне от микровольт до милливольт, однако требуют стабильного усиления для последующей обработки.

Возьмем термопару типа J (сплав железо-константан), первого класса с диапазоном измерения температур от 375 до 750 оС (погрешность измерения ±2,5 оС), произведенную по стандарту DIN EN 60 584. Схема термопары представлена на рисунке 3.

Рисунок 3 - Структурная схема термопары

·        Настраиваемый HART протокол;

·        Выходная линеаризация температуры с выходными сигналами по спецификации;

·        Контроль за сопротивлением нагрузки датчика;

·        Защита от влажности.

В комплекте с выбранной ранее термопарой типа J данный преобразователь будет иметь пределы измерений от -210 до 1200 оС.

Схема присоединения термопары к преобразователю изображена на рисунке 4.

Рисунок 4 - Схема соединения термопары с цифровым нормирующим преобразователем: 1,2,3,4-клеммы соединения

Цифровой нормирующий преобразователь присоединяется через беспроводной FSK-модем к ЭВМ и с помощью стандартного интерфейса RS-232С происходит передача данных с преобразователя на ЭВМ. Также к преобразователю присоединен портативный коммуникатор, который считывает полученную информацию и выводит на дисплей показания, полученные прибором. Коммуникатор необходим для настройки преобразователя и контроля его работы.

Схема передачи данных с преобразователя на ЭВМ изображена на рисунке 5.

Рисунок 5 - Схема подключения преобразователя к ЭВМ

HART коммуникатор модели 375 - портативное устройство, предназначенное для cчитывания информации, настройки и конфигурирования интеллектуальных полевых приборов, поддерживающих протоколы HART и Foundation Fieldbus (FF).

Основные преимущества коммуникатора:

поддержка в полном объеме всех приборов, зарегистрированных в фондах HART-коммуникации и Fieldbus;

самостоятельное обновление базы данных коммуникатора пользователем через Интернет;

возможность настройки произвольных HART и FF приборов из любой точки токовой цепи;

возможность сохранения во встроенной памяти конфигурации любого прибора для последующего автоматического переноса конфигурации в другие приборы данного типа;

возможность записи в коммуникатор пользовательской информации;

связь с ПК;

взрывозащищенное исполнение;

автономный источник питания.модем R9600.01 предназначен для обеспечения беспроводного обмена данными между устройствами систем телемеханики и телеметрии через радиоканал. Физический последовательный интерфейс RS-232 позволяет FSK-модемам R9600.01 быть подключенными напрямую к контроллерам или модулями ввода-вывода различных типов.(англ. Recommended Standard 232) - в телекоммуникациях, стандарт последовательной синхронной и асинхронной передачи двоичных данных между терминалом и коммуникационным устройством, на расстоянии до 15 метров. Информация передается по проводам с уровнями сигналов, отличающимися от стандартных 5 В, для обеспечения большей устойчивости к помехам. Асинхронная передача данных осуществляется с установленной скоростью при синхронизации уровнем сигнала стартового импульса.

Для того чтобы можно было осуществлять не только измерение температуры подаваемой смеси на входе в реактор, но и регулировать величину температуры, к термопаре подсоединяется еще и регулятор. В качестве которого был выбран универсальный цифровой регулятор параметров процесса Е5_NH. Серия E5_NH проста в монтаже, настройке и управлении. Высокая скорость (60 мс) и точность (0,1% значения процесса). Имеет универсальные входы и модульную концепцию выходов. Профили заданий и банки параметров. Управление клапаном. Возможные интерфейсы: порт связи с ПК, RS232, RS485, входы событий, поддержка протоколов CompowayF, Modbus, Profibus. Дополнительные функции: автонастройка, самонастройка, 2 или 3 аварийных сигнала, сигнализация аварий.

На регулятор приходит сигнал с термопары, и он сравнивается с сигналом с задатчика, встроенного в регулятор. Далее формируется сигнал управления, который усиливается на усилителе и поступает на исполнительный механизм, регулирующий степень открытия заслонки в змеевиках. За счет ее открытия или закрытия, изменяется расход нагретого газа, за счет которого происходит нагревание либо охлаждение стенок реактора.

Общая схема измерения и регулирования температуры в реакторе представлена на рисунке 6.

 


Заключение


Одним из процессов, позволяющим улучшить качество бензинов является каталитический риформинг. В настоящее время работают в основном установки каталитического риформинга на платиновом катализаторе, так называемый платформинг. Назначение процесса - производство высокооктанового базового компонента автомобильных бензинов. Необходимо поддерживать температуру в реакторе на заданном уровне (480-520 ОС), чтобы не нарушалась технология процесса, измерение же её может быть осуществлено различными методами. В данной пояснительной записке был рассмотрен метод измерения температуры с помощью термопары, в корпус которой встроен цифровой нормирующий преобразователь, передающий данные через модем и стандартный интерфейс RS-232 на экран ЭВМ. Выбранная термопара подходит для контроля температуры по заданным для процесса пределам измерения, также легко осуществляется передача информации другим элементам. А также рассмотрен метод регулирования температуры в реакторе, с помощью регулятора Е5_NH, присоединенного к термопаре. Сигнал управления с которого поступает на регулирующий орган (заслонка), и температура в реакторе поддерживается постоянной на заданном уровне.

С помощью автоматизированной системы контроль данного процесса происходит без участия технолога-оператора, это позволяет исключить различного рода погрешности в результатах измерения, а также упрощается работа оператора, ему следует только наблюдать за работой оборудования, в случае же неполадок, система имеет возможность сама привести устранение неполадок. Поэтому автоматизация - это не только получение достоверных результатов измерения, но обеспечение безопасной работы технологов - операторов и исключение различных видов аварий, происходящих, в большинстве случаев, из-за человеческого фактора и ошибок людей, работающих на предприятии. Также автоматизация контроля температуры в процессе риформинга способствует бесперебойной работе установки и улучшению качества продуктов на выходе. Увеличивается выход продукта с заданными параметрами качества для дальнейшего производства высококачественных бензинов, что говорит об увеличении экономичности данного технологического процесса, т.к. выход побочных продуктов заметно снижен.

Список использованных источников

 

[1] Система менеджмента качества. Стандарт организации. Курсовой проект (работа): структура, содержание, общие правила выполнения и оформления СМК-О-СМГГУ-42-2009

[2] Альбом технологических схем процессов переработки нефти и газа.под ред. Б.И.Бондаренко, М.:РГУ-2003.

[3] Автоматизация технологических процессов в нефтепереработке и нефтехимии. А.П.Веревкин, О.В.Кирюшкин, Уфа-2005.

[4] Информационные ресурсы интернет.

Похожие работы на - Автоматизация измерений и контроля температуры в процессе каталитического риформинга бензина

 

Не нашли материал для своей работы?
Поможем написать уникальную работу
Без плагиата!
Без нейросетей!