Расчет токов короткого замыкания и защита от них

  • Вид работы:
    Курсовая работа (т)
  • Предмет:
    Физика
  • Язык:
    Русский
    ,
    Формат файла:
    MS Word
    38,62 Кб
  • Опубликовано:
    2012-10-22
Вы можете узнать стоимость помощи в написании студенческой работы.
Помощь в написании работы, которую точно примут!

Расчет токов короткого замыкания и защита от них

Исходные данные

Технические характеристики системы:

а) параметры синхронного электродвигателя:

марка - СДНЗ ;

Рн=3200 кВт;

Uн=10 кВ;

cos φн = 0,9;

xd''=18,2%;

η=96,6%.

б) параметры ЛЭП:

L1=50 км; L2=30 км;

Худ=0,4 Ом/км.

в) мощности коротких замыканий энергосистемы:

Sкзmax1=4600 мВА; Sкзmin1=3700 мВА;

Sкзmax2=3500 мВА; Sкзmin2=2800 мВА.

г) параметры силовых трансформаторов:

марка - ТДН; Sном=16 МВА; UВНн=110 кВ; UННн=6 кВ;

Uк для средних и крайних положений

Р=16%, Uн=92,4 кВ Uк=8,82%;

СР=0%, Uн=110 кВ Uк=10,5%;

+Р=16%, Uн=127,6 кВ Uк=12,18%;

Таблица 1 - данные трансформатора

Тип

Номинальная мощность, МВА

Напряжение, кВ

Потери, кВт

Uк, %

Iхх, %



ВН

НН

ХХ

КЗ



16000/110

16

110

6

14

58

10,5

0,9


1. Расчёт токов короткого замыкания для целей релейной защиты

электродвигатель замыкание ток релейный

При расчётах релейной защиты промышленных электроустановок, связанных с выбором уставок срабатывания и проверки чувствительности в качестве исходных данных используем результаты расчётов начального действующего значения периодической составляющей токов КЗ.

При выборе уставок срабатывания токовых отсечек и дифференциальных токовых защит необходимо знать максимальное значение тока в месте установки защиты при трёхфазном КЗ в конце защищаемого участка.

Для проверки чувствительности защиты требуется рассчитать наименьшее значение тока в реле защиты при КЗ в конце её основной зоны действия и в зоне резервирования.

Схема замещения для расчёта токов КЗ представлена на рисунке 1

Рисунок 1 - Схема замещения для расчётов токов КЗ

Сопротивления энергосистемы определяется по формуле

.

 Ом;

 Ом;

 Ом;

 Ом.

Сопротивления линий:


 Ом;

 Ом.

Суммарное сопротивление Х1:


 Ом;

 Ом.

Токи короткого замыкания К1:

 кА;

 кА.

Сопротивления трансформаторов определяется по формуле:



Суммарное сопротивление Х2:

ХСР2=0,79+79,4=80,19Ом;

Х-РО2=0,79+47,06=47,85 Ом;

Х+РО2=0,75+123,9=124,65 Ом.

Токи короткого замыкания на стороне ВН при КЗ на стороне НН:


 кА;

 кА;

 кА..

 кА.

Приводим ток КЗ к низшей стороне 10 кВ, для этого определяем Кn - кратность пускового тока:


, К2n=147,6;

, К2n=77,44.

 Ом;

 Ом

 кА;

 кА.

 кА.

Далее определяем ток подпитки от электродвигателей. Сопротивление электродвигателя рассчитываем по формуле

,

где -сверхпереходное сопротивление электродвигателя.

 МВА;

 Ом.

Суммарное сопротивление системы от источника до точки КЗ при средненоминальном напряжении 10,5 кВ с учетом подпитки от параллельной работы двигателей:


 Ом;

 Ом.

 кА;

 кА.

2. Защита электродвигателей от многофазных коротких замыканий

Для защиты электродвигателей от многофазных коротких замыканий будем использовать токовую отсечку без выдержки времени. Защита действует на отключение и на автомат гашения поля (АГП). Токовая отсечка выполняется однорелейной, с включением реле на разность токов двух фаз.

Для защиты будем использовать реле РТ-80.

Котс=1,82;

Ксх=.

Определяем номинальный ток двигателя:


Определяем коэффициент трансформации необходимых трансформаторов тока:

.

.

Пусковой ток электродвигателей определяем по формуле:


Определяем ток срабатывания защиты:

.

Ток срабатывания реле:


Уставка реле - 85 А. Тип реле - РТ-80.

Определяем коэффициент чувствительности защиты:


где - ток КЗ на низшей стороне.


. Защита от однофазных замыканий на землю

Для защиты используем максимальную токовую защиту нулевой последовательности, выполненную с помощью реле РТ-40, подключенного к трансформатору тока нулевой последовательности (ТНП).

Эта защита предусматривается при токах замыкания 5 А и более для двигателей 2000 кВт и более.

Ток срабатывания защиты:

,

где - собственный ёмкостный ток электродвигателя;

Котс = 1,21,3;

Кб - бросок ёмкостного тока, Кб = 34.

Для явнополюсных электродвигателей


;

;


. Защита от перегрузки

Защита от перегрузки предусматривается на электродвигателях, подверженных перегрузке по технологическим причинам, а также с особо тяжёлыми условиями пуска и самозапуска длительностью 20 секунд и более.

Перегрузка является симметричным режимом, и защита выполняется одним реле, включенным на любую фазу электродвигателя.

Защиту от перегрузки выполняем с помощью индукционного элемента реле РТ-80, электромагнитные элементы которого используются для выполнения токовой отсечки.

Ток срабатывания выбираем исходя из двух условий:

) реле не должно срабатывать в нормальном режиме работы электродвигателя

где

IСЗ=1,2·212,76=255,31 А

). реле должно приходить в действие при пусках электродвигателя


IСЗ=0,75·Iпуск=0,75·1212,73=909,55 А.

,12A < 31,47A - верно условию, что реле в нормальном режиме не должно срабатывать.

Принимаем

;

;

При этом несрабатывание реле в нормальных режимах пуска и самозапуска обеспечивается выбором выдержки времени в независимой части характеристики.

5. Минимальная защита напряжения

Минимальную защиту напряжения выполняем двухступенчатой. Первая ступень предназначена для облегчения самозапуска ответственных электродвигателей, она отключает электродвигатели неответственных механизмов. Напряжение срабатывания первой ступени устанавливается примерно равным


Вторая ступень защиты отключает часть электродвигателей ответственных механизмов, самозапуск которых недопустим по условиям техники безопасности или из-за особенностей технологического процесса. Напряжение срабатывания второй ступени не превышает.


Схемы минимальной защиты напряжения выполняются таким образом, чтобы исключить её ложное действие при нарушениях во вторичных цепях трансформаторов напряжения.

. Защита от асинхронного режима

Её выполняют одним из следующих способов: с помощью реле, реагирующего на увеличение тока в обмотке статора; с помощью устройства, реагирующего на появление переменного тока в обмотке статора; с помощью устройства, действующего на принципе отсчёта числа электрических поворотов ротора при асинхронном режиме. Функции защиты от асинхронного режима может также выполнять защита от перегрузки.

Ток срабатывания защиты принимается:


 (IСЗ=346,82А)


Уравнительный ток асинхронного режима определяем по формуле:

;

.

 кА;

 кА.

 кА

IВЗ =0,85·IСЗ=0,85·346,82=294,8А.

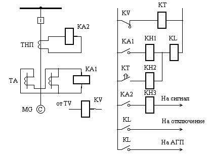
7. Полная схема защиты синхронного электродвигателя

Рисунок 2 - Полная схема защиты электродвигателя

КА1

Реле РТ-80

КА2

Реле РТ-40

ТА

Трансформаторы тока ТВ10-IУ2, Кт = 250/5

ТНП

Трансформатор нулевой последовательности

KV

Реле минимального напряжения

TV

Трансформатор напряжения

KH1-KH3

Указательные реле

MG

Синхронный электродвигатель СДНЗ


Список литературы

1.   Справочник по проектированию электроснабжения. Под редакцией Барыбина Ю. Г. М.: Энергоатомиздат, 1990

Похожие работы на - Расчет токов короткого замыкания и защита от них

 

Не нашли материал для своей работы?
Поможем написать уникальную работу
Без плагиата!
Без нейросетей!