|
Мощность системы SГ1,
МВ×А
|
75
|
|
Мощность системы SГ2,
МВ×А
|
100
|
|
Тип Тр1
|
ТМН-6300/10
|
|
Тип Тр2
|
ТМ-4000/10
|
|
Длина линии l1,
км
|
3
|
|
Длина линии l2,
км
|
5
|
|
Длина линии l3,
км
|
6
|
|
Сечение линии tС1,
мм2
|
25
|
|
Сечение линии tС2,
мм2
|
16
|
|
Сечение линии tС3,
мм2
|
25
|
|
Материал линии
|
Al
|
|
Материал линии
|
Al
|
|
Материал линии
|
Al
|
|
Индуктивное сопротивление х1, Ом/км
|
0,40
|
|
Мощность трансформатора 1 ,МВ А
|
6,3
|
|
Мощность трансформатора 2 ,МВ А
|
4
|
|
Коэффициент трансформации Тр1
|
10/6
|
|
Коэффициент трансформации Тр2
|
10/6
|
|
Активные потери трансформатора Тр1,кВт
|
46,5
|
|
Активные потери трансформатора Тр2,кВт
|
33,5
|
|
Индуктивное сопротивление трансформатора Тр1,%
|
7,5
|
|
Индуктивное сопротивление трансформатора Тр2,%
|
7,5
|
Максимальная защита должна состоять из двух
комплектов: одного на стороне ВН с действием на отключение выключателя и
включение короткозамыкателя и второго - на стороне НН с действием на отключение
выключателя ввода НН при коротком замыкании на шинах подстанции. На стороне ВН
устанавливается комплект максимальной токовой защиты с независимой выдержкой
времени, с подключением по схеме неполной звезды, и по этой же схеме
выполняется токовая отсечка. На стороне НН устанавливается комплект
максимальной токовой защиты с зависимой характеристикой времени и подключением
по схеме неполная звезда.
Установка защиты питающей линии вводов ВН и
уставки защиты на отходящей линии от вводов НН принять равными соответствующим
уставкам.
При расчете тока самозапуска нагрузки считать,
что 70% мощности трансформатора составляет обобщенная нагрузка и 30% бытовая
нагрузка.
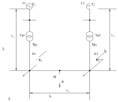
Рисунок 1
Введение
В современных электрических системах релейная
защита тесно связана с автоматикой, предназначенной для быстрого
автоматического восстановления нормального режима работы и питания
потребителей, например устройство автоматического включения резервного питания
(АВР) для электроприемников 1-и категории и автоматическое повторное включение
(АПВ).
Устройство АВР служит для восстановления
электроснабжения с помощью автоматического ввода резервного источника питания
при отключении основного источника как на напряжение 6-10, так и на 0,23-0,4
кВ. Для автоматического включения резерва в сетях напряжением до 1 кВ в
качестве коммутационных аппаратов применяют автоматические выключатели и
контакторы, а в сетях напряжением 3-10 кВ - преимущественно выключатели с
пружинным приводом, работающие на переменном оперативном токе. На промышленных
предприятиях автоматическое включение резерва выполняется главным образом на
секционных выключателях. При отключении одной из питающих линий или
трансформатора действием АВР включается секционный выключатель и
восстанавливается электроснабжение обесточенной секции.
Устройство АПВ предназначено для наиболее
быстрого восстановления электроснабжения объектов. Любое короткое замыкание в
сети сопровождается действием соответствующей защиты и отключением линии, что
приводит к перерыву электроснабжения объектов. Но в ряде случаев короткие
замыкания носят кратковременный характер и нарушенная изоляция
восстанавливается с помощью устройств АПВ, например, при поверхностных разрядах
на изоляторах, кратковременном перекрытии проводов воздушных линий и т.п.
1. Расчет
максимальной токовой защиты
Для расчёта токов к.з. используем схему
замещения, изображённую на рисунке 2.
Рисунок 2 - Схема замещения расчета токов к.з
Мощность короткого замыкания источника питания в
максимальном режиме для К1 и К2: Sкс=Sс¥=2500,
МВ×А.
Мощность короткого замыкания источника питания в
минимальном режиме для К1 и К2: Sкс=Sс¥=625,
МВ×А.
Номинальные напряжения Uн1
= 115 кВ, Uн2 =
11, кВ.
Номинальная мощность системы Sнс
= 65, МВ×А.
Базисная мощность для К1 и К2:
SБ=300,
МВ×А.
Реактивное сопротивление системы для
максимального режима, Ом:
Реактивное сопротивление системы для
минимального режима, Ом:
Реактивное сопротивление системы для
максимального и минимального режима в относительных величинах, Ом:
Реактивное сопротивление 1 км линии х1=0,30 Ом.
Реактивное сопротивление линии, Ом:
ХЛ= ХЛ1+ХЛ2+ХЛ3=(3+5+6)
0,4=5,6, Ом.
Номинальная мощность
трансформаторов: Sнт1=25, МВ×А, Sнт2=40, МВ×А.
.1 Расчет токов трехфазного
короткого замыкания
Сопротивление трансформатора,
отнесено к регулируемой стороне высшего напряжения, при минимальном
коэффициенте трансформации, Ом:
,
гдеUКмин% -
напряжение короткого замыкания трансформатора при минимальном коэффициенте
трансформации, В;
UСР.ВН - среднее
напряжение на высшей обмотке трансформаторе;
DUРПН - изменение
напряжения при минимальном коэффициенте трансформации.
Сопротивление трансформатора,
отнесено к регулируемой стороне высшего напряжения, при максимальном
коэффициенте трансформации
Ток короткого замыкания в
максимальном режиме и при минимальном коэффициенте трансформации, кА:
Ток короткого замыкания в
максимальном режиме и при минимальном коэффициенте трансформации приведенный ко
вторичной обмотке трансформатора, кА:
Ток короткого замыкания в
минимальном режиме и при максимальном коэффициенте трансформации, кА
Ток короткого замыкания в
минимальном режиме и при максимальном коэффициенте трансформации приведенный ко
вторичной обмотке трансформатора, кА
1.2 Расчет тока самозапуска нагрузки
Принимаем сопротивление
относительное обобщенной нагрузки величиной Х*нагр=0,35, Ом.
Сопротивление обобщенной нагрузки,
Ом
Номинальный ток трансформатора, А
Считаем, что бытовая нагрузка
составляет 30% от всей нагрузки
Сопротивление бытовой нагрузки, Ом
Сопротивление всей нагрузки, Ом
Максимальный ток самозапуска, кА
Коэффициент самозапуска
Номинальный ток на стороне НН, А
Ток самозапуска на стороне НН, кА
1.3 Расчет тока срабатывания защиты
и тока уставки реле
Ток срабатывания защиты на стороне
НН трансформатора, кА
,
гдеКн - коэффициент
надежности;
Ксзп - коэффициент
самозапуска;
Кв - коэффициент возврата
реле;
Iраб.макс -
максимальный рабочий ток защищаемого элемента, А, Iраб.макс принимается
равным Iном.нн, А.
Ток срабатывания защиты,
определяется из условия согласования чувствительности защит, А

Кр - коэффициент токораспределения;
n - число
параллельно работающих элементов (предыдущих);
Iсз.пред - токи
срабатывания защит параллельно работающих элементов, А;
- геометрическая сумма максимальных
рабочих токов всех предыдущих элементов подстанции, за исключением тех, с
защитами которых производится согласование, А.
Ток уставки реле определяется для
выбранного тока срабатывания защиты, А
Где Ксх - коэффициент
схемы, значение которого определяется в зависимости от схемного включения
трансформатора тока. Соединение в звезду Ксх=1, nТ -
коэффициент трансформации трансформатора тока.
В нашем случае трансформатор тока
ТПШЛ-10 nТ=1500.
Коэффициент чувствительности
Коэффициент чувствительности больше
1,5 значит защита удовлетворяет данному условию.
.4 Определение времени срабатывания
защиты на стороне НН трансформатора
Время срабатывания максимальных
защит выбирается из условия селективности и термической устойчивости
защищаемого элемента, с
Где Dt - ступень селективности, с.
Выберем ступень селективности Dt=0,5, с. Время
срабатывания первой защиты tc.з1 = 0,8, с.
tс.з2 = tc.з1 + Dt =0,8 + 0,5
= 1,3 с.
Время согласования защит с
зависимыми характеристиками производится по карте селективности по максимальной
величине тока короткого замыкания в начале смежного предыдущего участка.
Выбранное по условию селективности
время срабатывания проверяется по условию термической устойчивости защищаемого
элемента. Такая проверка обязательна для трансформаторов, кабелей и воздушных
линий с проводами малых сечений.
гдеSмин -
минимально допустимое сечение провода, мм2;
I¥ -
установившийся ток короткого замыкания при повреждении в начале линии, А;
tф - фиктивное
время отключения короткого замыкания, с;
С - постоянная, зависящая от
материала провода, его начальной и конечной температуры.
Где tc.з - время
срабатывания защиты, с;
tо.в - время
отключения выключателя, с.
1.5 Проверка трансформатора тока на
10% погрешность
Предельная кратность К10
расчетного тока
Где Iном -
номинальный ток трансформатора тока, А.
Расчетная нагрузка при выбранной
схеме соединения трансформаторов тока, Ом
Сопротивление проводов, Ом
где
- длина провода, м;
g
- удельная проводимость, м/Ом×мм2;
S - сечение
провода, мм2.
т.к. трансформатор расположен близко
По кривой предельных кратностей
получаем Zн.доп = 6, Ом.
Выше приведенные неравенства
выполняются, значит трансформатор работает с погрешностью e£10%.
.6 Проверка надежности работы
контактов реле
Обобщенный коэффициент
где
Здесь Iкз.макс -
максимально значение тока при коротком замыкании в месте установки защиты, А;
Iн -
номинальный первичный ток трансформатора тока, А.
.7 Проверка по амплитудному значению
напряжения на выходах вторичной обмотки трансформатора тока
Амплитудное значение напряжения на
выводах вторичной обмотки трансформатора тока (определяется без учета
апериодической составляющей тока к.з.), В
Где Ку - ударный
коэффициент.
Амплитудное значение напряжения на
выводах вторичной обмотки ТТ (проверка производится в режиме после
дещунтирования ЭВ), В
гдеU2доп -
допустимое значение U2, которое
равно 1000, В.
.
Коэффициент чувствительности реле
гдеIр.мин - ток в
реле при металлическом коротком замыкании в конце защищаемой зоны в минимальном
режиме работы питающей системы, А;
Iс.р. - ток срабатывания
реле, А.
Чувствительность промежуточных реле
Чувствительность электромагнитов
включения
Кратность для электромагнитов
включения
.9 Определение полной погрешности
трансформаторов тока
Значение тока намагничивания и
полной погрешности трансформаторов тока в режиме после дешунтирования ЭВ
гдеКн =1,8; К(2)сх.эо
- коэффициент схемы ЭО;
Z2ТТ -
сопротивление вторичной обмотки трансформатора тока, Ом.
Тока намагничивания по вольтамперной
характеристике трансформатора тока Iнам.
Расчетный ток Iрасч для
дешунтируемых электромагнитов отключения, А
Полная погрешность
.10 Проверка трансформатора тока на
термическую и динамическую устойчивость
Условие электродинамической
устойчивости по кратности ударного тока к номинальному (первичному) току
трансформатора тока
Условие электродинамической
устойчивости
Где Кдин.кат - кратность
электродинамической устойчивости, которая приводится в справочниках на
трансформаторы тока. 160 ³ 6,5.
Кратность термической устойчивости
Где I¥ -
установившийся ток короткого замыкания, А;
tпр -
приведенное время действия тока короткого замыкания, с.
Условие термической устойчивости
Где Кt.кат - кратности
термической устойчивости по каталогу.
³ 9.
Для вторичной обмотки трансформатора
должно выполняться неравенство
Где Sн2 -
номинальная мощность вторичной обмотки трансформатора тока, МВ
А;
Sпр - мощность,
потребляемая приборами МВ
А;
I2 - ток во
вторичной обмотке трансформатора тока, А;
rпр, rк -
сопротивления проводов и контактов соответственно, Ом.
2. Расчет
дифференциальной токовой защиты без торможения
.1 Определение токов небаланса и токов
срабатывания защиты
Первичный ток небаланса, А
Составляющая, обусловленная
погрешностью трансформаторов тока, приведенная к регулируемой стороне ВН
гдеКапер - коэффициент,
учитывающий переходный режим; для реле с НТТ принимается равным 1;
Кодн - коэффициент
однотипности, принимается равным 1,0, если на всех сторонах трансформатора
ставится не более одного выключателя; принимается равным 0,5, если
трансформатор присоединен к сети через два выключателя, но только при
рассмотрении внешнего повреждения на этой стороне;
e
- относительное значение тока намагничивания, при выборе трансформаторов тока
по кривым предельных кратностей принимается равным 0,1;
Iк.макс -
периодическая слагающая тока (при t=0) при
расчетном внешнем трехфазном металлическом коротком замыкании, А.
Составляющая, обусловленная
регулированием напряжения защищаемого трансформатора
Где DUa, DUb - относительные погрешности,
обусловленные регулированием напряжения на сторонах трансформатора или
автотрансформатора DUрпн, В.
Рекомендуется принимать DU равным
половине суммарного диапазона регулирования напряжения на соответствующей
стороне трансформатора; Iaк.макс, Ibк.макс -
периодические составляющие токов (при t=0),
проходящих при расчетном внешнем коротком замыкании на сторонах, где
производится регулирование напряжения, А.
Составляющая, обусловленная
неточностью установки на коммутаторе реле РНТ (ДЗТ) расчетных витков
уравнительных обмоток
гдеWIрасч, WIIрасч - расчетные
числа витков обмоток РНТ для неосновных сторон;
IIк.макс, IIIк.макс -
периодические составляющие токов короткого замыкания (при t=0),
проходящих при расчетном внешнем коротком замыкании на сторонах, где
используются соответственно числа витков WI и WII, А.
Условие выбора первичного тока
срабатывания защиты при отстройке от тока небаланса
Где Кн - коэффициент
надежности, учитывающий ошибку реле и необходимый запас, принимается равным 1,3
для реле РНТ.

Условие выбора тока срабатывания
защиты при отстройке от броска тока намагничивания при включении ненагруженного
трансформатора под напряжение
Где Кн - коэффициент
отстройки защиты от бросков тока намагничивания, предварительно принимается
равным 1,3 при выполнении защиты с реле типа РНТ при условии, что надежность
отстройки уточняется при первом включении нового трансформатора под напряжение;
Iном.тр -
номинальный ток, соответствующий номинальной мощности трансформатора, А.
Предварительная проверка
чувствительности защиты при повреждении в зоне ее действия
Где Iр.мин - ток в
первичной обмотке НТТ реле серии ПНТ и ДЗТ, который в целях упрощения расчета
определяется в предположении, что весь ток повреждения проходит только по одной
стороне трансформатора тока, А. Вычисляется приведением первичного тока
повреждения коэффициент вторичной цепи трансформаторов тока этой стороны с
учетом вида короткого замыкания и схемы соединения трансформаторов.
Iср - ток
срабатывания реле, соответствующий числу витков первичной обмотки НТТ реле РНТ,
ДЗТ, используемых на той стороне, по которой проходит Iр.мин, А.
Расчетный ток реле дифференциальной
защиты Iр.мин в
зависимости от схемы соединения обмоток на стороне ВН или стороне НН в
зависимости от местонахождения точки короткого замыкания.
Вторичные токи в плечах
дифференциальной защиты трансформатора. Сторону, где проходит наибольший ток,
принимают за основную. Для этой стороны определяется ток срабатывания реле
где I/сз.осн - ток срабатывания
защиты, А;
nт -
коэффициент трансформации трансформаторов тока на основной стороне;
К/сх.осн -
коэффициент схемы для трансформаторов тока на основной стороне, который
определяется согласно схеме их включений.
Предварительное значение
коэффициента чувствительности
.2 Определение чисел витков обмоток
ННТ реле
Числа витков обмоток реле с учетом
того, что на коммутаторе реле РНТ можно практически подобрать любое целое число
витков как рабочей, так и уравнительных обмоток. Сторону, где проходит
наибольший ток рекомендуется принимать за основную. Для этой стороны ток
срабатывания реле определяется по выражению
Минимальное значение коэффициента
чувствительности при одностороннем питании Кч @ 2.
Число витков обмотки НТТ реле РНТ,
подключаемой к трансформаторам тока основной стороны
Где Fc.р -
магнитодвижущая сила, при которой срабатывает реле.
Условие равенства нулю (при неучете
небаланса) результирующей намагничивающей силы при режимах нагрузки или внешних
коротких замыканиях
Число витков обмотки НТТ, включаемой
на неосновной стороне
Число витков уравнительных обмоток
Число витков на неосновной обмотке
.3 Проверка трансформатора тока на
10% погрешность
Ток срабатывания защиты, А
Где Кзап=1,1; Ксз=2,5;
Кв=0,6; Iраб.макс@Iн; Iсз@Iкз=I¥.
Предельная кратность К10
расчетного тока
гдеIном -
номинальный ток трансформатора тока, А.
Расчетная нагрузка при выбранной
схеме соединения трансформаторов тока, Ом.
Сопротивление проводов, Ом
где
- длина провода, м; g - удельная проводимость,
м/Ом×мм2;
S - сечение
провода, мм2.
т.к трансформатор расроложен близко
По кривой предельных кратностей
получаем Zн.доп = 6, Ом.
Выше приведенные неравенства
выполняются, значит трансформатор работает с погрешностью e£10%.
.4 Проверка надежности работы
контактов реле
Обобщенный коэффициент
Здесь Iкз.макс -
максимально значение тока при коротком замыкании в месте установки защиты, А;
Iн -
номинальный первичный ток трансформатора тока, А.

Амплитудное значение напряжения на
выводах вторичной обмотки трансформатора тока (определяется без учета
апериодической составляющей тока к.з.), В
Где Ку - ударный
коэффициент.
Амплитудное значение напряжения на
выводах вторичной обмотки ТТ (проверка производится в режиме после
дещунтирования ЭВ), В
гдеU2доп -
допустимое значение U2, которое
равно 1000, В.
.
.6 Определение полной погрешности
трансформаторов тока
Значение тока намагничивания и
полной погрешности трансформаторов тока в режиме после дешунтирования ЭВ, В
гдеКн =1,8; К(2)сх.эо
- коэффициент схемы ЭО;
Z2ТТ -
сопротивление вторичной обмотки трансформатора тока, Ом.
Тока намагничивания по вольтамперной
характеристике трансформатора тока Iнам.
Расчетный ток Iрасч для
дешунтируемых электромагнитов отключения, А
Полная погрешность
.7 Проверка трансформатора тока на
термическую и динамическую устойчивость
Условие электродинамической
устойчивости по кратности ударного тока к номинальному (первичному) току
трансформатора тока
Условие электродинамической
устойчивости
Где Кдин.кат - кратность
электродинамической устойчивости, которая приводится в справочниках на
трансформаторы тока.
³ 6,5.
Кратность термической устойчивости
гдеI¥ -
установившийся ток короткого замыкания;
tпр -
приведенное время действия тока короткого замыкания.
Условие термической устойчивости
Где Кt.кат - кратности
термической устойчивости по каталогу.
³ 1,431.
Для вторичной обмотки трансформатора
должно выполняться неравенство
гдеSн2 -
номинальная мощность вторичной обмотки трансформатора тока, МВ
А;
Sпр - мощность,
потребляемая приборами МВ
А;
I2 - ток во
вторичной обмотке трансформатора тока, А;
rпр, rк -
сопротивления проводов и контактов соответственно, Ом.
2.8 Окончательная оценка
чувствительности дифференциальной защиты
Коэффициент чувствительности
дифференциальной защиты
гдеIр.мин - ток в
первичной обмотке НТТ реле серий РНТ и ДЗТ, который в целях упрощения расчета
определяется в предположении, что весь ток повреждения проходит только по одной
стороне трансформатора, А;
Iср - ток срабатывания
реле, соответствующий числу витков первичной обмотки НТТ реле РНТ, ДЗТ,
используемых на той стороне, по которой проходит ток Iр.мин, А.
Минимальный первичный ток на питающей стороне ВН
при трехфазном коротком замыкании на стороне НН трансформаторов с РПН.
трансформатор ток электромагнит
короткозамыкатель
Uмакс.вн =Uср.вн×(1+DUрпн).
Uмакс.вн =10×(1+0,15)=11,5,
кВ;
Заключение
В ходе проведенной курсовой работы
был проведен расчет токов короткого замыкания и максимальных токовых защит;
расчет дифференциальной токовой защиты без торможения, а также даны некоторые
рекомендации по уменьшению расчетных токов небаланса, а следовательно и
уменьшения тока срабатывания дифференциальной защиты; были определены полные
погрешности трансформатора, которые соответствуют допустимой погрешности;
произведен расчет трансформатора тока; а также определены средние значения
первичных и вторичных номинальных токов для всех сторон защищаемого
трансформатора.
Библиографический
список
1. Шабад М.А. Расчет релейной защиты
и автоматики распределительных сетей [Текст]: / М.А. Шабад. - Л.:
Энергоатомиздат, 1985. - 296 с.
. Андреев В.А. Релейная защита,
автоматика и телемеханика в системах электроснабжения [Текст]: / В.А. Андреев.
- М.: Высш. шк., 2006. - 639 с.