Релейная защита понижающих трансформаторов
Министерство
общего и профессионального образования
Российской
Федерации
Дальневосточный
Государственный Технический университет
Кафедра
электроэнергетики
КУРСОВАЯ
РАБОТА
по
дисциплине "РЕЛЕЙНАЯ ЗАЩИТА И АВТОМАТИКА СИСТЕМ ЭЛЕКТРОСНАБЖЕНИЯ"
Владивосток
2011
Содержание
Введение
. Расчет
токов короткого замыкания
. Релейная
защита кабельной линии
3.
Релейная защита асинхронного двигателя
4. Релейная
защита понижающих трансформаторов
. Схема
АВР секционного выключателя
Список литературы
релейный защита
двигатель трансформатор замыкание
Введение
. Расчет релейной защиты заключается в выборе
рабочих параметров срабатывания (уставок) как отдельных реле, так и комплексных
устройств релейной защиты при соблюдении требований селективности, чувствительности.
. На каждом участке в общем случае
устанавливается основная и резервная защита.
. Расчет защит проводится начиная с наиболее
удаленного от источника питания участка.
. Устройства релейной защиты должны обеспечивать
минимально-возможное время отключения короткого замыкания (КЗ) в целях
сохранения бесперебойной работы неповрежденной части системы и ограничения
степени повреждения элемента системы.
Рис.1 Схема соединений системы
электроснабжения
1. Расчет токов короткого замыкания
Расчет параметров электрической системы
Рис. 1.1 Схема замещения системы
электроснабжения (1,2,3,4 ─ точки для расчета токов короткого замыкания)
Сопротивление системы
Сопротивление воздушной линии
Сопротивление трансформаторов с
большим диапазоном регулирования напряжения
приняты согласно табл. 3.2. /1/.
Сопротивление КЛ1 , КЛ2
Сопротивления кабелей выбираем исходя из
экономической плотности тока.
Максимальная полная мощность кабельной линии
Экономическое сечение КЛ1 и КЛ2
Согласно табл. 7.28 /2/ выбираем
ближайшее большее сечение S=240 мм2, жилы
сталеалюминевые:
Сопротивление кабельной линии
Сопротивление КЛ3
Аналогично как для пункта 1.1.4
приведен расчет сопротивления кабельной линии КЛ3.
По заданию задан асинхронный
двигатель АД-200 , по табл. 4.2 /2/ выбираем двигатель
А03-400М-6У2 (паспортные данные
двигателя представлены в таблице 1.1)
Таблица 1.1 Паспортные
данные АД
|
Uн,кВ
|
Pн,кВт
|
cosφIп/Iн
|
|
|
|
6
|
200
|
93,5
|
0,86
|
6,5
|
Номинальный ток асинхронного двигателя
Экономическое сечение
Стандартное сечение, согласно табл.
7.28 /2/ qст =25 мм2:
Сопротивление кабельной линии КЛ3
Расчет токов короткого замыкания
Расчет токов короткого замыкания в
точке К1
Находим максимально возможный ток
короткого замыкания:
Расчет токов короткого замыкания в
точке К2
Находим максимально возможный ток
короткого замыкания
Приведение
к
нерегулируемой стороне низкого напряжения осуществляется по минимальному
коэффициенту трансформации:
Минимально возможный ток короткого
замыкания
Расчет токов короткого замыкания в
точке К3
Рассчитаем эквивалентные
сопротивления
максимальное
- минимальное
Приведем
к высокой
стороне
где
- коэффициент трансформации
силового трансформатора.
Эквивалентные сопротивления до точки
К3
максимальное
- минимальное
Максимально возможный ток короткого
замыкания в точке К3:
Приводим
к низкой
стороне
Минимально возможный ток короткого
замыкания в точке К3
Расчет токов короткого замыкания в
точке К4
Аналогично как для точки К3
рассчитаем сопротивления:
Максимально возможный ток короткого
замыкания в точке К3:
Приводим
к низкой
стороне
Минимально возможный ток короткого
замыкания в точке К3
Результаты расчетов
,
для высокой
стороны и низкой стороны сведены в таблицу
Расчет токов короткого двухфазного
замыкания
Ток короткого двухфазного замыкания
рассчитывается согласно выражению:
Результаты расчетов токов коротких
двухфазных замыканий представлены в таблице 1.2
Таблица 1.2 Токи
коротких замыканий в точках К1, К2, К3, К4
|
К1
|
К2
|
К3
|
К4
|
|
|
ВН
|
НН
|
ВН
|
НН
|
ВН
|
НН
|
|
,кА7,2951,8879,6271,467,4481,1946,091
|
|
|
|
|
|
|
|
|
,кА7,2951,217,3941,036,2940,9165,597
|
|
|
|
|
|
|
|
|
,кА6,3472,0536,4330,8965,4760,7974,869
|
|
|
|
|
|
|
|
2.
Релейная
защита кабельной линии
Расчет максимальной токовой защиты
Для защит линий, имеющих выключатели с
пружинными или пружинно-грузовыми приводами, максимальную токовую защиту и
токовую отсечку можно выполнить на встроенных в привод выключателя реле прямого
действия типа РТВ, имеющего ограниченно зависимую характеристику выдержки
времени, и реле типа РТМ мгновенного действия.
Максимальный рабочий ток в КЛ1 и КЛ2
где
- максимальная полная мощность
передаваемая кабельной линией.
Ток срабатывания МТЗ определяется по
выражению:

Котс - коэффициент отстройки;
Кв - коэффициент возврата;
Кз - коэффициент самозапуска.
Коэффициент Кз для линий, питающих
промышленную нагрузку, можно определить по формуле:
При раздельной работе двух линий
(КЛ1 и КЛ2) с устройством АВР на секционном выключателе и действии АВР (АВР РП)
после отключения одной из них (например КЛ2) бездействие МТЗ оставшейся в
работе линии (КЛ1) будет обеспечено выбором тока срабатывания защиты:
где
- коэффициент, учитывающий
увеличение тока по КЛ1 из-за понижения напряжения при подключении у ней
затормозившихся двигателей, ранее питавшихся от Л2.
За расчетный принимается наибольший
ток срабатывания защиты
Ток срабатывания реле
где
- коэффициент трансформации
трансформатора тока.
Коэффициент чувствительности защиты
где
- ток короткого двухфазного
замыкания в конце защищаемого участка сети в минимальном режиме.
Время срабатывания МТЗ выбирается из
условий селективности защиты и термической стойкости защищаемого элемента.
Время срабатывания последующей защиты (расположенной ближе к источнику питания)
где
- время срабатывания предыдущей
защиты (взято согласно заданию);
- ступень селективности.
Расчет токовой отсечки
Ток срабатывания токовой отсечки
выбирается по условию отстройки от максимального тока трехфазного КЗ в конце
линии:
где
- взято из табл. 4.1. /1/.
Ток срабатывания реле
При выполнении МТЗ на реле типа РТВ
отсечка выполняется с помощью реле РТМ. Принято к установке реле РТМ. Схема
защиты кабельной линии КЛ1 приведена на рис. 2.
<1,5
Токовая отсечка без выдержки времени
не устанавливается так как коэффициент чувствительности меньше 1,2 при КЗ в
месте установки отсечки.
Схема максимальной токовой защиты
КЛ1 и КЛ2 представлена на рисунке 2.1.
Рис. 2.1 Принципиальная схема
двухфазной двухрелейной защиты линии от междуфазных КЗ
(максимальная токовая защита)
3. Релейная защита асинхронного
двигателя
На электродвигателях должны предусматриваться
защиты от многофазных КЗ и в случаях, оговоренных далее, защита от однофазных
замыканий на землю, защита от токов перегрузки и защита минимального
напряжения.
Расчет токовой отсечки
Номинальный ток АД
Выбираем трансформатор тока ТПЛ-10
- коэффициент трансформации
Первичный ток срабатывания отсечки
отстраивается от пускового тока электродвигателя по выражению:
где
─ коэффициент отстройки,
учитывающий помимо апериодических составляющих в токе реле при переходных
режимах еще и погрешности реле и необходимый запас.
─ кратность пускового тока;
─
номинальный ток двигателя.
Ток срабатывания реле:
где
─ коэффициент схемы в режиме
трехфазного КЗ
Чувствительность отсечки
определяется по формуле:
>2
где
─ вторичный ток двухфазного КЗ
на выводах двигателя при минимальном режиме питающей системы.
Расчет защиты от замыканий на землю
обмотки статора
Защита от замыканий на землю АД
U=6кВ работающих в сети с изолированной нейтралью, выполняется с помощью одного
реле типа РТЗ-51, подключенного к трансформатору тока нулевой
последовательности (ТНП) типа ТЗР.
Ток срабатывания защиты выбирают из
условия несрабатывания защиты при внешнем однофазном замыкании на землю:
А<10А
где
=1,2 ─коэффициент отстройки;
= 2 ─коэффициент, учитывающий
бросок собственного емкостного тока в момент зажигания дуги;
Ic ─
установившееся значение собственного емкостного тока защищаемого присоединения
.
Значение Ic
определяется как сумма емкостных токов двигателя и линии от места установки ТНП
до линейных выводов двигателя:
Собственный емкостной ток:
Для асинхронных двигателей с
короткозамкнутым ротором :
где Sн ─ номинальная мощность
двигателя ,МВАн─ номинальное напряжение, кВ
Емкостной ток кабельной линии Iсл
можно рассчитать по формуле
Где
=
А удельный емкостной ток однофазного
замыкания на землю, выбираем по таблице 5.2 /1/;
L─
длина линии, км
m─
число кабелей в линии
Ток срабатывания защиты должен быть
не только с определенным запасом меньше опасного для электродвигателей тока
(10А- мощностью до 2МВт), но и обеспечивать чувствительность КЛ3, питающей двигатель.
Эти требования выполняются при условии:

>2
Схема защиты асинхронного двигателя
представлена на рисунке 3.1.
Рис. 3.1 Схема защиты асинхронного
двигателя.
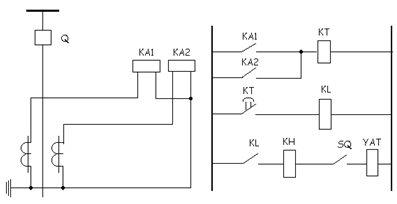
4. Релейная защита понижающего
трансформатора
На трансформаторах должны быть
предусмотрены следующие защиты:
1. защита от многофазных КЗ в обмотках и
на выводах;
2. защита от однофазных КЗ в обмотке и на
выводах, присоединенных к сети с глухозаземленной нейтралью;
. защита от витковых замыканий в
обмотках;
. защита от токов в обмотках,
обусловленных внешними КЗ;
. защита от токов в обмотках,
обусловленных перегрузкой;
. защита от понижений уровня масла;
. защита от замыканий на землю в сетях
6-10кВ с изолированной нейтралью, если трансформатор питает сеть, в которой
отключение однофазных замыканий на землю необходимо по требованию безопасности.
Защита трансформатора от коротких многофазных
замыканий в обмотках и на выводах.
По условию задания производим расчет защиты для
трансформатора мощностью 10МВА.
Так как исходная мощность больше 6,3МВА то
считаем продольную дифференциальную защиту с реле типа РНТ-565. Расчет токовой
отсечки не производим.
Определяем первичные токи для всех обмоток
защищаемого трансформатора
Выбираем типы трансформаторов тока, их
коэффициенты трансформации и схемы соединений для всех сторон защищаемого
трансформатора.
Для стороны 35кВ выбираем трансформатор тока
ТПОЛ-35
Для стороны 6кВ выбираем
трансформатор тока ТПОЛ-6
=1
Расчет вторичных токов в плечах
защиты:
Выбор основной стороны защищаемого
трансформатора
За основную сторону принимаем
сторону, которой соответствует наибольший из вторичных токов в плечах защит. В
данном случае за основную сторону принимаем сторону 6кВ.
Расчет первичного тока срабатывания
защиты.
Отстройка от расчетного тока
небаланса при переходном режиме внешнего КЗ производится по выражению:
где
представляет из суммы вида:
где
─ составляющая тока
небаланса, обусловленная погрешностью трансформатора тока;
─ составляющая тока
небаланса, обусловленная регулированием напряжения защищаемого трансформатора
где
- периодическая составляющая тока,
проходящего через трансформатор при расчетном внешнем КЗ, приведенного к
основной стороне;
=1 - коэффициент, учитывающий
влияние на быстродействие защиты переходных процессов при КЗ, которые
сопровождаются прохождением апериодических составляющих в токе КЗ;
- коэффициент однотипности ТА;
=0,1 - погрешность ТА;
- половина регулировочного диапазона
устройства РПН в о.е.
Предварительная проверка
чувствительности
где
- минимальное значение
периодической составляющей тока КЗ рассматриваемого вида КЗ, приведенного к
стороне основного питания;
- ток срабатывания защиты,
приведенного к стороне основного питания;
- коэффициент схемы, определяемый
видом повреждения (m), схемой соединения ТА на стороне основного питания и
схемой соединения обмоток защищаемого трансформатора.
Расчет тока срабатывания реле,
приведенного к основной стороне:
Расчет числа витков обмотки НТТ реле
для основной стороны:
где
- магнитодвижущая сила (МДС)
срабатывания реле РНТ-565, принимается равной 100А.
Принимается меньшее ближайшее число
витков
4
Расчет числа витков обмоток
неосновной стороны защищаемого трансформатора
где
─ токи в плечах дифзащиты для
основной и неосновной сторон.
Принимается ближайшее целое число
витков
5
Определяем первичный уточненный ток
небаланса с учетом составляющей
962.7+866.43+843=2672,А
где
- составляющая тока небаланса,
обусловленная неточностью установки на реле расчетных чисел витков для
неосновной стороны.
Определяем ток срабатывания защиты
по уточненному значению тока небаланса
Определяем коэффициент
чувствительности защиты:
Согласно ПУЭ коэффициент
чувствительности для продольной дифференциальной защиты трансформатора должен
быть около 2,0.
Отстройка от броска намагничивающего
тока:
где
- номинальный ток, соответствующий
номинальному напряжению среднего ответвления устройства РПН и номинальной
мощности трансформатора;
- коэффициент отстройки от броска,
намагничивающего тока.
Защита от токов, обусловленных
короткими внешними замыканиями (МТЗ)
Ток срабатывания защиты

─ коэффициент, учитывающий
увеличение тока в условиях самозапуска электродвигателей
Время срабатывания защиты
Коэффициент чувствительности для МТЗ
Защита от токов в обмотках,
обусловленных перегрузкой
Ток срабатывания защиты от
перегрузки:
где
- номинальный ток обмотки
трансформатора с учетом регулирования напряжения, на стороне, на которой
установлена реле.
Защита от перегрузки устанавливается
в одной фазе и действует на сигнал. Защита силового трансформатора
представлена на рисунке 4.1.
Газовая защита
Газовая защита масляного
трансформатора реагирует на витковые замыкания, пробои изоляции на корпус и на
понижения уровня масла, но не реагирующая на КЗ на выводах трансформатора.
Газовая защита осуществляется
газовым реле типа ПГЗ-22 . Повреждения внутри трансформатора, витковыми и
междуфазными замыканиями, сопровождаются выделением газа и понижением уровня
масла в трансформаторе. При всех видах повреждения газы, образовавшиеся в
результате разложения масла и изоляции проводов, направляются через газовое
реле, установленное на трубопроводе, соединяющем бак трансформатора с
расширителем, и вытисняют масло из камеры реле в расширитель. В результате
этого уровень масла в газовом понижается, а прикрепленные к ним колбочки с
ртутными контактами поворачиваются. При этом действует предупреждающий сигнал.
При бурном газообразовании,
сопровождающемся течением струи масла под давлением, поворачиваются поплавок и
колбочка с контактами. Последние, замыкаясь, действуют через промежуточные и
указательные реле на отключение.
5.
Схема
АВР секционного выключателя
Устройство АВР предназначена для быстрого ввода
резервирующего элемента при исчезновении питания на шинах потребителя со
стороны основного элемента .
АВР является эффективным средством, повышающий
надёжность электроснабжения потребителя .Успешность действия АВР составляет 90
- 95 %.Кроме того , АВР позволяет сохранить преимущество одностороннего питания
в отношении упрощения устройств релейной защиты и уменьшения токов КЗ , что
облегчает работу силового оборудования , выключателей , удешевляет стоимость
сооружений и упрощает накладку и обслуживание в эксплуатации .
Схемы цепей управления и АВР выключателей Q1
и Q2 оборудованных,
согласно заданию, пружинным приводом для двухтрансформаторной подстанции
представлены на рис. 5, 6.
Устройство автоматического ввода резерва (АВР)
обычно состоит двух частей:
· Защита минимального напряжения,
дополняющая защиту рабочего источника питания. Эта защита при включенном
устройстве АВР обеспечивает отключение рабочего источника питания во всех
случаях, когда питание потребителей электроэнергии прекращается.
· Автоматика включения, обеспечивающая
автоматическое включение резервного источника питания при отключении
выключателя рабочего источника.
Для фиксации исчезновения напряжения на секциях
шин в схеме используется реле минимального напряжения (1 и 2 на первой секции,
реле 3 и 4 - на второй) с размыкающимися контактами. Контакты обоих реле
соединены между собой последовательно, чем предупреждается действие защиты
минимального напряжения при перегорании предохранителя в цепи трансформатора
напряжения. Защиту минимального напряжения выполняют с выдержкой времени, для
чего в схеме защиты предусматривают реле 5. Выдержку времени последнего
принимают на ступень времени больше времени действия защит отходящих линий.
При повреждении трансформатора Т - 1 срабатывает
его релейная защита и отключается выключатели В - 1 и В - 2. Выключатель В - 2
при этом блокконтактами 4 своего привода через замкнутые контакты
промежуточного реле 7 замыкает цепь контактора электромагнита включения
секционного выключателя В - 5. Последний включается и восстанавливает питание
секции С - 1 от трансформатора Т - 2. Одновременно этим блокконтакты 3 привода
выключателя В - 2 разрывают цепь обмотки промежуточного реле 7, которое по
прошествии примерно 0,5 сек. размыкает свои контакты и размыкает цепь включения
выключателя В -5.
Если выключатель В - 5 будет включен на не
устранившееся короткое замыкание, например, на первой секции сборных шин, то
срабатывает его релейная защита и отключит его. Повторно выключатель В - 2
включиться не может, так как к моменту его отключения реле 7 уже разомкнет свои
контакты и запретит тем самым повторное действие АВР.
При ошибочном включении выключателя В - 2
блокконтакты его привода 4 тоже замыкаются, и выключатель В - 5 немедленно
отключается.
Если по какой-либо причине отключится
выключатель В - 1, то через блок-контакты 1 его привода будет подан импульс
тока на электромагнит отключения привода выключателя В - 2, последний
отключится, а выключатель В -5 немедленно включения.
Список литературы:
1
Лю
Г.П. Методические указания к курсовой работе по дисциплине "Релейная
защита и автоматика систем электроснабжения". - Владивосток. ДВГТУ.- 1997.
2 Неклепаев
Б.Н., Крючков И.П. Электрическая часть электростанций и подстанций: Справочные
материалы для курсового и дипломного проектирования. - М.:Энергоатомиздат,
1989. - 608 с.
3
Берткович
М.А. и др. Основы автоматики энергосистем. - М.:Энергоатомиздат, 1981. - 432 с.