Релейная защита и автоматика систем электроснабжения

  • Вид работы:
    Курсовая работа (т)
  • Предмет:
    Физика
  • Язык:
    Русский
    ,
    Формат файла:
    MS Word
    224,66 kb
  • Опубликовано:
    2010-06-03
Вы можете узнать стоимость помощи в написании студенческой работы.
Помощь в написании работы, которую точно примут!

Релейная защита и автоматика систем электроснабжения














Курсовая работа

Релейная защита и автоматика систем электроснабжения

Содержание

Задание на курсовую работу

1. Расчет параметров схемы замещения

1.1 Расчет удельных и полных сопротивлений линий

1.2 Расчет сопротивлений трансформаторов

1.3 Расчет параметров энергосистемы

2. Расчет токов короткого замыкания

3. Выбор и обоснование типа защит

3.1 Защита цеховых трансформаторов

3.2 Защита магистральной линии

3.2.1Селективная токовая отсечка

3.2.2 Максимальная токовая защита

3.2.3 Выбор времени срабатывания максимальной токовой защиты

3.3 Токовая зашита нулевой последовательности трансформатора 10,5/0,4 кВ

3.4 Расчёт установок защиты понижающих трансформаторов 35/10 кВ

3.4.1Дифференциальная защита от межлуфазных КЗ

3.4.2 Максимальная токовая защита от внешних КЗ

3.4.3 Газовая защита трансформатора

3.4.4 Максимальная токовая защита трансформаторов от перегрузки

3.4.5 Проверка ТТ по условию 10% погрешности

3.5 Расчёт двухступенчатой токовой направленной защиты линий W1,W2,W3

3.5.1 Расчёт защиты линии W1

3.5.2 Расчёт защиты линии W2

3.5.3 Расчёт защиты линии W3

3.5.4 Согласование времени срабатывания защит

Список использованных источников

Задание на курсовую работу


Выполнить расчет релейной защиты схемы участка сети.

Таблица №1 Исходные данные варианта расчетной схемы

Наименование расчетного параметра

Значение исходных параметров варианта схемы

Мощность МВА трехфазного КЗ на шинах подстанции


520

Типы выключателей на 37 кВ


ВМКЭ

Напряжение оперативного тока подстанции

1

=

2

~

3

~

4

~

Мощность трансформатора МВА

1

16

2

16

3

4

0,63

5

0,4

6

0,63

Длина линий электропередачи км

1

10

2

8

3

4

4

4

5

5

6

4

7


Таблица №2 Исходные параметры электропотребителей.

Наименование параметра электропотребителя

Значение параметра электропотребителя

Вариант 2

HI

Мощность S, МВ-А

Коэффициент самозапуска

Выдержка времени зашиты, с

4,5

2,7

0,7

Н2

Мощность S, МВ-А

Коэффициент самозапуска

Выдержка времени зашиты, с

4,8

2,5

0,8

НЗ

Мощность S, МВ-А

Коэффициент самозапуска

Выдержка времени зашиты, с

3,9

1,9

1

Н4

Мощность S, МВ-А

Коэффициент самозапуска

Выдержка времени зашиты, с

4,5

2,4

0,9


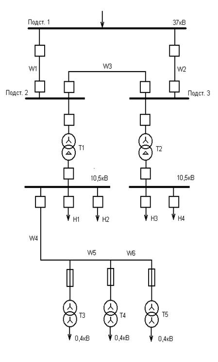
Рис.1.Схема задания

1. Расчет параметров схемы замещения

 

1.1 Расчет удельных и полных сопротивлений линий


Удельное индуктивное сопротивление линии определяется по формуле:

Х0 = 0,144 *lg(DCР/r ПР) + 0,016.

Известными здесь являются: Dcp 10кв = 1100 мм Для определения радиуса провода необходимо рассчитать длительно допустимый рабочий ток в проводе, для которого затем следует подобрать сечение. Например, для линии W3:

I раб.w6 = 1,05*SТ6/( *UНОМ)=1,05*0,63/( *10,5)=36,4 А

принимаем, согласно ПУЭ : j ЭК10КВ = 1,2 А/мм2.

Отсюда расчетное сечение W6:

Fpw6 = Ipaб.w6/ jэк10 = 36,4/ 1,2 = 28,8 мм2.

Принимаем стандартное сечение провода Fст w6 = 35 мм 2

Все расчеты сведены в таблицу №3.

Таблица №3 Исходные и расчетные параметры линий

Обозначение параметра

Значение параметра для номера линии

W1

W2

W3

W4

W5

W6

Iраб, А

280

280

152,4

95,84

59,47

36,4

Fp, мм2

233

233

126,97

68,46

42,48

26

F СТ , мм 2 (А1)

240

240

150

70

50

35

r 0 , Ом/км

0,12

0,12

0,195

0,6

0,592

0,773

x 0, Ом/км

0,394

0,394

0,393

0,388

0,356

0,364

Rw,Ом

0,0966

0,0773

0,0628

2,4

2,96

3,1

Xw,Ом

0,317

0,2538

0,1266

1,552

1,78

1,456

Zw,Ом

0,3314

0,2653

0,1413

2,858

3,454

3,425

Длина ЛЭП, км

10

8

4

4

5

4

 

1.2 Расчёт сопротивлений трансформаторов


Рассчитаем составляющие сопротивления трансформатора Т1:

R тр = Р К • U HOM 2/ S HOM 2= 90*372 /(160002(37/10,5)2)=0,0386 Ом;

X тр = U K % • U HOM 2/(100 • S HOМ) = 8 • 372 /(100 • 16• (37/10,5)2) = 0,55 Ом.

В таблице №4 приведены результаты расчетов всех трансформаторов.

Таблица №4 Исходные и расчетные параметры трансформаторов

Обозначение параметра

Значение параметра

Т1

Т2

ТЗ

Т4

Т5

Т6

Тип трансформатора

ТД -16000

ТД -16000

ТM - 630

ТM - 400

ТM - 630

Uном, кВ

37/10,5

37/10,5

10,5/0,4

10,5/0,4

10,5/0,4

Iном, A

250

250

34,64

22

34,64

Pk, кВт

90

90

76

5,5

76

Uk, %

8

8

5,5

4,5

5,5

Rt, Ом

0,0386

0,0386

2,11

3,79

2,11

Хт, Ом

0,55

0,55

9,625

12,4

9,625

Zт, Ом

0,5486

0,5486

9,854

12,96

9,854

 

1.3 Расчет параметров энергосистемы


Параметры энергосистемы также приведены к стороне 10,5 кВ:

Х с=UСР2/(*SК(3))=10,52/(*520)=0,1224 Ом;

EСР=UСР/=10,5/=6,06 кВ.

2. Расчет токов короткого замыкания


Расчет токов КЗ производим без учета подпитки со стороны нагрузки.

Определяем эквивалентное сопротивление от энергосистемы до точки КЗ и рассчитываем ток по формуле:

Iкз =Eс/Zэкi;

Результаты расчетов сведены в таблицу №5.

Таблица №5 Расчетное значение тока трехфазного КЗ


Рис.2.Схема замещения

3. Выбор и обоснование типа защит


Согласно ПУЭ, в качестве защиты от токов, обусловленных короткими замыканиями за трансформаторами (Т4, Т5, Т6), могут использоваться предохранители, если мощность этих трансформаторов не превышает 1 МВА.

Для одиночно работающих трансформаторов Т1, Т2 мощностью 6,3 MBA и более устанавливаются следующие типы защит:

- от многофазных КЗ в обмотках и на выводах - дифференциальная продольная токовая защита; для проектируемых подстанций при расчете дифференциальной защиты рекомендуйся использовать наиболее совершенное реле с торможением серии ДЗТ,

- для защиты от токов, протекающих через трансформатор при КЗ на шинах низшего напряжения (внешнее КЗ), используют МТЗ с минимальной выдержкой времени;

- для защиты от перегрузки на всех трансформаторах устанавливается МТЗ;

- от понижения уровня масла и от повреждений внутри кожуха, сопровождающихся выделениями газа, предусматривается газовая защита

 

3.1 Защита цеховых трансформаторов


Выбираем для зашиты трансформаторов Т4, Т5, Т6 предохранители типа ПКТ из условий отстройки от максимального рабочего тока и от броска тока намагничивания при включении трансформатора на холостой ход.

Исходя из первого условия, например для трансформатора Т4:

IРАБ.МАХ Т4=ST4/(*UНОМ T4)=630/(*10,5)=34,64 А

По второму условию обычно принимают номинальный ток плавкой вставки, равным

Iном.пл.вст т4 = 2,0 • Iном т4 = 2,0 • 34,64 = 69,3 А

где 2,0 - коэффициент отстройки от броска тока намагничивания трансформатора.

Выбираем для Т4 предохранитель с номинальным током 80 А. По время-токовой характеристике оцениваем время плавления при двухфазном КЗ за трансформатором.

Результаты выбора сводим в таблицу №6.

Таблица №6 Расчет параметров плавких предохранителей

Обозначение на схеме

Мощность Т,

КВА

Iном т,

А

Тип предохранителя

Iном.пл.вст,

А

Время плав л,

с

Т4

630

34,64

ПКТ-103-10-80

80

0,25

Т5

400

22

ПКТ- 103- 10-50

50

0,2

Т6

630

34,64

ПКТ- 103- 10-80

80

0,25


Времятоковую характеристику предохранителя с наибольшим номинальным током переносим из [4] на карту селективности. Известно, что отклонения ожидаемого тока плавления плавкого элемента при заданном времени плавления от типовых значений достигают ± 20%. Поэтому типовая характеристика 1 должна быть смещена вправо на 20 %.

 

3.2 Защита магистральной линии


Устанавливаем двухступенчатую токовую защиту, выполненную по двухрелейной схеме на основе реле прямого действия типа РТ-40.Токовая отсечка в данном случае может быть эффективной ,так как достаточно велико различие между токами КЗ в месте подключения ближайшего трансформатора Т4 (Iк(3)=1750А) и в месте в месте установки защиты магистральной линии(Iк(3)=1120А) Для определения типа трансформаторов тока двухступенчатой защиты рассчитаем максимальный рабочий ток, который равен сумме номинальных токов трансформаторов Т4, Т5, Т6 :

Ipa6.maxwl = Iном т = 34,64+34,64+22 = 91,28 А.

Выбираем ТПЛ-10К класса Р, КI = 600 / 5.

 

3.2.1 Селективная токовая отсечка

Определяется ток срабатывания селективной отсечки по условию отстройки от тока КЗ в конце участка W4, где подключен первый цеховой трансформатор:

Iс.о. >= 1,25 • I К5 = 1,25 • 1751 = 2188,75 А.

Проверяем надежность отстройки от бросков тока намагничивания:

Ic.о > (4-5) • Iном т = (4-5) • 91,28 = (365,12-456,4) < 2188,75 A.

Принимаем схему ТТ, соединенных в неполную звезду, в фазные провода которой включены реле РТ–40 .

Ток срабатывания реле :

=18,24 А.

Принимаем реле РТ-40/20 с уставкой 20 А. Уточняем Iсо= 120*20=2400 А.

Токовая отсечка устанавливается на тех линиях, согласно требованиям ПУЭ, где она защищает более 20% её длины, поэтому, в данном случае коэффициент чувствительности не проверяется.

 

3.2.2 Максимальная токовая защита

МТЗ отстраивается от суммы номинальных токов всех трансформаторов, подключенных к защищаемой линии. Коэффициент самозапуска в этом случае принимается минимальным значением 1,2-1,3. Отсюда

91,28=228,2 А.

Согласно методике [4], зависимая характеристика времени срабатывания от тока реле РТВ должна быть согласована с времятоковой характеристикой предохранителя трансформатора. Ток срабатывания РТ40 отстраивается от 1,2 тока плавления предохранителя, соответствующего времени плавления 5 с:

Iс.з>= 1,2 *Iпл.с5 = 1,2*275 = 330 А.

Округляем ток срабатывания защиты до 360 А. С учетом имеющихся уставок реле PT40/6 и коэффициента трансформации ТТ (КI = 120)

Iс.р.=Ic.з.*Кс.х./Кт=360*1/120=3А, Iуст=3А

k(2)Ч.ОСН =I(2)К5/IСЗ=1516/360=4,2>1,5

Определяем коэффициент чувствительности в зоне резервирования, т.е. при КЗ на шинах низшего напряжения трансформаторов ответвлений. Вначале производится расчет для ближайшего трансформатора Т4 (точка К8):

k(2)Ч. РЕЗ. =410/360=1,14<1,2

Для трансформатора Т5 (точка К9):

k(2)Ч. РЕЗ. =276/360=0,77<1,2

Для трансформатора Т6 (точка К10):

k(2)Ч. РЕЗ. =282/360=0,78<1,2

Согласно ПУЭ, допускается иметь коэффициент чувствительности в зоне резервирования менее 1,2 , поэтому оставляем реле РТ40/6.

Проверим ТТ на 10% погрешность. Предельную кратность определяем по результатам расчета отсечки:

K10=1,1 •Ico/ Iном тт

K10=1,1 • 2400/600=4,4.

По кривым предельной кратности для ТПЛ-10К Zн.дon = 2,2 Ом.

Фактическое расчетное сопротивление нагрузки:

Zн.расч = 2*Rnp + Zртм + Zрт40 + Rnep

Сопротивление реле РТ40 определяется по формуле:

Z=SРЕЛЕ / I2с.р

Zрт40/20=0,5 / 202 = 0,00125 Ом.

Zрт40/6=0,5 / 32 = 0,0556 Ом.

Примем сопротивление прямого и обратного проводов Rnp = 0,6 Ом и переходное сопротивление в контактных соединениях Rnep=0,1Ом.

Результирующее сопротивление равно


что меньше, чем Zн.дon.= 2,2 Ом и, следовательно, полная погрешность ТТ<10%.

 

3.2.3 Выбор времени срабатывания максимальной токовой защиты

Cтупень селективности для реле типа РТ-40 принимается t = 0,3с.Переносим из [2] характеристику срабатывания РТ-40 и строим ее на карте селективности по точкам, две из которых уже определены:

а) ток срабатывания РТ-40 на уровне 1 с,

б) время срабатывания РТ-40

 

3.3 Токовая зашита нулевой последовательности трансформатора 10,5/0,4 кВ


Токовая защита нулевой последовательности устанавливается в случае недостаточной чувствительности МТЗ линии W4 при однофазных КЗ на стороне 0,4 кВ. Обычно эта защита действует на отключение выключателя на стороне ВН трансформатора.При наличии предохранителя допускается её действие на автоматический выключатель со стороны НН трансформатора.

Ток срабатывания защиты выбирается по следующим условиям [4]:

а) отстройка от наибольшего допустимого тока небаланса (приведен к стороне 0,4 кВ) в нулевом проводе трансформатора в нормальном режиме, например, для Т4:

Iс.з = kн - Iнб = 0,5 • IномТ4 = 0,5 • 34,64/(0,4/10,5) = 454,6 А;

б) согласование чувствительности при однофазных КЗ на землю на стороне 0,4 кВ с использованием характеристик защитных устройств (предохранители, максимальные расцепители автоматов) электродвигателей и линий 0,4 кВ, не имеющих специальных защит нулевой последовательности;

в) обеспечение достаточной чувствительности при однофазных КЗ на землю на стороне 0,4 кВ в зоне основного действия (k Ч.ОСН >=2,0), а также обеспечение резервирования защитных устройств присоединений шин 0,4 кВ, например для Т4:

Расчетный ток в реле при условии металлического КЗ без учета сопротивления питающей энергосистемы до места включения трансформатора Т4:


где 0,333 • Z(1)T4 - справочная величина, приведенная к стороне 0,4 кВ в данном случае равна 0,042 Ом

Таким образом, ток однофазного КЗ, приведенный к стороне 0,4 кВ, равен:

I(1)к8 =220/0,042=52,38 А.

Определяем коэффициент чувствительности при однофазном КЗ за трансформатором Т4.

k(1)Ч.ОСН = I(1)к8/Iсз=5238,1/454,6=11,5>2

Защита выполняется с действием на независимый расцепитель автоматического выключателя со стороны трансформаторов Т4,Т5,Т6.

Расчеты защиты нулевой последовательности для трансформаторов 10,5/0,4 кВ сведены в таблицу №7.

Таблица №7. Расчет защиты нулевой последовательности трансформаторов 10,5/0,4 кВ

Обозначение расчетного параметра


Т4

Т5

Т6

Номинальный ток на НН, А

909

578

909

Ток срабатывания защиты, А

454,6

288,7

454,6

Коэффициент трансформации ТТ

600/5

600/5

600/5

Ток срабатывания реле расчетный, А

3,78

2,4

3,78

Тип реле

РТ – 40

РТ – 40

РТ – 40

Уставка реле, А

4

3

4

Ток срабатывания защиты уточненный, А

480

360

480

Сопротивление трансформатора при однофазном КЗ, Ом

0,042

0,065

0,042

Ток однофазного КЗ за трансформатором, А

5238,1

3384,6

5238,1

Коэффициент чувствительности

11,5

11,7

11,5

 

Номинальный ток на стороне НН:


Iнт4=Iном т4*Kт=34,64*10,5/0,4=909A.

 

3.4 Расчет установок зашиты понижающих трансформаторов 37 /10,5 кВ

 

3.4.1 Дифференциальная защита от междуфазных КЗ

В качестве основной защиты от междуфазных КЗ на одиночных трансформаторах мощностью 6,3 MBА и больше, устанавливается дифференциальная продольная токовая защита на основе реле ДЗТ-11, Расчет приведен для трансформатора Т1 для стороны 10,5кВ. Удобнее представлять формулы и расчеты в табличной форме.

Таблица № 8 Определение вторичных токов в плечах защиты.

Наименование расчетного параметра

Численное значение для стороны

Т1

37 кВ

10,5кВ

Первичный номинальный ток трансформатора, А

250

880

Коэффициент трансформации трансформатора тока KI

600/5

600/5

Схема соединения обмоток трансформаторов тока

Y

Вторичный ток в плечах защиты , A

3,6

7,3

Тип трансформатора тока

ТФНД-35М

ТПОЛ-10


Определяется первичный ток небаланса, приведенный к стороне 10,5 кВ, без учета третьей составляющей небаланса, обусловленной отличием расчетных и фактически устанавливаемых витков дифференциального реле:

Iнб = Iнб' + Iнб’’ = (Kanep * Kодн *S + )*I(3)к4 =(1*1*0,1+0,1)*7,12 = 1,424 A,

где  - половина суммарного диапазона регулирования напряжения на стороне ВН.

Определяется предварительное значение тока срабатывания защиты по условию отстройки от броска тока намагничивания, приведенное к стороне 35 кВ:

Iс.з.т1=Кн*Iном вн=1,5*250 = 375 А.

Это условие при использовании реле ДЗТ-11 является единственным, так как наличие торможения в этом реле позволяет в расчетах тока срабатывания не учитывать ток небаланса (в отличие от расчета на основе реле РНТ-565).

Таблица № 9 Определение числа витков дифференциальной и уравнительной обмоток

Наименование параметра и расчетное выражение

Численные значения

Ток срабатывания реле основной стороны (ВН)

Iс.р.осн =Iс.з*Ксх(3)/Кi вн, А

375*/120=5,4

Число витков уравнительной обмотки основной стороны, расчетное, вит.

100/5,4=18,4

Числи кивков с основной стороны, округленное (в меньшую сторону), вит

18

Число витков уравнительной обмотки неосновной стороны, расчетное, вит.

18*3,6/7,3=8,9

Число витков реле неосновной стороны, округленное (в ближайшую сторону), вит.

9

Третья составляющая небаланса, приведенная к стороне 10,5 кВ, А

Ток небаланса с учетом третьей составляющей, приведенный к стороне НН, А

1424 +79=1503


Определяется число витков тормозной обмотки реле ДЗТ-11, необходимое для обеспечения не действия защиты при внешнем трехфазном КЗ (точка К4);

=1,5*1503*9/(7120*0,8)=3,56 вит,

где  =0,8 - тангенс угла наклона касательной на графике тормозной характеристики реле типа ДЗТ-11. Принимаем ближайшее большее число витков тормозной обмотки  = 4.

Определяем коэффициент чувствительности защиты при КЗ за трансформатором на выводах, когда ток повреждения проходит только через ТТ стороны 35 кВ, и торможение в реле, следовательно, отсутствует. Значение трехфазного тока при КЗ за трансформатором (точка К4), приведенное к стороне ВН, равно:

I(3)К4ВН= I(3)К4ННI =7120/(37/10,5)=2021А.

В соответствии с таблицей 1 [1], для схемы соединения обмоток ТТ в треугольник расчетный ток в реле при двухфазном КЗ за трансформатором равен:

=1,5*2021/120=25,3 А.

Защита подключается к ТТ типа ТПОЛ-10, KI =600/5. Коэффициент чувствительности:

К(2)ч = /Iс.р. =25,3/5,4=4,7>2,0.

Расчет уставок дифференциальных защит трансформаторов Т1,Т2 приведён в табличной форме(Таблица 10,11).

Таблица№10 Определение вторичных токов в плечах защиты

Наименование параметра

Значение параметра

Т1

Т2

Тип трансформатора

ТД-16000/35

ТД-16000/35

Первичный номинальный ток трансформатора, А

250/880

250/880

Группа соединения трансформатора

Y /-11

Y /-11

Коэффициент трансформации ТТ

600/5

600/5

Схема соединения обмоток ТТ

 / Y

 / Y

Вторичный ток в плечах защиты I2, A

7,3/3,6

7,3/3,6

Тип трансформатора тока

ТПОЛ-10

ТПОЛ-10


Таблица №11 Определение числа витков дифференциальной, уравнительных и тормозной обмоток реле ДЗТ-11 защиты трансформаторов Т1,Т2

 Наименование параметра

Значение параметра

Т1

Т2

Ток срабатывания защиты , А

375

375

Ток срабатывания реле основной стороны (ВН), А

5,4

5,4

Число витков уравнительной обмотки основной стороны, расчетное, вит.

18,4

18,4

Числи витков реле основной стороны, округленное, вит

18

18

Число витков неосновной стороны, расчетное, вит.

8,9

8,9

Число витков неосновной стороны , округленное, вит.

9

9

Ток трехфазного КЗ приведённый к 10,5 кВ , А

7120

7120

Первичный ток небаланса, А

1424

1424

Третья составляющая небаланса, приведенная к стороне 10,5 кВ, А

79

79

Ток небаланса с учетом третьей составляющей, А

1503

1503

Число витков тормозной обмотки,расчетное,вит

3,56

3,56

Число витков тормозной обмотки принятое, вит

4

4

Ток в реле при двухфазном внешнем КЗ, А

77

77

Коэффициент чувствительности

14,3>2

14,3>2

 

3.4.2 Максимальная токовая защита Т1,Т2 от токов внешних КЗ

Область внешних КЗ трансформатора находится на стороне НН, включая в первую очередь сборные шины. Ток срабатывания защиты отстраивается от максимального рабочего тока, протекающего через трансформатор.

Для трансформатора Т1 рабочий ток обусловлен током нагрузки HI, H2 и суммой номинальных токов трансформаторов Т4, Т5, Т6. Ток срабатывания защиты равен:

Iс.з Т1 =(Kн/Кв)* (кСЗП1*IРАБ.Н1+ кСЗП2*IРАБ.Н2+ кСЗПW4*IРАБ.W4 ) = ==736,4 А.

Выбираем ТТ типа ТВТ-35/10, KI = 800 / 5. Ток срабатывания реле РТ-40 для схемы ТТ, соединенных в треугольник:

Icp =IСЗ Т1 I =  • 736,4 /160 =7,97 А; Iу = 8 А.

Выбираем РТ-40/10. Уточняем ток срабатывания защиты: IСЗ Т1 = 739 А.

Проверяем коэффициент чувствительности при двухфазном КЗ за трансформатором:

К(2)Ч.ОСН =0,865*I(3)К4/I СЗ.Т1=0,865*7120*10,5/(739*37)=2,36 >1,5

Выдержка времени защиты должна быть минимальной и согласованной с МТЗ отходящих присоединений:

tc.з = max (tc.зw1; tс.з w2; tс.з w4 ) + t = tc.з w4 + t = 1 + 0,5 = 1,5 c,

Выбираем реле времени ЭВ-122,tу=(0,25-3,5)с,Uном =220В.

Для трансформатора Т2 рабочий ток обусловлен током нагрузки H3, H4.

Ток срабатывания защиты равен:

Iс.з Т2 =(Kн/Кв)* (кСЗП3*IРАБ.Н3+ кСЗП4*IРАБ.Н4) ==426,2 А.

Выбираем ТТ типа ТВТ-35/10, KI = 800 / 5. Ток срабатывания реле РТ-40 для схемы ТТ, соединенных в треугольник:

Icp =IСЗ Т2 I =  • 426,2 /160 =4,6 А;

Iу = 5 А.

Выбираем РТ-40/10.

Уточняем ток срабатывания защиты: IСЗ Т2 = 461,9 А.

Проверяем коэффициент чувствительности при двухфазном КЗ за трансформатором:

К(2)Ч.ОСН =0,865*I(3)К11/I СЗ.Т2=0,865*7220*10,5/(461,9*37)=3,8 >1,5

Выдержка времени защиты должна быть минимальной и согласованной с МТЗ отходящих присоединений:

tc.з = max (tc.зн3; tс.з н4 ) + t = 1 + 0,5 = 1,5 c,

Выбираем реле времени ЭВ-122,tу=(0,25-3,5)с,Uном =220В.

 

3.4.3 Газовая зашита трансформатора

Основным элементом газовой защиты трансформатора является газовое реле, которое устанавливается в маслопроводе между расширителем и баком трансформатора. Для защиты трансформатора от внутренних повреждений используются реле типа РГ43-66 с чашеобразными элементами. Реле срабатывает тогда, когда скорость движения масла и газов достигает значения 0.6-1.2 м/с. При этом время срабатывания 0,05-0,5 с. Газовая защита должна действовать на сигнал при слабом газообразовании и понижении уровня масла и на отключение при интенсивном газообразовании и дальнейшем понижении уровня масла.

 

3.4.4 Максимальная токовая зашита трансформатора oт перегрузки

Первичный ток срабатывания определяется по условию отстройки от номинального тока трансформатора на стороне, где установлена рассматриваемая зашита, по выражению:

Iс.з =(Kн/Кв)* IНОМ.Т

где Кн - коэффициент надежности, который, согласно [9, 10], принимается равным 1,05

Для трансформатора Т1:

Iс.з =1,05/0,8*250=328,12 А

Защита подключена к тем же ТТ. что и защита от внешних КЗ

Ток срабатывания реле РТ-40 равен:


Ток установки срабатывания Iу=4 А.

Принимаем реле РТ-40/6.

Уточняем ток срабатывания защиты:Iс.з =369,5А

Выдержка времени защиты выбирается по условию согласования с последними, наиболее чувствительными ступенями зашит от многофазных КЗ предыдущих элементов, присоединенных к шинам низшего напряжения Кроме того, МТЗ от перегрузки должна быть согласована по времени с МТЗ от внешних КЗ трансформатора.Поэтому:

tcз пер = tcз внеш + Dt = 1,5+0,5=2с.

Выбираем реле времени постоянного тока

ЭВ-122,tу=(0,25-3,5)с.,Uном=220В

Результаты расчетов для трансформаторов Т1 и Т2 сведены в таблицу №12.

Таблица №12 Максимальная токовая защита трансформаторов Т1 и Т2 от перегрузки.

Наименование параметра

Значение параметра

Т1

Т2

Номинальный ток трансформатора со стороны ВН, А

250

250

Ток сралатывания защиты:

Расчетный/фактический, А

328,12/369,5

328,12/369,5

Коэффициент трансформации

800/5

800/5

Схема соединений ТТ

Ток срабатывания реле, расчетный, А

3,55

3,55

Тип реле

РТ – 40/6

РТ – 40/6

Ток уставки, А

4

4

Время срабатывания, с

2

2

Тип реле времени

ЭВ – 122

ЭВ – 122

 

3.4.5 Проверка ТТ по условию 10%-ной погрешности

Для сокращения числа однотипных расчетов из трех комплектов защит трансформаторов Tl, T2, выбираются трансформаторы тока, имеющие наибольшее значение предельной кратности k10 и наибольшую вторичную нагрузку. Схемы защит во обоих случаях аналогичны. Со стороны ВН трансформаторов сопротивление нагрузки ТТ наиболее загруженной фазы А. содержащей реле тока зашиты от внешних КЗ и от перегрузки, примерно равно сопротивлению уравнительной обмотки ДЗТ-11 (без тормозной обмотки) Но предельная кратность к10 для ДЗТ-11 значительно больше, чем для двух реле тока, поэтому расчет приводим только для дифференциальной защиты. Для продольных дифференциальных защит первичный расчетный ток, при котором должна обеспечиваться работа ТТ с погрешностью не более 10%, принимается равным наибольшему значению тока при внешнем КЗ. Из двух случаев расчета наибольшее значение предельной кратности получается для Т1:

K10 = I1РАСЧ / I1НОМ.Т2 = 7220/880=8,77

По кривым предельных кратностей для ТТ: ТФНД-35М, ZН.ДОП = 4 Ом.

Расчетное сопротивление на фазу: ДЗТ-11 равно 0,1 Ом;

сопротивление прямого и обратного проводов - 0,6 Ом,

переходное сопротивление контактов – 0,1 Ом.

Суммарное сопротивление для схемы треугольника ТТ при двухфазном КЗ за трансформатором равно:

Zн.расч = 3*Rnp +3* Zдзт + Rnep = 3*0,6+3*0,1+0,1=2,2 Ом< 4 Ом

3.5 Расчет двухступенчатой токовой направленной защиты линий W1, W2, W3

 

3.5.1 Расчет защиты линии W1

Расчёт установок срабатывания защиты выключателя Q2

Ток срабатывания максимальной токовой защиты:



(Iраб max=500А)

Защита подключается к ТТ типа ТФН-35М, КI=1500/5, класса Д.Схема соединения ТТ-неполная звезда

Для Q2:

Ic.р.=2100/300=7A;Iуст=7А

Выбираем реле РТ-40/10. Проверим коэффециент чувствительности

Кч=0,866*I(3)к/Icз2=0,866*21200/2100=8,74>1,5

Отсечка защиты

W1:Icо=Kн*I(3)к=1,25*21200=26500А

Ток срабатывания реле:

Iср=Ico/KI=26500/300=88,3А

Округляем до Iуст=90А

Уточняем Iс.о.=27000А

Выбираем реле РТ-40/100

Коэффициент отсечки Kотс=Iуст/Iс.р.мтз=90/7=12,8

Выбираем тип реле направления мощности РБМ-171/1 и определяем длину мёртвой зоны:


Реле мощности подключаем к тем же ТТ и ТН типа НОМ-35-66У1,Кu=35000/100

Ip=I(3)к/КI=20130/300=67,1А

Sср min=4 ВА,a=(90-jн)=45°

jр=jл-90°=arctg(Xуд/Rуд)-90°=73° -90° = -17°

(%)=*100%/=0,0015*100/10=0,015%

Расчёт установок срабатывания защиты выключателя Q1

Защита подключается к ТТ типа ТФН-35М,КI=1500/5 класса Д.Схема соединения ТТ-неполная звезда

Icз1=1,25*(2100+500)=3250A

Ic.р.1=250/300=10,8А,Iуст=11А

Уточняем Iсз1=11*300=3300А

Выбираем реле РТ-40/20

Проверка коэффициента чувствительности:

K(2)ч=0,266*21200/3300=5,6>1,5

Отсечка для Q1:

Iс.о.=Кн*I(3)к=1,25*21200=26500А

Ток срабатывания реле отсечки:

Ic.р.=26500/300=88,3А,Iуст=90А

Уточняем Iс.о.=27000А,Котс12,8

Отсечка выполняется на релеРТ-40/100

Расчёт времени срабатывания комплекта защиты, установленного на выключателе Q1:

tc.з.=tс.з.Q3+Dt=2,5+0,5=3с

Защита, установленная на выключателе Q2, может выполняться без выдержки времени

Выбираем реле времени ЭВ-122,tу=(0,25-3)с

Проверка ТТ на 10% погрешность

Iрасч=1,1*Ic.р.=1,1*2100=2310А

К10=2310/500=4,62 ;    

Zндоп=4,2 Ом

ZРТ40=S/I2ср=0,5/72=0,01 Ом;

Zпер=0,1 Ом;

Zрасч=2*Zпр+ ZРТ40+ Zпер=2*0,6+0,01+0,1=1,31Ом

1,31Ом<4,2Ом

Условие выполняются.

3.5.2 Расчёт защиты линии W2

Комплект защиты линии W2 выполняется на выпрямленном оперативном токе, содержит селективную отсечку без выдержки времени(1 ступень) и МТЗ(2 ступень).

В качестве базового реле используется реле типа РТ-40.

Выбираем ТТ типа ТФН-35 класса 0,5,коэффициент трансформации 1500/5.

Защита подключается к ТТ типа ТФН-35М, КI=1500/5, класса Д.Схема соединения ТТ-неполная звезда.

Ток срабатывания отсечки выбирается по условию отстройки от тока КЗ при повреждении в конце линии(точка К3).

Ic.о.=1,25*21000=26250A

Ток срабатывания реле

Ic.р.=1*26250/300=87,5А

Округляем до Iуст=90А

Уточняем Ic.о.=27000А

МТЗ W2

Ток срабатывания защиты

Iс.р.=Кс.х.*Iс.з./КI

Реле этой ступени подключается к тем же ТТ, что и отсечка

Iс.р.=1*2100/300=7А, Iуст=7А

Уточняем Iс.з.=2100А

Выбираем реле РТ-40/10 и РТ-40/100

Проверка чувствительности МТЗ:

K(2)ч,осн=0,866*21000/2100=8,6>1,5


Время срабатывания защиты для выключателя Q6

tc.з.=tс.з.Q4+Dt=2,5+0,5=3с

Выбираем реле времени ЭВ-122,tу=(0,25-3)с

Для комплекта защиты, установленного на выключателе Q5 выдержку времени можно не предусматривать

Выбираем тип реле направления мощности РБМ-171/1 и определяем длину мёртвой зоны:


Реле мощности подключаем к тем же ТТ и ТН типа НОМ-35-669У,Кu=35000/100

Ip=I(3)к/КI=21000/300=70А

Sср min=4 ВА,a=(90-jн)=45°

jр=jл-90°=arctg(Xуд/Rуд)-90°=73° -90° = -17°

(%)=*100%/=0,0015*100/8=0,02%

Проверка ТТ на 10% погрешность

Iрасч=1,1*Ic.р.=1,1*2100=2310А

К10=2310/500=4,62 ;    

Zндоп=4,2 Ом

ZРТ40=S/I2ср=0,5/72=0,01 Ом;

Zпр=0,6 Ом;

Zпер=0,1 Ом;

Zрасч=2*Zпр+ ZРТ40+ Zпер=2*0,6+0,01+0,1=1,31Ом

1,31Ом<4,2Ом

Условие выполняется.

3.5.3 Расчёт защиты линии W3

Выбираем ТТ типа ТФН-35 класса 0,5, коэффициент трансформации 1500/5. Схема соединения ТТ-неполная звезда.

Селективная отсечка W3

Ток срабатывания выбирается по условию отстройки от тока КЗ при повреждении в конце линии(точки К2 и К3)

Ic.о.Q4=1,25*21000=26250A

Ic.о.Q3=1,25*21130=25162,5A

Ток срабатывания реле отсечки

Ic.р. Q4=1*26250/300=87,5А

Ic.р. Q3=1*25162,5/300=83,87А

Округляем до Iуст=90А

Уточняем Ic.о.=27000А

Отсечка выполняется на реле РТ-40/100

МТЗ W3

Ток срабатывания защиты

, Iс.р.=Кс.х.*Iс.з./КI

Реле этой ступени подключается к тем же ТТ, что и отсечка

Iс.р.=1*1055/300=3,5, Iуст=4А

Уточняем Iс.з.=1200А

Выбираем реле РТ-40/10

Проверка чувствительности МТЗ:

K(2)ч,осн=0,866*21000/1200=15,1>1,5

K(2)ч,рез=0,866*1751*37/(10,5*1200)=4,5>1,5

Время срабатывания защиты

tc.з.=tс.з.Т1+Dt=2+0,5=2,5с

Выбираем реле времени ЭВ-122,tу=(0,25-3,5)с

Выбираем тип реле направления мощности РБМ-171/1 и определяем длину мёртвой зоны:


Реле мощности подключаем к тем же ТТ и ТН типа НОМ-35-669У,Кu=35000/100

Ip=I(3)к/КI=210130/300=67,1А

Sср min=4 ВА,a=(90-jн)=45°

jр=jл-90°=arctg(Xуд/Rуд)-90°=64° -90° = -26°

(%)=*100%/=0,0045*100/4=0,11%

Проверка ТТ на 10% погрешность

Iрасч=1,1*Ic.р.=1,1*1200=1320А

К10=1320/250=5,28;     

Zндоп=4,2 Ом

ZРТ40=S/I2ср=0,5/42=0,03 Ом;

Zпр=0,6 Ом;

Zпер=0,1 Ом;

Zрасч=2*Zпр+ ZРТ40+ Zпер=2*0,6+0,01+0,1=1,33Ом

1,33Ом<4Ом

условие выполняется.

3.5.4 Согласование времени срабатывания защит

Защиты в конце линий W1 и W2 (Q2 и Q5 соответственно)отстраивать по времени не надо, так как они должны сработать мгновенно при КЗ на соответствующих линиях, что обеспечивает отсечка вместе с реле направления мощности.

Установки по времени выбираем следующим образом:

tс.з.Q1> tс.з.Q3> tс.з.Q5

tс.з.Q6> tс.з.Q4> tс.з.Q2

Подставляя численные значения, получим:

3>2,5>0,5 tQ1= tQ6=3c

3>2,5>0,5 tQ3= tQ4=2,5c

Список использованных источников


1. Чернобровое Н.В. Релейная защита. - М.: Энергия, 1974. - 608 с.

2. Шабад М.А. Расчеты релейной зашиты и автоматики распределительных сетей. - Л.: Энергоатомиздат, 1985. - 290 с.

3. Правила устройства электроустановок / Милэнерго РФ. - 6-е изд-е перераб. и доп. - М.: Энергоатомиздат, 1999. - 640 с.

4. Какуевицкий Л.И., Смирнова Т.В. Справочник реле защиты и автоматики. - М.: Энергия, 1972. - 280 с.

5. Реле защиты. - М.: Энергия, 1976. - 464 с.

6. Неклепаев Б.Н., Крючков К.П. Электрическая часть электростанций и подстанций: Справочные материалы для курсового и дипломного проектирования: Учебное пособие для вузов. - 4-е изд., перераб. и доп. - М.: Энергоатомиздат, 1989. - 608 с.

7. Мухин А.И. Релейная защита и автоматика систем электроснабжения: Учебное пособие.-Вологда:Изд-во ВоГТУ, 2000.-180 с.

Похожие работы на - Релейная защита и автоматика систем электроснабжения

 

Не нашли материал для своей работы?
Поможем написать уникальную работу
Без плагиата!
Без нейросетей!