Расчет устройств релейной защиты и автоматики системы электроснабжения
Задание
Рассчитать уставки устройств релейной
защиты и автоматики (РЗ и А) системы электроснабжения принципиальная схема,
которой представлена на рис. 1.
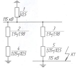
Рис. 1. Принципиальная схема системы
электроснабжения
Разработать защиту от всех видов
повреждения для трансформаторов Т1 и Т2 и защиту линий W1 и W2.
Работу выполнить в следующем объеме:
1. Рассчитать токи короткого
замыкания (ТКЗ) в объеме, необходимом для выбора установок и проверки
чувствительности.
2. Выбрать места установки
и типы релейной зашиты (РЗ).
3. Выбрать трансформаторы
тока и трансформаторы напряжения.
4. Рассчитать уставки
защит, выбрать типы реле, проверить чувствительность защит.
5. Выбрать плавкие
вставки для предохранителей и уставки автоматов.
6. Определить выдержки
времени защит от двигателя до шин главной
понизительной подстанции
(ГПП).
7. Составить
принципиальные схемы выбранных защит.
8. Определить
селективность действия защит.
9. Защиту линии и
трансформаторов выполнить на переменном оперативном токе.
Разработать РЗ
двигателей, данные которых приведены в табл. 1.
1. Рассчитать токи КЗ.
2. Выбрать
трансформаторы тока.
3. Выбрать тип защиты и
тип реле, определить уставки и чувствительность защиты.
4. Составить и вычертить
принципиальную схему РЗ.
Разработать схему
автоматического включения резерва (АВР) секционных выключателей.
Таблица 1. Параметры
двигателей
|
Параметр
|
Двигатель
|
|
асинхронный
|
синхронный
|
|
М1
|
М2
|
М3
|
М4
|
М5
|
М6
|
М7
|
М8
|
|
Номинальное напряжение, кВ
|
0,38
|
6
|
|
Номинальная мощность, кВт
|
5
|
60
|
7,5
|
5,5
|
4
|
15
|
1000
|
|
Условия пуска
|
легкий
|
6
|
|
Коэффициент мощности cos
|
0,87
|
0,9
|
|
Коэффициент полезного действия, %
|
85
|
93
|
|
Мощность КЗ, МВА
|
-
|
70
|
|
Обороты, об/мин
|
|
1000
|
Таблица 2. Параметры синхронных
генераторов
|
Номинальное напряжение, кВ
|
6,3
|
|
Номинальная мощность, кВт
|
2000
|
|
Емкость обмотки статора для трех фаз, мкФ
|
0,077
|
|
Коэффициент мощности, cos
|
0,8
|
|
Сверхпереходное сопротивление, , отн. ед.
|
0,1
|
Таблица 3. Параметры
трансформаторов
|
Трансформатор
|
Номинальное напряжение,
кВ
|
Номинальная мощность,
МВА
|
Напряжение
КЗ, %
|
|
ВН
|
НН
|
|
Т1, Т2
|
110
|
35
|
10
|
10,5
|
|
Т9, Т10
|
35
|
0,4
|
2,5
|
6,5
|
Таблица 4. Параметры системы и
линий
|
Элемент
|
Номинальное напряжение,
кВ
|
Мощность
КЗ, МВА
|
Длина
линий, км
|
|
Система
|
110
|
2000
|
|
|
W1, W2
|
110
|
|
30
|
|
W3, W4
|
35
|
|
3
|
Таблица 5. Параметры дуговых
сталеплавильных печей и конденсаторных установок
Элемент
|
Номинальное напряжение, кВ
|
Мощность
|
Вид регулирования
|
|
СА1, СА2
|
10
|
1480 кВт
|
по току и напряжению
|
|
ВС1, ВС2
|
6
|
400 квар
|
В функции cos с коррекцией по
времени
|
Введение
Целью данного курсового
проекта является расчет устройств РЗ и А системы электроснабжения. При работе
элементов систем электроснабжения возможно возникновение ненормальных и
аварийных режимов. К ним относятся короткие замыкания, перегрузки, понижение
уровня напряжения, частоты и другие.
Повреждения и
ненормальные режимы должны быть устранены, и это является основным назначением
устройств релейной защиты и системной автоматики.
К устройствам релейной
защиты предъявляются следующие требования: селективность, необходимое
быстродействие, чувствительность и надежность. Перечисленные требования
удовлетворяются правильным выбором устройств релейной защиты, схем соединения
устройств РЗ, расчётом установок срабатывания.
1. Расчет токов
короткого замыкания
Расчет токов короткого
замыкания проводим в относительных единицах. Все полученные величины приведены
к базовым условиям. Базовую мощность принимаем равной:
= 1000 МВА.
Схема замещения
приведена на рисунке 1.1:
Рис. 1.1. Схема замещения
Определим сопротивления
схемы замещения:
Сопротивление системы
согласно [l.стр. 131]:
,
(1.1)
где SK3 - мощность короткого замыкания
системы.
.
Определим параметры
линий 110 кВ (нагрузкой являются трансформаторы Т1 и Т2) с учетом допустимой
перегрузки трансформатора согласно [1,стр.213):
,
(1.2)
где 
- номинальная мощность трансформатора, кВА,
- номинальное напряжение
трансформатора кВ.
А
Выбор сечения проводов проводим по
экономической плотности тока [1, стр.232].
(1.3)
где
- экономическая плотность тока, при
ч для сталеалюминиевых
проводов,
= 1
[3, стр.266]; I, A –ток на участке сети.
Принимаем провод АС-70/11 сечением 70
; с удельными
сопротивлениями:
Ом/км
и реактивным сопротивлением
Ом/км. [3, стр.577].
Сопротивление ЛЭП согласно [1,
стр.131]:
(1.4)
где
- среднее значение напряжения на шинах в месте
короткого замыкания,
l – длина ЛЭП.
Определяем параметры линий 35 кВ.
Нагрузкой линии 35 кВ, при простое второй будут трансформаторы Т7, Т8, Т9 и
Т10. Так как параметры трансформаторов Т7 и Т8 не даны, принимаем для расчета
нагрузку этих трансформаторов – четыре синхронных двигателя:
(1.5)
где
,
,
- параметры синхронного двигателя ( табл. 1 )
А
Выбор сечения питающего кабеля
проводим по экономической плотности тока.
При 
ч для кабелей с бумажной пропитанной
изоляцией с алюминиевыми жилами
= 1,4
[3, стр.266].
Принимаем 2 кабеля
ААБ-35-(3×185) общим сечением 370
; с удельными сопротивлениями
Ом/км и
Ом/км. [2, стр.421].
Сопротивление трансформаторов
согласно [1, стр.131]:
(1.6)
где
- номинальная мощность трансформатора;
- напряжение короткого
замыкания;
Для трансформатора мощностью 10МВА
соотношение x/r составляет порядка 10.
Исходя из этого, принимаем:
для трансформатора блока 2 МВт принимаем
[1, стр.613]
Для трансформатора мощностью 2,5 МВА
соотношение x/r составляет порядка 6.
Исходя из этого, принимаем:
Для трансформатора мощностью 2,5 МВА
соотношение x/r составляет порядка 6.
Исходя из этого, принимаем:
Сопротивление генераторов согласно
[1, стр.131]:
(1.7)
для генератора мощностью 2 МВА соотношение
x/r составляет порядка 15. Исходя из этого, принимаем:
Расчет токов КЗ для точки К1
Упростив схему замещения относительно
точки К1 получаем схему, представленную на рис 1.2.
Рис. 1.2. Упрощенная схема замещения
Базовый ток согласно [1, стр.142]:
(1.8)
где
- среднее значение напряжения в месте короткого
замыкания (115 кВ).
кА .
Начальное значение периодической
составляющей тока короткого замыкания согласно [1, стр.137]:
(1.9)
где
- ЭДС источника в относительных единицах [1,
стр.130].
Значение периодической составляющей
тока короткого замыкания по ветвям:
Ветвь энергосистемы ( сопротивление
ветви составляет 1,76 отн. ед.):
кА
Ветвь генератора G2 ( сопротивление ветви составляет
41,89 отн. ед.):
кА
Общий ток:
кА
Определим величину ударного тока [1,
стр.148]:

(1.10)
где
- ударный коэффициент:
(1.11)
где:
- угол между векторами тока и напряжения в
момент короткого замыкания;
(1.12)
- постоянная времени затухания апериодической
составляющей тока короткого замыкания;
(1.13)
- угловая частота;
(1.14)
Ветвь энергосистемы:

кА
Ветвь генератора G2:
кА.
Суммарный ударный ток короткого
замыкания в точке К1:
кА .
Определим величину апериодической
составляющей тока короткого замыкания.
Согласно [1, стр.151]:
(1.15)
(1.16)
- время действия релейной защиты ( принимаем
= 0,01 с );
- собственное время отключения выключателя.
При установке выключателя
ВВБК-110Б-50, собственное время отключения выключателя составит
= 0,045 с [1, стр.630]:
Тогда t= 0,01+0,045 = 0,055 с .
Ветвь энергосистемы:
Ветвь генератора G2:
кА
Суммарная апериодическая составляющая
тока короткого замыкания в точке К1 в момент времени t = 0,055 с:
кА .
Определим величину периодической
составляющей тока короткого замыкания для момента времени t = 0,055 с .
Периодическая составляющая тока
короткого замыкания от энергосистемы в любой момент времени неизменна:
кА .
Ветвь генератора G2:
Так как генератор значительно удален
от точки короткого замыкания ( за двумя ступенями трансформации), принимаем:
кА .
Общая величина периодической
составляющей тока короткого замыкания в точке К1 в момент времени t = 0,055 с составит:
кА .
Расчет несимметричных токов короткого
замыкания
Для упрощения расчетов принимаем
величины сопротивления обратной последовательности всех элементов схемы,
(включая синхронные генераторы) равными величинам сопротивлений прямой последовательности:
(1.17)
Схема замещения нулевой
последовательности представлена на рисунке 2.1:
Рис. 2.1. Схема замещения нулевой
последовательности.
Согласно [1, стр.160]: справедливо
соотношение
для
одноцепных ЛЭП со стальным тросом, заземлённым с одной стороны. Тогда:
(1.18)
Величины сопротивлений нулевой
последовательности остальных элементов схемы, равны величинам соответствующих
сопротивлений прямой последовательности [1, стр.160].
Двухфазное короткое замыкание.
(1.19)
Значение периодической составляющей
тока короткого замыкания по ветвям:
Ветвь энергосистемы (
= 1,76 отн. ед. ):
кА
Ветвь генератора G2 (
= 41,89 отн. ед. ):
кА
Общий ток:
кА
Определим величину ударного тока:
Ветвь энергосистемы:
кА
Ветвь генератора:
кА .
Суммарный ударный ток короткого
замыкания в точке К1:
кА .
Определим величину апериодической
составляющей тока короткого замыкания:
Ветвь энергосистемы:
Ветвь генератора G2:
кА
Суммарная апериодическая составляющая
тока короткого замыкания в точке К1 в момент времени t = 0,055 c :
кА .
Величину периодической составляющей
тока короткого замыкания в точке К1 в момент времени t = 0,055 с считаем неизменной:
кА .
Двухфазное короткое замыкание на
землю.
Преобразуем схему замещения нулевой
последовательности относительно точки К1.
отн. ед.
Результирующее сопротивление согласно
[1, стр.168]:
(1.20)
отн. ед.
отн. ед.
Начальное значение периодической
составляющей тока короткого замыкания согласно [1, стр.168]:
(1.21)
кА
Определим величину ударного тока:

кА
Величина апериодической составляющей
тока короткого замыкания для момента времени: t = 0,055 с.
Величина периодической составляющей
тока короткого замыкания для момента времени: t =0,055 с.
кА .
Однофазное короткое замыкание на
землю.
Результирующее сопротивление согласно
[1, стр.168]:
(1.22)
отн. ед.
Начальное значение периодической
составляющей тока короткого замыкания согласно [1, стр.168]:
(1.23)
кА
Определим величину ударного тока:
кА
Расчеты токов КЗ для других точек
аналогичны расчётам для точки К1. Результаты расчётов приведены в табл. 1.1.
Таблица 1.1 Сводная таблица
результатов расчёта токов короткого замыкания
|
Точка КЗ
|
Вид повреждения
|
Источник
|
кА
|
 кА
|
|
КЛ
(ВЛ 110 кВ)
|
Трехфазное КЗ
|
Система:
|
2,85
|
4,7
|
|
Генератор G2:
|
0,13
|
0,3
|
|
Итого:
|
2,98
|
5
|
|
Двухфазное КЗ
|
Система:
|
2,47
|
4,06
|
|
Генератор G2:
|
0,11
|
0,25
|
|
Итого:
|
2,58
|
4,31
|
Итого:
|
0,89
|
1,75
|
|
К2
(РУ 35 кВ)
|
Трехфазное КЗ
|
Итого:
|
1,84
|
4,17
|
|
Двухфазное КЗ
|
Итого:
|
1,6
|
3,63
|
|
К3
(Сторона ВН ГПП)
|
Трехфазное КЗ
|
Итого:
|
1,75
|
3,87
|
|
Двухфазное КЗ
|
Итого:
|
1,52
|
3,35
|
|
К4
(РУ 0,4 кВ)
|
Трехфазное КЗ
|
Итого:
|
40,9
|
91,5
|
|
Двухфазное КЗ
|
Итого:
|
35,42
|
79
|
|
Однофазное КЗ на землю
|
Итого:
|
44,68
|
99,8
|
|
К5
(РУ 6 кВ)
|
Трехфазное КЗ
|
Итого:
|
2,6
|
4,1
|
|
Двухфазное КЗ
|
Итого:
|
2,25
|
5,03
|
2. Выбор тока плавкой вставки
предохранителей для защиты асинхронного электродвигателя
При выборе предохранителей для защиты
асинхронных двигателей руководствуемся рекомендациями, изложенными в [4,
стр.98-стр.116].
Условия выбора предохранителя:

(2.2)
где
- номинальный ток плавкой вставки, А;
- номинальный ток
двигателя, А;
-
коэффициент, учитывающий условия пуска двигателя;
= 1,6 ÷ 2,0 при тяжелом пуске;
= 2,5 при легком пуске;
- пусковой ток двигателя,
А.
(2.3)
(2.4)
где
- кратность пускового двигателя ( 5÷7
);
- номинальные
величины мощности, напряжения, коэффициента мощности и КПД двигателя.
Для двигателя М1:
А
А
А
Принимаем к установке предохранитель
типа: НПН2;
= 63 А;
= 25 А; [2, стр.371].
Для остальных двигателей расчеты
аналогичны. Результаты расчетов приведены в табл. 2.1.
Таблица 2.1 Результаты выбора
предохранителей
|
Двигатель
|
кВт
|
, А
|
,
А
|
, А
|
Предохранитель
|
|
Тип
|
,
А
|
,
А
|
|
М1
|
5
|
10,27
|
51,35
|
20,54
|
НПН2
|
63
|
25
|
|
М2
|
60
|
123,27
|
616,35
|
246,54
|
ПН2
|
250
|
250
|
|
М3
|
7,5
|
15,41
|
77,05
|
30,82
|
НПН2
|
63
|
32
|
|
М4
|
5,5
|
11,3
|
56,5
|
22,6
|
НПН2
|
63
|
25
|
|
М5
|
4
|
8,22
|
41,1
|
16,44
|
НПН2
|
63
|
20
|
|
М6
|
15
|
30,82
|
154,1
|
61,64
|
НПН2
|
63
|
63
|
Предохранитель FU3, от которого запитана группа
электродвигателей, выбирается согласно следующих условий:
,
(2.5)
,
(2.6)
где
и
-пусковой и номинальный ток максимального по
мощности двигателя, питающегося от выбираемого предохранителя, А;
- коэффициент спроса для
этого двигателя (так как не дано иное, принимаем
=1);
- расчетный ток двигателей, питающихся от
выбираемого предохранителя, А.
(2.7)
А
А .
Принимаем к установке предохранитель
типа ПН2;
= 400 А;
= 355 А; [2, стр.371].
Для обеспечения селективности
действия защиты для предохранителя FU2 принимаем плавкую вставку с номинальным током:
= 630 А.
Предохранитель типа: ПН2;
= 630 А;
= 630 А; [2, стр.371].
3. Выбор установок автоматов
При выборе автоматов для защиты
асинхронных двигателей руководствуемся рекомендациями, изложенными в [4,
стр.98-стр.116].
Условия выбора:
(3.1)
(3.2)
где
- номинальный ток уставки теплового расцепителя
автомата, А;
- номинальный ток уставки электромагнитного
расцепителя автомата, А;
Автомат для двигателя М1:
А
А
Выбираем автомат типа АЕ 2023М,
=12,5 А,
= 87,5 А, без выдержки времени (t = 0 с.).
Для остальных двигателей выбор
производится аналогично. Результаты приведены в таблице 3.1.
Таблица 3.1 Результаты выбора
автоматического выключателей
|
Двигатель
|
,
А
|
, А
|
,А
|
Предохранитель
|
|
Тип
|
,
А
|
,А
|
|
М1
|
10,27
|
51,35
|
64,19
|
АЕ 2023
|
12,5
|
87,5
|
|
М2
|
123,27
|
616,35
|
770,44
|
АЕ 2063 М
|
160
|
800
|
|
М3
|
15,41
|
77,05
|
96,31
|
АЕ 2023
|
16
|
112
|
|
М4
|
11,3
|
56,5
|
70,63
|
АЕ 2023
|
12,5
|
87,5
|
|
М5
|
8,22
|
41,1
|
51,38
|
АЕ 2023
|
10
|
70
|
|
М6
|
30,82
|
154,1
|
192,63
|
АЕ 2043 М
|
31,5
|
220,5
|
Выбор автомата QF3.
Автомат, от которого запитана группа
двигателей выбирается по следующим условиям:
(3.3)
(3.4)
где
- возможный кратковременный ток через автомат,
А.
(3.5)
А
А
А
Принимаем автомат типа АВМ-4Н,
= 200 А,
= 1000 А [2 стр.371].
Принимаем такой же автомат и для QF2. Автоматы типа АВМ – 4Н имеют регулируемую
(0-10 с ) выдержку времени, что позволяет получить требуемую ступень
селективности.
Выбор автомата QF1.
Ток уставки автомата определяем из
условия:
(3.6)
где
- номинальный ток трансформатора Т9.
А
А
Принимаем автомат серии Э «Электрон»
типа ЭО40С,
= 6300 А [2
стр.379].
4. Проверка чувствительности
предохранителя
Чувствительность предохранителя
обеспечивается, если выполняется условие:
(4.1)
где
= 44680 А – ток однофазного замыкания на землю
(табл. 1.1).
Для двигателя М1:
А;
Для двигателя М2:
А;
Для двигателя М3:
А;
Для двигателя М4:
А;
Для двигателя М5:
А;
Для двигателя М6:
А;
Предохранитель FU3:
А;
Предохранитель FU2:
А.
Рассчитанная величина тока КЗ
значительно превышает полученные величины, следовательно предохранители
обладают достаточной чувствительностью.
5. Проверка чувствительности
автоматов
Чувствительность автоматов
обеспечивается, если выполняется условие:
(5.1)
где
= 44680 А – ток однофазного замыкания на землю
(табл. 1.1).
Для двигателя М1:
А;
Для двигателя М2:
А;
Для двигателя М3:
А;
Для двигателя М4:
А;
Для двигателя М5:
А;
Для двигателя М6:
А;
Автомат QF3 (QF2):
А.
Автоматы обладают достаточной
чувствительностью.
Чувствительность вводного автомата проверяем
по условию:
(5.2)
где
=35420 А – ток
фазного КЗ на стороне НН трансформатора (табл.
1.1);
Вводной автомат обладает достаточной
чувствительностью.
6. Время срабатывания предохранителя
и автомата
Время срабатывания плавкой вставки
предохранителя определяем по типовым характеристикам зависимости времени
сгорания плавкой вставки предохранителя от величины тока, протекающего по
предохранителю [8, стр.384].
При токе КЗ
=40900 А время сгорания плавкой вставки
предохранителя составит:
Для двигателя М1:
с;
Для двигателя М2:
с;
Для двигателя М3:
с;
Для двигателя М4:
с;
Для двигателя М5:
с;
Для двигателя М6:
с;
Предохранитель FU3:
с;
Предохранитель FU2:
с.
Время срабатывания автомата с
мгновенным расцепителем равно нулю, т.е. автоматы, защищающие двигатели,
срабатывают мгновенно.
Время срабатывания автомата QF3, защищающего группу двигателей, принимаем
на ступень селективности больше, чем у автоматов двигателей.
(6.1)
- ступень селективности, принимаем равной 0,2
с.
с
с
с
7. Проверка селективности между
элементами релейной защиты
Селективность между последовательно
установленными предохранителями соблюдается, если выполняется условие
[8,стр.384]:
(7.1)
где
- время сгорания плавкой вставки
предохранителя, расположенного ближе к источнику питания;
- время сгорания плавкой вставки
предохранителя, расположенного ближе к нагрузке; коэффициент 1,7-3 учитывает
конструктивные особенности плавких вставок.
Наибольшее время сгорания имеет
предохранитель, защищающий двигатель М2
с.
с,
чем меньше времени, определенного для
FU3 по типовым характеристикам:
с.
с,
чем меньше времени, определенного для
предохранителя FU2 по типовым характеристикам:
с.
Селективность действия автоматических
выключателей обусловлена выдержками времени рассчитанными в Пункте 6.
8. Расчет защиты двигателей
напряжением 6 кВ
Синхронные электродвигатели защищают
от следующих повреждений и ненормальных режимов работы:
- от междуфазных КЗ обмотки статора;
- от замыканий на землю обмотки
статора;
- от перегрузки;
- от понижения напряжения.
Защита от междуфазных КЗ в обмотке
статора
Для защиты двигателя от междуфазных
КЗ в обмотке статора применяем токовую отсечку с использованием токовых реле
типа РТ-40. Схема соединения трансформаторов тока неполная звезда. Ток
срабатывания отсечки отстраивается от пускового тока двигателя, согласно
[6,стр.379]:
(8.1)
где
- коэффициент надежности,
=1,4 для реле серии РТ-40.
Номинальный ток двигателя:
(8.2)
где
- параметры синхронного двигателя (табл. 1)
А
Пусковой ток двигателя:
А
А
Ток срабатывания реле согласно
[6,стр.379]:
(8.3)
где
- коэффициент схемы,
= 1 для схемы соединения трансформаторов тока
неполная звезда;
-
коэффициент трансформации трансформаторов тока.
Принимаем трансформатор тока типа
ТВЛМ6-УЗ;
=150 А,
= 5 А [2,стр.294].
А
Для выполнения защиты применяем
токовое реле РТ-40/50 с током срабатывания
=32 А, соединение катушек параллельное,
указательное реле РУ-21/0,05 и промежуточное реле РП-23,
=220 В.
Коэффициент чувствительности защиты
согласно [6,стр.379]:
(8.4)
где
=2250 А – ток двухфазного КЗ в сети 6 кВ (табл.
1.1).
что удовлетворяет условию проверки.
Защита от замыканий на землю обмотки
статора
Защита от замыканий на землю
выполняется на токовом реле, подключаемом к трансформатору тока нулевой
последовательности с подмагничиванием. Ток срабатывания защиты согласно [7,стр.401]:
(8.5)
где
= 1,25 – коэффициент надежности;
- коэффициент, учитывающий бросок
собственного емкостного тока двигателя при внешних перемежающихся замыканиях на
землю (для защиты без выдержки времени принимают
=3,5 );
- собственный ток замыкания на землю.
(8.6)
где
=314
- угловая частота; 
- номинальное напряжение двигателя, кВ;
- емкость двигателя, мкФ/фазу:
(8.7)
где k – коэффициент, учитывающий класс изоляции (k=40 для класса изоляции В);
S – номинальная мощность двигателя,
кВА;
- скорость
вращения ротора двигателя (данные на двигатель в табл. 1).
Номинальная мощность двигателя:
кВА;
мкФ/фазу
А
А
Так как ток срабатывания защиты не
превышает 10 А (для двигателей до 2000 кВт), защиту от замыканий на землю не
устанавливаем.
Защита от перегрузок
Для защиты двигателей от перегрузки
используем однорелейную токовую защиту. Ток срабатывания защиты согласно
[7,стр.379]:
(8.8)
где
=1,2;
- коэффициент возврата (для реле РТ-40:
=0,8);
А
Ток срабатывания реле:
А
Для выполнения защиты выбираем
токовое реле РТ-40/10 с током срабатывания
= 5,75 А. Соединение катушек параллельное. Для
создания выдержки времени применяем реле времени ЭВ-143 с временем срабатывания
15 с.
Защита от понижения напряжения
Напряжение срабатывания защиты
согласно [7,стр.394]:
(8.9)
кВ
Напряжение срабатывания реле:
(8.10)
где
=1,25;
=1,2 для реле минимального напряжения РН-54;
- коэффициент трансформации трансформатора
напряжения.
Принимаем трансформатор напряжения
НТМИ-6-66:
=6 кВ,
=100 В, [1,стр.634].
В
Для выполнения защиты применяем реле
напряжения РН-54/160 с
=47
В (первый диапазон). Для создания требуемой выдержки времени применяем реле времени
ЭВ-123. Время срабатывания защиты принимаем 1 с, считая защищаемый двигатель
неответственным.
Проверка трансформаторов тока на 10%
погрешность
При проверке руководствуемся
рекомендациями, изложенными [8,стр.330].
Определим сопротивление нагрузки на
трансформатора тока.
(8.11)
где
- сопротивление соединительных проводов, Ом;
- сопротивление обмоток
реле, включенных в фазный провод, Ом;
- сопротивление обмоток реле, включенных в
нулевой провод, Ом;
=0,1
Ом – переходное сопротивление контактов.
Сопротивление проводов:
(8.12)
где
- удельное сопротивление материала провода (
=0,0283
, для алюминия);
- расчетная длина соединительных
проводов от трансформатора тока до реле (
=5 м);
- сечение провода (
=4 мм
).
Сопротивление реле:
(8.13)
где
- потребляемая мощность реле, 
( для РТ-40/50:
=0,8 ВА; для РТ-40/10:
=0,5 ВА);
- ток срабатывания реле, А.
Ом
Ом
Ом
Ом
Кратность расчетного тока
срабатывания к номинальному току трансформатора тока составит:
(8.14)
По кривой 10% погрешности трансформатора
тока, с учетом кратности первичного тока срабатывания, определяем 
Ом, что больше расчетного 0,1764 Ом [6,стр.340].
Трансформаторы тока будут работать в
заданном классе точности.
Схема защиты приведена в приложении.
9. Расчет защиты цехового
трансформатора
Защита предусматривается от следующих
повреждений и ненормальных режимов:
- от междуфазных КЗ в обмотках
трансформатора и на их выводах;
- от витковых замыканий;
- защита от внешних КЗ;
- перегрузки;
- снижение уровня масла в баке
трансформатора.
Защита трансформатора от междуфазных
КЗ
Для защиты трансформатора от
междуфазных КЗ применяем токовую отсечку без выдержки времени. Схема соединений
трансформатора тока и обмоток реле неполная звезда.
Ток срабатывания защиты отстраивается
от тока трехфазного КЗ за трансформатором, согласно [7,стр.297]:
(9.1)
=1,4 – коэффициент надежности;
=40900 А – ток трехфазного КЗ за трансформатором
(табл. 1.1).
А
Ток срабатывания защиты, приведенный
к стороне ВН:
А,
где
- коэффициент трансформации трансформатора Т9
(Т10).
Номинальный ток трансформатора:
А
Принимаем трансформатор тока типа
ТФЗМ35А-У3;
=50 А,
=5 А [2,стр.302]. Ток
срабатывания реле:

А,
Для выполнения защиты применяем
токовое реле РТ-4040/100 с током срабатывания
=65,4 А, соединение катушек параллельное,
указательное реле РУ-21/0,5 и промежуточное реле РП-23,
=220 В.
Коэффициент чувствительности защиты
согласно [7,стр.297]:
(9.2)
где
=1520 А – ток двухфазного КЗ на стороне ВН
трансформатора (табл. 1.1).
;
что удовлетворяет условию проверки.
Защита от внешних КЗ
Для защиты от внешних КЗ и
резервирования действия основных защит (токовой отсечки и газовой защиты)
устанавливается МТЗ с выдержкой времени.
Ток срабатывания МТЗ отстраивается от
номинального тока трансформатора с учетом самозапуска двигателей, согласно
[6,стр.296]:

(9.3)
где
=1,2 и
=0,8 – коэффициенты надежности и возврата реле
РТ-40;
- коэффициент, учитывающий самозапуск
заторможенных электродвигателей
=(3-3,5).
А.
Ток срабатывания реле:
А,
Для выполнения защиты применяем
токовое реле РТ-40/20 с током срабатывания
= 18,55 А, соединение катушек параллельное.
Выдержка времени МТЗ выбирается с
учетом селективности:
(9.4)
где
=0,6 с –выдержка времени автомата QF1 на стороне НН трансформатора
=0,5 с – ступень
селективности для МТЗ.
с
Для создания выдержки времени
применяем реле времени ЭВ-114.
Коэффициент чувствительности защиты
согласно [6,стр.297]:
(9.5)
где
= 35420 А – ток двухфазного КЗ на стороне НН
трансформатора (табл. 1.1).
Приводим величину тока двухфазного КЗ
на стороне НН трансформатора к стороне ВН, и вычисляем коэффициент
чувствительности:
;
что удовлетворяет условию проверки.
Защита трансформатора от перегрузки.
Для защиты от перегрузки используем
однорелейную токовую защиту. Ток срабатывания защиты согласно [7,стр.332]:
(9.6)
где
=1,05;
- коэффициент возврата (для реле РТ-40:
=0,8);
А
Ток срабатывания реле:
А
Для выполнения защиты выбираем
токовое реле РТ-40/10 с током срабатывания
=54,1 А. Соединение катушек параллельное.
Выдержка времени защиты от перегрузки
выбирается на ступень селективности больше выдержки времени МТЗ:
(9.7)
с
Для создания выдержки времени
применяем реле времени ЭВ-124.
Защита от внутренних повреждений и
понижения уровня масла в баке
Любые ( даже незначительные ) повреждения,
а также повышенные нагревы внутри бака трансформатора вызывают расположение
масла и органической изоляции, что сопровождается выделением газа.
Интенсивность газообразования и химической состав газа зависят от характера и
размеров повреждения. Защита выполняется так, чтобы при медленном
газообразовании подавался сигнал, а при бурном газообразовании, что
присутствует при коротких замыканиях, происходило отключение поврежденного трансформатора.
Кроме того, защита реагирует на опасные понижения уровня масла в баке
трансформатора.
Газовая защита является универсальной
и наиболее чувствительной защитой трансформаторов от внутренних повреждений (
реагирует на все виды повреждений, включая витковые замыкания).
Газовая защита выполняется с
использованием реле типа РЗТ-80.
10. Расчёт защиты линии 35 кВ
Защита предусматривается от следующих
повреждений и ненормальных режимов:
- от междуфазных КЗ;
- от перегрузки;
- от замыкания на землю;
Для защиты 35 кВ устанавливаем
токовую отсечку, максимальную токовую защиту (МТЗ) с выдержкой времени и защиту
от замыкания на землю.
Расчет токовой отсечки
Схема соединений трансформатора тока
и обмоток реле звезда. Схему защиты выполняем на переменном оперативном токе.
Ток срабатывания защиты отстраивается
от тока трехфазного КЗ за трансформатором, согласно [7,стр.297]:
(10.1)
где
=1,2 – коэффициент отстройки;
=40900 А – ток трехфазного КЗ за трансформатором
( табл. 1.1.).
Ток трехфазного КЗ, приведенный к
стороне ВН трансформатора:
А,
где
- коэффициент трансформации трансформатора Т9
(Т10).
А
Ток в линии:
=115,5 А (Пункт 1).
Принимаем трансформатор тока типа
ТЛК35-У3;
=200 А,
=5 А [2,стр.302]. Ток
срабатывания реле:
А,
Для выполнения защиты применяем
токовое реле РТ-40/20 с током срабатывания
=14 А, соединение катушек параллельное.
Коэффициент чувствительности защиты
согласно [7,стр.297]:
(10.2)
где
=1520 А – ток двухфазного КЗ на стороне ВН
трансформатора (таб. 1.1).
что удовлетворяет условию проверки.
Расчёт МТЗ линии 35 кВ
Ток срабатывания МТЗ отстраивается от
номинального тока линии с учетом самозапуска двигателей, согласно [6,стр.296]:

(10.3)
где
=1,2 – коэффициент отстройки,
=0,8 – коэффициент возврата для реле РТ-40;
- коэффициент,
учитывающий самозапуск заторможенных электродвигателей (
= 2,5 );
=115,5 А.
А
Ток срабатывания реле:
А,
Для выполнения защиты применяем
токовое реле РТ-40/20 с током срабатывания
=10,8 А, соединение катушек параллельное.
Коэффициент чувствительности защиты
согласно [7,стр.297]:
(10.4)
где
=1520 А – ток двухфазного КЗ в конце,
защищаемой линии (табл. 1.1).
что удовлетворяет условию проверки.
Время срабатывания защиты
отстраиванием от времени срабатывания МТЗ трансформатора Т9 (Т10):
(10.5)
=0,5 с – ступень селективности для МТЗ.
с
Защита от замыкания на землю линии 35
кВ
Для защиты от замыканий на землю
линии 35 кВ, принимаем защиту нулевой последовательности, подключенную к
фильтру токов нулевой последовательности.
Емкостной ток замыкания на землю
кабельной сети согласно [6,стр.224]:
(10.6)
где U =35 кВ – междуфазное напряжение сети; L = 3 км – длина линии.
А
Ток срабатывания защиты определяется
из условия обеспечения величины коэффициента чувствительности не менее двух:
(10.7)
А
Принимаем ток срабатывания защиты,
равный:
=4,7 А
Ток срабатывания реле:
А,
Для выполнения защиты применяем
токовое реле РТ-40/0,2 с током срабатывания
=0,12 А, соединение катушек параллельное.
Схема защиты линии 35 кВ приведена в
приложении.
11. Расчет защиты линии 110 кВ
Для защиты линии 110 кВ
устанавливаем:
- токовую отсечку;
- максимальную токовую защиту, с
выдержкой времени;
- защиту от замыкания на землю.
Расчет токовой отсечки
Ток срабатывания токовой отсечки
отстраивается от тока КЗ, в конце защищаемого участка [7,стр.297]:
(11.1)
где
=1,2 коэффициент отстройки;
=1840 А – ток трехфазного КЗ на трансформатором
(табл. 1.1).
Ток трехфазного КЗ, приведенный к
стороне ВН трансформатора:
А,
где
- коэффициент трансформации трансформатора Т1
(Т2).
А
Ток в линии:
=73,48 А (Пункт 1).
Принимаем трансформатор тока типа
ТФЗМ110Б-1-У3;
=100 А,
=5 А [2,стр.304].
Ток срабатывания реле:
А,
Для выполнения защиты применяем
токовое реле РТ-40/50 с током срабатывания
=35,1 А, соединение катушек параллельное.
Коэффициент чувствительности защиты
согласно [7,стр.297]:
(11.2)
где
=2580 А- ток двухфазного КЗ на стороне ВН
трансформатора (табл. 1.1).
что удовлетворяет условию проверки.
Расчет МТЗ линии 110 кВ
Ток срабатывания МТЗ согласно
[6,стр.296]:
(11.3)
где
=1,2 – коэффициент отстройки,
= 0,8 – коэффициент возврата для
реле РТ-40;
= 2,5 –
коэффициент самозапуска;
=73,48
А –расчетный ток в линии.
А
Ток срабатывания реле:
А,
Для выполнения защиты применяем
токовое реле РТ-40/20 с током срабатывания
=13,75 А, соединение катушек параллельное.
Коэффициент чувствительности защиты
согласно [6,стр.297]:
(11.4)
где
=2580 А – ток двухфазного КЗ в конце,
защищаемой линии (табл. 1.1).
что удовлетворяет условию проверки.
Время срабатывания защиты отстраиванием
от времени срабатывания МТЗ КЛ 35 кВ.
(11.5)
=0,5 с – ступень селективности для МТЗ.
с
Защита от замыкания на землю линии
110 кВ
При расчете руководствуемся
рекомендациями, изложенными в [6,стр.208].
В качестве защиты от замыкания на
землю линии 110 кВ принимаем токовую отсечку нулевой последовательности без
выдержки времени.
Ток срабатывания защиты отстраивается
от возможного тока нулевой последовательности, протекающего в сторону
защищаемой линии: 
=890 А (табл. 1.1):
(11.6)
где
=1,2 – коэффициент надежности.
А
Ток срабатывания реле:
А,
Для выполнения защиты применяем
токовое реле РТ-40/100 с током срабатывания
=53,4 А, соединение катушек параллельное.
Схема защиты линии 110 кВ приведена в
приложении.
12. Расчет защиты трансформатора на
ГПП
Защиты предусматриваются от следующих
повреждений и ненормальных режимов:
- от междуфазных КЗ в обмотках
трансформатора и на их выводах;
- от витковых замыканий;
- защита от внешних КЗ;
- перегрузки;
- снижение уровня масла в баке
трансформатора.
Защита от междуфазных КЗ
Для защиты трансформатора от
междуфазных КЗ применяем дифференциальную защиту м реле типа РНТ-565. При
расчетах руководствуемся рекомендациями, изложенными в [7,стр.310-стр.318].
Расчёт проводим в табличной форме.
Таблица 12.1 Расчёт уставок
дифференциальной защиты
|
Искомая величина
|
Расчетная
формула
|
Расчетные величины
|
|
110 кВ
|
35 кВ
|
|
Первичный ток, А
|
|
=52,5
А
|
=
165 А
|
|
Схема соединения
|
-
|
Y
|
|
|
Схема соединения ТА
|
-
|
|
Y
|
|
Устанавливаемый ТА
|
-
|
ТФЗМ110Б-1-У3;
=100
А, = 5 А
|
ТЛК35-У3;
=200
А,
=
5 А
|
|
Коэффициент трансформации ТА
|
|
=20
|
=40
|
|
Коэффициент схемы ТА
|
-
|

|
1
|
|
Ток в плечах защиты
|
|
=
4,546 А
|
=
4,125 А
|
|
Ток КЗ, приведенный к ВН
|

|
А
|
|
Ток небаланса от ТА и РПНа
|
|
А
|
|
Ток срабатывания защиты
|

|
А
А
|
|
Принимаем большую величину
тока срабатывания защиты: А
|
|
Ток срабатывания реле
|
|
=13,7
А
|
=11,95
А
|
|
Сторона с большим вторичным током, принимается как
основная: =13,7 А
|
|
|
|
|
|
|
Искомая величина
|
Расчетная
формула
|
Расчетные величины
|
|
Число витков для основной стороны
|

|
=
7,29 8 витков
|
|
Устанавливаемое число витков для основной стороны
|
|
= 8
витков
=
0 витков
|
|
Число витков для неосновной стороны
|
|
=8,82
|
|
Устанавливаемое число витков для неосновной стороны
|
|
=
8 витков
=
1 виток
|
|
Ток небаланса от неточного выравнивания токов в плечах
защиты
|

|
=11,9
А
|
|
Общий ток небаланса
|
|
=128,9
А
|
|
Ток срабатывания реле, приведенный к стороне ВН
|
|
=
168,23 А
|
|
Коэффициент отстройки
|
|
=1,305
|
|
Окончательные принятые витки: = 8 витков; =1 виток; =0 витков
|
|
Коэффициент чувствительности
|
|
=3,02
|
Примечания:
- данные на трансформаторы тока
приведены согласно [2,стр.302,304];
-
= 1840 А, табл. 1.1;
-
, коэффициент, учитывающий апериодическую
составляющую тока КЗ (принимаем 1, так как используем реле с быстронасыщаемыми
трансформаторами тока );
-
, коэффициент, учитывающий однотипность
трансформаторов тока;
-
- погрешность трансформатора тока;
-
, коэффициент, учитывающий наличие РПН;
-
, коэффициент надежности;
-
намагничивающая сила срабатывания реле.
Защита от внешних коротких замыканий
Для защиты от внешних коротких
замыканий принимаем МТЗ в трехфазном
исполнении. Схема соединения
трансформаторов тока и реле – звезда.
Ток срабатывания МТЗ отстраивается от
номинального тока трансформатора с учетом самозапуска двигателей, согласно
[6,стр.296]:

(12.1)
где
=1,2 и
= 0,8 – коэффициенты надежности и возврата для
реле РТ-40;
- коэффициент, учитывающий самозапуск
заторможенных электродвигателей (
= 3-3,5 ).
А.
Согласно «Сборника директивных
материалов Минэнерго СССР» от 1971 г. для обеспечения надежного действия защиты
требуется:
(12.2)
=
А
Принимаем ток срабатывании защиты,
равный:
=210 А
Ток срабатывания реле:
А,
Для выполнения защиты применяем
токовое реле РТ-40/20 с током срабатывания
=10,5 А, соединение катушек параллельное.
Выдержка времени МТЗ выбирается с
учетом селективности:
(12.3)
где
=1,6 с – выдержка времени МТЗ кабельной линии
35 кВ;
= 0,5 с – ступень
селективности для МТЗ.
=1,6 + 0,5 = 2,1 с
Для создания выдержки времени
применяем реле времени ЭВ-124.
Коэффициент чувствительности защиты
согласно [6,стр.297]:
(12.4)
где
= 1600 А – ток двухфазного КЗ на стороне НН
трансформатора ( табл. 1.1).
Приводим величину тока двухфазного КЗ
на стороне НН трансформатора к стороне ВН, и вычисляем коэффициент
чувствительности:
что удовлетворяет условию проверки.
Защита от перегрузки
Для защиты от перегрузки используем
однорелейную токовую защиту. Ток срабатывания защиты согласно [7,стр.332]:
(12.5)
где
=1,05;
- коэффициент возврата (для реле РТ-40:
= 0,8);
А
Ток срабатывания реле:
А
Для выполнения защиты выбираем
токовое реле РТ-40/6 с током срабатывания
=3,44 А. Соединение катушек параллельное.
Выдержка времени защиты от перегрузки
выбирается на ступень селективности больше выдержки времени МТЗ:
(12.6)
с
Для создания выдержки времени
применяем реле времени ЭВ-124.
Защита от внутренних повреждений и
понижения уровня масла в баке
В качестве защиты от внутренних
повреждений и понижения уровня масла в баке трансформатора применяем газовую
защиту.
Газовая защита выполняется с
использованием реле типа РТЗ-80
Схема защиты трансформатора приведена
в приложении.
13. Расчет АВР секционного
выключателя
Выдержка времени автоматического
включения секционного выключателя отстраивается от времени действия МТЗ
отходящих линий и времени включения резерва:
,
(13.1)
где
= 0,5-0,7 с ступень селективности;
(13.2)
(13.3)
где
- выдержка времени АПВ;
= 1 с – время готовности привода;
=0,1 с – время отключения выключателя;
=0,3-0,5 – отстройка по
времени.
с
с
с
Принимаем
с
Схема устройства АВР на секционном
выключателе Q5 ГПП приведена в приложении
14. Расчет защиты генератора
Согласно ПУЭ, для генераторов
мощностью более 1 МВт предусматриваются устройства релейной защиты от следующих
повреждений и нарушений нормального режима работы:
- многофазные замыкания в обмотке
статора и его выводах;
- однофазные замыкания на землю;
- замыкание между витками обмотки
статора;
- внешних КЗ;
- симметричной перегрузки обмотки
статора;
- замыкания на землю в двух точках
обмотки возбуждения.
Защита от многофазных КЗ обмотки
статора
Применяем трехфазную, трехсистемную
продольную дифференциальную защиту с реле типа РНТ-565. При расчетах
руководствуемся рекомендациями, приведенными в [6,стр.279-стр.294].
Первичный ток срабатывания
принимается больший, из вычисленных по двум условиям:
(14.1)
где
=1,3÷1,4 – коэффициент надежности;
=1 – коэффициент, учитывающий
переходной процесс, при применении реле типа РНТ-565;
=0,5 – для однотипных трансформаторов тока;
=0,1 – допускаемая
наибольшая относительная погрешность трансформаторов тока;
- максимальное значение начального
сверхпереходного тока при внешнем трехфазном КЗ (на выводах генератора) и
номинальной нагрузке генератора.
В относительных единицах:
(14.3)
Номинальный ток генератора:
(14.4)
А
Принимаем трансформатор тока типа
ТВЛМ6-У3; 
=300 А,
=5 А [2,стр.294].
Ток трехфазного КЗ:
(14.5)
А
Определим ток срабатывания:
А
А
Принимаем
=163,9 А.
Ток срабатывания реле:
А,
Расчетное число витков
дифференциальной обмотки:
(14.6)
где
=100 А
- магнитодвижущая сила срабатывания реле.
витка
Принимаем в дифференциальной обмотке 
; и в уравнительной обмотке
; что в общей сложности составляет 35
витков.
Уточненный ток срабатывания защиты:
(14.7)
Коэффициент чувствительности
дифференциальной защиты:
(14.8)
где
, согласно [6,стр.280]:
(14.9)
А
=0,111 [8,стр.8].
что удовлетворяет условию проверки.
Защита от однофазных повреждений в
обмотке статора
Для защиты от замыканий на землю в
обмотке статора применяют токовую защиту нулевой последовательности. Защита
подключается к трансформатору тока нулевой последовательности типа ТНПШ-3-1000,
установленному со стороны шинных выводов генератора. В целях обеспечения
требуемой чувствительности защиты осуществляется подмагничивание трансформатора
тока нулевой последовательности переменным током от цепей трансформатора
напряжения.
При внешних многофазных КЗ, в реле,
подключенному к ТНП, возможно появление значительных токов небаланса. Для
предотвращения излишних срабатываний, защиту выводят из действия защитой
генератора от внешних КЗ.
Схема защиты содержит два реле тока,
предназначенных для устранения замыканий на землю в обмотке статора и двойных замыканий
на землю, одно из, которых в обмотке статора. Схема защиты приведена в
приложении.
Чувствительность реле 1КА действует
на отключение с выдержкой времени 1-2 с, создаваемую для отстройки от
переходных процессов при внешних КЗ на землю.
Промежуточное реле 2KL блокирует грубое реле 2КА при
внешних КЗ.
Ток срабатывания защиты, согласно
[7,стр.352]:

А, (14.10)
где
=2 и
=1,5 – коэффициенты надежности, учитывающие
выдержку времени срабатывания защиты;
=0,7 – коэффициент возврата реле тока;
- ток небаланса, приведенный к первичной
стороне трансформатора тока нулевой последовательности; упрощенно для ТНПШ
можно принять:
1,5 а.
- установившийся емкостной ток замыкания на
землю защищаемого генератора:
(14.11)
где
=314 угловая частота;
- емкость одной фазы обмотки статора;
=6,3 кВ – линейное напряжение генератора.
А
А
Ток срабатывания защиты не превышает
5 А, что обеспечит надежное отключение генератора при замыканиях на землю. В
качестве исполнительного органа чувствительной защиты применяем реле типа
ЭТД-551/60 с последовательным соединением обмоток. В качестве исполнительного
органа грубой защиты применяем реле типа ЭТ-521/2.
Защита от замыкания между витками
одной фазы статора
Схема исполнения защиты приведена на
рис. 14.1.
Рис. 14.2. поперечная
дифференциальная защита от витковых замыканий в обмотке статора
При наличии в обмотке статора двух
параллельных ветвей, для защиты от витковых замыканий в обмотке статора
применяют односистемную поперечную дифференциальную защиту, действие которой,
основано на сравнении геометрической суммы токов трех фаз одной ветви с
геометрической суммой токов трех фаз другой ветви (генераторы мощностью 60 МВт
и более).
Трансформатор ТА подключается в месте
соединения нейтралей обмоток статора. К трансформатору подключается реле тока
типа РТ-40/Ф, имеющие встроенный фильтр третьей гармоники. При витковом
замыкании в одной из фаз, возникает уравнительный ток, который приводит к
срабатыванию защиты. Защита действует на отключение генератора.
Ток срабатывания защиты отстраивается
от токов небаланса, протекающих в реле в режимах холостого хода и короткого
замыкания генератора.
Защита от внешних КЗ
Для защиты от внешних КЗ применяем
максимальную токовую защиту с пусковым органом минимального напряжения.
Трансформаторы тока включены в нейтрали, схеме соединения – полная звезда.
Пусковой орган минимального
напряжения состоит из трех реле минимального напряжения, включенных на
междуфазное напряжение.
Ток срабатывания МТЗ отстраивается от
номинального тока генератора, согласно [7,стр.356]:
(14.12)
где
=1,1-1,2 и
=0,8 – коэффициенты надежности и возврата для
реле РТ-40.
А.
Ток срабатывания реле:
А,
Для выполнения защиты применяем
токовое реле РТ-40/10 с током срабатывания
=5,72 А, соединение катушек параллельное.
Напряжение срабатывания защиты,
согласно [7,стр.356]:
(14.13)
В
Напряжение срабатывания реле,
согласно [7,стр.356]:
(14.14)
где
= 1,1÷1,2 – коэффициент надежности;
=1,2 – коэффициент возврата
для реле минимального напряжения типа РН-54;
- коэффициент трансформации трансформатора
напряжения.
В
Для выполнения защиты применяем реле
напряжения РН-54/160 с напряжением срабатывания
= 42 В.
Выдержка времени МТЗ выбирается с
учетом селективности:
(14.15)
где
= 1,6 с – выдержка времени МТЗ кабельной линии
35 кВ;
=0,5 с - ступень
селективности для МТЗ.
с
Для создания выдержки времени
применяем реле времени ЭВ-124.
Коэффициент чувствительности защиты
по току, согласно [7,стр.356]:
(14.16)
где
=1600 А – ток даухфазного КЗ на выводах
генератора.
;
что удовлетворяет условию проверки.
Коэффициент чувствительности защиты
по напряжению согласно [7,стр.356]:
(14.17)
где
=
- максимальное остаточное напряжение при КЗ в
конце зоны действия защиты.
что удовлетворяет условию проверки.
Защита от симметричных перегрузок
Для защиты генератора от симметричных
перегрузок используем однорелейную токовую защиту. Ток срабатывания защиты согласно
[7,стр.379]:
(14.18)
где
=1,05;
- коэффициент возврата ( для реле РТ-40:
=0,8);
А
Ток срабатывания реле:
А
Для выполнения защиты выбираем токовое
реле РТ-40/6 с током срабатывания
=5,0 А. Соединение катушек параллельное.
Выдержка времени принимаем на ступень
больше, чем выдержка времени защиты от внешних КЗ.
(14.19)
с
Для создания выдержки времени
применяем реле времени ЭВ-123.
Защита от замыкания на землю во
второй точке цепи возбуждения
Защита выполняется по мостовой схеме.
В диагональ моста включается токовое реле КА. Схема исполнения защиты приведена
на рис. 14.2.
Рис. 14.3 Защита от замыканий на
землю обмотки возбуждения
Мост образуется сопротивлениями 
и
левой и правой части обмотки возбуждения
(относительно первой точки замыкания К1) и сопротивлениями
и
переменного резистора, подключенного к кольцам
ротора генератора. До появления второго замыкания мост балансирует, на
переменном резисторе устанавливают такое сопротивление, при котором ток в
диагонали отсутствуют.
Этому соответствует условие:
При возникновении второй
точки замыкание на землю (точка К2), баланс моста нарушается и защита
срабатывает.
Даже при сбалансированном мосте через
его диагональ может проходить ток, обусловленный неравномерностью воздушного
зазора между статором и ротором генератора. Чтобы под действием указанного тока
защита не сработала, последовательно с основной обмоткой 
токового реле КА, включает реактор LR, имеющий для переменного тока
большое сопротивление. Кроме этого, в диагональ моста включают трансформатор
тока ТА, вторичный тока которого подводят к дополнительной обмотке 
токового реле КА. Магнитодвижущая сила обмотки
направлена встречно
магнитодвижущей силе обмотки
, поэтому воздействие переменного тока на реле
КА уменьшается.
Защита от замыканий на землю в двух
точках цепи возбуждения отстраивается от тока небаланса обусловлено неточный
балансировкой моста и наличием переменного тока в реле.
Список литературы
1. Л. Д.
Рожкова, В.С. Козулин. «Электрическое оборудование станций и подстанций»
Москва: Энергоатомиздат 1987 г.
2. И. П.
Крючков, Н. Н. Кувшинский, Б. Н. Неклепаев. « Электрическая часть станций и
подстанций» Москва: Энергия 1978 г.
3. В. И.
Идельчик «Электрические системы и сети» Москва, Энергоатомиздат 1989 г.
4. Б. Ю.
Липкин. «Электроснабжение промышленных предприятий» Москва, «Высшая школа» 1975
г.
5
«Справочник по релейной защите». Под общей редакцией М.А. Берковича Государственное
энергетическое издательство. 1963 г.
6. А. М.
Авербух. «Релейная защита в задачах с решениями и примерами» Ленинград, Энергия
1975 г.
7. М. А.
Беркович, В. А. « Основы техники и эксплуатации релейной защиты» Москва:
Энергия 1971 г.
8. М. А.
Беркович, В. Н. Вавин, М. Л. Голубев и др. «Справочник по релейной защите»
Государственное энергетическое издательство, Москва, 1963 г.