|
Номинальный
(максимальный) ток, А
|
1-5
(10)
EA – ЕвроАльфа; 02
– класс точности ( 02 – класс точности 0,2S, 05 – класс точности 0,5S); RA – измерение
активной или активной и реактивной энергии (R – до 2-х
величин, RA – до 2-х
величин); LX – (LX – расширенная
память для хранения данных графика электрической нагрузки, Т – режим многотарифности,
L – многотарифность и хранение данных графика нигрузки); P3 –
телеметрические выходы ( Р1 – плата с одним полупроводниковых реле, Р2 – плата
с двумя группами по 2 полупроводниковых реле, Р3 – плата с тремя полупроводниковых
реле, Р4 – плата с двумя группами по 4 полупроводниковых реле); B – цифровые
интерфейсы (С – ИРПС «токовая петля», В – RS 485, S1 – RS 232); N – реле ( N – управление
нагрузкой, F – переключение
тарифов других счетчиков); 4 – число элементов (3 – двухэлементный счетчик (3-х
проводная линия), 4 – трехэлементный счетчик (4-х проводная линия)).
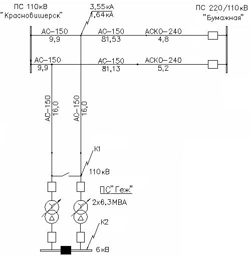
На
ПС «Гежская» 110/6 кВ в систему АСКУЭ включаются расчетные счетчики и счётчики
технического учёта, установленные:
-
на вводах 6 кВ силовых трансформаторов -2 сч;
-
на вводах 0,4 кВ трансформаторов собственных нужд -2 сч;
-
на отходящих линиях 6 кВ -8
сч;
Данные
по местам установки счетчиков, типам применяемых счётчиков, их связным номерам,
данные трансформаторов тока и напряжения приведены в таблице 3.11 и соответствуют
схеме установки приборов учёта электроэнергии на подстанции «Гежская»,
утверждённой Главным энергетиком ООО «УралОйл».
Таблица
3.11 Таблица счётчиков
|
№
п/п
|
Тип
счетчика
|
Место
установки
|
Коэффициенты
трансформации
|
|
|
|
Ki
|
Ku
|
|
1
|
EA05RL-B-3
|
Ввод
Тр-р1, КРПЗ-10
ячейка
№4
|
1000/5
|
6000/100
|
|
2
|
EA05RL-B-3
|
Ввод
Тр-р2, КРПЗ-10
ячейка
№17
|
1000/5
|
6000/100
|
|
3
|
EA05RL-B-3
|
Ввод
т.с.н №1
ОПУ
шкаф ввода тр-ов собственных нужд
|
300/5
|
1
|
|
4
|
EA05RL-B-3
|
Ввод
т.с.н №2
ОПУ
шкаф ввода тр-ов собственных нужд
|
300/5
|
1
|
|
5
|
EA05RL-B-3
|
КРПЗ-10
Ячейка
№5
|
150/5
|
6000/100
|
|
6
|
EA05RL-B-3
|
КРПЗ-10
Ячейка
№7
|
50/5
|
6000/100
|
|
7
|
EA05RL-B-3
|
КРПЗ-10
Ячейка
№8
|
50/5
|
6000/100
|
|
8
|
EA05RL-B-3
|
КРПЗ-10
Ячейка
№9
|
50/5
|
6000/100
|
|
9
|
EA05RL-B-3
|
КРПЗ-10
Ячейка
№12
|
50/5
|
6000/100
|
|
10
|
EA05RL-B-3
|
КРПЗ-10
Ячейка
№13
|
100/5
|
6000/100
|
|
11
|
EA05RL-B-3
|
КРПЗ-10
Ячейка
№16
|
50/5
|
6000/100
|
|
12
|
EA05RL-B-3
|
КРПЗ-10
Ячейка
№19
|
150/5
|
6000/100
|
3.2 Выводы по главе 3
Данная
глава была посвящена выбору и проверке оборудования: силовых трансформаторов,
питающих линии, разъединителей, выключателей, трансформаторов тока, предохранителей,
КРУ.
На
стороне 110 кВ приняли комплектную блочную трансформаторную подстанцию
КТПБР-110/6 производства ЗАО «Высоковольтный союз» с трансформаторами мощностью
6,3 МВА укомплектованную элегазовыми выключателями ВГТ-110-40/2500,
производства «Уралэлектротяжмаш».
ЗРУ-6
кВ выполнили в виде металлического сооружения КРПЗ-10, блоки КРПЗ-10
укомплектованы КРУ серии КУ-10ц. В ячейках КРУ установили вакуумные выключатели
ВР-1 производства ОАО РЗВА, трансформаторы тока типа ТЛК.
Всё
установленной на ПС оборудование выбрано по условиям длительного режима работы
и проверено по условиям коротких замыканий. При этом для всех аппаратов
производилось:
1.
выбор
по напряжению;
2.
выбор
по нагреву при длительных токах;
3.
проверка
на электродинамискую стойкость;
4.
проверка
на термическую стойкость.
4.1 Анализ и выбор микропроцессорных средств защиты систем
электроснабжения
В
настоящее время большинство фирм производителей прекращают выпуск
электромеханических реле и устройств и переходят на цифровую элементную базу.
Переход
на новую элементную базу не приводит к изменению принципов релейной защиты и
электроавтоматики, а только расширяет её функциональные возможности, упрощает
эксплуатацию и снижает стоимость. Именно по этим причинам микропроцессорные
реле очень быстро занимают место электромеханических и микроэлектронных.
Основными
характеристиками микропроцессорных защит значительно выше микроэлектронных, а
тем более электромеханических. Так, мощность, потребляемая от измерительных
трансформаторов тока и напряжения, находится на уровне 0,1- 0,5 ВА,
аппаратная погрешность в приделах 2-5 %, коэффициент возврата
измерительных органов составляет 0,96-0,97.
Мировыми
лидерами в производстве релейной защиты и автоматики являются европейские
концерны ALSTOM, ABB и SIMENS. Общим является
всё больший переход на цифровую технику. Цифровые защиты, выпускаемые этими
фирмами, имеют высокую стоимость, которая впрочем, окупается их высокими
техническими характеристиками и многофункциональностью.
Современные
цифровые устройства РЗА интегрированы в рамках единого информационного
комплекса функций релейной защиты, измерения, регулирования и управления
электроустановкой. Такие устройства в структуре автоматизированной системы
управления технологическим процессом энергетического объекта являются
оконечными устройствами сбора информации. В интегрированных цифровых комплексах
РЗА появляется возможность перехода к новым нетрадиционным измерительным
преобразователям тока и напряжения – на основе оптоэлектронных датчиков,
трансформаторов без ферромагнитных сердечников и т.д. Эти преобразователи
технологичнее при производстве, обладают очень высокими метрологическими
характеристиками, но имеют алую выходную мощность и непригодны для работы с
традиционной аппаратурой.
Цифровые
микропроцессорные комплексы РЗ являются интеллектуальными техническими
средствами. Им присущи:
а)
многофункциональность и малые размеры (одно цифровое измерительное реле
заменяет десятки аналоговых);
б)
дистанционные изменения и проверка уставок с пульта управления;
в)
ускорение противоаварийных отключений и включений;
г)
непрерывная самодиагностика и высокая надёжность;
д)
регистрация и запоминание параметров аварийных режимов;
е)
дистанционная передача оператору информации о состоянии и срабатываниях
устройств РЗ;
ж)
возможность вхождения в состав вышестоящих иерархических уровней
автоматизированного управления;
з)
отсутствие специального технического обслуживания – периодических проверок
настройки и исправности.
В
условиях конкуренции, фирмы часто выпускают рекламные проспекты на еще
разрабатывающиеся устройства и, когда дело доходит до заказа, то выясняется,
что ряд функций в этом устройстве еще не доработано или совсем не разработано.
Хотя с другой стороны, жизнь не стоит на месте, и чтобы выжить, фирмы постоянно
совершенствуют свои устройства, часто перехватывая, а то и
"заимствуя" друг у друга новинки или удачные решения, и поэтому
тяжело поспевать за их разработками. Плохо, если приобретешь такую
промежуточную разработку, которая быстро снимается с производства, и потом в
дальнейшем будут трудности с ремонтом, т.к. замена чипов или полных блоков не
всегда возможна, потому что технология производства тоже не стоит на месте и
изменяются конструктивы элементов и комплектующих.
Для
выбора необходимых нам устройств защиты проведём сравнительный анализ
разработок различных фирм производителей. В основном все подходы по
функциональному признаку тесно переплетаются во всех разработках в сети 110-220
кВ. Основными характерными моментами являются:
1)
не менее 5 зон
дистанционной защиты от всех видов КЗ, с возможностью их блокирования при
качаниях и при неисправности цепей напряжения;
2)
возможность
телеускорения в дистанционной защите, определенных ее зон (по выбору) с
использованием различных (по выбору) схем связи, определенные схемы
телеускорения могут иметь свой ВЧ канал также для телеускорения токовой
направленной защиты нулевой последовательности от КЗ на землю;
3)
возможность
автоматического ускорения определенных ступеней дистанционной защиты при ручном
включении и АПВ;
4)
возможность ввода
удлиненной зоны до АПВ;
5)
наличие аварийных
токовых защит, вводимых автоматически при неисправности цепей напряжения и
блокировании дистанционной защиты;
6)
наличие отдельных
токовых защит вводимых автоматически на время опробования линии при ручном
включении линии или АПВ;
7)
наличие токовых
защит, используемых как МТЗ для различных режимов, например: междуфазной
токовой отсечки, защиты ошиновки ВЛ при полуторной схеме, резервных токовых
защит линии, в том числе с различной степенью инверсности токозависимых по
времени характеристик срабатывания;
8)
наличие токовых
защит нулевой последовательности с использованием направленности (по выбору),
телеускорения и автоматического ускорения отдельных ступеней;
9)
наличие токовых
защит обратной последовательности, для работы при несимметричных КЗ, особенно
за обмотками трансформаторов "звезда"/"треугольник";
10)
функции УРОВ;
11)
функции АПВ,
включающие в себя ОАПВ, УТАПВ, ТАПВ, причем последние могут выполняться с
контролями напряжений и контролем синхронизма;
12)
функции
определения места повреждения на линии;
13)
функции
регистрации аварийных параметров и сигналов;
14)
контроль цепей
тока и напряжения;
15)
измерение рабочих
значений токов, напряжения, мощности, частоты, в амплитудных и средних
значениях;
16)
контроль цепей
отключения и включения выключателя;
17)
контроль числа
коммутаций выключателя, с регистрацией суммы токов отключения;
18)
переключение
наборов уставок (4 набора).
Подробнее
рассмотрим защиты, которые в настоящее время производятся серийно и уже
находятся в эксплуатации во многих странах мира. Это защиты SPAC801 фирмы «ABB» и защита Micom фирмы «ALSTOM». Ввиду
большого числа функций и возможных вариантов использования характеристик в
терминалах, сравнение производится по основным из них. Второстепенные характеристики
и параметры настройки следует смотреть в заводской (фирменной) документации на
изделия. Сравнение будем вести по техническим и функциональным признакам.
Сравнительная характеристика представлена в таблице 4.1
Таблица
4.1 Сравнительная характеристика микропроцессорных защит
|
Описание
функций
|
Micom P123
|
SPAC801
|
|
Направленная
трехфазная МТЗ
|
|
|
|
Трехфазная
МТЗ
|
Х
|
Х
|
|
Защита
от тепловой перегрузки
|
Х
|
Х
|
|
Трехфазная
защита по минимальному току
|
Х
|
Х
|
|
МТЗ
обратной последовательности
|
Х
|
Х
|
|
Однофазная
МТЗ (ЗНЗ)
|
Х
|
Х
|
|
АПВ
|
Х
|
Х
|
|
Включение
на повреждение
|
Х
|
Х
|
|
Мест./дист.
управл. выключателем
|
Х
|
Х
|
|
Выбор
чередования фаз
|
Х
|
–
|
|
УРОВ
|
Х
|
Х
|
|
Контроль
ресурса выключателя и цепей откл.
|
Х
|
Х
|
|
Определение
обрыва провода L2/L1
|
Х
|
–
|
|
Отстройка
от пусковых токов
|
Х
|
–
|
|
Подхват
выходных реле
|
Х
|
Х
|
|
Логика
блокирования
|
Х
|
–
|
|
Логика
селективности
|
Х
|
Х
|
|
Режим
наладки реле
|
Х
|
Х
|
|
Дистанционное
упр. выходными реле
|
Х
|
Х
|
|
Количество
групп уставок
|
2
|
2
|
|
Дополнительные
таймеры
|
Х
|
Х
|
|
Измерения
|
Х
|
Х
|
|
Макс.
и средние значения тока
|
Х
|
–
|
|
Регистрация
аварий
|
Х
|
Х
|
|
Регистрация
пусков защит
|
Х
|
Х
|
|
Регистрация
событий
|
Х
|
–
|
|
Запись
переходных процессов
|
Х
|
–
|
|
Дискретные
входы/выходные реле
|
5/8
|
5/8
|
|
Входы
тока/напряжения
|
4/0
|
4/0
|
|
Протокол
связи Modbus RTU
|
Х
|
–
|
|
Протокол
связи I EC 60870-5-1 03
|
Х
|
–
|
|
Протокол
связи Courier
|
Х
|
–
|
|
Программа
связи Micom
S1
|
Х
|
–
|
Познакомившись
с Micom P123 и SPAC801, приходим к
выводу, что по набору защит они одинаковы, поэтому рассмотрим по дополнительным
функциям:
1. Габаритные
размеры у Micom P123, в 2 раза
меньше SPAC801;
2. Micom P123 имеет 4-х
строчный ЖКД, а SPAC801однострочный с тремя символам;
3. Micom P123 выражает
реальные величины, а SPAC801 – в относительных, требуется
перерасчет;
4. Micom P123 регистрирует
до 75 аварий и переходных процессов, SPAC801только 5
последних событий и срабатывает индикатор;
5. Различные
функции терминала Micom P123 можно
связать между собой с помощью логических элементов, SPAC801 жестко
забитая логика вывод защиты через диаграмму ключей, нет возможности логической
связи.
Из
данной таблице можно сделать вывод, что микропроцессорная защита Micom P123, превосходит
по некоторым функциональным параметрам. Также следует учесть тот факт, что
персонал Березниковских электрических сетей ознакомлен с микропроцессорами
фирмы «ALSTOM» – это и является главным критерием
для их установки на подстанции.
4.2 Выбор вида и типа защит элементов системы электроснабжения
ПС «Гежская»
Защита
элементов системы электроснабжения должна ограничить или полностью устранить в
них возможные нарушения нормального режима работы, вызванные электрическими,
тепловыми или механическими перегрузками, а так же аварийными повреждениями,
основными причинами которых обычно являются различные виды КЗ. Для обеспечения
защиты применяются аппараты отключения: а) плавкие предохранители ВН и НН и
автоматические выключатели НН; б) аппараты релейной защиты, действующие на
отключение выключателя.
Релейная
защита
– совокупность специальных устройств и средств (реле, измерительные
трансформаторы и другие аппараты), обеспечивающие автоматическое отключение
поврежденной части электрической установки или сети. Если повреждение не
представляет для электроустановки непосредственной опасности, то релейная
защита должна приводить в действие сигнальные устройства, не отключая
установку. Основные условия надежной работы релейной защиты:
1)
обеспечение
селективности, т.е. отключение только поврежденных участков. Время срабатывания
защиты характеризуется выдержкой времени, обеспечивающей селективность.
Выдержка определяется полным временем действия защиты до отключения поврежденного
участка;
2)
остаточная
чувствительность ко всем видам повреждений на защищаемой линии и на линиях,
питаемых от нее, а так же к изменению в связи с этим параметров (тока,
напряжения и др.), что оценивается коэффициентом чувствительности;
3)
максимальная
простота схем с наименьшим числом аппаратов и достаточная надежность и
быстродействие;
4)
наличие
сигнализации о неисправностях в цепях, питающих аппараты релейной защиты.
Исходя,
из главы 5.1 примем и рассчитаем, устройства релейной защиты выполненные на
терминале Micom Р632, Р139
производства «ALSTOM». Проектом предусмотрено техническое
задание на устройства защиты, автоматики, управления и измерения ОРУ-110 кВ,
ЗРУ-6 кВ и силового трансформатора.
1.
Трансформатор силовой трёхфазный ТМН-6300/110-У1; 115/6,6 кВ
|
№
|
Наименование
|
Стороны
трансформатора
|
|
115
кВ
|
6,6
кВ
|
|
Защита
|
|
1
|
Дифференциальная
токовая защита
|
●
|
●
|
|
2
|
МТЗ
с выдержкой времени
|
●
|
●
|
|
3
|
Защита
от перегрузки
|
●
|
●
|
|
Измерения
|
|
1
|
Ток
|
●
|
●
|
|
2
|
Напряжение
|
●
|
●
|
|
Автоматика
и управление
|
|
1
|
Автоматическое
регулирование напряжения (АРН)
|
●
|
|
|
2
|
Выключатель
|
●
|
|
2.
ЗРУ-6 кВ
|
№
|
Наименование
|
СВ
|
ВВ
|
ТСН
|
КЛ
|
ВЛ
|
Линия
КУ
|
|
Защита
|
|
1
|
МТЗ
с выдержкой времени
|
●
|
●
|
|
●
|
●
|
●
|
|
2
|
Токовая
отсечка
|
|
|
|
●
|
●
|
●
|
|
Измерения
|
|
1
|
Коммерческий
учёт электроэнергии
|
|
●
|
●
|
|
|
|
|
2
|
Технический
учёт электроэнергии
|
|
|
|
●
|
●
|
|
В
соответствии с ПУЭ на ПС «Гежская» 110/6 кВ предусматриваются следующие виды
защиты:
1)
защита силового трансформатора:
а) максимальная
токовая защита от токов короткого замыкания с двумя выдержками времени
«меньшей» - отключается выключатель ввода 6 кВ, со второй выдержкой времени
«большей» - отключается выключатель 110 кВ.
При
использовании микропроцессорного блока Micom Р632 защита
называется максимально-токовой с независимой характеристикой времени
срабатывания;
б) защита от
перегрузки на вводе 110 кВ силового трансформатора, действующая на сигнал;
в) дифференциальная
токовая защита от токов короткого замыкания, действующая на отключение вводов
110 и 6 кВ силового трансформатора.
2) защита
шин 6 кВ
Специальной
защиты шин 6 кВ на подстанции не предусмотрено. При коротком замыкании. При
коротком замыкании на шинах 6 кВ отключается выключатель ввода 6 кВ или
секционный выключатель 6 кВ при работе одного трансформатора на две секции шин
6 кВ.
Выключатель
ввода 6 кВ отключается от защиты силового трансформатора. Секционный
выключатель 6 кВ отключается от собственной максимальной токовой защиты.
3) защита
отходящих линий 6 кВ
На
отходящих линиях 6 кВ предусмотрена двухступенчатая максимальная токовая
защита. Защита выполнена в двухфазном двухрелейном исполнении на
микропроцессорном блоке Micom Р123 и действует на
отключение выключателя.
Первая
ступень действует мгновенно, вторая с выдержкой времени.
На
ПС предусмотрен следующий объем автоматики:
1) автоматическое
повторное включение (АПВ) выключателей вводов 6 кВ и отходящих линий 6 кВ;
2)
автоматическое включение резервного питания (АВР) на секционном выключателе 6
кВ.
4.3 Расчёт и выбор уставок МТЗ и токовой отсечки
Общие
положения расчёта и выбора уставок на терминале Micom Р123:
На
каждой из сторон трансформатора предусмотрено по три ступени максимальной
токовой защиты, используется одна из них.
Ток
срабатывания максимальной токовой защиты выбирается с учетом следующих
соображений: отстройка от максимально возможного тока нагрузки, согласование
защиты по току с защитами последующих элементов, обеспечение необходимой
чувствительности.
Выдержка
времени выбирается, исходя из условия согласования с выдержкой времени
последующей защиты. 1 ступень защиты может быть выбрана с зависимой или
независимой от тока характеристикой выдержки времени. Как правило, на
трансформаторах применяется независимая выдержка времени. Для этого в уставки
ступени I > реле необходимо ввести
тип
– НЕЗАВИС.
Расчёт
уставок производится с учетом требований выпуска 13Б Руководящих указаний по
релейной защите (Москва 1985год) и методике по выбору уставок с учетом особенностей
защит, уставки которых выбираются [14].
До
начала выбора защиты трансформатора 110 кВ ПС «Гежская» необходимо рассчитать
защиты отходящих линий 6 кВ.
Токовую
отсечку обычно называют одну из ступеней двухступенчатой или трёхступенчатой
максимальной токовой защиты. Токовая отсечка защищает только часть линии или
обмотки трансформатора, расположенные ближе к источнику питания. Отсечка
срабатывает без специального замедления, то есть t=0 с.
Расчёт
тока срабатывания селективной токовой отсечки без выдержки времени,
установленной на линии, на понижающем трансформаторе и на блоке линия-
трансформатор. Селективность токовой отсечки мгновенного действия
обеспечивается выбором её тока срабатывания большим, чем значение тока КЗ при повреждении в конце защищаемой
линии электропередачи или на стороне НН защищаемого понижающего трансформатора:
≥
Коэффициент
надёжности для токовых
отсечек без выдержки времени, установленных на линии электропередачи и
понижающих трансформаторах, при использовании цифровых реле, в том числе Micom, может приниматься
в пределах от 1,1 до 1,15. Для сравнения можно отметить, что при использовании
в электромеханических дисковых реле РТ- 40 электромагнитного элемента
(отстройки) принимаются в приделах = 1,3 – 1,4.
Еще
одним условием выбора токовой отсечки, является отстройка от суммарного броска
тока намагничивания трансформаторов, подключенных к линии. Эти броски тока
возникают в момент включения под напряжение ненагруженного трансформатора и
могут первые несколько периодов превышать номинальный ток в 5 – 7 раз. При
расчёте токовой отсечки линии электропередачи, по которой питается несколько
трансформаторов, необходимо в соответствии с условием отстройки от тока КЗ
обеспечить несрабатывание отсечки при КЗ за каждым трансформатором и
дополнительно проверить надёжность несрабатывания отсечки при суммарном
значении бросков тока намагничивания всех трансформаторов, подключённых как к защищаемой
линии, так и предыдущим линиям, если они одновременно включаются под
напряжение. При включении линии под
напряжение
при выдержке времени отсечки порядка 0,05с. ток срабатывания отсечки должен
быть равен пяти суммарным номинальным токам:
≥
Если
это последнее условие оказывается расчетным, следует попытаться использовать
загрубление на время включения.
Проверка
чувствительности защиты:
ПУЭ
требуют для токовых защит коэффициент чувствительности 1.5 при коротких
замыканиях на защищаемом оборудовании, и 1.2 в зоне резервирования. Коэффициент
чувствительности определяется по выражению:
Для
расчета берется ток двухфазного КЗ в минимальном режиме.
Расчёт
токовой отсечки по отходящим фидерам представлен в приложении лист 5.
Принцип
действия МТЗ основан на том, что при возникновении КЗ ток увеличивается и
начинает превышать ток нагрузочного режима. Селективность действия при этом
достигается выбором выдержек времени.
В
пределах каждого элемента МТЗ устанавливается как можно ближе к источнику питания.
Для
того чтобы защита работала при КЗ и не работала в нормальных режимах необходимо
определять ток срабатывания защиты – .
– это наименьший первичный
ток, необходимый для действия ПО защиты. При этом необходимо обеспечить
несрабатывание МТЗ при максимальных токах ( ) и пусковых токов ( ) нагрузки. Для этого необходимо выполнение
следующих условий:
1. – пусковые органы защит не должны
приходить в действие при максимальном рабочем токе нагрузки;
2. Пусковые органы
защиты, пришедшие в действие при внешнем КЗ, должны вернуться в исходное
состояние после его отключения и снижения до . Для выполнения этого условия ток возврата
защиты должен
удовлетворять требованию , где - коэффициент самозапуска двигательной
нагрузки, учитывает возрастание тока при самозапуске двигателей, .
,
где
, для МТЗ на цифровых
реле .
Следовательно,
при выполнении условия 2 всегда выполняется условие 1, поэтому выражение для
определения можно
получить следующим образом:
где
- коэффициент
надёжности, учитывает погрешность в определении , при использовании цифровых реле, в том числе Micom, может
приниматься в пределах от 1,1 до 1,15.
.
Зная
величину , можно
определить - ток
срабатывания реле, как ток , пересчитанный на вторичную обмотку ТА , где - коэффициент схемы, зависящий от
схемы соединения ТА и обмоток реле и равный отношению тока в реле ко вторичному
току ТА; - коэффициент
трансформации ТА. По рассчитанному значению определяют - ток уставки. Участи токовых реле регулируется плавно, у
других – ступенчато, при этом округление до производится в большую сторону.
Данные
расчета уставок МТЗ ЗРУ-6 кВ представлены в Приложении лист 6.
4.3.3
Выполнение уставок на устройстве
Токи
срабатывания защиты МТЗ должны быть пересчитаны в доли номинального тока реле
или номинального вторичного тока трансформатора согласно [15].
Если
уставки защиты выбраны в первичном токе, то они должны быть приведены к
напряжению, где установлена защита, а затем определен относительный вторичный
ток срабатывания реле, делением первичного тока срабатывания на первичный ток
трансформатора тока соответствующей стороны:
>>=
Если
уставки защиты выбраны в относительных единицах к номинальному току
соответствующей стороны, должен быть определен относительный вторичный ток
срабатывания, умножением относительного тока срабатывания на базисный ток этой
стороны:
>>=
Базисный
ток (коэффициент) на каждой стороне трансформатора – отношение номинального тока соответствующей
стороны трансформатора к номинальному первичному току трансформатора тока этой
стороны:
Диапазон
уставок по току срабатывания 0,2 – 50 по каждой стороне трансформатора. У реле Micom P123 один
диапазон 0,5-40х с точностью 0,01. Необходимо устанавливать ближайшее к
расчетному значение. Заводом установлено 0,5 .
Ступень
имеет выход с выдержкой времени и мгновенный выход. Мгновенный выход
используется для блокировки вышестоящей защиты (логическая селективность). Диапазон
уставок по времени отключения Micom P123 0-150сек.
по времени отключения 0,06 - точность установки составляет 0,01сек.
Расчёт
уставки секционного выключателя, уставок ввода 6 кв и МТЗ стороны 110 кВ на
реле Micom Р123 приведены в
Приложении лист 7.
1.
Дифференциальная защита трансформатора использует 2 комплекта трансформаторов
тока, расположенных с обеих сторон трансформатора. Выравнивание вторичных токов
по величине и по фазе производится защитой автоматически расчетным путем, для
чего при задании общих характеристик задаются параметры трансформатора и
трансформаторов тока. При этом возникает возможность собрать трансформаторы
тока со всех сторон в «звезду», что снижает нагрузку вторичных цепей. Ток
нулевой последовательности при этом устраняется расчетом, что делает
характеристики независимыми от режима нейтрали трансформатора.
2.
Реле имеет тормозную характеристику пропорционального типа (процентное
торможение)- ток срабатывания защиты увеличивается пропорционально увеличению
тока короткого замыкания. Тормозным током является самый большой ток среди
подводимых к реле, по каждой фазе отдельно.
3.
Характеристика состоит из четырех участков.
Характеристика
дифференциальной защиты Micom P632.
– дифференциальный ток;
– тормозной ток
– равен наибольшему из двух вторичных токов.
Участок
АВ – начальный, на этом участке ток срабатывания не зависит от торможения. В
точке В характеристика начального участка пересекается с первой тормозной
характеристикой. Она имеет наклон Р1 и начинается от начала координат. Эта
характеристика работает при малых токах короткого замыкания, когда погрешность
трансформаторов тока невелика.
При
токах, больших 2.5 , начинается
вторая тормозная характеристика, которая пересекается с первой в точке С и
имеет более крутой наклон – Р2, учитывая большую погрешность трансформаторов
тока при больших токах короткого замыкания.
И
последний участок – DE – ток срабатывания опять не зависит от тормозного тока.
Ломаная
линия ABCDE представляет общую характеристику дифференциальной защиты.
4.
Блокировка током второй гармоники предназначена для обеспечения отстройки
дифзащиты от броска тока намагничивания при подаче напряжения. Благодаря
наличию блокировки ток срабатывания дифзащиты может быть выполнен значительно
меньшим номинального тока трансформатора.
5.
Блокировка по току пятой гармоники, предназначена для предотвращения ложной
работы дифзащиты от повышенного тока намагничивания при перевозбуждении (подачи
напряжения на обмотку трансформатора значительно выше номинального).
Предполагается, что на трансформаторах украинского и российского производства
без такой блокировки можно обойтись.
Выбор
уставок выполняется по условиям:
1)
Реле
градуировано в относительных единицах к номинальному вторичному току
трансформаторов тока стороны ВН, принятой за основную. Вторичные токи остальных
сторон пересчитываются к основной стороне автоматически.
2)
Реле
отстроено от броска намагничивающего тока при токе срабатывания 1 участка
характеристики (АВ), 02 номинального тока трансформатора.
3)
При
выборе коэффициента торможения Р1 первого участка тормозной характеристики в
зоне малых токов КЗ, предполагается, что погрешность трансформаторов тока с
учетом переходных процессов при внешних коротких замыканиях не превышает 5%.
4)
При
выборе коэффициента торможения Р2 второго участка тормозной характеристики в
зоне больших токов КЗ, предполагается, что погрешность трансформаторов тока
составляет 10%, а влияние переходных процессов на погрешность трансформаторов
тока при внешних коротких замыканиях учитывается коэффициентом 1,5.
5)
Ток
срабатывания второго горизонтального участка (отсечки), не зависящий от
торможения, принимается равным небалансу при внешнем коротком замыкании, с
учетом загрубляющего коэффициента, при расчете погрешности трансформатора тока,
равном 3. С учетом необходимости отстройки от броска тока намагничивания ток
срабатывания отсечки должен быть не менее 6.
6)
Ток
блокировки по 2 гармонике принимается установленный заводом – 12%.
7)
Погрешность
выравнивания вторичных токов расчетным путем за счет дискретности этих расчетов
можно не учитывать во всем диапазоне уставок реле.
8)
Учитывая
высокую точность работы микропроцессорной защиты, коэффициенты запаса при
выборе уставок можно принять равными 1,2.
Выбор
уставок дифзащиты трансформатора
Выбор
уставок дифзащиты сводится к выбору параметров тормозной характеристики и
проверки чувствительности.
При
использовании микропроцессорного реле Micom P632 появляется
возможность скомпенсировать отличие вторичных токов сторон ВН и НН и угловой
сдвиг, появляющейся при трансформации токов со стороны ВН(Y) и НН(∆).
Расчёт общих уставок сведён в таблицу 4.2.
Таблица
4.2 Общие уставки
|
№
|
Наименование
величины
|
Расчётная
формула
|
Числовое
значение для стороны
|
|
110
|
6
|
|
1
|
Напряжения
обмоток, кВ
|
|
115
|
6,3
22
|
|
2
|
Первичные
номинальные токи, А
|
|
31,62
|
551,1
|
|
3
|
Соединение
обмоток
трансформаторов
тока
|
|
Y
|
Y
|
|
4
|
Коэффициент
трансформации трансформаторов тока
|
|
6,64
|
115,7
|
|
5
|
Принятый
коэффициент трансформации ТТ
|
|
100/5
(20)
|
1000/5
(200)
|
|
6
|
Номинальный
первичный ток ТТ, А
|
|
100
|
1000
|
|
7
|
Базисный
ток, А
|
|
0,32
|
0,51
|
|
8
|
Максимальные
первичные токи при скв. 3-х фазных КЗ
(повреждение
на шинах 6 кВ),А
|
(из расчёта токов КЗ)
|
396
|
6,89
|
|
|
|
|
|
|
1.
Уставка первой ступени дифференциального тока (начального участка
характеристики). Согласно рекомендациям завода – изготовителя:
> = 0,2
где
> – ток
срабатывания 1ступени, приведенный к номинальному току трансформатора.
Уставка
набираемая на реле:
>= ,
где
– уставка
набираемая на реле;
– базисный ток
стороны ВН трансформатора ( см. таблицу общих уставок).
Она
может быть выполнена в пределах 0,15 – 1,5. Принимаем минимальную уставку 0,15
и получаем что она составляет: >=0,15/0,32=0,45 номинального тока
трансформатора.
2.
Наклон характеристики (коэффициент торможения) первого участка – участок
находится в зоне малых токов – от 0 до 2.5 трансформаторов тока с малыми
погрешностями, предполагается, что погрешность трансформатора тока при внешних
КЗ не превышает 5%:
%
где
– коэффициент
запаса равен 1.2;
– погрешность
трансформаторов тока, принимается для малых токов равной 5%;
– диапазон
регулирования коэффициента трансформации устройством РПН– 16%.
Принимаем:
25%
3.
Наклон характеристики (коэффициент торможения) второго участка– в зоне больших
токов:
%,
где
– коэффициент
учитывающий рост погрешности за счет апериоди-ческой составляющей. Принимается
равным 1.5;
– погрешность
трансформаторов тока, принимается для больших токов равной 10%, при условии
выбора трансформаторов тока по кривым 10% погрешности;
– диапазон
регулирования коэффициента трансформации устройством РПН – 16% .
Принимаем
минимально возможное: 40%
4.
Уставка второй ступени дифференциального тока (отсечки).
Отстройка
от небаланса при внешних КЗ:
> > = А
где
– ток короткого
замыкания в амперах в максимальном режиме на стороне низкого напряжения с
учетом имеющегося регулирования. напряжения на этой стороне;
– коэффициент
учитывающий рост погрешности за счет апериодической составляющей. Принимается
равным 3.
Отстройка
от броска тока намагничивания:
Полученный
расчетом ток сравнивается с номинальным током силового трансформатора и, если
это отношение меньше 6, то ток берется равным шестикратному номинальному току
трансформатора.
> > = А
Уставка
на реле:
>> = >> /
Полученный
ток округляется до ближайшего большего целого числа, которое и задается в
качестве уставки. Может регулироваться в пределах от 1 до 30 .
5.
Выбор уставки блокировки защиты током второй гармоники. Отношение тока
блокировки к основному дифференциальному току. В связи с отсутствием методики
для выбора принимается установленная заводом уставка:
%
Может
быть отрегулировано в пределах 10 – 50%.
Способ
блокировки может быть выбран (ВКЛ): пофазная блокировка, или (ВКЛ АВС):
блокировка всех фаз наибольшим током второй гармоники, (ОТКЛ): блокировка
отключена.
Используется
заводская настройка:
БЛОК
 = ВКЛ АВС
6.
Выбор режима блокировки током пятой гармоники.
Способ
блокировки может быть выбран (ВКЛ): пофазная блокировка, или (ВКЛ АВС):
блокировка всех фаз наибольшим током второй гармоники, (ОТКЛ): блокировка
отключена.
БЛОК
= ОТКЛ
7.
Проверка чувствительности защиты.
В
связи с тем, что уставка 1 ступени защиты при малых токах мала (уставка > составляет около 0,2 номинального
тока трансформатора), в проверке чувствительности нет необходимости.
4.5 Противоаварийная автоматика
Микропроцессорные
устройства защиты и автоматики фирмы «ALSTOM» содержит
программную логическую часть, выполняющую функцию АПВ и АВР.
АПВ
двукратного действия предусматриваем на отходящих фидерах напряжением не более 10
кВ согласно ПУЭ. АПВ однократного действия предусматриваем на вводах
напряжением 10 кВ при раздельной работе трансформаторов [1], необходимой для
автоматического восстановления их нормальной работы после аварийных отключений,
несвязанных с внутренними повреждениями трансформатора.
Устройства
АПВ выполнены так, что исключена возможность многократного включения на КЗ при
любой неисправности в схеме устройства.
Сущность
АПВ состоит в том, что элемент системы электроснабжения, отключившейся при
срабатывании релейной защиты, через определенное время (0,5-1,5 с) снова
включается под напряжение, если нет запрета на включение или причина отключения
элемента исчезла.
При
срабатывании релейной защиты на любом отходящем фидере ПС «Гежская»,
выключается выключатель и происходит пуск устройства АПВ, вызывая
кратковременное срабатывание. После включения выключателя, АПВ отключается.
Если АПВ оказывается неуспешным, то повторного включения выключателя
определяется временем заряда конденсатора, который входит в состав АПВ, а при
АПВ однократного действия повторного включения не происходит.
Для
ускорения восстановления нормального режима работы электропередачи выдержку
времени устройства АПВ принимаем минимальной.
Согласно
ПУЭ устройства
АВР предусматриваем для восстановления питания потребителей путем
автоматического присоединения резервного источника питания при отключении
рабочего источника питания, которое приводит к обесточиванию электроустановок
потребителя. Устройства АВР предусматриваем для автоматического включения
резервного оборудования при отключении рабочего оборудования, приводящем к
нарушению нормального технологического процесса.
Устройства
АВР устанавливаем на секционном выключателе. Секционный выключатель нормально
отключен и включается под действием средств АВР при отключении любого
трансформатора на 6,3 МВА. АВР также срабатывает при обесточивании одной из
шин.
4.6 Составление карты селективного действия РЗиА
При
согласовании защиты по времени, выдержка времени вышестоящей защиты
увеличивается на ступень по сравнению с нижестоящей защитой:
,
где
– выдержка
времени вышестоящей защиты;
– выдержка
времени нижестоящей защиты;
– ступень
селективности по времени.
Ступень
селективности для Micome Р123 состовляет: = 0,20 сек. при уставках по
времени до 1с.; = 0,30 с. при уставках по времени до 2
с.
Защита
согласована по времени с защитой секционного выключателя и с защитой отходящих
линий, расчетным условием является защита секционного выключателя. Согласование
защит по времени занесено в таблицу 4.3.
Таблица
4.3 Согласование защит по времени
|
№
п/п
|
Наименование
присоединения
|
Тип
трансформ. тока
|
Коэфф.
трансформации
|
Ток
уставки , А
|
Ток
уставки , А
|
Время
срабатывания t,
с
|
|
Сторона
110 кВ
|
ТФЗМ-110Б
|
100/5
|
40
|
2
|
2,3
|
|
Ввод
6 кВ
|
ТЛК-10-3-7
|
1000/5
|
1200
|
6
|
1,9
|
|
СМВ
6 кВ
|
ТЛК-10-3-7
|
500/5
|
760
|
7,6
|
1,4
|
|
Ячейка
№5 (фидер 24)
|
ТЛК-10-3
|
150/5
|
130
|
4,3
|
1,0
|
|
Ячейка
№7 (фидер 4)
|
ТЛК-10-3
|
50/5
|
40
|
3,8
|
1,0
|
|
Ячейка
№8 (фидер 21)
|
ТЛК-10-3
|
50/5
|
120
|
3,8
|
1,0
|
|
Ячейка
№9 (фидер 14)
|
ТЛК-10-3
|
50/5
|
40
|
2
|
1,0
|
|
Ячейка
№12 (фидер 6)
|
ТЛК-10-3
|
100/5
|
45
|
4,4
|
1,0
|
|
Ячейка
№13 (фидер 3)
|
ТЛК-10-3
|
50/5
|
90
|
4,2
|
1,0
|
|
Ячейка
№16 (фидер 2)
|
ТЛК-10-3
|
50/5
|
45
|
4,3
|
1,0
|
|
Ячейка
№19 (фидер 1)
|
ТЛК-10-3
|
150/5
|
195
|
6,1
|
1,0
|
Данная
глава посвящена выбору и расчету релейной защиты и противоаварийной автоматики.
Для
трансформаторов и линии согласно техническому заданию установили устройства
релейной защиты на микропроцессорной основе. Одним из главных достоинств
микропроцессорных реле защиты является осуществимость реализации целого ряда
функций и характеристик. Для выборы необходимых нам микропроцессорных блоков в
главе проведено сравнение нескольких видов микропроцессорных устройств. Для
установки на подстанции «Гежская» предусмотрены терминалы Micom Р123 и Р632.
Micom Р123
устанавливаем по низкой стороне трансформатора и секционного выключателя.
Дифференциальная защита осуществляем на терминале Micom Р632.
Особенность
дифференциальной защиты трансформатора в том, что используется 2 комплекта
трансформаторов тока, расположенных с обеих сторон трансформатора. Выравнивание
вторичных токов по величине и по фазе производится защитой автоматически
расчетным путем, при этом возникает возможность собрать трансформаторы тока со
всех сторон в «звезду», что снижает нагрузку вторичных цепей.
Чувствительность
защит удовлетворяет условиям ПУЭ.
Для
повышения надёжности и бесперебойности работы систем электроснабжения применили
противоаварийную автоматику (АПВ и АВР). Функцию АПВ и АВР выполняют
микропроцессорные устройства защиты и автоматики фирмы «ALSTOM», содержащуюся
в программной логической части.
Внедрение
систем автоматизации и диспетчерского управления на современной цифровой
технике коренным образом повышает качество и надежность процессов производства,
передачи и распределения электроэнергии. В настоящее время существует множество
систем специально разработанных для решения задач автоматизации и
диспетчерского управления.
В
результате оснащения энергообьектов системами автоматизации, микропроцессорными
средствами противоаварийной автоматики и релейной защиты достигается
существенный экономический эффект за счет оптимизации режимов производства,
передачи и распределения электроэнергии, предотвращения аварийных ситуаций и минимизации
ущерба в случае их возникновения.
Следует
учесть, что на подстанции применены новые типы панелей защиты и автоматики Micom, которые
позволяя.n ликвидировать
короткие замыкания в сети за минимальный промежуток времени с требуемой
селективностью и высокой надёжностью отключения основного оборудования, а также
дают возможность не только отслеживать в реальном времени показатели работы
всего технологического комплекса подстанции, но и на основе принятой концепции
построения системы диспетчерского и технологического управления организовывать
автоматизированное рабочее место для релейного персонала, позволяющее вести
единую базу данных событий с последующим ретроспективным анализом аварийных
ситуаций, произошедших на данном оборудовании.
По своему принципу построения все АСУ делятся на два типа:
одноуровневые и многоуровневые. Различия между двумя этими типами следующее: в
одноуровневой системе вся информация с конечных устройств поступает в один
компьютер и не передается дальше, в многоуровневых системах вся информация
собранная одним компьютером (или несколькими ПК) передается на следующий
уровень, т.е. на следующий ПК.
5.1 Одноуровневая и многоуровневые системы
Одноуровневая система применяется в случае, если компьютер диспетчера
и конечные устройства (с которых происходит сбор информации) находятся на одном
объекте и расстояние между ними не превышает 1200 м.
Многоуровневая система применяется, если:
1)
между
компьютером диспетчера и конечными устройствами расстояние более 1200 м;
2)
необходимо
контролировать с одного диспетчерского места несколько объектов (например, ПС,
РП);
3)
необходимо
обеспечить несколько диспетчерских мест;
4)
необходимость
стыковки нашей системы АСУ с другой системой АСУ;
При внедрении на ПС «Гежская» микропроцессорных устройств
РЗА, центральная сигнализация и телемеханика организовывается через локальную
сеть и коммутируемые каналы связи (телефонная АТС, выделенный канал и т.д.). В
многоуровневой системе вся информация собранная микропроцессорными устройствами
РЗА поступает на шлюзовый компьютер, где она проходит первичную обработку
(выделение приоритетных сигналов, создание базы данных и т.д.). После
установления связи с компьютером диспетчера, установленным на расстоянии от
сотен метров до десятков километров, сначала передается информация с высоким
приоритетом (аварийные сигналы и срабатывания защит), а затем с более низкими
приоритетами (кратковременные незначительные отклонения от нормы и текущие
измерения и т.д.). После полного опроса ПС, в автоматическом режиме, компьютер
диспетчера (верхнего уровня) перейдет к опросу следующей ПС.
Для выполнения любых оперативных действий (например,
включить/отключить выключатель, вкатить/выкатить тележку выключателя), диспетчеру
достаточно установить связь (если она не установлена) с требуемой ПС и
дать команду компьютеру на выполнение конкретного действия. Все действия
оператора, аварийные и текущие измерения и срабатывания защит заносятся в
защищенную базу данных, которая доступна только для просмотра и анализа.
5.2 Система управления MicroSCADA
Для
осуществления сбора, хранения, обработки и представления информации в удобном
для диспетчера виде на верхнем уровне предлогаем установку SCADA производства
ABB типа MicroSCADA.
MicroSCADA
одна
из систем разработанных для решения задач автоматизации и диспетчерского
управления в энергетике.
Функции
системы MicroSCADA:
1.
Сбор и первичная
обработка информации телеконтроля (ТС и ТИ) от устройств процесса;
2.
Организация и
ведение процесса оперативной базы данных (БД), обновляемой в темпе процесса;
3.
Дополнительная
обработка информации, расчеты, формирование ретроспективных отчетов и
сохранение их в специальной неоперативной базе данных;
4.
Контроль за состоянием
объектов управления, формирование предупреждающих и аварийных сигналов и
сообщений, управление событиями и аварийными сигналами;
5.
Ручной ввод
данных и команд управления с помощью средств человеко-машинного интерфейса;
6.
Формирование и
передача команд телеуправления устройствам процесса с предварительной проверкой
возможности операций;
7.
Выполнение
автоматических процедур управления по заданному условию;
8.
Контроль и
управление доступом пользователей системы;
9.
Автоматическая
самодиагностика состояния оборудования системы управления, устройств связи и
устройств процесса;
10.
Автоматизация
ведения оперативной диспетчерской документации установленной формы;
11.
Обеспечение
обмена информацией с другими программными пакетами, БД и АСУ на данном или
верхнем уровнях управления;
12.
Системное
обслуживание и администрирование системы;
13.
Графический
интерфейс пользователей для взаимодействия с системой управления и с
управляемым процессом, построенный по стандартам Windows;
14.
Циклическая
синхронизация системного времени и др.
Характеристики
системы:
1)
Высокая степень
апробированности технологии построения АСДУ (Автоматизированных Систем
Диспетчерского Управления) на базе системы MicroSCADA и базового ПО
(более 1300 объектов, более чем в 40 странах);
2)
Высокие пределы
допустимой емкости информационной модели процесса (более 200 млн. значений
параметров с объемом памяти для БД 3,2 Гбайт), обновляемой в темпе процесса;
3)
Развитые средства
описания, регистрации, обработки, хранения информации в базах данных реального
времени и ретроспективы, а также обмена данными между компонентами системами,
основанные на использовании специальных логических понятий: объекты системы (9
типов), объекты процесса (8 типов), прикладные объекты (9 типов), и их статических
и динамических характеристик (атрибутов);
4)
Многообразие
вариантов наглядного графического отображения контролируемого процесса с
использованием стандартных и специальных для прикладной области графических
элементов и приемов (мнемосхемы, однолинейные схемы электрических соединений,
граф топологии сети в масштабе и географических координатах, фон географической
карты);
5)
Возможность
интеграции в единую систему управления компонент MicroSCADA с имеющимися
и новыми прикладными пакетами пользователя (АРМами, АСУ ТП, организационно-
хозяйственными АСУ), а также обеспечение обмена данными с офисными приложениями
Windows (MS WORD, MS EXCEL и т.п.) и базами данных (ORACLE
и т.п.) за счет использования широкого спектра поддерживаемых протоколов и
процедур обмена данными;
6)
Поддержка
параллельных независимых каналов связи с определением отдельного вида протокола
для каждого канала, возможность оперативного и неоперативного выбора
используемых линий связи;
7)
Возможность
стыковки с практически любыми устройствами телемеханики и контроллерами
процесса зарубежных и отечественных производителей за счет использования:
стандартных протоколов обмена, специальных адаптеров, разработки конверторов
протоколов;
8)
Возможность
подключения различных дополнительных диспетчерских средств отображения:
мозаичных щитов, панелей индикации, проекционных систем и т.д.
5.3 Автоматизация ПС 110/6 кВ «Гежская»
АСУ Э представляет собой
программно-технический комплекс (ПТК), реализованный в виде иерархической (многоуровневой)
системы.
Устройства верхнего
уровня:
– базовые компьютеры
(серверы, системы);
– компьютеры
(процессоры, серверы) связи;
– компьютеры
автоматизированных рабочих мест операторов (рабочие станции);
– средства визуализации:
мониторы, принтеры, проекторы, мнемощиты.
Процессор связи
обеспечивает связь по шинам с низовыми устройствами и обмен данными с базовым
сервером MicroSCADA.
Базовый сервер получает
от процессора связи данные, относящиеся к технологическому процессу, ведет и
обрабатывает базу данных реального времени
Автоматизированные
рабочие места операторов служат для контроля и оперативного управления
оборудованием, работы с устройствами РЗА, администрирования системы и
выполнения других функций.
Компьютеры верхнего
уровня АСУ Э работают под управлением операционной системы Windows. Связь между ними в пределах объекта
осуществляется по сети Ethernet с протоколом TCP/IP.
Архитектура ПТК является
масштабируемой, что позволяет строить на единой платформе системы различной
сложности: от минимальной конфигурации, где функции базового сервера,
процессора связи и АРМ совмещены на одном ПК, до распределенных многоуровневых
систем с несколькими базовыми серверами, выделенными процессорами связи, АРМ
различного назначения, резервированием технических средств.
Низовые устройства ПТК:
– устройства (терминалы)
МП РЗА;
– устройства сопряжения
с объектом (УСО);
– счетчики
электроэнергии;
– специализированные
контроллеры;
– прочие устройства.
Микропроцессорные
терминалы РЗА выполняют, помимо защитных функций, также функции сбора данных и
передачи их на верхний уровень. УСО обеспечивают ввод в систему сигналов (ТС,
ТИ, ТУ), не охваченных терминалами МП РЗА. В качестве УСО используются
устройства телемеханики RTU-211
и RTU-560, терминалы управления REC-561, REC-523.
АСУ ТП «Гежская» 110/6
кВ представлено в Приложении А.7.
5.4 Выводы по главе 7
В
данной главе рассмотрена перспектива внедрения на подстанции
автоматизированного диспетчерского управления.
Основным
преимуществом системы диспетчерского управления является оперативность в
обнаружении и устранении перебоев в электроснабжении промышленных предприятий
города и населения.
Предлагается
внедрение на подстанции системы MicroSCADA для осуществления сбора,
хранения, обработки и представления информации в удобном для диспетчера виде.
Экономическая
эффективность от применения данной системы достигается за счет уменьшения
штрафных санкций от уменьшения времени перебоев в электроснабжении и увеличения
собираемости в оплате за отпущенную электроэнергии за счет использования
системы технического учета электроэнергии.
6.1 Расчёт параметров и выбор технических средств заземлителей
При
обслуживании электроустановок опасность представляют не только неизолированные
токоведущие части, находящиеся под напряжением, но и те конструктивные части
электрооборудования, которые нормально не находятся под напряжением, но могут
оказаться под напряжением при повреждении изоляции.
Для
защиты персонала от поражения электрическим током при повреждении изоляции
применяются одно из следующих защитных мер: заземление, зануление, защитное
отключение, разделительный трансформатор, двойная изоляция, малое напряжение,
выравнивание потенциалов.
Именно
поэтому в электроустановках выше 1 кВ с изолированной нейтралью целесообразно
выполнять защитное заземление.
В электроустановках заземляются:
корпуса электрических машин, трансформаторов, аппаратов, приводов, вторичные
обмотки измерительных трансформаторов, каркасы распределительных устройств,
металлические корпуса кабельных муфт, металлические оболочки и броня
контрольных и силовых кабелей, кожухи и опорные конструкции шинопроводов,
лотки, короба и другие металлические конструкции, на которых устанавливается
электрооборудование. Заземление какой–либо части электрической установки – это
преднамеренное соединение её с заземляющим устройством с целью сохранения на
ней достаточно низкого потенциала и обеспечения нормальной работы системы или
её элементов в выбранном режиме. Различают три вида заземлений: рабочее,
защитное (для обеспечения безопасности людей) и заземление молниезащиты.
Рабочее
заземление сети – это соединение с землёй некоторых точек сети (обычно нейтрали
обмоток части силовых трансформаторов и генераторов, реакторы поперечной
компенсации в дальних ЛЭП) со следующей целью: снижение уровня изоляции
элементов электроустановки, эффективная защита сети разрядниками от атмосферных
перенапряжений, снижение коммутационных перенапряжений, упрощение релейной
защиты от однофазных КЗ, возможность удержания повреждённой линии в работе.
Защитное
заземление – это заземление всех металлических частей установки (корпуса,
каркасы, приводы аппаратов, опорные и монтажные конструкции, ограждения и др.),
которые нормально не находятся под напряжением, но могут оказаться под ним при
повреждении изоляции. Защитное заземление выполняется для того, чтобы повысить
безопасность эксплуатации, уменьшить вероятность поражения людей и животных
электрическим током в процессе эксплуатации электрических установок.
Рабочее
и защитное заземления должны выполнять своё назначение в течение всего года,
заземление грозозащиты - только в грозовой период. Так как системы заземления
различного назначения в пределах установки практически не могут быть выполнены
изолированными друг от друга и должны иметь при замыкании на землю одинаковый
потенциал, то все они объединяются между собой в общую систему заземления
станции или подстанции. При объединении уменьшаются суммарное сопротивление
заземления и общие затраты на заземляющие устройства.
Заземляющее
устройство любого вида состоит из заземлителя, располагаемого в земле, и
проводника, соединяющего заземляемый элемент установки с заземлителем. Заземлителем
называют металлический проводник или группу проводников, находящихся в
соприкосновение с землёй. Различают естественные и искусственные заземлители.
Естественные
заземлители – это различные конструкции и устройства, которые по своим
свойствам могут одновременно выполнять функции заземлителей: водопроводные и
другие металлические трубопроводы (кроме трубопроводов горючих или взрывчатых
жидкостей и газов, а также трубопроводов, покрытых изоляцией от коррозии),
металлические и железобетонные конструкции зданий и сооружений, имеющее
надёжное соединение с землёй.
Под
искусственными заземлителями понимают закладываемые в землю металлические
электроды, специально предназначенные для устройства заземлений. В качестве
искусственных заземлителей применяют: для вертикального погружения в землю –
стальные стержни диаметром 12 – 16 мм, угловую сталь с толщиной стенки не менее
4 мм или стальные трубы (некондиционные) с толщиной стенки не менее 3,5 мм; для горизонтальной укладки – стальные полосы толщиной не менее 4 мм или круглую сталь диаметром 6 мм.
Рекомендуется
принимать длину вертикальных стержневых электродов 2–5 м, а электродов из
угловой стали 2,5–3 м. Верхний конец вертикального заземлителя целесообразно
заглублять на 0,5–0,7 м от поверхности земли. Горизонтальные заземлители
применяют для связи между собой вертикальных заземлителей и как самостоятельные
заземлители.
Заземляющее
проводники служат для присоединения частей электроустановки с заземлителем.
Помимо обычных проводов соответствующего сечения, заземляющими проводниками
могут служить металлические конструкции зданий и сооружений: колонны, фермы, каркасы
РУ.
Таким
образом заземлитель может состоять из одного или многих вертикальных и
горизонтальных электродов и характеризуется сопротивлением, которое окружающая
земля оказывает стекающему току. Сопротивление заземлителя определяется
отношением потенциала заземлителя к стекающему с него току.
Сопротивление
общей системы заземления станции или подстанции должно удовлетворять
требованиям к заземлению того электрооборудования, для которого необходимо
наименьшее сопротивление заземляющего устройства.
Требования
к эксплуатации заземляющих устройств
1.
Заземляющие устройства должны удовлетворять требованиям обеспечения
электробезопасности людей и защиты электроустановок, а также эксплуатационных
режимов работы. Все металлические части электрооборудования и электроустановок,
которые могут оказаться под напряжением в следствие нарушения изоляции, должны
быть заземлены или занулены.
2. При
сдаче в эксплуатацию заземляющих устройств электроустановок монтажной
организацией кроме документации, должны быть представлены протоколы
приёмо-сдаточных испытаний этих устройств.
3.
Каждый
элемент установки, подлежащий заземлению, должен быть присоединён к заземлителю
или к заземляющей магистрали посредством заземляющего проводника.
Последовательное соединение с заземляющим проводником нескольких частей
установки запрещается.
4.
Присоединение
заземляющих проводников к заземлителям, заземляющему контуру и к заземляемым
конструкциям должно быть выполнено сваркой, а к корпусам аппаратов, машин и
опорам воздушных линий электропередачи – сваркой или болтовым соединением.
5.
Заземляющие
проводники должны быть предохранены от коррозии. Открыто проложенные
заземляющие проводники должны иметь чёрную окраску.
6.
Для
контроля заземляющего устройства должны проводиться:
а)
измерение сопротивления заземляющего устройства и не реже одного раза в 12 лет
выборочная проверка со вскрытием грунта для – осмотра элементов заземлителя,
находящихся в земле;
б)
проверка наличия и состояния цепей между заземлителями и заземляемыми
элементами;
в)
в установках до 1000 В проверка пробивных предохранителей и полного
сопротивления петли фаза – нуль;
г)
измерение напряжения прикосновения у заземляющих устройств, выполненных по
нормам на напряжение прикосновения.
7.
Измерение сопротивления заземляющих устройств должно проводиться:
а)
после монтажа, переустройства и капитального ремонта этих устройств на
электростанциях, подстанциях и линиях электропередачи;
б)
при обнаружении на тросовых опорах ВЛ напряжением 110 кВ и выше следов
перекрытий или разрушений изоляторов электрической дугой;
в)
на подстанциях воздушных распределительных сетей напряжением 35 кВ и ниже - не
реже одного раза в 12 лет.
8.
Измерения напряжений прикосновения должны проводиться после монтажа,
переустройства и капитального ремонта заземляющего устройства, но не реже 1
раза в 6 лет. Измерения должны выполняться при присоединённых естественных
заземлителях и тросах ВЛ.
Расчёт
заземляющих устройств
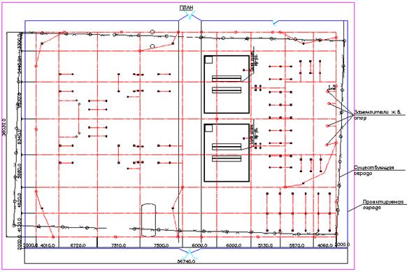
После выполнения плана размещения на территории
подстанции оборудования, конструкций распредустройств, сооружений с указанием
всех необходимых габаритов и расстояний приступим к разработке раздела по расчёту
заземляющего устройства.
Расчёт заземляющих устройств сводится к расчёту
заземлителя, так как заземляющее проводники в большинстве случаев принимают по
условиям механической прочности и стойкости к коррозии по ПУЭ.
Согласно
ПУЭ 1.7.90 заземляющее устройство, которое выполняется с соблюдением требований
к его сопротивлению, должно иметь в любое время года сопротивление растеканию
не более 0,5 Ом с учетом сопротивления естественных и искусственных
заземлителей;
Определим
расчетное удельное сопротивление грунта с учетом повышающих коэффициентов,
учитывающих высыхание грунта летом и
промерзание
зимой:  Ом*м
где
– среднее удельное
сопротивление грунта, принимаем 50 Ом*м для глины; – коэффициент сезонности, принимаем 1,2 для
вертикальных
заземлителей;
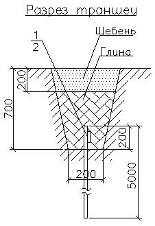
Глубина заложения заземлителя 0,7 м от поверхности земли;
С учётом отведённой территории намечаем
расположение заземлителей – по контуру;
Согласно
ПУЭ в целях выравнивания электрического потенциала и обеспечения присоединения
электрооборудования к заземлителю на территории, занятой оборудованием, следует
прокладывать продольные и поперечные горизонтальные заземлители и объединять их
между собой в заземляющую сетку. Материал и наименьшие размеры заземлителей
должны соответствовать приведенным в ПУЭ глава 1.7 таблице 1.7.4. значениям.
|
Материал
|
Профиль
сечения
|
Диаметр,
мм
|
Площадь
поперечного сечения, мм
|
Толщина
стенки, мм
|
|
Сталь
черная
|
Круглый:
|
|
|
|
|
для
вертикальных заземлителей;
|
16
|
-
|
-
|
В
нашем случае используем в качестве вертикального электрода – стальной круг
диаметром 16 мм длиной 5 м при погружении ниже уровня земли на 0,7 м. Сопротивление растеканию заземляющего устройства выполненного в виде контурного заземлителя,
состоящего из горизонтальной сетки и вертикальных электродов рассчитывается по
формуле:
,
– сопротивление растеканию
вертикальных электродов, Ом;
– взаимное сопротивление между
горизонтальной сеткой и вертикальными электродами, Ом.
Сопротивления определяются по выражениям:
;
;
,
где
= 60 – удельное
сопротивление грунта, Ом*м;
L= 640 – полная
длина проводников, образующих горизонтальную сетку, м;
S= 1680 – площадь
покрытая сеткой, м*м;
l= 5 – длина
вертикального электрода, м;
d= 0,016 –
диаметр вертикального электрода, м;
n= 20 – число
вертикальных электродов, м;
b= 0,04 – ширина
полосы горизонтального проводника, образующего сетку,м;
h= 0,7 – глубина
заложение горизонтальной сетки, м.
После
подстановки значений в формулы получаем следующие значения сопротивлений:
= 0,4 Ом; = 0,005 Ом; = 0,4 Ом.
Получаем,
что сопротивление контурного заземлителя – = 0,4 Ом.
В
траншее вокруг горизонтальных заземлителей необходимо уложить влажный глинистый
грунт с последующей трамбовкой и засыпкой щебнем до верха траншеи.
Электроды
устанавливаем через 10000 мм, верхние концы электродов заглубляем на 0,7 м (Приложение А.8) от поверхности земли.
Производственные
процессы на предприятии должны организовываться с учетом действующей системы
управления охраной труда, представляющей комплекс положений, определяющих
единый порядок организации работы, направленный на создание и обеспечение безопасных
условий труда.
Мероприятия по охране труда при
эксплуатации объекта должны быть направлены на сохранение здоровья,
работоспособности работников, на снижение потерь рабочего времени и, как
следствие, на повышение производительности труда.
Мероприятия
по обеспечению безопасных условий труда предусматривают создание нормальных
санитарно-гигиенических условий, механизацию и автоматизацию всего
технологического процесса и льготы, устанавливаемые аттестацией рабочих мест.
Мероприятия
разрабатываются в соответствии с основами законодательства Российской Федерации
об охране труда (постановление Правительства России от 26.08.95 г.
№ 843 «О мерах по улучшению условий и охраны труда»), а также другими
нормативно-правовыми актами по охране труда.
Организация
условий и охраны труда работающих на нефтяном месторождении предусматривается с
учетом соблюдения действующих строительных норм и правил, правил по охране
труда, правил технической эксплуатации объектов системы сбора и транспорта
газа, правил пожарной безопасности, правил по технике безопасности при
эксплуатации электроустановок и т. д.
Технологические
решения принимались в соответствии с технологическими и строительными нормами
проектирования.
6.1.2 Перечень опасных и вредных производственных факторов
Несмотря
на достигнутый научно-технический уровень, современная технология добычи и
подготовки нефти продолжает иметь комплекс неблагоприятных производственных
факторов, таких как: повышенная или пониженная температура поверхностей
оборудования; повышенная или пониженная температура воздуха рабочей зоны;
повышенный уровень шума на рабочем месте; повышенный уровень вибрации;
пониженная или повышенная влажность воздуха; повышенная или пониженная
подвижность воздуха; повышенное значение напряжения в электрической цепи,
замыкание которой может произойти через тело человека; повышенный уровень
статического электричества; недостаточная освещенность рабочей зоны;
электромагнитное излучение; химический фактор; тяжелый физический труд.
Все
эти факторы могут явиться причиной значительного распространения заболеваний
среди работающих в нефтедобывающей отрасли.
Действие
шума на организм работающих
Шум
относится к неблагоприятным факторам производственной и внешней среды. Действие
его на организм человека связано, главным образом, с применением нового,
высокопроизводительного оборудования, с механизацией и автоматизацией трудовых
процессов: переходом на большие скорости при эксплуатации различных станков и
агрегатов. Источниками шума могут быть двигатели, насосы, компрессоры, турбины,
пневматические и электрические инструменты, молоты, дробилки, станки,
центрифуги, бункеры и прочие установки, имеющие движущиеся детали.
Воздействие
шума на организм человека вызывает изменения, прежде всего, в органе слуха,
нервной и сердечно-сосудистой системе. При этом степень выраженности этих
изменений в значительной мере зависит от параметров шума (интенсивность и его
спектральный состав), стажа работы в условиях воздействия шума, длительности
действия шума в течение рабочего дня и индивидуальной чувствительности
организма.
Действие
на организм работающих низких температур
Трудовая
деятельность человека на открытом воздухе может быть связана с воздействием
низких температур. На воздействие низких температур внешней среды организм
реагирует понижением теплоотдачи и повышением теплообразования. В таких случаях
наблюдаются спастические явления в сосудах кожи, замедление кровотока,
повышение обмена веществ, усиление секреторной деятельности щитовидной железы,
гипофиза, надпочечников; отмечается сокращение пиломоторных мышц,
сопровождающееся появлением непроизвольного дрожания.
При
переохлаждении организма могут наблюдаться как местные повреждения,
преимущественно открытых или малозащищенных участков тела, так и общие
выраженные изменения некоторых органов и систем. Постоянное переохлаждение
приводит к снижению иммунитета и повышению уровня простудных заболеваний.
Действие
вибрации на организм работающих
Механические
колебания (вибрация) воспринимаются всеми тканями организма, но главным образом
нервной и костной, причем последняя является хорошим проводником и резонатором
вибрации. Наиболее чувствительны к воздействию вибрации нервные окончания,
прежде всего рецепторы кожного покрова дистальных отделов рук, подошвенной
поверхности стопы. В передаче вибрационных раздражений принимает участие
вестибулярный аппарат. Вибрации высоких частот могут оказывать на слуховой
аппарат действие, близкое к действию шума.
В
настоящее время доказано, что влияние вибрации на организм вызывает
сосудосуживающий эффект. Параллельно с прогрессирующим снижением вибрационного
восприятия под действием вибрации нарушается болевая, тактильная и
температурная чувствительность.
Влияние
электромагнитных полей на организм работающих
При
длительном и интенсивном воздействии электромагнитных волн наблюдаются
нарушения ЦНС и сердечно-сосудистой системы. Изменения нервной системы
характеризуются наличием астенических, невротических и вегетативных реакций.
Основные признаки – общая слабость, утомляемость, снижение работоспособности,
раздражительность, головные боли. Также отмечают усиление пиломоторного
рефлекса, акроцианоз, гипергидроз, дрожание век и пальцев рук.
Со
стороны сердечно-сосудистой системы отмечаются следующие нарушения – увеличение
границ сердца влево, приглушение тонов, наблюдается брадикардия, нарушения
артериального давления.
6.1.3 Мероприятия по охране труда работников
Для
исключения возможного неблагоприятного воздействия вредных факторов на
обслуживающий персонал класс условий труда должен быть допустимым: в
зависимости от уровня шума и вибрации рабочих мест, содержания вредных веществ
в воздухе рабочей зоны, параметров световой среды производственных участков и
помещений (для постоянных рабочих мест); по показателям напряженности трудового
процесса по показателям микроклимата для производственных помещений и открытых
территорий в теплый и холодный периоды года.
Освещенность
должна соответствовать требованиям СНиП 23-05-95 г. «Естественное и искусственное освещение».
Фактическое
состояние условий труда определяется во время проведения аттестации рабочих
мест. Согласно Постановлению Минтруда и социального развития РФ № 12 от
14.03.97 г. «О проведении аттестации рабочих мест по условиям труда», 1
раз в 5 лет проводится оценка условий труда по показателям вредности и
опасности факторов производственной среды, тяжести и напряженности трудового
процесса. Аттестация рабочих мест предусматривает:
–
выявление на рабочем месте вредных
и опасных производственных факторов и причин их возникновения;
–
исследование
санитарно-гигиенических факторов производственной среды, трудность и
напряженность трудового процесса на рабочем месте;
–
комплексную
оценку факторов производственной среды и характера труда на соответствие их
требованиям стандартов, санитарных норм и правил;
–
обоснование
отнесения рабочего места к соответствующей категории с вредными условиями груда;
–
подтверждение
(установление) права работников на льготное пенсионное обеспечение,
дополнительный отпуск, сокращенный рабочий день, другие льготы и компенсации в
зависимости от условий труда;
–
проверку
правильности применения списков производств, работ, профессий, должностей и
показателей, которые дают право на льготное пенсионное обеспечение;
–
разрешение
споров, которые могут возникнуть между юридическими лицами и работниками
относительно условий работы, льгот и компенсаций;
–
разработку
комплекса мероприятий относительно оптимизации уровня гигиены и безопасности,
характера труда и оздоровления трудящихся;
–
изучение
соответствия условий труда уровню развития техники и технологии,
усовершенствование порядка и условий установления и назначения льгот и
компенсации.
Периодичность
аттестации устанавливается самим предприятием в коллективном договоре, но не
реже одного раза в 5 лет. Ответственность за своевременное и качественное
проведение аттестации возлагается на руководителя предприятия. Если при проведении
аттестации условия труда будут расценены как вредные или опасные, работникам
будут установлены доплаты на основании Постановления Государственного комитета
СССР по труду и социальным вопросам № 387/22-78 от 3.10.1986 г.
Обслуживающий
персонал нефтяных месторождений должен быть застрахован от несчастных случаев
на производстве и профессиональных заболеваний согласно Федеральному закону от
24.07.98 г. № 125-ФЗ.
Все
производственные объекты с постоянным пребыванием на них дежурного и
обслуживающего персонала должны быть оснащены медицинским аптечками на случай
оказания доврачебной помощи.
Для
защиты работающих от опасных и вредных производственных факторов должно быть
предусмотрено обеспечение бесплатной специальной одеждой, специальной обувью и
другими средствами индивидуальной защиты, на основании Постановления № 41
Министерства труда и социального развития РФ от 26.05.2000 г.
Сроки
носки СИЗ указаны в типовых отраслевых нормах и исчисляются со дня фактической
выдачи их рабочим и служащим.
Средства
коллективной и индивидуальной защиты работников на предприятии должны
соответствовать ГОСТ 12.4.011.89 и храниться на рабочем месте.
Целью
всех мероприятий охраны труда является повышение эффективности работ по
профилактике производственного травматизма, профессиональной заболеваемости,
аварийности и других инцидентов за счет:
–
своевременного выявления и
устранения опасных и вредных производственных факторов на рабочих местах;
–
устранения
недостатков в организации работ по охране труда;
–
принятия по
результатам проведенных проверок оперативных мер, способствующих исключению
негативных явлений в области охраны труда, и разработки научно-организационных
мероприятий по повышению безопасности труда.
Постановлением
Правительства РФ от 10.03.99 г. № 263 утверждены и введены в действие
«Правила организации и осуществления производственного контроля за соблюдением
требований промышленной безопасности на опасном производственном объекте».
В
Правилах производственного контроля установлено, что в каждой организации, эксплуатирующей
опасные производственные объекты, должен быть разработан соответствующий
нормативный документ, определяющий порядок организации производственного
контроля, который утверждается руководителем предприятия и согласовывается с
Госгортехнадзором России или его территориальным органом.
В
Правилах производственного контроля определены основные задачи производственного
контроля, к которым относятся:
–
обеспечение соблюдения требований
промышленной безопасности в эксплуатирующей организации;
–
анализ состояния
промышленной безопасности в эксплуатирующей организации, в том числе путем
организации проведения соответствующих экспертиз;
–
разработка мер,
направленных на улучшение состояния промышленной безопасности и предотвращение
ущерба окружающей среде;
–
контроль за
соблюдением требований промышленной безопасности, установленных федеральными
законами и иными нормативными правовыми актами;
–
координация
работ, направленных на предупреждение аварий на опасных производственных
объектах и обеспечение готовности к локализации аварий и ликвидации их
последствий;
–
контроль за
своевременным проведением необходимых испытаний, технических
освидетельствований и ремонта технических устройств, применяемых на опасных
производственных объектах, и поверкой контрольных средств измерений;
–
контроль за
соблюдением технологической дисциплины.
В
Правилах производственного контроля даны рекомендации по организации
(численному составу) служб производственного контроля, определены права и
обязанности работников этих служб. Функции лица, ответственного за осуществление
производственного контроля, рекомендуется возлагать на одного из заместителей
руководителя эксплуатирующей организации.
Проверка
состояния условий труда в зависимости от этапа контроля и вида целевых проверок
осуществляется, как отдельными руководителями и специалистами (мастерами,
механиками, начальниками цехов, главными и ведущими специалистами и
т. д.), так и комиссиями по промышленной безопасности и охране труда.
Проверка
состояния условий труда проводится в присутствии руководителей проверяемого
объекта, и соответствующих специалистов (механиков, операторов, энергетиков и
др.). Проверка состояния условий труда осуществляется путем осмотра рабочих
мест и оборудования, механизмов и приспособлений, опроса работающих,
ознакомления с организацией работ по охране труда и с имеющейся документацией.
Допускается
проверять у отдельных работников знания требований норм, правил безопасности и
инструкций по охране труда.
В
процессе проверки объектов и рабочих мест принимаются оперативные меры по
устранению выявленных недостатков, создающих угрозу жизни и здоровью
работающих, работникам проверяемых объектов оказывается практическая помощь в
решении возникающих вопросов.
Результаты
контроля обязательно отражаются в журналах проверки состояния условий труда,
имеющихся на объектах. В необходимых случаях, в зависимости от этапа контроля в
обобщенном виде эти результаты оформляются актом, один экземпляр которого
передается руководству для устранения выявленных недостатков и нарушений, выполнения
соответствующих мероприятий. В журналах проверки состояния условий труда
указываются сроки устранения выявленных нарушений, недостатков и ответственные
лица за их устранение.
6.1.4 Повышение квалификации рабочих кадров и разработка
мероприятий от воздействия опасных и вредных факторов
Повышение
квалификации работников, переподготовка и обучение вторым профессиям должны
проводиться через НП «Центр повышения квалификации кадров Пермь-нефть».
Администрацией
должно быть предусмотрено периодическое повышение квалификации работников, так
же должно быть организовано периодическое обучение по курсу «Охрана труда» в
объеме не менее 20 часов согласно ГОСТ 12.0.004-90 «Организация обучения
безопасности труда» и проверка знаний по безопасности труда.
Персонал предприятия должен
проходить инструктажи по безопасности труда:
–
вводный – при
приеме на работу, независимо от образования и стажа работы по данной профессии;
–
первичный – на
рабочем месте до начала производственной деятельности;
–
повторный – не
реже 1 раза в полугодие;
–
внеплановый – при
нарушении требований безопасности труда, изменении технологического процесса,
замене оборудования и др.
–
целевой – при
выполнении разовых работ, не связанных с прямыми обязанностями по
специальности.
6.2 Вывод по главе 6
В
данном разделе по безопасности жизнедеятельности рассмотрены вопросы охраны
труда работников, приведён перечень опасных и вредных производственных
факторов, таких как:
1)
действие шума на организм работающих;
2)
воздействие низких температур;
3)
действие вибрации;
4)
влияние электромагнитных полей на организм работающих.
Также
в разработаны мероприятия от воздействия опасных и вредных факторов, подробно
рассмотрен вопрос аттестации рабочих мест.
В
качестве основной темы выбран расчёт сопротивления контурного заземлителя на ПС
«Гежская», так как большую опасность и поражение электрическим током
представляет прикосновение к металлическим нетоковедущим частям, оказавшимся
под напряжением при повреждении изоляции. Защитное заземление является основной
мерой защиты при прикосновении к металлическим частям, случайно оказавшимся под
напряжением.
Произведя
небольшой расчёт получаем что сопротивление контурного заземлителя составило
0,4 Ом. В случае получения при замерах величины сопротивления заземляющего
устройства более 0,5 Ом, следует принять дополнительные меры к его понижению
(забивка дополнительных электродов и т.д.).
Глава 7. РАСЧЁТ ПОКАЗАТЕЛЕЙ ЭКОНОМИЧСЕКОЙ
В
данной главе рассмотрим вопросы капиталовложений при реконструкции подстанции,
расчет эксплуатационных затрат при проведении текущих ремонтов и технических
обслуживаний, определение затрат на потреблённую электроэнергию, расчет
экономических показателей при внедрении микропроцессорных блоков защит и расчет
эффективности установки вакуумных выключателей.
7.1 Расчёт капитальных затрат на электрооборудование
Капитальные
вложения – инвестиции в основной капитал (основные средства), в том числе
затраты на новое строительство, расширение, реконструкцию и техническое
перевооружение действующих предприятий, приобретение машин, оборудования,
инструмента, инвентаря, проектно – изыскательские работы и другие затраты.
Производственные
капитальные вложения по формам воспроизводства основных фондов различают:
а)
на основное строительство;
б)
на реконструкцию и техническое перевооружение действующих предприятий;
в)
на расширение действующих предприятий;
г)
на модернизацию оборудования.
План
капитального строительства состоит из следующих разделов:
1.
Плановое задание по вводу в действие производственных мощностей и основных
фондов;
2.
Объем капитальных вложений и их структура;
3.
Титульные списки строек и объектов;
4.
План проектно - изыскательских работ;
5.
Программа строительно – монтажных работ;
6.
Экономическая эффективность капитальных вложений.
Важнейшими
показателями плана капитального строительства является: ввод в действие
производственных мощностей и основных фондов, сметная стоимость, срок
строительства и срок окупаемости.
Источником
финансирования капитальных вложений являются собственные средства предприятия.
Источником собственных средств предприятия для капитальных вложений являются
фонд развития предприятия, образуемый за счет отчислений от прибыли; части
амортизационных отчислений, оставляемых в распоряжении предприятия; выручка от
реализации излишнего и неиспользуемого оборудования; выручка от попутной добычи
нефти при разведочном бурении и др.
В
таблице 7.1 приводится первичная стоимость электрооборудования при реконструкции
ПС «Гежская» 110/6 кВ и расчёт балансовой стоимости электрооборудования (Приложение
А.9).
Таблица
7.1 Расчёт стоимости электрооборудования
|
№
|
Тип
электрооборудования
|
Количество
единиц,
шт.
|
Цена
единицы, руб.
|
Общая
стоимость, руб.
|
|
1
|
Трансформатор
ТМН 6300/110
|
1
|
1 090
000
|
1 090
000
|
|
2
|
Разъединитель
РНГП-110
|
6
|
140
000
|
840
000
|
|
3
|
Трансформатор
напряжения НКФ-110
|
2
|
300
000
|
600
000
|
|
4
|
Трансформатор
тока ТФЗМ-110
|
2
|
170
000
|
340
000
|
|
5
|
Выключатель
элегазовый ВГТ
|
2
|
220
000
|
440
000
|
|
6
|
Ограничитель
перенапряжения ОПН-110
|
2
|
130
000
|
260
000
|
|
7
|
Заземлитесь
однополюсный ЗОН-110
|
2
|
125
000
|
250
000
|
|
8
|
Ячейка
КРУ серии КУ-10ц
|
20
|
325
000
|
6 500
000
|
|
9
|
Конденсаторные
установки
|
2
|
250
000
|
500
000
|
|
10
|
Микропроцессорное
устойство
Micome
Р123
|
12
|
650
000
|
7 800
000
|
|
11
|
Микропроцессорное
устойство
Micome
Р623
|
2
|
860
000
|
1 720
000
|
|
12
|
ОПУ
|
|
6 300
000
|
6 300
000
|
|
13
|
Сети
связи и сигнализации
|
|
218
000
|
218
000
|
|
Всего:
|
26 856
000
|
7.2 Расчёт эксплуатационных затрат
Плановое
перенесение стоимости основных фондов на продукцию называется амортизацией, а
сумма средств, включаемых в себестоимость продукции – амортизационными
отчислениями.
Амортизационные
отчисления ( ) по
электрооборудованию определяются в процентах от первоначальной балансовой
стоимости по формуле: ,
где
– норма амортизационных
отчислений (%) для каждого вида оборудования принимается по данным предприятия.
Расчет амортизационных отчислений выполним в виде таблице 7.3
Таблица
7.3 Расчет амортизационных отчислений
|
№
|
Тип
электрооборудования
|
Балансовая
стоимость, руб
|
Норма
амортизации, %
|
Амортизационные
отчисления, руб
|
|
1
|
Трансформатор
ТМН 6300/110
|
1 340
700
|
4
|
53
628
|
|
2
|
Разъединитель
РНГП-110
|
1 033
200
|
4
|
41
328
|
|
3
|
Трансформатор
напряжения НКФ-110
|
738
000
|
4
|
29
520
|
|
4
|
Трансформатор
тока ТФЗМ-110
|
418
200
|
4
|
16
728
|
|
5
|
Выключатель
элегазовый ВГТ
|
541
200
|
4
|
21
648
|
|
6
|
Ограничитель
перенапряжения ОПН-110
|
319
800
|
4
|
12
792
|
|
7
|
Заземлитесь
однополюсный ЗОН-110
|
332
500
|
4
|
13
300
|
|
8
|
Ячейка
КРУ серии КУ-10ц
|
7 995
000
|
4
|
319
800
|
|
9
|
Конденсаторные
установки
|
615
000
|
4
|
24
600
|
|
10
|
Микропроцессорное
устойство Micome
Р123
|
9 594
000
|
4
|
383
760
|
|
11
|
Микропроцессорное
устойство Micome
Р623
|
2 115
600
|
4
|
84
624
|
|
12
|
ОПУ
|
7 749
000
|
4
|
309
960
|
|
13
|
Сети
связи и сигнализации
|
265
140
|
4
|
10
605
|
|
Всего:
|
33 057
340
|
|
1 322
293
|
7.3 Расчёт численности обслуживающего и ремонтного персонала
Производственный
эксплуатационный и ремонтный персонал предприятий выполняет межремонтное
эксплуатационное обслуживание оборудования (наблюдение за оборудованием,
смазка, устранение мелких неисправностей), а также производит все виды ремонтов
(текущий, средний, капитальный) согласно графиков планово-предупредительных
ремонтов.
Количество ремонтных рабочих
определяется на основе годового объема ремонтных работ по текущим ремонтам и
данным баланса рабочего времени одного рабочего.
Таблица 7.4 Баланс рабочего времени
на одного рабочего в году
|
№
|
Составные
части баланса
|
Непрерывный
режим работы предприятия
|
|
1
|
Календарный
фонд времени, дни
|
365
|
2
|
Число
нерабочих дней:
выходные
праздничные
дни
|
115
104
11
|
|
3
|
Номинальный
фонд рабочего времени, дни
часы
|
250
2000
|
4
|
Неявки
на работу:
отпуск
основной и дополнительный, дни
болезни
выполнение
гос. обязанностей
|
30
28
3
2
|
|
5
|
Эффективный
фонд рабочего времени, дни
часы
|
215
1720
|
|
6
|
Номинальная
продолжительность рабочего времени, час
|
8
|
7.4 Расчёт стоимости потребляемой электроэнергии
Затраты
на потребляемую электроэнергию за год определяются по одноставочному тарифу ( ):
руб/год
где
– тарифная ставка за 1
кВт*час потреблённой электроэнергии, в нашем случае = 1,57 руб;
– потери электроэнергии,
кВт*час.
Примерное
потребление электроэнергии за год на подстанции
=250 290 000
кВт*ч.
Затраты
на потребление электроэнергии составят:
=392 955 300 руб.
Величина
экономии электроэнергии при реконструкции может составлять от 12 до 20 %. В
среднем по опыту установки эта величина колеблется в районе 12 %. Экономия за
год составит 47 154 636 руб.
7.5 Расчёт эффективности инвестиций
Расчёт
эффективности инвестиций представляет собой описание ожидаемых экономических
результатов от запланированных капитальных вложений. Эффективность
инвестиционных проектов характеризуется системой показателей:
1)
чистый
дисконтированный доход (ЧДД) или интегральный доход;
2)
индекс
доходности (ИД);
3)
внутренняя
норма доходности (ВДН);
4)
срок
окупаемости ( ).
ЧДД
=
где
– результаты,
достигаемые на t -том шаге расчета;
– затраты, осуществляемые
на том же шаге;
Е – норма
дисконта;
t
–
номер шага расчета (t = 0, 1, 2 ... Т);
K – дисконтированные
капиталовложения.
Для
проведения разновременных затрат, результатов и эффектов используется норма
дисконта (Е), равная приемлемой для инвестора норме дохода на капитал.
Для
расчёта дисконтированного дохода определим норму дисконта:
Е
= + ,
где
r – ставка
рефинансирования, объявленная ЦБ РФ на данный период, 13%;
i – темп инфляции,
объявленный Правительством РФ на данный период,
8%;
р – поправка на
предпринимательский риск в зависимости от целей проекта. Величина р может
быть принята 5%;
Е = + = 0,096.
В
качестве поправки на риск – взята норма для проектов вложений при
интенсификации на базе освоенной техники. Получаем Е=9,6%.
Коэффициент
дисконтирования для постоянной нормы дисконта:
,
где
t – номер шага
расчёта (t =0, 1, 2...n).
ЧДД – это разность
между текущей дисконтированной на базе расчётной ставки процента стоимости
поступлений от инвестиций и величиной капитальных вложений.
На
практике часто пользуются модифицированной формулой. Для этого из состава исключают капитальные
вложения и обозначают через K:
,
где
– капитальные
вложения на t-том шаге;
K – сумма
дисконтированных капиталовложений.
Тогда
формула ЧДД примет вид:
,
где
– затраты на t-том шаге учета
капиталовложений.
Индекс
доходности (ИД) представляет собой отношение суммы приведённых эффектов
к величине капиталовложений:
Правило:
если ЧДД >0, а ИД > 1, то проект эффективен.
Внутренняя
норма доходности (ВНД) представляет собой ту норму дисконта ( ), при которой величина приведённых
эффектов равно приведённым капиталовложениям. ВНД определяется из условия:
По
которому при ставке дисконта чистый дисконтированный доход (ЧДД)
окажется равным нулю: в этом случае
Правило:
если ВНД равна или больше требуемой инвестором нормы дохода на капитал, то
инвестиции в данный инвестиционный проект оправданы.
Результаты
и затраты, связанные с осуществлением проекта, можно вычислить с
дисконтированием или без него. Соответственно получается два различных срока
окупаемости. Срок окупаемости рекомендуется определять с использованием
дисконтирования.
где
– годовая величина
экономии при реализации проектных решений.
Расчёт
ЧДД и ИД представлен в Приложении А.9.
По
данным таблицы получаем, что, начиная со 2-го года проекта ИД > 1, т.е. срок
окупаемости проекта с учетом дисконтирования 2 года.
На
основе ЧДД определим внутреннюю норму доходности (ВНД).
Определим
ВНД графическим методом. ЧДД1 – это
значение ЧДД определенное в проекте по таблице 7.5 с расчетным значением
Е = Е1 , а ЧДД2 – это новое значение ЧДД
определенное при значении Евн = Е2, причем Е2
> Е1.
Е1=0,1;
ЧДД = 18 892 326
Е2=0,2;
ЧДД = 15 806 834, по данным
значениям построим график зависимости ЧДД от ВНД. Тогда точка
пересечения графика с осью ОХ и будет значение ВНД.
Рисунок
7.1 Определение ВНД графическим методом
Получаем,
что графическим методом значение ВНД = 27%.
Итоги
расчета инвестиционной оценки проводятся в обобщающей таблице показателей
эффективности проекта (Таблица 7.6):
Таблица
7.6 Показатели эффективности проекта
|
№
|
Наименование
показателей
|
Единица
измерения
|
Величина
|
|
1
|
Инвестиции
в реализацию проекта
|
руб.
|
33 057
340
|
|
2
|
ЧДД
за 5 лет
|
руб.
|
53 892
893
|
|
3
|
ЧДД
|
руб.
|
6 548
264
|
|
4
|
ИД
|
|
1,19
|
|
5
|
ВНД
|
%
|
27
|
|
6
|
Срок
окупаемости
|
лет
|
2
|
7.6 Вывод по главе 7
В
разделе экономика произведён расчёт экономической эффективности внедрения данного
проекта. Затраты на реализацию проекта составляют 33 057 340 рублей.
На
протяжении всего срока службы проект будет приносить следующие эффекты:
1) Экономия
электроэнергии.
2) Минимизация
затрат на обслуживание.
3) Продлевается
срок службы оборудования.
4) Снижается
вероятность аварийных ситуаций.
5) Имеется
возможность точной настройки режима работы технологической системы.
6) Повышается
производственная безопасность.
За
срок жизни проекта ЧДД = 53 892 893 рублей, что
является вполне нормальным для энергетической промышленности. ИД на срок жизни
проекта составляет 2,55. Срок окупаемости составляет 2 года.
В
данной выпускной квалификационной работе были рассмотрены вопросы реконструкции
ПС 110/6 кВ «Гежская», которая необходима для Гежского месторождения нефти
Соликамского района.
Данная
работа посвящена повышению надёжности системы электроснабжения Березниковских
электрических сетей. Актуальность реконструкции ПС 110/6 кВ «Гежская»
заключается в замене силовых трансформаторов на более мощные, в связи с
увеличением потребления и замене устаревшего оборудования. Для проведения
реконструкции мною изучены материалы, выданные заказчиком на разработку
проекта.
На подстанции
производим выбор нового электрооборудования для надежной работы системы и для
экономий электроэнергии. Все электрические устанавливаемые аппараты проверены
по условиям термической и электродинамической стойкости. При этом электрические аппараты в системе электроснабжения
надежно работают как в нормальном длительном режиме, так и в условиях
аварийного кратковременного режима, простоты и компактны в конструкции, удобны
и безопасны в эксплуатации.
Проектом
принята комплектная блочная трансформаторная подстанция КТПБР-110/6
производства ЗАО «Высоковольтный союз» с трансформаторами мощностью 6,3МВА, климатического
исполнения ХЛ1.
Сторона
110 кВ укомплектовываем элегазовыми выключателями ВГТ-110-40/2500, производства
«Уралэлектротяжмаш».
ЗРУ-6
кВ выполняем в виде металлического сооружения КРПЗ-10 состоящего из отдельных
транспортабельных блоков (8 штук). Аппаратуру телемеханики приняли к установке в
ОПУ.
Так
как надёжная работа электроустановок немыслима без развитой энергетической
системы, то имеет место правильное выполнение и настройка релейной защиты и противоаварийной
автоматики. Поэтому в работе произведён выбор релейной защиты и автоматики на
микропроцессорных устройствах Micom, что дает возможность повысить
чувствительность защит и значительно уменьшить время их срабатывания, что в
совокупности с высокой надежностью позволяет существенно снизить величину
ущерба от перерывов в электроснабжении. В проекте производим расчёт дифференциальной
защиты силового трансформатора на терминале Micom Р632 от
междуфазных коротких замыканиях и расчёт
максимальной токовой защиты от
внешних коротких замыканий на
терминале Micom Р123.
Для
повышения надёжности и бесперебойности работы систем электроснабжения применемаем
противоаварийную автоматику (АПВ и АВР). Их функции в проекте выполняют
микропроцессорные устройства защиты Micom, содержащуюся в
программной логической части.
Также
в работе рассмотрели возможность внедрения на ПС автоматизированного
диспетчерского управления. Внедрение систем автоматизации и диспетчерского
управления на современной цифровой технике коренным образом повышает качество и
надежность процессов производства, передачи и распределения электроэнергии.
В
разделе по безопасности жизнедеятельности рассмотрены вопросы охраны труда
работников, разработаны мероприятия от воздействия опасных и вредных факторов.
Произведён расчёт сопротивления контурного заземлителя на ПС «Гежская».
Отметим
что реконструкция ПС 110/6 кВ «Гежская» позволила решить такие проблемы как:
1)
необходимая
мощность для потребителей ПС;
2)
надежность
и бесперебойность
работы уставок и системы в целом;
3)
перспектива
внедрения новых технологических комплексов и средств автоматизации.
Таким образом, ПС
110/6 кВ «Гежская» отвечает всем требованиям, предъявляемым техническим задание
на реконструкцию.
1.
Правила
устройства электроустановок. - 7-е изд. - М.: Изд-во НЦ ЭНАС, 2003.
2.
Справочник
по электроснабжению промышленных предприятий. Под общ. ред. А.А. Фёдорова и
Г.В. Сербиновского.– М., “Энергия”, 1980.
3.
Блок
В.М., Обушев Г. К., Паперно Л.Б. Пособие к курсовому и дипломному
проектированию для электроэнергетических специальностей вузов. – М.: Высш. шк.,
1990. – 383 с.
4.
Федоров
А.А., Старкова Л.Е. Учебное пособие для курсового и дипломного проектирования
по электроснабжению промышленных предприятий. Уч. пособие для вузов., М.,
Энергоатомиздат., 1987., 368 с.
5.
Справочник
по проектированию электрических сетей / Под ред. Д.Л. Файбисовича .– М. : НЦ
ЭНАС, 2005 .– 314 с.
6.
Справочник
по проектированию электроснабжения. Под ред. Ю.Г.Барыбина и др., –М.,
Энергоатомиздат, 1990., 576 с.
7.
Электрическая
часть электростанций и подстанций. Справочные материалы для курсового и
дипломного проектирования. Учебное пособие для электроэнергетических
специальностей вузов. Под ред. Б.Н. Неклопова. 3-е изд., перераб. и доп., М.,
Энергия., 1978., 456 с.
8.
Шеховцов,
Вячеслав Петрович. Расчет и проектирование схем электроснабжения. Метод.
пособие для курс. проектирования : Учеб. пособие для сред. проф. образования /
В.П. Шеховцов .– М. : ФОРУМ-ИНФРА-М, 2003 .– 213 с.
9.
Крючков
И.П., Кувшинский Н.Н., Неклепаев Б.Н. Электрическая часть электростанций и
подстанций: Справочные материалы для курсового и дипломного проектирования.
Учебное пособие для электроэнергетических специальностей вузов. –М.: Энергия,
1978.
10. Расчет коротких
замыканий и выбор электрооборудования : учеб. пособие / И.П. Крючков [и др.] ;
Под ред. И.П. Крючкова .– М. : Академия, 2005 .– 411 с .
11. Басс Э.И.
Релейная защита электроэнергетических систем. Учеб. пособие для вузов. – М.:
Изд-во МЭИ, 2002–295 с.
12. Чернобровов
Н.В., Семёнов В.А. Релейная защита энергетических систем. –М.: Энергоатомиздат,
1998. – 800 с.
13. ГОСТ 27514—87.
Методы расчёта в электроустановках переменного тока напряжением 1 кВ.
14. Шабад М.А.
Расчеты релейной защиты и автоматики распределительных сетей
–Л.:Энергоатомиздат, 1985.
15. Рекомендации по выбору уставок защит
электротехнического оборудования с использованием микропроцессорных устройств
концерна ALSTOM, 2000
16. Электротехнический
справочник: В 4т. Т.1. Электротехнические изделия и устройства../Под ред.
Профессоров МЭИ В.Г.Герасимова и др.- М.:МЭИ, 2003.
Приложение
А.1 Паспортные данные установленного на подстанции оборудования
1.
Трансформаторы
ТМН- 6300/110
|
Наименование
параметра
|
Величина
|
|
Номинальная мощность,
кВА
|
6300
|
|
Номинальное
напряжение, кВ:
- ВН
- НН
|
115±9*1,78%
6,6
|
|
Потери, кВт:
- холостого хода
- короткого
замыкания
|
10
44
|
|
Напряжение короткого
замыкания, %
|
10,5
|
|
Ток холостого хода, %
|
1
|
|
Схема и группа
соединения обмоток
|
∆/Y-11
|
ТМН-
2500/110
|
Наименование
параметра
|
Величина
|
|
Номинальная мощность,
кВА
|
2500
|
|
Номинальное
напряжение, кВ:
- ВН
- НН
|
110±9*1,5%
6,6
|
|
Потери, кВт:
- холостого хода
- короткого
замыкания
|
5
22
|
|
Напряжение короткого
замыкания, %
|
10,5
|
|
Ток холостого хода, %
|
1,5
|
|
Схема и группа
соединения обмоток
|
∆/Y-11
|
2.
Разъединители
РНДЗ-2-110/630
с пр. ПРН-220М (2шт)
|
Наименование
параметра
|
Величина
|
|
Номинальное
напряжение, кВ
|
110
|
|
Номинальный ток, А
|
630
|
|
Придельный сквозной ток
главных ножей, кА
Ток термической
стойкости / допустимое время его действия, кА/сек
|
80
31,5/4
|
|
Придельный сквозной
ток заземляющих ножей, кА
Ток термической
стойкости / допустимое время его действия, кА/сек
|
80
31,5/1
|
3.
Выключатели
ВМТ-110Б-25/1250УХЛ1
(2шт)
|
Наименование
параметра
|
Величина
|
|
Номинальное
напряжение, кВ
|
110
|
|
Наибольшее рабочее
напряжение, кВ
|
126
|
|
Номинальный ток, А
|
1250
|
|
Номинальный ток
отключения, кА
|
25
|
|
Придельный сквозной
ток, кА
- наибольший пик
- начальное
действующее значение
апериодической
составляющей
|
65
25
|
|
Номинальный ток
включения, кА
- наибольший пик
- начальное
действующее значение
апериодической
составляющей
|
65
25
|
|
Ток термической
стойкости / допустимое время его действия, кА/сек
|
25/3
|
|
Время отключения (с
приводом), сек
|
0,6
|
ВМП-10К-1500
с пр. ПЭ-11 (2шт)
|
Наименование
параметра
|
Величина
|
|
Номинальное
напряжение, кВ
|
10
|
|
Наибольшее рабочее
напряжение, кВ
|
12
|
|
Номинальный ток, А
|
1500
|
|
Номинальный ток
отключения, кА
|
20
|
|
Придельный сквозной
ток, кА
- наибольший пик
- начальное
действующее значение
апериодической
составляющей
|
52
20
|
|
Номинальный ток
включения, кА
- наибольший пик
- начальное
действующее значение
апериодической
составляющей
|
50
20
|
|
Ток термической
стойкости / допустимое время его действия, кА/сек
|
20/8
|
|
Полное время
отключения, сек
|
0,1
|
4.
Трансформаторы тока
ТВТ-110-1-100/5
(2 шт)
|
Наименование
параметра
|
Величина
|
|
Номинальное
напряжение ввода трансформатора, кВ
|
110
|
|
Номинальный первичный
ток, А
|
100
|
|
Первичный ток
наибольший рабочий, А
|
160
|
|
Коэффициент
трансформации при номинальном вторичном токе
|
100/5
|
|
Количество ТТ на
одном вводе
|
2
|
|
Термическая
стойкость:
- кратность тока /
допустимое время, сек
- номинальная
придельная кратность
|
25/3
12
|
ТПЛ-10-1000/5
(2шт)
|
Наименование
параметра
|
Величина
|
|
Номинальное
напряжение, кВ
|
10
|
|
Наибольшее рабочее
напряжение, кВ
|
12
|
|
Номинальный первичный
ток, А
|
100
|
|
Номинальный
вторичный, А
|
5
|
|
Коэффициент
трансформации при номинальном вторичном токе
|
1000/5
|
|
Электродинамическая
стойкость:
- кратность тока
|
250
|
|
Термическая
стойкость:
- кратность тока /
допустимое время, А/сек
- номинальная
придельная кратность второй
Обмотки для защиты
|
45/3
13
|
5.
Трансформаторы собственных нужд
ТМ-63
(2шт)
|
Наименование
параметра
|
Величина
|
|
Номинальная мощность,
кВА
|
63
|
|
Номинальное
напряжение, В
- ВН
- НН
|
6
0,4
|
|
Потери, кВт:
- холостого хода
- короткого
замыкания
|
360
1280
|
|
Напряжение короткого
замыкания, %
|
4,5
|
|
Ток холостого хода, %
|
4,5
|
|
Схема и группа
соединения обмоток
|
Y/Y-0
|
6.
Трансформаторы напряжения
НТМИ-6
(2шт)
|
Наименование
параметра
|
Величина
|
|
Номинальное
напряжение, кВ
|
6
|
|
Номинальное
напряжение обмоток, В
- первичной
- основной вторичной
- дополнительной
|
6000
100
100/3
|
|
Номинальная мощность,
ВА:
- в классе точности
0,5
- в классе точности
1
- в классе точности
3
|
75
150
300
|
|
Придельная мощность,
ВА
|
640
|
|
Схема и группа
соединения обмоток
|
Y/Y/∆-0
|
7.
Разрядники
РВМГ-110МТ1
(2шт)
|
Наименование
параметра
|
Величина
|
|
Номинальное
напряжение, кВ
|
110
|
|
Наибольшее допустимое
действующее значение напряжения, кВ
|
100
|
|
Пробивное напряжение
при f=50 Гц, кВ:
- не менее
- не более
|
170
195
|
|
Импульсное пробивное
напряжение (при предразрядном времени 2-20 мсек), кВ:
- не более
|
260
|
РВО-6Т1
(4 шт)
|
Наименование
параметра
|
Величина
|
|
Номинальное
напряжение, кВ
|
6
|
|
Наибольшее допустимое
действующее значение напряжения, кВ
|
7,6
|
|
Пробивное напряжение
при f=50 Гц, кВ:
- не менее
- не более
|
16
19
|
|
Импульсное пробивное
напряжение (при предразрядном времени 2-20 мсек), кВ:
- не более
|
32
|
Приложение
А.2 Расчёт токов КЗ 110 кВ
|
Наименование
|
Обозначение
и расчётная формула
|
Численное
значение в точках
|
|
K1
|
K2
|
|
max
|
min
|
max
|
min
|
|
Номинальное
напряжение
|
|
115.0
(96,6)
|
115.0
(133*)
|
115.0
|
115.0
|
Данные
источ.
питания
|
Ток
КЗ на шинах ист. питания, кА
|
|
3.55
|
1.64
|
3.55
|
1.64
|
|
Сопрот-ие
источника
питания
|
реактивное,
Ом
|
|
18.70
|
40.48
|
40.48
|
|
активное,
Ом
|
|
0
|
0
|
0
|
0
|
Линия
|
Длина
участка L, км
|
L
|
16
|
16
|
16
|
16
|
|
Реактив.
сопрот-ие
|
на
1 км,Ом/км
|
|
0.4
|
0.4
|
0.4
|
0.4
|
|
на
L км, Ом
|
|
6.4
|
6.4
|
6.4
|
6.4
|
|
Активное
сопрот-ие
|
на
1 км,Ом/км
|
|
0.2
|
0.2
|
0.2
|
0.2
|
|
на
L км, Ом
|
|
3.2
|
3.2
|
3.2
|
3.2
|
Трансф-
орматор
ТМН-
6300
|
Ном.
мощность, кВА
|
|
6300
|
6300
|
-
|
-
|
|
Потери
КЗ, кВт
|

|
44
|
44
|
-
|
-
|
|
Напряжение
КЗ, %
|
|
10.5
(9,68)
|
10.5
(11,7)
|
-
|
-
|
|
Активное
сопротивление,
Ом
|
|
14.66
(10,3)
|
14.66
(17,6)
|
-
|
-
|
|
Полное
сопротивление,
Ом
|
|
142.57
|
314.01
|
-
|
-
|
|
Индук-ое
сопрот-ие, Ом
|
|
142.21
|
313.68
|
-
|
-
|
Результирующее
сопротивление
до
места
КЗ, Ом
|
реактивное,Ом
|
|
167.30
|
360.57
|
25.10
|
46.88
|
|
активное,
Ом
|
|
13.54
|
17.86
|
3.20
|
3.20
|
|
полное,
Ом
|
|
167.85
|
361.01
|
25.30
|
46.99
|
|
Периодическая
слагающая тока в месте КЗ (приведённое к ВН), кА
|
|
0.396
|
0.193
|
2.62
|
1.41
|
|
Приведённый
ток КЗ на стороне НН, кА
|
|
6.89
|
3.36
|
-
|
-
|
|
Значение
ударного тока КЗ, кА
|
|
17.53
|
8.55
|
-
|
-
|
|
|
|
|
|
|
|
|
|
Приложение
А.3 Данные для расчёта токов КЗ ПС «Гежская» 110/6 кВ
|
№
фидера
|
№
п/п
точки
КЗ
|
Трансформатор
|
Линия
|
|
Кол.
опор,
шт
|
Марка
провода
|
,
км
|
, Ом/км
|
, Ом/км
|
х,
Ом
|
r, Ом
|
z, Ом
|
кВА
|
Вт
|
%
|
Ом
|
Ф.
№01
|
К5
|
21
|
АС-
50
|
1,25
|
0,36
|
0,63
|
0,45
|
0,79
|
0,91
|
-
|
-
|
-
|
-
|
|
К6
|
21
|
АС-
50
|
1,25
|
0,36
|
0,63
|
0,45
|
0,79
|
0,91
|
630
|
7600
|
5,5
|
4,21
|
|
К7
|
21
|
АС-
50
|
1,25
|
0,36
|
0,63
|
0,45
|
0,79
|
0,91
|
-
|
-
|
-
|
-
|
|
К8
|
21
|
АС-
50
|
1,25
|
0,36
|
0,63
|
0,45
|
0,79
|
0,91
|
250
|
3700
|
6,5
|
11,2
|
|
К9
|
21
|
АС-
50
|
1,25
|
0,36
|
0,63
|
0,45
|
0,79
|
0,91
|
-
|
-
|
-
|
-
|
|
К10
|
21
|
АС-
50
|
1,25
|
0,36
|
0,63
|
0,45
|
0,79
|
0,91
|
250
|
3700
|
6,5
|
11,2
|
|
Ф.
№02
|
К11
|
73
|
АС-50
|
4,4
|
0,36
|
0,63
|
1,58
|
2,78
|
3,2
|
-
|
-
|
-
|
-
|
|
К12
|
73
|
АС-50
|
4,4
|
0,36
|
0,63
|
1,58
|
2,78
|
3,2
|
250
|
3700
|
6,5
|
12,9
|
Ф.
№03
|
К13
|
31
|
А-70
|
1,86
|
0,35
|
0,45
|
0,65
|
0,84
|
1,07
|
-
|
-
|
-
|
-
|
|
К14
|
31
|
А-70
|
1,86
|
0,35
|
0,45
|
0,65
|
0,84
|
1,07
|
250
|
3700
|
6,5
|
11,4
|
|
К15
|
43
|
А-70
|
2,58
|
0,35
|
0,45
|
0,9
|
1,17
|
1,48
|
-
|
-
|
-
|
-
|
|
К16
|
43
|
А-70
|
2,58
|
0,35
|
0,45
|
0,9
|
1,17
|
1,48
|
63
|
1280
|
4,5
|
32,4
|
|
К17
|
77
|
А-70
|
4,62
|
0,35
|
0,45
|
1,62
|
2,1
|
2,65
|
-
|
-
|
-
|
-
|
|
К18
|
77
|
А-70
|
4,62
|
0,35
|
0,45
|
1,62
|
2,1
|
2,65
|
63
|
1280
|
4,5
|
33,4
|
|
К19
|
81
|
А-70
|
4,86
|
0,35
|
0,45
|
1,7
|
2,2
|
2,79
|
-
|
-
|
-
|
-
|
|
К20
|
А-70
|
4,86
|
0,35
|
0,45
|
1,7
|
2,2
|
2,79
|
40
|
880
|
4,5
|
52,2
|
|
К21
|
128
|
А-70
|
7,7
|
0,35
|
0,45
|
2,69
|
3,48
|
4,4
|
-
|
-
|
-
|
-
|
|
К22
|
128
|
А-70
|
7,7
|
0,35
|
0,45
|
2,69
|
3,48
|
4,4
|
40
|
880
|
4,5
|
53,6
|
|
К23
|
128
|
А-70
|
7,7
|
0,35
|
0,45
|
2,69
|
3,48
|
4,4
|
-
|
-
|
-
|
-
|
|
К24
|
128
|
А-70
|
7,7
|
0,35
|
0,45
|
2,69
|
3,48
|
4,4
|
63
|
1280
|
4,5
|
35,1
|
Ф.
№04
|
К25
|
139
|
А-50
|
8,34
|
0,36
|
0,63
|
3,0
|
5,3
|
6,08
|
-
|
-
|
-
|
-
|
|
К26
|
139
|
А-50
|
8,34
|
0,36
|
0,63
|
3,0
|
5,3
|
6,08
|
40
|
880
|
4,5
|
54,8
|
|
К27
|
135
|
А-50
|
8,1
|
0,36
|
0,63
|
2,93
|
5,14
|
5,14
|
-
|
-
|
-
|
-
|
|
К28
|
135
|
А-50
|
8,1
|
0,36
|
0,63
|
2,93
|
5,14
|
5,14
|
63
|
1280
|
4,5
|
36,0
|
|
К29
|
267
|
А-50
|
16,0
|
0,36
|
0,63
|
5,74
|
10,17
|
11,68
|
-
|
-
|
-
|
-
|
|
К30
|
267
|
А-50
|
16,0
|
0,36
|
0,63
|
5,74
|
10,17
|
11,68
|
63
|
1280
|
4,5
|
41,1
|
|
К31
|
266
|
А-50
|
15,9
|
0,36
|
0,63
|
5,76
|
10,13
|
11,66
|
-
|
-
|
-
|
-
|
|
К32
|
266
|
А-50
|
15,9
|
0,36
|
0,63
|
5,76
|
10,13
|
11,66
|
63
|
1280
|
4,5
|
41,0
|
Ф.
№21
|
К33
|
36
|
АС-50
|
2,16
|
0,36
|
0,63
|
0,78
|
1,37
|
1,58
|
-
|
-
|
-
|
-
|
|
К34
|
36
|
АС-50
|
2,16
|
0,36
|
0,63
|
0,78
|
1,37
|
1,58
|
40
|
880
|
4,5
|
51,0
|
|
К35
|
64
|
АС-50
|
3,84
|
0,36
|
0,63
|
1,39
|
2,44
|
2,8
|
-
|
-
|
-
|
-
|
|
К36
|
64
|
АС-50
|
3,84
|
0,36
|
0,63
|
1,39
|
2,44
|
2,8
|
160
|
2650
|
4,5
|
14,1
|
|
К37
|
78
|
АС-50
|
4,7
|
0,36
|
0,63
|
1,69
|
2,97
|
3,42
|
-
|
-
|
-
|
-
|
|
К38
|
78
|
АС-50
|
4,7
|
0,36
|
0,63
|
1,69
|
2,97
|
3,42
|
250
|
3700
|
6,5
|
13,1
|
|
К39
|
78
|
АС-50
|
4,7
|
0,36
|
0,63
|
1,69
|
2,97
|
3,42
|
-
|
-
|
-
|
-
|
|
К40
|
78
|
АС-50
|
4,7
|
0,36
|
0,63
|
1,69
|
2,97
|
3,42
|
250
|
3700
|
6,5
|
13,1
|
Ф.
№24
|
К41
|
39
|
А-50
|
2,34
|
0,36
|
0,63
|
0,85
|
1,49
|
1,71
|
-
|
-
|
-
|
-
|
|
К42
|
39
|
А-50
|
2,34
|
0,36
|
0,63
|
0,85
|
1,49
|
1,71
|
160
|
2650
|
4,5
|
13,2
|
|
К43
|
45
|
А-50
|
2,7
|
0,36
|
0,63
|
0,98
|
1,71
|
1,97
|
-
|
-
|
-
|
-
|
|
К44
|
45
|
А-50
|
2,7
|
0,36
|
0,63
|
0,98
|
1,71
|
1,97
|
250
|
3700
|
6,5
|
12,0
|
|
К45
|
42
|
А-50
|
2,52
|
0,36
|
0,63
|
0,91
|
1,6
|
1,84
|
-
|
-
|
-
|
-
|
|
К46
|
42
|
А-50
|
2,52
|
0,36
|
0,63
|
0,91
|
1,6
|
1,84
|
63
|
1280
|
32,6
|
|
К47
|
55
|
А-50
|
3,3
|
0,36
|
0,63
|
1,19
|
2,1
|
2,41
|
-
|
-
|
-
|
-
|
|
К48
|
55
|
А-50
|
3,3
|
0,36
|
0,63
|
1,19
|
2,1
|
2,41
|
63
|
1280
|
4,5
|
33,1
|
|
К49
|
113
|
А-50
|
6,78
|
0,36
|
0,63
|
2,45
|
4,3
|
4,95
|
-
|
-
|
-
|
-
|
|
К50
|
113
|
А-50
|
6,78
|
0,36
|
0,63
|
2,45
|
4,3
|
4,95
|
63
|
1280
|
4,5
|
35,2
|
|
К51
|
141
|
А-50
|
8,46
|
0,36
|
0,63
|
3,06
|
5,37
|
6,18
|
-
|
-
|
-
|
-
|
|
К52
|
141
|
А-50
|
8,46
|
0,36
|
0,63
|
3,06
|
5,37
|
6,18
|
25
|
600
|
4,5
|
86,2
|
|
К53
|
142
|
А-50
|
8,52
|
0,36
|
0,63
|
3,08
|
5,41
|
6,22
|
-
|
-
|
-
|
-
|
|
К54
|
142
|
А-50
|
8,52
|
0,36
|
0,63
|
3,08
|
5,41
|
6,22
|
63
|
1280
|
4,5
|
36,3
|
|
К55
|
167
|
А-50
|
10,02
|
0,36
|
0,63
|
3,62
|
6,36
|
7,32
|
-
|
-
|
-
|
-
|
|
К56
|
167
|
А-50
|
10,02
|
0,36
|
0,63
|
3,62
|
6,36
|
7,32
|
63
|
1280
|
4,5
|
37,3
|
|
К57
|
185
|
А-50
|
11,1
|
0,36
|
0,63
|
4,01
|
7,05
|
8,11
|
-
|
-
|
-
|
-
|
|
К58
|
185
|
А-50
|
11,1
|
0,36
|
0,63
|
4,01
|
7,05
|
8,11
|
63
|
1280
|
4,5
|
37,9
|
Ф.
№14
|
К59
|
10
|
ААШОУ-95
|
0,6
|
0,34
|
0,33
|
0,2
|
0,2
|
0,29
|
-
|
-
|
-
|
-
|
|
К60
|
10
|
ААШОУ-95
|
0,6
|
0,34
|
0,33
|
0,2
|
0,2
|
0,29
|
160
|
2650
|
4,5
|
12,1
|
Ф.
№06
|
К61
|
10
|
ААШОУ-95
|
0,6
|
0,34
|
0,33
|
0,2
|
0,2
|
0,29
|
-
|
-
|
-
|
-
|
|
К62
|
10
|
ААШОУ-
95
|
0,6
|
0,34
|
0,33
|
0,2
|
0,2
|
0,29
|
100
|
1970
|
4,5
|
19,7
|
Приложение
А.4 Результаты расчётов токов КЗ ПС «Гежская»
|
№
фидера
|
№
п/п
точки
КЗ
|
Базовое
напряжение
, кВ
|
Место
КЗ
, кВ
|
Сопрот-ние
до точки КЗ
, Ом
|
Значение
3-х
фаз.КЗ
, А
|
Значение
2-х
фаз.КЗ
, А
|
Ф.
№01
|
К5
|
6,3
|
6
|
1,995
|
1823
|
1579
|
|
К6
|
6,3
|
0,4
|
5,295
|
10819
|
9370
|
|
К7
|
6,3
|
6
|
1,995
|
1823
|
1579
|
|
К8
|
6,3
|
0,4
|
12,305
|
4656
|
4032
|
|
К9
|
6,3
|
6
|
1,995
|
1823
|
1579
|
|
К10
|
6,3
|
0,4
|
12,305
|
4656
|
4032
|
|
Ф.
№02
|
К11
|
6,3
|
6
|
4,285
|
849
|
735
|
|
К12
|
6,3
|
0,4
|
14,045
|
4079
|
3532
|
Ф.
№03
|
К13
|
6,3
|
6
|
2,155
|
1688
|
1462
|
|
К14
|
6,3
|
0,4
|
12,515
|
4578
|
3964
|
|
К15
|
6,3
|
6
|
2,656
|
1418
|
1228
|
|
К16
|
6,3
|
0,4
|
33,505
|
1710
|
1481
|
|
К17
|
6,3
|
6
|
3,735
|
974
|
843
|
|
К18
|
6,3
|
0,4
|
34,55
|
1658
|
1436
|
|
К19
|
6,3
|
6
|
3,875
|
939
|
813
|
|
К20
|
6,3
|
0,4
|
53,305
|
1075
|
931
|
|
К21
|
6,3
|
6
|
5,485
|
663
|
574
|
|
К22
|
6,3
|
0,4
|
54,775
|
1046
|
906
|
|
К23
|
6,3
|
6
|
5,485
|
663
|
574
|
|
К24
|
6,3
|
0,4
|
1585
|
1373
|
Ф.
№04
|
К25
|
6,3
|
6
|
7,165
|
508
|
440
|
|
К26
|
6,3
|
0,4
|
55,915
|
1025
|
887
|
|
К27
|
6,3
|
6
|
7,005
|
519
|
450
|
|
К28
|
6,3
|
0,4
|
37,145
|
1542
|
1336
|
|
К29
|
6,3
|
6
|
12,765
|
285
|
247
|
|
К30
|
6,3
|
0,4
|
42,195
|
1358
|
1176
|
|
К31
|
6,3
|
6
|
12,745
|
292
|
253
|
|
К32
|
6,3
|
0,4
|
42,195
|
1358
|
1176
|
Ф.
№21
|
К33
|
6,3
|
6
|
2,665
|
1365
|
1182
|
|
К34
|
6,3
|
0,4
|
52,095
|
1100
|
952
|
|
К35
|
6,3
|
6
|
3,885
|
936
|
811
|
|
К36
|
6,3
|
0,4
|
15,235
|
3760
|
3256
|
|
К37
|
6,3
|
6
|
4,505
|
807
|
699
|
|
К38
|
6,3
|
0,4
|
14,225
|
4027
|
3488
|
|
К39
|
6,3
|
6
|
4,505
|
807
|
699
|
|
К40
|
6,3
|
0,4
|
14,225
|
4027
|
3488
|
Ф.
№24
|
К41
|
6,3
|
6
|
2,795
|
1301
|
1127
|
|
К42
|
6,3
|
0,4
|
14,335
|
3991
|
3456
|
|
К43
|
6,3
|
6
|
3,055
|
1190
|
1031
|
|
К44
|
6,3
|
0,4
|
13,085
|
4387
|
3799
|
|
К45
|
6,3
|
6
|
2,925
|
1585
|
1373
|
|
К46
|
6,3
|
0,4
|
33,695
|
1700
|
1472
|
|
К47
|
6,3
|
6
|
3,495
|
1041
|
901
|
|
К48
|
6,3
|
0,4
|
34,165
|
1677
|
1452
|
|
К49
|
6,3
|
6
|
6,035
|
603
|
522
|
Ф.
№24
|
К50
|
6,3
|
0,4
|
3,305
|
1578
|
1367
|
|
К51
|
6,3
|
6
|
7,265
|
501
|
434
|
|
К52
|
6,3
|
0,4
|
87,335
|
656
|
568
|
|
К53
|
6,3
|
6
|
7,305
|
498
|
431
|
|
К54
|
6,3
|
0,4
|
37,405
|
1532
|
1326
|
|
К55
|
6,3
|
6
|
8,405
|
433
|
375
|
|
К56
|
6,3
|
0,4
|
38,355
|
1494
|
1294
|
|
К57
|
6,3
|
6
|
9,195
|
396
|
343
|
|
К58
|
6,3
|
0,4
|
39,045
|
1467
|
1241
|
|
Ф.
№14
|
К59
|
6,3
|
6
|
1,375
|
2645
|
2291
|
|
К60
|
6,3
|
0,4
|
13,245
|
4325
|
3746
|
|
Ф.
№06
|
К61
|
6,3
|
6
|
1,375
|
2645
|
2291
|
|
К62
|
6,3
|
0,4
|
20,855
|
2747
|
2379
|
Приложение
А.5 Расчёт ТО без выдержки времени
|
Место
установки защиты
|
Условия
выборы параметров срабатывания
|
Ток
мин.
3-х
фазного КЗ в начале линии,А
|
Ток
3-х фазного КЗ в конце линии,А
|
Чув-ть
защиты при расчетном значении уставки
|
|
Условия
согласования защит
|
Расчётные
формулы и условия выбора защит
|
Фидер
№1
|
отстройка
от броска тока намагничивания
|
=103,56 А
|
≥ =
517,8 А
|
3360
|
1823
|
|
|
отстройка
от минимального тока КЗ
|
=
295,6
А
|
≥ =325,2 А
|
Фидер
№2
|
отстройка
от броска тока намагничивания
|
=24,2 А
|
≥ =
121
А
|
3360
|
849
|
|
|
отстройка
от минимального тока КЗ
|
= 258,9 А
|
≥ =284,8 А
|
Фидер
№3
|
отстройка
от броска тока намагничивания
|
=47,65 А
|
≥ =
237,8
А
|
3360
|
663
|
|
|
отстройка
от минимального тока КЗ
|
=
290,6
А
|
≥ =319,7 А
|
Фидер
№4
|
отстройка
от броска тока намагничивания
|
=20,98 А
|
≥ =
104,9
А
|
3360
|
285
|
|
|
отстройка
от минимального тока КЗ
|
=
86,22
А
|
≥ = 94,8 А
|
Фидер
№21
|
отстройка
от броска тока намагничивания
|
=64,15 А
|
≥ =
320,0
А
|
3360
|
807
|
|
|
отстройка
от минимального тока КЗ
|
=
255,68
А
|
≥ = 281,2 А
|
Фидер
№24
|
отстройка
от броска тока намагничивания
|
=73,3 А
|
≥ =
366,5
А
|
3360
|
396
|
|
|
отстройка
от минимального тока КЗ
|
=
93,1
А
|
≥ = 102,4 А
|
Фидер
№6, №14
|
отстройка
от броска тока намагничивания
|
=25,6 А
|
≥ =
128
А
|
3360
|
2645
|
|
|
отстройка
от минимального тока КЗ
|
=
274,6
А
|
≥ =302 А
|
Приложение
А.6 Расчёт уставок МТЗ ЗРУ- 6 кВ
|
Наименование
|
Обозначение
и расчётная формула
|
ЗРУ-
6кВ (I секция)
|
|
|
Ф.
№1
|
Ф.
№2
|
Ф.
№3
|
Ф.
№6
|
КУ
|
|
яч.
19
|
яч.
16
|
яч.13
|
яч.
12
|
яч.
15
|
|
|
Исходные
данные
|
Максимальный
рабочий ток, А
|
|
145
|
34
|
67
|
35
|
130
|
-
|
150/5
|
50/5
|
100/5
|
50/5
|
150/5
|
|
Коэффициент
трансформации
трансформаторов
тока
|
|
30
|
10
|
20
|
10
|
30
|
|
Минимальное
значение тока 3-х фазного КЗ при КЗ в зоне защиты
|
Основной,
А
|
|
3360
|
3360
|
3360
|
3360
|
3360
|
В
конце линии, А
|
|
1823
|
849
|
663
|
2645
|
-
|
|
Максимальная
токовая защита
|
Расчетные
коэффициенты
|
Кратности
максимального тока
|
|
1
|
1
|
1
|
1
|
1
|
|
Схемы
включения реле
|
|
1
|
1
|
1
|
1
|
1
|
|
Отстройки
|
|
1,1
|
1,1
|
1,1
|
1,1
|
1,1
|
|
Возврата
реле
|
|
0,95
|
0,95
|
0,95
|
0,95
|
0,95
|
Ток
срабатывания реле Iср и защиты Iсз
|
Расчетный,
А
|
|
6,1
|
4,3
|
4,2
|
4,4
|
5,5
|
|
Принятый,
А
|
|
6,5
|
4,5
|
4,5
|
4,5
|
6,0
|
|
Первичный,
А
|
|
195
|
45
|
90
|
45
|
180
|
|
Коэффициенты
Kсч для определения чувствит-ти
|
От
сборных шин до тр-ра
|
|
-
|
-
|
-
|
-
|
0,87
|
|
За
трансформатором, А
|
|
1
|
1
|
1
|
1
|
-
|
|
Чувствительность
защиты при 2-х фазном КЗ
|
В
зоне защиты от сборных шин до тр-ра
|
|
-
|
-
|
-
|
-
|
14,1
|
|
|
За
трансформатором в зоне защиты
|
|
8,1
|
16,3
|
6,1
|
50,9
|
-
|
|
Тип
микропроцессорного блока
|
-
|
Micom
Р123
|
Micom
Р123
|
Micom
Р123
|
Micom
Р123
|
Micom
Р123
|
|
Принятая
уставка времени защиты, с
|
|
1,0
|
1,0
|
1,0
|
1,0
|
1,0
|
Приложение
А.6 (продолжение) Расчёт уставок МТЗ ЗРУ- 6 кВ
|
Наименование
|
Обозначение
и расчётная формула
|
ЗРУ-
6кВ (II секция)
|
|
|
Ф.
№4
|
Ф.
№14
|
Ф.
№21
|
Ф.
№24
|
КУ
|
|
яч.
7
|
яч.
9
|
яч.8
|
яч.
5
|
яч.
6
|
|
|
Исходные
данные
|
Максимальный
рабочий ток, А
|
|
30
|
35
|
90
|
102
|
130
|
|
Трансформаторы
тока
|
-
|
50/5
|
50/5
|
150/5
|
150/5
|
150/5
|
|
Коэффициент
трансформации
трансформаторов
тока
|
|
10
|
10
|
30
|
30
|
30
|
|
Минимальное
значение тока 3-х фазного КЗ при КЗ в зоне защиты
|
Основной,
А
|
|
3360
|
3360
|
3360
|
3360
|
3360
|
В
конце линии, А
|
|
285
|
2645
|
807
|
396
|
-
|
|
Максимальная
токовая защита
|
Расчетные
коэффициенты
|
Кратности
максимального тока
|
|
1
|
1
|
1
|
1
|
1
|
|
Схемы
включения реле
|
|
1
|
1
|
1
|
1
|
1
|
|
Отстройки
|
|
1,1
|
1,1
|
1,1
|
1,1
|
1,1
|
|
Возврата
реле
|
|
0,95
|
0,95
|
0,95
|
0,95
|
0,95
|
Ток
срабатывания реле Iср и защиты Iсз
|
Расчетный,
А
|
|
3,8
|
4,4
|
3,8
|
4,3
|
5,5
|
|
Принятый,
А
|
|
4
|
4,5
|
4
|
4,5
|
6,0
|
|
Первичный,
А
|
|
40
|
45
|
120
|
130
|
180
|
|
Коэффициенты
Kсч для определения чувствит-ти
|
От
сборных шин до тр-ра
|
|
-
|
-
|
-
|
-
|
0,87
|
|
За
трансформатором, А
|
|
1
|
1
|
1
|
1
|
-
|
|
Чувствительность
защиты при 2-х фазном КЗ
|
В
зоне защиты от сборных шин до тр-ра
|
|
-
|
-
|
-
|
-
|
14,1
|
|
|
За
трансформатором в зоне защиты
|
|
6,2
|
50,9
|
5,8
|
2,5
|
-
|
|
Тип
микропроцессорного блока
|
-
|
Micom
Р123
|
Micom
Р123
|
Micom
Р123
|
Micom
Р123
|
Micom
Р123
|
|
Принятая
уставка времени защиты, с
|
|
1,0
|
1,0
|
1,0
|
1,0
|
1,0
|
Приложение
А.7 Расчёт защитного заземления
Приложение
А.8 АСУ ТП 110/6 кВ «Гежская»
Приложение
А.9 Расчёт балансовой стоимости
|
№
|
Тип
электрооборудования
|
Затраты
по оптовым ценам, руб
|
Транспортные
расходы, 10%
|
Складские
расходы,
2%
|
Затраты
на создание фунд., 3%
|
Монтаж,
8%
|
Всего
первоначальная балансовая стоимость
|
|
1
|
Трансформатор
ТМН 6300/110
|
1 090
000
|
109
000
|
21
800
|
32
700
|
87
200
|
1 340
700
|
|
2
|
Разъединитель
РНГП-110
|
840
000
|
84
000
|
16
800
|
25
200
|
67
200
|
1 033
200
|
|
3
|
Трансформатор
напряжения
НКФ-110
|
600
000
|
60
000
|
12
000
|
18
000
|
48
000
|
738
000
|
|
4
|
Трансформатор
тока ТФЗМ-110
|
340
000
|
34
000
|
6
800
|
10
200
|
27
200
|
418
200
|
|
5
|
Выключатель
элегазовый
ВГТ
|
440
000
|
44
000
|
8
800
|
13
200
|
35
200
|
541
200
|
|
6
|
Ограничитель
перенапряжения ОПН-110
|
260
000
|
26
000
|
5
200
|
7
800
|
20
800
|
319
800
|
|
7
|
250
000
|
25
000
|
5
000
|
7
500
|
20
000
|
332
500
|
|
8
|
Ячейка
КРУ серии КУ-10ц
|
6 500
000
|
650
000
|
130
000
|
195
000
|
520
000
|
7 995
000
|
|
9
|
Конденсаторные
установки
|
500
000
|
50
000
|
10
000
|
15
000
|
40
000
|
615
000
|
|
10
|
Микропроцессорное
устойство
Micome
Р123
|
7 800
000
|
780
000
|
158
000
|
234
000
|
622
000
|
9 594
000
|
|
11
|
Микропроцессорное
устойство
Micome
Р623
|
1 720
000
|
172
000
|
34
400
|
51
600
|
137
600
|
2 115
600
|
|
12
|
ОПУ
|
6 300
000
|
630
000
|
126
000
|
189
000
|
504
00
|
7 749
000
|
|
13
|
Сети
связи и сигнализации
|
218
000
|
21
800
|
4
360
|
6
540
|
14
440
|
265
140
|
|
Всего:
|
26 856
000
|
2 685
800
|
539
160
|
832
740
|
2 143
640
|
33 057
340
|
Приложение
А.10 Расчёт дисконтированного дохода
|
Наименование
показателя
|
Годы
|
|
1
|
2
|
3
|
4
|
5
|
|
Результаты,
|
47 154
636
|
47 154
636
|
47 154
636
|
47 154
636
|
47 154 636
|
|
Инвестиции
проекта, К
|
33 057
340
|
|
|
|
|
|
Эксплуатационные
расходы,
|
2 612
809
|
2 612
809
|
2 612
809
|
2 612
809
|
2 612
809
|
|
Прибыль
налогооблагаемая
|
44 541
827
|
44 541
827
|
44 541
827
|
44 541
827
|
44 541
827
|
|
Налог
на прибыль, 24%
|
10 690
038
|
10 690
038
|
10 690
038
|
10 690
038
|
10 690
038
|
|
Чистая
прибыль
|
33 851
789
|
33 851
789
|
33 851
789
|
33 851
789
|
33 851
789
|
|
Амортизация
|
11 089
947
|
11 089
947
|
11 089
947
|
11 089
947
|
11 089
947
|
|
Денежный
поток-эффект проекта
|
22 761
842
|
22 761
842
|
22 761
842
|
22 761
842
|
22 761
842
|
|
Коэффициент
дисконтирования
|
0,91
|
0,83
|
0,76
|
0,69
|
0,63
|
|
Дисконтированный
эффект по годам
|
20 713
276
|
18 892
328
|
17 298
999
|
15 705
670
|
14 339
960
|
|
Чистый
дисконтированный доход за t лет
|
-
12 344 064
|
6 548
264
|
23 847
263
|
39 552
933
|
53 892
893
|
|
ИД
|
0,63
|
1,19
|
1,72
|
2,19
|
2,55
|
Похожие работы на - Реконструкция подстанции "Гежская" 110/6 кВ
|