Реконструкция электрической подстанции "Каюковская"

  • Вид работы:
    Отчет по практике
  • Предмет:
    Физика
  • Язык:
    Русский
    ,
    Формат файла:
    MS Word
    2,70 Mb
  • Опубликовано:
    2011-01-21
Вы можете узнать стоимость помощи в написании студенческой работы.
Помощь в написании работы, которую точно примут!

Реконструкция электрической подстанции "Каюковская"

Содержание

Введение

1. Генеральный (ситуационный) план ПС «Каюковская»

2. Действующие схемы электроустановок, РУ, схемы соединений

3. Геологические данные. Климатические данные по району

4. Токи короткого замыкания, выбор оборудования и ошиновки

5. Собственные нужды

6. Защита от перенапряжений, молниезащита ,заземление

7. Решения по релейной защите и вторичным соединениям

8. Организация ВЧ канала

9. Учет электроэнергии

10. Список используемой литературы

Приложения


ВВЕДЕНИЕ

Место прохождения преддипломной практики «Когалымские электрические сети» филиал «Тюменьэнерго». В состав ОАО «Тюменьэнерго» входит 12 электросетевых филиалов. Каждый филиал имеет свою организационно-производственную структуру, зависящую от технологического процесса.

Предприятие образовано 1 июля 1987 года.

Общая протяженность воздушных линий электропередач – 2218 км.

На балансе предприятия 49 подстанций.

Из них:

- 42 ПС напряжением 110 кВ;

- 6 ПС напряжением 220 кВ;

- 1 ПС напряжением 500 кВ.

В Когалым большая энергетика пришла в 1979 году по первой высоковольтной линии электропередачи (ЛЭП) – 110 кВ Урьевская – Повховская протяженностью 146 км.

Сегодня Когалымские электрические сети обеспечивают технологический транспорт электроэнергии в сетях и электроснабжение объектов Когалымского и Лангепасско-Покачевского регионов. Основную часть их составляют объекты ТПП "Когалымнефтегаз", ТПП Лангепаснефтегаз, ТПП "Покачевнефтегаз", ООО "ЛУКОЙЛ-Западная Сибирь", (нефтяные месторождения, водозаборы, вахтовые поселки, кустовые площадки, компрессорные насосные станции, объекты переработки попутного газа), города Когалым, Лангепас, Покачи и ближайшие жилпоселки.

Важной задачей развития электроэнергетики является проектирование и монтаж нового электрооборудования и крупных энергообъектов. Для наиболее эффективного использования вновь введенных и реконструированных объектов требуется точно оценивать мощности потребителей, их графики нагрузок, характер работы, а также учитывать возможное развитие электропотребителей в среднесрочной перспективе.

Реконструкция подстанции «Каюковская» вызвана необходимостью модернизации и замены устаревшего электрооборудования, системы автоматики и учета электроэнергии.

В настоящем проекте рассматриваются следующие возможности усиления надежности схемы электроснабжения:

Реконструкция ОРУ 110 кВ. Замена оборудования ОРУ -110 кВ кроме силовых трансформаторов типа ТДТН-40000/110/35/6. . Выключатели ОРУ 110 кВ заменяются на колонковые элегазовые выключатели ВГТ-110; установка блоков КТПБ (М).

Реконструкция ОРУ 35 кВ. Выключатели ОРУ 35 кВ заменяются на элегазовые выключатели ВГБЭ-35; Установка блоков КТПБ (М) и блоков опорных изоляторов с ОПН;

Реконструкция РУ 6 кВ. КРУН К-37 заменяется на две комплектных трансформаторных универсальных подстанции типа КТП.

Установка вместо разрядников устройств ОПН.

Переход на постоянное напряжение

Организация система высокочастотной (ВЧ) связи

Реконструкция существующей системы РЗиА.

1. Генеральный (ситуационный) план ПС «Каюковская» М 1: 500

2. Действующие схемы электроустановок, РУ, схемы соединений

Характеристика существующей подстанции

Подстанция 110/35/6 «Каюковская» введена в работу в 1973 году. Она является подстанцией проходного (транзитного) типа. В настоящее время на ПС 110/35/6 кВ «Каюковская» принята следующая схема электрических соединений:

– ОРУ 110 кВ выполнено по схеме 110-4Н «Два блока с выключателями и неавтоматической перемычкой со стороны линий»;

– ОРУ 35 кВ выполнено по схеме 35-9 с четырьмя линейными присоединениями «Одна рабочая, секционированная выключателем система шин», имеет 6 отходящих линии: ВЛ 35 кВ «Фид. №5», ВЛ 35 кВ «Фид. №4», ВЛ 35 кВ «Фид. №3», ВЛ 35 кВ «Фид. №2» , ВЛ 35 кВ «Фид. №1», ВЛ 35 кВ «Фид. №6»;

- РУ 6 кВ существующей подстанции выполнено по не типовой схеме; состоит из шинного моста, ячеек КРУН К-37, разрядников, трансформаторов тока, разъединителей и ТСН.

Существующая подстанция выполнена с двумя силовыми трансформаторами ТДТН установленной мощностью по 40 МВ·А каждый. Трансформаторы имеют встроенное устройство регулирования под нагрузкой со стороны 110 кВ;

Мощность трансформаторов собственных нужд составляет 2х63 кВ·А напряжением 6/0,23 кВ. Подстанция выполнена на переменном оперативном токе.

Для возможности вывода оборудования в ремонт установлено 6 масляных выключателей типа МКП-110М-600 с ШПЭ-33, 4 разъединителей марки РГ-2-110/1000, 4 разъединителей марки РГ-1-110/1000, 3 разъединителей марки РНДЗ-2-110-630, 7 разъединителей марки РНДЗ-1-110-630, а также два комплекта отделителей ОД-110М/830-У1 и короткозамыкателей КЗ-110М-У1

Для защиты от перенапряжений на 1СШ и 2СШ установлены ограничители перенапряжений ОПН-110, а также на 1СШ вентильный разрядник РВС-110.

В цепи линий установлены аппараты, необходимые для эксплуатационных включений и отключений линий, для их отключений при чрезмерных перегрузках и коротких замыканиях, а также для отсоединения аппаратов линий от сборных шин или от сети при их ремонтах.

На ГЩУ (ОПУ) расположены:

- 9 панелей защит, управления и сигнализации силовых трансформаторов;

- 3 панели защит, управления и сигнализации секционных масляных выключателей;

-        1 панель контроля температуры 1Т, 2Т,;

-        3 панели центральной сигнализации;

- 4 панель АВР;

- 5 панелей ЩСН, из них 2 панели вводных, 1 секционная, 2 распределительно - линейных.

Площадка ПС размещена вблизи:

- автомобильных дорог, по которым возможно передвижение трейлеров необходимой грузоподъемности;

- железнодорожной станции «Лангепас», на которой выполняется разгрузка тяжелого оборудования, строительных конструкций и материалов;

- вне мест, где могут быть потоки дождевых и других вод;

Подстанция расположена в Тюменской области, Ханты-Мансийском автономном округе, Нижневартовском районе, вблизи населенного пункта Лангепас. Площадь подстанции в пределах ограждения составляет 0,2 га.При размещении ПС учтены коридоры подходов ВЛ всех напряжений. Реконструируемая подстанция размещается на землях ОАО «Тюменьэнерго» Когалымских электрических сетей. Абсолютные отметки поверхности площадки подстанции колеблются в пределах 25,6-25,0 м. ПС располагается на месте с уровнем грунтовых вод ниже заложения фундаментов и инженерных коммуникаций;

Обеспечивает электроснабжение следующих объектов:

8 кустовых площадок ПС 35/6 «К - 58», ПС 35/6 «К - 102», ПС 35/6 «К - 148», ПС 35/6 «К – 24 Б», ПС 35/6 «К - 22», ПС 35/6 «К - 27», , ПС 35/6 «К - 68», ПС 35/6 «К - 18»,

две компрессорные насосные станции ПС 35/6 «КНС - 17», ПС 35/6 «КНС - 18»

две подстанции принадлежащие ОАО «Лангепас – Энергонефть» для собственных нужд ПС 35/6 «Подпорная», ПС 35/6 «Новая»

ПС 110/35/6 кВ «Каюковская» без постоянного дежурного персонала. Изменение схемы ПС «Каюковская» на стороне 110 и 35 кВ, в отличие от нормальной, допускается с разрешения или по распоряжению диспетчера РДП Урьевского района Когалымских электрических сетей в зависимости от оперативной принадлежности оборудования.

Объемы реконструкции

Объемы демонтируемого оборудования. Предусматривается демонтаж подстанции в следующем объеме:

1. Демонтаж всего оборудования ОРУ 110 кВ кроме силовых трансформаторов;

2. Демонтаж блоков ОРУ 35 кВ;

3. Полный демонтаж РУ 6 кВ (шинного моста, ячеек КРУН К-37, разрядников, трансформаторов тока, разъединителей и ТСН);

4. Демонтаж здания ОПУ.

Предусматривается установка нового оборудования подстанции в следующем объеме:

1. Установка блоков КТПБ(М) на ОРУ 110 кВ по схеме 110-4Н;

2.Установка блоков заземлителей нейтрали с ОПН силовых трансформаторов;

3. Установка блоков КТПБ (М) на ОРУ 35 кВ по схеме 35-9 с шестью линейными ячейками, блоков опорных изоляторов с ОПН;

4. Установка одного здания ОПУ в блочно – модульном исполнении;

5.Установка двух комплектных трансформаторных универсальных подстанций на напряжение 6/0,4 кВ. КТП-СЭЩ-У(ВК) 160/6/0,4-ХЛ1.

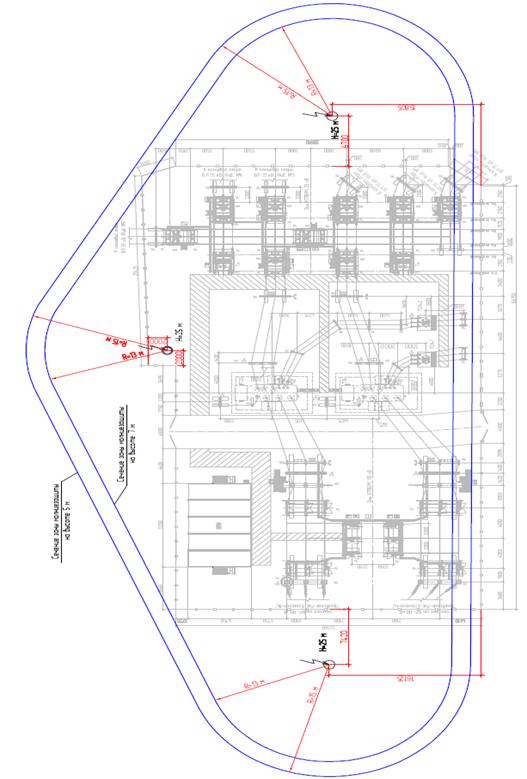
План ПС приведен в приложении 1

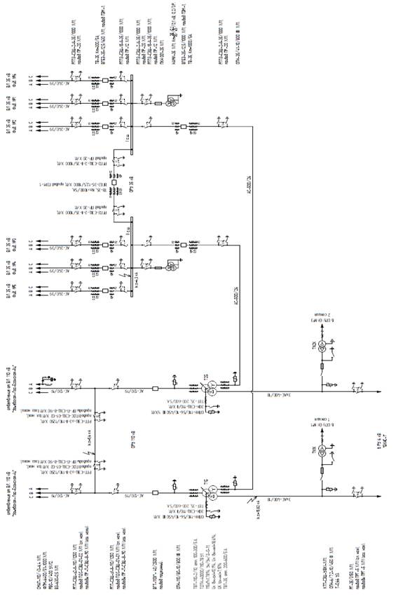
Схема заполнения ПС приведена в приложении 2

Реконструкция ПС вызвана необходимостью замены изношенного оборудования на современное. Проектом предусматривается замена всего оборудования подстанции за исключением силовых трансформаторов. Согласно заданию на проектирование применяется отечественное оборудование в составе блоков КТПБ(М) производства ЗАО "Группа компаний "Электрощит"- ТМ - Самара". В составе выполняемых при реконструкции ПС работ не намечается каких-либо работ изменяющих существующий технологический цикл, все планируемые работы – замена существующего оборудования.

Реконструкцию ПС предусматривается проводить в 2 этапа:

1. Реконструкция ОРУ 110 кВ с поочередным отключением силовых трансформаторов;

2. Реконструкция ОРУ 35 кВ и КРУН 6 кВ с поочередным отключением силовых трансформаторов, подключение нового ОПУ и переход на постоянный оперативный ток.

Все работы проводятся без полного погашения ПС с поочередным отключением силовых трансформаторов.

Общая продолжительность реконструкции строительства проектируемого объекта принята 3 месяца по СНиП 1.04.03-85. Данные были приняты по I части табл.4 ПС по классификации «Электрические подстанции напряжением 110/35 кВ (комплектная) с одним или двумя трансформаторами мощностью каждый более 25000 до 63000 кВ*А включительно». Продолжительность строительства I пускового комплекса - 1,2 месяца, II пускового комплекса - 1,8 месяца.

Релейная защита предусматривается на терминалах ООО НТЦ Механотроника, телемеханика на оборудовании компании «ICP2U», ВЧ связь на оборудовании «ETL 542» фирмы ООО «ABB Энергосвязь». Фундаменты предусматриваются лежневого типа.

3. Геологические данные. Климатические данные по району

Изыскания выполнены в Нижневартовском районе Ханты Мансийского автономного округа, расположенного в центральной части Западно Сибирской равнины, в пределах лесной зоны (сильнозаболоченная тайга - среди болот и лесов расположено более 25 тысяч озер). Рельеф местности равнинный, с обширными пространствами болот и заболоченной тайги, пересеченный долинами небольших рек и ручьев. Лес смешанный, из пород деревьев произрастают сосна, ель, пихта, береза.

В соответствии со схемой инженерно-геологического районирования исследуемая территория расположена в пределах Западно-Сибирской плиты, в долине р. Обь.

Непосредственно участок работ находится в 10 км северо-восточнее г. Лангепаса, на правобережье р. Ванеган (левый приток р. Урьевский Еган) исследуемая территория относится к подзоне верховых озерных и озерково-грядово-мочажинных болот, с единичными массивами крупно-бугристых болот, где мощность торфяной залежи колеблется от 1,5 м до 3,5 м

В настоящее время на участке работ расположена существующая подстанция Каюковская. Прилегающая территория с восточной стороны ПС насыщенна воздушными проводами и опорами ЛЭП, производственными постройками и оборудованием.

Окружающая территория занята смешанным лесом, поверхность «кочковатая», на отдельных участках открытые окна воды (талая вода), местами лежит снег, ближайшие автодороги – грунтового типа (уплотненная, укатанная отсыпка).

Атмосферные явления.

Наиболее частыми на территории района являются туманы и метели. Туманы встречаются в основном с декабря по февраль и в августе-сентябре. В холодное время они вызваны главным образом излучением поверхности земли, а осенью образуются в результате притока теплых масс воздуха при циклонической деятельности. Метели обусловлены усилением циклонической деятельности в зимний период.

Атмосферные осадки.

Средняя годовая сумма атмосферных осадков составляет 509 мм. В теплое время года (IV-X) осадков выпадает 362 мм, за холодный период (XI-III) – 147мм. Наибольшее среднее месячное количество осадков наблюдается в августе (75 мм), наименьшее – в феврале (17 мм).

Снежный покров.

Продолжительная и холодная зима с устойчивыми отрицательными температурами благоприятствует накоплению и сохранению снегового покрова. Средняя дата появления снежного покрова – 10 октября, дата схода снежного покрова – 15 мая. Среднее число дней со снежным покровом -215 дней. Среднее из значений наибольших декадных высот снежного покрова за зиму на защищенном участке 81 см, максимальное наблюдение – 97 см. Запас воды в снежном покрове к концу зимы в среднем составляет 50 мм, максимальный из наибольших за зиму – 97 мм.

На период изысканий в конце апреля 2009 года мощность сезонно мерзлого слоя составляла 0,2-0,5-0,8 м.

Геологическое строение

Площадка изысканий расположена в пределах Западно-Сибирской плиты. Эта территория в тектоническом отношении относится к наиболее крупным структурам элементов Евразии. В ее строении участвуют три структурных этажа, породы, двух из которых, по отношению к третьему являются складчатым фундаментом и залегают на большой глубине. И лишь породы третьего структурного этажа могут использоваться в качестве естественного основания, причем в большинстве случаев это будут слабо литифицированные позднекайнозойские отложения, которые претерпели лишь первые стадии литогенеза и характеризуются горизонтальным залеганием, сравнительно большой мощностью и относительной выдержанностью макрофациальных особенностей.

Условия окружающей среды

При разработке настоящего проекта учтены условия окружающей среды, приведенные в таблице 1.

Таблица 1.

Наименование

Значение

1. Сейсмичность площадки, баллы по шкале MSK-64

5

2. Число грозовых часов в году, час

40-60

3. Степень загрязнённости атмосферы (1.9.28ч1.9.43 ПУЭ)

 II

4. Средний из абсолютных минимумов температуры воздуха, °С

- 46,4

5. Абсолютная максимальная температура воздуха, °С

+ 34

6. Толщина стенки гололеда, мм

15

7. Район по скоростному напору ветра

II

8. Высота площадки над уровнем моря, м

до 1000м


4. Токи короткого замыкания, выбор оборудования и ошиновки

Расчетные наибольшие значения токов короткого замыкания (КЗ) сети приведены в таблице 2.

Таблица 2.

Место КЗ

Ток КЗ, кА

максимальный

ударный

 На напряжении 110 кВ

5,6

15,7

На напряжении 35 кВ

4,3

12,04

На напряжении 6 кВ

15,82

44,3


В настоящем проекте основное оборудование подстанции выбрано по номинальному напряжению присоединений, максимальному длительному току, по отключающей способности и стойкости к токам короткого замыкания, учтена температура наружного воздуха, степень загрязнения атмосферы и сейсмичность площадки.

В целях улучшения обслуживания и повышения автоматизированности ПС, разъединители 110 кВ предусмотрены с электродвигательными приводами главных ножей и выносными блоками управления.

Ошиновка распределительных устройств выбрана по максимальному длительному току присоединений, по стойкости к токам трехфазного короткого замыкания, механической прочности опорных конструкций при наименьших расстояниях от токоведущих частей до различных элементов распредустройств. При выборе оборудования и ошиновки учтены нормальные эксплуатационные режимы, а также перегрузочная способность оборудования.

Оборудование 110 кВ

1. Выключатель элегазовый ВГТ-110II*-40/2500 ХЛ1, 2500А, 40 кА, трехфазный комплект Производитель: ОАО «Уралэлектротяжмаш – Уралгидромаш», г. Сысерть. Количество - 2 шт.

2. Заземлитель наружной установки в нейтрали силового трансформатора ЗОН-СЭЩ-110/II ХЛ1, с ручным приводом заземляющего ножа ПРЗ-СЭЩ-8 ХЛ1, однофазный комплект Производитель: ЗАО «Группа компаний «Электрощит»- ТМ – Самара», г. Самара. Количество – 2шт.

3. Разъединитель трехполюсный РГП-СЭЩ-з2-II-110/1250 ХЛ1, 1250 А, 63 кА, с ручными приводами заземляющих ножей ПР-П-СЭЩ-8-90 ХЛ1 и электродвигательным приводом главного ножа ПДC-СЭЩ-01-02 ХЛ1, трехфазный комплект Производитель: ЗАО «Группа компаний «Электрощит»- ТМ – Самара», г. Самара. Количество – 4 шт.

4. Разъединитель трехполюсный РГП-СЭЩ-з1-II-110/1250 ХЛ1, 1250 А, 63 кА, с ручным приводом заземляющего ножа ПР-П-СЭЩ-8-90 ХЛ1 и электродвигательным приводом главного ножа ПДC-СЭЩ-01-01 ХЛ1, трехфазный комплект Производитель: ЗАО «Группа компаний «Электрощит»- ТМ – Самара», г. Самара. Количество - 2 шт.

5. Ограничитель перенапряжения нелинейный ОПН-110/88-10/800 (III) ХЛ1, однофазный комплект Производитель: ЗАО «Феникс 88», г. Новосибирск. Количество - 6 шт.

6. Ограничитель перенапряжения нелинейный в нейтрали силового трансформатора ОПНН-110/56-10/450 (II) ХЛ1, однофазный комплект Производитель: ЗАО «Феникс 88», г. Новосибирск. Количество - 2 шт.

7. Опорный изолятор ОТПК 8-110-Г-2 ХЛ1, шт Производитель: ЗАО «Феникс 88», г. Новосибирск. Количество - 11 шт.

8. Опорный изолятор ОТПК 8-35-А-2 ХЛ1, шт Производитель: ЗАО «Феникс 88», г. Новосибирск. Количество – 2шт.

9. ВЧ заградитель ВЗ 630-0,5 ХЛ1, однофазный комплект Производитель: ЗАО НПП «Электронные информационные системы» г. Екатеринбург. Количество – 1шт.

10. Конденсатор связи СМАП-110/√3-6,4 ХЛ1, однофазный комплект Производитель: ЗАО НПП «Электронные информационные системы» г. Екатеринбург. Количество – 1шт.

11. Фильтр присоединения ФПМ-6400/51-1000 ХЛ1, однофазный комплект Производитель: ЗАО НПП «Электронные информационные системы» г. Екатеринбург. Количество -1шт.

12. Разъединитель однополюсный РВО-10/400 УХЛ2, однофазный комплект Производитель: ЗАО НПП «Электронные информационные системы» г. Екатеринбург. Количество -1шт.

Оборудование 35 кВ

13. Выключатель элегазовый баковый ВГБЭ-35-12,5/630 ХЛ1, 630 А, 12,5 кА, с электромагнитным приводом ПЭМ-1, трехфазный комплект Производитель: ОАО «Уралэлектротяжмаш – Уралгидромаш», г. Сысерть. Количество – 6шт.

14. Выключатель элегазовый баковый ВГБЭ-35-12,5/1000 ХЛ1, 1000 А, 12,5 кА, с электромагнитным приводом ПЭМ-1, трехфазный комплект Производитель: ОАО «Уралэлектротяжмаш – Уралгидромаш», г. Сысерть. Количество – 3шт.

15. Разъединитель трехполюсный РГПЗ-СЭЩ-2-II-35/1000 ХЛ1, 1000 А, 51 кА, с ручным приводом заземляющих и главных ножей ПР-20 ХЛ1, трехфазный комплект Производитель: ЗАО «Группа компаний «Электрощит»- ТМ – Самара», г. Самара. Количество -12шт.

16. Разъединитель трехполюсный РГПЗ-СЭЩ-1б-II-35/1000 ХЛ1, 1000 А, 51 кА, с ручным приводом заземляющих и главных ножей ПР-12 ХЛ1, трехфазный комплект Производитель: ЗАО «Группа компаний «Электрощит»- ТМ – Самара», г. Самара. Количество – 8шт.

17. Трансформатор напряжения НАМИ – 35 ХЛ1, 35/√3/0,1/√3/0,1 кВ, 0,2/3Р, трехфазный комплект Производитель: ОАО «РЭТЗ» Энергия», г. Раменское 2

18. Ограничитель перенапряжения нелинейный ОПН-35/41-10/800 (III) ХЛ1, однофазный комплект Производитель: ЗАО «Феникс 88», г. Новосибирск. Количество – 6шт.

19. Опорный изолятор ОТПК 8-35-А-2 ХЛ1, шт Производитель: ЗАО «Феникс 88», г. Новосибирск. Количество 30шт.

Оборудование 6 кВ

20. Комплектная трансформаторная универсальная подстанция КТП-СЭЩ- У(ВК) 160/6/0,4-ХЛ1, 6 кВ, 160 кВ·А, шт Производитель: ЗАО «Группа компаний «Электрощит»- ТМ – Самара», г. Самара. Количество - 2шт.

21. Разъединитель трехполюсный РГ-35/3150 ХЛ1, 3150 А, 50 кА, с двумя ножами заземления, с ручными приводами, трехфазный комплект Производитель: ЗАО «ЗЭТО», г.Великие Луки. Количество - 2 шт.

22. Ограничитель перенапряжения нелинейный ОПН-6/7,2-10/450 (II) ХЛ1, однофазный комплект Производитель: ЗАО «Феникс 88», г. Новосибирск . Количество – 6шт.

23. Опорный изолятор ОТПК 8-35-А-2 ХЛ1, шт Производитель: ЗАО «Феникс 88», г. Новосибирск. Количество - 27 шт.

Провода и кабели

Производитель: ОАО «Электрокабель» Кольчугинский завод» г. Кольчугино

24. Провод сталеалюминевый ОРУ 110 кВ, АС-120/19, м 290

25. Провод сталеалюминевый ОРУ 35 кВ, АС-500/26, м 150

26. Провод сталеалюминевый ОРУ 35 кВ, АС-240/39, м 160

27. Провод сталеалюминевый РУ 6 кВ, АС-400/18, м 400

Оборудование 110, 35 кВ устанавливается на блоки КТПБ(М) производства ЗАО ГК «СЭЩ».

Предусмотреть одно здание ОПУ - модульного типа производства ЗАО «СЭЩ». Оперативный ток на ПС принять постоянный, напряжением 220 В, от аппарата управления оперативного тока типа АУОТ – М-20-220-УХЛ4. Фундаменты под оборудование и ОПУ применить лежневого типа.

Сечение проводов 110 кВ АС-120/19 принято исходя из мощности трансформатора с учетом его перегрузки и однотипности ВЛ 110 кВ: 40000х1,4/(110х1,73)=294 А.


Сечение проводов 35 кВ АС-500/26 и АС-240/39 принято исходя из мощности трансформатора с учетом его перегрузки и однотипности ВЛ 35 кВ: 40000х1,4/(35х1,73)=924 А.


Сечение проводов 6 кВ 3хАС-400/18 принято исходя из мощности трансформатора собственных нужд с учетом его перегрузки: 160х1,4/(6х1,73)=22 А.


5. Собственные нужды

На реконструируемой ПС устанавливаются две комплектных трансформаторных подстанции наружного исполнения напряжением 6 кВ, мощностью 160 кВ·А производства ЗАО «Группа компаний «Электрощит» – ТМ – Самара».

Питание нагрузок собственных нужд подстанции на напряжение 380/220. В переменного тока осуществляется от панелей СН производства ЗАО «Группа компаний «Электрощит» – ТМ – Самара» с системой заземления TN-S согласно п.1.7.3 ПУЭ, в которой нулевой защитный (РЕ) и нулевой рабочий (N) проводники разделены на всем протяжении. Роль нулевого защитного PE-проводника на ПС выполняет полоса заземления заземляющего устройства ПС, к которому присоединены нейтрали трансформаторов СН и открытые проводящие части (корпуса) всех распределительных пунктов, групповых щитков, шкафов, электроприемников, корпуса светильников присоединяются третьей жилой кабеля, питающего светильник. На проектируемой ПС предусматривается оперативный постоянный ток (ОПТ) напряжением 220 В. Источником напряжения ОПТ служит шкаф АУОТ производства ЗАО «МПОТК»Технокомплект» и аккумуляторная батарея (АБ), работающая с зарядно- подзарядным агрегатом в режиме постоянного подзаряда.

6.Защита от перенапряжений, молниезащита ,заземление

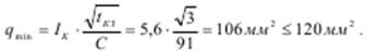
Подстанция находится в зоне со II степенью загрязнения атмосферы, для которой внешняя наружная подвесная и опорная изоляция устанавливаемого оборудования принимается в исполнении с удельной длиной пути утечки 2,25 см/кВ по ГОСТ 9920-89. Защита нового оборудования от прямых ударов молнии осуществляется при помощи вновь устанавливаемых молниеотводов высотой 25 м. каждый на концевых опорах ВЛ 110, 35 кВ и нового отдельно стоящего молниеотвода, высотой 25 м.

Молниезащита ПС «Каюковская» приведена в приложении 3.

Защита существующих 2-х силовых трансформаторов и вновь устанавливаемого подстанционного оборудования от волн перенапряжений (п.4.2.133 ПУЭ), приходящих с ВЛ, выполняется ограничителями перенапряжений. Нейтраль обмотки 110 кВ силового трансформатора в процессе эксплуатации может быть изолирована от заземляющего устройства подстанции, поэтому также защищается ограничителем перенапряжений. Количество и места установки ОПН выбраны согласно таблице 4.2.10 ПУЭ. Проектом предусматривается заложение заземляющего устройства в соответствии с ПУЭ 7 издание в виде металлической сетки из стальных полос сечением 40х5 мм с вертикальными электродами из стали круглой диаметром 20 мм. Существующий контур заземления необходимо присоединить к новому с помощью сварки.

При принятых в соответствии с ПУЭ конструкциях и технических решениях по существующей ПС биологическая защита обслуживающего персонала от воздействия электрического поля, согласно СанПиН 2.2.1./2.1.1.1200-03 и ГОСТ 12.1.002-84, не требуется.

7. Решения по релейной защите и вторичным соединениям

Реализация проекта выполняется в два этапа.

По первому этапу: Поочередно выводится из работы по одному трансформатору и выполняется монтаж оборудования и оперативная блокировка ОРУ 110 кВ трансформаторов T1G, T2G релейная защита будет выполнена на существующих реле.

По второму этапу: Выполняется монтаж оборудования ОПУ, ОРУ 35 кВ.

Состав устройств РЗА и УА

Трансформатор 110/35/6

Для обеспечения ближнего резервирования защит трансформатора Т1G, T2G необходима установка отдельных терминалов основной защиты трансформатора и резервной защиты, действующей при отказе основной защиты или выводе ее из работы. Система РЗА трансформаторов располагается в шкафу ШЗТ-МТ-022, который состоит из двух комплектов, один основной и один резервный:

− комплект основных защит трансформатора на базе терминала БМРЗ-ТД;

− комплект резервных защит трансформатора и управления выключателем 110 кВ на базе терминала БМРЗ-ТР.

Ввод 35 кВ

Терминалы защиты и управления выключателями ввода 35 кВ БМРЗ-ВВ располагаются в шкафу ШАВР-МТ-026. Комплект защит ввода 35 кВ (БМРЗ-ВВ) реализует следующие функции:

- максимальную токовую защиту ввода с комбинированным пуском по напряже- нию стороны 35 кВ;

- ЛЗШ;

- защиту от перегрузки по току ввода 35 кВ с действием на сигнал;

- АПВ выключателя ввода 35 кВ (один цикл);

- защиту от потери питания;

- логику АВР;

- управление выключателем ввода 35 кВ;

- защиту от однофазных замыканий на землю;

 - УРОВ.

Секционный выключатель 35 кВ

Терминал защиты и управления выключателем СВ-35 кВ БМРЗ-СВ располагается в шкафу ШАВР-МТ-026 и реализует следующие функции:

- ЛЗШ;

- логику АВР;

- управление СВ-35 кВ;

 - защиту от однофазных замыканий на землю;

 - УРОВ.

Воздушная линия 35 кВ

Терминалы защиты и управления выключателями ВЛ-35 кВ БМРЗ-КЛ располагаются в отдельном шкафу ШЗЛ-МТ-027 и реализует следующие функции:

- максимальную токовую защиту с пуском по минимальному напряжению 35 кВ;

- токовую отсечку;

 - управление ВЛ 35 кВ;

- АПВ выключателя ВЛ 35 кВ (один цикл);

- защиту от однофазных замыканий на землю;

- защиту минимального напряжения на сигнал;

- выполнение команд АЧР и ЧАПВ;

- УРОВ.

- Автоматическая частотная разгрузка

Терминалы автоматической частотной разгрузки БРЧН-100-А-2-01 располагаются в отдельном шкафу ШЧР-МТ-010-02 и реализует следующие функции:

- автоматическую частотную разгрузку при снижении частоты;

- автоматическое повторное включение ранее отключенных потребителей.

8. Организация ВЧ канала

Предусматривается реконструкция ВЧ канала связи между ПС 110/35/6 «Каюковская» и ПС 220/110/6 «Урьевская» на аппаратуре каналов связи ителемеханики по линиям электропередач ETL 542 (двухканальная) фирмы ООО «ABB Энергосвязь».

Аппаратура ВЧ связи обеспечивает передачу данных телемеханики, с возможностью организовывать высокоскоростные каналы передачи данных речевых интерфейсов и интерфейсов данных (МЭК 101). Аппаратура ВЧ связи обеспечивает работу с оборудованием ВЧ обработки и присоединения отечественного и иностранного производства.

Проектом на реконструируемой ПС предусмотрено:

- замена ВЧ связи ВЧС-1 с частотами 724-728/792-796 на ETL 542 с частотами 724-732/792-800 по ВЛ 110 кВ, II цепь, фаза «А»;

- замена высокочастотной обработки на вышеуказанной фазе по ВЛ 110 кВ на ПС «Каюковская».

Прокладка высокочастотного кабеля на ПС 110/35/6 «Каюковская» осуществляется в земле в асбестоцементных трубах. Для передачи сигналов телемеханики между ПС 110/35/6 «Каюковская» и ПС 220/110/6 «Урьевская к стойке ВЧ связи ETL 542 подключается внешний телемеханический модем УПСТМ-02, соединенный с КП ICPСON по интерфейсу RS232. Для коммутации каналов связи ПС Каюковская - РДП УРЭС, в ОПУ ПС Каюковская, в помещении связи, установить концентратор К-12-Э.

На реконструируемой ПС (без постоянного дежурства оперативного персонала) организована телефонная сеть. В составе телефонной сети ПС входит:

- АТС Триком КД-1U;

- телефонный аппарат Samsung SP-F203A.

На территории ПС телефонный аппарат, включенный в АТС, устанавливается в помещении связи ОПУ.

Схема организации связи приведена в приложении 4.

Передача информации на ПС «Урьевская» осуществляется по протоколу МЭК60870-5-101-2006. Предусматривается установка совместимого ПО на ПС «Урьевская» с протоколом передачи МЭК60870-5-101-2006. Передача информации с ПС «Урьевская» на ДП КЭС, ДП ЦДС ОАО «Тюменьэнерго», ДП ТРДУ осуществляется по существующим каналам связи.

9. Учет электроэнергии

Схема организации технического учета электроэнергии

Технический учет электроэнергии выполнен:

- на вводах 35 кВ;

- на трансформаторах собственных нужд ТСН-1,2 по стороне 0,4 кВ

Схема организации коммерческого учета электроэнергии коммерческий учет выполнен:

- на отходящих ВЛ 35 кВ.

В качестве приборов учета электроэнергии предусмотрена установка счетчиков типа СЭТ- 4ТМ.03 Нижегородского завода им. Фрунзе класса точности 0.2S для коммерческого учета и 0.5S для технического учета электроэнергии. Счетчики предназначены для учета активной и реактивной энергии и мощности в режиме многотарифности, хранения измеренных данных в своей памяти. Данными счетчиками выполняется следующий основной объем измерений и учета:

- измерение напряжения на каждом присоединении (пофазно);

- измерение тока на каждом присоединении (пофазно);

-расчетный учет активной и реактивной энергии на каждом присоединении.

Счетчики учета электроэнергии на вводах 35 кВ и на отходящих 35 кВ располагаются в 19" шкафу в комнате связи в здании ОПУ. Счетчики трансформаторов собственных нужд ТСН - 1,2 располагаются в панелях собственных нужд 0,4 кВ.

Схема организации передачи информации учета электроэнергии

Счетчики СЭТ-4ТМ.03 имеют два интерфейса RS-485, что позволяет организовать сбор и передачу данных учета электроэнергии в две независимые точки приема информации. Сбор и передача данных о потребленной электроэнергии не предусматривается.

СПИСОК ЛИТЕРАТУРЫ


1. Блок В.М. Пособие к курсовому и дипломному проектированию для электроэнергетических специальностей ВУЗов [Текст]: Учеб. пособие для студентов электроэнергетических специальностей ВУЗов / В.М. Блок, 2-е изд., перераб. и доп. – М.: Высшая школа, 1990. - 383 с.

2. Ермолов А.А. Основы электроснабжения промышленных предприятий [Текст]. / А.А. Ермолов. – М-Л: Энергоатомиздат, 1986. - 344 с.

3. Инструкция по выбору, установке и эксплуатации дугогасящих катушек [Текст]. – М.: Минтопэнерго РФ, 1994.

4. Инструкция по устройству молниезащиты зданий, сооружений и промышленных коммуникаций (СО 153 – 34.21.122 – 2003) [Текст]. – СПб.: Изд-во ДЕАН, 2005. – 64 с.

5. Камнев В.Н. Практические работы по релейной защите и автоматике [Текст]. / В.Н. Камнев. -М: «Высшая школа», 1978. - 109 с.

6. Карякин Р.Н. Заземляющие устройства электроустановок [Текст]: Справ.- М: Энергосервис, 2000. - 373 с.

7. Кудрин Б.И. Электроснабжение промышленных предприятий [Текст]. / Б.И. Кудрин – М: Энергоатомиздат, 1995.- 416 с.

8. Методические указания по контролю состояния заземляющих устройств электроустановок [Текст]. – М: ОРГРЭС, 2000.

9.       Неклепаев Б.Н. Электрическая часть электростанций и подстанций [Текст]: Справочные материалы для курсового и дипломного проектирования: Учебное пособие для вузов. – 4-е изд., перераб. и доп. / Б.Н. Неклепаев – М.: Энергоатомиздат, 1989. –608с.

10.     Положения о порядке разработки и утверждения правил и инструкций по охране труда [Текст]: Методические указания по разработке правил и инструкций по охране труда:-М: НПО ОБТ, 1994.

11. Правила организации работы с персоналом на предприятиях и учреждениях энергетического производства [Текст]. – М: ОРГРЭС, 1994

Приложение 1

План ПС 110/35/6 «Каюковская»

Приложение 2

Схема заполнения ПС 110/35/6 «Каюковская»

Приложение 3

 - вновь устанавливаемые молниеотводы на существующие тросостойки

 - вновь устанавливаемый отдельно стоящий молниеотвод

Приложение 4

Схема организации связи

Похожие работы на - Реконструкция электрической подстанции "Каюковская"

 

Не нашли материал для своей работы?
Поможем написать уникальную работу
Без плагиата!
Без нейросетей!