Релейний захист блока лінія–трансформатор
Міністерство освіти та науки України
Донецький національний технічний університет
Кафедра “Електричні системи”
Курсовий проект
Тема: “Релейний захист блока лінія – трансформатор”
Донецьк
Реферат
Пояснювальна
записка до курсової роботи: 31 стор., 7 рис., 4 табл.
Об'єктом
дослідження є блок лінія – трансформатор.
Мета
роботи: спроектувати релейний захист блока лінія–трансформатор.
В
даній курсовій роботі проводимо розрахунок релейного захисту для силового
трансформатору та повітряної лінії. Як захист для трансформатора встановлюємо
на нього газовий захист, продольний диференційний захист та захист від
перевантаження. На лінію становимо ступінчатий струмовий захист та захист
нульової послідовності від замикань на землю.
Отримані
результати – розраховані в даній курсовій роботі захисти відповідають вимогам
ПУЕ.
Релейний
захист здійснює автоматичну ліквідацію ушкоджень та ненормальних режимів в
електричній частині енергосистем і являється найважливішою автоматикою, яка
забезпечує їх надійну та стійку роботу.
РЕЛЕЙНИЙ
ЗАХИСТ, МАКСИМАЛЬНИЙ СТРУМОВИЙ ЗАХИСТ, ГАЗОВИЙ ЗАХИСТ, ДИФЕРЕНЦІЙНИЙ ЗАХИСТ,
НЕНОРМАЛЬНИЙ РЕЖИМ, УШКОДЖЕННЯ, ЗАХИСТ ВІД ПЕРЕВАНТАЖЕННЯ.
Зміст
Вступ
1 Стисла характеристика
захищаємого об’єкта
2 Аналіз видів пошкоджень
та ненормальних режимів роботи
2.1 Трансформатори
2.1.1 Ненормальні режими
і захист від них
2.1.2 Основні види ушкоджень
2.2 Живильна повітряна
лінія 220 кВ
2.2.1 Ушкодження
повітряних ліній
2.2.2 Ненормальні режими
2.2.3 Основні вимоги,
пропоновані до
захисту
3 Попередній вибір типів
захистів застосовано до захищаемого об’єкту
3.1 Захист трансформатора
3.2 Захист лінії
4 Розрахунок уставок, вибір
типів реле та з’ясування типів захисту
4.1 Розрахунок
подовжнього диференціального захисту трансформатора
4.2 Розрахунок
максимального струмового захисту трансформатора
4.3 Розрахунок захисту
трансформатора від перевантаження
4.4 Газовий
захист трансформатора
5 Захист лінії
5.1 Розрахунок струмової
відсічки лінії
5.2 Розрахунок
максимального струмового захисту лінії
5.3 Розрахунок
максимального струмового захисту нульової послідовності
6 Опис взаємодії захистів
Висновки
Перелік посилань
Вступ
Системи
електропостачання є складними виробничими об’єктами кібернетичного типу, всі
елементи яких беруть участь в єдиному виробничому процесі, основними
специфічними особливостями якого є швидкоплинність явищ і неминучість
пошкоджень аварійного характеру. Тому надійне та економічне функціонування
систем можливе тільки при автоматичному керуванні ними. Для цієї мети
використовується комплекс автоматичних пристроїв, серед яких першорядне значення
мають пристрої релейного захисту та автоматики.
Зростання
споживання електроенергії і ускладнення систем електропостачання вимагають
постійного вдосконалення цих пристроїв. Спостерігається тенденція створення
автоматизованих систем керування на основі використання цифрових універсальних
та спеціалізованих обчислювальних машин. Разом з тим широко застосовуються і
найпростіші засоби захисту і автоматики: плавкі запобіжники, автоматичні
вимикачі, магнітні пускачі, реле прямої дії, магнітні трансформатори струму та
інші. Найбільш поширені струменеві захисти, прості пристрої автоматичного
повторного включення, автоматичного включення резервного джерела живлення та
автоматичного частотного розвантаження.
Релейний
захист здійснює автоматичну ліквідацію пошкоджень і ненормальних режимів в
електричній частині енергосистеми та є найважливішою автоматикою, що забезпечує
їх надійний та стійкий захист.
Відповідальну
роль по забезпеченню надійної роботи електромереж грає правильна настройка
релейного захисту та протиаварійної автоматики і в тому числі правильний вибір
робочих параметрів спрацювання (уставок) релейної апаратури.
Зростання
навантажень, збільшення протяжності ліній електропередач, посилювання вимог до
стійкості енергосистем ускладнюють умови роботи релейного захисту і підвищують
вимоги до її швидкодії, чутливості та надійності. У зв’язку з цим йде
безперервний процес розвитку та вдосконалення техніки релейного захисту,
направлений на створення все більш довершених захистів, що відповідають вимогам
сучасної енергетики.
1 Стисла характеристика захищаємого об’єкта
Об'єктом
для проектування релейного захисту в даній курсовій роботі є блок лінія -
трансформатор, представлений на рис. 1.1. Відповідно з потребами ПУЕ споживачі
напругою 10 кВ відносять до першої категорій надійності, тобто перерва
електропостачання яких може привести до: небезпеку для життя людей, значний
збиток народному господарству, ушкодження дорогого основного устаткування,
масовий брак продукції, розлад складного технологічного процесу, порушення
функціонування особливо важливих елементів комунального господарства.
Рисунок
1.1 – Спрощена схема захищає мого об’єкту:
1–
живляча підстанція; 2– повітряна ЛЕП; 3– знижуюча підстанція.
Блок
лінія - трансформатор одержує живлення від системи з потужністю к.з, Sк.тах=2000
МВ-А, причому приймаємо
Номінальна
напруга живильної лінії і вищої сторони трансформатора 220 кВ. Живлення від
енергосистеми здійснюється по одноланцюговій лінії довжиною 30 км. Мережа 220
кВ трифазна, змінного струму, з глухозаземленою нейтраллю.
Лінія електропередачі з'єднана з енергосистемою через
високовольтний вимикач 220 кВ, на якому встановлене автоматичне повторне
включення (АПВ). На нижній стороні трансформатора з потужністю 6,3 МВ-А
навантаження приєднане через вакуумні вимикачі 6 кВ. Для реалізації релейного
захисту на всіх приєднаннях установлені трансформатори струму (ТС). В мережі
220 кВ встановлені трансформаторі! струму серії ТФЗМ-220Б-1, а в мережі 6 кВ -
трансформатори вбудовані в комірки КРП, серії ТЛ-10.
Підстанція - двотрансформаторна, тому для забезпечення надійності
електропостачання необхідно встановити пристрій АВР. У нормальному режимі
роботи стан секційного вимикачі серії ВВ/ТЕL-10-20/1000У1 - вимкнено.
Вибираємо по [1] трансформатор типу ТДН-6300/220. Технічні дані
захищаємого трансформатора приведені в табл. 1.1.
|
Номінальна потужність Sнош МВ-А
|
6.3
|
|
Номінальна напруга на стороні ВН Uном.вн кВ
|
230
|
|
Номінальна напруга на стороні НН Uном.нн
кВ
|
6.3
|
|
Потужність короткого замикання ∆PКЗ, кВт
|
265
|
|
Потужність неробочого ходу ∆Рхх,
кВт
|
70
|
|
Напруга короткого замикання UК_3, %
|
12
|
|
Струм неробочого ходу Іхх,
%
|
0.5
|
Трансформатор має пристрій РПН ±12x1 %. У трансформатор вбудований
трансформатор струму типу ТВТ-220-І.
2 Аналіз видів пошкоджень та ненормальних режимів
роботи
У процесі експлуатації можливі ушкодження в трансформаторах і на
їхніх з'єднаннях з комутаційними апаратами. Можуть бути також небезпечні
ненормальні режими роботи, незв'язані з ушкодженнями трансформатора чи його
з'єднань. Можливість ушкоджень і ненормальних режимів обумовлює необхідність
установки на трансформаторах захисних пристроїв.
При
зовнішньому КЗ, викликаному ушкодженням на шинах трансформатора або невідімкнувшимся
ушкодженням на відходящем від шин приєднанням, по трансформатору проходять
струми КЗ Ікз>Іном, що нагрівають його обмотки понад припустиме
значення, що може привести до ушкодження трансформатора. Оскільки зовнішнє КЗ
супроводжується зниженням напруги в мережі, захист повинен діяти з мінімальною
витримкою часу, необхідної для селективності.
Перевантаження
трансформаторів не впливає на роботу системи електропостачання в цілому, тому
що вона звичайно не супроводжується зниженням напруги. Крім того, сверхструми
перевантаження відносно не великі і їхнє проходження припустиме протягом
деякого часу, достатнього для того, щоб було вжито заходів до розвантаження.
Найбільш часто виникають короткочасні самоліквідуючиєся перевантаження
небезпечні для трансформатора через їхню нетривалість. На підстанціях
ліквідація тривалого перевантаження повинна вироблятися автоматично від
захисту, відключенням менш відповідальних споживачів або трансформатора, що
перевантажився.
Таким
чином, захист трансформатора від перевантаження повинен діяти на відключення
тільки в тому випадку, коли перевантаження не може бути усунуте автоматично. В
усіх інших випадках захист повинен діяти на сигнал або автоматично робити його
розвантаження. Захист від перевантажень виконується, як правило реагуючим на
струм.
До
ненормальних режимів роботи трансформаторів відноситься так само неприпустиме
зниження рівня олії, що може відбутися, наприклад, внаслідок ушкодження бака.
2.1.2 Основні види ушкоджень
Основними
видами ушкоджень є багатофазні КЗ в обмотках і на виводах трансформатора, а
також «пожежа стали» магнітопроводу. Однофазні ушкодження бувають двох видів:
на землю і між витками обмотки (виткові замикання). Найбільш ймовірні однофазні
і багатофазні КЗ на виводах трансформаторів і однофазні виткові замикання в
обмотках. Захист на КЗ виконується з дією на відключення ушкодженого
трансформатора. Для обмеження розмірів руйнувань її виконують швидкодіючої.
Замикання
однієї фази на землю небезпечно для обмоток, приєднаних до мереж із
глухозаземленими нейтралями. У цьому випадку захист повинен відключати
трансформатор і при однофазних КЗ у його обмотках на землю. При віткових
замиканнях у замкнених витках виникає значний струм, що руйнує ізоляцію і
магнитопровід трансформатора, тому такі ушкодження повинні відключатися
швидкодіючим захистом.
Небезпечним
внутрішнім ушкодженням є також «пожежа стали» магнитопровода, що виникає при
порушенні ізоляції між листами магнитопроводу, що веде до збільшення втрат на
перемагнічування і вихрові струми. Втрати викликають місцеве нагрівання стали,
що веде до подальшого руйнування ізоляції. Захист, заснований на використанні
електричних величин, на цей вид ушкодження теж не реагує, тому виникає
необхідність у застосуванні спеціального захисту від віткових замикань і від
«пожежі стали».
Для
обмеження розміру руйнування захист від ушкоджень у трансформаторі повинен
діяти швидко. Ушкодження, що супроводжуються великими струмами КЗ, повинні
відключатися без витримки часу з t=0,05 – 0,1 с.
2.2.1 Ушкодження повітряних ліній
Основними
причинами ушкоджень є:
1)
ушкодження проводів і опор ліній електропередач, викликана їхнім
незадовільним станом, ожеледдю, ураганною вітром, танцем проводів і інших
причин;
2)
помилки персоналу при операціях (відключення роз'єднувачів під
навантаженням, включення їх на помилково залишене заземлення і т.п.);
3)
порушення ізоляції струмоведучих частин, викликане її старінням,
незадовільним станом, перенапругами, механічними ушкодженнями.
КЗ є
найбільш небезпечним і тяжким видом ушкодження. При КЗ ЕРС джерела живлення
(генератора) замикається «накоротко» через відносно малий опір генераторів,
трансформаторів і ліній. Тому в контурі замкнутої накоротко ЕРС виникає великий
струм називаний струмом короткого замикання.
Короткі
замикання підрозділяються на трифазні, двуфазні й однофазні в залежності від
числа фаз, що замкнулися; на замикання з землею і без землі; замикання в одній
і двох точках мережі.
При
КЗ унаслідок збільшення струму зростає спадання напруги в елементах системи, що
приводить до зниження напруги у всіх точках мережі. Найбільше зниження напруги
відбувається в місці КЗ і в безпосередній близькості від нього. У точках
мережі, вилучених від місця ушкодження, напруга знижується в меншому ступені.
Збільшення
струму може викликати ушкодження ізоляції і струмоведучих частин, тому що
проходячи по неушкодженому устаткуванню і лініям електропередач струм КЗ
нагріває їхній вище припустимої межі.
Зниження
напруги при КЗ порушує роботу споживачів і порушує стійкість рівнобіжної роботи
генератора. Другий наслідок від зниження напруги може привести до розпаду
системи і припиненню живлення всіх її споживачів. Розглянуті наслідки КЗ
підтверджують, що вони є важким і небезпечним видом ушкодження, що вимагає
швидкого відключення.
2.2.2 Ненормальні режими
Перевантаження
устаткування, викликане збільшенням струму сверхномінального значення.
Номінальним називається максимальний струм, що допускається для даного
устаткування протягом необмеженого часу. Якщо струм, що проходить по
устаткуванню, перевищує номінальне значення, то за рахунок виділюваного їм
додаткового тепла температура струмоведучих частин і ізоляції через якийсь час
перевершує припустиму величину, що приводить до прискореного зносу ізоляції і
її ушкодженню. Для попередження ушкодження устаткування при його перевантаження
необхідно прийняти міри до розвантаження або відключення устаткування.
Хитання
в системах виникають при виході із синхронізму працюючих паралельно генераторів
(або електростанцій). При хитаннях у кожній точці системи відбувається
періодична зміна («хитання») струму і напруги. Тік у всіх елементах мережі
коливається від 0 до максимального значення, у багато разів перевищуючу
нормальну величину. Напруга падає від нормального до деякого мінімального
значення. Зростання струму викликає нагрівання устаткування, а зменшення
напруги порушує роботу всіх споживачів системи.
Підвищення
напруги небезпечно для ізоляції. Воно може виникнути при однобічному
відключенні або включенні довгих ліній електропередач з великою ємнісною
провідністю, а також виникає, як правило, на гідрогенераторах при раптовому
відключенні їхнього навантаження.
2.2.3 Основні вимоги, пропоновані до захисту
а)
від ненормальних режимів.
Ці
захисти, також як і захисту від КЗ, повинні володіти селективністю, достатньою
чутливістю і надійністю. Але швидкості дії від цих захистів, як правило не
потрібно. Часто ненормальні режими носять короткочасний характер і ліквідуються
самі. У таких випадках швидке відключення не тільки не є необхідним, але може
завдати шкоди споживачам. Тому відключення устаткування при ненормальному
режимі повинне вироблятися тільки тоді, коли настає дійсна небезпека для
устаткування, що захищається, тобто в більшості випадків з витримкою часу. У
тих випадках, коли усунення ненормальних режимів може зробити черговий
персонал, захист від ненормальних режимів може виконуватися з дією тільки на
сигнал.
б)
від КЗ
Селективність
– це здатність захисту відключати при КЗ тільки ушкоджена ділянка мережі. Таким
чином, якщо підстанція зв'язана з мережею декількома лініями, то селективне
відключення КЗ на одній з ліній дозволяє скоротити зв'язок цієї підстанції з
мережею, забезпечивши тим самим безперебійне харчування споживачів. Селективне
відключення є основною умовою для забезпечення надійного електропостачання
споживачів.
Швидкість
дії потрібна для обмеження розмірів руйнування устаткування, підвищення
ефективності автоматичного повторного включення ліній і збірних шин, зменшення
тривалості зниження напруги в споживачів і збереження стійкості рівнобіжної роботи
генераторів, електростанцій і енергосистеми в цілому. Як наближений критерій
необхідності застосування швидкодіючих захистів ПУЭ рекомендують визначати
залишкова напруга на шинах електростанцій і вузлових підстанцій при трифазних
КЗ у цікавлячій нас крапки мережі. Якщо залишкова напруга виходить менше 60%
номінального, то для збереження стійкості варто застосовувати швидкодіючий
захист.
Чутливість
потрібна для того, щоб захист реагував на відхилення від нормального режиму, що
виникають при КЗ. Чутливість захисту повинна бути такий, щоб вона діяла при КЗ
наприкінці встановленої для неї зони в мінімальному режимі системи і при
замиканнях через електричну дугу.
Надійність
– це вимога полягає в тому, що захисту повинна безвідмовно працювати при КЗ у
межах установленої для неї зони і не повинна працювати неправильно в режимах,
при яких її робота не передбачається.
3 Попередній вибір типів захистів застосовано до
захищаємого об’єкту
Для трансформаторів потужністю 6,3 МВ-А з напругою на високій
стороні 220 кВ низкою 6 кВ повинні бути передбачені пристрої релейного захисту
від наступних видів ушкоджень і ненормальних режимів роботи:
- багатофазних КЗ в обмотках і на виводах;
- однофазних коротких замикань на землю в обмотках і на виводах,
приєднаних домережі з глухозаземленою нейтралью;
-
виткових замикань в обмотках;
-
струмів в обмотках, обумовлених зовнішнім КЗ;
-
струмів в обмотках, обумовлених перевантаженням:
-
зниження рівня олії;
- однофазних замикань на землю на стороні 6 кВ.
Згідно
для захисту від ушкоджень на виводах, а також від внутрішніх ушкоджень для
трансформаторів потужністю 6,3 МВ-А і вище передбачається подовжній
диференціальний струмовий захист без витримки часу. Подовжній диференціальний
захист здійснюється з застосуванням реле струму, що володіють поліпшеним
відбудуванням від кидків що намагнічує, перехідних і сталих струмів небалансу.
Рекомендується використовувати реле з гальмуванням типу ДЗТ-11. Диференціальний
захист трансформатора з реле ДЗТ-11 виконується так, щоб при внутрішніх
ушкодженнях у трансформаторі гальмування було мінімальним або зовсім було
відсутнє. Тому гальмова обмотка реле звичайно підключається до ТС, установленим
на стороні НН трансформатора.
Для
захисту трансформатора від ушкоджень усередині кожуха від зниження рівня олії
згідно передбачений газовий захист, що реагує на утворення газів, що
супроводжують ушкодження усередині кожуха трансформатора, у відсіку перемикача
відпайок пристрою РПН. У якості реле захисту використовуються газові реле. Цей
захист приймається як основний захист трансформатора. Він реагує на всі
пошкодження в середині бака трансформатора, міжвіткові, міжфазні замикання та
замикання на корпус трансформатора. Принцип дії даного типу захисту засновано
на явищі газоутворення в баку пошкодженого трансформатора, інтенсивність якого
залежить від вигляду пошкодження, що дає можливість виконати газовий захист,
здатний розрівнювати ступень пошкодження та в залежності від цього діяти на
сигнал або вимкнення.
Основним
елементом газового захисту є газове реле, що встановлюється в трансформаторі,
типу ВF-80/Q і реле пристрою
РПН RS-1000.
Достоїнства
захисту:
1.
Висока чутливість;
2.
Порівняно невеликий час спрацювання;
3.
Простота використання;
4.
Здатність захищати трансформатор при недоступному рівні масла по
будь-яких причинах.
Недоліки
захисту:
1. Нереагування
захисту на пошкодження поза баком, в зоні між трансформатором та вимикачем.
2. Захист може
подіяти при попаданні повітря в бак трансформатора.
Як захист від струмів в обмотках, обумовлених зовнішніми
багатофазними КЗ, передбачається максимальний струмовий захист із комбінованим
пуском напруги чи без нього.
Від струмів, обумовлених перевантаженням на трансформаторах
потужністю 0,4 МВ-А і вище в залежності від імовірності і значення можливого
перевантаження передбачають максимальний струмовий захист із дією на сигнал, а
на підстанціях, ще» не обслуговуються, на розвантаження і відключення.
3.2 Захист лінії
Відповідно
до ПУЕ для ліній у мережах 110-500 кВ з ефективно заземленої нейтралю повинні
бути передбачені пристрої РЗ від багатофазних замикань і від замикань на землю.
Для цього використовується:
– на
одиночних лініях з однобічним живленням від багатофазних замикань варто встановлювати
східчасті токові захисти.
1–а
ступінь – струмова відсічка. Виконується без витримки часу. Діє при КЗ на
лініях і резервує частину обмоток трансформатора.
2–а
ступінь – МСЗ з витримкою часу. Діє при КЗ на лініях, замиканні обмоток
трансформатора на стороні ВН.
Від
замикань на землю повинна бути передбачений ступінчатий токовий спрямований або
неспрямований захист нульової послідовності .
Захист
повинен бути встановлений тільки з тих сторін, відкіля може бути подане
живлення.
Даний
захист складається з наступних ступіней:
1–а
ступінь – спрямована або неспрямована струмова відсічка;
2–а
ступінь – МСЗ нульової послідовності.
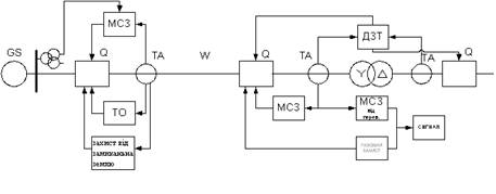
На
підставі вище викладеного складаємо структурну схему захистів, що приведена на
рис 3.1. шихтованими лініями зазначено на відключення яких вимикачів діє
захист.
Рисунок
3.1 – Схема роботи захисту
4 Розрахунок уставок, вибір типів реле та з’ясування типів захисту
4.1 Розрахунок подовжнього диференціального
захисту трансформатора
Диференціальні захисти силових трансформаторів виконують в
основному на реле серії РНТ і ДЗТ. Розрахунок захисту складається у визначенні
струмів спрацьовування захисту і реле, числа витків обмоток реле і коефіцієнта
чутливості.
Первинний струм спрацьовування захисту з реле РНТ-565 вибирають за
умовами відбудування від кидка струму намагнічування при включенні
ненавантаженого трансформатора під напругу і максимальний струм небалансу при
перехідних режимах зовнішніх КЗ. Диференціальний захист, струм спрацьовування
якого обраний за умовою відбудування від струму небалансу, найчастіше
виявляється грубим і малоефективним. Тому для захисту трансформаторів напругою
110 кВ і вище доцільніше застосовувати реле серії ДЗТ, що завдяки наявності
гальмової обмотки забезпечує неспрацьовування захисту від струмів небалансу при
зовнішніх КЗ.
Порядок розрахунку.
Знаходимо первинний струм на сторонах трансформатора, що
захищається, відповідно його номінальній потужності

Коефіцієнт схеми з'єднання трансформаторів струму на високій
стороні
а на низькій стороні –
Прийняті коефіцієнти трансформації трансформаторів струму
.
Визначимо вторинні струми в плечах захисту, що відповідають
номінальній потужності трансформатора
Тому що
= 4,56 А >
= 2,88 А, то вища сторона є основною стороною.
Визначаємо первинний струм спрацьовування захисту з умови
відбудування від кидка струму намагнічування
Знаходимо розрахунковий струм спрацьовування реле, приведений до
основної сто рони ВН.
Для розрахунку числа витків гальмової обмотки реле визначимо струм
небалансу
де
- складова,
обумовлена різницею намагнічуючих струмів трансформаторів в плечах захисту;
- складова,
обумовлена наявністю РПН у трансформаторів;
- складова,
обумовлена відмінністю числа розрахункових і прийнятих витків реле на
неосновній стороні.
де
=1 — коефіцієнт
однотипності трансформаторів струму;
- коефіцієнт, що
враховує перехідний режим;
=0,1 - відносне
значення повної похибки трансформатора струму:
- періодична
складова струму при розрахунковому зовнішньому трифазному КЗ.
По параметрах схеми заміщення елементів мережі визначаємо
максимальний струм короткого замикання при КЗ усередині трансформатора (т. Кз
на рис.4.1).
|
Рисунок 4.1 - Розрахункова схема заміщення
|
,
де
- опір обмотки
вищої напруги трансформатора в максимальному режимі.
Визначаємо опір системи
Ом;
Ом.
Визначаємо опір живильних ліній
Ом
Розрахуємо опір трансформатору в максимальному режимі
Ом
Тут
- ступінь
регулювання трансформатора в максимальному режимі (РПН : 12* 1 %;
=0,12).
А.
Розрахуємо мінімальний струм короткого замикання при КЗ усередині
трансформатора.
де
- опір
трансформатора в мінімальному режимі.
Ом
А
Струм двофазного короткого замикання в мінімальному режимі буде
дорівнювати
А
Тоді
А.
де
,
- коефіцієнти
потокорозподілу рівні відношенню складових струмів розрахункового зовнішнього
КЗ, що проходять на стороні, де провадиться регулювання напру пі, до струму на
стороні, де розглядається КЗ;

,
- відносні погрішності, обумовлені регулюванням
напруги і прийняті рівними половині діапазону регулювання.
А.
Визначимо число витків робочої обмотки реле, що включаються в
плече захисту з боку ВН
де
= 100 А*В -
мінімальна МДС спрацьовування захисту. Приймаємо число витків на основній
стороні
- 15 витків.
Визначаємо число витків робочої обмотки реле, що включаються в
плече захисту боку НН:
Розрахункове
Приймаємо
= 24 витків.
Визначаємо повний струм небалансу з обліком третьої складової
Розрахуємо число витків гальмової обмотки реле, що включаються в
плече захисту з боку низької напруги:
де
=0,1 - відносне
значення повної погрішності трансформаторів струму;
= 0,12 - відносна
погрішність, обумовлена РПН, приймається рівній полонині сумарного діапазону
регулювання напруги;
- кут нахилу
дотичної до гальмової характеристики реле, що відповідає мінімальному
гальмуванню для реле типу ДЗТ-1
=0,87.
витка
Приймаємо
= 10 витків.
Визначимо коефіцієнт чутливості диференціального захисту
трансформатора
Таким чином, чутливість захисту достатня.
4.2 Розрахунок максимального струмового захисту
трансформатора
На стороні вищої напруги трансформатора передбачається установка
максимальною струмового захисту (МСЗ) з витримкою часу.
А
Струм спрацьовування захисту буде дорівнювати
А
де кн - коефіцієнт надійності;
ке - коефіцієнт повернення реле.
Струм спрацьовування реле
А
де
-
коефіцієнт схеми з'єднання трансформаторів струму.
Приймаємо до установки реле типу РТ-40/6 з межами струму
спрацьовування 1,5-6 А.
Визначаємо коефіцієнт чутливості захисту
Напруга
спрацьовування фільтра – реле зворотної послідовності:
кВ;
В.
Напруга
спрацьовування мінімального реле напруги визначається з умови забезпечення
повернення реле після відключення КЗ.
де Umin – мінімальна остаточна
напруга у місці установки ТН, від якого
живляться
реле;
Кн
– коефіцієнт надійності (Кн=1,1
1,2);
Кв
– коефіцієнт повернення реле (Кв=1,2).
кВ.
Вибираємо
ТН /3/ типу НКФ–220 –58У1.
Напруга
спрацьовування реле, підключеного через вимірювальний ТН
В.
Час
спрацьовування МСЗ вибираємо за умовою забезпечення селективності: tс.з.=1,5 с.
Вибираємо
реле часу РВ – 123 з уставками 0,25 – 3,5 сек.
Чутливість захисту достатня.
Час спрацьовування МСЗ на стороні вищої напруги трансформатора
буде дорівнювати:
4.3 Розрахунок захисту трансформатора від
перевантаження
Струм спрацьовування захисту від перевантаження можна визначити по
вираженню
де кн =1,05 - коефіцієнт надійності;
кв = 0,85 - коефіцієнт повернення;
Струм спрацьовування реле
Захист виконується на реле РТ-40/6 з межами струму спрацьовування
1,5-6 А.
4.4 Газовий захист трансформатора
Силові трансформатори мають газовий захист, що реагує на усі види
внутрішніх ушкоджень трансформатора, а також дає сигнал при витоку олії з баку.
При коротких замиканнях у трансформаторі розкладається олія й
ізоляційні матеріали. Гази, що утворяться, спрямовуються в розширник.
Інтенсивне виділення газу викликай рух олії і пускає в хід газові реле, що
встановлюються на патрубку, що з'єднує бак трансформатора і розширника.
Промисловість випускає реле типу РГ-22 із двома поплавцями і ртутними
контакторами, а також реле типу РГ-43.
При короткому замиканні виникає рух олії і захист без витримки
часу відключає вимикач.
Після ремонту трансформатора, долівки олії, а також включення в
роботу нового трансформатора, газовий захист включається з дією тільки на
сигнал (два-три дня). У противному випадку повітря, що виділяється з олії;,
може викликати помилкове відключенні: трансформатора.
5 Захист лінії
Для ліній 220 кВ з ефективно заземленою нейтралью повинні бути
передбачені пристрої релейного захисту від багатофазних замикань і від замикань
на землю. На одиночних лініях з однобічним живленням установлюються
двоступінчасті токові захисти. Від замикані, на землю передбачається степеневий
струмовий спрямований захист нульової послідовності.
5.1 Розрахунок струмової відсічки лінії
Струм спрацьовування струмової відсічки лінії, що живить
трансформатори, повинний бути відбудований від кидка струму намагнічування
трансформаторів по вираженню
і від КЗ на шинах низької напруги трансформаторів по вираженню
де Квід - коефіцієнт відбудування, прийнятий рівним 4-5
при миттєвому
спрацьовуванні захисту;
- сумарний
номінальний струм трансформаторів, що живляться від лінії, що захищається;
Кн - коефіцієнт, прийнятий рівним 1,5-1,6 для захисту з
реле РТ-40 [3].
- найбільший зі
струмів, що проходять у місці установки захисту при трифазних КЗ за
трансформаторами у максимальному режимі системи.
А
А
А
Приймаємо струм спрацьовування відсічення 1С_О
= 241,5 А. Струм спрацьовування реле відсічки
А
Напруга
спрацьовування фільтр – реле вибирається з умови забезпечення відстройки від
напруги небалансу фільтра в нормальному режимі
кВ.
Напруга
спрацьовування мінімального реле напруги визначається, виходячи з умови
забезпечення повернення реле після відключення зовнішнього КЗ
де Котс=1,2
коефіцієнт відстройки;
Кв
=1,2 коефіцієнт повернення реле.
кВ,
кВ.
де Uост – міжфазна
напруга при металічному КЗ у місці установки захисту.
кВ.
Коефіцієнт
чутливості для резервних захистів
Напруга
спрацьовування реле
В.
Приймаємо реле типу РТ-40/50 з межами струму спрацьовування
12,5-50 А. Чутливість струмової відсічки лінії, що живить трансформатор,
визначають при двофазному КЗ наприкінці захищаємої лінії (т. К2 на рис.4.1)
А
А
Чутливість струмової відсічки задовольняє вимогам.
5.2 Розрахунок максимального струмового захисту
лінії
Первинний струм спрацьовування максимального струмової о захисту,
установлено" на лінії, що живить один трансформатор, вибирається з умови
відбудування від струмів са-мозапуску
де кн - коефіцієнт надійності, прийнятий рівним 1,1-1,2
для реле РТ-40 і РТ-80; кв- коефіцієнт повернення реле, прийнятий
рівним 0,8 для реле РТ-40; ксз- коефіцієнт самозапуску навантаження
після відключення зовнішнього КЗ;
- максимальний робочий струм лінії після
відключення зовнішнього КЗ. Коефіцієнт самозапуску приймаємо для узагальненого
навантаження рівним 3.
А
Тоді
А
Струм спрацьовування реле визначається по формулі:
А
Приймаємо реле РТ-40/20 з межами струму спрацьовування 5-20 А.
Чутливість захисту визначається по струму двохфазного КЗ наприкінці лінії
Чутливість МСЗ задовольняє вимогам ПУЕ.
Час спрацювання МСЗ лінії дорівнює

5.3 Розрахунок максимального струмового захисту
нульової послідовності
Максимальний струмовий захист нульової послідовності реагує на
однофазні і двофазні КЗ на землю.
Розрахунок степеневого максимального струмового захисту нульової
послідовності полягає у визначенні струмів спрацьовування, витримки часу і
чутливості кожної зі ступіней захисту.
Першою ступінню струмового захисту нульової послідовності є
струмова відсічка нульової послідовності. Струм спрацьовування відсічки
повинний бути відбудований від кидка струму намагнічування трансформаторів, що
мають глухозаземлену нейтраль і вмикаємих під напругу при включенні лінії
де 1тр ном - номінальний струм трансформатора.
А
Тоді
Ісо > (3 - 4)*17,97=(53,91 – 71,88) А
Перевіряємо можливість установки ненаправленої відсічки,
відбудованої від КЗ у т К1 (рис.4.1). Визначаємо максимальне і мінімальне
значення струму нульової послідовності в т.
Кі.
Параметри схеми заміщення схеми зворотної послідовності приймаємо
рівними параметрам схеми заміщення прямої послідовності. Параметри схеми
заміщення нульової послідовності
Ом
Ом
Ом
Ом
Ом
Опір нульової послідовності при КЗ у г. К1 дорівнює
- у максимальному режимі
Ом
-
-
мінімальному режимі
Ом Тоді
А
А.
Складові струмів від системи
А
А
Складові струмів від лінії
А
А
Струм спрацьовування захисту повинний бути відбудований від
максимального значення потроєного струму нульової послідовності, що проходить у
місці установки захисту і; короткочасному неповнофазному режимі, що виникає при
неодночасному включенні фа; вимикача, що подає напругу на захищаєму лінію.
де кн = 1,3 - коефіцієнт відбудування, що враховує погрішність
реле, вплив аперіодичної складової і необхідний запас.
Ісо > 1,3 • 406 = 527,8 А.
Коефіцієнт чутливості відсічки визначається при двохфазному КЗ на
землю наприкінці захищаємої лінії (т. К2).
Параметри схеми заміщення
Ом
Ом
Струм двохфазного КЗ на землю
А
Складова від системи
А
Складова від трансформатора
А
Знаходимо коефіцієнт чутливості
Чутливість захисту задовольняє вимогам і немає необхідності
встановлювати спрямований захист.
Струм спрацьовування реле визначається по формулі:
А
Приймаємо реле РТ-40/20 з межами струму спрацьовування 5-20 А.
Струм спрацьовування другої ступіні вибирається за умовою
відбудування від струму небалансу в нульовому проводі трансформаторів струму при
КЗ між трьома фазами за трансформаторами підстанцій, що живляться, тобто в т.
К3
де Інб.у - струм небалансу в нульовому проводі в
сталому режимі КЗ;
- максимальне
значення фазного струму, що проходить у місці установки захисту при зовнішньому
КЗ між трьома фазами;
=161 А;
- коефіцієнт
небалансу, приймається в залежності від кратності
; при
/
161/15,81=10,2
=0,1 ;
котс - коефіцієнт відбудування, що враховує погрішність
реле, помилки розрахунку і необхідний запас, приймається рівним 1,25;
кпер - коефіцієнт, що враховує збільшення струму
небалансу в перехідному режимі, при витримці часу до 0,3 с. дорівнює 1,5.
А
А
Струм спрацьовування реле
А
Приймаємо реле РТ-40/6 з межами струму спрацьовування 1,50-6 А.
Знаходимо коефіцієнт чутливості
Витримка часу другої ступіні вибирається за умовою відбудування
від різночасності вимикання фаз вимикача і складає 0,1-0,2 с.
6 Опис взаємодії захистів
При міжфазному к.з. у лінії спрацьовує І ступінь східчастого
струмового захисту лінії - струмове відсічення без витримки часу і відключає
вимикач Q1. При відмовленні струмового відсічення з витримкою часу 2,5
секунди спрацьовує третя ступінь - максимальний струмовий захист лінії і також
на відключення вимикача Q1.
Найбільш розповсюдженим видом к.з. у лініях є однофазне к.з. Воно
складає 83 % від усіх нидів к.з. у мережах. При виникненні такого ушкодження
спрацьовує спочатку перша ступінь східчастого струмового захисту лінії нульової
послідовності - токове відсічення нульової послідовності, а у випадку її
відмовлення спрацьовує друга ступінь - максимальним струмовий захист нульової
послідовності. Витримка часу другої ступіні складає 0,1-0,2 сек.
Найбільш ймовірним видом ушкодження в трансформаторі є виткові
замикання в одній фазі. При малому числі витків, що замкнулися, струм в
ушкодженій фазі з боку живлення може виявитися менше Iном, а напруга на виводах
не зміниться. При цьому без витримки часу на відключення вимикачів Q2 і Q3 повинен спрацювати
газовий захист трансформатора.
При відмовленні газового захисту кількість витків, що замкнулися,
збільшиться спрацює диференціальний токовий захист трансформатора і без
витримки часу відключить вимикачі Q2 і Q3.
Перераховані вище захисти трансформаторів резервує МСЗ трансформатора
і МСЗ лінії. При відмовленні ДЗТ повинна спрацювати І ступінь східчастого
струмового захисту лінії на відключення вимикача Q1 чи з витримкою часу
21,0 сек. МСЗ трансформатора на відключення вимикачів Q2 і Q3. В останньому
випадку МСЗ лінії повернеться у вихідне положення за рахунок більшої витримки
часу.
При к.з. на шинах 6 кВ, що не мають спеціального захисту,
приходить у дію МСЗ трансформатора і відключає вимикач Q3.
При к.з. на приєднаннях, що відходять, струм к.з. проходить по
всіх ділянках мережі, розташованим між джерелом живлення і місцем к.з. При
цьому опрацьовує МСЗ лінії, МСЗ трансформатора і МСЗ на приєднанні, що
відходить. При нормальній роботі
захистів за умовою селективності повинний відключитися вимикач на ушкодженому
приєднанні. Інші захисти повернуться в початкове положення. Резервування МСЗ
приєднання виконують МСЗ трансформатора і МСЗ лінії.
Висновки
У
результаті роботи спроектовано захист блоку лінія – трансформатор. Розраховані
уставки реле струму та напруги, які використовуються у захистах.
Отже,
для лінії приймається двоступінчатий струмовий захист. До трансформатору
розраховано диференційний захист, захист від перевантаження, газовий захист. У
ролі резервної використовується МСЗ трансформатора з комбінованим пуском по
напрузі.
Використання
МСЗ отримало поширене значення із-за техніко-економічних обставин. Цей захист
має простий, надійний та невеликий за вартістю вид.
При
розрахунку захисту використовувався принцип селективності. Для цього приймалась
ступінь селективності Дt=0,5 с.
Увесь
захист було перевірено на чутливість. При цьому коефіцієнт чутливості для
захисту є більше найбільш доступного Кi≥1,5.
Були
обрані наступні типи захистів:
– диференціальний
захист трансформатора, виконаний на реле ДЗТ– 11. Струм спрацьовування на
основній стороні 6,5 А, число витків на стороні ВН – 15, на стороні НН
– 24, число витків гальмової обмотки – 10;
–
максимальний струмовий захист трансформатора, виконаний реле РТ– 40/6 і
встановлений на стороні ВН з уставкою спрацьовування 5,54 А, а час
спрацьовування 1,9 сек.;
–
максимальний струмовий захист трансформатора від перевантаження, виконаний реле
РТ– 40/6 з уставкою спрацьовування 3,26 А;
–
газовий захист трансформатора виконаний реле РГ-43;
– як
основний захист лінії встановлений східчастий струмовий захист і захист від
замикань на землю. Струм спрацювання реле струмової відсічки складає 40,25 А, тому
прийнято реле РТ– 40/50. Струм спрацювання реле МСЗ лінії 17,4 А, прийнято
реле типу РТ– 40/20 а час спрацювання цього реле дорівнює 2,4 сек.
Перелік посилань
1.
Чернобров
Н.В. Релейная защита. Учебное пособие для техникумов. Изд.5-е, перераб. и доп.
М., «Энергия», 1974. – 680 с.: ил.
2.
Андреев
В.А. Релейная защита и автоматика систем электроснабжения: Учеб. для вузов по
спец. «Электроснабжение». – 3-е изд., перераб. и доп.- М.: Высш. шк., 1991. –
496 с.: ил.
3.
Неклепаев
Б.Н., Крючков И.П. Электрическая часть электростанций и подстанций: Справочные
материалы для курсового и дипломного проектирования: Учеб. пособие для вузов. –
4-е изд., перераб. и доп. – М.: Энергоатомиздат, 1989. – 608 с.: ил.
4.
Руководящие
указания по релейной защите. Вып.13Б Релейная защита понижающих трансформаторов
и автотрансформаторов 110 – 500 кВ: Расчеты. – М.: Энергоатомиздат, 1985, - 96
с., ил.
5.
Руководящие
указания по релейной защите. Вып.13А Релейная защита понижающих трансформаторов
и автотрансформаторов 110 – 500 кВ: Схемы. – М.: Энергоатомиздат, 1985, - 112
с., ил.
6.
Шабад
М.А. Расчеты релейной защиты и автоматики распределительных сетей. Изд. 2-е,
перераб. и доп. Л., «Энергия», 1976.
7.
Правила
устройства электроустановок/Минэнерго СССр. – 6-е изд., перераб. и доп. – М.: Энергоатомиздат,
1987. – 648 с.: ил.