Проектирование электрической сети
1. Задание и исходные данные для проектирования
Спроектировать электрическую сеть для
электроснабжения указанных потребителей от электрической системы.
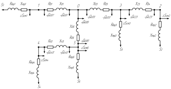
Месторасположение источника питания и потребителей ЭЭ указано на рисунке 1.1, а
их характеристики - в таблице 1.1. Электрическая сеть расположена в
объединенной энергосистеме Сибири, II
районе по гололеду.
Рисунок 1.1
Расстояния между точками: l01=14
км, l02=17 км, l03=17
км, l04=25 км, l05=19
км, l12=17 км, l13=20
км, l14=24 км, l15=31
км, l23=13 км, l24=24
км, l25=31 км, l34=12
км, l35=21 км, l45=19
км.
Таблица 1.1 - Характеристика ИП и потребителей
ЭЭ
|
Параметр
|
   Доля нагрузки 3-й категории
|
|
|
|
|
|
ИП
0
|
-
|
0.80
|
-
|
-
|
-
|
|
п/ст
1
|
25
|
0.92
|
5300
|
10
|
0
|
|
п/ст
2
|
35
|
0.65
|
3500
|
10
|
100
|
|
п/ст
3
|
25
|
0.70
|
4100
|
10
|
0
|
|
п/ст
4
|
27
|
0.67
|
3800
|
10
|
0
|
|
п/ст
5
|
34
|
0.87
|
5700
|
10
|
0
|
Полная мощность нагрузок потребителей Si,
МВА, определяется исходя из активной мощности нагрузки Pi,
МВт, и коэффициента мощности Cosφi
потребителей, указанных в таблице 1.1.
Таблица 1.2
|
№
п/ст
|
   
|
|
|
|
|
|
1
|
25
|
0.92
|
27.17
|
10.65
|
25+j10.65
|
|
2
|
35
|
0.65
|
53.85
|
40.92
|
35+j40.92
|
|
3
|
25
|
0.70
|
35.71
|
25.51
|
25+j25.51
|
|
4
|
27
|
0.67
|
40.30
|
29.92
|
27+j29.92
|
|
5
|
34
|
0.87
|
39.08
|
19.27
|
34+j19.27
|
Расчетные формулы:
а)
;
б)
;
б)
;
2. Составление вариантов схемы
электрической сети и выбор наиболее рациональных решений
.1 Варианты радиально-магистральной
схемы электрической сети

а) б)

в) г)
Рисунок 2.1 - Варианты
радиально-магистральной схемы
Таблица 2.1- Характеристика вариантов
радиально-магистральной схемы
вариант участок
, км
, кмНомер
п/стКол-во выкл.
|
n, шт , шт , МВт , МВт км , МВт км
|
|
|
|
|
|
|
|
|
|
1
|
2
|
3
|
4
|
5
|
6
|
7
|
8
|
9
|
10
|
|
а)
|
01
|
38
|
191
|
1
|
3
|
25
|
25
|
950
|
5425
|
|
02
|
21
|
|
2
|
3
|
|
35
|
735
|
|
|
03
|
38
|
|
3
|
3
|
|
25
|
950
|
|
|
04
|
58
|
|
4
|
3
|
|
27
|
1566
|
|
|
05
|
36
|
|
5
|
3
|
|
34
|
1224
|
|
|
|
|
|
0
|
10
|
|
|
|
|
|
б)
|
01
|
38
|
158
|
1
|
3
|
22(30)
|
25
|
950
|
4462
|
|
23
|
12
|
|
2
|
3
|
|
35
|
420
|
|
|
03
|
38
|
|
3
|
3(7)
|
|
25
|
950
|
|
|
45
|
34
|
|
4
|
3
|
|
27
|
918
|
|
|
05
|
36
|
|
5
|
3(7)
|
|
34
|
1224
|
|
|
|
|
|
0
|
7
|
|
|
|
|
|
в)
|
01
|
38
|
186
|
1
|
3(7)
|
22(30)
|
25
|
950
|
5394
|
|
12
|
34
|
|
2
|
3
|
|
35
|
1190
|
|
|
03
|
38
|
|
3
|
3(7)
|
|
25
|
950
|
|
|
34
|
40
|
|
4
|
3
|
|
27
|
1080
|
|
|
05
|
36
|
|
5
|
3
|
|
34
|
1224
|
|
|
|
|
|
0
|
7
|
|
|
|
|
|
г)
|
01
|
38
|
180
|
1
|
3(7)
|
22(30)
|
25
|
950
|
5232
|
|
12
|
34
|
|
2
|
3
|
|
35
|
1190
|
|
|
03
|
38
|
|
3
|
3
|
|
25
|
950
|
|
|
45
|
34
|
|
4
|
3
|
|
27
|
918
|
|
|
05
|
36
|
|
5
|
3(7)
|
|
34
|
1224
|
|
|
|
|
|
0
|
7
|
|
|
|
|
|
|
|
|
|
|
|
|
|
|
|
Вывод о выборе радиально-магистральной схемы:
исходя из упрощенных критериев, наилучшим вариантом исполнения сети из
предложенных является вариант, приведенный на рисунке 2.1 б).
3. Приближенный расчет потокораспределения в
электрической сети
электрическая
сеть напряжение трансформатор

а) б)

в) г)
Рисунок 2.2 - Варианты кольцевой схемы
Таблица 2.2 - Характеристика вариантов схемы,
имеющий замкнутый контур
вариант участок
, км
, кмНомер
п/стКол-во выкл.
|
n, шт , шт
|
|
|
|
|
|
|
а)
|
01
|
19
|
103
|
1
|
3
|
18
|
|
12
|
17
|
|
2
|
3
|
|
|
23
|
12
|
|
3
|
3
|
|
|
34
|
20
|
|
4
|
3
|
|
|
45
|
17
|
|
5
|
3
|
|
|
05
|
18
|
|
0
|
3
|
|
|
б)
|
01
|
19
|
131
|
1
|
3
|
20
|
|
12
|
17
|
|
2
|
3
|
|
|
23
|
12
|
|
3
|
3
|
|
|
03
|
19
|
|
4
|
3
|
|
|
04
|
29
|
|
5
|
3
|
|
|
45
|
17
|
|
0
|
5
|
|
|
05
|
18
|
|
|
|
|
|
в)
|
01
|
19
|
131
|
1
|
3
|
20
|
|
12
|
17
|
|
2
|
3
|
|
|
02
|
21
|
|
3
|
3
|
|
|
03
|
19
|
|
4
|
3
|
|
|
34
|
20
|
|
5
|
3
|
|
|
45
|
17
|
|
0
|
5
|
|
|
05
|
18
|
|
|
|
|
|
г)
|
01
|
38
|
129
|
1
|
3(7)
|
20(24)
|
|
12
|
|
2
|
3
|
|
|
03
|
19
|
|
3
|
3
|
|
|
34
|
20
|
|
4
|
3
|
|
|
45
|
17
|
|
5
|
3
|
|
|
05
|
18
|
|
0
|
5
|
|
Вывод о выборе кольцевой схемы: исходя из
упрощенных критериев, вариантом исполнения сети из предложенных является
вариант, приведенный на рисунке 2.2 в); вариант, приведенный на рисунке 2.2 а)
не проходят по допустимой потери напряжения в послеаварийном режиме.
.1 Приближенный расчет потокораспределения в
радиально-магистральной сети в нормально режиме
Участок 01:
,
Участок 03:
,
Участок 05:
,
Участок 45:
,
Участок 23:
,
Рисунок 3.1
.2 Приближенный расчет потокораспределения
в радиально-магистральной сети в послеаварийном режиме
Участок 01:
,
Участок 03:
,
Участок 05:
,
Участок 45:
,
Участок 23:
,
Рисунок 3.2
.3 Приближенный расчет
потокораспределения в кольцевой сети в нормально режиме
Кольцевая сеть 03450
Головной участок 03:
,
,
Головной участок 05:
,
,
Участок 34:
,
Участок 45:
,
Точка 4 - точка потокораздела P и Q.
Головной участок 01:
,
,
Участок 12:
,
Рисунок 3.3
.4 Приближенный расчет
потокораспределения в кольцевой сети в послеаварийном режиме
Рисунок 3.4
В данном случае в кольцевой сети
03450 наиболее загруженным головным участком в нормальном режиме является
участок 05. При рассмотрении послеаварийного режима предполагается, что данный
участок 05 вышел из строя тогда в послеаварийном режиме кольцевая сеть 03450
преобразуется в разомкнутую 0345.
Участок 45:
,
Участок 34:
,
Участок 03:
,
Участок 12:
,
Участок 01:
4. Выбор номинальных напряжений электрической
сети
.1 Выбор номинального напряжения для
радиально-магистральной сети
Номинальное напряжение для каждого участка
вычисляются по формуле Стилла.
,
,
,
,
,
Полученные нестандартные значения
номинального напряжения округляются до ближайших стандартных.
Ближайшим меньшим и большим
стандартными значениями являются:
для участка 01
и
;
для участка 23
и
;
для участка 03
и
;
для участка 45
и
;
для участка 05
и
;
Полученные значения номинальных
напряжения проверяются по допустимой суммарной потери напряжения в сети в
нормальном и послеаварийном режимах.
Номинальное напряжение сети на всех
участках принимаем
.
Проверка
в
нормальном режиме.
Участок 01:
,
,
Участок 032:
,
,
,
Участок 054:
,
,
,
Т.к. условие
в
нормальном режиме выполняется, то номинальное напряжение
для
радиально-магистральной сети подходит.
Проверка
в
послеаварийном режиме.
Участок 01
,
,
Участок 032
,
,
Участок 054
,
,
Т.к. условие
в
нормальном режиме выполняется, то номинальное напряжение
для
радиально-магистральной сети подходит.
Окончательно принимается напряжение
.
.2 Выбор номинального напряжения для
кольцевой сети
Кольцевая сеть 03450
Номинальное напряжение для кольцевой
сети 03450 рассчитывается по наиболее загруженному участку, которым является
участок 05:
,
Полученное нестандартное значение
номинального напряжения округляется до ближайших стандартных.
Ближайшим меньшим и большим
стандартными значениями являются для участка 03
и
;
Номинальное напряжение сети на всех
участках принимается
.
Проверка
в
нормальном режиме.
Участок 034:
,
,
,
Участок 054:
,
,
,
Т.к. условие
в
нормальном режиме выполняется, то номинальное напряжение
для
кольцевой сети 03450 подходит.
Проверка
в
послеаварийном режиме.
,
,
Т.к. условие
в
нормальном режиме выполняется, то номинальное напряжение
для
кольцевой сети 03450 подходит.
Окончательно принимается напряжение
.
Участок 01:
,
Участок 12:
,
Полученное нестандартное значение
номинального напряжения округляется до ближайших стандартных.
Ближайшим меньшим и большим
стандартными значениями являются для участка 01
и
.
Ближайшим меньшим и большим
стандартными значениями являются для участка 12
и
.
Номинальное напряжение сети на всех
участках принимается
.
Проверка
в
нормальном режиме.
Участок 012:
,
,
,
Т.к. условие
в
нормальном режиме выполняется, то номинальное напряжение
для участка
сети 012 подходит.
Проверка
в
послеаварийном режиме.
,
,
Т.к. условие
в
нормальном режиме выполняется, то номинальное напряжение
для участка
сети 012 подходит.
Окончательно принимается напряжение
.
5. Баланс активной и реактивной
мощностей электрической сети
.1 Баланс активной мощности в сети
,
,
,
,
,
,
.2 Баланс реактивной мощности в
радиально-магистральной сети
,
,
,
Таблица 5.1
|
, МВА , МВА , Ом/км , км , МВар
|
|
|
|
|
|
01
|
12.5+j5.32
|
13.59
|
0.4
|
19
|
0.12
|
|
03
|
30+j33.21
|
44.75
|
|
19
|
2.52
|
|
23
|
35+j40.92
|
53.85
|
|
12
|
1.15
|
|
45
|
13.5+j14.96
|
20.15
|
|
17
|
0.46
|
|
05
|
30.5+j24.59
|
39.18
|
|
18
|
1.83
|
Расчетная формула:
,
,
,
,
,
,
,
,
,
.3 Баланс реактивной мощности в
кольцевой сети
,
,
,
Таблица 5.2
|
, МВА , МВА , Ом/км , км , МВар
|
|
|
|
|
|
01
|
30+j25.78
|
39.56
|
0.4
|
01
|
1.97
|
|
12
|
35+j40.92
|
53.85
|
|
12
|
1.63
|
|
03
|
39.62+j37.79
|
54.75
|
|
03
|
1.88
|
|
34
|
14.62+j12.29
|
19.1
|
|
34
|
0.24
|
|
45
|
12.38+j17.63
|
21.54
|
|
45
|
0.26
|
|
05
|
46.38+j36.90
|
59.27
|
|
05
|
2.09
|
Расчетная формула:
,
,
,
,
,
,
,
,
6. Определение необходимости
установки и выбор компенсирующих устройств в электрической сети
.1 Определение необходимости
установки и выбор компенсирующих устройств в радиально-магистральной
электрической сети
Определим мощность КУ, необходимых
для радиально-магистральной электрической сети:
,
Т.к.
, то существует необходимость
установки КУ в сети.
Суммарная мощность КУ распределяется
по подстанциям.
,
,
,
,
,
,
Определяем необходимое количество и
мощность БК по подстанциям для компенсации реактивной мощности.
На подстанции 1 не устанавливаем
батареи, т.к.
.
На подстанции 4 не устанавливаем
батареи, т.к.
.
На подстанции 5 не устанавливаем
батареи, т.к.
.
На подстанции 2 устанавливаются 5
батарей с конденсаторами типа КС2-1.05-60 номинальным напряжением
, мощностью,
выдаваемой батарей, при
(
).
На подстанции 3 устанавливаются 2
батареи с конденсаторами типа КС2-1.05-60 номинальным напряжением
, мощностью,
выдаваемой батарей, при
(
).
Уточняется мощность нагрузок
подстанций на основании выбранных БК.
;
;
;
;
;
Исходя из уточненных мощностей
нагрузок подстанций, пересчитываются мощности, передаваемые по участкам сети.
Приближенный расчет
потокораспределения в радиально-магистральной сети в нормальном режиме.
Участок 01:
,
Участок 03:
,
Участок 05:
,
Участок 45:
,
Участок 23:
,
Приближенный расчет
потокораспределения в радиально-магистральной сети в послеаварийном режиме.
Участок 01:
,
Участок 03:
,
Участок 05:
,
Участок 45:
,
Участок 23:
,
6.2 Определение необходимости
установки и выбор компенсирующих устройств в кольцевой электрической сети
Определим мощность КУ, необходимых
для радиально-магистральной электрической сети:
,
Т.к.
, то существует необходимость
установки КУ в сети.
Приближенный расчет
потокораспределения в кольцевой сети в нормальном режиме.
Кольцевая сеть 03450
Головной участок 03:
,
,
Головной участок 05:
,
,
Участок 34:
,
Участок 45:
,
Точка 4 - точка потокораздела P и Q.
Головной участок 01:
,
,
Участок 12:
,
Приближенный расчет
потокораспределения в кольцевой сети 03450 в послеаварийном режиме, когда
выходит из строя участок 03.
Участок 34:
,
Участок 45:
,
Участок 05:
Участок 12:
,
Участок 01:
,
Приближенный расчет потокораспределения в
кольцевой сети 03450 в послеаварийном режиме, когда выходит из строя участок
05.
Участок 45:
,
Участок 34:
,
Участок 03:
,
,
Участок 01:
,
7. Выбор трансформаторов на подстанциях
.1 Выбор трансформаторов на подстанциях
радиально-магистральной сети
На подстанции 1 необходимо установить два
трансформатора, мощность каждого из которых должна быть:
,
На подстанции 1 устанавливаются два
трехфазных двухобмоточных трансформатора ТРДН-25000/110.
На подстанции 2 необходимо
установить один трансформатора, мощность которого должна быть:
,
На подстанции 2 устанавливаем один
трехфазный двухобмоточный трансформатор ТРДЦН-63000/110.
На подстанции 3 необходимо
установить два трансформатора, мощность каждого из которых должна быть:
,
На подстанции 3 устанавливаются два
трехфазных двухобмоточных трансформатора ТРДН-25000/110.
На подстанции 4 необходимо
установить два трансформатора, мощность каждого из которых должна быть:
,
На подстанции 4 устанавливаются два
трехфазных двухобмоточных трансформатора ТРДН-40000/110..
На подстанции 5 необходимо
установить два трансформатора, мощность каждого из которых должна быть:
,
На подстанции 5 устанавливаются два
трехфазных двухобмоточных трансформатора ТРДН-40000/110.
Таблица 7.1 - Каталожные и расчетные
данные трансформаторов на подстанциях радиально-магистральной сети
|
Тип
|
         
|
|
|
|
|
|
|
|
|
|
|
|
ТРДН-
25000/110
|
25
|
±9×1.78%
|
115
|
10.5/10.5
|
10.5
|
120
|
27
|
0.7
|
2.54
|
55.9
|
175
|
|
ТРДН-
40000/110
|
40
|
±9×1.78%
|
115
|
10.5/10.5
|
10.5
|
172
|
36
|
0.65
|
1.4
|
34.7
|
260
|
|
ТРДЦН-
63000/110
|
63
|
±9×1.78%
|
115
|
10.5/10.5
|
10.5
|
260
|
59
|
0.6
|
087
|
22.0
|
410
|
.2 Выбор трансформаторов на подстанции кольцевой
сети
Выбор тр-ров аналогичен пункту 6.2.
8. Выбор сечений проводов ВЛЭП
Для ВЛЭП 110 кВ выбираются сталеалюминевые
провода марки АС, а для прокладки линий используются железобетонные опоры.
Таблица 8.1 - Выбор сечений проводов ВЛЭП
радиально-магистральной сети
|
Участок
|
  Марка-сечение провода
|
|
|
|
|
|
01
|
12,.5+j5.32
|
13.59
|
71.3
|
АС-70/11
|
265
|
|
03
|
30+j19.91
|
36.01
|
188.98
|
АС-70/11
|
265
|
|
23
|
35+j21.92
|
41.3
|
216.76
|
АС-70/11
|
265
|
|
45
|
13.5+j14.96
|
20.15
|
105.76
|
АС-70/11
|
265
|
|
05
|
30.5+j24.59
|
39.18
|
205.63
|
АС-150/24
|
450
|
Таблица 8.2 - Проверка сечений проводов ВЛЭП
радиально-магистральной сети
|
Участок
|
  Марка-сечение провода
|
|
|
|
|
|
01
|
25+j10.65
|
27.17
|
142.63
|
АС-70/11
|
265
|
|
03
|
0
|
0
|
0
|
АС-70/11
|
265
|
|
23
|
25+j17.91
|
30.75
|
161.41
|
АС-70/11
|
265
|
|
45
|
27+j29.92
|
40.3
|
211.53
|
АС-70/11
|
265
|
|
05
|
61+j49.18
|
78.36
|
411.26
|
АС-150/24
|
450
|
|
|
|
|
|
|
|
Таблица 8.3 - Выбор сечений проводов ВЛЭП
кольцевой сети
|
Участок
|
  Марка-сечение провода
|
|
|
|
|
|
01
|
30+j16.28
|
33.67
|
176.71
|
АС-70/11
|
265
|
|
12
|
35+j21.92
|
41.3
|
216.76
|
АС-70/11
|
265
|
|
03
|
39.62+j32.14
|
51.02
|
267.77
|
АС-240/32
|
605
|
|
34
|
14.62+j14.24
|
20.41
|
107.12
|
АС-150/24
|
450
|
|
45
|
12.38+j15.68
|
19.98
|
104.86
|
АС-120/19
|
390
|
|
05
|
46.38+j34.95
|
58.07
|
304.81
|
АС-240/32
|
605
|
Таблица 8.4 - Проверка сечений проводов ВЛЭП
кольцевой сети
|
Участок
|
при
выходе из строя участка при
выходе из строя участка при
выходе из строя участка Марка-сечение
провода
|
|
|
|
|
|
|
03
|
05
|
03
|
05
|
03
|
05
|
|
|
|
|
03
|
-
|
86+j67.09
|
-
|
109.07
|
-
|
572.49
|
572.49
|
АС-240/32
|
605
|
|
34
|
25+j17.91
|
61+j49.18
|
30.75
|
78.36
|
161.41
|
411.26
|
411.26
|
АС-150/24
|
450
|
|
45
|
52+j47.82
|
34+j19.27
|
70.65
|
39.08
|
370.79
|
205.12
|
370.79
|
АС-120/19
|
390
|
|
05
|
86+j67.09
|
-
|
109.07
|
-
|
572.49
|
-
|
572.49
|
АС-240/32
|
605
|
|
01
|
25+j10.65
|
27.17
|
142.63
|
142.63
|
AC-70/11
|
265
|
|
12
|
0
|
0
|
0
|
0
|
AC-70/11
|
265
|
9. Составление схемы замещения электрической
сети и определение её параметров
Рисунок 9.1 - Схема замещения
радиально-магистральной сети
Рисунок 9.2 - Схема замещения кольцевой сети
Для одноцепной ВЛЭП параметры её схемы замещения
следующие:
;
;
;
Для двухцепной ВЛЭП параметры её
схемы замещения следующие:
;
;
;
10. Разработка схемы электрических
соединений сети
Рисунок 10.1 - Схема электрических
соединений радиально-магистральной сети
Рисунок 10.2 - Схема электрических
соединений кольцевой сети
11. Технико-экономическое
обоснование окончательного выбора варианта исполнения электрической сети
.1 Определение капиталовложений на
сооружение электрической сети
Таблица 11.1 - Капиталовложения на
сооружения ВЛЭП электрической сети по вариантам
|
Участок
|
lуч, км
|
Тип
опор
|
Марка-сечение
провода , тыс.
руб/км , тыс. руб , тыс. руб
|
|
|
|
|
Радиально-магистральная
сеть (вариант I)
|
|
01
|
19
|
Железобетонные
двухцепные
|
АС-70/11
|
17.8
|
338.2
|
1483.0
|
|
03
|
19
|
Железобетонные
двухцепные
|
АС-70/11
|
17.8
|
338.2
|
|
|
23
|
12
|
Железобетонные
одноцепные
|
АС-70/11
|
12.0
|
144.0
|
|
|
45
|
17
|
Железобетонные
двухцепные
|
АС-70/11
|
17.8
|
302.6
|
|
|
05
|
18
|
Железобетонные
двухцепные
|
АС-150/24
|
20.0
|
360.0
|
|
|
Кольцевая
сеть (вариант II)
|
|
01
|
19
|
Железобетонные
двухцепные
|
АС-70/11
|
17.8
|
338.2
|
1488.0
|
|
12
|
17
|
Железобетонные
одноцепные
|
АС-70/11
|
12.0
|
204.0
|
|
|
03
|
19
|
Железобетонные
одноцепные
|
АС-240/32
|
14.0
|
266.0
|
|
|
34
|
20
|
Железобетонные
одноцепные
|
АС-150/24
|
11.7
|
234.0
|
|
|
45
|
17
|
Железобетонные
Одноцепные
|
АС-120/19
|
11.4
|
193.8
|
|
|
05
|
18
|
Железобетонные
одноцепные
|
АС-240/32
|
14.0
|
252.0
|
|
Таблица 11.2 - Капиталовложения на сооружение
подстанций электрической сети по вариантам
|
Элемент
сети
|
Стоимость,
тыс. руб.
|
, тыс. руб
|
|
РЭС
|
п/ст
1
|
п/ст
2
|
п/ст
3
|
п/ст
4
|
п/ст
5
|
|
|
Радиально-магистральная
сеть (вариант I)
|
|
РУ
на РЭС
|
7×35
|
|
|
|
|
|
3013
|
|
ОРУ
на подстанции
|
|
|
|
|
|
|
|
|
-
типовая схема
|
|
120
|
120
|
120
|
120
|
120
|
|
|
-
дополнительные выключатели
|
-
|
-
|
-
|
-
|
|
|
-
трансформаторы
|
|
2×84
|
1×136
|
2×84
|
2×109
|
2×109
|
|
|
-
батареи конденсаторов
|
|
-
|
5×30
|
2×30
|
-
|
-
|
|
|
-
постоянная часть затрат
|
|
210
|
210
|
210
|
210
|
210
|
|
|
Итого
|
245
|
498
|
616
|
558
|
548
|
548
|
|
|
Кольцевая
сеть (вариант II)
|
|
РУ
на РЭС
|
5×35
|
|
|
|
|
|
2943
|
|
ОРУ
на подстанции
|
|
|
|
|
|
|
|
|
-
типовая схема
|
|
120
|
120
|
120
|
120
|
120
|
|
|
-
дополнительные выключатели
|
|
-
|
-
|
-
|
-
|
-
|
|
|
-
трансформаторы
|
|
2×84
|
1×136
|
2×84
|
2×109
|
2×109
|
|
|
-
батареи конденсаторов
|
|
-
|
5×30
|
2×30
|
-
|
-
|
|
|
-
постоянная часть затрат
|
|
210
|
210
|
210
|
210
|
210
|
|
|
Итого
|
175
|
498
|
616
|
558
|
548
|
548
|
|
|
|
|
|
|
|
|
|
|
|
|
|
|
|
Для радиально-магистральной электрической сети
,
Для кольцевой сети
,11.2 Определение
ежегодных издержек на эксплуатацию электрической сети
.2.1 Определение ежегодных издержек на
эксплуатацию для варианта радиально-магистральной электрической сети
Нормы амортизационных отчислений на обслуживание
и текущий ремонт ВЛЭП и подстанций:
,
,
,
,
Определяются отчисления от
капиталовложений на амортизацию:
,
Определяются отчисления от
капиталовложений на обслуживание и текущий ремонт:
,
Определяется число часов
использования максимума активной нагрузки в году для суммарной нагрузки
электрической сети:
,
,
Определяется время максимальных
потерь для суммарной нагрузки электрической сети:
,
Определяется стоимость 1 МВт×ч потерь ЭЭ:
для
,
;
для
,
;
Определяем потери электроэнергии в
воздушных ЛЭП, зависящие и независящие от нагрузки. Данные сведем в таблицу 13.
Таблица 11.3 - Потери электроэнергии
в ВЛЭП для радиально-магистральной сети
|
Участок
сети
|
Кол-во
цепей ЛЭП
|
      
|
|
|
|
|
|
|
|
|
01
|
2
|
13.59
|
110
|
4.07
|
3139.93
|
778.90
|
12895.9
|
0
|
0
|
|
03
|
2
|
36.01
|
110
|
4.07
|
|
2273.00
|
|
0
|
|
|
23
|
1
|
41.3
|
110
|
5.14
|
|
5471.46
|
|
0
|
|
|
45
|
2
|
20.15
|
110
|
3.64
|
|
1533.34
|
|
0
|
|
|
05
|
2
|
39.18
|
110
|
1.78
|
|
2839.00
|
|
0
|
|
Определяем потери ЭЭ в трансформаторах,
зависящие и независящие от нагрузки. Данные сводятся в таблицу 11.4.
Таблица 11.4 - Потери электроэнергии в
трансформаторах для радиально-магистральной сети
№
п/ст Кол-во тр-ров 
,
|
МВА      
|
|
|
|
|
|
|
|
|
|
|
|
1
|
2
|
25
|
27.17
|
120
|
3139.93
|
222.58
|
1261.04
|
0.027
|
8760
|
473.04
|
2724.36
|
|
2
|
1
|
63
|
41.3
|
260
|
|
350.80
|
|
0.059
|
|
516.84
|
|
|
3
|
2
|
25
|
22.73
|
120
|
|
155.77
|
|
0.027
|
|
473.04
|
|
|
4
|
2
|
40
|
40.3
|
172
|
|
274.12
|
|
0.036
|
|
630.72
|
|
|
5
|
2
|
40
|
39.08
|
172
|
|
257.77
|
|
0.036
|
|
630.72
|
|
Определяем потери ЭЭ в БК, зависящие и независящие
от нагрузки. Данные сводятся в таблицу 11.5.
Таблица 11.5 - Потери электроэнергии в батареях
конденсаторов для радиально-магистральной сети
|
Номер
п/ст
|
    
|
|
|
|
|
|
|
1
|
-
|
0
|
-
|
-
|
-
|
558.6
|
|
2
|
0
|
|
3.8
|
7000
|
399.0
|
|
|
3
|
0
|
|
3.8
|
7000
|
159.6
|
|
|
4
|
-
|
|
-
|
-
|
-
|
|
|
5
|
-
|
|
-
|
-
|
-
|
|
Определяем потери ЭЭ, зависящие от нагрузки, в
радиально-магистральной сети:
,
Определяем потери ЭЭ, независящие от
нагрузки, в радиально-магистральной сети:
,
Определяем затраты на возмещение
потерь электроэнергии в радиально-магистральной сети:
,
Определяем ежегодные
эксплуатационные издержки для радиально - магистральной сети:
,
.2.2 Определение ежегодных
эксплуатационных издержек для варианта кольцевой сети
Нормы амортизационных отчислений на
обслуживание и текущий ремонт ВЛЭП и подстанций:
,
,
,
,
Определяются отчисления от
капиталовложений на амортизацию:
,
Определяются отчисления от
капиталовложений на обслуживание и текущий ремонт:
,
Определяется число часов
использования максимума активной нагрузки в году для суммарной нагрузки
электрической сети:
,
,
Определяется время максимальных
потерь для суммарной нагрузки электрической сети:
,
Определяется стоимость 1 МВт×ч потерь ЭЭ:
для
,
;
для
,
;
Определяем потери электроэнергии в
воздушных ЛЭП, зависящие и независящие от нагрузки. Данные сведем в таблицу 11.3.
Таблица 11.3 - Потери электроэнергии
в ВЛЭП для радиально-магистральной сети
|
Участок
сети
|
Кол-во
цепей ЛЭП
|
      
|
|
|
|
|
|
|
|
|
01
|
2
|
33.67
|
110
|
4.07
|
3139.93
|
4783.82
|
12300.70
|
0
|
0
|
|
12
|
1
|
41.3
|
110
|
7.28
|
|
3220.14
|
|
0
|
|
|
03
|
1
|
51.02
|
110
|
2.28
|
|
1539.92
|
|
0
|
|
|
34
|
1
|
20.41
|
110
|
3.96
|
|
428.023
|
|
0
|
|
|
45
|
1
|
19.98
|
110
|
4.23
|
|
438.423
|
|
0
|
|
|
05
|
1
|
58.07
|
110
|
2.16
|
|
1890.40
|
|
0
|
|
Определяем потери ЭЭ в трансформаторах,
зависящие и независящие от нагрузки. Данные сводятся в таблицу 11.4.
Таблица 11.4 - Потери электроэнергии в
трансформаторах для кольцевой сети
№
п/ст Кол-во тр-ров 
,
|
МВА      
|
|
|
|
|
|
|
|
|
|
|
|
1
|
2
|
25
|
27.17
|
120
|
3139.93
|
222.58
|
1261.04
|
27
|
8760
|
473.04
|
2724.36
|
|
2
|
1
|
63
|
41.3
|
260
|
|
350.80
|
|
59
|
|
516.84
|
|
|
3
|
2
|
25
|
22.73
|
120
|
|
155.77
|
|
27
|
|
473.04
|
|
|
4
|
2
|
40
|
40.3
|
172
|
|
274.12
|
|
36
|
|
630.72
|
|
|
5
|
2
|
40
|
39.08
|
172
|
|
257.77
|
|
36
|
|
630.72
|
|
Определяем потери ЭЭ в БК, зависящие и
независящие от нагрузки. Данные сводятся в таблицу 11.5.
Таблица 11.5 - Потери электроэнергии в батареях
конденсаторов для кольцевой сети
|
Номер
п/ст
|
    
|
|
|
|
|
|
|
1
|
-
|
0
|
-
|
-
|
-
|
558.6
|
|
2
|
0
|
|
3.8
|
7000
|
399.0
|
|
|
3
|
|
3.8
|
7000
|
159.6
|
|
|
4
|
-
|
|
-
|
-
|
-
|
|
|
5
|
-
|
|
-
|
-
|
-
|
|
Определяем потери ЭЭ, зависящие от нагрузки, в
радиально-магистральной сети:
,
Определяем потери ЭЭ, независящие от
нагрузки, в радиально-магистральной сети:
,
Определяем затраты на возмещение
потерь электроэнергии в радиально-магистральной сети:
,
Определяем ежегодные
эксплуатационные издержки для радиально - магистральной сети:
,
.3 Определение окончательного
варианта исполнения электрической сети
Определяем приведенные затраты для
вариантов электрической сети.
Для радиально-магистральной сети:
,
Для кольцевой сети:
,
Относительная разность приведены
затрат рассматриваемых вариантов радиально-магистральной сети (вариант I) и
кольцевой сети (вариант II):
,
Так как относительна разность
приведенных затрат рассматриваемых вариантов
меньше чем 5%, то данные варианты
исполнения электрической сети являются равноэкономичными и, следовательно, из
них можно выбрать один наиболее оптимальный вариант только на основе инженерной
оценки их характеристик: простоты, надежности и оперативной гибкости схемы
электрической сети, удобства эксплуатации.
Таблица 11.9 - Основные
технико-экономические показатели для предварительно выбранных вариантов
исполнения электрической сети
|
Показатели
|
Вариант
исполнения электрической сети
|
|
Радиально-магистральная
сеть (вариант I)
|
Кольцевая
сеть (вариант II)
|
|
Капиталовложения
, тыс.руб.5395.205317.20
|
|
|
|
Потери
ЭЭ , МВт×ч17439.9016844.70
|
|
|
|
Затраты
на возмещение потерь ЭЭ , тыс.руб.251.75242.82
|
|
|
|
Ежегодные
эксплуатационные издержки , тыс.руб.641.44624.79
|
|
|
|
Приведенные
затраты , тыс.руб.1288.871262.85
|
|
|
|
Относительная
разность приведенных затрат рассматриваемых вариантов , %2.06
|
|
Вывод: к исполнению принимаем вариант
электрической сети II.
. Уточненный расчет компенсирующих устройств в
электрической сети
.1 Максимальный режим работы кольцевой сети
Пересчитаем потокораспределения для кольцевой
сети с учетом полных сопротивлений
Кольцевая сеть 03450
Головной участок 03:
,
Головной участок 05:
,
Участок 34:
,
Участок 45:
,
Участок 01:
,
Участок 12:
,
Таблица 12.1 - Потери мощности в
трансформаторах кольцевой сети для максимального режима работы
№
Ко-во
тр-ров
,
МВА
,
МВт
,
%
,
МВА
,
МВт
,
%
,
МВА
,
|
МВА
|
|
|
|
|
|
|
|
|
|
|
|
1
|
27.17
|
2
|
25
|
0.027
|
10.5
|
0.07+j1.55
|
0.120
|
0.7
|
0.05+j0.35
|
0.12+j1.90
|
|
2
|
53.85
|
1
|
63
|
0.059
|
10.5
|
0.19+j4.83
|
0.260
|
0.6
|
0.06+j0.38
|
0.25+j5.21
|
|
3
|
35.71
|
2
|
25
|
0.027
|
10.5
|
0.12+j2.68
|
0.120
|
0.7
|
0.05+j0.35
|
0.18+j3.03
|
|
4
|
40.30
|
2
|
40
|
0.036
|
10.5
|
0.09+j2.13
|
0.172
|
0.65
|
0.07+j0.52
|
0.16+j2.65
|
|
5
|
39.08
|
2
|
40
|
0.036
|
10.5
|
0.08+j2.00
|
0.172
|
0.65
|
0.07+j0.52
|
0.15+j2.52
|
Таблица 12.2 - Параметры схемы замещения ВЛЭП
кольцевой сети для максимального режима работы
Участок Кол-во
цепей ЛЭП Марка-сечение F, мм2
провода Uном, кВ Rуч, Ом Xуч, Ом
,
|
МВар
|
|
|
01
|
2
|
АС-70/11
|
110
|
4.07
|
4.22
|
0.59
|
|
12
|
1
|
АС-70/11
|
110
|
7.28
|
7.55
|
0.26
|
|
03
|
1
|
АС-240/32
|
110
|
2.28
|
7.70
|
0.32
|
|
34
|
1
|
АС-150/24
|
110
|
3.96
|
8.40
|
0.33
|
|
45
|
1
|
АС-120/19
|
110
|
4.23
|
7.26
|
0.27
|
|
05
|
1
|
АС-240/32
|
110
|
2.16
|
7.29
|
0.31
|
Определяем некомпенсированную реактивную
нагрузку по подстанциям.
Таблица 12.3
|
п/ст
|
 
|
|
|
|
1
|
10.65
|
1.90
|
12.55
|
|
2
|
40.92
|
5.21
|
6.13
|
|
3
|
25.51
|
3.03
|
28.54
|
|
4
|
29.92
|
2.65
|
32.57
|
|
5
|
19.27
|
2.52
|
21.79
|
|
141.57
|
|
Расчетные формулы:
,
,
Таблица 12.4
|
, МВА , МВА , Ом , Мвт , Ом , МВар
|
|
|
|
|
|
|
01
|
30+j25.78
|
39.56
|
4.07
|
2.10
|
4.22
|
2.18
|
|
12
|
35+j40.92
|
53.85
|
7.28
|
1.74
|
7.55
|
1.81
|
|
03
|
40.19+j37.98
|
55.30
|
2.28
|
0.58
|
7.70
|
1.94
|
|
34
|
15.19+j12.47
|
19.65
|
3.96
|
0.13
|
8.40
|
0.27
|
|
45
|
11.81+j17.44
|
21.06
|
4.23
|
0.16
|
7.26
|
0.27
|
|
05
|
45.81+j36.71
|
58.70
|
2.16
|
0.62
|
7.29
|
2.08
|
Точный баланс активной мощности.
,
,
,
,
,
,
,
Точный баланс реактивной мощности.
,
,
,
,
,
,
,
Определяем необходимость установки
КУ в элсети:
,
Суммарная мощность КУ распределяется
по п/ст пропорционально их некомпенсированным нагрузкам.
Таблица 12.5
|
п/ст
|
  
|
|
|
|
|
1
|
12.55
|
32.66
|
141.57
|
2.90
|
|
2
|
6.13
|
|
|
10.64
|
|
3
|
28.54
|
|
|
6.58
|
|
4
|
32.57
|
|
|
7.51
|
|
5
|
21.79
|
|
|
5.03
|
Расчетные формулы:
,
.2 Минимальный режим работы
кольцевой сети
Таблица 12.6 - Потери мощности в
трансформаторах кольцевой сети для минимального режима работы
№
Ко-во
тр-ров
,
МВА
,
МВт
,
%
,
МВА
,
МВт
,
%
,
МВА
,
|
МВА
|
|
|
|
|
|
|
|
|
|
|
|
1
|
16.30
|
1
|
25
|
0.027
|
10.5
|
0.05+j1.12
|
0.120
|
0.70
|
0.03+j0.18
|
0.08+j1.29
|
|
2
|
32.31
|
1
|
63
|
0.059
|
10.5
|
0.07+j1.74
|
0.260
|
0.60
|
0.06+j0.38
|
0.13+j2.12
|
|
3
|
21.43
|
1
|
25
|
0.027
|
10.5
|
0.09+j1.93
|
0.120
|
0.70
|
0.03+j0.18
|
0.12+j2.10
|
|
4
|
24.18
|
1
|
40
|
0.036
|
10.5
|
0.06+j1.53
|
0.172
|
0.65
|
0.04+j0.26
|
0.10+j1.79
|
|
5
|
23.45
|
1
|
40
|
0.036
|
10.5
|
0.06+j1.44
|
0.172
|
0.65
|
0.04+j0.26
|
0.10+j1.70
|
Определяем некомпенсированную реактивную
нагрузку по подстанциям.
|
п/ст
|
 
|
|
|
|
1
|
6.39
|
1.29
|
7.68
|
|
2
|
24.55
|
2.12
|
26.67
|
|
3
|
15.30
|
2.10
|
17.4
|
|
4
|
17.95
|
1.79
|
19.74
|
|
5
|
11.56
|
1.70
|
13.26
|
|
84.76
|
|
Расчетные формулы:
,
,
Таблица 12.8
|
, МВА , МВА , Ом , Мвт , Ом , МВар
|
|
|
|
|
|
|
01
|
18+j15.47
|
23.73
|
4.07
|
0.76
|
4.22
|
0.79
|
|
12
|
21+j24.55
|
32.31
|
7.28
|
0.63
|
7.55
|
0.65
|
|
03
|
24.11+j22.79
|
33.18
|
2.28
|
0.21
|
7.70
|
0.70
|
|
34
|
9.11+j7.48
|
11.79
|
3.96
|
0.05
|
8.40
|
0.10
|
|
45
|
7.09+j10.46
|
12.64
|
4.23
|
0.06
|
7.26
|
0.10
|
|
05
|
27.49+j22.03
|
35.22
|
2.16
|
0.22
|
7.29
|
0.75
|
Расчетные формулы:
,
,
Точный баланс активной мощности.
,
,
,
,
,
,
,
Точный баланс реактивной мощности.
,
,
,
,
,
,
,
Определяем необходимость установки
КУ в элсети:
,
Суммарная мощность КУ распределяется
по п/ст пропорционально их некомпенсированным нагрузкам.
Таблица 12.9
|
п/ст
|
  
|
|
|
|
|
1
|
7.68
|
16.65
|
84.76
|
1.51
|
|
2
|
26.67
|
|
|
5.24
|
|
3
|
17.4
|
|
|
3.42
|
|
4
|
19.74
|
|
|
3.88
|
|
5
|
13.26
|
|
|
2.60
|
Расчетные формулы:
,12.3
Послеаварийный режим работы кольцевой сети
В послеаварийном режиме выходят из строя
наиболее загруженные головные участки, т.е. участки 02 и 03.
Таблица 12.10 - Потери мощности в
трансформаторах кольцевой сети для послеаварийного режима работы
№
Ко-во
тр-ров
,
МВА
,
МВт
,
%
,
МВА
,
МВт
,
%
,
МВА
,
|
МВА
|
|
|
|
|
|
|
|
|
|
|
|
1
|
27.17
|
2
|
25
|
0.027
|
10.5
|
0.07+j1.55
|
0.120
|
0.7
|
0.05+j0.35
|
0.12+j1.90
|
|
2
|
-
|
1
|
63
|
0.059
|
10.5
|
-
|
0.260
|
0.6
|
-
|
-
|
|
3
|
35.71
|
2
|
25
|
0.027
|
10.5
|
0.12+j2.68
|
0.120
|
0.7
|
0.05+j0.35
|
0.18+j3.03
|
|
4
|
40.30
|
2
|
40
|
0.036
|
10.5
|
0.09+j2.13
|
0.172
|
0.65
|
0.07+j0.52
|
0.16+j2.65
|
|
5
|
39.08
|
2
|
40
|
0.036
|
10.5
|
0.08+j2.00
|
0.172
|
0.65
|
0.07+j0.52
|
0.15+j2.52
|
Определяем некомпенсированную реактивную
нагрузку по подстанциям.
Таблица 12.11
|
п/ст
|
 
|
|
|
|
1
|
10.65
|
1.90
|
12.55
|
|
2
|
-
|
-
|
-
|
|
3
|
25.51
|
3.03
|
28.54
|
|
4
|
29.92
|
2.65
|
32.57
|
|
5
|
19.27
|
2.52
|
21.79
|
|
95.82
|
|
Расчетные формулы:
,
,
Таблица 12.12 - Параметры схемы
замещения ВЛЭП кольцевой сети для максимального режима работы
Участок Кол-во
цепей ЛЭП Марка-сечение F, мм2
провода Uном, кВ Rуч, Ом Xуч, Ом
,
|
МВар
|
|
|
01
|
1
|
АС-70/11
|
110
|
8.13
|
8.44
|
0.29
|
|
12
|
-
|
АС-70/11
|
110
|
-
|
-
|
-
|
|
03
|
1
|
АС-240/32
|
110
|
2.28
|
7.70
|
0.32
|
|
34
|
1
|
АС-150/24
|
110
|
3.96
|
8.40
|
0.33
|
|
45
|
1
|
АС-120/19
|
110
|
4.23
|
7.26
|
0.27
|
|
05
|
-
|
АС-240/32
|
110
|
-
|
-
|
-
|
Таблица 12.12
|
, МВА , МВА , Ом , Мвт , Ом , МВар
|
|
|
|
|
|
|
01
|
25+j10.65
|
27.17
|
8.13
|
0.50
|
8.44
|
0.51
|
|
12
|
-
|
-
|
-
|
-
|
-
|
-
|
|
03
|
86+j74.69
|
113.91
|
2.28
|
2.44
|
7.70
|
8.25
|
|
34
|
61+j49.18
|
78.36
|
3.96
|
2.01
|
8.40
|
4.26
|
|
45
|
34+j19.27
|
39.08
|
4.23
|
0.53
|
7.26
|
0.92
|
|
05
|
-
|
-
|
-
|
-
|
-
|
-
|
Расчетные формулы:
,
,
Точный баланс активной мощности.
,
,
,
,
,
,
,
Точный баланс реактивной мощности.
,
,
,
,
,
Определяем необходимость установки
КУ в элсети:
,
Суммарная мощность КУ распределяется
по п/ст пропорционально их некомпенсированным нагрузкам.
Таблица 12.13
|
п/ст
|
  
|
|
|
|
|
1
|
12.55
|
19.25
|
95.82
|
2.52
|
|
2
|
-
|
|
|
-
|
|
3
|
28.54
|
|
|
5.73
|
|
4
|
32.57
|
|
|
6.54
|
|
5
|
21.79
|
|
|
4.38
|
Расчетные формулы:
,
.4 Определяется необходимое
количество и мощность БК по подстанциям для компенсации реактивной мощности
Таблица 12.14 - Распределение КУ по
подстанциям для различных режимов работы кольцевой сети
|
Номер
п/ст
|
Тип
конденсатораКол-во БКМощность, выдаваемая батарейМощность, выдаваемая КУ
|
|
|
|
|
|
Максимальный
режим
|
|
1
|
10
|
КС2-1.05-60
|
1
|
3.8
|
3.8
|
10
|
КС2-1.05-60
|
3
|
3.8
|
11.4
|
|
3
|
10
|
КС2-1.05-60
|
2
|
3.8
|
7.6
|
|
4
|
10
|
КС2-1.05-60
|
2
|
3.8
|
7.6
|
|
5
|
10
|
КС2-1.05-60
|
1
|
3.8
|
3.8
|
|
Минимальный
режим
|
|
1
|
10
|
КС2-1.05-60
|
1
|
3.8
|
3.8
|
|
2
|
10
|
КС2-1.05-60
|
1
|
3.8
|
3.8
|
|
3
|
10
|
КС2-1.05-60
|
1
|
3.8
|
3.8
|
|
4
|
10
|
КС2-1.05-60
|
1
|
3.8
|
3.8
|
|
5
|
10
|
КС2-1.05-60
|
1
|
3.8
|
3.8
|
|
Послеаварийный
режим
|
|
1
|
10
|
КС2-1.05-60
|
1
|
3.8
|
3.8
|
|
2
|
10
|
КС2-1.05-60
|
-
|
-
|
-
|
|
3
|
10
|
КС2-1.05-60
|
2
|
3.8
|
7.6
|
|
4
|
10
|
КС2-1.05-60
|
2
|
3.8
|
7.6
|
|
5
|
10
|
КС2-1.05-60
|
1
|
3.8
|
3.8
|
12.5 Корректируется нагрузка на трансформаторы
для каждой подстанции с учетом стандартной мощности БК
Для максимального режима работы сети:
;
;
;
;
;
Для минимального режима работы сети:
;
;
;
;
;
Для послеаварийного режима работы
сети:
;
;
;
;
;
13. Точный электрический расчет
установившихся режимов работы электрической сети
.1 Расчет максимального режима
работы кольцевой сети
Таблица 13.1 - Потери мощности в
трансформаторах кольцевой сети для максимального режима работы
№
Ко-во
тр-ров
,
МВА
,
МВт
,
%
,
МВА
,
МВт
,
%
,
МВА
,
|
МВА
|
|
|
|
|
|
|
|
|
|
|
|
1
|
25.92
|
2
|
25
|
0.027
|
10.5
|
0.06+j1.41
|
0.120
|
0.7
|
0.05+j0.35
|
0.12+j1.76
|
|
2
|
45.79
|
1
|
63
|
0.059
|
10.5
|
0.14+j3.49
|
0.260
|
0.6
|
0.06+j0.38
|
0.20+j3.87
|
|
3
|
30.75
|
2
|
25
|
0.027
|
10.5
|
0.09+j1.99
|
0.120
|
0.7
|
0.05+j0.35
|
0.14+j2.34
|
|
4
|
35.03
|
2
|
40
|
0.036
|
10.5
|
0.07+j1.61
|
0.172
|
0.65
|
0.07+j0.52
|
0.14+j2.13
|
|
5
|
37.35
|
2
|
40
|
0.036
|
10.5
|
0.07+j1.83
|
0.172
|
0.65
|
0.07+j0.52
|
0.15+j2.35
|
Рисунок 13.1
Рисунок 13.2 - Упрощенная схема замещения
кольцевой сети 03450 для максимального и минимального режима работы
Рисунок 13.3 - Упрощенная схема замещения
радиального участка в кольцевой сети для максимального и минимального режима
работы
Расчетные нагрузки
;
;
;
;
Расчет потокораспределения мощности.
Кольцевая сеть 03450
Головной участок 03:
,
Головной участок 05:
,
Участок 34:
,
Участок 45:
,
Участок 01:
,
Участок 12:
,
Мощности в начале и конце участков
сети.
Радиальное ответвление 034
,
,
,
,
Радиальное ответвление 054
,
,
,
Радиальное ответвление 012
,
,
,
,
Напряжения в узлах сети.
,
,
Кольцевая сеть 03450
,
,
,
13.2 Расчет минимального режима
работы кольцевой сети
Таблица 13.2 - Потери мощности в
трансформаторах кольцевой сети для максимального режима работы
№
Ко-во
тр-ров
,
МВА
,
МВт
,
%
,
МВА
,
МВт
,
%
,
МВА
,
|
МВА
|
|
|
|
|
|
|
|
|
|
|
|
1
|
15.22
|
1
|
25
|
0.027
|
10.5
|
0.04+j0.97
|
0.120
|
0.70
|
0.03+j0.18
|
0.07+j1.15
|
|
2
|
29.52
|
1
|
63
|
0.059
|
10.5
|
0.06+j1.45
|
0.260
|
0.60
|
0.06+j0.38
|
0.12+j1.83
|
|
3
|
18.90
|
1
|
25
|
0.027
|
10.5
|
0.07+j1.50
|
0.120
|
0.70
|
0.03+j0.18
|
0.10+j1.68
|
|
4
|
21.51
|
1
|
40
|
0.036
|
10.5
|
0.05+j1.21
|
0.172
|
0.65
|
0.04+j0.26
|
0.09+j1.47
|
|
5
|
21.83
|
1
|
40
|
0.036
|
10.5
|
0.05+j1.25
|
0.172
|
0.65
|
0.04+j0.26
|
0.09+j1.51
|
Расчетные нагрузки.
;
;
;
;
Расчет потокораспределения мощности.
Кольцевая сеть 03450
Головной участок 03:
,
Головной участок 05:
,
Участок 34:
,
Участок 45:
,
Участок 01:
,
Участок 12:
,
Мощности в начале и конце участков
сети.
,
,
,
,
Радиальное ответвление 054
,
,
,
Радиальное ответвление 012
,
,
,
,
Напряжения в узлах сети.
,
,
Кольцевая сеть 03450
,
,
,
.3 Расчет послеаварийного режима
работы кольцевой сети
Таблица 12.6 - Потери мощности в
трансформаторах кольцевой сети для послеаварийного режима работы
№
Ко-во
тр-ров
,
МВА
,
МВт
,
%
,
МВА
,
МВт
,
%
,
МВА
,
|
МВА
|
|
|
|
|
|
|
|
|
|
|
|
1
|
25.92
|
25
|
0.027
|
10.5
|
0.06+j1.41
|
0.120
|
0.7
|
0.05+j0.35
|
0.12+j1.76
|
|
2
|
-
|
1
|
63
|
0.059
|
10.5
|
-
|
0.260
|
0.6
|
-
|
-
|
|
3
|
30.75
|
2
|
25
|
0.027
|
10.5
|
0.09+j1.99
|
0.120
|
0.7
|
0.05+j0.35
|
0.14+j2.34
|
|
4
|
35.03
|
2
|
40
|
0.036
|
10.5
|
0.07+j1.61
|
0.172
|
0.65
|
0.07+j0.52
|
0.14+j2.13
|
|
5
|
37.35
|
2
|
40
|
0.036
|
10.5
|
0.07+j1.83
|
0.172
|
0.65
|
0.07+j0.52
|
0.15+j2.35
|
Расчетные нагрузки.
;
;
;
;
;
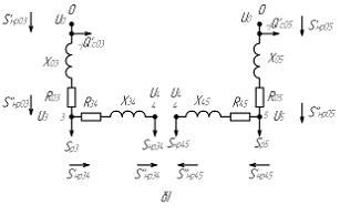
Рисунок 13.4 - Схема замещения кольцевой сети
для послеаварийного режима работы
Рисунок 13.5 Упрощенная схема замещения
радиального участка в кольцевой сети для послеаварийного режима работы
Мощности в начале и конце участков сети.
Радиальное ответвление 01
,
Радиальное ответвление 0345
,
,
,
,
,
Напряжения в узлах сети.
,
,
,
,
14. Выбор устройств регулирования
напряжения в электрической сети
Таблица 14.1 - Максимальный режим
работы сети
|
, кВ , кВ , МВт , Ом , МВар , Ом , кВ  , кВ , кВ
|
|
|
|
|
|
|
|
|
|
|
|
1
|
117.34
|
11.03
|
25
|
2.54
|
6.85
|
55.9
|
1.9
|
-2
|
1.78
|
110.91
|
10.93
|
|
2
|
112.84
|
11.03
|
35
|
0.87
|
29.52
|
22
|
3.01
|
-5
|
1.78
|
104.77
|
11.01
|
|
3
|
118.22
|
11.03
|
25
|
2.54
|
17.91
|
55.9
|
4.5
|
-3
|
1.78
|
108.86
|
10.97
|
|
4
|
117
|
11.03
|
27
|
1.4
|
22.32
|
34.7
|
3.47
|
-3
|
1.78
|
108.86
|
10.95
|
|
5
|
118.22
|
11.03
|
34
|
1.4
|
15.47
|
34.7
|
2.47
|
-2
|
1.78
|
110.91
|
10.96
|
Таблица 14.2 - Минимальный режим
работы сети
|
, кВ , кВ , МВт , Ом , МВар , Ом , кВ  , кВ , кВ
|
|
|
|
|
|
|
|
|
|
|
|
1
|
113.24
|
10.5
|
15
|
2.54
|
2.59
|
55.9
|
1.62
|
-2
|
1.78
|
110.91
|
10.57
|
|
2
|
110.32
|
10.5
|
21
|
0.87
|
20.75
|
22
|
4.3
|
-4
|
1.78
|
106.81
|
10.42
|
|
3
|
113.75
|
10.5
|
15
|
2.54
|
11.5
|
55.9
|
5.99
|
-4
|
1.78
|
106.81
|
10.59
|
|
4
|
113
|
10.5
|
16.2
|
1.4
|
14.15
|
34.7
|
4.55
|
-3
|
1.78
|
108.86
|
10.46
|
|
5
|
113.92
|
10.5
|
20.4
|
1.4
|
7.76
|
34.7
|
2.61
|
-2
|
1.78
|
110.91
|
10.54
|
Таблица 14.2 - Послеаварийный режим
работы сети
|
, кВ , кВ , МВт , Ом , МВар , Ом , кВ  , кВ , кВ
|
|
|
|
|
|
|
|
|
|
|
|
1
|
119.25
|
11.03
|
25
|
2.54
|
6.85
|
55.9
|
1.87
|
-2
|
1.78
|
110.91
|
11.11
|
|
2
|
-
|
-
|
-
|
0.87
|
-
|
22
|
-
|
-
|
-
|
-
|
-
|
|
3
|
113.49
|
11.03
|
25
|
2.54
|
17.91
|
55.9
|
4.69
|
-6
|
1.78
|
102.72
|
11.12
|
|
4
|
106.56
|
11.03
|
27
|
1.4
|
22.32
|
34.7
|
3.81
|
-8
|
1.78
|
98.62
|
10.94
|
|
5
|
102.88
|
11.03
|
34
|
1.4
|
15.47
|
34.7
|
2.84
|
-9
|
1.78
|
96.58
|
10.88
|
Т.к. все условия выполняются, то
выбор рабочих ответвлений тр-ров на подстанциях произведен правильно.