Проектирование электрической сети

  • Вид работы:
    Курсовая работа (т)
  • Предмет:
    Физика
  • Язык:
    Русский
    ,
    Формат файла:
    MS Word
    142,47 Кб
  • Опубликовано:
    2013-02-07
Вы можете узнать стоимость помощи в написании студенческой работы.
Помощь в написании работы, которую точно примут!

Проектирование электрической сети

Содержание

1. Аннотация

. Расчет схемы проектируемого участка электрической сети

2.1   Вычисление расчетных нагрузок потребителей

.2     Определение схемы соединений

.3     Предварительный расчет потокораспределения

2.3.1         Для нормального режима.

.3.2  Для пост аварийного режима.

2.4   Выбор номинальных напряжений на участках сети

.5     Выбор сечений проводников

.6     Выбор трансформаторов на подстанциях

.7     Расчет потерь мощности на линиях и в трансформаторах

.8     Расчет потерь энергии на линиях и в трансформаторах

.9     Проверка балансом для активной и реактивной мощностей

.10   Технико-экономический расчет электрической сети

.11   Окончательный электрический расчет основных режимов сети

.12   Регулирование напряжений на подстанции

Заключение

Список используемой литературы

1. Аннотация

В ходе работы над курсовым проектом нам требовалось произвести расчет электрической сети с учетом нагрузок, а также категорий потребителей в зависимости от заданного варианта [таблица 1.1].

Таблица 1.1

Номер варианта

Ф.И.О.

№ схемы

Таб.1

Таб.2

Таб.3

Таб.4

Таб.5

Павлов А.А.

1

9

46

9

3

10


В связи с этим принимаем уже данную нам схему не внося изменений в расположение подстанций и оставляем неизменными длины линий.

Рис 1.1 - схема участка проектируемой сети.

Длины линий между подстанциями представлены в таблице 1.2.

Таблица 1.2

Линия

Л1

Л2

Л3

Л4

Длина линии, км

120

50

100

65


Мощности активной нагрузки в максимальном режиме в узлах представлены в таблице 1.3

Таблица 1.3

ПС

1

2

3

Мощность, МВт

40

30

25


Коэффициенты мощности нагрузок приведены в таблице 1.4

Таблица 1.4

ПС

1

2

3

cosФ

0,8

0,7

0,85


Число часов использования максимума нагрузки в узлах приведено в таблице 1.5

Таблица 1.5

ПС

1

2

3

Время, ч

4500

4800

6000


Также задан средний номинальный коэффициент мощности генераторов системы в которую входит проектируемый район.

cosjГ         0.88

При расчетах мы вводим следующие допущения:

)        Наименьшая летняя нагрузка составляет 55-85% от наибольшей зимней.

)        Напряжение на шинах РЭС при наибольших нагрузках и тяжелых авариях в сети составляет 1.1Uном, при наименьших нагрузках -1.05Uном. На всех подстанциях необходимо предусмотреть встречное регулирование напряжения.

)        Средний номинальный коэффициент мощности генераторов системы, в которую входит проектируемый район, равен 0,88.

)        Характеристика местности - Западная Сибирь.

2. Расчет схемы проектируемого участка электрической сети

.1 Вычисление расчетных нагрузок потребителей

В курсовом проекте нам задана лишь активная мощность узлов нагрузки в максимальном режиме, поэтому нам требуется рассчитать ее реактивную составляющую и полную мощность. Расчет производится по формулам 2.1 и 2.2.

       (2.1)

       (2.2)

Для оставшихся узлов нагрузки рассчитанные величины приведены в таблице 2.1.

Таблица 2.1

Мощности нагрузок ПС в максимальном режиме

№ подстанции

1

2

3

Pmax, МВт

30

40

50

Q, Мвар

22,5

40,81

30,99

|S|, МВА

37,5

57,14

58,82

S, МВА

30+j22,5

40+j40,81

50+j30,987


Также произведем расчет для минимального режима, т.е. для нагрузки составляющей 60% от максимального режима. Рассчитанные величины приведены в таблице 2.2.

Таблица 2.2

Мощности нагрузок ПС в минимальном режиме

№ подстанции

1

2

3

Pmin, МВт

18

24

30

Q, Мвар

13,5

24,48

18,59

|S|, МВА

22,5

34,28

35,29

, МВА18+j13,524+j24,4830+j18,59





2.2 Определение схемы соединений

Рис 2.1 - окончательная схема проектируемого участка сети

В задании нам уже заданы основные параметры линии исходя из аннотации, поэтому нам лишь остается сделать линии 1 и 4 двух цепными, для уменьшения потерь в электроснабжении и повышения надежности схемы.

.3 Предварительный расчет потокораспределения

Абсолютно точно рассчитать потокораспределение невозможно, поэтому мы будем выполнять расчеты исходя из следующих допущений:

Не прямолинейность трасс линий учитываем при помощи коэффициента не прямолинейности

Не смотря на то, что в нормальном режиме выключатели на низкой стороне подстанций предполагаются отключенными , мы принимаем, что распределение нагрузки между трансформаторами двухтрансформаторных подстанций мы принимаем равными

В расчетах мы принимаем номинальные значения напряжений, при этом не учитывая потери мощности на элементах и зарядные мощности линии.

Замкнутый участок сети, мы предполагаем выполненным однородными линиями, благодаря этому потокораспределение возможно учитывать по длинам этих линий

.3.1 Для нормального режима

Для кольцевого участка сети, потокораспределение мы рассчитываем по правилу моментов, а также по первому закону Кирхгофа. Исходя из формулы 2.3 находим потоки по первой линии:

      (2.3)


Для линии 3 формула определения потоков мощности выглядит следующим образом:

    (2.4)


Для линии 2 потоки мощности определяются по первому закону Кирхгофа:

         (2.5)


Поток мощности в линии 4 будет равен наиболее удаленной точке:


Определяем точку потокораздела, в данном случае это будет узел, в который приходит мощность с двух других подстанций, принимаем узел 1

Проверка:

Чтобы убедится в правильности нашего расчета мы производим проверку основываясь на том, что вся выпущенная мощность в сеть, должна равняться мощности потребленной.

       (2.6)

+94,2953793689714i=120+94,2953793689714i

.3.2 Поставарийные режимы

При рассмотрении этих режимов, мы принимаем лишь наиболее тяжелые режимы, при рассмотрении моей схемы это обрыв одной цепи линии 3 и обрыв линии 2. При этом мы не рассматриваем наложение аварий.

А) Обрыв одной цепи линии 3

При обрыве будут возникать перетоки по линиям 1,2,4.

    (2.7)

      (2.8)

      (2.9)

Полученные величины сводим в таблицу 2.3

Таблица 2.3

Sл1, МВА

Sл2, МВА

Sл4, МВА

120+94,2953793689714i

40+40,8081624488163i

50+30,9872169201551i


Б) Обрыв линии 2

При обрыве возникают перетоки по линиям 1, 3, 4.

      (2.10)

      (2.11)

         (2.12)

Результаты сводим в таблицу 2.4

Таблица 2.4

Sл1, МВА

Sл3, МВА

Sл4, МВА

80+53,4872169201551i

40+40,8081624488163i

50+30,9872169201551i


2.4 Выбор номинальных напряжений на участках сети

В целом напряжение на участках будет зависеть от длин линий и мощности нагрузок. В данном пункте мы производим предварительный расчет так как не учитываем потери в линии и ее экономическую эффективность. Точность, требуемую нам можно получить по следующей эмпирической формуле:

(2.13)

Где:

L - длина линии, км;

P - мощность передаваемая по ЛЭП, МВт;

Произведем расчет для линии 1, результаты расчетов по оставшимся линиям сводим в таблицу 2.5


Таблица 2.5

Uл1, кВ

Uл2, кВ

Uл3, кВ

Uл4, кВ

146,88

87,52

147,19

131,65


Исходя из схемы заданной нам сети и следуя рекомендациям, на кольцевом ее участке мы принимаем напряжение в 220 кВ. На оставшемся участке принимаем 110 кВ. Окончательно принятые напряжения в таблице 2.6

Таблица 2.6

Uл1, кВUл2, кВUл3, кВUл4, кВ




220

220

220

110


.5      Выбор сечений проводников

При выборе сечений основным фактором выбора все так же является напряжение но линии, но кроме этого линия должна обладать термической и динамической прочностью, не вызывать коронирования, а также соответствовать ГОСТу по количеству потерь: в нормальном режиме не превышать 15%, а в поставарийном 20%. Одновременно следует учитывать ее экономическую стоимость и стараться соблюдать баланс между затратами на установку линии и расходами на ее эксплуатацию. Для сетей 35-220 кВ, экономически выгодное сечение определяется из формулы при помощи такого показателя как экономическая плотность тока:

       (2.14)

Где:

Jэ - экономическая плотность тока, определяется согласно [3]

Тmax 3000 часов - jэк=1,3 А/мм2,

< Тmax5000 - jэк=1,1 А/мм2,

Тmax>5000 часов - jэк=1 А/мм2.

Тmax - величина времени использования максимальной нагрузки для каждой линии. Определяется при помощи закона сохранения энергии на основании заданных значений Тmax для нагрузок:

         (2.15)

(2.16)

(2.17)

(2.18)

р - расчетный ток нормального режима в линии при наибольших нагрузках, А.

    (2.19)

Где:

P, Q, S - активная, реактивная, полная мощности на участках сети в режиме наибольших нагрузок.

n - число параллельных цепей на участке сети

Производим расчет для первой линии для оставшихся линий результаты сводим в таблицу 2.7


Таблица 2.7

Линия

Ip, A

Fэ, мм2

n

U, кВ

Fcт, мм2

1

97,5

97,5

2

1

220

240

2

58,98

58,98

1

1

220

240

3

205,57

186,88

1

1,1

220

240

4

154,37

154,37

2

1

220

150


Экономически выгодное сечение несколько меньше выбранного нами, вследствие того, что при заданном нами напряжении для 220 кВ минимальное сечение по условиям корон 240 мм2.

Рассчитываем потери в линии электропередач:

   (2.20)

     (2.21)

Приводим расчет для первой линии:

Где:

R - активное сопротивление линии, определяется по формуле:

=r0*L                                                                                                (2.22)

 - индуктивное сопротивление линии, определяется по формуле:

=x0*L                                                                                                (2.23)               Так как линия двух цепная то активная и индуктивная часть сопротивления делится пополам.

Все остальные результаты расчетов приведены в таблице 2.8

Таблица 2.8

Линия

n

ro, om/km

xo, om/km

R, Om

X, Om

ΔU, кВ

ΔU, %

1

2

0,121

0,435

7,26

26,1

7,27

3,3

2

1

0,121

0,435

6,05

21,75

1,42

0,65

3

1

0,121

0,435

12,1

43,5

13,12

5,96

4

2

0,162

0,42

5,265

13,65

6,24

5,671


А) Производим проверку по потерям для нормального режима:

Для чего суммируем все потери в мощности до самого удаленного участка, в замкнутом участке сети это будет точка потокораздела:

Для напряжения в 220 кВ:

ΔUл1+ ΔUл4=3,3+5,67=8,97%<15% - проходит

Для напряжения в 110 кВ:

ΔUл2+ ΔUл3+ ΔUл4=12,28%<15% - проходит

Б) Производим проверку для поставарийного режима после обрыва цепи на линии 3.

Для расчетов используем мощности, полученные в пункте 2.3.1 (А-Б)

Результаты полученные приведены в таблице 2.9

Таблица 2.9

Линия

U,кВ

S, МВА

ΔU, кВ

ΔU, %

1

220

120+94,2953793689714i

15,15

6,88

2

220

40+40,8081624488163i

2,33

4

110

50+30,9872169201551i

5,67

4,03


ΔU1+ ΔU2=6,88+2,33=9,22%<20% - проходит;

ΔU1+ ΔU4=6,88+4,03=12,56%<20% - проходит.

Также проверяем линию по допустимому току. По ПУЭ для линии в 220 кВ представлена в таблице 2.10

Таблица 2.10

Линия

I доп, А

I р.макс, А

Проверка

1

605

200

Проходит

2

605

150

Проходит

3

605

150

Проходит


В) Производим проверку для поставарийного режима при обрыве линии 2.

Все расчетные величины приведены в таблице 2.11

Таблица 2.11

Линия

U,кВ

S, МВА

ΔU, кВ

ΔU, %

1

220

80+53,4872169201551i

8,98

4,08

3

220

40+40,8081624488163i

10,26

4,66

4

110

50+30,9872169201551i

6,24

5,67


ΔU1+ ΔU4=4,08+5,67=9,75%<20% - проходит.

Исходя из проделанных вычислений можно сказать, что линии с выбранными для них сечениями и напряжениями проходят по всем параметрам.

.6      Выбор трансформаторов на подстанциях

От каждой подстанции запитываются потребители первой и второй категории, что заставляет нас установить на каждой ПС по два трансформатора.

Определяем мощности трансформаторов на подстанции, учитывая коэффициент допустимой перегрузки в поставарийном режиме:

  (2.24)

На подстанции 1 нам требуется установить автотрансформатор, его мощность находим по формуле 2.24:

Исходя из полученного значения по справочнику подбираем требуемую модель, АТДЦТН-63000/220/110.

По тем же формулам определяем трансформаторы для оставшихся подстанций.

Полученные мощности и выбранные мной трансформаторы представлены в таблице 2.12

Таблица 2.12

Номер ПС

1

2

3

Sрасч,МВА

68,73819889

40,81632653

42,01680672

Модель

АТДЦТН-63000/220/110

ТРДН-40000/220

ТРДН-40000/110


Произведем расчет коэффициента загрузки трансформатора для нормального и поставарийного режима работы автотрансформатора:

   (2.25)

     (2.26)

В пост аварийном режиме коэффициент загрузки превышает 1,4 поэтому учтем, что от подстанции будут запитываться потребители третьей категории которых можно отключить в любой момент времени.

Для остальных подстанций расчет коэффициентов приведен в таблице 2.13

Таблица 2.13

Номер ПС

1

2

3

Sпс, МВА

68,73819889

40,81632653

42,01680672

Sнт, МВА

96,23

57,14

58,82

Кзнр

0,76

0,71

0,73

Кзпар

1,52

1,42

1,47


Каталожные данные выбранных трансформаторов и параметры схемы замещения приведены в таблице 2.14

Таблица 2.14

ПС

Тр-р

Ст.

R, Ом

Х, Ом

Uном, кВ

ΔPх,кВт

ΔQх, кВар

Пределы регулирования

1

АТДЦТН-63000/220/110

В

1,4

104

230

45

625

6х2%



С

1,4

0

121






Н

2,8

195,6

11




2

ТРДН-40000/220

В

5,6

158,7

230

50

360

8х1,5%



н



11




3

ТРДН-40000/110

В

1,44

34,8

110

36

260

9х1,78%



Н



10,5





2.7    Расчет потерь мощности на линиях и в трансформаторах

Данный пункт рассчитывается лишь для нормальных режимов работы, с тем учетом, что пост аварийные режимы работы относительно кратковременны и практически не влияют на экономические показатели потерь.

Основное влияние на потери оказывают активное и реактивное сопротивление линии и трансформаторов. С требуемой нам точностью потери в линии можно оценить по следующей формуле:

     (2.27)

Для трансформаторов подстанций потери складываются из потерь холостого хода трансформаторов, нагрузочных потерь. Если подстанция имеет несколько двухобмоточных трансформаторов, то потери можно определить по формуле:

(2.28)

Для трехобмоточных трансформаторов и автотрансформаторов формула следующая:

      (2.29)

Итак, произведем расчет потерь мощности. Для линий выполним это на примере первой линий, результаты расчетов оставшихся линий приведем в таблице 2.15


Таблица 2.15

Линия

Sл,МВА

Zл,Ом

ΔSл, МВА

1

59,2592592592593+44,8292547514996i

7,26+26,1i

0,828198283429644+2,97740705199913i

2

20,7407407407407+8,6579621686555i

6,05+21,75i

0,0631423294235614+0,226999283464869i

3

60,7407407407407+49,4661246174718i

12,1+43,5i

1,53408376760128+5,51509453641783i

4

50+30,9872169201551i

5,265+13,65i

1,5056192627756+3,90345734793674i


Общие потери в линиях:

Производим расчет потерь на автотрансформаторе для ПС 1.

нагрузка потребитель трансформатор подстанция

Для трансформаторов на ПС 2, 3 расчет аналогичен все полученные результаты сведены в таблицу 2.16

Таблица 2.16

Номер ПС

Тип трансформатора

Потери

1

АТДЦТН-63000/220/110

0,225523541185628+7,75130907372401i

2

ТРДН-40000/220

0,18468809073724+3,12i

3

ТРДН-40000/110

0,15910775047259+2,62510396975425i


Суммарные потери в трансформаторах составляют:


2.8    Расчет потерь энергии на линиях и в трансформаторах

Потери электрической энергии на линии определяются по формуле:

         (2.30)

Где:

ΔPл - нагрузочные потери мощности в линии, МВт;

τл - время максимальных потерь, ч.

Время максимальных потерь, возможно определить по следующей эмпирической формуле:

(2.31)

Для трансформаторов , потери в электрической энергии состоят из двух составляющих:

         (2.32)

Где:

Т - время нахождения трансформатора под напряжением (т.к трансформаторы отключаются от сети довольно редко, то, как правило Т принимают равным 8760 часов. )

Производим расчет потерь для первой линии, оставшиеся расчеты для остальных линий сводим в таблицу 2.17.


Таблица 2.17

Линия:

Tмах, ч

τ, ч

ΔP, МВт

ΔW, МВТ*ч

Л1

6162,5

4800,217748

0,828198283

3975,532099

Л2

6162,5

4800,217748

0,063142329

303,0969303

Л3

4300

2688,58416

1,534083768

4124,513318

Л4

6500

5247,90576

1,505619263

7901,348001


Суммарные потери мощности в линии составляют:

W=16304,49035

Рассчитаем потери на трансформаторах:


Для остальных трансформаторов результаты подведены в таблицу 2.18:

Таблица 2.18

Трансформатор

Тмах (ч)

τ, ч

ΔWхх, МВТ*ч

ΔWнагр, МВт*ч

ΔWпст, МВт*ч

ПС1

6162,5 6500 5600

4800,2 5247,9 4098,4

788,4

252,1067102 240,2871535 152,5285735

1433,322437

ПС2

4300

2688,58416

876

227,6910593

1103,691059

ПС3

6500

5247,90576

630,72

457,1332654

1087,853265


Общие потери на трансформаторах:

W= 3624,866762

2.9   
Проверка балансом для активной и реактивной мощностей

Проверка требуется для определения надежности системы. Система должна обеспечивать потребителей активной и реактивной мощностью в любой момент времени. Нехватки активной мощности вызывают просадки частоты в сети, а нехватки реактивно вызывают просадку напряжения.

Поэтому нам требуется не только рассчитать потребления активной и реактивной мощности потребителем, но и обеспечить резерв для непредвиденных обстоятельств.

При расчете баланса мощностей в рамках данного курсового проекта нам требуется внести следующие допущения:

Источником электрического тока в сети, является источник бесконечной мощности;

Графики для активной и реактивной мощностей, совпадают по времени;

Величина максимально возможной реактивной мощности, выдаваемой РЭС, ограничена заданием коэффициента мощности генераторов системы.

С учетом всех допущений, баланс активной мощности можно найти по следующему выражению:

   (2.33)

Максимальное значение реактивной мощности выдаваемое источником питания, можно найти через заданный коэффициент мощности РЭС:

   (2.34)

Требуемая реактивная мощность для обеспечения нормальной работы системы:

       (2.35)

Зарядная мощность линии равна:

    (2.36)

Где :

b0i - емкостная проводимость линии;

Li - длина линии;- кол-во цепей.

Для обеспечения работоспособности системы реактивная мощность должна соответствовать следующему условию:

     (2.37)

Если реактивной мощности в сети недостаточно, то требуется установить дополнительные компенсирующие устройства мощность которых определяется следующей формулой:

      (2.38)

Производим расчет для нашей сети, активная мощность сети:

Реактивная мощность сети определяется суммой потребляемой энергии на трансформаторах, линиях, нагрузке за вычетом зарядной мощности которая определяется по следующей формуле:

зар=b0*U2                                                                                        (2.39)

Где:

b0 - удельная емкость линии;

U - напряжение на участке сети

Расчет для всех зарядных мощностей приведен в таблице 2.19

Таблица 2.19

Линия

Л1

Л2

Л3

Л4

Qзар, Мвар

30,2016

6,292

12,584

4,247


Суммарная зарядная мощность составляет 53,3247 МВар.

Источник бесконечной мощности обладает коэффициентом нагрузки 0,88, соответственно из этого вычисляем tgФ=0,54.

Отсюда следует:

Qг=124,5∙0,54=67,2МВар.

В итоге получаем, что 61,115-52,065=9,05МВар>0, т.е. Qг < Qсист, но так как разница составляет меньше 10% от Qг, то система работоспособна.

.10 Технико-экономический расчет электрической сети

Наиболее выгодный вариант, определяется несколькими критериями, основным из них является, минимум приведенных затрат (3 руб/год). Для определения данного критерия используется следующая формула:

  (2.40)

Где:

К - капитальные вложения, (тыс. руб.);

И - ежегодные эксплуатационные расходы, (тыс. руб.);

Ен - нормативный коэффициент сравнительной эффективности капитальных вложений;

У - возможный ежегодный народнохозяйственный ущерб от недоотпуска электроэнергии потребителям из-за перерывов электроснабжения, (тыс. руб)

Капитальные вложения вне зависимости от варианта ее установки разделяются на установку линий, подстанций и на установку дополнительной мощности на электростанциях покрывающих потери в проектируемой сети:

         (2.41)

Где:

Кл - затраты на сооружения линий;

Кп - затраты на сооружение подстанций;

Кдоп - затраты на дополнительную мощность.

Затраты на сооружение линии находим по формуле:

        (2.42)

где:

кудi - удельная стоимость одного километра линии;

Li - длина линии;

n - количество линий проектируемой сети.

Затраты на сооружение подстанции рассчитываются по следующему выражению:


Ктр - стоимость силовых трансформаторов;

Кору, Кзру - стоимость открытых и закрытых распределительных устройств;

Кп/ст - постоянные затраты на строительство подстанций, зависящие в основном от напряжения;

Кку - общее количество выключателей на подстанции


         (2.43)

Где:

Куд - удельная стоимость 1 кВт;

DРå - суммарные потери мощности в элементах проектируемой сети.

Итак, определим затраты на сооружение линии. Изначально нам требуется определить материал опор и местность для их установки. В техническом задании нам задан район - Западная Сибирь, что определяет район по гололеду, как второй [3]. Для данной линии потребуются укрупненные показатели описанные в [2].

Согласно вышесказанному, принимаем:

Линия 1 - АС 240/32 - двух цепная - 34,4 тыс.руб/км.

Линия 2 - АС 240/32 - одно цепная - 21 тыс.руб/км.

Линия 3 - АС 240/32 - одно цепная - 21 тыс.руб/км.

Линия 4 - АС 150/24 - двух цепная - 25,7 тыс.руб/км.

Все капитальные вложения на сооружения сведены в таблицу 2.20:

Таблица 2.20

Линия:

Fcт, (мм2)

l, км

kуд, т.руб/км

Kл, тыс.руб

АС 240 Л1 двухцеп

240

120

42

123840

АС 240 Л2

240

50

21

31500

АС 240 Л3

240

100

21

63000

АС 150 Л4 двухцеп

150

65

25,7

50115

Суммарные капитальные вложения на сооружения всех линий составляют 268455 тыс. руб.

Коэффициент пересчета для схемы принимаю равным 30.

Рассчитывая затраты на сооружения подстанции, необходимо предварительно выбрать схемы ОРУ и ЗРУ.

Для схемы ПС 1 выбираем схему четырехугольника, а для подстанций 2, 3 с высокой стороны принимаем схему блока линии-трансформатора с выключателем.

Для ЗРУ на всех подстанциях принимаем схему с двумя секциями шин (расщепленные обмотки работают параллельно), кол-во отходящих линий 14.

В качестве стоимости трансформаторов принимаем их расчетную стоимость.

Все выбранные капитальные затраты для подстанций сводим в таблицу 2.21

Таблица 2.21

ПС

kтр(расч), тыс.руб

k(ору,расч)

k(зру,расч)

kпост

Kпс, тыс. руб

ПС1

201

115

70

400

23580

ПС2

169

79

70

240

16740

ПС3

169

79

70

240

16740


Суммарные затраты на сооружение всех подстанций составляют:

тыс. руб.

Коэффициент пересчета для данного результата принят 30.

Расчет дополнительных затрат:

         (2.44)

Где:

Куд - удельная стоимость 1 кВт принимаем равным 150 кВт/ч.

Дополнительные капиталовложения на потери в мощности:

Итого общие капитальные затраты составляют (согласно 2.41):

Переходим к расчету ежегодных эксплуатационных затрат.

       (2.45)

Коэффициенты отчислений для линии aл=2,8 , для подстанций 220/110/10 - aпс=8,4, а для подстанции 110/10 - aпс=9,4.

Для всех линий затраты приведены в таблице 2.22

Таблица 2.22

Линия:

Kл, тыс.руб

Илин, тыс. руб

АС 240Л1 двухцеп

123840

2,8

6935,04

АС 240 Л2

31500

2,8

882

АС 240 Л3

63000

2,8

1764

АС 150 Л4 двухцеп

50115

2,8

2806,44


Суммарные ежегодные затраты в линиях:

,48 тыс.руб

Для трансформаторов затраты приведены в таблице 2.23

Таблица 2.23

ПС

Kпс, тыс. руб

α

Ипс, тыс. руб

ПС1

23580

9,4

2216,52

ПС2

16740

9,4

1573,56

ПС3

16740

9,4

1573,56


Суммарные ежегодные затраты на подстанциях:

,64 тыс.руб.

Стоимость потерь электрической энергии, составляют:

Издержки от потерь электроэнергии составляют:

       (2.46)

Общие издержки на эксплуатацию будут равны:

Приведенные затраты составляют:

   (2.47)


2.11  Окончательный электрический расчет основных режимов сети

Данный расчет должен включать в себя все режимы сети т.е.: режим минимальных нагрузок, максимальных нагрузок, аварийный режим. Но для примера мы будем рассматривать лишь максимальный режим.

Для произведения данного расчета нам требуется задать базисную точку от которой мы и будем производить расчет. Нам известно напряжение подаваемое от РЭС, ее мы и назначим базисной точкой. Для начала мы рассчитаем мощности на узлах, следующим пунктом рассчитаем мощности во всех узлах сети.

Данный расчет был произведен в программе «Энергия», которая специализируется на расчетах режимов сети.

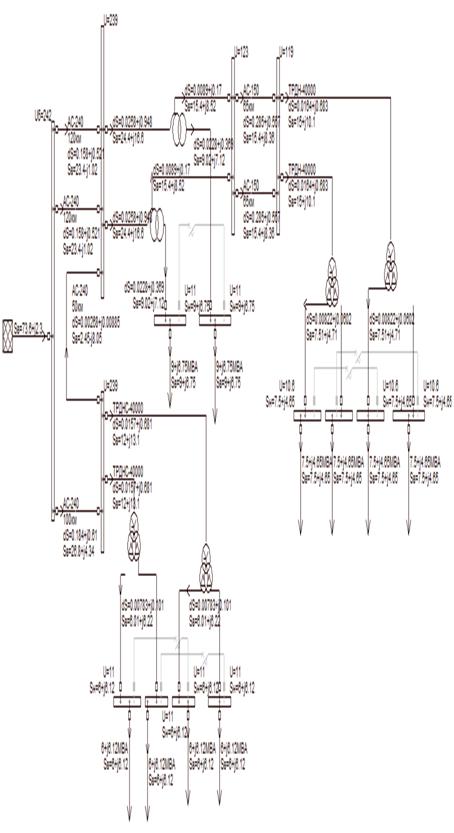
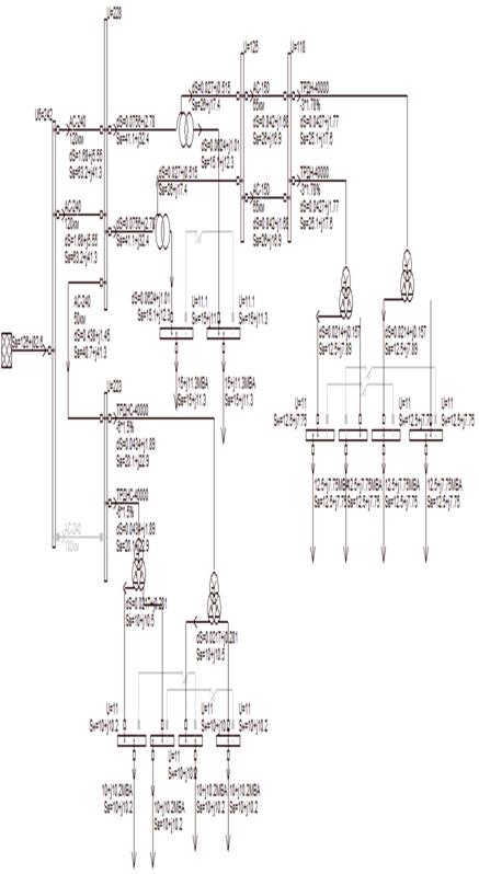
На рисунках 2.2 и 2.3 представлены результаты данного расчета.

Рис 2.2 - Точный электрический расчет при минимальных нагрузках.

Рис 2.3 - Точный электрический расчет при максимальных нагрузках.

.12   
Регулирование напряжения на подстанции

Во время работы подстанции нагрузка постоянно меняется, что заставляет нас рассматривать возможности изменения напряжения при повышении, либо понижении нагрузок. Следует предусмотреть возможность встречного регулирования, для минимальных нагрузок напряжение должно соответствовать условию:

н=(1,0-1,05)Uномсети                                                                      (2.48)

При максимальных нагрузках и в пост аварийном режиме:

н=(1,05-1,1)Uномсети                                                                      (2.49)

На всех подстанциях по условиям проекта установлены трансформаторы с РПН. На примере второй подстанции произведем выбор отпайки.

Определяем напряжение в режиме максимальных нагрузок, для трансформаторов:

Uн=1,1∙10=11 кВ

U2ж=11кВ

Определяем коэффициент трансформации трансформатора:

      (2.50)

Определяем напряжение, приведенное к высшей обмотке:

         (2.51)

Определяем напряжение на требуемой отпайке:

     (2.52)

Определяем желаемый номер отпайки:

     (2.53)

Определим стандартное напряжение отпайки:

        (2.54)

Определяем стандартный коэффициент трансформации:

(2.55)

Определяем действующее напряжение отпайки:

       (2.56)

Произведем расчет коэффициентов трансформации на подстанции 2:

Приведенное напряжение на высшей обмотке

Напряжение требуемой отпайки:

Желаемый номер отпайки:

Округлим номер отпайки до целого значения nж=-4

Стандартное напряжение отпайки:

Стандартный коэффициент трансформации:

Действующее напряжение отпайки:

Для оставшихся трансформаторов расчет будет идентичным, различным будет лишь расчет РПН на автотрансформаторе т.к. осуществляться регулировка будет относительно низкой обмотки. Все оставшиеся расчеты приведены в таблице 2.24

Таблица 2.24

№ ПС

К тр

U2, кВ

U’2, кВ

Uстж, кВ

nст

Uотв.ст,кВ

kтрст

U2д, кВ

1

20,91

10,3

215,364

11

-3,182

-3

216,2

19,654545

10,95745

2

20,91

10,4

217,455

11

-3,64

-4

216,2

19,654545

11,06383

3

10,952

10,4

113,905

11

-3,064

-3

108,859

10,367524

10,98669


Для минимальных нагрузок расчет будет подобен, придется лишь учесть что U2ж=10,5 исходя из условия задания минимальных нагрузок. Все расчеты подведены в таблицу 2.25

Таблица 2.25

№ ПС

kтр.ном

U2, кВ

U'2,кВ

U2ж, кВ

nст

Uотв.ст, кВ

kтрст

U2д, кВ

ПС1

20,91

11

230

10,5

2,381

2

239,2

21,745

10,577

ПС2

20,91

11

230

10,5

3,175

3

240,35

21,85

10,526

ПС3

10,952

10,1

110,619

10,5

-2,14

-2

110,906

10,562

10,473


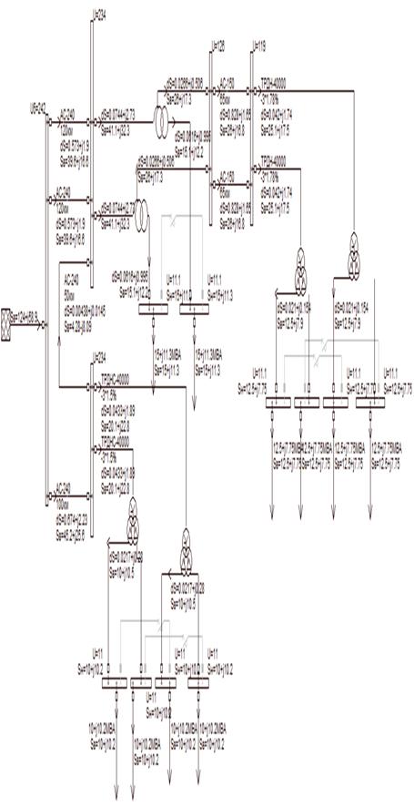
На рисунках 2.4-2.5 изображены результаты встречного регулирования для максимальных и минимальных нагрузок.

Рис 2.4 - встречное регулирование напряжения на шинах ПС в режиме максимума

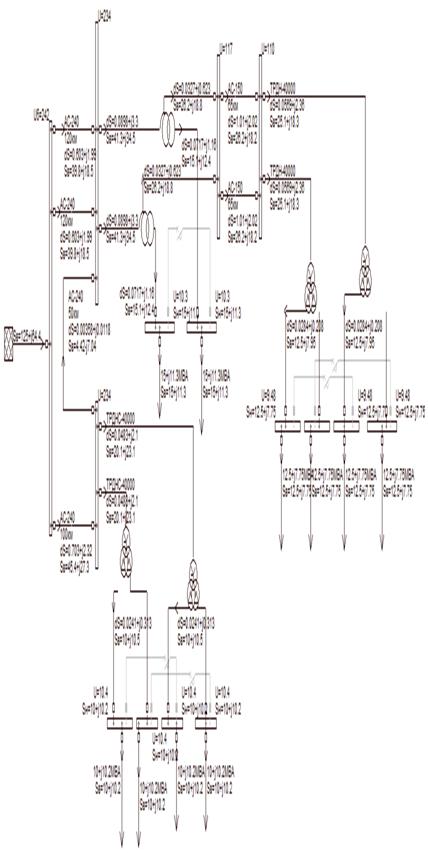
Рис 2.5 - встречное регулирование напряжения на шинах ПС в режиме минимума

Также программой рассмотрен аварийный режим выхода из строя линии 2.

Рис. 2.6 - встречное регулирование напряжения при аварии на линии 2

Заключение

В рамках данного курсового проекта нами была спроектирована электрическая сеть питающая 3-х потребителей от одного источника питания.

В процессе работы мы рассмотрели ее основные режимы:

Нормальный режим работы;

Пост аварийный режим работы;

Режим максимальных нагрузок;

Режим минимальных нагрузок;

Во всех режимах система способна бесперебойно обеспечивать потребителей в требуемом нам по продолжительности промежутке времени.

На каждом узле подстанции мы установили пару трансформаторов, а линии 1 и 4 выполнены двухцепными для обеспечения надежности схемы, а также для соответствия схемы по потерям напряжения и нагреву. Проект полностью соответствует требованиям ПУЭ.

Также все трансформаторы выполнены с РПН, что позволяет нам осуществлять встречное регулирование напряжением в сети в моменты максимумов и минимумов нагрузок и при возникновении аварий в сети.

Список используемой литературы

1.      Блок В.М. Электрические сети и системы: Учеб. пособие для электроэнерг. спец. вузов.-М.:Высш.шк., 1986.-430с.

.        Справочник по проектированию электроэнергетических систем. /Под ред. С.С. Рокотяна, И.М. Шапиро - М.: Энергоатомиздат, 1985.-420с.

.        Правила устройства электроустановок. Энергоиздат, 1999.-648с.

.        Пособие к курсовому и дипломному проектированию для электроэнергетических специальностей вузов./Под ред. В. М. Блок.-М.:Высшая школа, 1990.-265с.

.        Идельчик В.И. Электрические системы и сети. - М.: Энергоатомиздат, 1989.-592с.

Похожие работы на - Проектирование электрической сети

 

Не нашли материал для своей работы?
Поможем написать уникальную работу
Без плагиата!
Без нейросетей!