Проектирование районной электрической сети
СОДЕРЖАНИЕ:
Введение
1. Разработка 3-4 вариантов конфигурации электрической сети.
2. Выбор номинального напряжения сети.
. Выбор сечения проводов
. Выбор трансформаторов.
. Формирование однолинейной схемы электрической сети.
. Технико-экономическое сравнение двух вариантов сети
. Расчёт характерных режимов сети.
. Выбор средств регулирования напряжений.
. Расчёт технико-экономических показателей.
. Построение монтажных кривых.
Заключение.
Литература.
ВВЕДЕНИЕ
Создание мощных энергетических систем обусловлено их большими
технико-экономическими преимуществами. С увеличением их мощности появляется
возможность сооружения крупных электрических станций с более экономичными
агрегатами, повышается надежность электроснабжения потребителей, более полно и
рационально используется оборудование.
Формирование электрических систем осуществляется с помощью электрических
сетей, которые выполняют функции передачи энергии и электроснабжения
потребителей. С учетом этого и ведется их проектирование.
В курсовой работе выполненные следующие пункты проектирования:
) выбор наиболее рациональных вариантов схем электрической сети и
электроснабжения потребителей;
) сопоставление этих вариантов по различным показателям;
) выбор в результате этого сопоставления и технико-экономического расчета
наиболее приемлемого варианта;
) расчет характерных режимов работы электрической сети;
) решение вопросов, связанных с регулированием напряжения;
) определение технико-экономических показателей электрической сети.
Следует учитывать, что к электрической сети предъявляются определенные
технико-экономические требования, с учетом которых и производится выбор
наиболее приемлемого варианта.
Одно из экономических требований - достижение по мере возможности
наименьшей стоимости передачи электроэнергии по сети, поэтому следует
стремиться к снижению капитальных затрат на сооружение сети. Необходимо также
принимать меры к уменьшению ежегодных расходов на эксплуатацию электрической
сети. Одновременный учет капитальных вложений и эксплуатационных расходов может
быть произведен с помощью метода приведенных затрат. В связи с этим оценка
экономичности варианта электрической сети производится по приведенным затратам.
Выбор наиболее приемлемого варианта, удовлетворяющего
технико-экономическим требованиям - это один из основных вопросов при
проектировании любого инженерного сооружения, в том числе и электрической сети.
1. РАЗРАБОТКА ВАРИАНТОВ КОНФИГУРАЦИИ СЕТИ
Схемы электрических сетей должны с наименьшими затратами обеспечить
необходимую надежность электроснабжения, требуемое качество энергии у
приемников, удобство и безопасность эксплуатации сети, возможность ее
дальнейшего развития и подключения новых потребителей. Электрическая сеть
должна обладать также необходимой экономичностью и гибкостью.
В проектной практике для построения рациональной конфигурации сети
применяют повариантный метод, согласно которому для заданного расположения
потребителей намечается несколько вариантов, и из них на основе
технико-экономического сравнения выбирается лучший.
В соответствии с Правилами Устройства Электроустановок (ПУЭ) нагрузки I
категории должны обеспечиваться электроэнергией от двух независимых источников
питания, и перерыв в их электроснабжении допускается лишь на период
автоматического включения резервного питания. В большинстве случаев двухцепная
линия не удовлетворяет требованиям надежности электроснабжения потребителей I
категории, так как при повреждении опор, гололеде возможен полный перерыв
питания. Для таких потребителей необходимо предусматривать не менее двух
отдельных линий.
Для потребителей II категории в большинстве случаев также предусматривают
питание по двум отдельным линиям либо по двухцепной линии. Однако, учитывая
непродолжительность времени аварийного ремонта воздушных линий,
электроснабжение нагрузок II категории допускается производить по одной
воздушной линии.
Для электроприемника III категории достаточно питания по одной линии,
питающейся от одного источника или в виде отпайки проходящей вблизи линии.
Однако, здесь при аварийных и плановых ремонтов необходимо обеспечить время
восстановления питания в пределах одних суток.
Принимаемая схема должна быть удобной и гибкой в эксплуатации, желательно
однородной, такими качествами обладают многоконтурные схемы одного номинального
напряжения. Отключение любой цепи в такой схеме сказывается в незначительной
степени на ухудшении режима работы сети в целом.
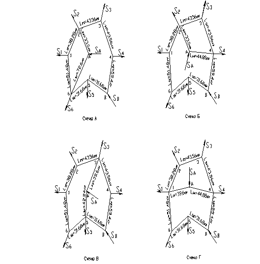
Исходя из всех вышеперечисленных требований разработаны следующие
варианты схемы сети для электроснабжения потребителей, которые представлены на
рисунке 1.1.
Рис.
1.1. Разработанные варианты схемы районной электрической сети.
В качестве критерия сопоставления вариантов сети на данном этапе
проектирования используем суммарные длины линий по каждому из вариантов. Этот
критерий основывается на предположении, что все варианты схемы являются одного
класса номинального напряжения и выполнены одинаковым сечением проводов на всех
участках, использованы одинаковые типы опор, конструкции фаз и т.п.
Естественно, что наиболее рациональными и экономичными будут являться
варианты с наименьшими суммарными длинами линий (с обязательным соблюдением
требований по надёжности электроснабжения потребителей).
Длину линий определяем с учетом их непрямолинейности и возможных
отклонений от намеченных трасс. Действительная длина принимается на 15% больше
длины, измеренной по прямой линии.
Таблица 1.1 Суммарные длины линий электропередач.
|
Схема
|
№1
|
№2
|
№3
|
№4
|
|
Длина, км
|
405,24
|
377,52
|
381,48
|
384,12
|
Исходя, что схемы на рис.1.1. б и на рис.1.1. в, имеют наименьшую
суммарную протяженность, то они в дальнейшем и будут использоваться для
подробного технико-экономического сравнения.
2. Выбор номинальнЫХ напряжениЙ ДЛЯ
ПРОЕКТИРУЕМОЙ СЕТИ
Номинальное напряжение - это основной параметр сети, определяющий
габаритные размеры линии, трансформаторов, подстанций, коммутационных аппаратов
и их стоимость. Напряжение сети зависит от мощности нагрузок и их удалённости
от источника питания. Выбор напряжения сети определяется главным образом
экономическими факторами.
Для выбора напряжения необходимо рассчитать потоки мощности в ветвях
схемы.
Для данного расчёта примем следующие допущения:
1) номинальное напряжение всех линий одинаковы;
) сечения проводов линий одинаковы, следовательно, их сопротивления
пропорциональны их длинам, проводимости линий не учитываются;
) потери мощности в трансформаторах не учитываются;
) средневзвешенное сопротивление линий принимаем: Z0 = R0 + jX0 = (0,2 +
j0,4) Ом/км.
) номинальное напряжение электрической сети завышаем (U = 500 кВ), чтобы
потери мощности и напряжения в ветвях существенно не искажало результат
приближённого потокораспределения.
Расчёт предварительного потокораспределения производим на ПЭВМ по
программе RASTR. Для этого предварительно подготовим
следующие исходные данные:
- средневзвешенное сопротивление линий принимаем равным:
= R0 + jX0 = (0,2 + j0,4) Ом/км,
тогда сопротивление линий найдём по формуле:
= (R0 + jX0)L Ом ,
где L - длина участка линии, км.
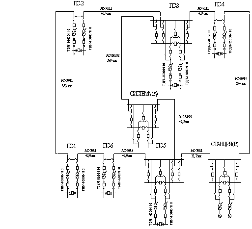
- по ветвям исходные данные представлены в таблице 2.1;
Таблица 2.1. Длины участков линий районной электрической сети в
соответствии с масштабом 1см-12км и их активные и реактивные сопротивления.
|
Вариант Б
|
Вариант В
|
|
№ линии
|
Длина линии L,
км
|
R, Ом
|
Х, Ом
|
№ линии
|
Длина линии L,
км
|
R, Ом
|
Х, Ом
|
|
|
|
|
|
|
|
|
|
1-2
|
38,28
|
7,656
|
15,312
|
1-2
|
38,28
|
7,656
|
15,312
|
|
2-3
|
43,56
|
8,712
|
17,424
|
2-3
|
43,56
|
8,712
|
17,424
|
|
3-4
|
43,56
|
8,712
|
17,424
|
3-4
|
43,56
|
8,712
|
17,424
|
|
4-В
|
59,4
|
11,88
|
23,76
|
4-В
|
59,4
|
11,88
|
23,76
|
|
В-5
|
31,68
|
6,336
|
12,672
|
В-5
|
31,68
|
6,336
|
12,672
|
|
5-6
|
31,68
|
6,336
|
12,672
|
5-6
|
31,68
|
6,336
|
12,672
|
|
6-1
|
51,48
|
10,296
|
20,592
|
6-1
|
51,48
|
10,296
|
20,592
|
|
4-А
|
44,88
|
8,976
|
17,952
|
5-А
|
42,24
|
8,448
|
16,896
|
|
А-2
|
33,0
|
6,6
|
13,2
|
А-3
|
39,6
|
7,92
|
15,84
|
-по узлам исходные данные представлены в таблице 2.2.
Таблица 2.2. Нагрузки узлов районной электрической сети.
|
№ узла
|
Pнаг, МВт
|
Qнаг, Мвар
|
Pген, МВт
|
Qген, Мвар
|
|
1
|
9,0
|
4,6
|
-
|
-
|
|
2
|
13,0
|
6,7
|
-
|
-
|
|
3
|
18,0
|
9,2
|
-
|
-
|
|
4
|
22,0
|
11,3
|
-
|
-
|
|
5
|
10,0
|
5,1
|
-
|
-
|
|
6
|
8,0
|
4,1
|
|
|
|
7 (А)
|
(балансирующий узел)
|
|
|
8 (В)
|
-
|
-
|
25,0
|
12,8
|
Результаты приближенного потокораспределения в нормальном максимальном
режиме , рассчитанные на ПЭВМ с помощью программы RASTR, cведены
в таблицу 2.3.
Таблица 2.3.Результаты приближенного расчета потокораспределения в
нормальном максимальном режиме в 2-ух вариантах районной электрической сети.
|
Вариант Б
|
Вариант В
|
|
№ линии
|
Длина линии L,
км
|
Передавае-мая по линии
активная мощность Pл, МВт
|
Передавае-мая по линии
реактивная мощность Qл, Мвар
|
№ линии
|
Длина линии L,
км
|
Передаваемая по линии
активная мощность Pл, МВт
|
Передавае-мая по линии
реактивная мощность Qл, Мвар
|
|
|
|
|
|
|
|
|
|
2-1
|
38,28
|
9,4
|
4,8
|
1-2
|
38,28
|
0,7
|
0,4
|
|
2-3
|
43,56
|
9,2
|
4,7
|
3-2
|
43,56
|
12,3
|
6,3
|
|
4-3
|
43,56
|
8,8
|
4,5
|
3-4
|
43,56
|
4,9
|
2,5
|
|
В-4
|
59,4
|
7,4
|
3,8
|
В-4
|
59,4
|
17,1
|
8,8
|
|
В-5
|
31,68
|
17,6
|
9,0
|
В-5
|
31,68
|
7,9
|
4,0
|
|
5-6
|
31,68
|
7,6
|
3,9
|
5-6
|
31,68
|
17,7
|
9,1
|
|
1-6
|
51,48
|
0,4
|
0,2
|
6-1
|
51,48
|
9,7
|
5,0
|
|
4-А
|
44,88
|
23,5
|
12,0
|
А-5
|
42,24
|
19,9
|
10,2
|
|
А-2
|
33,0
|
31,6
|
16,2
|
А-3
|
39,6
|
35,2
|
18,1
|
На основании полученных потокораспределений для соответствующих
конфигураций районных электрических сетей и соответствующих длин участков в
соответствии с экономическими областями номинальных напряжений [1, стр. 45]
примем следующие номинальные напряжения, сведенные в таблицу 2.4.
Таблица 2.4. Принятые номинальные напряжения для соответствующих
вариантов конфигураций районных электрических сетей.
|
Вариант Б
|
Вариант В
|
|
№ линии
|
Длина линии L,
км
|
Передавае-мая по линии
активная мощность Pл, МВт
|
Выбранное по экономическим
областям напряжение линии Uл, кВ
|
Номиналь-ное напряжение Uн,
кВ
|
№ линии
|
Длина линии L,
км
|
Передавае-мая по линии
активная мощность Pл, МВт
|
Выбранное по экономическим областям
напряжение линии Uл, кВ
|
Номиналь-ное напряжение Uн,
кВ
|
|
|
|
|
|
|
|
|
|
|
|
2-1
|
38,28
|
9,4
|
110
|
110
|
1-2
|
38,28
|
0,7
|
35
|
110
|
|
2-3
|
43,56
|
9,2
|
110
|
|
3-2
|
43,56
|
12,3
|
110
|
|
|
4-3
|
43,56
|
8,8
|
110
|
|
3-4
|
43,56
|
4,9
|
35
|
|
|
В-4
|
59,4
|
7,4
|
110
|
|
В-4
|
59,4
|
17,1
|
110
|
|
|
В-5
|
31,68
|
17,6
|
110
|
|
В-5
|
31,68
|
7,9
|
110
|
|
|
5-6
|
31,68
|
7,6
|
110
|
|
5-6
|
31,68
|
17,7
|
110
|
|
|
1-6
|
51,48
|
0,4
|
35
|
|
6-1
|
51,48
|
9,7
|
110
|
|
|
4-А
|
44,88
|
110
|
|
А-5
|
42,24
|
19,9
|
110
|
|
|
А-2
|
33,0
|
31,6
|
110
|
|
А-3
|
39,6
|
35,2
|
110
|
|
3. Выбор МАТЕРИАЛОВ, КОНСТРУКЦИИ И СЕЧЕНИЯ
ПРОВОДОВ
Выбор сечения проводов проектируемой сети производится с учетом:
технико-экономических показателей, пропускной способности сечения провода по
нагреву в послеаварийных режимах, механической прочности проводов воздушных
линий, условий образования короны (отсутствие заметных потерь мощности на
корону при хорошей погоде и относительно небольшие годовые потери энергии). В
качестве экономического критерия принимается минимум приведенных затрат. По
этому критерию вычислим экономическую плотность тока.
При использовании метода экономической плотности тока необходимо знать
средневзвешенное значение времени использования наибольшей нагрузки, равное:
где Тi -
время максимальной нагрузки i - го потребителя, ч;
Рi -
максимальная активная нагрузка i - го потребителя, МВт.
По
параметру Тср и табл.5.1 [1] принимаем расчётное значение экономической
плотности тока jэ = 1,1 А/мм2.
Экономическое
сечение провода вычисляем по формуле:
э
= Imax/jэ ,
где
Imax - максимальный ток, протекающий в нормальном режиме,
А.
Это
сечение округляется до ближайшего стандартного по табл. 1.2 приложения [1].
Результаты расчета и выбора сечений проводов сведены в таблицу 3.1 в
которой расчетные значения токов в максимальном режиме определены при выбранном
ранее номинальном напряжении (Uном=110
кВ ):
Таблица 3.1.Результаты расчета и выбора сечений проводов для 2-ух
вариантов сети.
|
Вариант Б
|
|
№ линии
|
Расчётный ток в
максимальном режиме Iрасч , А
|
Экономическое сечение
провода, Fэк,мм2
|
Выбранное сечение провода
F,мм2
|
Уточнённое сечение провода
F,мм2
|
Допустимый ток провода Iдоп
,А
|
|
2-1
|
55,39
|
50,36
|
70/11
|
АС-70/11
|
265
|
|
2-3
|
54,22
|
49,29
|
70/11
|
АС-70/11
|
265
|
|
4-3
|
51,87
|
47,16
|
70/11
|
АС-70/11
|
265
|
|
В-4
|
43,66
|
39,69
|
70/11
|
АС-70/11
|
265
|
|
В-5
|
103,75
|
94,32
|
95/16
|
АС-95/16
|
330
|
|
5-6
|
44,83
|
40,76
|
70/11
|
АС-70/11
|
265
|
|
1-6
|
2,35
|
2,13
|
70/11
|
АС-70/11
|
265
|
|
4-А
|
138,49
|
125,90
|
150/24
|
АС-150/24
|
450
|
|
А-2
|
186,38
|
169,44
|
185/29
|
АС185/29
|
510
|
|
Вариант В
|
|
№ линии
|
Расчётный ток в
максимальном режиме Iрасч , А
|
Экономическое сечение
провода, Fэк,мм2
|
Выбранное сечение провода
F,мм2
|
Уточнённое сечение провода
F,мм2
|
Допустимый ток провода Iдоп
,А
|
|
1-2
|
4,23
|
3,84
|
70/11
|
АС-70/11
|
265
|
|
3-2
|
72,53
|
65,94
|
70/11
|
АС-70/11
|
265
|
|
3-4
|
28,87
|
26,25
|
70/11
|
АС-70/11
|
265
|
|
В-4
|
100,94
|
91,76
|
95/16
|
АС-95/16
|
330
|
|
В-5
|
46,47
|
42,25
|
70/11
|
АС-70/11
|
265
|
|
5-6
|
104,46
|
94,96
|
95/16
|
АС-95/16
|
330
|
|
6-1
|
57,28
|
52,07
|
70/11
|
АС-70/11
|
265
|
|
А-5
|
117,37
|
106,69
|
120/19
|
АС-185/29
|
390
|
|
А-3
|
207,75
|
188,86
|
240/32
|
АС-240/32
|
605
|
Производим перерасчёт потоков мощности с учётом выбранного сечения. Исходные
данные приведены в таблице 3.2. Данные заносим в программу RASTR. Результаты сводим в таблицу 3.3.
Таблица 3.2.Сопротивление линий с учётом выбранного сечения проводов для
2-ух вариантов сети.
|
Вариант Б
|
|
№ линии
|
длина L,
км
|
сечение, F,мм2
|
R0, Ом/км
|
X0, Ом/км
|
В0,10-6 См/км
|
R, Ом
|
X, Ом
|
B,10-6 См
|
|
2-1
|
38,28
|
70/11
|
0,428
|
0,444
|
2,55
|
16,38
|
16,99
|
97,61
|
|
2-3
|
43,56
|
70/11
|
0,428
|
0,444
|
2,55
|
18,64
|
19,34
|
111,07
|
|
4-3
|
43,56
|
70/11
|
0,428
|
0,444
|
2,55
|
18,64
|
19,34
|
111,07
|
|
В-4
|
59,4
|
70/11
|
0,428
|
0,444
|
2,55
|
25,42
|
26,37
|
151,47
|
|
В-5
|
31,68
|
95/16
|
0,306
|
0,434
|
2,61
|
9,69
|
13,75
|
82,68
|
|
5-6
|
31,68
|
70/11
|
0,428
|
0,444
|
2,55
|
13,56
|
14,06
|
80,78
|
|
1-6
|
51,48
|
70/11
|
0,428
|
0,444
|
2,55
|
22,03
|
22,86
|
131,27
|
|
4-А
|
44,88
|
150/24
|
0,198
|
0,42
|
2,70
|
8,88
|
18,85
|
121,17
|
|
А-2
|
33,0
|
185/29
|
0,162
|
0,413
|
2,75
|
5,35
|
13,63
|
90,75
|
|
Вариант В
|
|
№ линии
|
длина L,
км
|
сечение, F,мм2
|
R0, Ом/км
|
X0, Ом/км
|
В0,10-6 См/км
|
R, Ом
|
X, Ом
|
B,10-6 См
|
|
1-2
|
38,28
|
70/11
|
0,428
|
0,444
|
2,55
|
16,38
|
16,99
|
97,61
|
|
3-2
|
43,56
|
70/11
|
0,428
|
0,444
|
2,55
|
18,64
|
19,34
|
111,08
|
|
3-4
|
43,56
|
70/11
|
0,428
|
0,444
|
2,55
|
18,64
|
19,34
|
111,08
|
|
В-4
|
59,4
|
95/16
|
0,306
|
0,434
|
2,61
|
18,17
|
25,78
|
155,03
|
|
В-5
|
31,68
|
70/11
|
0,428
|
0,444
|
2,55
|
13,56
|
14,06
|
80,78
|
|
5-6
|
31,68
|
95/16
|
0,306
|
0,434
|
2,61
|
9,69
|
13,75
|
82,68
|
|
6-1
|
51,48
|
70/11
|
0,428
|
0,444
|
2,55
|
22,03
|
22,86
|
131,27
|
|
А-5
|
42,24
|
120/19
|
0,249
|
0,427
|
2,66
|
10,52
|
18,03
|
112,35
|
|
А-3
|
39,6
|
240/32
|
0,12
|
0,405
|
2,81
|
4,75
|
16,04
|
111,27
|
Таблица 3.3. Уточнённый расчётов потокораспределения с учётом выбранного
сечения проводов линий в нормальном максимальном режиме.
|
Вариант Б
|
|
№ линии
|
Передаваемая по линии
активная мощность Pл, МВт
|
Передаваемая по линии
реактивная мощность Qл, Мвар
|
Ток в линии Iл,А
|
Сечение провода F,мм2
|
Допустимый ток провода Iдоп
,А
|
|
2-1
|
8,5
|
0,9
|
42
|
70/11
|
265
|
|
2-3
|
9,6
|
3,4
|
50
|
265
|
|
4-3
|
8,8
|
3,0
|
45
|
70/11
|
265
|
|
В-4
|
7,9
|
4,7
|
44
|
70/11
|
265
|
|
В-5
|
18,1
|
8,1
|
94
|
95/16
|
330
|
|
5-6
|
7,4
|
3,8
|
41
|
70/11
|
265
|
|
1-6
|
0,1
|
2,5
|
12
|
70/11
|
265
|
|
4-А
|
22,7
|
16,6
|
113
|
150/24
|
450
|
|
А-2
|
30,6
|
10,8
|
155
|
185/29
|
510
|
|
Вариант В
|
|
№ линии
|
Передаваемая по линии
активная мощность Pл, МВт
|
Передаваемая по линии
реактивная мощность Qл, Мвар
|
Ток в линии Iл,А
|
Сечение провода F,мм2
|
Допустимый ток провода Iдоп
,А
|
|
1-2
|
0,2
|
0,9
|
5
|
70/11
|
265
|
|
3-2
|
13,1
|
5,1
|
69
|
70/11
|
265
|
|
3-4
|
5,5
|
1,3
|
28
|
70/11
|
265
|
|
В-4
|
17,0
|
7,6
|
88
|
95/16
|
330
|
|
В-5
|
8,0
|
5,8
|
48
|
70/11
|
265
|
|
5-6
|
17,5
|
5,4
|
89
|
95/16
|
330
|
|
6-1
|
9,3
|
2,1
|
47
|
70/11
|
265
|
|
А-5
|
19,9
|
2,5
|
96
|
120/19
|
390
|
|
А-3
|
37,2
|
15,8
|
193
|
240/32
|
605
|
|
|
|
|
|
|
|
Принятое сечение провода проверяем по условиям допустимого тока нагрева
Iдоп, установленного для выбранного сечения провода по табл.1.3 приложения [1].
Это значение тока должно быть больше расчетного тока, протекающего по линии в
послеаварийном режиме. Если условие не соблюдается, то увеличиваем сечение
провода.
Пусть наиболее тяжёлым послеаварийным режимом будет режим при отключении
участка с наибольшей нагрузкой в нормальном режиме. Произведём расчёт потоков мощностей
в этом режиме, используя программу RASTR. Результаты расчёта потокораспределения и проверки выбранного сечения
провода по нагреву в послеаварийном режиме сводим в таблицу 3.4.
Таблица 3.4. Результаты расчётов потокораспределения с учётом выбранного
сечения проводов линий в послеаварийном режиме.
|
Вариант Б
|
|
№ линии
|
Передаваемая по линии
активная мощность Pл, МВт
|
Передаваемая по линии
реактивная мощность Qл, Мвар
|
Ток в линии Iл,А
|
Сечение провода F,мм2
|
Допустимый ток провода Iдоп
,А
|
Марка провода
|
|
2-1
|
0,5
|
1,3
|
9
|
70/11
|
265
|
АС-70/11
|
|
2-3
|
12,5
|
5,2
|
90
|
70/11
|
265
|
АС-70/11
|
|
4-3
|
33,2
|
15,5
|
212
|
70/11
|
265
|
АС-70/11
|
|
В-4
|
2,9
|
1,2
|
18
|
70/11
|
265
|
АС-70/11
|
|
В-5
|
28,0
|
14,2
|
183
|
95/16
|
330
|
АС-95/16
|
|
5-6
|
17,5
|
8,5
|
119
|
70/11
|
265
|
АС-70/11
|
|
1-6
|
8,6
|
5,2
|
67
|
70/11
|
265
|
АС-70/11
|
|
4-А
|
61,7
|
32,0
|
365
|
150/24
|
450
|
АС-150/24
|
|
А-2
|
отключена
|
отключена
|
отключена
|
185/29
|
510
|
АС185/29
|
|
Вариант В
|
|
№ линии
|
Передаваемая по линии
активная мощность Pл, МВт
|
Передаваемая по линии
реактивная мощность Qл, Мвар
|
Ток в линии Iл,А
|
Сечение провода F,мм2
|
Допустимый ток провода Iдоп
,А
|
Марка провода
|
|
1-2
|
17,2
|
8,4
|
143
|
70/11
|
265
|
АС-70/11
|
|
3-2
|
3,8
|
1,9
|
34
|
70/11
|
265
|
АС-70/11
|
|
3-4
|
13,9
|
7,3
|
129
|
70/11
|
265
|
АС-70/11
|
|
В-4
|
41,2
|
24,9
|
305
|
95/16
|
330
|
АС-95/16
|
|
В-5
|
16,7
|
11,8
|
129
|
70/11
|
265
|
АС-70/11
|
|
5-6
|
38,8
|
21,1
|
267
|
95/16
|
330
|
АС-95/16
|
|
6-1
|
28,9
|
14,9
|
212
|
70/11
|
265
|
АС-70/11
|
|
А-5
|
72,7
|
47,6
|
456
|
120/19
|
390
|
АС-185/29
|
|
А-3
|
отключена
|
отключена
|
отключена
|
240/32
|
605
|
АС-240/32
|
|
|
|
|
|
|
|
|
|
Так как ток в ветви А-5 (вариант В) в послеаварийном режиме превышает
допустимый ток для ранее выбранного сечения(456 А>390 А), то необходимо
увеличить сечение провода. Принимаем вместо АС-120/19 провод АС-185/29 с Iдоп=510 А.
4. Выбор числа и мощности трансформаторов на
подстанциях
Мощность трансформаторов в нормальных условиях эксплуатации должна
обеспечивать питание электрической энергией всех потребителей, подключенных к
данной подстанции. Кроме того, нужно учитывать необходимость обеспечения
ответственных потребителей (I и II категорий) электрической энергией и в случае
аварии на одном из трансформаторов, установленных на подстанции. На подстанциях
питающих потребителей I и II категорий должно быть установлено не менее двух
трансформаторов, желательно одинаковой мощности. В случае аварии на одном из
трансформаторов второй должен обеспечить полной мощностью этих потребителей.
Практически это может быть достигнуто путем установки на подстанции двух
трансформаторов, номинальная мощность каждого из которых будет рассчитана на
60...70% максимальной нагрузки подстанции. При установке на подстанции двух
трансформаторов допустимы их технологические перегрузки до 30 - 40% на время
ремонта или аварийного отключения одного из них, но не более 6 часов в сутки в
течении пяти суток подряд при условии, что коэффициент начальной его загрузки
был меньше или равен 0,93.
С учётом допустимых перегрузок мощность каждого трансформатора из двух
рассматриваемых:
тр ≥ Sм/1,4,
где Sм - максимальная мощность нагрузки
подстанции.
Для потребителей III
категории допускается устанавливать один трансформатор, мощностью:
Sт ³ Sн.
При наличии централизованного резерва допускается питание потребителей II
категории от одного трансформатора.
Выбор трансформаторов производим по табл. II.4 [1]. Результаты выбора количества и
мощностей трансформаторов на подстанциях представлен в таблице 4.1..
Таблица 4.1. Количество и мощность трансформаторов на подстанциях.
|
№ узла нагрузки
|
Максимальная нагрузка
подстанции Sм/1,4, МВА
|
Категории потребителей
электроэнергии
|
Количество трансформаторов
|
Тип трансформаторов
|
Номинальная мощность
трансформаторов Sном, МВА
|
|
1
|
7,2
|
II
|
2
|
ТДН-10000/110
|
10
|
|
2
|
10,43
|
I
|
2
|
ТДН-10000/110
|
10
|
|
3
|
14,44
|
I
|
2
|
ТДН-16000/110
|
16
|
|
4
|
17,65
|
II
|
2
|
ТРДН-25000/110
|
25
|
|
5
|
8,02
|
I
|
2
|
ТДН-10000/110
|
10
|
|
6
|
6,42
|
I
|
2
|
ТМН-6300/110
|
6,3
|
Основные параметры выбранных трансформаторов представлены в таблице 4.2.
Таблица 4.2. Основные параметры выбранных трансформаторов.
|
Тип
|
Sном, МВА
|
Пределы регулирования
|
Uном обмоток, кВ
|
Uк, %
|
Rт, Ом
|
Хт, Ом
|
DРх, кВт
|
DРк, кВт
|
Iх, %
|
|
|
|
ВН
|
НН
|
|
|
|
|
|
|
|
ТДН-10000/110
|
10
|
± 9х1,78%
|
115
|
6,6
|
10,5
|
7,95
|
139
|
14
|
60
|
0,7
|
|
ТДН-16000/110
|
16
|
± 9х1,78%
|
115
|
6,5
|
10,5
|
4,38
|
86,7
|
19
|
85
|
0,7
|
|
ТРДН-25000/110
|
25
|
± 9х1,78%
|
115
|
6,4
|
10,5
|
2,54
|
55,9
|
27
|
120
|
0,7
|
|
ТМН-6300/110
|
± 9х1,78%
|
115
|
6,6
|
10,5
|
14,7
|
220,4
|
11,5
|
44
|
0,8
|
5. Разработка однолинейной схемы электрической
сети
При выборе схемы подстанции следует учитывать число присоединений (линий
и трансформаторов), требования надежности электроснабжения потребителей и
обеспечения пропуска через подстанцию перетоков мощности по межсистемным и
магистральным линиям, возможности перспективного развития. Схемы подстанций
должны быть составлены таким образом, чтобы была возможность их постепенного
расширения и соблюдения требований необходимой релейной защиты и автоматики.
Число и вид коммутационных аппаратов выбираются так, чтобы обеспечивалась
возможность проведения поочередного ремонта отдельных элементов подстанций без
отключения соседних присоединений.
Одновременно следует стремиться к максимальному упрощению схемы
подстанции. Значительную долю в стоимости подстанции составляет стоимость
выключателей. Поэтому прежде всего надо рассмотреть возможность отказа от
применения большого числа выключателей на стороне высшего напряжения
подстанции.
Разработанные схемы для каждого варианта районной электрической сети
приведены на рисунках 5.1 и 5.2.
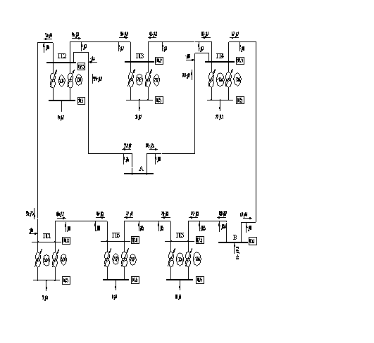
электрический сеть напряжение провод
Рисунок 5.1. Однолинейная схема варианта сети Б.
Рисунок 5.2. Однолинейная схема варианта сети В.
6. ТЕХНИКО-ЭКОНОМИЧЕСКОЕ сравнение вариантов и
выбор окончательного
Сопоставляемые варианты электрической сети отличаются друг от друга
конфигурацией схемы сети, марками и сечениями проводов, типом подстанций в
одноименных узлах. У них могут быть различия в надежности электроснабжения,
величине напряжений в узлах и т.п. В силу этих обстоятельств у рассматриваемых
вариантов будут неодинаковые потери мощности и электроэнергии. Для их
осуществления потребуются разной величины капитальные затраты.
Из этого перечня факторов вытекает, что для сопоставления вариантов сети
необходимо использовать какой-то перечень критериев, т.е. реализовать
многокритериальный подход. Но, к сожалению, многим из указанных факторов трудно
дать количественную оценку. Поэтому на практике используют однокритериальный
способ сопоставления вариантов. В практике проектирования сопоставляют варианты
по одному целевому критерию - приведенным затратам.
Предпочтение отдают тому варианту, приведенные затраты у которого
наименьшие.
В общем случае формула приведенных затрат имеет вид:
З = рн∙(Кл + Кп) +(ра.л%/100)∙Кл+(ра.п%/100)∙Кп+ рт.o.л∙L+рт.o.п∙N+ DЭ0×b0 + DЭн×bн ,
где pн=0,12-нормативный коэффициент
эффективности капиталовложений, принимать который рекомендуется равным 0,12 [1,
стр. 70];
Кл-стоимость линий, тыс. у.е.;
Кп - стоимость подстанций, тыс. у.е.;
ра.п%=0,064 [1, стр. 68]-отчисления на амортизацию электротехнического
оборудования и распределительных устройств;
ра.л%=0,024 [1, стр. 68]-отчисления на амортизацию воздушных линий
электропередач;
рт.o.л=50 у.e/км [1, стр. 69]-ежегодные расходы на текущий ремонт и
обслуживание линий электропередач;
рт.o.л=15 тыс. y.e/пс [1, стр.
69]-ежегодные расходы на текущий ремонт и обслуживание подстанции напряжением
110 кВ;
L-суммарная
длина линий электропередач районной электрической сети, км;
N-количество
трансформаторных подстанций районной электрической сети;
DЭ0 - потери энергии холостого хода, кВт·ч;
β 0 - стоимость потерь электроэнергии
холостого хода, тыс. у.е./кВт·ч;
DЭн - нагрузочные потери электроэнергии, кВт·ч;
β н - стоимость нагрузочных потерь
электроэнергии, тыс. у.е. ./кВт·ч.
Стоимость линий
где
K0j - удельная стоимость j - ой линии,
принятая по укрупненным показателям для линий с железобетонными опорами
(таблица IV.2 [1,стр. 297]), тыс. у.е./км;
Lj -
протяжённость j - ой линии, км.
Расчёт
стоимости линий представлен в таблице 6.1.
Стоимость
подстанций:
где
i - индексы номеров подстанций;
Ктрi -
расчетная стоимость трансформаторов на i-ой подстанции, принятые по данным
таблице V.5 [1, стр. 299], тыс. у.е.;
Круi -
стоимость РУ i-ой подстанций, тыс. у.е. Принимаем по таблица V.1 [1, стр. 289];
Кпостi -
постоянная часть затрат на i-ую подстанцию, тыс. у.е. Эта часть затрат зависит от
типа подстанции и принимается по таблице V.7 [1, стр. 300];
Кдоп
- стоимость дополнительного оборудования (если таковое имеется, тыс. у.е.).
Таблица 6.1. Стоимость сооружения воздушной линии электропередач районной
электрической сети на железобетонных опорах, проходящей по I району по гололеду.
|
Вариант Б
|
|
|
№ линии
|
Длина линии L,
км
|
Марка провода
|
Сечение провода F,мм2
|
Удельная стоимость,
тыс.у.е./км
|
Стоимость линии, тыс.у.е.
|
|
2-1
|
38,28
|
АС-70/11
|
70/11
|
10,5
|
401,94
|
|
2-3
|
43,56
|
АС-70/11
|
70/11
|
10,5
|
457,38
|
|
4-3
|
43,56
|
АС-70/11
|
70/11
|
10,5
|
457,38
|
|
В-4
|
59,4
|
АС-70/11
|
70/11
|
10,5
|
623,7
|
|
В-5
|
31,68
|
АС-95/16
|
95/16
|
11,1
|
351,65
|
|
5-6
|
31,68
|
АС-70/11
|
70/11
|
10,5
|
332,64
|
|
1-6
|
51,48
|
АС-70/11
|
70/11
|
10,5
|
540,54
|
|
4-А
|
44,88
|
АС-150/24
|
150/24
|
11,5
|
516,12
|
|
А-2
|
33,0
|
АС185/29
|
185/29
|
12,6
|
415,8
|
|
Суммарная стоимость линий,
тыс. у.е.
|
4097,15
|
|
|
Вариант В
|
|
|
№ линии
|
Длина линии L,
км
|
Марка провода
|
Сечение провода F,мм2
|
Удельная стоимость,
тыс.у.е./км
|
Стоимость линии, тыс.у.е.
|
|
1-2
|
38,28
|
АС-70/11
|
70/11
|
10,5
|
401,94
|
|
3-2
|
43,56
|
АС-70/11
|
70/11
|
10,5
|
457,38
|
|
3-4
|
43,56
|
АС-70/11
|
70/11
|
10,5
|
457,38
|
|
В-4
|
59,4
|
АС-95/16
|
95/16
|
11,1
|
659,34
|
|
В-5
|
31,68
|
АС-70/11
|
70/11
|
10,5
|
332,64
|
|
5-6
|
31,68
|
АС-95/16
|
95/16
|
11,1
|
351,65
|
|
6-1
|
51,48
|
АС-70/11
|
70/11
|
10,5
|
540,54
|
|
А-5
|
42,24
|
АС-185/29
|
120/19
|
12,6
|
532,22
|
|
А-3
|
39,6
|
АС-240/32
|
240/32
|
14,0
|
544,4
|
|
Суммарная стоимость линий,
тыс. у.е.
|
4277,49
|
В общем случае стоимость РУ подстанции
Круi = nяi × Кяi ,
где nяi - количество выключателей i - ой подстанции;
Кяi - стоимость ячейки соответствующего
напряжения i - ой подстанции, принятые по (табл.
V.1,V.2 [1]), тыс. у.е.
Расчёт стоимости подстанций представлен в таблице 6.2.
Таблица 6.2. Стоимость подстанций районной электрической сети.
|
Вариант Б
|
|
№ подстанции
|
Стоимость трансформаторов
Ктр, тыс. у.е.
|
Стоимость РУ Кру, тыс.у.е.
|
Постоянная часть затрат
Кпост, тыс.у.е.
|
Стоимость дополнительного
оборудования Кдоп, тыс. у.е.
|
Стоимость подстанции Кп,
тыс. у.е.
|
|
1
|
2×54
|
120
|
210
|
0
|
438
|
|
2
|
2×54
|
10×42
|
290
|
0
|
818
|
|
3
|
2×63
|
120
|
210
|
0
|
456
|
|
4
|
2×84
|
10×42
|
290
|
0
|
878
|
|
5
|
2×54
|
120
|
210
|
0
|
438
|
|
6
|
2×49
|
120
|
210
|
0
|
428
|
|
7(А)
|
-
|
6×42
|
-
|
0
|
252
|
|
8 (В)
|
-
|
6×42
|
-
|
0
|
252
|
|
Суммарная стоимость
подстанций, тыс. у.е.
|
3960
|
|
Вариант В
|
|
№ подстанции
|
Стоимость трансформаторов
Ктр, тыс. у.е.
|
Стоимость РУ Кру, тыс.у.е.
|
Постоянная часть затрат
Кпост, тыс.у.е.
|
Стоимость дополнительного
оборудования Кдоп, тыс. у.е.
|
Стоимость подстанции Кп,
тыс. у.е.
|
|
1
|
2×54
|
120
|
210
|
0
|
438
|
|
2
|
2×54
|
120
|
210
|
0
|
438
|
|
3
|
2×63
|
10×42
|
290
|
0
|
836
|
|
4
|
2×84
|
120
|
210
|
0
|
498
|
|
5
|
2×54
|
10×42
|
290
|
0
|
818
|
|
6
|
2×49
|
120
|
210
|
0
|
428
|
|
7 (А)
|
-
|
6×42
|
-
|
0
|
252
|
|
8(В)
|
-
|
6×42
|
-
|
0
|
252
|
|
Суммарная стоимость
подстанций, тыс. у.е.
|
3960
|
Потери энергии холостого хода:
DЭ0 = (DР0л + DР0т)×8760,
где DР0л - потери
активной мощности на корону, кВт. Принимаем DР0л = 0, т.к. в наших схемах не учитываются;
DР0т - потери активной мощности в стали трансформаторов, кВт.
.
Нагрузочные потери электроэнергии:
DЭн = DРн×t = (DРн лэп + DРн т)×t,
где DРн лэп -
нагрузочные потери активной мощности в линиях, кВт;
DРн т - нагрузочные потери активной мощности в трансформаторах, кВт.
t - время максимальных потерь,ч.
Нагрузочные потери активной мощности в трансформаторах:
.
Время
максимальных потерь:
.
Стоимость 1 кВт×ч потери электроэнергии холостого хода b0 и нагрузочных bн принимаем по данным в функции времени потерь t и коэффициента попадания максимума
потерь в максимум нагрузки Км (Км » 1)по[2].Принимаем b0 = 0,0175 у.е./кВт×ч и bн =
0,022 у.е./кВт×ч.
Расчет потерь мощности и энергии в трансформаторах сводим в таблицу 6.3.
Таблица 6.3. Потери мощности и энергии в трансформаторах подстанций
районной электрической сети.
|
№ подстанции
|
ТМ, ч
|
t, ч
|
DР0т, кВт
|
DРнт, кВт
|
DЭ0т, МВт·ч
|
DЭнт, МВт·ч
|
|
|
|
|
|
|
|
|
1
|
3200
|
1726,91
|
2×14
|
30,67
|
48,35
|
52,96
|
|
2
|
4100
|
2497,96
|
2×14
|
64,0
|
69,94
|
174,7
|
|
3
|
4200
|
2592,39
|
2×19
|
67,9
|
98,51
|
255,37
|
|
4
|
3800
|
2225,18
|
2×27
|
58,65
|
120,16
|
267,37
|
|
5
|
5100
|
2×14
|
37,87
|
98,59
|
347,15
|
|
6
|
4800
|
3195,78
|
2×11,5
|
44,78
|
73,5
|
234,88
|
|
Суммарные потери
|
199
|
303,87
|
509,05
|
1332,43
|
Нагрузочные потери активной мощности в линиях принимаются по данным
электрического расчёта режима максимальных нагрузок для каждого из вариантов.
Для расчёта потерь энергии в линиях необходимо определить усреднённое для всех
линий время максимальных потерь по средневзвешенному значению времени
использования наибольшей нагрузки Тср.
Время максимальных потерь
ч.
Расчет
нагрузочных потерь мощности и энергии в линиях сводим в таблицу 6.4.
Таблица 6.4. Нагрузочные потери в линиях электропередач районной
электрической сети.
|
Вариант Б
|
Вариант В
|
|
№ линии
|
Pл, МВт
|
Qл, МВт
|
ΔPл,
кВт
|
ΔQл,
кВт
|
ΔЭл, МВт·ч
|
|
№ линии
|
Pл, МВт
|
Qл, МВт
|
ΔPл,
кВт
|
ΔQл,
кВт
|
ΔЭл, МВт·ч
|
|
2-1
|
8,5
|
0,9
|
120
|
130
|
452,16
|
|
1-2
|
0,2
|
0,9
|
0
|
0
|
0
|
|
2-3
|
9,6
|
3,4
|
170
|
170
|
640,56
|
|
3-2
|
13,1
|
5,1
|
320
|
330
|
1205,76
|
|
4-3
|
8,8
|
3,0
|
130
|
140
|
489,84
|
|
3-4
|
5,5
|
1,3
|
50
|
60
|
188,4
|
|
В-4
|
7,9
|
4,7
|
150
|
160
|
565,2
|
|
В-4
|
17,0
|
7,6
|
490
|
700
|
1846,32
|
|
В-5
|
18,1
|
8,1
|
300
|
420
|
1130,4
|
|
В-5
|
8,0
|
5,8
|
110
|
110
|
414,48
|
|
5-6
|
7,4
|
3,8
|
80
|
90
|
301,44
|
|
5-6
|
17,5
|
5,4
|
270
|
380
|
1017,36
|
|
1-6
|
0,1
|
2,5
|
0
|
0
|
0
|
|
6-1
|
9,3
|
2,1
|
180
|
180
|
678,24
|
|
4-А
|
22,7
|
16,6
|
440
|
940
|
1657,92
|
|
А-5
|
19,9
|
2,5
|
330
|
570
|
1243,44
|
|
А-2
|
30,6
|
10,8
|
490
|
1250
|
1846,32
|
|
А-3
|
37,2
|
15,8
|
610
|
2070
|
2298,48
|
|
Суммарные потери
|
1880
|
3300
|
7083,84
|
|
Суммарные потери
|
2360
|
4400
|
8892,48
|
Определим приведенные затраты для каждого варианта:
З1=0,12∙(4097,15+3960)+0,024∙4097,15+0,064∙3960+0,05∙377,52+15∙6+(509,05+1332,43+7083,84)∙0,026=1659,56
тыс. у.е.
З2=0,12∙(4277,49+3960)+0,024∙4277,49+0,064∙3960+0,05∙381,48+15∙6+(509,05+1332,43+8892,48)∙0,026=1732,75
тыс. у.е.
Поскольку приведенные затраты по варианту В разработанной схемы районной
электрической сети оказались больше приведенных затрат по варианту Б
разработанной схемы районной электрической сети (З2 > З1), то для
дальнейшего расчёта целесообразнее выбрать вариант Б.
. РАСЧЕТ ХАРАКТЕРНЫХ РЕЖИМОВ СЕТИ
Целью электрического расчета сети является определение параметров
режимов, выявление возможностей дальнейшего повышения экономичности работы сети
и получение необходимых данных для решения вопросов регулирования напряжения.
В электрический расчет входят распределение активных и реактивных
мощностей по линиям сети, вычисление потерь активной и реактивной мощностей в
сети, а также расчет напряжений на шинах потребительских подстанций в основных
нормальных и послеаварийных режимах работы.
На этом этапе проектирования полагаем, что желаемая электрическая сеть
уже создана. Разработаны основные технические решения по её конфигурации и
конструктивному устройству. Необходимо лишь проверить её работоспособность и
управляемость, а также уточнить значения режимных параметров по фактическим
параметрам её элементов.
Расчет производим при помощи учебной программы RASTR на ЭВМ.
Исходные данные для расчётов электрических режимов приведены в таблице
7.1. Результаты расчётов сведены в таблицы 7.2,7.3,7.4.
Таблица 7.1. Исходные данные к расчету характерных режимов районной
электрической сети.
|
Режим максимальных нагрузок
|
|
Узел
|
P, МВт
|
Q, Мвар
|
S, МВ×А
|
|
1
|
9
|
4,61
|
10,11
|
|
2
|
13
|
6,66
|
14,6
|
|
3
|
18
|
9,22
|
20,22
|
|
4
|
22
|
11,27
|
24,72
|
|
5
|
10
|
5,12
|
11,23
|
|
6
|
8
|
4,09
|
8,98
|
|
В
|
25
|
12,8
|
28,08
|
|
UA=1,05×UН=1,05×110=115,5кВ
|
|
Режим минимальных нагрузок
|
|
Узел
|
P, МВт
|
Q, Мвар
|
S, МВ×А
|
|
1
|
5,4
|
2,76
|
6,07
|
|
2
|
7,8
|
3,99
|
8,76
|
|
3
|
10,8
|
5,53
|
12,13
|
|
4
|
13,2
|
6,76
|
14,83
|
|
5
|
6,0
|
3,07
|
6,74
|
|
6
|
4,8
|
2,45
|
5,39
|
|
В
|
15
|
7,68
|
16,85
|
|
UA=UН=110кВ
|
|
Режим послеаварийный
режим
|
|
Узел
|
P, МВт
|
Q, Мвар
|
S, МВ×А
|
|
1
|
9
|
4,61
|
10,11
|
|
2
|
13
|
6,66
|
14,6
|
|
3
|
18
|
9,22
|
20,22
|
|
4
|
22
|
11,27
|
24,72
|
|
5
|
10
|
5,12
|
11,23
|
|
6
|
8
|
4,09
|
8,98
|
|
В
|
25
|
12,8
|
28,08
|
|
UA=1,1×UН=1,05×110=115,5кВ
|
Таблица 7.2. Результаты расчета максимального режима районной
электрической сети.
|
Линия
|
2-1
|
2-3
|
4-3
|
В-4
|
В-5
|
5-6
|
1-6
|
А-4
|
А-2
|
|
Pн в начале линии, МВт
|
9,6
|
9,6
|
8,7
|
6,9
|
18,0
|
7,8
|
0,4
|
24,5
|
32,9
|
|
Pн в конце линии, МВт
|
9,5
|
9,4
|
8,5
|
6,7
|
17,7
|
7,7
|
0,4
|
24,1
|
32,4
|
|
Qн в начале линии, МВар
|
1,4
|
3,7
|
3,1
|
4,4
|
8,2
|
3,8
|
2,2
|
7,6
|
12,0
|
|
Qн в конце линии, МВар
|
2,5
|
4,9
|
4,3
|
6,2
|
8,9
|
4,7
|
0,5
|
8,2
|
11,9
|
|
Ток I в
линии, А А
|
50
|
53
|
47
|
41
|
99
|
44
|
11
|
128
|
175
|
|
Зарядная мощность Qзар,
Мвар
|
-1,2
|
-1,4
|
-1,4
|
-2,0
|
-1,1
|
-1,0
|
-1,6
|
-1,6
|
-1,2
|
|
Узлы
|
1
|
2
|
3
|
4
|
5
|
6
|
В
|
|
Напряжение в узле Ui,кВ
|
110,8
|
112,5
|
110,2
|
112,3
|
112,5
|
111,0
|
Таблица 7.3. Результаты расчета минимального режима районной
электрической сети.
|
Линия
|
2-1
|
2-3
|
4-3
|
В-4
|
В-5
|
5-6
|
1-6
|
А-4
|
А-2
|
|
Pн в начале линии, МВт
|
5,5
|
5,7
|
5,2
|
4,3
|
10,8
|
4,6
|
0,1
|
14,3
|
19,2
|
|
Pн в конце линии, МВт
|
5,5
|
5,7
|
5,2
|
4,3
|
10,7
|
4,6
|
0,1
|
14,1
|
19,0
|
|
Qн в начале линии, МВар
|
0,5
|
1,6
|
1,5
|
3,3
|
4,4
|
2,2
|
2,2
|
2,1
|
4,3
|
|
Qн в конце линии, МВар
|
0,6
|
2,8
|
2,7
|
5,0
|
5,3
|
3,1
|
0,6
|
3,2
|
5,0
|
|
Ток I в
линии, А
|
30
|
32
|
29
|
28
|
61
|
27
|
12
|
76
|
103
|
|
Зарядная мощность Qзар,
Мвар
|
-1,1
|
-1,3
|
-1,3
|
-1,8
|
-1,0
|
-0,9
|
-1,5
|
-1,4
|
-1,1
|
|
Узлы
|
1
|
2
|
3
|
4
|
5
|
6
|
В
|
|
Напряжение в узле Ui,кВ
|
107,6
|
108,5
|
107,1
|
108,4
|
108,8
|
107,9
|
110,4
|
Таблица 7.4. Результаты расчета послеаварийного режима районной
электрической сети.
|
Линия
|
2-1
|
3-2
|
4-3
|
4-В
|
В-5
|
5-6
|
6-1
|
А-4
|
А-2
|
|
Pн в начале линии, МВт
|
0
|
13,0
|
32,9
|
2,8
|
27,9
|
17,5
|
8,9
|
60,8
|
Отк.
|
|
Pн в конце линии, МВт
|
0
|
12,6
|
30,7
|
2,8
|
27,1
|
17,0
|
8,7
|
57,7
|
Отк.
|
|
Qн в начале линии, МВар
|
1,6
|
4,4
|
14,5
|
1,0
|
13,6
|
8,2
|
4,4
|
29,1
|
Отк.
|
|
Qн в конце линии, МВар
|
0,7
|
5,0
|
13,4
|
0,6
|
13,3
|
8,4
|
5,3
|
24,1
|
Отк.
|
|
Ток I в
линии, А
|
10
|
82
|
196
|
16
|
170
|
110
|
60
|
337
|
Отк.
|
|
Зарядная мощность Qзар,
Мвар
|
-0,9
|
-1,0
|
-1,2
|
-1,7
|
-0,9
|
-0,8
|
-1,2
|
-1,5
|
Отк.
|
|
Узлы
|
1
|
2
|
3
|
4
|
5
|
6
|
В
|
|
Напряжение в узле Ui,кВ
|
94,5
|
94,3
|
97,7
|
106,2
|
101,2
|
97,7
|
105,6
|
Рис.
7.1 а) - режим максимальных нагрузок;
Рис.
7.1 б) - режим минимальных нагрузок;
Рис. 7.1 в)- послеаварийный режим.
8. ВЫБОР СРЕДСТВ РЕГУЛИРОВАНИЯ НАПРЯЖЕНИЙ
Обеспечение потребителей электроэнергией требуемого качества заключается
в поддержании требуемого напряжения с возможностью его регулирования. В
качестве специальных средств регулирования напряжения прежде всего могут быть
использованы трансформаторы с регулированием напряжения под нагрузкой (РПН).
Если с их помощью невозможно обеспечить удовлетворительные величины напряжений,
следует рассмотреть целесообразность установки статических конденсаторов или
синхронных компенсаторов.
Определяем падение напряжения в трансформаторах
DU = (Рн × Rт + Qн × Хт)/Uрв,
где Рн, Qн - активная и реактивная мощности нагрузки в узле, МВт и
Мвар;т,Хт - активное и реактивное сопротивления трансформаторов на подстанции ,
Ом;рв - рабочее высшее напряжение в данном узле, кВ, рассчитанное на ПЭВМ по
программе RASTR.
Напряжение в данном узле с учетом потерь в трансформаторе:
’ = Uрв - DU
Желаемое напряжение регулировочного ответвления определяем по формуле:
отвж = U’×Uнн /Uнж,
где Uнн - номинальное напряжение обмотки низшего напряжения
трансформатора ,кВ;нж - желаемое напряжение на низкой стороне трансформатора.
Для режима максимальных нагрузок и послеаварийного режима Uнж = 10,5 кВ. Для
режима минимальных нагрузок Uнж = 10 кВ.
По найденному значению расчётного напряжения регулировочного ответвления
определяем ближайшее стандартное ответвление Uотв.ст. Для этого предварительно
рассчитаем напряжения, соответствующие каждому ответвлению трансформатора
(таблица 8.1).
Таблица 8.1. Параметры регулирования трансформатора с РПН.
|
№ ответвления
|
Добавка напряжения, %
|
Uв.н.д., кВ
|
|
1
|
2
|
3
|
|
1
|
+16,02
|
133,4
|
|
2
|
+14,24
|
131,4
|
|
3
|
+12,46
|
129,3
|
|
4
|
+10,68
|
127,3
|
|
5
|
+8,90
|
125,2
|
|
6
|
+7,12
|
123,2
|
|
7
|
+5,34
|
121,1
|
|
8
|
+3,56
|
119,1
|
|
9
|
+1,78
|
117,0
|
|
10
|
0,00
|
115,0
|
|
11
|
-1,78
|
113,0
|
|
12
|
-3,56
|
110,9
|
|
13
|
-5,34
|
108,9
|
|
14
|
-7,12
|
106,8
|
|
15
|
-8,90
|
104,8
|
|
16
|
-10,68
|
102,7
|
|
17
|
-12,46
|
100,7
|
|
18
|
-14,24
|
98,6
|
|
19
|
-16,02
|
96,6
|
По стандартному напряжению ответвления рассчитываем действительное
напряжение на низкой стороне трансформатора:
Uнд = U’×Uнн/Uoтв.ст.
Результаты расчетов сводим в таблицу 8.2.
Таблица 8.2. Результаты расчета характерных режимов выбранного варианта
районной электрической сети.
|
Режим максимальных нагрузок
|
|
Номер узла
|
Тип трансформатора
|
U
|
dU
|
U'
|
Uнн
|
Uнж
|
Uотв
|
Uотв ст
|
Uнд
|
отпайка
|
|
1
|
ТДН-10000/110
|
110,8
|
6,42
|
104,38
|
11
|
10,5
|
109,35
|
108,9
|
10,54
|
-5,34
|
|
2
|
ТДН-10000/110
|
112,5
|
9,15
|
103,35
|
11
|
10,5
|
108,27
|
108,9
|
10,46
|
-5,34
|
|
3
|
ТДН-16000/110
|
110,2
|
7,97
|
102,23
|
11
|
10,5
|
107,09
|
106,8
|
10,53
|
-7,12
|
|
4
|
ТРДН-25000/110
|
112,3
|
6,1
|
106,2
|
11
|
10,5
|
111,26
|
110,9
|
10,53
|
-3,56
|
|
5
|
ТДН-10000/110
|
112,5
|
7,03
|
105,47
|
11
|
10,5
|
110,49
|
110,9
|
10,46
|
-3,56
|
|
6
|
ТМН-6300/110
|
111,0
|
9,18
|
101,82
|
11
|
10,5
|
106,67
|
106,8
|
10,49
|
-7,12
|
|
Режим минимальных нагрузок
|
|
|
Номер узла
|
Тип трансформатора
|
U
|
dU
|
U'
|
Uнн
|
Uнж
|
Uотв
|
Uотв ст
|
Uнд
|
отпайка
|
|
|
1
|
107,6
|
3,97
|
103,63
|
11
|
10,0
|
113,99
|
113,0
|
10,08
|
-1,78
|
|
|
2
|
ТДН-10000/110
|
108,5
|
5,69
|
102,81
|
11
|
10,0
|
113,09
|
113,0
|
10,0
|
-1,78
|
|
|
3
|
ТДН-16000/110
|
107,1
|
4,92
|
102,18
|
11
|
10,0
|
112,39
|
113,0
|
9,95
|
-1,78
|
|
|
4
|
ТРДН-25000/110
|
108,4
|
3,79
|
104,61
|
11
|
10,0
|
115,07
|
115,0
|
10,0
|
0
|
|
|
5
|
ТДН-10000/110
|
108,8
|
4,36
|
104,44
|
11
|
10,0
|
114,88
|
115,0
|
9,99
|
0
|
|
|
6
|
ТМН-6300/110
|
107,9
|
5,66
|
102,24
|
11
|
10,0
|
112,46
|
113,0
|
9,95
|
-1,78
|
|
|
Послеаварийный режим
максимальных нагрузок
|
|
Номер узла
|
Тип трансформатора
|
U
|
dU
|
U'
|
Uнн
|
Uнж
|
Uотв
|
Uотв ст
|
Uнд
|
отпайка
|
|
1
|
ТДН-10000/110
|
94,5
|
7,54
|
86,96
|
11
|
10,5
|
91,1
|
96,6
|
9,9
|
-16,02
|
|
2
|
ТДН-10000/110
|
94,3
|
10,92
|
83,38
|
11
|
10,5
|
87,35
|
96,6
|
9,49
|
-16,02
|
|
3
|
ТДН-16000/110
|
97,7
|
8,99
|
88,71
|
11
|
10,5
|
92,93
|
96,6
|
10,1
|
-16,02
|
|
4
|
ТРДН-25000/110
|
106,2
|
6,46
|
99,74
|
11
|
10,5
|
104,49
|
104,8
|
10,47
|
-8,9
|
|
5
|
ТДН-10000/110
|
101,2
|
7,82
|
93,38
|
11
|
10,5
|
97,83
|
98,6
|
10,42
|
-14,24
|
|
6
|
ТМН-6300/110
|
97,7
|
10,43
|
87,27
|
11
|
10,5
|
91,43
|
96,6
|
9,94
|
-16,02
|
Поскольку применение трансформаторов с РПН обеспечивает
удовлетворительные величины напряжений у потребителей, то применение
дополнительных средств регулирования напряжения не требуется.
9. Технико-экономические показатели сети
В конце проекта необходимо привести основные технические и экономические
показатели электрической сети, по которым специалисты-эксперты могут судить о
степени правильности принятия инженерных решений при проектировании объекта.
Приводятся следующие обобщенные данные:
. Номинальное напряжение сети Uн =110 кВ.
.Установленная мощность трансформаторов:
где
Smi - номинальная мощность трансформаторов на i -
ой подстанции.
.
Протяженность ЛЭП:
где
Li -длина ветви ЛЭП;
.
Передаваемая активная мощность:
где
Pi - активная мощность i - го потребителя.
.
Передаваемая электроэнергия:
где
Tmaxi - время использования максимальной нагрузки i - го потребителя.
.
Потери мощности:
DР = DРл + DРт = 1,88 + (0,199+0,303) = 2,382 МВт,
где
DРл - потери мощности в линиях, МВт;
DРт - потери мощности
в трансформаторах, МВт.
.
Потери электроэнергии:
DЭ = DЭл + DЭт = 7083,84 + (1332,43 +509,05) = 8925,32 МВт×ч,
где
DЭл - потери электроэнергии в линиях, МВт×ч;
DЭт - потери
электроэнергии в трансформаторах, МВт×ч;
.
Капитальные затраты:
К=
Кл + Кп = 4097,15+3960 =8057,15 тыс. у.е.
.
Годовые эксплуатационные расходы:
Гэ =(ра.л%/100)∙Кл+(ра.п%/100)∙Кп+ рт.o.л∙L+рт.o.п∙N+ DЭ0×b0 + +DЭн×bн=0,024∙4097,15+0,064∙3960+0,05∙377,52+15∙6+(509,05+1332,43+7083,84)∙0,026=692,7
тыс. у.е.
где pн=0,12-нормативный коэффициент
эффективности капиталовложений, принимать который рекомендуется равным 0,12 [1,
стр. 70];
Кл-стоимость линий, тыс. у.е.;
Кп - стоимость подстанций, тыс. у.е.;
ра.п%=0,064 [1, стр. 68]-отчисления на амортизацию электротехнического
оборудования и распределительных устройств;
ра.л%=0,024 [1, стр. 68]-отчисления на амортизацию воздушных линий
электропередач;
рт.o.л=50 у.e/км [1, стр. 69]-ежегодные расходы на текущий ремонт и
обслуживание линий электропередач;
рт.o.л=15 тыс. y.e/км [1, стр.
69]-ежегодные расходы на текущий ремонт и обслуживание линий электропередач;
L-суммарная
длина линий электропередач районной электрической сети, км;
N-количество
подстанций районной электрической сети;
DЭ0 - потери энергии холостого хода, кВт·ч;
β 0 - стоимость потерь электроэнергии
холостого хода, тыс. у.е./кВт·ч;
DЭн - нагрузочные потери электроэнергии, кВт·ч;
β н - стоимость нагрузочных потерь
электроэнергии, тыс. у.е. ./кВт·ч.
. Приведенные затраты:
Зп = рн∙К+Гэ =0,12∙8057,15+692,7=1659,56 тыс. у.е.,
где pн=0,12-нормативный коэффициент
эффективности капиталовложений, принимать который рекомендуется равным 0,12 [1,
стр. 70];
. Стоимость передачи электроэнергии:
= Зп/ Э =1659,56 /268200 = 0,0061 у.е./кВт×ч.
. Себестоимость передачи электроэнергии:
¢ = ГЭ/ Э = 692,7 / 268200 = 0,0026
у.е./кВт×ч.
10. МОНТАЖНЫE КРИВЫE
Провода воздушных линий испытывают действие нагрузок - вертикальных (вес
провода и гололёда) и горизонтальных (давление ветра), в результате чего в металле
возникают растягивающие напряжения.
При расчетах удобно пользоваться удельными (приведенными) нагрузками,
которые относятся к 1 м длины линии и 1 мм сечения провода.
Удельные нагрузки рассчитывают исходя из условия, что нагрузка по длине
провода в пролете распределяется равномерно и порывы ветра отсутствуют.
Нагрузка от собственной массы провода вычисляется в зависимости от
материала провода и его конструкции:
g1 = Go×g/S=384×10-3×9,8/ 111,3 =3,4×10-3 даН/(м×мм2),
где Go = 384 кг/км [ 7, стр. 30-31 ] - удельная масса провода марки
АС-95/16;= 9,8 м/c2 - ускорение
свободного падения;
S =
111,3 мм2 [ 7, стр. 30-31 ] - суммарная площадь поперечного сечения всех
проволок или троса (в данном случае провода марки АС-95/16).
Нагрузку от массы гололеда определяют исходя из условия, что гололедные
отложения имеют цилиндрическую форму, плотностью go = 0,9 г/см3:
g2 = (
×bг×(d+bг)×go×g)/S=(
×5×(13,6+5)×0,9×10-3×9,8)/111,3=2,3×10-3 даН/(м×мм2),
где
d =13,6 мм [ 7, стр. 30-31 ] - наружный диаметр провода марки АС-95/16;г=5
мм [ 7, стр. 17 ] - толщина стенки гололеда, принимаемая в зависимости от
климатического района по гололеду (в данном случае I район по
гололеду) и номинального напряжения линии Uн=110 кВ.
Нагрузка
от собственной массы провода и массы гололеда направлена вертикально и
определяется по формуле:
g3 = g1 + g2=3,4×10-3+2,3×10-3=5,7×10-3 даН/(м×мм2).
Нагрузка
от давления ветра при отсутствии гололеда рассчитывается согласно выражению:
g4 = a×Сх×d×q×sinj/S=0,76×1,2×13,6×10-3×50×sin900/ 111,3=5,57×10-3 даН/(м×мм2),
где
- угол между направлением ветра и проводами линий (в
расчетах принимается равным 90);max = 50 кгс/м2 [ 7, стр. 17]- скоростной напор ветра,
который зависит от климатического района по ветру (в данном случае III
район по ветру) и номинального напряжения сети Uн = 110 кВ;
Сx
= 1,2 [ 7, стр. 23] - аэродинамический коэффициент для проводов и тросов
диаметром менее 20 мм свободных от гололеда, и всех проводов и тросов, покрытых
гололедом;
= 0,76 [
7, стр. 23 ]- коэффициент, которым учитывается неравномерность скорости ветра
по длине пролета (полученный путем линейной интерполяции при q =
50 кгс/м2, при q ≤
27 кгс/м2 α
= 1).
Нагрузка
от давления ветра при наличии гололеда рассчитывается аналогично, но с учетом
увеличения площади боковой поверхности провода из-за гололеда:
g5=a×Сх (d+2bг)∙(qmax/4)×sinj/S=1,0×1,2∙(13,6+2×5)∙10-3∙(50/4)
sin900/111,3 = 3,18×10-3 даН/(м×мм2).
Суммарная
нагрузка от собственной массы проводов и от давления ветра (при отсутствии
гололеда) составляет:
Суммарная
нагрузка от собственной массы провода, от гололеда и давления ветра равна:
Под
воздействием механической нагрузки и температуры окружающей среды в проводах
воздушных линий возникают механические напряжения. Для каждой марки провода
существует предел прочности, превышение которого вызывает необратимые изменения
механических свойств провода. Напряжения в проводе не должны быть меньше
допустимых при трёх наиболее опасных условиях:
при
наименьшей температуре;
при
наибольшей нагрузке;
при
среднеэксплуатационных условиях.
С
помощью трёх критических пролётов определяют, какой из трёх указанных условий
нужно принимать в качестве исходного условия в уравнении состояния провода.
Первый
критический пролет - это пролет такой длины, при которой напряжение в проводе в
режиме среднегодовой температуры равно допустимому при среднегодовой
температуре sэ, а в режиме низшей температуры - допустимому
напряжению при низшей температуре s-. Выражение для
первого критического пролёта:
где
t- = -35 oС- низшая температура;э = +17 oС -
среднегодовая температура;
b - значение,
обратное модулю упругости, принимаем b = l/E = 1/8250=1,2×10-4 мм2/даН ( Е = 8250 гс/мм2 [ 7, стр. 34] - для
провода марки АС-95/16);
sпр = 29 даН/мм2 [ 7,
стр. 34]- предел прочности при растяжении для провода марки АС-95/16;
sг = s- = smax =
0,45∙sпр= 0,45×29 = 13,05
даН/мм2 - допустимые напряжения при наибольшей нагрузке и при низшей
температуре;
sэ = 0,3∙sпр= 0,3×29 = 8,7 даН/мм2 - допустимое напряжение при
среднегодовой температуре;
a=19,2×10-6 1/оС [ 7, стр. 34 ] - температурный коэффициент
линейного удлинения провода марки АС-95/16.
Второй
критический пролет - это пролет, при котором напряжение в проводе при
наибольшей нагрузке равно допустимому напряжению при наибольшей нагрузке sг, а в режиме низшей температуры - допустимому напряжению при низшей
температуре s-:
где
tг -температура в режиме максимальной нагрузки, принимаем равной -5 оС [ 7,
стр. 19 ];
gг - удельная
нагрузка в режиме максимальной нагрузки (gг = g7).
Третий
критический пролет - это пролет, при котором напряжение при среднегодовой
температуре достигает допустимого при среднегодовой температуре sэ, а в режиме максимальной нагрузки равно допустимому при максимальной
нагрузке sг:
Таким
образом, 367,1м >276,9м >187,7м, т. е. l1k > l2k
> l3k.
За исходный для пролетов длинной l = 250 м принимается режим максимальных нагрузок.
Расчет
монтажных кривых ведется исходя из уравнения состояния провода:
После
преобразования получим:
s3 - 7,67s2 + 0,159(t +
5)s2 - 250,9 = 0.
Стрелу
провеса определим по формуле:
=
g1×l2/(8s) = 3,4×10 -3×2502/8s =26,6/s
Тяжение
провода:
=S×s= 111,3s
Задаваясь
различными значениями температуры t, вычислим значения s, а по ним - f и Т. Определяем значения напряжения и стрелы провеса,
рассчитываем натяжение провода для различных температур. Данные результатов
расчетов сводим в таблицу 9.1.
Таблица
10.1. Данные для построения монтажных кривых.
|
t, оС
|
-30
|
-20
|
-10
|
0
|
10
|
20
|
30
|
|
s, даН/мм2
|
13,1
|
11,8
|
10,7
|
9,6
|
8,6
|
7,8
|
7,1
|
|
f, м
|
2,03
|
2,25
|
2,48
|
2,77
|
3,08
|
3,41
|
3,75
|
|
Т, даН
|
1458,03
|
1313,34
|
1190,91
|
1068,48
|
957,18
|
868,14
|
790,23
|
По данным таблицы строим монтажные кривые:
Рис.10.1. Монтажные кривые.
ЗАКЛЮЧЕНИЕ
Проведена разработка 4 вариантов схем электрической сети по заданному
расположению потребителей.
Из ранее выбранных 4 вариантов схем электрической сети, на основании
сопоставления их по суммарным длинам линий, были выбраны два наиболее
целесообразных варианта (схема Б и схема В).
Для выбранных схем по заданному расположению потребителей и их мощности в
режиме наибольших нагрузок произведён выбор номинального напряжения по экономическим
областям применения различных номинальных напряжений. В качестве номинального
напряжения для обоих вариантов принято напряжение 110 кВ. Далее, на основании
произведенных расчётов потоков мощностей для схем с Uном=110 кВ, выбраны марки и сечения проводов на отдельных
участках схем по экономической плотности тока. Выбранные провода проверены по
допустимому нагреву в послеаварийном режиме. При выборе трансформаторов на
подстанциях по мощности в режиме наибольших нагрузок, для потребителей I и II категории по надёжности электроснабжения выбрано по два
трансформатора на подстанции.
На основании произведенного технико-экономического сравнения выбранных
вариантов, выбран для последующего рассмотрения вариант схемы Б.
Произведен расчёт характерных электрических режимов.
Разработаны мероприятия по обеспечению потребителей электроэнергией
требуемого качества. В качестве средств регулирования напряжения применены
трансформаторы с регулированием напряжения под нагрузкой. Применение
трансформаторов с РПН обеспечивает удовлетворительные величины напряжений у
потребителей, поэтому применение дополнительных средств регулирования
напряжения не требуется.
Приведены основные технико-экономические показатели спроектированной
схемы электроснабжения района.
Литература
1. Поспелов
Г.Е., Федин В.Т. Электрические системы и сети. Проектирование: Учеб. пособие
для вузов. - 2-е изд., испр. и доп. - Мн: Вышэйшая школа, 1988 - 308 с.
. Справочник
по проектированию линий электропередачи / М.Б. Крюков и др. Под ред. М.А. Реута
и С.С. Рокотяна.-2-е изд., перераб. и доп. -М.: Энергия, 1980 -296 с., ил.
. Сыч Н. М.,
Федин В. Т. Проектирование электрических сетей электроэнергетических систем:
Учебное пособие к комплексному курсовому проекту и курсовому проекту по курсу
«Электрические системы и сети». - Мн. : БГПА, 1994 .- 39 с.