Проектирование районной электрической сети
Содержание
Введение
. Задание и исходные данные для
проектирования
. Варианты схем электрической сети
.1 Варианты радиально-магистральной
схемы электрической сети
.2 Варианты схем электрической сети,
имеющие замкнутый контур
. Приближенный расчет потокораспределения
в электрической сети
.1 Расчет потокораспределения в
радиально-магистральной сети
.2 Расчет потокораспределения в сети
с замкнутым контуром
. Выбор номинальных напряжений в
электрической сети
.1 Выбор номинальных напряжений в
радиально-магистральной сети
.2 Выбор номинальных напряжений в
сети с замкнутым контуром
. Баланс активной и реактивной
мощности электрической сети
. Определение необходимости
установки и выбор компенсирующих устройств
. Выбор трансформаторов
. Выбор сечений проводов воздушных
линий электропередачи
. Составление схемы замещения
электрической сети и определение ее параметров
. Разработка схемы электрических
соединений сети
. Технико-экономическое обоснование
окончательного варианта исполнения электрической сети
.1 Определение капиталовложений на
сооружение электрической сети
.2Определение ежегодных издержек на
эксплуатацию
. Уточненный расчет компенсирующих
устройств в электрической сети
.1 Максимальный режим работы сети
.2 Минимальный режим работы сети
.3 Послеаварийный режим работы сети
. Точный электрический расчет
.1 Расчет максимального режима
работы сети
.2 Расчет минимального режима работы
сети
.3 Расчет послеаварийного режима
работы сети
. Выбор устройства регулирования
напряжения
Заключение
Введение
Начало развития электрических систем в нашей
стране было положено планом ГОЭЛРО - планом электрификации России. Его идеи
привели к созданию объединенных энергетических систем, в том числе и единой
энергетической системы (ЕЭС). Задачу проектирования электрических систем следует
рассматривать как задачу развития единой энергетической системы России. При
проектировании электрических систем важно учитывать интересы и специфику
административных и экономических районов. Поэтому проектирование ЕЭС России
должно основываться на учете развития энергосистем и их объединений.
В соответствии с основными положениями
Энергетической программы на длительную перспективу в ближайшие два десятилетия
намечено завершение формирования ЕЭС страны, сооружение магистральных линий
электропередачи напряжением 1150 кВ постоянного тока.
Создание мощных электрических систем обусловлено
их большими технико-экономическими преимуществами. С увеличением их мощности
появляется возможность сооружения более крупных электрических станций с более
экономичными агрегатами, повышается надежность электроснабжения потребителей,
более полно и рационально используется оборудование.
Формирование электрических систем осуществляется
с помощью электрических сетей, которые выполняют функции передачи энергии и
электроснабжения потребителей.
Расчетные задачи решаются по определенным
формулам по известной методике на основе необходимых исходных данных. Задачи,
которые поставлены в проекте электрической сети, в большинстве случаев не имеют
однозначного решения. Выбор наиболее удачного варианта электрической сети
производится не только путем теоретических расчетов, но и на основе различных
соображений, производственного опыта.
1. Задание и исходные данные для проектирования
Спроектировать электрическую сеть для
электроснабжения указанных потребителей от электрической системы.
Месторасположение источника питания и потребителей электроэнергии указано на
рисунке 1.1, а их характеристики в таблице 1.1. Электрическая сеть расположена
в объединенной энергосистеме (ОЭС) Сибири, II
районе по гололеду.
В таблице 1.1 даны значения активной
мощности нагрузок потребителей в максимальном режиме
, МВт
Рисунок 1.1
Расстояние между точками:
,
,
,
,
,
,
,
,
Таблица 1.1 - Характеристика
источника питания и потребителей электроэнергии
|
Параметр
|
Pi,
МВт
|
cosΦi
|
Qi,
Мвар
|
lSil,
МВа
|
Tmi,
ч
|
Uнн,
кВ
|
Для
нагрузки 3-й категории d3i,%
|
|
Источник
питания 0
|
-
|
0,95
|
-
|
-
|
-
|
-
|
-
|
|
Подстанция
1
|
26
|
0,65
|
30,397
|
40
|
3800
|
10
|
0%
|
|
Подстанция
2
|
23
|
0,75
|
20,273
|
30,66
|
4200
|
10
|
0%
|
|
Подстанция
3
|
27
|
0,62
|
34,157
|
43,54
|
4600
|
10
|
25%
|
|
Подстанция
4
|
26
|
0,77
|
21,534
|
33,76
|
3500
|
10
|
0%
|
Полная мощность нагрузок
потребителей
определяется,
исходя из активной мощности нагрузки
и коэффициента мощности
потребителей,
указанных в таблице 1.1.
,
.
2. Варианты схемы электрической сети
.1 Варианты радиально-магистральной схемы
электрической сети
Составим варианты радиально-магистральной схемы
электрической сети (рисунок 2.1). На рисунке 2.1 а) приведена радиальная схема,
на рисунках 2.1 б) ,в), г) - радиально-магистральные схемы.
Рисунок 2.1 - Варианты
радиально-магистральных схем
Характеристика вариантов
радиально-магистральной схемы электрической сети приведена в таблице 2.1.
В таблицах 2.1 и 2.2 длина ЛЭП
рассчитывается
следующим образом. Если на участке сети используется двухцепная ЛЭП, то ее
длина определяется по выражению
, где
- длина участка сети, а если
используется одноцепная ЛЭП, то по выражению
Таблица 2.1 - Характеристика
вариантов радиально-магистральных систем
|
Вариант
|
Участок
|
Lлеп,км
|
∑Lлеп,км
|
№n/сm
|
Количество
выключателей n, шт
|
∑n,шт
|
Pнагр
МВт
|
момент
мощности Pi*Li, Мвт* км
|
∑Pi*Li,
Мвт* км
|
Оринтеровочная
стоимость, тыс.руб
|
|
а)
|
|
|
176
|
0
|
9
|
21
|
0
|
|
4516
|
2868
|
|
01
|
24
|
|
1
|
3
|
|
26
|
624
|
|
|
|
02
|
42
|
|
2
|
3
|
|
23
|
966
|
|
|
|
03
|
66
|
|
3
|
3
|
|
27
|
1782
|
|
|
|
04
|
44
|
|
4
|
3
|
|
26
|
1144
|
|
|
|
б)
|
|
|
156
|
0
|
5
|
21
|
0
|
|
4014
|
2628
|
|
01
|
24
|
|
1
|
3
|
|
26
|
624
|
|
|
|
03
|
66
|
|
3
|
7
|
|
27
|
1782
|
|
|
|
23
|
36
|
|
2
|
3
|
|
23
|
828
|
|
|
|
34
|
30
|
|
4
|
3
|
|
26
|
780
|
|
|
|
в)
|
|
|
170
|
0
|
7
|
19
|
0
|
|
4378
|
2724
|
|
01
|
24
|
|
1
|
3
|
|
26
|
624
|
|
|
|
03
|
66
|
|
3
|
3
|
|
27
|
1782
|
|
|
|
23
|
36
|
|
2
|
3
|
|
23
|
828
|
|
|
|
04
|
44
|
|
4
|
3
|
|
26
|
1144
|
|
|
|
в)
|
|
|
156
|
0
|
7
|
19
|
0
|
|
4056
|
2556
|
|
01
|
24
|
|
1
|
3
|
|
26
|
624
|
|
|
|
12
|
22
|
|
2
|
3
|
|
23
|
506
|
|
|
|
03
|
66
|
|
3
|
3
|
|
27
|
1782
|
|
|
|
04
|
44
|
|
4
|
3
|
|
26
|
1144
|
|
|
Ориентировочное напряжение всех рассматриваемых
вариантов равно 110 кВ.
Стоимость 1 км ЛЭП: U=110
кВ - 12 тыс.р.; U=220 кВ - 25
тыс. р.
Стоимость 1 выключателя: U=110
кВ - 36 тыс.р.; U=220 кВ - 79
тыс. р.
Варианты «а» и «в»отклоняем ввиду большой их
стоимости, и для дальнейших расчетов принимаем вариант «г», поскольку он
дешевле и имеет меньше момент мощности, чем у варианта «б».
.2 Варианты схем электрической сети, имеющие
замкнутый контур
Составим варианты схем электрической сети,
имеющий замкнутый контур (рисунок 2.2) Схема, приведенная на рисунке 2.2 а),
является простейшей замкнутой (кольцевой) схемой.
Предварительный анализ и выбор вариантов схем
исполнения сети, имеющих замкнутый контур, производим, сводя данные в таблицу
2.2.
Рисунок 2.2 - Варианты схем, имеющих
замкнутый контур
Таблица 2.2 - Характеристика
вариантов схем, имеющих замкнутый контур
|
Вариант
|
Участок
|
Lлеп,км
|
∑Lлеп,км
|
№n/сm
|
Количество
выключателей n, шт
|
∑n,шт
|
Ориентировочная
стоимость, тыс.руб
|
|
а)
|
01
|
12
|
78
|
0
|
3
|
15
|
1476
|
|
12
|
11
|
|
1
|
3
|
|
|
|
23
|
18
|
|
2
|
3
|
|
|
|
34
|
15
|
|
3
|
3
|
|
|
|
04
|
22
|
|
4
|
3
|
|
|
|
б)
|
01
|
12
|
118
|
0
|
5
|
17
|
2028
|
|
12
|
11
|
|
1
|
3
|
|
|
|
02
|
21
|
|
2
|
3
|
|
|
|
04
|
44
|
|
3
|
3
|
|
|
|
34
|
30
|
|
4
|
3
|
|
|
|
в)
|
01
|
24
|
116
|
0
|
5
|
17
|
2004
|
|
12
|
22
|
|
1
|
3
|
|
|
|
04
|
22
|
|
3
|
3
|
|
|
|
34
|
15
|
|
4
|
3
|
|
|
|
03
|
33
|
|
2
|
3
|
|
|
|
в)
|
03
|
66
|
125
|
0
|
17
|
2112
|
|
34
|
15
|
|
1
|
3
|
|
|
|
01
|
12
|
|
2
|
3
|
|
|
|
12
|
11
|
|
3
|
3
|
|
|
|
02
|
21
|
|
4
|
3
|
|
|
Ориентировочное напряжение вариантов «а» и «в»
220 кВ, а вариантов «б» и «г» - 110 кВ.
Исходя из упрощенных критериев выбираем вариант
«б», т.к. при чуть меньшей стоимости, вариант «г» будет иметь существенной
падение напряжения в аварийном режиме при повреждении участка 03 и, вероятно не
пройдет проверку.
3. Приближенный расчет потокораспределения в
электрической сети
.1 Расчет потокораспределения в
радиально-магистральной сети
Нормальный режим.
Составим схему радиально-магистральной сети в
нормальном режиме (рисунок 3.1).
Рисунок 3.1 - Нормальный режим
Расставим направление потоков
мощности на участках сети (рисунок 3.1)и рассчитаем потоки мощности для
участков сети:
мощность нагрузки
берем из
таблицы 1.1.
Послеаварийный режим.
Составим схему
радиально-магистральной сети в послеаварийном режиме, когда одна из цепей ЛЭП
выведена из строя (рисунок 3.2).
Рисунок 3.2 - Послеаварийный режим
Расставим направление потоков
мощности на участках сети (рисунок 3.2) и рассчитаем потоки мощности для
участков сети:
.2 Расчет потокораспределения в сети
с замкнутым контуром
Нормальный режим.
Составим схему сети с замкнутым контуром
в нормальном режиме (рисунок 3.3).
Рисунок 3.3 - нормальный режим
Расставим направление потоков
мощности на участках сети (рисунок 3.3).
Рассчитаем потоки мощности,
передающиеся по участкам сети с замкнутым контуром:
Рассчитаем мощность, передающуюся
через радиальный участок 043
Рассчитаем потоки мощности для
головных участков сети 01 и 02 по правилу электрических моментов:
Рассчитаем потоки мощности для
остальных промежуточных участков сети 12 по первому закону Кирхгофа:
Послеаварийный режим.
Составим схему сети с замкнутым
контуром в послеаварийном режиме (рисунок 3.4). В данной сети наиболее
загруженным головным участком в нормальном режиме является участок 01.
Рассматривая послеаварийный режим сети, предположим, что данный участок вышел
из строя.
Рисунок 3.4 - Послеаварийный режим
Рассчитаем потоки мощности для
участков сети:
4. Выбор номинальных напряжений в электрической
сети
.1 Выбор номинальных напряжений в
радиально-магистральной сети
Значения величин P
и Q берем из пункта 3.
Номинальное напряжение
=110кВ для
каждого участка сети определяются по формуле Стилла:
Для всех участков напряжение
округляем до двух ближайших значений
=35кВ,
=110кВ.
Полученные значения напряжения
проверяем по допустимой суммарной потере напряжения в сети в нормальном и
послеаварийном режимах.
Для 35 кВ
=0,3 Ом,
=0,4 Ом.
При
=35кВ
7
Проверка
в
послеаварийном режиме
После проверки в нормальном и
послеаварийном режимах окончательно принимаем напряжение
для всех
участков радиально-магистральной сети.
.2 Выбор номинальных напряжений в
сети с замкнутым контуром
Т.к. в кольце применяется одно
напряжение, то для кольца номинальное напряжение определяют по самому загруженному
участку.
Для 0120 по наиболее загруженному
участку 01
Для всех участков напряжение
округляем до двух ближайших значений
,
При
Т.к. условие
не
выполняется, то напряжение 35 кВ для данной сети не подходит.
При
Принимаем номинальное напряжение на
радиальном участке сети 043=35кВ
Проверка в нормальном режиме:
Т.к. условие
не
выполняется, то напряжение
для данной сети не подходит.
Принимаем номинальное напряжение
радиального участка сети 043
Проверка в нормальном режиме:
Т.к. для номинального
условия
проверки в нормальном режиме выполняются на участке 043, то номинальное
напряжение принимаем 110 кВ.
На кольцевом участке принимаем 100кВ
Проверка
в
послеаварийном режиме, когда из строя выходит наиболее загруженный участок 01:
После проверки в нормальном и
послеаварийном режимах окончательно принимаем напряжение
=110кВ для
всех участков радиально-магистральной сети и сети с замкнутым контуром.
5. Баланс активной и реактивной
мощности электрической сети
Значения
и
берутся из
таблицы 1.1.
Коэффициент одновременности
потребления активной мощности
=0,95;
; резервная
активная мощность сети:
.
Коэффициент одновременности потребления реактивной мощности
= 0,95;
; резервная
реактивная мощность сети:
;
.
Приближенный баланс активной
мощности в сети рассчитывается по выражению:
.
Суммарная активная мощность нагрузок,
питающихся от сети:
.
Активная мощность, необходимая для
покрытия потребностей потребителей сети:
.
Считаем, что установленная мощность
генераторов источника питания
достаточна для покрытия
потребностей сети:
;
Реактивная мощность, выдаваемая
источником питания в сеть, определяется по выражению:
.
Приближенный баланс реактивной
мощности радиально-магистральной сети рассчитывается по выражению:
,
Приближенный баланс реактивной
мощности в сети, имеющей замкнутый контур.
,
6. Определение необходимости
установки и выбор компенсирующих устройств
- необходимая мощность
компенсирующих устройств.
Т.к.
, то необходима установка
компенсирующих устройств в сети. Используя в расчетах величины
,
(из пункта
5) и
,
,
(из таблицы
1.1), распределяем суммарную мощность компенсирующих устройств по подстанциям:
,
где
- коэффициент суммарной мощности
нагрузок всех подстанций сети после установки компенсирующих устройств:
,
Определяем необходимое количество
батарей конденсаторов:
.
Уточняем мощности нагрузок
подстанций на основании выбранных батарей конденсаторов:
.
Результаты выбора компенсирующих
устройств сведем в таблицу 6.1.
Таблица 6.1 - Выбор компенсирующих
устройств
|
Номер
п/ст
|
tgΦб
|
Qкуi
Мвар
|
Тип
БК
|
Qбк
Мвар
|
ni,
шт.
|
Qкуi=
n*Qбк, Мвар
|
QкуΣ, Мвар
|
Si,
МВА
|
|
1
|
0,18
|
25,7
|
КСКГ-1,05-125
|
7,9
|
3
|
25,7
|
88,4
|
26+j
6,7
|
|
2
|
|
16,4
|
|
|
2
|
16,4
|
|
23+j
4,5
|
|
3
|
|
29,4
|
|
|
4
|
29,4
|
|
27+j2,6
|
|
4
|
|
16,9
|
|
|
2
|
16,9
|
|
26+j5,7
|
Приближенный расчет потокораспределения в
радиально-магистральной сети в нормальном режиме:
Приближенный расчет
потокораспределения в радиально-магистральной сети в послеаварийном режиме.
Послеаварийный режим
Сеть с замкнутым контуром.
Нормальный режим
Для головных участков:
Приближенный расчет
потокораспределения в сети, имеющей замкнутый контур, в послеаварийном режиме,
когда выходит из строя участок 01.
7. Выбор трансформаторов
При питании потребителей 1 и 2
категорий по надежности электроснабжения на подстанции улавливаются два
параллельно работающих трансформатора одинаковой мощности.
Результаты выбора трансформаторов
сведем в таблицу 7.1, при это используем следующие формулы:
Мощность каждого из трансформаторов
выбирается по выражению:
,
где
=1,4 - коэффициент перезагрузки;
значения величины
берем из
пункта 6.
На подстанции 1 устанавливаем два
трансформатора
Выбираем на подстанции 1 два
трехфазных трансформатора ТРДН-25000/110.
На подстанции 2 устанавливаем два
трансформатора, необходимая мощность каждого из которых
Выбираем на подстанции 2 два
трехфазных двухобмоточных трансформатора ТРДН-25000/110
На подстанции 3 устанавливаем два
трансформатора, необходимая мощность каждого из которых
Выбираем на подстанции 3 два
трехфазных двухобмоточных трансформатора ТРДН-25000/110
На подстанции 4 устанавливаем два
трансформатора, необходимая мощность каждого из которых
Выбираем на подстанции 4 два
трехфазных двухобмоточных трансформатора ТРДН-25000/110
Таблица 7.1 - Выбор трансформаторов
на подстанциях
|
Номер
п/ст
|
Кол-во
трасформаторов
|
Sном
тр, МВА
|
│Sнавi│/Kпер,
МВА
|
Тип
трансформатора
|
|
1
|
2
|
25
|
19,18
|
ТРДН
25000/110
|
|
2
|
2
|
25
|
16,74
|
ТРДН
25000/110
|
|
3
|
2
|
25
|
19,38
|
ТРДН
25000/110
|
|
4
|
2
|
25
|
19,01
|
ТРДН
25000/110
|
Таблица 7.2 - Справочные и расчетные данные
трансформаторов
|
Тип
|
Sном
тр, МВ*А
|
±
n×E0,
%
|
Uном
ВН, кВ
|
Uном
НН, кВ
|
Uкз,
%
|
∆Pкз,
кВт
|
∆Pхх,
кВт
|
Iхх,
кВт
|
Rтр
Ом
|
Хтр,
Ом
|
∆Qхх,
квар
|
|
ТРДН-25000/110
|
25
|
±
9×1,78
|
115
|
10,5/10,5
|
10,5
|
120
|
27
|
0,7
|
2,54
|
55,9
|
175
|
8. Выбор сечений проводов воздушных линий
электропередачи
Для воздушных линий напряжением 110 кВ выбираем
сталеалюминевые провода марки АС.
Результаты выбора и проверки сечений проводов
воздушных ЛЭП сведем в соответствующие таблицы 8.1 и 8.2, при этом используя
следующие формулы:
;
, значение величины
берется из
пункта 6.
Таблица 8.1 - Выбор сечений проводов
воздушных ЛЭП радиально-магистральной сети
|
Участок
|
│Sнр│,МВА
|
Iнр,
А
|
│Sнав│,
МВА
|
Iнав,
А
|
Iдоп,
А
|
Марка
провода
|
|
01
|
25,13
|
132
|
38,55
|
202
|
450
|
АС-150
/ 24
|
|
12
|
11,72
|
62
|
23,44
|
123
|
390
|
АС-120
/ 19
|
|
03
|
13,56
|
71
|
27,13
|
142
|
390
|
АС-120
/ 19
|
|
04
|
13,20
|
69
|
26,62
|
14
|
265
|
АС-70
/ 11
|
Таблица 8.2 - Выбор сечений проводов воздушных
ЛЭП сети с замкнутым контуром
|
Участок
|
│Sнр│,МВА
|
Iнр,
А
|
Iдоп,
А
|
Марка
провода
|
30,70
|
161
|
450
|
АС-150
|
|
12
|
3,90
|
2
|
390
|
АС-120
|
|
02
|
19,57
|
103
|
390
|
АС-120
|
|
04
|
26,82
|
141
|
390
|
АС-120
|
|
34
|
13,56
|
71
|
330
|
АС-95
|
Таблица 8.3 - Проверка сечений проводов
воздушных ЛЭП радиально-магистральной сети
|
Уч-ток
|
Sнавр,
МВА при выходе из строя участка
|
│Sнавр│,
МВА при выходе из строя участка
|
Iнавр,
А при выходе из строя участка
|
Iнаврмах,
А
|
Окончательная
марка F, мм
|
Iдоп,
А
|
|
01
|
02
|
01
|
02
|
01
|
02
|
|
|
|
|
01
|
-
|
49+J11,2
|
-
|
50,26
|
-
|
264
|
264
|
АС-185/29
|
510
|
|
12
|
26,5+J6,7
|
23+J4,5
|
27,33
|
23,43
|
143
|
123
|
143
|
АС-120/19
|
390
|
|
02
|
49+J11,2
|
-
|
50,26
|
-
|
264
|
-
|
264
|
АС-185/29
|
510
|
|
04
|
26,5+J1,3
|
26,5+J1,3
|
26,53
|
26,53
|
139
|
139
|
139
|
АС-120/19
|
390
|
|
34
|
13,5+J1,3
|
13,5+J1,3
|
13,56
|
13,56
|
71
|
71
|
71
|
АС-95/16
|
330
|
Рассчитаем мощность, проходящую по участку сети
при повреждении участка 02
9. Составление схемы замещения
электрической сети и определение ее параметров
Схема замещения
радиально-магистральной сети представлена на рисунке 9.1, а сети с замкнутым
контуром - на рисунке 9.2.
Результаты расчета параметров схем
замещения воздушных линий электропередач и трансформаторов приведены в таблицах
9.1-9.2.
Рисунок 9.1 - Схема замещения
радиально-магистральной сети
Рисунок 9.2 - Схема замещения сети с
замкнутым контуром
Параметры схем замещения элементов
электрической сети определяются следующим образом:
Для одноцепной ВЛЭП:
;
;
.
Для двухцепной ВЛЭП:
;
;
.
Для однотрансформаторной подстанции:
;
.
Для двухтрансформаторной подстанции:
;
,
значения величин
и
берем из
таблицы 7.1.
Таблица 9.1 - Параметры схемы
замещения ВЛЭП электрических сетей
|
Уч-к
сети
|
Кол-во
цепей ЛЭП
|
Марка
провода
|
Uном,
кВ
|
Lуч,
км
|
r0,
Ом/км
|
x0,
Ом/км
|
b0
×10-6, См/км
|
Rуч,
Ом
|
Xуч,
Ом
|
Q'учс,Q"учс,
Мвар
|
|
Радиально-магистральная
сеть
|
|
01
|
2
|
АС-150/
24
|
110
|
24
|
0,198
|
0,42
|
2,7
|
2,376
|
5,04
|
0,784
|
|
12
|
2
|
АС-120/
19
|
110
|
22
|
0,249
|
0,427
|
2,66
|
2,74
|
4,70
|
0,709
|
|
03
|
2
|
АС-120/
19
|
110
|
66
|
0,249
|
0,427
|
2,66
|
8,22
|
14,09
|
2,125
|
|
04
|
2
|
АС-70/11
|
110
|
44
|
0,428
|
0,444
|
2,55
|
18,83
|
19,54
|
0,678
|
|
Сеть
с замкнутым контуром
|
|
01
|
1
|
АС-185/29
|
110
|
12
|
0,162
|
0,413
|
2,75
|
1,94
|
4,96
|
0,2
|
|
12
|
1
|
АС-120/19
|
110
|
11
|
0,249
|
0,427
|
2,66
|
2,74
|
4,70
|
0,177
|
|
02
|
1
|
АС-185/29
|
110
|
21
|
0,162
|
0,413
|
2,75
|
3,40
|
8,67
|
0,349
|
|
04
|
2
|
АС-120/19
|
110
|
44
|
0,249
|
0,427
|
2,66
|
5,48
|
9,39
|
1,417
|
|
34
|
2
|
АС-95/16
|
110
|
30
|
0,306
|
0,434
|
2,61
|
4,59
|
6,51
|
0,947
|
Таблица 9.2 - Параметры схемы замещения
трансформаторов
|
Номер
п/ст
|
Кол-во
тр-ров, шт
|
Тип
трансформатора
|
Sномтр,
МВА
|
∆Pхх,МВт
|
Iхх,
%
|
∆Sст,
МВА
|
Zтр=Rтр+jXтр,
Ом
|
|
1
|
2
|
ТРДН
25000/110
|
25
|
0,027
|
0,7
|
0,054+j0,35
|
1,27+j27,95
|
|
2
|
2
|
ТРДН
25000/110
|
25
|
0,027
|
0,7
|
0,054+j0,35
|
1,27+j27,95
|
|
3
|
2
|
ТРДН
25000/110
|
25
|
0,027
|
0,7
|
0,054+j0,35
|
1,27+j27,95
|
|
4
|
2
|
ТРДН
25000/110
|
25
|
0,027
|
0,7
|
0,054+j0,35
|
1,27+j27,95
|
10. Разработка схемы электрических соединений
сети
Схема электрических соединений
радиально-магистральной сети представлена на рисунке 10.1, а в сети с замкнутым
контуром - на рисунке 10.2.
Рисунок 10.1 - Схемы электрических
соединений радиально-магистральной сети
Рисунок 10.2 - Схемы электрических
соединений сети с замкнутым контуром
11. Технико-экономическое
обоснование окончательного варианта исполнения электрической сети
.1 Определение капиталовложений на
сооружение электрической сети
При определении капиталовложений на
сооружение электрической сети для радиально-магистральной сети используется
разработанная схема электрических соединений, приведенная на рисунке 10.1, а
для сети с замкнутым контуром - на рисунке 10.2.
Для удобства расчеты по определению
капиталовложений на сооружение воздушных линий электропередач и подстанций
электрической сети производится в табличной форме (таблицы 11.1 и 11.2).
Капиталовложения на сооружение
электрической сети определяются:
,
где
- поправочный зональный
коэффициент, для Сибири = 1,2.
Для радиально-магистральной сети:
тыс.р.
Для сети с замкнутым контуром:
тыс.р.
Таблица 11.1 - Капиталовложения на
сооружение ВЛЭП электрической сети по вариантам
|
Участок
|
Lуч,
км
|
Тип
опор
|
Марка
провода
|
С0лэп
тыс.руб/км
|
Клэп=С0лэп*Lуч,
тыс.руб
|
Клэп∑,
тыс.руб
|
|
Радиально-магистральная
сеть
|
|
01
|
24
|
Железобетонные
двухцепные
|
АС-150
/ 24
|
22,2
|
532,8
|
3
269,60
|
|
12
|
22
|
|
АС-120
/ 19
|
20,4
|
448,8
|
|
|
03
|
66
|
|
АС-120
/ 19
|
20,4
|
1346,4
|
|
|
04
|
44
|
|
АС-70
/ 11
|
21,4
|
941,6
|
|
|
Сеть,
имеющая замкнутый контур
|
|
01
|
12
|
Железобетонные
одноцепные
|
АС-185/29
|
13,8
|
165,6
|
2127,1
|
|
12
|
11
|
|
АС-120/19
|
13,1
|
144,1
|
|
|
02
|
21
|
|
АС-185/29
|
13,8
|
289,8
|
|
|
04
|
44
|
Железобетонные
двухцепные
|
АС-120/19
|
20,4
|
897,6
|
|
|
34
|
30
|
|
АС-95/16
|
21
|
630
|
|
Таблица 11.2 - Капиталовложения на сооружение
подстанций сети по вариантам
|
Элемент
сети
|
Стоимость
|
Кn/ст∑
тыс.руб
|
|
РЭС
|
п/ст
1
|
п/ст
2
|
п/ст
3
|
п/ст
4
|
|
|
Радиально-магистральная
сеть
|
|
РУ
на РЭС
|
-
|
-
|
-
|
-
|
2677
|
|
ОРУ
на подстанции
|
-
|
-
|
-
|
-
|
-
|
|
|
-
типовая схема
|
-
|
120
|
120
|
120
|
120
|
|
|
-трансформаторы
|
-
|
2х84
|
2х84
|
2х84
|
2х84
|
|
|
-батареи
конденсаторов
|
-
|
3х40
|
2х40
|
4х40
|
2х40
|
|
|
-постоянная
часть затрат
|
-
|
210
|
210
|
210
|
210
|
|
|
Итого
|
245
|
618
|
578
|
658
|
578
|
|
|
Сеть,
имеющая замкнутый контур
|
|
РУ
на РЭС
|
5х35
|
-
|
-
|
-
|
-
|
2607
|
|
ОРУ
на подстанции
|
-
|
-
|
-
|
-
|
-
|
|
|
-
типовая схема
|
-
|
120
|
120
|
120
|
120
|
|
|
-трансформаторы
|
-
|
2х84
|
2х84
|
2х84
|
2х84
|
|
|
-батареи
конденсаторов
|
-
|
3х40
|
2х40
|
4х40
|
2х40
|
|
|
-постоянная
часть затрат
|
-
|
210
|
210
|
210
|
210
|
|
|
Итого
|
175
|
618
|
578
|
658
|
578
|
|
.2 Определение ежегодных издержек на
эксплуатацию
Рассчитаем издержки для радиально-магистральной
сети (I), и с замкнутым
контуром (II).
Определяем нормы амортизационных отчислений и
отчислений на обслуживание и текущий ремонт воздушных линий электропередач и
подстанций:
;
;
;
Отчисления от капитальных вложений
на амортизацию:
;
тыс.р.
тыс.р.
Отчисления на обслуживание и
капитальный ремонт:
;
тыс.р.
тыс.р.
Определяем число часов использования
максимума активной нагрузки
в году для суммарной нагрузки
электрической сети:
значения
и
берем из
таблицы 1.1.
Определяется время максимальных
потерь
для
суммарной нагрузки электрической сети:
;
Определяем стоимость 1 МВтч потерь
электроэнергии:
.
Определяются потери электроэнергии в
воздушных ЛЭП, зависящие и независящие от нагрузки. Данные сводятся в таблицу
11.3.
Таблица 11.3 - Потери электроэнергии
в ВЛЭП
|
Участок
сети
|
Кол-во
цепей сети
|
│Sлэпоцl│,
МВА
|
Uном,
кВ
|
Rлэпj,
Ом
|
۲,ч
|
∆W'лэпl,
МВт*ч
|
∆W'лэп∑,
МВт*ч
|
∆W"лэпl,
МВт*ч
|
∆W"лэп∑,
МВт*ч
|
|
Радиально-магистральная
сеть
|
|
01
|
2
|
25,13
|
110
|
2,376
|
2847
|
1412
|
3497,2
|
0
|
0
|
|
12
|
2
|
11,72
|
110
|
2,74
|
2847
|
354,2
|
|
0
|
|
|
03
|
2
|
13,56
|
110
|
8,22
|
2847
|
1423
|
|
0
|
|
|
04
|
2
|
13,20
|
110
|
18,83
|
2847
|
308
|
|
0
|
|
|
Сеть
с замкнутым контуром
|
|
01
|
1
|
30,70
|
110
|
1,94
|
2847
|
430,2
|
14898,9
|
0
|
0
|
|
12
|
1
|
3,90
|
110
|
2,74
|
2847
|
9806
|
|
0
|
|
|
02
|
1
|
19,57
|
110
|
3,40
|
2847
|
306,4
|
|
0
|
|
|
04
|
2
|
26,82
|
110
|
5,48
|
2847
|
3562
|
|
0
|
|
|
34
|
2
|
13,56
|
110
|
4,59
|
2847
|
794,3
|
|
0
|
|
Потери электроэнергии на участке ЛЭП
определяются по выражению:
для одноцепной ЛЭП:
;
для двухцепной ЛЭП:
.
Определяются потери электроэнергии в
трансформаторах, зависящие и не зависящие от нагрузки. Данные сводятся в
таблицу 11.4.
Потери в n параллельно
работающих двухобмоточных трансформаторах определяются по выражению:
;
Таблица 11.4 - Потери электроэнергии
в трансформаторах
|
№
п/с
|
Кол-во
тр.
|
│Sнагрj│
МВ*А
|
Sномтрj
МВА
|
∆Pкз,
кВт
|
۲,ч
|
∆W'трl,
МВт*ч
|
W'тр∑,
МВт*ч
|
∆Pхх,
кВт
|
T,ч
|
∆W"трl,
МВт*ч
|
∆W"тр∑,
МВт*ч
|
|
1
|
2
|
26,85
|
25
|
0,120
|
2847
|
197
|
742,1
|
0,027
|
8760
|
473,04
|
1892,16
|
|
2
|
2
|
23,44
|
25
|
0,120
|
2847
|
150,2
|
|
0,027
|
8760
|
473,04
|
|
|
3
|
2
|
27,13
|
25
|
0,120
|
2847
|
201,2
|
|
0,027
|
8760
|
473,04
|
|
|
4
|
2
|
26,62
|
25
|
0,120
|
2847
|
193,7
|
|
0,027
|
8760
|
473,04
|
|
Определяются потери электроэнергии в батареях
конденсаторов, зависящие и не зависящие от нагрузки. Данные сводятся в таблицу
11.5.
Таблица 11.5 - Потери электроэнергии в батареях
конденсаторов
|
Номер
п/ст
|
∆W'бкl,
МВт*ч
|
∆W'бкj∑,
МВт*ч
|
Qбкj,
Мвар
|
Tбк
,ч
|
∆W''бкl,
МВт*ч
|
∆W"бкj∑,
МВт*ч
|
|
1
|
0
|
0
|
25,7
|
7
000
|
539,7
|
1856,4
|
|
2
|
0
|
|
16,4
|
7
000
|
344,4
|
|
|
3
|
0
|
|
29,4
|
7
000
|
617,4
|
|
|
4
|
0
|
|
16,9
|
7
000
|
354,9
|
|
Потери в батареях конденсаторов определяются по
выражению:
.
Суммарные потери электроэнергии для
радиально-магистральной сети (I) и сети с замкнутым контуром (II).
Потери электроэнергии в
электрической сети, зависящие от нагрузки, определяются по выражению:
;
Потери электроэнергии в
электрической сети, независящие от нагрузки, определяются по выражению:
Затраты на возмещения потерь
мощности и электроэнергии в электрической сети определяют по выражению:
Ежегодные эксплуатационные издержки
для электрической сети:
;
Данные технико-экономического
расчета методом приведенных затрат сводятся в таблицу 11.6.
Таблица 11.6 - Основные
технико-экономические показатели для вариантов исполнения электрической сети
|
Показатели
|
радиально-магистральная
сеть
|
сеть
с замкнутым контуром
|
|
Капиталовлажения
Ксети, тыс.руб
|
7135,9
|
5680,9
|
|
Потери
электроэнергии ∆W=∆W'+∆W",МВт*ч
|
8695,9
|
19389,6
|
|
Затраты
на возмещения потерь электроэнергии Зпот, тыс.руб
|
104,3
|
264
|
|
Ежегодные
эксплуатационные издержки Исети,тыс.руб
|
516,2
|
629,6
|
|
Приведенные
затраты Исети, тыс.руб
|
1372,5
|
1311,3
|
|
Относительная
разность приведенных затрат рассматриваемых вариантов ∆Зпр, %
|
0,047
|
Так как относительная разность затрат составляет
0,047% < 5%, то то эти варианты можно считать равноэкономичным. Для
дальнейшего расчета принимаем вариант сети с замкнутым контуром, в связи с его
более высокой надежностью, удобством эксплуатации и перспективой его
дальнейшего развития.
12. Уточненный расчет компенсирующих устройств в
электрической сети
Определяем некомпенсированную реактивную
нагрузку по подстанциям для максимального, минимального и послеаварийного
режимов работы сети, используя следующую формулу:
,
Значение
берем из
таблицы 1.1, а
из таблиц
12.2 и 12.3.
Фактическая принятая к установке
реактивная мощность компенсирующих устройств в сети до 1кВ, питающейся от i-той
подстанции в заданном режиме работы принимается
, т.к. в данном проекте не
рассматриваются сети до 1 кВ.
Полученные значения заносим в
таблицу 12.1.
Таблица 12.1 - Некомпенсированная
мощность по подстанциям
|
Номер
п/ст
|
Qнеск,
Мвар
|
|
Максимальный
режим
|
Минимальный
режим
|
Послеаварийный
режим
|
|
1
|
34,11
|
20,83
|
34,17
|
|
2
|
22,56
|
13,75
|
61,46
|
|
3
|
38,49
|
18,42
|
|
4
|
24,81
|
14,81
|
31,30
|
|
Qнеск
пс∑
|
119,97
|
72,93
|
145,35
|
.1 Максимальный режим работы сети
Потери мощности в меди и стали для п-
параллельно работающих двухобмоточных трансформаторов определяются по следующим
выражениям:
;
.
Потери полной мощности в
трансформаторах i-той подстанции складываются из
потерь полной мощности в меди и стали:
.
На основании приведенных расчетов
заполняем таблицу 12.2.
Таблица 12.2 - Потери мощности в
трансформаторах
|
Номер
п/ст
|
│Sпст│,
МВА
|
Кол-во
тр-ров
|
Sном
тр, МВА
|
∆Pкз,
МВт
|
Uкз,
%
|
∆Sмтр,
МВА
|
∆Pхх,
МВт
|
Iхх,
%
|
∆Sст
тр, МВА
|
∆S
тр, МВА
|
|
1
|
40
|
2
|
25
|
0,12
|
10,5
|
0,154+j3,36
|
0,027
|
0,7
|
0,054+j0,35
|
0,208+j3,71
|
|
2
|
30,66
|
2
|
25
|
0,12
|
10,5
|
0,090+j1,94
|
0,027
|
0,7
|
0,054+j0,35
|
0,144+j2,29
|
|
3
|
43,54
|
2
|
25
|
0,12
|
10,5
|
0,182+j3,98
|
0,027
|
0,7
|
0,054+j0,35
|
0,236+j4,33
|
|
4
|
33,76
|
2
|
25
|
0,12
|
10,5
|
0,109+j2,93
|
0,027
|
0,7
|
0,054+j0,35
|
0,163+j3,28
|
Точный баланс активной мощности:
Определим суммарную активную
мощность нагрузок, питающихся от сети:
Определим потери активной мощности
на каждом участке сети:
;
Для двухцепной ЛЭП:
Для одноцепной ЛЭП:
Определим суммарные потери активной
мощности в ЛЭП сети:
Определим суммарные потери активной
мощности в трансформаторах сети:
Активная мощность, необходимая для
покрытия потребностей потребителей сети:
Считаем, что установленная мощность
генераторов источника питания
достаточна для покрытия
потребностей сети:
Реактивная мощность, выдаваемая
источником питания в сеть, определяется по выражению:
Точный баланс реактивной мощности:
;
Суммарная реактивная мощность
нагрузок, питающихся от сети:
Определяем потери реактивной
мощности на каждом участке сети:
;
Для двухцепной ЛЭП:
Для одноцепной ЛЭП:
Определим суммарные потери
реактивной мощности в ЛЭП сети:
Определим суммарные потери
реактивной мощности в трансформаторах сети:
.
Зарядная мощность, т.е. реактивная
мощность, генерируемая ЛЭП сети определяется по выражению:
Реактивная мощность сети:
Определяем мощность компенсирующих
устройств:
Т.к.
, то существует необходимость
установки компенсирующих устройств.
Суммарная мощность компенсирующих
устройств распределяется по подстанциям
Определяем необходимое количество и
мощность батарей конденсаторов по подстанциям с учетом компенсации реактивной
мощности:
Данные заносим в таблицу 12.3
Таблица 12.3 - Распределение
компенсирующих устройств по подстанциям
|
Номер
п/ст
|
tgΦб
|
Qкуi
Мвар
|
Тип
БК
|
Qбк
Мвар
|
ni,
шт.
|
Qкуi=
n*Qбк, Мвар
|
QкуΣ, Мвар
|
Si,МВА
|
|
1
|
0,17
|
26
|
КСКГ-1,05-125
|
7,9
|
3
|
23,7
|
79
|
26+j
6,7
|
|
2
|
|
16,56
|
|
|
2
|
15,8
|
|
23+j
4,5
|
|
3
|
|
27
|
|
|
3
|
23,7
|
|
27+j2,6
|
|
4
|
|
17,16
|
|
|
2
|
15,8
|
|
26+j5,7
|
12.2 Минимальный режим работы сети
Скорректируем нагрузки подстанций, т.е. уменьшим
их на 40%:
;
;
;
;
.
Данные заносим в таблицу 12.4
Таблица 12.4 - Потери мощности в
трансформаторах
|
п/ст
|
│Sпст│,
МВА
|
Кол-во
тр-ров
|
Sном
тр, МВА
|
∆Pкз,
МВт
|
Uкз,
%
|
∆Sмтр,
МВА
|
∆Pхх,
МВт
|
Iхх,%
|
∆Sст
тр, МВА
|
∆S
тр, МВА
|
|
1
|
24
|
1
|
25
|
0,12
|
10,5
|
0,111+j2,42
|
0,027
|
0,7
|
0,027+j0,17
|
0,138+j2,59
|
|
2
|
18,39
|
1
|
25
|
0,12
|
10,5
|
0,065+j1,42
|
0,027
|
0,7
|
0,027+j0,17
|
0,092+j1,59
|
|
3
|
26,13
|
1
|
25
|
0,12
|
10,5
|
0,131+j2,87
|
0,027
|
0,7
|
0,027+j0,17
|
0,158+j3,04
|
|
4
|
20,26
|
1
|
25
|
0,12
|
10,5
|
0,079+j1,72
|
0,027
|
0,7
|
0,027+j0,17
|
0,106+j1,89
|
Определяем возможность отключения
трансформаторов
Оценим мощность подстанции с учетом возможной
компенсации:
;
- оставляем один трансформатор;
- оставляем один трансформатор;
- оставляем один трансформатор;
- оставляем один трансформатор;
.
.
Рассчитаем потоки мощности для
головных участков сети 01 и 02 по правилу электрических моментов:
Рассчитаем потоки мощности для
остальных промежуточных участков сети 12 по первому закону Кирхгофа:
Произведем проверку вычислений,
разница между правой и левой частями выражений должна быть не более 10%:
Определим потери активной мощности
на каждом участке сети:
;
Для двухцепной ЛЭП:
Для одноцепной ЛЭП:
Определим суммарные потери активной
мощности в ЛЭП сети:
Определим суммарные потери активной
мощности в трансформаторах сети:
Активная мощность, необходимая для
покрытия потребностей потребителей сети:
Считаем, что установленная мощность
генераторов источника питания
достаточна для покрытия
потребностей сети:
Реактивная мощность, выдаваемая
источником питания в сеть, определяется по выражению:
Точный баланс реактивной мощности:
;
Суммарная реактивная мощность
нагрузок, питающихся от сети:
Определяем потери реактивной
мощности на каждом участке сети:
;
Для двухцепной ЛЭП:
Для одноцепной ЛЭП:
Определим суммарные потери
реактивной мощности в ЛЭП сети:
Определим суммарные потери
реактивной мощности в трансформаторах сети:
.
Зарядная мощность, т.е. реактивная
мощность, генерируемая ЛЭП сети определяется по выражению:
Реактивная мощность сети:
Определяем мощность компенсирующих
устройств:
Т.к.
, то существует необходимость установки
компенсирующих устройств.
Суммарная мощность компенсирующих
устройств распределяется по подстанциям
Определяем необходимое количество и
мощность батарей конденсаторов по подстанциям с учетом компенсации реактивной
мощности:
Данные заносим в таблицу 12.5
Таблица 12.5 - потери мощности в
трансформаторах в сети с замкнутым контуром для минимального режима работы при
сниженной нагрузке с учетом уточненных реактивных мощностей
|
Номер
п/ст
|
tgΦб
|
Qкуi
Мвар
|
Тип
БК
|
Qбк
Мвар
|
ni,
шт.
|
Qкуi=
n*Qбк, Мвар
|
QкуΣ, Мвар
|
Si,МВА
|
|
1
|
0.23
|
14,66
|
КСКГ-1,05-125
|
7,9
|
2
|
15,8
|
47,4
|
15,6+j
2,44
|
|
2
|
|
9,11
|
|
|
1
|
7,9
|
|
13,8+j
4,26
|
|
3
|
|
16,85
|
|
|
2
|
15,8
|
|
16,2+j
4,7
|
|
4
|
|
9,36
|
|
|
1
|
7,9
|
|
15,6+j
5,02
|
.3 Послеаварийный режим работы сети
Точный баланс активной мощности:
Определим суммарную активную
мощность нагрузок, питающихся от сети:
Для одноцепной ВЛЭП параметры ее
схемы замещения: активное Rуч и индуктивное Хуч сопротивления
ВЛЭП участка электрической сети, зарядные реактивные мощности, генерируемые
ВЛЭП, в начале
и в конце
участка
электрической сети, определяются следующим образом:
;
;
Полученные значения заносим в
таблицу 12.6
|
Уч-ток
|
Кол-во
цепей сети
|
Марка
провода
|
Uном,
кВ
|
Lуч,
км
|
r
0, Ом/км
|
x0,
Ом/км
|
b0
×10-6,
См/км
|
Rуч,
Ом
|
Xуч,
Ом
|
Q'учс,Q"учс
Мвар
|
|
12
|
1
|
АС-120/19
|
110
|
11
|
0,249
|
0,427
|
2,66
|
2,74
|
4,70
|
0,177
|
|
02
|
1
|
АС-185/29
|
110
|
21
|
0,162
|
0,413
|
2,75
|
3,40
|
8,67
|
0,349
|
|
04
|
1
|
АС-120/19
|
110
|
22
|
0,249
|
0,427
|
2,66
|
5,48
|
9,39
|
0,354
|
|
34
|
1
|
АС-95/16
|
110
|
15
|
0,306
|
0,434
|
2,61
|
4,59
|
6,51
|
0,237
|
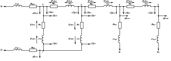
Составим схему замещения сети с замкнутым
контуром для послеаварийного режима работы (рисунок 12.1)
Рисунок12.1 - Схема замещения сети с
замкнутым контуром в послеаварийном режиме
Потери мощности в меди и стали для n-
параллельно работающих трансформаторов определяют по следующему выражению:
;
.
Потери полной мощности в
трансформаторах i-той подстанции складываются из
потерь полной мощности в меди и стали:
.
На основании приведенных расчетов
заполняем таблицу 12.7.
Таблица 12.7 - Потери мощности в
трансформаторах
|
Номер
п/ст
|
│Sпст,
МВА
|
Кол-во
тр-ров
|
Sномтр,
МВА
|
∆Pкз,
МВт
|
Uкз,
%
|
∆Sмтр,
МВА
|
∆Pхх,
МВт
|
Iхх,
%
|
∆Sст
тр, МВА
|
∆S
тр, МВА
|
|
1
|
40,33
|
2
|
25
|
0,12
|
10,5
|
0,156+j3,416
|
0,027
|
0,7
|
0,054+j0,35
|
0,21+j3,766
|
|
2
|
70,49
|
2
|
25
|
0,12
|
10,5
|
0,477+j10,435
|
0,027
|
0,7
|
0,054+j0,35
|
0,531+j10,785
|
|
3
|
21,77
|
2
|
25
|
0,12
|
10,5
|
0,045+j0,995
|
0,027
|
0,7
|
0,054+j0,35
|
1,345+j1,345
|
|
4
|
38,44
|
2
|
25
|
0,12
|
10,5
|
0,14+j3,103
|
0,027
|
0,7
|
0,054+j0,35
|
0,194+j3,453
|
Точный баланс активной мощности:
Определим суммарную активную
мощность нагрузок, питающихся от сети:
Определим потери активной мощности
на каждом участке сети:
;
Определим суммарные потери активной
мощности в ЛЭП сети:
Определим суммарные потери активной
мощности в трансформаторах сети:
Активная мощность, необходимая для
покрытия потребностей потребителей сети:
Считаем, что установленная мощность
генераторов источника питания
достаточна для покрытия
потребностей сети:
Реактивная мощность, выдаваемая
источником питания в сеть, определяется по выражению:
Точный баланс реактивной мощности:
;
Суммарная реактивная мощность
нагрузок, питающихся от сети:
Определяем потери реактивной
мощности на каждом участке сети:
;
Определим суммарные потери
реактивной мощности в ЛЭП сети:
Определим суммарные потери
реактивной мощности в трансформаторах сети:
.
Зарядная мощность, т.е. реактивная
мощность, генерируемая ЛЭП сети определяется по выражению:
Реактивная мощность сети:
Определяем мощность компенсирующих
устройств:
Т.к.
, то существует необходимость установки
компенсирующих устройств.
Суммарная мощность компенсирующих
устройств распределяется по подстанциям
Определяем необходимое количество и
мощность батарей конденсаторов по подстанциям с учетом компенсации реактивной
мощности:
Данные заносим в таблицу 12.8.
Таблица 12.8 - Распределение
компенсирующих устройств по подстанциям
|
Номер
п/ст
|
tg
Φб
|
Qкуi
Мвар
|
Тип
БК
|
Qбк
Мвар
|
ni,
шт.
|
Qкуi=
n*Qбк, Мвар
|
QкуΣ, Мвар
|
Si,
МВА
|
|
1
|
0,069
|
28,63
|
КСКГ-1,05-125
|
7,9
|
3
|
23,7
|
86,9
|
26+j
6,7
|
|
2
|
|
18,88
|
|
|
2
|
15,8
|
|
23+j
4,5
|
|
3
|
|
32,43
|
|
|
4
|
31,6
|
|
27+j2,6
|
|
4
|
|
19,79
|
|
|
2
|
15,8
|
|
26+j5,7
|
Таблица 12.9 - Распределение компенсирующих
устройств по подстанциям
|
номер
п/ст
|
Qкуi
Мвар
|
ni,
шт.
|
Qкуi=
n*Qбк
|
Si,МВА
|
|
Максимальный
режим
|
|
1
|
26
|
3
|
23,7
|
26+j
6,7
|
|
2
|
16,56
|
2
|
15,8
|
23+j
4,5
|
|
3
|
27
|
3
|
23,7
|
27+j2,6
|
|
4
|
17,16
|
2
|
15,8
|
26+j5,7
|
|
Минимальный
режим
|
|
1
|
14,66
|
2
|
15,8
|
15,6+j
2,44
|
|
2
|
9,11
|
1
|
7,9
|
13,8+j
4,26
|
|
3
|
16,85
|
2
|
15,8
|
16,2+j
4,7
|
|
4
|
9,36
|
1
|
7,9
|
15,6+j
5,02
|
|
Послеаварийный
режим
|
|
1
|
28,63
|
3
|
23,7
|
26+j
6,7
|
|
2
|
18,88
|
2
|
15,8
|
23+j
4,5
|
|
3
|
32,43
|
4
|
31,6
|
27+j2,6
|
|
4
|
19,79
|
2
|
15,8
|
26+j5,7
|
13. Точный электрический расчет
.1 Расчет максимального режима работы сети
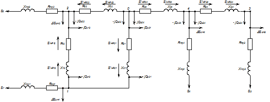
Составляем упрощенную схему замещения сети с
замкнутым контуром для максимального режима работы (рисунок 13.1)
Рисунок 13.1 - Упрощенная схема
замещения сети с замкнутым контуром
Определяем расчетные нагрузки:
На основании проведенных расчетов
заполним таблицу 13.1
Таблица 13.1 - Потери мощности в трансформаторах
в нормальном режиме
|
Номер
п/ст
|
│Sпст,
МВА
|
Кол-во
тр-ров
|
Sномтр,
МВА
|
∆Pкз,
МВт
|
Uкз,
%
|
∆Sмтр,
МВА
|
∆Pхх,
МВт
|
Iхх,
%
|
∆Sст
тр, МВА
|
∆S
тр, МВА
|
|
1
|
26,85
|
2
|
25
|
0,12
|
10,5
|
0,069+j1,51
|
0,027
|
0,7
|
0,054+j0,35
|
0,123+j1,86
|
|
2
|
23,44
|
2
|
25
|
0,12
|
10,5
|
0,053+j1,154
|
0,027
|
0,7
|
0,054+j0,35
|
0,107+j1,50
|
|
3
|
27,12
|
2
|
25
|
0,12
|
10,5
|
0,071+j1,545
|
0,027
|
0,7
|
0,054+j0,35
|
0,125+j1,89
|
|
4
|
26,62
|
2
|
25
|
0,12
|
10,5
|
0,068+j1,488
|
0,027
|
0,7
|
0,054+j0,35
|
0,122+j1,84
|
Определяем мощность в начале и в конце участков
сети.
Определяем мощность в начале и конце
участков сети на радиально-магистральном участке 043. Значения
,
берем из
таблицы 9.1;

Потоки мощности на головных участках
сети, т.е. участках, примыкающих к источнику питания, определяем по правилу
электрических моментов, однако расчет ведем по полным сопротивлениям участков
сети:
Произведем проверку вычислений,
разница между правой и левой частями выражений должна быть не более 10%:
Поток мощности для промежуточного
участка сети определим по первому закону Кирхгофа:
Составим схему замещения сети с
замкнутым контуром, имеющий одну точку потокораздела (точка 2) для нормального
режима работы (рисунок 13.2).
Рисунок 13.2- Разрыв точки
потокораздела на участке 012
Определяем мощность в начале и конце
участков сети:
Определяем напряжение в узлах сети:
Расчет напряжений в узлах сети
начинаем с того узла, в котором известна величина напряжения, это напряжение
источника питания.
;
;
.2 Расчет минимального режима работы
сети
Составим схему замещения сети для
заданного режима работы.
Рисунок 13.3- схема замещения сети с
замкнутым контуром для минимального режима работы
Определим расчетные нагрузки:
На основании проведенных расчетов
заполним таблицу 13.2
Таблица 13.2 - Потери мощности в
трансформаторах в нормальном режиме
|
Номер
п/ст
|
│Sпст,
МВА
|
Кол-во
тр-ров
|
Sномтр,
МВА
|
∆Pкз,
МВт
|
Uкз,
%
|
∆Sмтр,
МВА
|
∆Pхх,
МВт
|
Iхх,
%
|
∆Sст
тр, МВА
|
∆S
тр, МВА
|
|
1
|
15,79
|
1
|
25
|
0,12
|
10,5
|
0,048+j1,05
|
0,027
|
0,7
|
0,027+j0,17
|
0,075+j1,22
|
|
2
|
14,44
|
1
|
25
|
0,12
|
10,5
|
0,04+j0,876
|
0,027
|
0,7
|
0,027+j0,17
|
0,067+j1,04
|
|
3
|
16,87
|
1
|
25
|
0,12
|
10,5
|
0,055+j1,195
|
0,027
|
0,7
|
0,027+j0,17
|
0,082+j1,36
|
|
4
|
16,39
|
1
|
25
|
0,12
|
10,5
|
0,052+j1,128
|
0,027
|
0,7
|
0,027+j0,17
|
0,079+j1,30
|
После определения расчетных нагрузок схема
замещения сети примет вид, представленный на рисунке 13.4 Расставляются
направления потоков мощности в начале и в конце участков сети.
Рисунок 13.4 упрощенная схема
замещения сети с замкнутым контуром для минимального режима работы
Определяем мощность в начале и в
конце участков сети с замкнутым контуром для минимального режима.
Определяем мощность в начале и конце
участков сети на радиальном участке 043.
Для головных участков сети с
замкнутым контуром:
Произведем проверку вычислений,
разница между правой и левой частями выражений должна быть не более 10%:
Поток мощности для промежуточного
участка сети определим по первому закону Кирхгофа:
Определяем мощность в начале и конце
участков сети:
Определяем напряжение в узлах сети:
Расчет напряжений в узлах сети
начинаем с того узла, в котором известна величина напряжения, это напряжение
источника питания.
;
;
.3 Расчет послеаварийного режима
работы сети
Определяем расчетные нагрузки:
На основании проведенных расчетов
заполним таблицу 13.3
Таблица 13.3 - Потери мощности в
трансформаторах в нормальном режиме
|
Номер
п/ст
|
│Sпст,
МВА
|
Кол-во
тр-ров
|
Sномтр,
МВА
|
∆Pкз,
МВт
|
Uкз,
%
|
∆Sмтр,
МВА
|
∆Pхх,
МВт
|
Iхх,
%
|
∆Sст
тр, МВА
|
∆S
тр, МВА
|
|
1
|
26,85
|
2
|
25
|
0,12
|
10,5
|
0,069+j1,51
|
0,027
|
0,7
|
0,054+j0,35
|
0,123+j1,86
|
|
2
|
23,44
|
2
|
25
|
0,12
|
10,5
|
0,053+j1,154
|
0,027
|
0,7
|
0,054+j0,35
|
0,107+j1,50
|
|
3
|
27,12
|
2
|
25
|
0,12
|
10,5
|
0,071+j1,545
|
0,027
|
0,7
|
0,054+j0,35
|
0,125+j1,89
|
|
4
|
26,62
|
2
|
25
|
0,12
|
10,5
|
0,068+j1,488
|
0,027
|
0,7
|
0,054+j0,35
|
0,122+j1,84
|
После определения расчетных нагрузок схема
приобретает вид, представленный на рисунке 13.5. Расставляются направления
потоков мощности в начале и в конце участков сети.
Рисунок 13.5- упрощенная схема
замещения сети с замкнутым контуром для послеаварийного режима работы
Определяем мощность в начале и в
конце участков сети.
Определяем напряжение в узлах сети:
Расчет напряжений в узлах сети
начинаем с того узла, в котором известна величина напряжения, это напряжение
источника питания.
;
;
14. Выбор устройства регулирования
напряжения
Желаемый уровень напряжения у
потребителей составляет:
для максимального режима
;
для минимального режима
;
для послеаварийного режима
.
Используя эти формулы производим
необходимые расчеты
Для максимального режима:
;
Для минимального режима:
Для послеаварийного режима:
;
Определяем номер ответвления, на
котором должен работать трансформатор i-той
подстанции в рассматриваемом режиме
,
значения
и
берем из
таблицы 7.1.
Потери напряжения в трансформаторе
определяются по выражению:
,
значения
и
- активная
и реактивная нагрузки на один трансформатор, МВА берем из таблицы 12.9;
и
- активное
и реактивное сопротивление одного трансформатора, Ом из таблицы 9.2,
- из пункта
13.
Для максимального режима работы
сети:
Для минимального режима работы сети:
Для послеаварийного режима работы
сети:
Определяется напряжение на высокой
стороне трансформатора, соответствующее выбранному стандартному ответвлению
Для максимального режима работы
сети:
Для минимального режима работы сети:
Для послеаварийного режима работы
сети:
Определяется действительное
напряжение на низкой стороне трансформатора при выбранном стандартном
ответвлении
.
Для максимального режима работы
сети:
Для минимального режима работы сети:
Для послеаварийного режима работы
сети:
Сравниваются значения
действительного напряжения на низкой стороне трансформатора, соответствующее
выбранному стандартному ответвлению,
, и желаемого напряжения у
потребителей на низкой стороне трансформатора
.
Для максимального режима работы
сети:
Для минимального режима работы сети:
Для послеаварийного режима работы
сети:
электросеть трансформатор подстанция
Заключение
В результате выполнения курсового проекта
спроектирована районная электрическая сеть. В качестве окончательного варианта
принята сеть с замкнутым контуром напряжением 110 кВ. Это решение обосновано
технико-экономическим расчетом методом приведенных затрат. Для данного варианта
выбрано основное электрооборудование: сечения проводов линий электропередачи,
трансформаторы и компенсирующие устройства на подстанциях; разработана схема
электрических соединений сети, выполнен точный электрический расчет
установившихся (максимального, минимального и послеаварийного) режимов работы
электрической сети; определены необходимые мероприятия по регулированию
напряжения электрической сети: уточнены количество и мощность батарей
конденсаторов и рассчитаны рабочие ответвления устройств регулирования под
нагрузкой (РПН) трансформаторов на подстанциях для различных режимов работы.
Выполнение курсового проекта дало мне
возможность получить некоторый опыт в проектировании надежного бесперебойного
электроснабжения приемников цеха с минимальными капитальными затратами и
эксплуатационными издержками.