Проектирование районной электрической сети
Министерство
образования и науки Российской Федерации
ФЕДЕРАЛЬНОЕ
ГОСУДАРСТВЕННОЕ БЮДЖЕТНОЕ ОБРАЗОВАТЕЛЬНОЕ УЧРЕЖДЕНИЕ
ВЫСШЕГО
ПРОФЕССИОНАЛЬНГО ОБРАЗОВАНИЯ
"ОРЕНБУРГСКИЙ
ГОСУДАРСТВЕННЫЙ УНИВЕРСИТЕТ"
Кафедра
электроснабжения промышленных предприятий
КУРСОВОЙ
ПРОЕКТ
по дисциплине
"Электрические сети и системы"
Проектирование
районной электрической сети
Оренбург 2014
Аннотация
Пояснительная записка содержит 73 страницы, в том числе 18 рисунков, 61
таблицу, 6 источников. Графическая часть выполнена на одном листе формата А4.
В данном проекте изложены основные положения и произведен расчет
электрической сети, снабжающей электроэнергией пять групп предприятий
химической промышленности города Вологда. Подробно рассмотрены следующие
разделы: расчет баланса активной и реактивной мощностей, выбор конструкции и
материала провода, выбор сечения проводников и номинального напряжения сети,
выбор и проверка силовых трансформаторов на подстанции, технико-экономическое
обоснование варианта сети, уточненный электрический расчет.
Результатом выполненного проекта стала окончательно выбранная и
обоснованная с точки зрения технико-экономических параметров сеть
электроснабжения.
электрический сеть мощность трансформатор
Содержание
Введение
. Предварительный расчет электрической сети
.1 Краткая характеристика электроснабжаемого района
.2 Построение годового графика нагрузки по продолжительности
.3 Баланс активной и реактивной мощности
.4 Выбор конструкции сети и материала проводов
.5 Формирование вариантов схем электрической сети
.6 Предварительный расчет выбранных вариантов
.7 Выбор числа и мощности силовых трансформаторов
.8 Проверка трансформаторов на перегрузочную способность по
ГОСТ 14209-85
.8.1 Проверка трансформаторов на систематическую перегрузку
.8.2 Проверка трансформаторов на аварийную перегрузку
.9 Формирование схем электрических соединений вариантов сети
. Технико-экономическое сравнение вариантов сети
.1 Расчет потерь мощности в элементах сети
.2 Расчет радиально-магистрального варианта сети 110 кВ
.3 Расчет радиально-магистрального варианта сети 150 кВ
.4 Расчет смешанного варианта 110 кВ
2.5 Расчет
смешанного варианта 150 кВ
2.6 Выбор
рационального варианта сети
Электрический расчет основных режимов работы
.1 Формирование схемы замещения сети и определение ее
параметров
.2 Расчет зарядных мощностей ЛЭП
.3 Выбор режима нейтрали сети
.4 Определение расчетных нагрузок в режимах: максимальных
нагрузок, минимальных нагрузок, послеаварийном
.5 Электрический расчет режима сети в режимах: максимальных
нагрузок; минимальных нагрузок; послеаварийном
.6 Определение напряжения на стороне низшего напряжения
подстанций и выбор регулировочных ответвлений трансформаторов
. Проверочный баланс реактивной мощности. Расчет мощности компенсирующих
устройств
Заключение
Список используемых источников
Графическая часть
Введение
Начало развития электрических систем в нашей стране было положено планом
ГОЭЛРО - планом электрификации России, идеи которого привели к созданию мощных
объединенных энергетических систем, в том числе Единой энергетической системы
Европейской части СССР и Объединенной энергетической системы Центральной
Сибири.
В настоящее время успешно решается проблема создания Единой
энергетической системы России. Поэтому задача проектирования электрических систем
следует рассматривать как задачу развития Единой энергетической системы России.
При проектировании электрической системы очень важно учитывать специфику
административных и экономических районов. Поэтому перспективное проектирование
развития ЕЭС России должно основываться на перспективах развития отдельных
энергосистем и их объединений.
Системообразующая сеть ЕЭС России сформирована электрическими сетями
напряжения 220-1150 кВ от Байкала до Калининграда, общей протяженностью более
148 тыс. км.
Наличие протяженной единой энергетической системы позволяет использовать
максимумов нагрузки по часовым поясам суммарным эффектом до 8 млн.кВт.
Развитие системообразующей сети должно осуществляться с использованием
двух систем номинальных напряжений 110-220-500-1150 кВ на большей части
территории России и 110-330-750 кВ в западной части ОЭС Центра и ОЭС
Северо-запада.
В период до 2010г. на большей части Европейской территории России,
включая Северный Кавказ, в Сибири и на Дальнем Востоке станет развиваться
сложная многокольцевая сеть напряжением 500 кВ. В западных районах для выдачи
мощности АЭС заканчивается формирование линий 750 кВ.
В 2010 году в энергосистемах России напряжением 110 кВ и выше
эксплуатировалось около 440 тыс. км ВЛ и почти 530 млн. кВА общей трансформаторной
мощности.
Создание мощных энергосистем обусловлено технико-экономическими
преимуществами. С увеличением их мощности появляется возможность создания
крупных электрических станций с более экономичными агрегатами, повышается
надежность электроснабжения потребителей, увеличивается возможность более
полного и рационального использования оборудования.
Формирование электрических систем осуществляется с помощью электрических
сетей, которые выполняют функцию передачи энергии и электроснабжения
потребителей. С учетом функций электрических сетей ведется их проектирование
как части электрической системы.
.
Предварительный расчет электрической сети
.1 Краткая характеристика электроснабжаемого района и его потребителей
Климатические условия
Сеть проектируется для города Челябинск. В соответствии с ПУЭ по
гололедообразованию Челябинск относится ко 2-му району, где нормативная толщина
стенки гололеда составляет 5 мм с повторяемостью один раз в пять лет. Средняя
продолжительность гроз в проектируемом районе составляет от 80 до 100 часов в
год. По ветровому давлению Воронеж относится ко 2-му району, где нормативная
скорость ветра составляет 27 м/с с повторяемостью один раз в 5 лет и к району с
редкой "пляской" проводов (1-й район) с повторяемостью реже 1 раза в
10 лет.
Эквивалентная температура охлаждающего воздуха (Θэкв) в городе Воронеж составляет:
зимняя: - 8,4 ºС;
летняя: 19,0 ºС;
годовая: плюс 11,0 ºС.
Расстояния по воздушной прямой и протяженности трасс между пунктами сети.
Расстояние
(км) по воздушной прямой между пунктами сети определяется по
выражению:
(1.1)
где lиij - расстояние между пунктами сети,
измеренное циркулем или линейкой на генплане, приведенном в задании;
m -
заданный масштаб (км/см)
По формуле (1.1):
Протяженность трассы
(км) между пунктами сети определяется с учетом
неравномерности рельефа местности:
(1.2)
где к - поправочный коэффициент. Принимается равным 1,16
По формуле (1.2):
Расчет расстояний по воздушной прямой и протяженности трасс по формулам
(1.1) и (1.2) сведен в таблицу 1.1.
Таблица 1.1 - Протяженность трасс сети
.2 Построение годового графика нагрузки по продолжительности
Сеть проектируется для предприятий легкой промышленности. Зимний и летний
графики нагрузок для этой отрасли представлены на рисунке 1.1:
Рисунок 1.1 - Суточные графики нагрузок для чёрной металлургии
Требуется построить годовой график нагрузки по продолжительности и найти
число часов использования максимума нагрузки.
Число "зимних" суток принимается равным nз=213 и число "летних" суток - nл=152.
Нумеруются ступени графиков зимнего и летнего, начиная с максимального
значения.
Суммарная продолжительность i- ой ступени годового графика:
, (1.3)
где Tiз - суммарная годовая продолжительность i- ой ступени по зимнему графику;
Tiл
- суммарная годовая продолжительность i- ой ступени по летнему графику.
Определяются по формулам:
, (1.4)
, (1.5)
где tiл - суммарная продолжительность i-ой ступени по суточному летнему
графику;
tiз - суммарная продолжительность i-ой ступени по суточному зимнему графику.
По формулам (1.4) и (1.5) суммарные годовые продолжительности и 1-ой
ступени по летнему и зимнему графикам равны:
Расчет по формулам (1.3), (1.4) и (1.5) сводится в таблицу 1.2.
Таблица 1.2 -
Построение годового графика нагрузки по продолжительности
Число часов использования максимума нагрузки определяется по выражению:
, (1.6)
Так как графики представлены в относительных единицах, РМ=1,
то
, (1.7)
Число часов использования максимума нагрузки: ТМ =6147,5ч
По значению Тм определяется по ПУЭ jэ - экономическая плотность тока для выбранных проводов (марки
АС):
jэ=1.1 А/мм2. По данным таблицы 1.2 строится годовой
график по продолжительности.
Рисунок 1.2 - Годовой график активной нагрузки по продолжительности
.3 Баланс активной и реактивной мощности
Таблица 1.3 - Исходные значения активных нагрузок и коэффициенты мощности
потребителей
|
№ подстанции
|
1
|
2
|
3
|
4
|
5
|
|
Рм, МВт
|
33
|
24
|
19
|
9
|
11
|
|
сosj
|
0,8
|
0,81
|
0,82
|
0,79
|
0,8
|
По заданным значениям активных нагрузок Pi и коэффициентам мощности потребителей
cosφi в таблице 1.3 определяются tgφi,, заданные реактивные нагрузки - Qзi и полные нагрузки Sзi:
(1.8)
(1.9)
(1.10)
Для первой нагрузки по формулам (1.8), (1.9) и (1.10) определяются:
Sз1=
Расчет по формулам (1.8), (1.9) и (1.10) остальных нагрузок сводится в
таблицу 1.4:
Таблица 1.4 Определение заданных нагрузок
Баланс
активной мощности
Суммарная мощность нагрузок потребителей:
Рг=åРнагр+Рсн+DРсети, (1.11)
По формуле (1.11):
МВт
Расход мощности на собственные нужды:
(1.12)
По формуле (1.12):
МВт
Потери активной мощности:
(1.13)
По формуле (1.13):
МВт
Мощность, вырабатываемая генераторами энергосистемы:
(1.14)
По формуле (1.14):
МВт
Баланс
реактивной мощности
Суммарная мощность реактивных нагрузок потребителей:
(1.15)
По формуле (1.15):
МВАр
Суммарная мощность полных нагрузок:

(1.16)
По формуле (1.16):
МВА
Расход реактивной мощности на собственные нужды:
(1.17)
По формуле (1.17):
МВАр
Потери реактивной мощности:
(1.18)
По формуле (1.18):
МВАр
Располагаемая реактивная мощность системы (генераторов электростанций):
(1.19)
Тангенс энергосистемы tgφc при cosφс=0,89 определяется по выражению:
(1.20)
По формуле (1.20):
Тогда по формуле (1.19):
МВАр
Суммарная реактивная мощность компенсирующих устройств, устанавливаемых в
сети:
(1.21)
По формуле (1.21):
МВАр
Компенсирующие устройства распределяются по потребителям так, чтобы
уравнять их коэффициенты мощности до величины tgjср.вз..
Значение tgjср.вз.:
(1.22)
По формуле (1.22):
Мощность компенсирующих устройств устанавливаемых на каждой из подстанций
электрифицируемого района:
(1.23)
По формуле (1.23):
МВАр
Реактивная нагрузка подстанций после компенсации составит:
(1.24)
По формуле (1.24) реактивная нагрузка первой подстанции:
МВАр
Полная нагрузка подстанции после компенсации:
(1.25)
По формуле (1.25) полная нагрузка первой подстанции:
МВА
Коэффициенты мощности потребителей после компенсации:
(1.26)
Для первой подстанции по формуле (1.26):
Проверка: tgφ1» tg φcр.вз; 0,414=0,414
Расчеты для остальных подстанций сводятся в таблицу 1.5.
Таблица 1.5 -Расчетные нагрузки с учетом компенсации реактивной мощности
Проверка: Qку » åQкуi ; 30.83=30.83МВАр.
1.4 Выбор конструкции сети и материалов проводов
Для выполнения электросетей в данном районе по ПУЭ /4/ принимаются
воздушные линии на железобетонных опорах.
Провода принимаются сталеалюминевые марки АС. Расстояние между фазами
принимаем в зависимости от номинального напряжения: 110кВ - 3 м, 150кВ - 4 м.
.5 Формирование вариантов схем электрической сети
Ниже приведены варианты для снабжения пяти потребителей района,
расположение которых относительно источника питания - районной электростанции
(РЭС), задано на рисунке 1.3. Категории потребителей представлены в таблице 1.6
в виде трех чисел, разделенных знаком /. Числа по порядку слева направо
соответствуют в процентах удельному весу потребителей 1-ой, 2-ой и 3-ей
категории по степени надежности электроснабжения.
Таблица 1.6 - Категории потребителей
Рисунок 1.3- Расположение потребителей района
Рисунок 1.4- Радиальная сеть
Рисунок 1.5- Радиально-магистральная сеть
Рисунок 1.6- Смешанная сеть
Рисунок 1.7- Сложнозамкнутая сеть
Для дальнейших расчетов принимаются радиально-магистральный и смешанный
варианты.
1.6 Предварительный расчет выбранных вариантов
Расчет радиально-магистрального варианта сети
Расчет потокораспределения в нормальном режиме максимальных нагрузок.
Задаемся направлением потокораспределения активной мощности по участкам
сети (рисунок 1.8).
Расчет потокораспределения с помощью первого закона Кирхгофа:
P01= P1 = 33 МВт
P02 = P2 = 24 МВт
P03 = P34+P3 =20+11=39 МВт
P34= P45 +P5 =9+11=20 МВт
P45= P5 =11 МВт
Реактивные нагрузки по участкам сети определяются по tgφср.взв.:
(1.27)
По формуле (1.27):
МВАр
Полные нагрузки участков сети:
(1.28)
По формуле (1.28):
МВА
Расчеты для остальных участков производятся аналогично.
Результаты вычислений заносятся в таблицу 1.7
Таблица 1.7 -
Потокораспределение по ветвям сети
Выбор номинального напряжения сети.
Формула Стилла для выбора выбора напряжения районной сети:
Uopij=16
, (1.29)
По формуле (1.29):
Uopij=16
, кВ
Расчеты для остальных участков производятся аналогично.
Результаты вычислений заносятся в таблицу 1.8
Таблица 1.8 - Выбор номинального напряжения
|
Участок
|
0-1
|
0-2
|
0-3
|
3-4
|
4-5
|
|
Длина, lij , км
|
53,36
|
47,56
|
47,56
|
40,6
|
25,52
|
|
Рij, МВт
|
33
|
24
|
39
|
20
|
11
|
|
Uорij, кВ
|
103,64
|
93
|
105
|
85,41
|
65,5
|
Для дальнейшего расчета принимаются два варианта:
1) номинальное напряжение Uн=110 кВ;
2) номинальное напряжение Uн=150 кВ.
Выбор сечения проводов ЛЭП.
Расчет для номинального напряжения Uн=110 кВ.
Рабочие токи участков сети:
, (1.30)
где Sij -полная мощность участка i-j, выбирается по таблице 1.7;
n -
число цепей линии электропередачи.
Для участка 0-1 по формуле (1.30):
А
Ориентировочные сечения по участкам сети определяются по экономической
плотности тока:
(1.31)
По формуле (1.31):
мм2
Для участка 0-1 принимается стандартное сечение Fст=120 мм2.
Аналогично проводится расчет для остальных участков, результаты
вычислений сводятся в таблицу 1.9.
Таблица 1.9 - Расчет сечений для Uн = 110 кВ
|
Участок
|
0--1
|
0--2
|
0--3
|
3--4
|
4--5
|
|
n
|
2
|
2
|
2
|
1
|
1
|
|
I, А
|
93,69
|
68,18
|
110,74
|
113,63
|
62,46
|
|
Fэ, мм2
|
93,69
|
68,18
|
110,74
|
113,63
|
62,46
|
|
Fст, мм2
|
120
|
120
|
120
|
120
|
70
|
Определение рабочих токов участков сети для номинального напряжения
Uн=150 кВ
Расчет сечений проводов для участков сети на напряжение 150 кВ проводится
аналогично предыдущему. Результаты расчета сведены в таблицу 1.10.
Таблица 1.10 - Расчет сечений для Uн = 150 кВ
|
Участок
|
0--1
|
0--2
|
0--3
|
3--4
|
4--5
|
|
n
|
2
|
2
|
2
|
1
|
1
|
|
I, А
|
68,7
|
50
|
81,21
|
45,8
|
|
Fэ, мм2
|
68,7
|
50
|
81,21
|
83,3
|
45,8
|
|
Fст, мм2
|
120
|
120
|
120
|
120
|
120
|
Проверка проводов по току наиболее тяжелого после аварийного режима.
Аварийный ток участка двухцепной цепи, в которой одна цепь вышла из строя:
(1.32)
Условие проверки:
, (1.33)
где Iдопij- допустимый по нагреву длительный
ток. Определяется по таблице 1.11 //.
Для участка 0-1 по формулам (1.32) и (1.33):
А
А
Iав01
< Iдоп01.
Сечение на участке 0-1 удовлетворяет условию проверки по допустимому току
нагрева в послеаварийном режиме.
Аналогично проводятся расчеты для остальных участков сети. Результаты
вычислений заносятся в таблицу 1.11.
Таблица 1.11
- Проверка сечений по допустимому току (Uн = 110 кВ)
|
Участок
|
F, мм2
|
Iдоп, А
|
Iав, А
|
Fприн, мм2
|
|
0-1
|
120
|
380
|
187,38
|
120
|
|
0-2
|
120
|
380
|
136,36
|
120
|
|
0-3
|
120
|
380
|
221,48
|
120
|
|
3-4
|
120
|
380
|
113,63
|
120
|
|
4-5
|
70
|
265
|
62,46
|
70
|
Аналогично проводятся расчеты участков сети на напряжение 150 кВ.
Результаты вычислений заносятся в таблицу 1.12.
Таблица 1.12
- Проверка сечений по допустимому току (Uн = 150 кВ)
|
УчастокF, мм2Iдоп, АIав, АFприн,
мм2
|
|
|
|
|
|
0-1
|
120
|
380
|
137,4
|
120
|
|
0-2
|
120
|
380
|
100
|
120
|
|
0-3
|
120
|
380
|
162,42
|
120
|
|
3-4
|
120
|
380
|
83,3
|
120
|
|
4-5
|
120
|
380
|
45,8
|
120
|
Проверка сети по потери напряжения в нормальном и послеаварийном режиме.
а) Проверка сети для номинального напряжения 110кВ.
Параметры П-образной схемы замещения ЛЭП:
(1.34)
(1.35)
(1.36)
где xoij, roij - соответственно погонное индуктивное
и активное сопротивления линии участка i-j, (Ом/км)
boij - погонная емкостная проводимость (мкСм/км);
Xлij ,Rлij - соответственно индуктивное и активное сопротивления схемы
замещения линии участка i-j (Ом);
Bлij - емкостная проводимость схемы
замещения линии участка i-j (мкСм).
Значения xo, ro и bo принимаются по таблице 1.13 //.
Результаты расчетов параметров схемы замещения для номинального
напряжения 110 кВ сведены в таблицу 1.13
Таблица 1.13
- Параметры схемы замещения (Uн = 110 кВ)
|
Участок
|
Провод
|
n
|
r0, Ом/км
|
x0, Ом/км
|
b0, мкСм/км
|
l, км
|
Rл, Ом
|
Xл, Ом
|
Bл, мкСм
|
|
0-1
|
АС 120
|
2
|
0.249
|
0.423
|
2.69
|
53,36
|
6,64
|
11,3
|
287,1
|
|
0-2
|
АС 120
|
2
|
0.249
|
0.423
|
2.69
|
47,56
|
5,92
|
10,1
|
255,9
|
|
0-3
|
АС 120
|
2
|
0.249
|
0.423
|
2.69
|
47,56
|
5,92
|
10,1
|
255,9
|
|
3-4
|
АС 120
|
1
|
0.249
|
0.423
|
2.69
|
40,6
|
10,11
|
17,17
|
109,2
|
|
4-5
|
АС 70
|
1
|
0.420
|
0.440
|
2.58
|
25,52
|
10,72
|
11,23
|
65,84
|
Потеря напряжения в % от номинального на участках сети в нормальном
режиме:
Uij=
(1.37)
Uij%=
(1.38)
По формуле (1.37) для участка 0-1 потеря напряжения в нормальном режиме:
U01=
кВ
По формуле (1.38) для участка 0-1:
U01%=
%
Результаты расчетов потерь напряжения в нормальном режиме для напряжения
110 кВ сведены в таблицу 1.14
Таблица 1.14 - Потери напряжения - нормальный режим (Uн = 110 кВ)
|
Участок
|
Р, МВт
|
Q, Мвар
|
R, Ом
|
X, Ом
|
ΔU
кВ
|
ΔU
%
|
|
0-1
|
33
|
13,68
|
6,64
|
11,3
|
3,4
|
3,1
|
|
0-2
|
24
|
9,95
|
5,92
|
10,1
|
2,2
|
2
|
|
0-3
|
39
|
16,17
|
5,92
|
10,1
|
3,58
|
3,255
|
|
3-4
|
20
|
8,29
|
10,11
|
17,17
|
3,1
|
2,82
|
|
4-5
|
11
|
4,56
|
10,72
|
11,23
|
1,54
|
1,4
|
Потеря напряжения на участках сети в послеаварийном режиме:
Uавij =n Uij (1.39)
По формуле (1.39) для участка 0-1 потеря напряжения в послеаварийном
режиме:
Uав01%=3,1*2=6,2 %
Потери напряжения на остальных участках определяются аналогично.
Результаты сведены в таблицу 1.15.
Таблица 1.15 - Потери напряжения - послеаварийный режим (Uн = 110 кВ)
|
УчастокР, МВтQ, МварR, ОмX,
ОмΔU
кВΔU %
|
|
|
|
|
|
|
|
0-1
|
33
|
13,68
|
13,28
|
22,6
|
6,78
|
6,2
|
|
0-2
|
24
|
9,95
|
11,84
|
20,2
|
4,41
|
4
|
|
0-3
|
39
|
16,17
|
11,84
|
20,2
|
7,16
|
6,51
|
|
3-4
|
20
|
8,29
|
10,11
|
17,17
|
3,1
|
2,82
|
|
4-5
|
11
|
4,56
|
10,72
|
11,23
|
1,54
|
1,4
|
Проверка сети по потере напряжения осуществляется для точек электрически
наиболее удаленных. В нашем случае это точки: 2,5
Условие проверки в нормальном режиме максимальных нагрузок:
(1.40)
где
Uдоп% - допустимая величина потери
напряжения в нормальном режиме, которую для районных сетей можно принять равной
15%.
Проверка по потере напряжения точки 5:
U0345=
U03 +
U34 +
U45 = 3,255%+2,82%+ 1,4%= 7,475%
По формуле (1.40):
15%>7,475 %
Пункт 3 удовлетворяет условию проверки по допустимой потере напряжения в
нормальном режиме. Проверка сети в послеаварийном
режиме:
Uдоп%=³
U%, (1.41)
где ∆Uдоп.ав% - допустимая величина потери напряжения в послеаварийном
режиме, которую для районных сетей можно принять равной (20¸25)%.
Проверка по потере напряжения точки 5:
U0345=
U03 +
U34 +
U45 = 6,51%+2,82%+ 1,4%= 10,73%
По формуле (1.40):
15%>10,73 %
Пункт 3 удовлетворяет условию проверки по допустимой потере напряжения в
послеаварийном режиме. Сеть удовлетворяет условию проверки
по потери напряжения в нормальном и послеаварийном режимах при напряжении 110
кВ.
б) Проверка сети для номинального напряжения 150кВ.
Расчет производится аналогично предыдущему по формулам (1.34-1.39) .
Результаты расчета сведены в таблицы 1.16-1.18
Таблица 1.16 - Параметры схемы замещения (Uн = 150 кВ)
|
Участок
|
Провод
|
n
|
r 0, Ом/км
|
x 0, Ом/км
|
b 0, мкСм/км
|
l, км
|
Rл, Ом
|
Xл, Ом
|
Bл, мкСм
|
|
0-1
|
АС 120
|
2
|
0.249
|
0.439
|
2.61
|
53,36
|
6,64
|
11,3
|
287,1
|
|
0-2
|
АС 120
|
2
|
0.249
|
0.439
|
2.61
|
47,56
|
5,92
|
10,1
|
255,9
|
|
0-3
|
АС 120
|
2
|
0.249
|
0.439
|
2.61
|
47,56
|
5,92
|
10,1
|
255,9
|
|
3-4
|
АС 120
|
1
|
0.249
|
0.439
|
2.61
|
40,6
|
10,11
|
17,17
|
109,2
|
|
4-5
|
АС 120
|
1
|
0.249
|
0.439
|
2.61
|
25,52
|
6,35
|
10,8
|
68,7
|
Таблица 1.17 - Потери напряжения - нормальный режим (Uн = 150 кВ)
|
Участок
|
Р, МВт
|
Q, Мвар
|
R, Ом
|
X, Ом
|
ΔU
кВ
|
ΔU
%
|
|
0-1
|
33
|
13,68
|
6,64
|
11,3
|
2,49
|
1,66
|
|
0-2
|
24
|
9,95
|
5,92
|
10,1
|
1,6
|
1,1
|
|
0-3
|
39
|
16,17
|
5,92
|
10,1
|
1,75
|
|
3-4
|
20
|
8,29
|
10,11
|
17,17
|
2,3
|
1,53
|
|
4-5
|
11
|
4,56
|
6,35
|
10,8
|
0,8
|
0,53
|
Таблица 1.18 - Потери напряжения - послеаварийный режим (Uн = 150 кВ)
|
УчастокР, МВтQ, МварR, ОмX,
ОмΔU
кВΔU %
|
|
|
|
|
|
|
|
0-1
|
33
|
13,68
|
13,28
|
22,6
|
5
|
3,32
|
|
0-2
|
24
|
9,95
|
11,84
|
20,2
|
3,2
|
2,2
|
|
0-3
|
39
|
16,17
|
11,84
|
20,2
|
5,2
|
3,5
|
|
3-4
|
20
|
8,29
|
10,11
|
17,17
|
2,3
|
1,53
|
|
4-5
|
11
|
4,56
|
6,35
|
10,8
|
0,8
|
0,53
|
Проверка в нормальном режиме максимальных нагрузок.
Электрически наиболее удаленная точка: 5.
Проверка по потере напряжения точки 5:
U0345 =
U03 +
U34+
U45 = 1,75%+1,53%+0,53% = 3,81%
По формуле (1.40):
15%>3,81%
Проверка сети в послеаварийном режиме
Проверка по потере напряжения точки 5:
U0123 =
U01 +
U12 +
U23= 2.647%+2.246%+0.974% = 5.867%
По формуле (1.41):
15%>5.56%
Пункт 3 удовлетворяет условию проверки по допустимой потере напряжения в
послеаварийном режиме.
Сеть удовлетворяет условию проверки по потери напряжения в нормальном и
послеаварийном режимах при напряжении 150 кВ.
Расчет смешанного варианта сети.
Расчет потокораспределения в нормальном режиме максимальных нагрузок.
Расчет проводится без учета потерь мощности на участках сети.
Задаемся направлением потокораспределения активной мощности по участкам
сети (рисунок 1.9).
Рисунок 1.9
(1.42)
По формуле (1.42):
МВт.
По первому закону Кирхгофа для узла 2 можно найти по формуле:
, (1.43)
По формуле (1.43):
МВт.
По первому закону Кирхгофа для узла Р02 можно найти по
формуле:
(1.44)
По формуле (1.44):
МВт
Проверка:
МВт
МВт
Проверка расчета активных мощностей:
(1.46)
По формуле (1.46):
29,7+27,3=33+24
МВт=57 МВт
По формуле (1.27) для участка 0-4 реактивная мощность равна:
МВАр
По формуле (1.28) для участка 0-4 полная мощность равна:
МВА
Таблица 1.19
- Потокораспределение по ветвям сети
|
Участок
|
0-1
|
0-2
|
1-2
|
0-3
|
3-4
|
4-5
|
|
Р, МВт
|
29,7
|
27,3
|
3,3
|
39
|
20
|
11
|
|
Q, МВАр
|
12,3
|
11,3
|
1,366
|
16,17
|
8,29
|
4,56
|
|
S, МВА
|
32,15
|
29,55
|
3,57
|
42,2
|
21,65
|
11,9
|
Выбор номинального напряжения сети
Выбор номинального напряжения производится по формуле (1.29) так же как
для предыдущего варианта.
Расчеты по выбору напряжения сети сведены в таблицу 1.20
Таблица 1.20
- Выбор номинального напряжения сети
|
Участок
|
0-1
|
0-2
|
1-2
|
0-3
|
3-4
|
4-5
|
|
Длина, lij , км
|
53,36
|
47,56
|
87
|
47,56
|
40,6
|
25,52
|
|
Рij, МВт
|
29,7
|
27,3
|
3,3
|
39
|
20
|
11
|
|
Uорij, кВ
|
101
|
96
|
65,9
|
105
|
85,41
|
65,49
|
Для дальнейшего расчета принимаются два варианта:
1) номинальное напряжение Uн=110 кВ;
2) номинальное напряжение Uн=150 кВ.
Выбор сечения проводов ЛЭП.
Определение рабочих токов участков сети для номинального напряжения
Uн=110 кВ.
По формуле (1.30) для участка 0-1:
А
Определение ориентировочных сечений по участкам сети.
Для участка 0-1 по формуле (1.31):
мм2
Для участка 0-1 принимается стандартное сечение - Fст01=150 мм2.
Аналогично определяются сечения на остальных участках сети, результаты
вычислений сведены в таблицу 1.21.
Таблица 1.21 - Расчет сечений для Uн = 110 кВ
|
Участок
|
0-1
|
0-2
|
1-2
|
0-3
|
3-4
|
4-5
|
|
n
|
1
|
1
|
1
|
2
|
1
|
1
|
|
S, МВА
|
32,15
|
29,55
|
3,57
|
42,2
|
21,65
|
11,9
|
|
I
|
168,7
|
155,1
|
18,74
|
110,7
|
113,6
|
62,46
|
|
Fэ, мм2
|
168,7
|
155,1
|
18,74
|
110,7
|
113,6
|
62,46
|
|
Fст, мм2
|
150
|
150
|
70
|
120
|
120
|
70
|
Определение рабочих токов участков сети для номинального напряжения
Uн=150 кВ.
По формуле (1.30) для участка 0-1:
А
Определение ориентировочных сечений по участкам сети.
Для участка 0-1 по формуле (1.31):
мм2
Для участка 0-1 принимается стандартное сечение - Fст01=120 мм2.
Аналогично определяются сечения на остальных участках сети, результаты
вычислений сведены в таблицу 1.22.
Таблица 1.22 - Расчет сечений для Uн = 150 кВ
|
Участок
|
0-1
|
0-2
|
1-2
|
0-3
|
3-4
|
4-5
|
|
n
|
1
|
1
|
1
|
2
|
1
|
1
|
|
S, МВА
|
32,15
|
29,55
|
3,57
|
42,2
|
21,65
|
11,9
|
|
I
|
123,75
|
105
|
12,7
|
81,21
|
83,3
|
45,8
|
|
Fэ, мм2
|
123,75
|
105
|
12,7
|
81,21
|
83,3
|
45,8
|
|
Fст, мм2
|
120
|
120
|
120
|
120
|
120
|
120
|
Проверка проводов по току наиболее тяжелого послеаварийного режима.
Проверка осуществляется для кольцевого участка сети 0-1-2-0.
Расчет выполняется для двух режимов:
а) Выход из строя головного участка 0-1
Потокораспределение активных нагрузок:
МВт
МВт
б) Выход из строя головного участка 0-2
Потокораспределение активных нагрузок:
МВт
МВт
Для участка 0-1в качестве наиболее тяжелого послеаварийного режима
принимаем режим а), с наибольшей нагрузкой
Результаты проверки для U=110
кВ сведены в таблицу 1.23.
Таблица 1.23 - Проверка по допустимому току в послеаварийном режиме (Uн = 110 кВ)
|
Участок
|
Iав, А
|
F, мм2
|
Iдоп, А
|
Fприн, мм2
|
|
0-1
|
324,5
|
150
|
445
|
150
|
|
0-2
|
324,5
|
150
|
445
|
150
|
|
1-2
|
188
|
70
|
265
|
70
|
|
0-3
|
120
|
380
|
221,48
|
120
|
|
3-4
|
120
|
380
|
113,63
|
120
|
|
4-5
|
70
|
265
|
62,46
|
70
|
Результаты проверки для U=150
кВ сведены в таблицу 1.24.
Таблица 1.24 - Проверка по допустимому току в послеаварийном режиме , (Uн = 150 кВ)
|
Участок
|
Iав, А
|
F, мм2
|
Iдоп, А
|
Fприн, мм2
|
|
0-1
|
238
|
120
|
380
|
120
|
|
0-2
|
238
|
120
|
380
|
120
|
|
1-2
|
137,8
|
120
|
380
|
120
|
|
0-3
|
162,42
|
120
|
380
|
120
|
|
3-4
|
83,3
|
120
|
380
|
120
|
|
4-5
|
45,8
|
120
|
380
|
120
|
Проверка сети по потери напряжения в нормальном и послеаварийном режимах.
а) Определение параметров схемы замещения ЛЭП для Uн =110 кВ.
Результаты расчетов по формулам (1.34-1.39) сведены в таблицу 1.25.
Таблица 1.25
-Параметры схемы замещения сети (Uн = 110 кВ)
|
Участок
|
Провод
|
n
|
r0, Ом/км
|
b0, мкСм/км
|
l, км
|
Rл, Ом
|
Xл, Ом
|
Bл, мкСм
|
|
0-1
|
АС-150
|
1
|
0,195
|
0,416
|
2.74
|
53,36
|
10,41
|
22,2
|
146,2
|
|
0-2
|
АС-150
|
1
|
0,195
|
0,416
|
2.74
|
47,56
|
9,27
|
19,78
|
130,31
|
|
1-2
|
АС-70
|
1
|
0.420
|
0.440
|
2.58
|
87
|
36,54
|
38,28
|
224,5
|
|
0-3
|
АС-120
|
2
|
0.249
|
0.423
|
2.69
|
47,56
|
5,92
|
10,1
|
255,9
|
|
3-4
|
АС-120
|
1
|
0.249
|
0.409
|
2.69
|
40,6
|
10,11
|
17,17
|
109,2
|
|
4-5
|
АС-70
|
1
|
0.420
|
0.440
|
2.58
|
25,52
|
10,72
|
11,23
|
65,84
|
Расчет потерь напряжения на участках сети сведен в таблицу 1.26.
Таблица 1.26 -Потери напряжения в нормальном режиме (Uн = 110 кВ)
|
Участок
|
Р, МВт
|
Q, МВАр
|
Rл, Ом
|
Xл, Ом
|
ΔU,
кВ
|
ΔU,
%
|
|
0-1
|
29,7
|
12,3
|
10,41
|
22,2
|
5,3
|
4,81
|
|
0-2
|
27,3
|
11,3
|
9,27
|
19,78
|
4,34
|
3,94
|
|
1-2
|
3,3
|
1,36
|
36,54
|
38,28
|
1,57
|
1,43
|
|
0-3
|
39
|
16,17
|
5,92
|
10,1
|
3,58
|
3,255
|
|
3-4
|
20
|
8,29
|
10,11
|
17,17
|
3,1
|
2,82
|
|
4-5
|
11
|
4,56
|
10,72
|
11,23
|
1,54
|
1,4
|
Проверка по потере напряжения до точки потокораздела 2, по ветвям 0-1-2:
U012 =
U01 +
U12 =
4,81%+1,43% = 6,24 %
По формуле (1.40):
15%>6,24%
Потеря напряжения до точки 5 (точка потокораздела) не превышает
допустимое значение
Аналогично определяем потери напряжения на участках сети для двух
аварийных режимов а) и б). Результаты расчетов сводим в таблицы 1.27 и 1.28.
Таблица 1.27-Потери напряжения - послеаварийный режим а) (Uн = 110 кВ)
|
Участок
|
Р, МВт
|
Q, МВАр
|
Rл, Ом
|
Xл, Ом
|
ΔU,
кВ
|
ΔU, %
|
|
0-1
|
57
|
23,94
|
10,41
|
22,2
|
10,2
|
9,3
|
|
1-2
|
24
|
9,95
|
36,54
|
38,28
|
11,44
|
10,4
|
|
Итого
|
|
19,7
|
Таблица 1.28 - Потери напряжения - послеаварийный режим б), Uн = 110 кВ
|
Участок
|
Р, МВт
|
Q, МВАр
|
Rл, Ом
|
Xл, Ом
|
ΔU,
кВ
|
ΔU,
%
|
|
0-2
|
57
|
23,94
|
9,27
|
19,78
|
9.108
|
8.28
|
|
1-2
|
33
|
13,68
|
36,54
|
38,28
|
15,7
|
14.273
|
|
итого
|
|
22.553
|
Проверка по потере напряжения точки 2 по ветвям 0-1-2:
U012ав =
U02ав +
U12ав= 8.28%+14,273%= 22,55 %
По формуле (1.41):
22,55%<25 %
Сеть удовлетворяет условию проверки по потери напряжения в послеаварийном
режиме при напряжении 110 кВ, поэтому дальнейший расчет для нее не проводится.
б) Определение параметров схемы замещения ЛЭП для U=150 кВ.
Результаты расчетов по формулам (1.34-1.39) сведены в таблицу 1.29
Таблица 1.29
-Параметры схемы замещения сети (Uн = 150 кВ)
|
Участок
|
Провод
|
n
|
r0, Ом/км
|
x0, Ом/км
|
b0, мкСм/км
|
l, км
|
Rл, Ом
|
Xл, Ом
|
Bл, мкСм
|
|
0-1
|
АС-120
|
1
|
0,249
|
0,423
|
2,69
|
53,36
|
13,29
|
23,43
|
139,3
|
|
0-2
|
АС-120
|
1
|
0,249
|
0,423
|
2,69
|
47,56
|
11,84
|
20,9
|
124
|
|
1-2
|
АС-120
|
1
|
0,249
|
0,423
|
2,69
|
87
|
21,7
|
38,2
|
227
|
|
0-3
|
АС-120
|
2
|
0,249
|
0,423
|
2,69
|
47,56
|
5,9
|
10,44
|
2448
|
|
3-4
|
АС-120
|
1
|
0,249
|
0,423
|
2,69
|
40,6
|
10,1
|
17,8
|
106
|
|
4-5
|
АС-120
|
1
|
0,249
|
0,423
|
2,69
|
25,52
|
6,35
|
11,2
|
66,6
|
Расчет потерь напряжения на участках сети сведен в таблицу 1.30.
Таблица 1.30 -Потери напряжения - нормальный режим (Uн = 150 кВ)
|
Участок
|
Р, МВт
|
Q, МВАр
|
Rл, Ом
|
Xл, Ом
|
ΔU,
кВ
|
ΔU,
%
|
|
0-1
|
29,7
|
12,3
|
13,29
|
23,49
|
4,55
|
3
|
|
0-2
|
27,3
|
11,3
|
11,84
|
20,9
|
3,7
|
2,5
|
|
1-2
|
3,3
|
1,366
|
21,7
|
38,2
|
0,83
|
0,55
|
Проверка по потере напряжения точки потокораздела 2 по путям 0-1-2:
U012 =
U01 +
U12 = 3%+0,55% =3,55 %
По формуле (1.40):
15%>3,55%
Пункт удовлетворяет условию проверки по допустимой потере напряжения в
нормальном режиме.
Проверка сети в послеаварийном режиме.
Аналогично определяем потери напряжения на участках сети для двух
аварийных режимов а) и б). Результаты расчетов сводим в таблицы 1.31 и 1.32.
Таблица 1.31-Потери напряжения - послеаварийный режим а) (Uн = 150 кВ)
|
УчастокР, МВтQ, МВАрRл,
ОмXл, ОмΔU,
кВΔU, %
|
|
|
|
|
|
|
|
0-1
|
57
|
23,94
|
13,29
|
23,49
|
8.799
|
5,86
|
|
1-2
|
24
|
9,95
|
21,7
|
38,2
|
6.006
|
4
|
|
Итого
|
|
9,86
|
Таблица 1.32 - Потери напряжения - послеаварийный режим б) (Uн = 150 кВ)
|
Участок
|
Р, МВт
|
Q, МВАр
|
Rл, Ом
|
Xл, Ом
|
ΔU,
кВ
|
ΔU,
%
|
|
0-2
|
57
|
23,94
|
11,84
|
20,9
|
7.963
|
5.309
|
|
1-2
|
33
|
13,68
|
21,7
|
38,2
|
8.258
|
5.505
|
|
Итого
|
|
10,8
|
Проверка по потере напряжения точки 1 при отключенной ветви 0-2:
U012ав =
U01ав +
U12ав = 5,86%+4% = 9,86 %
По формуле (1.41):
25%>9,86 %
Проверка по потере напряжения точки 1 при отключенной ветви 0-5:
U012ав =
U02ав +
U12ав=5,31%+5,5%=10,8
%
По формуле (1.41):
25%>10.8 %
Пункт 2 удовлетворяет условию проверки по допустимой потере напряжения в
аварийном режиме при поочередном отключении ветвей 0-1 и 0-2.
Сеть удовлетворяет условию проверки по потери напряжения в нормальном и
_послеаварийном режимах при напряжении 150 кВ.
1.7 Выбор числа и мощности силовых трансформаторов
Выбор числа трансформаторов на подстанциях для проектируемой сети представлен
в таблице 1.33.
Таблица 1.33- Выбор числа трансформаторов на подстанциях
|
№ подстанции
|
1
|
2
|
3
|
4
|
5
|
|
Категория потребителей
|
1,2,3
|
1,2,3
|
1,2,3
|
3
|
3
|
|
Количество трансформаторов
|
2
|
2
|
2
|
1
|
Средняя квадратичная нагрузка по графику характерных "зимних"
суток:
Sск=
, (1.47)
где
- мощность ступени нагрузки в относительных единицах;
ti - продолжительность ступени в часах;
k -
количество ступеней графика.
Для графика нагрузки на рисунке 1.1:
ск=
=0,773
Ориентировочная мощность трансформатора:
Sор = Sск *SМ/n (1.48)
Для первой подстанции по формулу (1.48)
ор1 = 0,773*35,72/2=13,8 МВА
Для напряжения U=110
кВ по таблице 1.26 // принимается ближайшая большая номинальная мощность
трансформатора. Для первой подстанции выбраны два трансформатора мощностью 16
МВА каждый, тип трансформатора - ТДН-16000/110.
Расчеты по всем подстанциям приведены в таблице 1.34.
Таблица 1.34
- Выбор мощности трансформаторов 110 кВ
|
№ п/с
|
Sм, МВА
|
n
|
Sор, МВА
|
Sнт, МВА
|
Kнт*, МВА
|
Тип трансформатора
|
Kнт ав*, МВА
|
|
1
|
35,72
|
2
|
13,8
|
16
|
0,896
|
ТДН-16000/110
|
2,009
|
|
2
|
26
|
2
|
10,049
|
16
|
1,23
|
ТДН-16000/110
|
1,46
|
|
3
|
20,57
|
2
|
7,92
|
10
|
0,975
|
ТДН-10000/110
|
1,59
|
|
4
|
9,74
|
1
|
7,53
|
10
|
1,027
|
ТДН-10000/110
|
1,027
|
|
5
|
11,9
|
1
|
9,2
|
10
|
0.84
|
ТДН-10000/110
|
0.84
|
Для напряжения U=150
кВ по таблице 1.27 // также выбираются трансформаторы по ориентировочным
мощностям.
Расчеты по всем подстанциям приведены в таблице 1.35.
Таблица 1.35
- Выбор мощности трансформаторов 150 кВ
|
№ п/с
|
Sм, МВА
|
n
|
Sор, МВА
|
Sнт, МВА
|
Кнт*, МВА
|
Тип трансформатора
|
Кнт ав*, МВА
|
|
1
|
35,72
|
2
|
13,8
|
16
|
0,896
|
ТДН-16000/150
|
2,009
|
|
2
|
26
|
2
|
10,049
|
16
|
1,23
|
ТДН-16000/150
|
1,463
|
|
3
|
20,57
|
2
|
7,92
|
16
|
1,559
|
ТДН-16000/150
|
1,157
|
|
4
|
9,74
|
1
|
7,53
|
16
|
1,643
|
ТДН-16000/150
|
|
|
5
|
11,9
|
1
|
9,2
|
16
|
1,345
|
ТДН-16000/150
|
|
1.8 Проверка трансформаторов на перегрузочную способность по ГОСТ
14209-85
Проверка выбранных трансформаторов на систематическую перегрузку
Определение коэффициента перегрузки трансформатора:
(1.49)
где Sнт - номинальная мощность
трансформатора (МВА);
Sм
- расчетная
максимальная нагрузка (МВА). Sм = Si из таблицы 1.5;
n -
количество трансформаторов на подстанции.
По формуле (1.49) для первой подстанции (U=110 кВ):
Для остальных подстанций перегрузочные коэффициенты соответственно равны:
Рассчитаем трансформаторы напряжения на 150 кВ на систематическую
перегрузку.
По формуле (1.49) для первой подстанции (U=150 кВ):
Для остальных подстанций перегрузочные коэффициенты соответственно равны:
Проверка трансформаторов на аварийную перегрузку.
Проверка осуществляется только для 2-х трансформаторных подстанций при
отключении одного из трансформаторов.
Определяется коэффициент:
(1.54)
Определение коэффициента начальной загрузки в аварийном режиме К1ав:
К1ав=
(1.55)
В формуле (1.55) суммирование ведется по тем ступеням графика, которые не
относятся к зоне аварийной перегрузке.
Определение коэффициента аварийной перегрузки по графику
:
=
(1.56)
В выражении (1.56) суммирование ведется по тем ступеням графика, которые
относятся к зоне аварийной перегрузки.
Расчет выполняется для напряжения U=110 кВ.
Для первой подстанции по формуле (1.54):
Кнтав*< 1, поэтому трансформатор
испытывает аварийную перегрузку.
На суточный график нагрузки на рисунке 1.12 наносится линия параллельная
оси абсцисс с ординатой равной величине К*нт ав.
Рисунок 1.12- Суточный график нагрузки легкой промышленности
По пересечению графика нагрузок и линии К*нтав1
определяется время аварийной перегрузки : tп=24 часов.
По формулам (1.55) и (1.56):
=0
(1.55)
К2авпс3=
(1.56)
По таблице 1.28 // в зависимости от К1ав, tпав, эквивалентной зимней температуры
охлаждающей среды Θ и системы охлаждения трансформатора, определяется
допустимый коэффициент перегрузки К2доп ав. При несовпадении
расчетных значений Θ, К1ав, tпав с табличными значение К2допав
определяют по правилам линейной интерполяции.
Для подстанции 3 при К1ав =0,448, tпав = 24 часа, Θ=-20 ºС и системы охлаждения трансформатора
Д К2доп ав = 1,5.
Проверка осуществляется по выражению:
(1.57)
Для подстанции 1 при К2ав = 1,726 , что больше чем К2допав
= 1,5.
Определяем допустимую мощность трансформатора в аварийном режиме
Sдоп=
1,5*16=24
< 70%
Следовательно, выбранный трансформатор удовлетворяет условию проверки на
аварийную перегрузку.
Аналогично проверяется трансформатор второй и третьей подстанций.
Результаты проверки сведены в таблицу 1.37.
Таблица 1.37- Проверка выбранных трансформаторов на аварийные перегрузки
для U=110 кВ
|
№ п/ст
|
Кнт
|
Тп
|
К1ав
|
К2ав
|
0,9* Кмахав
|
К2доп
|
Доп мощн тр-ра в авар
режиме
|
|
1
|
0,448
|
24
|
0
|
1,72
|
2,009
|
1,6
|
32%<70%
|
|
2
|
0,615
|
16
|
0,844
|
1,38
|
1,463
|
1,5
|
|
|
3
|
0,486
|
24
|
0
|
1,49
|
1,59
|
1,6
|
|
Расчет выполняется для напряжения U=150 кВ.
Расчеты проводятся аналогично вычислениям для U=110 кВ. Результаты расчетов сведены в таблицу 1.39.
На суточный график нагрузки на рисунке 1.13 наносится линия параллельная
оси абсцисс с ординатой равной величине К*нт ав.
Таблица 1.39 - Проверка выбранных трансформаторов на аварийные перегрузки для U=150
кВ
Рисунок 1.13- Суточный график нагрузки чёрной металлургии
Выбранные трансформаторы для всех пяти подстанций удовлетворяют условию
проверки на аварийную перегрузку для сети на напряжение 150 кВ.
Параметры трансформаторов на 110 кВ и 150 кВ сведены в таблицу 1.40.
Таблица 1.40 Параметры выбранных трансформаторов класса 110 и 150 кВ.
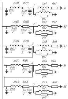
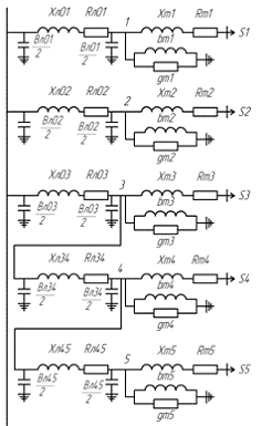
1.9 Формирование схем электрических соединений вариантов сети
В связи с конструктивными недостатками схем на отделителях и
короткозамыкателях и отрицательным воздействием их работы при коротких
замыканиях на оборудование и потребителей, данные схемы электрических
соединений построены с использованием выключателей.
Радиально-магистральный вариант сети 110 кВ
Радиально-магистральный вариант сети 150 кВ
Смешанный вариант сети 110 кВ
Смешанный вариант сети 150 кВ
2. Технико-экономическое сравнение
вариантов схем электрической сети и выбор рационального варианта
.1 Расчет потерь мощности в элементах сети
Расчет потерь мощности в трансформаторах 110 кВ
Переменные потери мощности в трансформаторах первой подстанции
=
(2.1)
По формуле (2.1):
Потери холостого хода в трансформаторах 1-ой подстанции:
(2.2)
По формуле (2.2):
Расчеты по остальным подстанциям сведены в таблицу 2.1.
Таблица 2.1 - Расчет потерь мощности в трансформаторах подстанций 110 кВ
|
№ п/с
|
Sм, МВА
|
Sнт, МВА
|
n
|
ΔPxx, кВт
|
ΔPкз, кВт
|
ΔPт, кВт
|
ΔPxx п,
кВт
|
|
1
|
35,72
|
16
|
2
|
21
|
85
|
211,8
|
42
|
|
2
|
26
|
16
|
2
|
21
|
85
|
112,2
|
42
|
|
3
|
20,57
|
10
|
2
|
14
|
60
|
126,9
|
28
|
|
4
|
9,74
|
10
|
1
|
14
|
60
|
56,9
|
14
|
|
5
|
11,9
|
10
|
1
|
14
|
60
|
84,9
|
14
|
|
Итого
|
592,87
|
140
|
Расчет потерь мощности в трансформаторах 150 кВ
По формуле (2.1):
По формуле (2.2):
Расчеты по остальным подстанциям сведены в таблицу 2.2.
Таблица 2.2 - Расчет потерь мощности в трансформаторах подстанций 150 кВ
|
№ п/с
|
Sм, МВА
|
Sнт, МВА
|
n
|
ΔPxx, кВт
|
ΔPкз, кВт
|
ΔPт, кВт
|
ΔPxx п,
кВт
|
|
1
|
35,72
|
16
|
2
|
21
|
85
|
211,8
|
42
|
|
2
|
26
|
16
|
2
|
21
|
85
|
112,2
|
42
|
|
3
|
20,57
|
16
|
2
|
21
|
85
|
70,242
|
42
|
|
4
|
9,74
|
16
|
1
|
21
|
85
|
31,5
|
21
|
|
5
|
11,9
|
16
|
1
|
21
|
85
|
47
|
21
|
|
Итого
|
472,8
|
168
|
2.2 Расчет радиально - магистрального варианта сети 110 кВ
Расчет потерь мощности в ЛЭП
Расчет
переменных потерь мощности в ЛЭП радиально - магистрального варианта
Переменные потери в линии 0-1:
(2.3)
По формуле (2.3):
Расчеты по остальным участкам сети сведены таблицу 2.3.
Таблица 2.3 - Расчет потерь в ЛЭП радиально-магистрального варианта
|
Участок
|
S, МВА
|
Rл, Ом
|
ΔPл, кВт
|
35,72
|
6,64
|
699,4
|
|
0-2
|
26
|
5,92
|
330,74
|
|
0-3
|
20,57
|
5,92
|
871,8
|
|
3-4
|
9,74
|
10,11
|
391,6
|
|
4-5
|
11,9
|
10,72
|
125,46
|
|
Итого
|
2416
|
Суммарные потери мощности в режиме максимальных нагрузок составят:
(2.4)
По формуле (2.4):
Расчет потерь электроэнергии
Время максимальных потерь:
(2.5)
По формуле (2.5):
t =
Суммарные переменные и условно-постоянные потери электроэнергии в
элементах сети смешанного варианта:
(2.6)
По формуле (2.6):
(2.7)
По формуле (2.7):
Суммарные потери электроэнергии:
(2.8)
По формуле (2.8):
Величина удельной стоимости потерь электроэнергии b определятся по двухставочному тарифу
2011 года:
, (2.9)
где a- основная ставка двухставочного тарифа, равная 314,85415
руб/кВтдополнительная ставка двухставочного тарифа, равная 0,62646 руб/кВт*ч.
По формуле (2.9) удельная стоимость потерь составляет:
Стоимость потерь электроэнергии:
ИΔW =b* ΔW (2.10)
По формуле (2.10):
ИΔW =1,241*1,563*
=19392,213 тыс.руб.
Капитальные вложения
Капиталовложения в электрическую сеть:
К= Кл+ Кпс + Кдоп, (2.11)
где Кл - вложения на сооружение линий электропередачи;
Кпс - вложения на сооружение подстанций;
Кдоп - дополнительные капитальные вложения в
топливно-энергетическую базу, необходимые для покрытия потерь мощности и
электроэнергии.
Коэффициент приведения составляющих затрат, принимаемых в ценах 1990
года, в цены 2010 года:
, (2.12)
где a0 - основная ставка двухставочного тарифа;0 -
дополнительная ставка двухставочного тарифа по прейскуранту 09-01 на 1990г.,
которые можно принять равными: a0 = 60 руб/кВт и b0 = 1,5
коп/кВт*ч.
По формуле (2.12):
Принимаем окончательно кw = 51
Суммарные капиталовложения на сооружение ЛЭП сети:
, (2.13)
где Коi
- стоимость сооружения одного километра линии i-го участка сети.
Величина К0 принимается по таблице 2.2 // для соответствующих
сечений, числа цепей и третьему району по гололеду и заносится в таблицу 2.4
без учетом коэффициента кw.
Таблица 2.4 - Капвложения в ЛЭП
|
Участок
|
число цепей
|
Длина участка, км
|
Марка провода
|
Ко, тыс. руб/км
|
Кл, тыс. руб
|
|
0-1
|
2
|
34,8
|
АС-120
|
15,1*51
|
41092,54
|
|
0-2
|
2
|
40,6
|
АС-120
|
15,1*51
|
36626
|
|
0-3
|
2
|
31,32
|
АС-120
|
15,1*51
|
36626
|
|
3-4
|
1
|
41,76
|
АС-120
|
9,5*51
|
19670,7
|
|
4-5
|
1
|
38.28
|
АС-70
|
10*51
|
13015
|
|
Итого:
|
147030
|
Таким образом, капиталовложения в ЛЭП составляют:
тыс.руб.
Суммарные капиталовложения на сооружение подстанций проектируемой сети:
, (2.14)
где Kтрi - расчетная стоимость трансформаторов устанавливаемых
на i-ой подстанции (тыс.руб.);
Kв
- суммарная
расчетная стоимость ячеек выключателей устанавливаемых на стороне ВН подстанций
и на отходящих линиях РЭС, тыс.руб.;
КОРУ.ВНi,
КЗРУ.ННi -
соответственно укрупненный показатель стоимости открытого распределительного
устройства со стороны высшего и низшего напряжения i-ой подстанции;
Кпостi
- постоянная часть затрат i-ой
подстанции.
Так как стоимость ЗРУ НН для всех вариантов одинаковая то эту
составляющую можно не учитывать в составе капиталовложений при сравнении
вариантов.
Определение капиталовложений в трансформаторы.
Величины стоимости трансформаторов принимаются по данным таблицы 2.4 //
(с учетом корректировки цен) в зависимости от номинальной мощности
трансформатора для класса напряжения 110 кВ. Расчет сведен в таблицу 2.5.
Таблица 2.5 - Расчет капиталовложений в трансформаторы (110 кВ)
|
Мощность трансформатора,
МВА
|
Стоимость одного
трансформатора, тыс.руб
|
Количество трансформаторов
|
Итого
|
|
16
|
88
|
4
|
352
|
|
10
|
70
|
4
|
280
|
|
Всего:
|
632
|
Таким образом, капиталовложения в трансформаторы составят:
тыс.руб.
Определяем капиталовложения в ОРУ ВН (ячейки силовых выключателей,
устанавливаемых на стороне ВН подстанций и на отходящих линиях РЭС).
Стоимость ОРУ 110 кВ составляет:
КОРУ ВН =14*1200= 1680 тыс. руб.
Постоянная часть затрат на подстанции определяется по таблице 2.7 //.
Постоянная часть затрат на подстанции с учетом коррекции цен:
Кпост = (3*250+2*200)*51 =58650 тыс. руб.
Суммарные капиталовложения на сооружение подстанций проектируемой сети:
Кпс =32232+16800+58650=107682 тыс. руб.
Дополнительные капитальные вложения в топливно-энергетическую базу,
необходимые для покрытия потерь мощности и электроэнергии Кдоп:
Kдоб.= g (крм* кр* ксн* Кст* ΔРм + Ктт* bт *ΔW), (2.15)
где g - коэффициент,
учитывающий удаленность потребителя Принимается для сетей 110 кВ g=1,1;
крм - коэффициент, учитывающий несовпадение максимумов
нагрузок потребителей сети во времени. Принимаем величину Крм равной
единице, так как все потребители имеют одинаковые графики нагрузки;
кр - коэффициент, учитывающий необходимость резерва мощности
на электростанции. Принимаем величину резерва мощности равной 10% от
передаваемой мощности в сеть потребителей, то есть Кр=1,1;
ксн - коэффициент, учитывающий расходы мощности на собственные
нужды станции, принимаем для ГРЭС Ксн=1,04;
Кст - расчетная стоимость 1кВт мощности установленной на
электростанции (Принимаем Кст =60 руб/кВт для тепловых станций в
ценах 1999 года);
ΔРм- потери мощности в ЛЭП
и трансформаторах сети в режиме наибольших нагрузок,
Ктт - удельные капвложения в топливную базу, учитывающие
затраты на добычу и транспортировку топлива (принимаем Ктт=28
руб/т.у.т в ценах 1990 г.);
bт - расход условного топлива на
выработку 1 кВт ч электроэнергии (принимаем величину bт равной 300 г.у.т./кВт ч или 300*10-6 т.у.т./кВт
ч);
ΔW - потери электроэнергии в элементах электрической сети за
год [кВт ч].
По формуле (2.15):
доб.=1,1*(1*1,1*1,04*60*10-3*3151,88+28*10-3*1,563*107)
*51 = =24556,72 тыс. руб.
Полные капиталовложения в сеть составят:
К=107682+24556,72 +147030,35=279269 тыс. руб.
Эксплуатационные расходы
Эксплуатационные расходы (издержки):
И = Ил + Ипс + ИΔW
, (2.16)
где Ил, Ипс - ежегодные издержки на эксплуатацию
линий и электрооборудования подстанций;
ИΔW - стоимость потерь электроэнергии;
- ежегодные суммарные отчисления, включающие отчисления на
амортизацию, текущий ремонт и обслуживание ЛЭП и подстанций, в процентах от
капитальных затрат соответственно.
По формуле (2.16):
тыс.руб.
Приведенные затраты
, (2.17)
где рн - нормативный коэффициент экономической эффективности
капитальных вложений 1/год, принимаемый для электроэнергетики равным 0,15;
По формуле (2.17):
З1 =0,15*279269 +38795,7=80686 тыс.руб.
.3 Расчет радиально-магистрального варианта сети 150 кв
Расчет потерь мощности в ЛЭП
Расчет
переменных потерь мощности в ЛЭП радиально-магистрального варианта
По формуле
(2.3):
Расчеты по остальным участкам сети сведены таблицу 2.6.
Таблица 2.6 - Расчет потерь в ЛЭП радиально-магистрального варианта U=150 кВ
|
Участок
|
S, МВА
|
Rл, Ом
|
ΔPл, кВт
|
|
0-1
|
35,7
|
6,64
|
376,12
|
|
0-2
|
26
|
5,92
|
117,86
|
|
0-3
|
42,2
|
5,92
|
468,8
|
|
3-4
|
21,65
|
10,11
|
210,6
|
|
4-5
|
11,9
|
6,35
|
36,96
|
|
Итого:
|
1273,38
|
По формуле (2.4):
Расчет потерь электроэнергии
По формуле (2.6):
По формуле (2.7):
По формуле (2.8):
По формуле (2.10):
ИΔW =12187 тыс. руб.
Капитальные вложения
Величину К0 принимаем по таблице 2.2 // для соответствующих
сечений, числа цепей и первому району по гололеду и заносим в таблицу 2.7.
Таблица 2.7 - Капвложения в ЛЭП
|
Участок
|
число цепей
|
Длина участка, км
|
Марка провода
|
Ко, тыс. руб/км
|
Кл, тыс. руб
|
|
0-1
|
2
|
34,8
|
АС-120
|
17,7*51
|
48168
|
|
0-2
|
2
|
40,6
|
АС-120
|
17,7*51
|
42932
|
|
0-3
|
2
|
31,32
|
АС-120
|
17,7*51
|
42932
|
|
3-4
|
1
|
41,76
|
АС-120
|
11*51
|
22776,6
|
|
4-5
|
1
|
38.28
|
АС-120
|
11*51
|
14316,7
|
|
Итого:
|
171126
|
Капиталовложения в ЛЭП составляют: Кл
=171126 тыс.руб.
Определение капиталовложений в трансформаторы
Величины стоимости трансформаторов принимаются по данным таблицы 2.4 //
(с учетом корректировки цен) в зависимости от номинальной мощности
трансформатора для класса напряжения 150 кВ. Расчет сведен в таблицу 2.8.
Таблица 2.8 - Расчет капиталовложений в трансформаторы (150 кВ)
|
Мощность трансформатора,
МВА
|
Стоимость одного трансформатора, тыс.руб
|
Количество трансформаторов
|
Итого
|
|
16
|
88
|
8
|
704
|
|
Всего:
|
704
|
Таким образом, капиталовложения в трансформаторы составят:
Ктр =704*51=35904 тыс.руб.
Стоимость ОРУ 150 кВ составляет:
КОРУ ВН =14*1500=21000 тыс. руб.
Постоянная часть затрат на подстанции определяется по таблице 2.7 //.
Постоянная часть затрат на подстанции с учетом коррекции цен:
Кпост = (3*280+2*250)*51 =68340 тыс. руб.
Суммарные капиталовложения на сооружение подстанций проектируемой сети:
Кпс =35904+21000+68340=125244тыс. руб
По формуле (2.15):
Kдоб.=1,1*(1*1,1*1,04*60*
*1914,2*+28*
*9,82*
)*51/1000=15432 тыс. руб.
Полные капиталовложения в сеть составят:
К=125244+15432,41+35904=176580,408 тыс. руб
Эксплуатационные расходы
По формуле (2.16):
тыс.руб.
Приведенные затраты
По формуле (2.17):
З1 =0,15*171126,22 +31996,88=58153,94 тыс.руб.
.4 Расчет смешанного варианта сети 110 кВ
Расчет потерь мощности в ЛЭП
Расчет
переменных потерь мощности в ЛЭП смешанного варианта
По формуле (2.3):
Расчеты по остальным участкам сети сведены таблицу 2.9.
Таблица 2.9 - Расчет потерь в ЛЭП смешанного варианта U=150 кВ
|
Участок
|
S, МВА
|
Rл, Ом
|
ΔPл, кВт
|
|
0-1
|
32.15
|
10.71
|
889.26
|
|
0-2
|
29.55
|
9.274
|
669.3
|
|
1-2
|
3.57
|
36.54
|
38.49
|
|
0-3
|
42.212
|
5.92
|
871.8
|
|
3-4
|
21.65
|
10.11
|
391.6
|
|
4-5
|
11.9
|
10.72
|
125.5
|
|
Итого:
|
2985.88
|
По формуле (2.4):
Расчет потерь электроэнергии
По формуле (2.6):
По формуле (2.7):
По формуле (2.8):
По формуле (2.10):
ИΔW =18335665.2 тыс.руб.
Капитальные вложения
Таблица 2.10 - Капвложения в ЛЭП
|
Участок
|
число цепей
|
Длина участка, км
|
Марка провода
|
Ко, тыс. руб/км
|
Кл, тыс. руб
|
|
0-1
|
1
|
23.36
|
АС-150
|
9.8*51
|
26669.33
|
|
0-2
|
1
|
47.56
|
АС-150
|
9.8*51
|
23770.5
|
|
1-2
|
1
|
АС-70
|
10*51
|
44370
|
|
0-3
|
2
|
47.56
|
АС-120
|
15.1*51
|
36625.9
|
|
3-4
|
1
|
40.6
|
АС-120
|
9.5*51
|
19670.7
|
|
4-5
|
1
|
25.52
|
АС-70
|
10*51
|
13015.2
|
|
Итого:
|
164121.7
|
Капиталовложения в ЛЭП составляют: Кл=164121.7 тыс.руб.
Таблица 2.11 - Расчет капиталовложений в трансформаторы (150 кВ)
|
Мощность трансформатора,
МВА
|
Стоимость одного
трансформатора, тыс.руб
|
Количество трансформаторов
|
Итого
|
|
10
|
70
|
4
|
14280
|
|
16
|
88
|
2
|
17952
|
|
Всего:
|
33232
|
Капиталовложения в трансформаторы составят: Ктр=33232тыс.руб.
Стоимость ОРУ 120 кВ
составляет:
КОРУ ВН =14*1200=16800 тыс. руб.
Постоянная часть затрат на подстанции определяется по таблице 2.7 //.
Постоянная часть затрат на подстанции с учетом коррекции цен:
Кпост = (1*250+4*200)*51 =53550 тыс. руб.
Суммарные капиталовложения на сооружение подстанций проектируемой сети:
Кпс =32232+16800+53550=102582 тыс. руб
По формуле (2.15):
доб.=1,1*(1*1,1*1,04*60*10-3*3719+*28*10-3*1.834*107)*51/1000=28816
тыс. руб.
Полные капиталовложения в сеть составят:
К=102582+28816+164121.7=295519 тыс. руб
Эксплуатационные расходы
По формуле (2.16):
тыс.руб.
Приведенные затраты
По формуле (2.17):
З3 =0,15*43054+28816=87382.1 тыс.руб.
2.5 Расчет смешанного варианта сети 150 кВ
Расчет потерь мощности в ЛЭП
Расчет
переменных потерь мощности в ЛЭП смешанного варианта
По формуле (2.3):
Расчеты по остальным участкам сети сведены таблицу 2.12.
Таблица 2.12 - Расчет потерь в ЛЭП смешанного варианта U=150 кВ
|
Участок
|
S, МВА
|
Rл, Ом
|
ΔPл, кВт
|
|
0-1
|
32.15
|
13.29
|
610.53
|
|
0-2
|
29.55
|
11.84
|
460
|
|
1-2
|
3.57
|
21.7
|
12.3
|
|
0-3
|
42.212
|
5.92
|
469
|
|
3-4
|
21.65
|
10.11
|
210.6
|
|
4-5
|
11.9
|
6.35
|
40
|
|
Итого:
|
1801.72
|
По формуле (2.4):
Расчет потерь электроэнергии
По формуле (2.6):
По формуле (2.7):
По формуле (2.8):
По формуле (2.10):
ИΔW =15321.8 тыс.руб.
Капитальные вложения
Таблица 2.13 - Капвложения в ЛЭП
|
Участок
|
число цепей
|
Длина участка, км
|
Марка провода
|
Ко, тыс. руб/км
|
Кл, тыс. руб
|
|
0-1
|
1
|
23.36
|
АС-120
|
11*51
|
29935
|
|
0-2
|
1
|
47.56
|
АС-120
|
11*51
|
26681
|
|
1-2
|
1
|
87
|
АС-120
|
11*51
|
48807
|
|
0-3
|
2
|
47.56
|
АС-120
|
17.7*51
|
42932
|
|
3-4
|
1
|
40.6
|
АС-120
|
11*51
|
22777
|
|
4-5
|
1
|
25.52
|
АС-120
|
11*51
|
14317
|
|
Итого:
|
185449
|
Капиталовложения в ЛЭП составляют: Кл=185449 тыс.руб.
Таблица 2.14 - Расчет капиталовложений в трансформаторы (150 кВ)
|
Мощность трансформатора,
МВА
|
Стоимость одного
трансформатора, тыс.руб
|
Количество трансформаторов
|
Итого
|
|
16
|
88*51
|
8
|
35904
|
|
Всего:
|
35904
|
Капиталовложения в трансформаторы составят: Ктр=35904 тыс.руб.
Стоимость ОРУ 150 кВ составляет:
КОРУ ВН =14*1500=21000 тыс. руб.
Постоянная часть затрат на подстанции определяется по таблице 2.7 //.
Постоянная часть затрат на подстанции с учетом коррекции цен:
Кпост = (3*250+2*200)*51 =199920 тыс. руб.
Суммарные капиталовложения на сооружение подстанций проектируемой сети:
Кпс = 35904+21000+199920=256824 тыс. руб
По формуле (2.15):
доб.=1,1*(1*1,1*1,04*60*10-3*2442.5+28*10-3*1.235*10-7)*51/1000=19402.1
тыс. руб.
Полные капиталовложения в сеть составят:
К=256824+19402.1+35904=312130.1 тыс. руб
Эксплуатационные расходы. По
формуле (2.16):
тыс.руб.
Приведенные затраты. По
формуле (2.17):
З3 =0,15*185449+48736.1=95555.61 тыс.руб.
2.6 Выбор рационального варианта сети
Приведенные затраты для радиально-магистрального варианта составляют:
Для 110 кВ: З1 =80686 тыс.руб.
Для 150 кВ: З2 =58484 тыс.руб.
Приведенные затраты для смешанного варианта 150 кВ составляют:
Для 110 кВ: З3 =87382.1 тыс.руб.
Для 150 кВ: З4 =95555.61 тыс.руб.
Разница в приведенных затратах:
∆З= З2- З4=95555.61 -58484 =37031.61 тыс.руб.,
что относительно варианта с наименьшими затратами в процентах составляет:
∆З%=
=38.75 %
По анализу приведенных затрат для дальнейшего проектирования следует
принять радиально-магистральный вариант на напряжение 150 кВ.
3. Электрический расчет выбранного
варианта сети
3.1 Формирование схемы замещения сети и определение ее параметров
Схема замещения сети формируется из отдельных схем замещения элементов
сети - линий и трансформаторов.
Для воздушных сетей 110 кВ и более линии электропередачи представляются
П- образной схемой замещения, а трансформаторы Г-образной схемой.
Схема замещения радиально-магистрального варианта на напряжение 150 кВ
приведена на рисунке 3.1.
Рисунок 3.1 - Схема замещения радиально-магистрального варианта сети на
напряжение 150 кВ
3.2 Расчет зарядных мощностей ЛЭП
Зарядные мощности линий (участка i-j) в нормальном
режиме:
, (3.1)
где bij - емкостная проводимость участка
сети, найденная в п. 1.6.1.5.
Для разомкнутых сетей зарядные мощности двухцепных ЛЭП в послеаварийном
режиме уменьшаются вдвое, так как в качестве послеаварийного режима для таких
сетей рассматривается режим отключения одной цепи на всех двухцепных участках. Для кольцевых участков в качестве послеаварийных режимов
рассматриваются режима поочередного отключения головных участков. Поэтому в
послеаварийных режимах зарядная мощность этих участков принимается равной нулю.
DQСij=1502*283.1/106
Расчеты зарядных мощностей в нормальном и послеаварийном режимах для
смешанного варианта сети сведены в таблицу 3.1.
Таблица 3.1 -
Зарядные мощности в нормальном и послеаварийном режимах для
радиально-магистрального варианта
Таким образом, суммарная зарядная мощность ЛЭП составляет DQc =21,888
3.3 Определение расчетных нагрузок в
режимах: максимальных нагрузок, минимальных нагрузок и послеаварийном режиме
Определить расчетные нагрузки подстанций в режимах: максимальных
нагрузок, минимальных нагрузок и послеаварийном режиме для
радиально-магистрального варианта сети и сформировать расчетную схему сети.
Нормальный режим максимальных нагрузок
Расчетная нагрузка первой подстанции
р1 = Pр1 + jQр1; (3.2)
Рр1=Р1 +ΔPп+ ΔPхх п1; (3.3)
Qр1= Q1+DQп1 +DQхх п1 -DQc1, (3.4)
Потери реактивной мощности в меди трансформаторов 1-ой подстанции;
DQп1 =
, (3.5)
DQп1 =
Потери в стали (холостого хода) в трансформаторах первой подстанции
, (3.6)
Половина суммы зарядных мощностей линий соединенных с первой подстанцией
DQc1=
(3.7)
DQc1=
Рр1=33
+0.2118+0.042=33.254 МВт;
Qр1= 13,68+4,386+0.256-3,185= 15,137 Мвар
Расчетные нагрузки для остальных узлов определяем аналогично. Результаты
расчетов приведены в таблице 3.2.
Таблица 3.2 - Расчетные нагрузки (нормальный режим максимальных нагрузок)
В таблице 3.2 в строке "Всего" произведен расчет суммарных
потерь соответственно активной и реактивной мощностей в трансформаторах.
В режиме минимальных нагрузок значения Рi Qi определяются
в соответствии с суточными графиками нагрузок. Так для рассматриваемого примера
значение мощности минимальной ступени в относительных единицах (рисунок 1.8)
составляет 0,4. Поэтому в этом режиме
Р1 = 33*0,3=9,9 МВт,1 = 13,68*0,3 = Мвар,
Расчеты по определению расчетных нагрузок в режиме минимальных нагрузок
сведены в таблицу 3.3.
Таблица 3.3 - Расчетные нагрузки (нормальный режим минимальных нагрузок)
Расчетные нагрузки в послеаварийном режиме определяются для нагрузок
максимального режима. Поэтому в этом режиме по сравнению с нормальным режимом
максимальных нагрузок изменятся лишь величины DQci. Для их расчета используются данные
графы 5 таблицы 3.1.
Расчеты по определению расчетных нагрузок в послеаварийном режиме сведены
в таблицу 3.4.
Таблица 3.4 - Расчетные нагрузки (послеаварийный режим)
3.4 Электрический расчет режима сети в
режимах: максимальных нагрузок; минимальных нагрузок; послеаварийном
Рассчитать режим участка сети 0-1 для максимальных, минимальных нагрузок
и в послеаварийном режимах. Напряжение на шинах РЭС при наибольших нагрузках и
в послеаварийном режимах принять равным 1,1Uн, а в режиме минимальных нагрузок 1,05Uн.
Расчетная схема участка приведена на рисунке 3.2
Рисунок 3.2 - Расчетная схема участка сети
Режим максимальных нагрузок
1-й этап
Принимаем U3 = U4 =U5 = 150 кВ
Мощность в конце участка 4-5
(3.8)
Потери мощности на участке 4-5
(3.9)
Мощность в начале участка 2-3
(3.10)
Мощность в конце участка 3-4
(3.11)
Потери мощности на участке 3-4
Мощность в начале участка 3-4
Мощность в конце участка 0-3
(3.12)
Потери мощности на участке 0-3
Мощность в начале участка 0-3
-ой этап
Определим напряжение в узле 3
, (3.13)
Определим напряжение в узле 4
, (3.14)
Определим напряжение в узле 3
, (3.15)
Уточняем потери мощности
Потери мощности на участке 4-5
Мощность в начале участка 4-5
Мощность в конце участка 3-4
Потери мощности на участке 3-4
Мощность в конце участка 0-3
Потери мощности на участке 0-3
Режим минимальных нагрузок
1-й этап
Принимаем U3 = U4 =U5 = 150 кВ
Мощность в конце участка 4-5
Потери мощности на участке 4-5
Мощность в начале участка 4-5
Мощность в конце участка 3-4
Потери мощности на участке 3-4
Мощность в начале участка 3-4
Мощность в конце участка 0-3
Потери мощности на участке 0-3
Мощность в начале участка 0-1
2-ой этап
Определим напряжение в узле 1
Определим напряжение в узле 2
Определим напряжение в узле 3
Уточняем потери мощности
Потери мощности на участке 4-5
Мощность в начале участка 4-5
Мощность в конце участка 3-4
Потери мощности на участке 3-4
Мощность в конце участка 0-3
Потери мощности на участке 0-3
Послеаварийный режим
1-й этап
Принимаем U2 = U1 =Uн = 150 кВ
Мощность в конце участка 4-5
Потери мощности на участке 4-5
Мощность в начале участка 4-5
Мощность в конце участка 3-4

Мощность в начале участка 3-4
Мощность в конце участка 0-3
Потери мощности на участке 0-3
Мощность в начале участка 0-1
2-ой этап
Определим напряжение в узле 1
Определим напряжение в узле 2
Определим напряжение в узле 3
Уточняем потери мощности
Мощность в конце участка 4-5
Потери мощности на участке 4-5
Мощность в начале участка 4-5
Мощность в конце участка 3-4
Потери мощности на участке 3-4
Мощность в начале участка 3-4
Мощность в конце участка 0-3
Потери мощности на участке 0-3
Мощность в начале участка 0-3
Участок 0-1
Режим максимальных нагрузок
1-й этап
Принимаем U1 = 150 кВ
Мощность в конце участка 0-1
Потери мощности на участке 0-1
Мощность в начале участка 0-1
2-ой этап
Определим напряжение в узле 1
Уточняем потери мощности на участке 0-1
Режим минимальных нагрузок
1-й этап
Принимаем U1 = 150 кВ
Мощность в конце участка 0-1
Потери мощности на участке 0-1
Мощность в начале участка 0-1
2-ой этап
Определим напряжение в узле 1
Уточняем потери мощности на участке 0-1
Послеаварийный режим нагрузок
1-й этап
Принимаем U1 = 150 кВ
Мощность в конце участка 0-1
Потери мощности на участке 0-1
Мощность в начале участка 0-1
2-ой этап
Определим напряжение в узле 1
Уточняем потери мощности на участке 0-1
Расчет для остальных участков радиально-магистрального варианта сети
выполняем аналогично. Результаты расчетов сводим в таблицы 3.4 и 3.5.
Таблица 3.4 - Расчетные величины напряжений на стороне ВН подстанций
Таблица 3.5 - Расчетные потери мощности в ЛЭП
Таким образом, суммарные потери активной и реактивной мощности в сети в
режиме максимальных нагрузок составляют: ΔP=1 МВт; ΔQ=1,74 Мвар.
3.5 Определение напряжения на стороне
низшего напряжения подстанций и выбор регулировочных ответвлений
трансформаторов
Определить напряжение на шинах низшего напряжения подстанций приведенное
к стороне ВН и выбрать регулировочные ответвления трансформаторов с РПН на всех
подстанции в режимах максимальных и минимальных нагрузках и наиболее тяжелом
послеаварийном режиме.
Определение напряжения на стороне низшего напряжения подстанций в режиме
максимальных нагрузок
Активное и индуктивное сопротивления продольной ветви схемы замещения
первой подстанции:
, (3.14)
(3.15)
Мощность в начале продольной ветви схемы замещения первой подстанции
, (3.16)
, (3.17)
Значения
и
определены в примере 3.3, таблица 3.2.
Продольная составляющая падения напряжения в продольной ветви схемы
замещения первой подстанции
(3.18)
Напряжение на шинах низшего напряжения первой подстанции приведенное к
стороне ВН
(3.19)
3.6 Выбор регулировочных ответвлений
трансформаторов
Принимаем в качестве желаемых напряжений на стороне НН подстанций:
Желаемое регулировочное ответвление трансформатора на первой подстанции в
режиме максимальных нагрузок
, (3.20)
Величину ступени регулирования для трансформаторов класса 110 кВ
принимаем по таблице 1.24 напряжения:
=1,78.
Принимаем в качестве действительного регулировочного ответвления
трансформаторов на первой подстанции в режиме максимальных нагрузок ближайшее
меньшее целое число со знаком по отношении к
.
=1
Для трансформаторов класса 150 кВ значение действительного ответвления
должно лежать в диапазоне
, (3.21)
Условие 3.38 выполняется.
Действительное напряжение на стороне НН первой подстанции в режиме
максимальных нагрузок
(3.22)
Аналогично выполняем расчеты для всех подстанций в режиме максимальных и
минимальных нагрузок и послеаварийном режиме. Результаты расчетов сводим в
таблицы 3.6, 3.7 и 3.8.
Таблица 3.6 -
Выбор регулировочных ответвлений для режима максимальных нагрузок
Таблица 3.7 -
Выбор регулировочных ответвлений для режима минимальных нагрузок
Таблица 3.8 -
Выбор регулировочных ответвлений для послеаварийного режима
В послеаварийном режиме учитывалось отключение одного из двух
трансформаторов на двухтрансформаторных подстанциях - 3,4 и 5, что приводит к
увеличению сопротивлений в схемах замещения подстанций..
.
Проверочный расчет баланса активной и реактивной мощности в сети
Целью данного раздела является уточнение баланса активной и реактивной
мощности в сети с учетом уточненных значений потерь активной и реактивной
мощности найденных в разделе 3.
Баланс составляем для расчета максимальных нагрузок.
Баланс активной мощности.
Рг=Рпотр=åРнагр+Рсн+DРсети, (4.1)
DРсети= ΔPΣл + ΔPΣт (4.2)
где ΔPΣл =1МВт -суммарные потери в линиях (таблица 3.5);
ΔPΣт=0,641 МВт - суммарные потери в трансформаторах
(таблица 3.2).
DРсети=1 +0,641 =1,641 МВт
Рг=Рпотр=96+2.88+1,641 =100,521 МВт
Баланс реактивных нагрузок.
г=
Qпотр= åQнагр+Qсн+Qр+DQсети-Qку (4.3)
DQсети=
ΔQΣл + ΔQΣт -Qc (4.4)
где ΔQΣл =1,74 Мвар -суммарные потери в линиях (таблица 3.5);
ΔQΣт=10,81 Мвар - суммарные потери в трансформаторах
(таблица 3.2);c = 21,89
Мвар - суммарная зарядная мощность ЛЭП (таблица 3.1)
DQсети=1,74+10,81-21,89=-9,34 Мварпотр=
åQнагр+Qсн+DQсети-Qку=70,63+4,768-9,34 - 30,83=35,228 Мвар
Располагаемая реактивная мощность генераторов энергосистемы
Qг=Рг*tgсист=100,521 *0,54= 54,281 Мвар;
Реактивная мощность небаланса
Qнеб= Qпотр - Qг =35,228 -54,281 = -19,053 Мвар.
Таким образом, предварительно выбранное значение суммарной реактивной
мощности компенсирующих устройств оказалось больше чем требуется, на величину
19,053 Мвар. Можно уменьшить мощность компенсирующих устройств или повысить
коэффициент мощности энергосистемы до величины
Заключение
В данной работе была спроецирована районная электрическая сеть для
электроснабжения предприятий тяжелого машиностроения, расположенных в
г.Воронеже. Опираясь на климатические, географические и технико-экономические
условия, был выбран радиально- магистральный вариант сети с номинальным
напряжением 150 кВ. Был произведен электрический расчет данного варианта,
который показал, что все получившиеся технические характеристики согласуются с
нормами и ГОСТами.
Список
использованных источников
1. Неклепаев, Б.Н., Крючков Н.П. Электрическая часть
электростанций и подстанций: Справочные материалы-4-е издание / Б.Н. Неклепаев,
Н.П. Крючков. -4-е издание. - М.: Энергоатомиздат, 1989.-608с.
. Правила устройства электроустановок. 7-е изд. Новосибирск:
Сиб. унив. изд-во, 2005.-512 с.
. Идельчик, В.И. Электрические системы и сети: Учебник для
вузов.-М.: Энергоатомиздат, 1989.-522с.
. Справочник про проектированию электрических сетей и
электрооборудования. / Под ред. Ю.Г. Барыбина и др.-М.: Энергоатомиздат,
1991.-464с.
. Ополева, Г.Н. Схемы и подстанции электроснабжения:
Справочник: Учеб. пособие. - М.: ФОРУМ-ИНФРА-М, 2006. -480 с.
. Нормы технологического проектирования подстанций
переменного тока с высшим напряжением 35-750кВ. СО 153-34.20.122-2006. Открытое
акционерное общество "Федеральная сетевая компания единой энергетической
системы" Стандарт организации 2006.-60с.
. СТП 101-00. Общие требования и правила оформления выпускных
квалификационных работ, курсовых проектов (работ), отчетов по РГР, по УИРС, по
производственной практике и рефератов. - Взамен СТП 2069022.101-88, СТП
2069022.102-93, СТП 2069022.103-92, СТП 2069022.105-95, СТП 2069022.108-93;
Введен 25.12.2000г. - Оренбург: ОГУ, 2000. - 62 с