Цифровая система автоматического управления

  • Вид работы:
    Курсовая работа (т)
  • Предмет:
    Информатика, ВТ, телекоммуникации
  • Язык:
    Русский
    ,
    Формат файла:
    MS Word
    264,88 Кб
  • Опубликовано:
    2012-12-11
Вы можете узнать стоимость помощи в написании студенческой работы.
Помощь в написании работы, которую точно примут!

Цифровая система автоматического управления

Техническое задание на курсовое проектирование

Необходимо спроектировать цифровую систему автоматического управления (ЦСАУ).

Система должна принимать сигнал из датчика, который находит в диапазоне 0…24В. Задающее значение, которое изменяется от 0 до 255, вводится через пульт управления кнопками. На пульте управления расположены 3 кнопки, 2 из которых используются для увеличения и уменьшения задающего значения. Другая кнопка нужна для подтверждения введенного числа.

Система должна обрабатывать эти данные и подать управляющее действие на объект управления по закону . Время квантования должно быть меньше 2 секунды. При случае, когда рассогласование dE больше 0.1 задающего значения, светодиод будет гореть.

Характеристика исполнительного устройства Uвх=5, Rвх=10кОм.

Введение

напряжение стабилизатор программный обеспечение

Характерной особенностью нынешнего этапа научно-технического прогресса является всё более широкое применение микроэлектроники в различных областях промышленности.

Среди массовых изделий электроники особая роль принадлежит микропроцессорам, в которых нашли своё отражение передовые научно-технические достижения в области физики, радиотехники, электроники, автоматики, кибернетики, машиностроения, исследования космического пространства.

Групповая интегральная технология изготовления, малая материалоёмкость, низкое энергопотребление, высокая надёжность, сравнительно небольшая стоимость позволили микропроцессорам занять лидирующее место по массовости применений среди средств вычислительной техники. В настоящее время известно более 200 тыс. различных применений микропроцессоров.

Особое внимание в настоящее время уделяется внедрению микропроцессоров, обеспечивающих решение задач автоматизации управления механизмами, приборами и аппаратурой. Адаптация микропроцессора к особенностям конкретной задачи осуществляется в основном путём разработки соответствующего программного обеспечения, заносимого потом в память программ. Аппаратная адаптация в большинстве случаёв осуществляется путём подключения необходимых интегральных схем обрамления и организации ввода-вывода, соответствующих решаемой задаче.

Применение микропроцессоров (МП) в современных цифровых устройствах управления или обработки информации в настоящее время стало обыденной реальностью. Массовый выпуск микропроцессорных наборов больших интегральных схем (БИС) с широкими функциональными возможностями и низкой стоимостью обеспечил исключительные преимущества цифровым методам информации.

1. Разработка аппаратной части

1.1 Разработка функциональной схемы

Рис. 1.1 - Функциональная схема ЦСАУ

Схема содержит следующие узлы:

НУ - нормирующий усилитель - предназначен для усиления аналогового сигнала до уровня, требуемого для работы АЦП.

АЦП - аналого-цифровой преобразователь - служит для преобразования аналоговой величины в соответствующий цифровой код.

ОМК - однокристальный микроконтроллер, реализующий алгоритм сбора и обработки информации. МПК управляет работой блока ввода аналоговых сигналов, обрабатывает значения, полученные с АЦП, измеряет значение дискретного сигнала, получает задающее значение от персонала и формирует сигнал дискретного управления (ДУ).

БК - блок управления. Клавиатура предназначена для управления устройством.

ЭИ - Элементы индикации. ЭИ применяются в следующих случаях:

индикация задающего воздействия;

индикация ситуации в системе, когда рассогласование dE больше 0.1 задающего значения.

Т- таймер в данной системе необходим для формирования временных интервалов квантования.

БПС- блок последовательной связи;

СУ- силовой усилитель;

ОУ- объект управления;

ИУ- исполняющее устройство;

Д- подключение датчика;

УВХ - устройство выборки и хранения.

Ввод дискретного задающего значения

Рис. 1.2

На приведенной, на рис. 1.2 схеме формирующим двоичный код элементом является реверсивный двоичный счетчик ДС. Двоичный код в счетчике формируется под воздействием входных импульсов, поступающих со схемы формирования импульсов (СФИ). Контактов кнопок «Больше» и «Меньше». В более сложном случае - это генератор импульсов, работа которого разрешается кнопками «Больше» или «Меньше». Ввод задания разрешается при наличии сигнала «Запрос на ввод задания». В данном проекте, мы выбрал интегральную схему CD4011BC в качестве СФИ, тем времени ДС реализуется программно.

1.2 Разработка принципиальной схемы

Выбор однокристального микроконтроллера (ОМК)

Для того чтобы выбрать подходящий контроллер, я провел анализ нескольких контроллеров: AVR, PIC и МК-51. Контроллер прежде всего должен удовлетворять требованиям к разрабатываемому устройству по следующим параметрам: количество портов, объем памяти, число таймеров и конечно реализуемые функции. Так же необходимо учитывать при выборе контроллера отношение цены и качества.

) МК семейства МК-51 используют гарвардскую архитектуру: память программ (ПЗУ) и память данных (ОЗУ) имеют раздельное адресное пространство. Для обращения к ячейкам памяти разного типа должны быть использованы разные типы команд. Максимальный размер адресного пространства для каждого типа памяти составляет 64 Кбайта. Непосредственно на кристалле МК 8051 АН располагаются только 4 Кбайта ПЗУ и 128 байт ОЗУ. МК семейства MCS-51 имеют открытую архитектуру, т.е. позволяют подключать внешнюю память. Поэтому при необходимости, как память программ, так и память данных могут быть увеличены посредством подключения дополнительных микросхем памяти. МК-51 имеет четыре 8-разрядных параллельных порта ввода/вывода и два 16-разрядных программируемых таймера. В отличии от 51 контроллеры 52 серии имеют больший объем ПЗУ и ОЗУ(8 Кбайта ПЗУ и 256 байт ОЗУ), 3 таймера, возможность работы по шине I2C, что позволяет подключить внешнее ПЗУ и достаточное количество портов (4×8).

Основу структурной схемы МК-51 образует внутренняя двунаправленная 8-битная шина, которая связывает между собой основные узлы и устройства микроконтроллера: резидентную память программ (RPM), резидентную память данных (RDM), арифметико-логическое устройство (ALU), блок регистров специальных функций, устройство управления (CU) и порты ввода/вывода (P0-P3).

) PIC 16С754. Он включает следующие функциональные блоки:

центральный RISC-процессор PIC16: разрядность обрабатываемого слова - 8 бит, число команд - 33;

память программ: 512 12-разрядных ячеек памяти однократно программируемого ПЗУ;

память данных: ОЗУ емкостью 25 однобайтовых ячеек памяти; таймер;

два порта ввода/вывода с общим числом линий, равным 12; сторожевой таймер.

Все без исключения команды МК PIC16 являются однословными, т. е. длина кода любой команды равна 12 бит. Двухступенчатый конвейер обеспечивает одновременную выборку и исполнение команд. Все команды, кроме команд передачи управления, выполняются за один машинный цикл. Длительность цикла составляет 200 нс при частоте тактирования fXCLK= 20 МГц (fBUS = fXCLK/4).

Цена более высокая, чем у 52 контроллера. Так же недостатком является однократно программируемое ПЗУ, что требует покупки более дорогого отладочного кристалла.

) AVR, располагает следующими возможностями, например ATmega32:

Мощный набор из 133 команд (большинство которых выполняется за 62,5 наносекунд)

Тактовая частота 0…16 МГц

Программно выбираемая частота генератора

Емкость внутрисистемно программируемой Flash памяти 64 Кбайт (не менее 10000 циклов перезаписи) интерфейс внутрисистемного программирования

Емкость встроенной EEPROM 2 Кбайт (100000 циклов перезаписи)

Кб ОЗУ

8-разрядных регистра общего назначения

программируемых линии ввода/вывода

Два 8-разрядных таймера/счетчика с раздельными делителями, режимами сравнения и ШИМ

Два 16-разрядных таймера/счетчика с режимами сравнения, захвата и ШИМ

Программируемый сторожевой таймер со встроенным генератором

Два полнодуплексных последовательных порта UART/USART (скорость до 2 Мбит/с)

Основные требования, предъявляемые к ОМК: количество дискретных входов и выходов; объем ОЗУ и ПЗУ; надежность работы; потребляемая мощность; удобство подключения оборудования и соответствие системы команд решаемой задачи. Мы настроили 12 МГц кварцевого резонанс для того, что система успевает вычислить и выдать значение на ИУ.

Рассмотрев все вышеперечисленные микроконтроллеры и учитывая все необходимые параметры для разрабатываемого устройства, я пришел к выводу, что целесообразно использовать МК серии 51, а конкретно для выполнения курсового проекта подходит ОМК К1816ВЕ51 (далее просто ВЕ51).

ОМК ВЕ51 является базовым, одним из наиболее распространённых в мире классов микроконтроллеров семейства MCS-51, которое до настоящего времени является доминирующим на рынке ОМК.

Микроконтроллер выполнен на основе высокоуровневой n-МОП технологии и выпускается в корпусе БИС, имеющем 40 внешних выводов. Цоколевка корпуса ВЕ51 и наименования выводов показаны на рис.1.3. Для работы ВЕ51 требуется один источник электропитания напряжением +5В±10%, рассеивает мощность около 1,5 Вт и работает в диапазоне температур от 0 до 700С. Через четыре программируемых порта ввода/вывода ВЕ51 взаимодействует со средой в стандарте ТТЛ-схем с тремя состояниями выхода.

Корпус ВЕ51 имеет два вывода для подключения кварцевого резонатора, четыре вывода для сигналов, управляющих режимом работы МК, и восемь линий порта 3, которые могут быть запрограммированы пользователем на выполнение специализированных (альтернативных) функций обмена информацией со средой.

ОМК ВЕ51 имеет в своём составе: процессор, стираемое ПЗУ ёмкостью 4Кбайта, ОЗУ ёмкостью 128 байт (возможно расширение ОЗУ и ПЗУ до 64 Кбайт путём подключения внешних БИС), два 16-битных таймера/счетчика, четыре 8-и разрядных двунаправленных порта ввода/вывода, блок двухуровневого векторного прерывания от пяти источников, асинхронный канал последовательного дуплексного ввода/вывода информации со скоростью до 375 Кбит/с, генератор, схему синхронизации и управления. Данный ОМК работает в диапазоне частот от 1,2 до 12 МГц, при этом минимальный цикл выполнения команды равен 1 мкс, а быстродействие равно миллиону коротких операций в секунду.

Анализ этих характеристик показывает, что этот микроконтроллер обладает значительными функционально-логическими возможностями и представляет собой эффективное средство компьютеризации (автоматизации на основе применения средств и методов обработки данных и цифрового управления) разнообразных объектов и процессов.

Рис. 1.3 - Цоколевка корпуса КМ1816ВЕ51 и наименование

Так как при режиме работы входного порта, порт P0 имеет выводы с открытым стоком, к которым надо подключить подтягивающие резисторы 1 кОм с источником +5В. Следовательно R15÷R22= 1 кОм. Выбрали 12.000 МГц (усечен.) HC-49S, кварцевый резонатор. Технические параметры позиции   Резонансная частота,МГц

Номер гармоники

1

Точность настройки dF/Fх10-6

50

Температурный коэффициент, Ктх10-6

50

Нагрузочная емкость, пФ

32

Рабочая температура, С

-20...70


Подобрали С8=С9=32пФ, С10=0.1 мкФ, R24=2 кОм, R23=1кОм, C11=50мкФ.

1.2.1 Разработка блока ввода аналоговых сигналов

АЦП

В качестве АЦП был выбран ИС AD570. ИС предназначен для преобразования сигналов, поступающих по восьми параллельным каналам, в цифровой код с последующим хранением его во внутреннем ОЗУ и считыванием во внешний микропроцессор в режиме прямого доступа к памяти. Может работать с микропроцессорами, имеющими как раздельные, так и общие шины адреса и данных. (Управление осуществляется сигналами ТТЛ- и К-МОП-уровней).

Режимы работы ИС определяются сигналом вход “bipolar control”. При падении сигнала высокого уровня ТТЛ однополярный режим (положительной полярности) с изменением UBX от 0 до 10В; иначе - биполярный режим (отрицательной полярности) с изменением UВХ от - 5 до +5 В;

При выборе АЦП основной характеристикой является разрядность, которая выбирается исходя из заданной относительной погрешности измерения, в соответствии с выражением:

, где S-относительная погрешность (по заданию 1%).

.

Видно, что 8-ми разрядное АЦП удовлетворяет требованиям, и следовательно нам подходит.

Принцип работы ИС следующий. По сигналу P3.7 от ОКМ, начинается преобразование в АЦП. Когда этот процесс заканчивается, активируется ИС кр1100ск2 сигналом готовности от АЦП. После чего аналоговый сигнал приходит к АЦП и преобразуется в двоичный код. Промежуток времени между 2-мя разами 0.5с. Рассчитываем резисторы делителя напряжения.

, следовательно . Выбрали R6=1кОм, R5=1.4кОм.

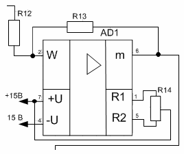
Рис. 1.4 - Корпуса ИС AD570

Назначение выводов: 1 - маркирующий вход; 2¸9 - выходы АЦП; 17 - сигнал готовности; 16 - вход сравниваемого аналогового сигнала; 15 - сигнал управления режимами работы АЦП; 13 - вход упорного аналогового сигнала; 12, 10 входы питания; 11 - вход запуска преобразования.

Электрические параметрыСС, В+5 ВUEE, В-15Впoт, мA7-10 мА в UCC Iпoт, мA9-15 мА в UEE

Число разрядов8

Число каналов8л, ед МР±0,5л.диф, ед МР±0,5пш, ед МР±2

Импеданс аналогового входа 3-7 кОм

, В0,4 , В3,2вх, В0,..10 Uсм, мВ±50

Из параметров ЦАП выбрали следующие сопротивления: R1=R2=R7=R8=5 кОм.

Выбор микросхемы устройства выборки и хранения(УВХ)

Для точного преобразования аналогового сигнала в цифровой, необходимо, чтобы измеряемый сигнал не изменялся во время преобразования. Для хранения аналогового сигнала используются аналоговые запоминающие устройства.

УВХ имеет два режима работы:

Выборка или запоминание сигнала и хранение зафиксированной входной величины.

Рис. 1.5 - УВХ КР1100СК2

При переходе в режим хранения фиксируется последнее значение входного сигнала и весь интервал хранения это значение поддерживается на выходе УВХ.

Электрические параметры:

Время выборки t(хр)=5..10 мкс; Апертурная задержка t=100..250 нс;

Коэффициент усиления К=1: Скорость изменения входного напряжения 0.2..5;

Время установления tycт=0.4..0.8 мкс;

Ток потребления I=4.5..6.5мА; Напряжение смещения Uсм=5..30мВ.

Стабилизатор напряжения для опорных входов.

В качестве 2 опорных источников напряжения с относительной погрешностью 1% применяем ИС µA78G. Рассмотри электрические характеристики:

Входное напряжение 7.5-40 В Выходное напряжение 5.0-30В

Нестабильность выходного напряжения : 1% при Т=25С, Uвыход≤10В и Uвыход + 2.5 ≤ Uвход≤ Uвыход + 20

Нестабильность выходного напряжения при нагрузке : 1% при Т=25С и 250 мА ≤ Iвыход ≤ 750мА + 20

Падение пульсации(∆Uвход /∆ Uвыход) : 68-70 дБ при 8В ≤ Uвход≤ 18В, f=2400Гц.

Мы так же выбрали 1 типичную схему этой ИС с выходными напряжениями 5В и 10В. При это C4=0.33 мкФ, С5=0.1 мкФ, R3=R4=5 кОм.

1.2.2 Разработка блока вывода управляющего воздействия

ЦАП

В качестве ЦАП был выбран ИС DAC0808. ИС предназначен для преобразования цифрового кода, поступающего по восьми параллельным каналам, в аналоговые сигналы на выходе. Может работать с микропроцессорами, имеющими как раздельные, так и общие шины адреса и данных. (Управление осуществляется сигналами ТТЛ- и К-МОП-уровней).

Рис. 1.6 - Корпуса ИС DAC0808

Назначение выводов: 1 - маркирующий вход; 5¸12 - входы АЦП; 4 - выход аналогового сигнала; 14, 15 - входы упорного аналоговых напряжений; 3, 13 входы питания; 16 - напряжение нулевого смещения. Электрические параметры, В+5 ВUEE, В-15В

Упорный ток5мАP355мВат

Число разрядов8 Число каналов8

, В0,4 , В3,2опор, В0,..15 S,%0.19

Время установки 150нс.

Подобрали следующие элементы R11=R9=R10= 5кОм, С7=С6=0.1мкФ,С5= 50 нФ.

Инвертирующий усилитель

Необходимо согласовать выход ЦАП с входом ИУ, что производится с помощью инвертора. Нормирующий усилитель будем строить на базе операционного усилителя КР140УД25А (зарубежный аналог - OP27ED).

Краткая характеристика ОУ: прецизионный малошумящий ОУ (UСМ<30 мкВ, 3 МГц) с балансировкой. В нашем случае балансировку можно не использовать, т.к. шаг квантования ЦАП равен 5/256=0.02»20 мВ, а UСМ<0.03 мВ что соответствует малому значению от величины шага дискретизации ЦАП, вследствие чего балансировкой ОУ можно пренебречь.

Рис. 1.7 - ОУ КР140УД25А: а) - схема включения; б) - габариты

Описание выводов: 2 - инверсный вход; 3 - не инверсный вход; 7,4 - ±UПИТ; 6 - выход; 1,8 - балансировка.

Максимальное напряжение ЦАП - 5В, которое равно по модулю максимальному значению выходного сигнала на ИУ. Потому что ИУ имеет Rвх= 10 кОм, P = U2/Rвх= 2,5 мВт, нам не надо проектировать усилитель мощности после инвертора. Выбрали R14=R12=R13=1кОм.

Рис. 1.8 - Нормирующий усилитель

1.2.3 Разработка элементов индикации и устройства ввода дискретного значения

Выбрали 4-х семисегментный индикатор с общим анодом Kingbright CA56-12SRWA, который имеет номинальный ток 10 мА, номинальное напряжение на диодах 1,8 В. Ниже приведены параметры этого индикатора:

Пиковая длина волн 660 нм

Средняя длина волн 640 нм(красный)

Емкость 45 пФ при f=1Мгц Vf=0

Переднее напряжение 1.85 В при If=20мА.

Диапазон температуры от -40 до +80 С.

Мы рассчитали и выбрали R26÷R32 с значением 120 Ом, источник 8В и 3 транзистора ТКД 133-160-1. Характеристика ТКД 133-160-1: к. макс 160мАUк.э.насщ5Вб.э.насщ1.8В при ток = 80 мА. Выбраны светодиод HLMP-DD16 с номинальным током 20 мА и напряжением 2 В, с максимальным током 30 мА и биполярный транзистор 2N1605 (из германия) с номинальным Iкэ 20 мА и Uкэ=0.25В. Следовательно, R33=(5-2-0.25)/20мА= 137,5 Ом.

Устройства ввода дискретного значения

Дискретное задающее значение вводится с помощью 2-х кнопок находящихся на пульте управления. Эти кнопки соединены с ОМК через ИС для устранения дребезга. Выбрали мы 4-ех каналную схему CD4011BC. Характеристики при Т=25 С

Напряжения питания 5В

Выходное напряжение 0 : 0-0.05В 1:4.95-5В

Входное напряжение 0 : 0-2В1: 3-5В

Выходной ток 0: 0.88 мА 1: -0.88 мА

Блок сопряжения с компьютером

Рис. 1.9 - MAX232

Так как от интерфейса связи с компьютером зависят блоки сопряжения, то мною были рассмотрены несколько разновидностей интерфейсов:C - популярный асинхронный последовательный протокол, применяемый для связи компьютеров с модемами и другими периферийными устройствами. Его с большой уверенность можно отнести к самому «древнему» протоколу, используемому в компьютерной и периферийной технике с 1969 года. Стандарты RS-XXX являются условно стандартными, поскольку аббревиатура RS содержит «мягкое» слово «Recommended Standard» - «рекомендованный стандарт». Эти рекомендации исходят от американской организации EIA, но не смотря на это, ещё в советские годы RS-232 подобный стандарт описан в ГОСТ 18145-81.

Интерфейс RS-422 - можно отнести к разновидности интерфейса RS-232, с той разницей, что при подключении устройств используется симметричная линия снижающая уровень помех (напомним, что у интерфейса RS-232, подключение производилось по несимметричной линии). Принципиальным отличием является, то, что приёмники могут переключаться в третье состояние, это позволяет размещать на шине 1 передатчик и до 10 приёмников.

Интерфейс RS-485 - отличается от интерфейса RS-422 может иметь на шине 32 устройства, как передатчиков так и приёмников.

Таким образом, оптимальным и наилучшим вариантом использования является интерфейс RS-232, для реализации которого существует малопотребляющий приемопередатчик MAX232: создает в системе виртуальный последовательный порт, через который можно вести обмен, пользователь может подключить его к компьютеру и получить результаты его интересующей информации.

Параметры:

Номинальное напряжение питания

Входное напряжение источника -0.5V к (VCC + 0.5V)

Выходное напряжение источника -8V к +12.5V

1.3 Описание работы принципиальной схемы

Принципиальная схема состоит из следующих узлов:

)Входные значения МК получает с ИС предназначенной для преобразования сигналов, поступающих по восьми параллельным каналам, в цифровой код с последующим хранением его во внутреннем ОЗУ и считыванием во внешний микропроцессор в режиме прямого доступа к памяти. Для точного преобразования аналогового сигнала в цифровой, необходимо, чтобы измеряемый сигнал не изменялся во время преобразования. Для хранения аналогового сигнала используются аналоговые запоминающие устройства.

ИС DAC0808 предназначена для преобразования цифрового кода, поступающего по восьми параллельным каналам, в аналоговые сигналы на выходе. Может работать с микропроцессорами, имеющими как раздельные, так и общие шины адреса и данных.

)Для подключению к компьютеру используется стандартный компорт, обеспечивающий интерфейс +/ - 12 В RS232. Так как нужно подключить контроллер, имеющий аналогичный интерфейс, но с потенциалом +/ - 5 В, требуется преобразователь интерфейса, в качестве которого выбрана типовая микросхема МАХ232. Она функционирует требуемые +/ - 12 В за счёт встроенного внутреннего генератора и конденсаторов обвязки, подключённых к данному чипу.

)Схемы сброса и подключения кварцевого резонатора стандартные, рекомендуемые производителем.

)Для управления всей системой решено использовать двухклавишную клавиатуру, которая реализована с помощью специальной микросхемы для устранения дребезга, которая позволяет передавать всего по двум проводам состояние клавиш, что сокращает число необходимых для использования портов.

)Для отображения нужной пользователю информации о состоянии системы в целом используется 4-х семисегментный индикатор с общим анодом,

который позволяет вводить нужный объём информации. Такое решение наиболее оптимальное в данном случае для реализации интерфейса с пользователем.

Логика работы схемы:

При вводе задающего значения при помощи пульта управления кнопками система включается в работу. В результате устанавливаются задающие значения и система должна принимать сигнал из датчика, который должен находится в определенном диапазоне, и система переходит к поддержанию нужного диапазона сигнала температуры. Таким образом, реализуется простейший алгоритм настройки. При необходимости установки других параметров выполняется регулировка диапазона при помощи кнопок. Таким образом, пользователь может настроить необходимые ему параметры.

Программа функционирует в циклическом режиме. Система должна обрабатывать эти данные и подать управляющее действие на объект управления по закону , выполняется включение нужной скорости вентилятора, двигателя или любого прибора у которого входные управляющие параметры - аналоговые, обеспечиваются нужные параметры для работы.

2. Разработка программных средств

2.1 Назначение и функции ПО

Разработанное программное обеспечение предназначено для ЦСАУ. Так же данное ПО обеспечивает дискретное аварийное управление объектом, т.е. при рассогласование выходит за рамки соответствующие 10% задающего значения.

Программа, реализующая бесконечный цикл, выполнять следующие функции:

динамическая индикация задающего воздействия;

опрос порта и ввод дискретного значения задающего воздействия;

опрос готовности приемника и ввод задающего воздействия из пульта управления.

На рисунке 2.1 представлена функциональная блок-схема программы управления ЦСАУ.

Рис. 2.1 - Функциональная блок-схема программы управления

2.2 Среда разработки

Программное обеспечение для системы сбора и обработки информации разрабатывалось в интегрированной системе Keil Software uVision3 Version 2.0.это интегрированное отладочное средство для микроконтроллеров различных фирм (Intel, Philips, Siemens, и т.д.), включающее в себя компиляторы с языков ассемблер и С. uVision3 позволяет пользователю полностью контролировать выполнение программ с использованием симулятора. Отладочная среда поддерживает выполнение программ в виде ассемблерного текста формата Assembler, и в формате языка С.

Окно исходного текста программ

Ключевое окно в uVision3 это окно исходного текста программы. Когда объектный файл открыт, автоматически создается окно исходного текста программ. В окне отображается код, который выполняется в отладочном окружении (эмуляторе или программном симуляторе) а текстовый маркер всегда находится на строке, которая будет выполнена в следующем цикле.

Выполнение программ и пошаговый режим

Пользователь может выполнять программу полностью в пошаговом режиме, трассируя блоки функций, или выполняя программу до места, где стоит курсор. В дополнение можно определять неограниченное число точек останова, каждая из которых может быть включена или выключена.

Просмотр регистров

При выполнении программы в окне выводится информация о состоянии регистров контроллера. В дополнение, uVision3 имеет много других окон, которые позволяют управлять и отображать информацию о любом элементе микроконтроллера, такие как: I/O порты, таймеры, прерывания, состояние параллельного порта, карту памяти, и многое другое.

2.3 Описание алгоритма подпрограмм

Разработанное ПО содержит основную программу, из которой вызываются подпрограммы (функции). В программе содержится слудующих основных подпрограмм:

п/п инициализации контроллера

п/п обслуживания прерывания от кнопок для ввода дискретного задающего значения

п/п динамическая индикация

п/п обслуживания прерывания от таймера

п/п инициализации контроллера

Данная п/п служит для инициализации контроллера. На рисунке 2.1 представлена блок-схема подпрограммы.

Рис. 2.2 - Функциональная блок-схема п/п инициализации

п/п обслуживания прерывания от кнопок

При нажатии любой кнопки, вызывается соответствующая подпрограмма обслуживания прерывания

При нажатии кнопки увеличения задающего значения на 1-цу, в значение данного переменного добавляется 1. При нажатии кнопки уменьшения задающего значения на 1-цу, из значения данного переменного вычитается 1.

При запросе вноса значения, значение индикатор и главного параметра присвоит заданное значение.

п/п динамическая индикация

Данная п/п служит для индикации зад. значения. На рисунке 2.3 представлена блок-схема подпрограммы.

Рис. 2.3 - Функциональная блок-схема п/п динамическая индикация

П/п обслуживания прерывания от таймера

Данная п/п служит для ввода дискретных сигналов, вычисление управляющее воздействие по заданному закону и вывод на ИУ.

Рис. 2.4 - Функциональная блок-схема п/п обслуживания прерывания от таймера

Из передаточной функции , мы получили разностное уравнение . Для двоичных кодов, с которыми работает ОМК, АЦП и ЦАП мы имеем отношение


Вы так же выполнили моделирование для данной системы с помощью пакета программ Proteus. Результат моделирования приведен в приложение 1.

Заключение

В ходе работы над курсовым проектом были разработаны аппаратные средства и программное обеспечение системы сбора и обработки информации. Разработанная система сбора и обработки информации полностью соответствует требованиям технического задания.

Приложение 1

Схема устройства

Приложение 2

Листинг программы

#include <reg51.h> /* Специальные функции объявления регистров */

#include <math.h> /* для 51-ой серии МК. */

//переменныеchar data zad_zna,zad_zna1,sot,gesyat,eginit, rs;

unsigned char data datchik;char data y_i, y_i_1;short preriT0;char time;// / время до 1 секунды

void init(void) { // программа инициализации=0x9F;// регистр управление пре.в= 0x61; // Т1 от внеш. импульса, второй режим, Т0 от внутр. сигналов, первый режим - 16 разряд

// оба разрешены TR =1= 0xFF;=0xFF;= 1;//, запуск таймеров при TR = 1= 1; //, запуск таймеров= 0x000;= 0x2C; // P3.2, P3.3, P3.5 в альтернативном режиме

time = 0;_i=0;_i_1=0;_zna=0xA2;_zna1=0xA2;= 1;

}// конец под.п

unsigned char code_indi(unsigned char chisla)

{(chisla) {0:0xC0; break;//0x3F; break;1:0xF9; break;//0x06; break;2:0xA4; break;//0x5B; break;3:0xB0; break;//0x4F; break;4:0x99; break;//0x66; break;5:0x92; break;//0x6D; break;6:0x82; break;//0x7D; break;7:0xF8; break;//0x07; break;8:0x80; break;//0x7F; break;9:0x90; break;//0x6F; break;

}

}delay(unsigned char count){ // программа задержки на 100*count мкс

unsigned short data Del;(count; count !=0; count--)(Del = 0x015E; Del !=0; Del--);

}dinami_idi(void) { // программа индикации

unsigned char idata raznost;= abs(zad_zna-datchik);(raznost> (0.1*zad_zna)) WR=1; else WR =0; // проверка !dE! > 0.1 Uza =zad_zna1/100;=(zad_zna1-100*sot)/10;

eginit=zad_zna1-100*sot-10*gesyat;

T0=1;TXD=1;RXD=1;// 4 - 1- 0=0;=code_indi(sot);(100);=1;TXD=0;=code_indi(gesyat);(100);=1;T0=0;=code_indi(eginit);

delay(100);

}// конец подпрограммы

//подпрограмма пр.в от INT0 - увеличение

void preINT0(void) interrupt 0

{ zad_zna1++;

}

// подпрограмма пр.в от INT1 - меньшение

void preINT1(void) interrupt 2

{ zad_zna1--;

}

// подпрограммы пре.в от таймера T1

void preT1(void) interrupt 3

{ zad_zna=zad_zna1;

}

// подпрограммы пре.в от таймера T0 каждую секунду

void preT0(void) interrupt 1

{ short idata Del;

time++;(time==0x01)

{

//ввод данных из АЦП=0;// активизировать АЦП(Del = 0x020; Del !=0; Del--);//delay=P0; //получение значение из АЦП через P0=1; // дезактивизировать АЦП

//вычисление воздействия_i=y_i_1+(zad_zna-datchik)*3/5;_i_1=y_i;

//вывод на ЦАП=y_i;

} sint(void) interrupt 4//прерывание последовательного порта (RS-232)

{(RI){ =SBUF;//помещаем в переменную rs232 то, что лежит в буфере

}=0;//флаг прерывания приемника устанавливаем в 0

}

}

// *** Головная программа ***main() {();(;;){// <- безконечный цикл_idi();

}// <- конец цикла

}

Похожие работы на - Цифровая система автоматического управления

 

Не нашли материал для своей работы?
Поможем написать уникальную работу
Без плагиата!
Без нейросетей!