Проектирование цифровой системы автоматического управления платформой солнечной батареи
Содержание
Введение
Техническое задание
1. Анализ существующих конструкций
2. Описание объекта управления
. Функциональная схема устройства
. Структурная схема устройства
.1 Выбор электродвигателя
.2 Определение передаточных функций
5. Моделирование системы автоматического управления
средствами MATLAB
5.1 Исследование непрерывной системы
.2 Настройка ПИД-регулятора
.3 Определение передаточных функций разомкнутой и замкнутой
системы
.4 Моделирование цифровой системы
5.5 Исследование цифровой системы на устойчивость
6. Выбор электронных компонентов
.1 Микроконтроллер
.2 Драйвер двигателя
.3 Датчики уровня освещенности
.4 Концевые датчики
.5 ЖКИ - дисплей
.6 Энкодер
. Принципиальная схема устройства
. Алгоритмы управления
Заключение
Библиографический список
Введение
Человечеству нужна энергия, причем потребности в ней увеличиваются с
каждым годом. Вместе с тем запасы традиционных природных топлив (нефти, угля,
газа и др.) конечны. И в связи с указанными проблемами, становится все более
необходимым использование нетрадиционных энергоресурсов, в первую очередь
солнечной, ветровой, геотермальной энергии, наряду с внедрением
энергосберегающих технологий. Среди возобновляемых источников энергии солнечная
радиация по масштабам ресурсов, экологической чистоте и повсеместной
распространенности наиболее перспективна.
Солнечные установки, являющиеся основным устройством по преобразованию
солнечной энергии, находят применение в системах отопления, охлаждения и
энергообеспечения жилых и общественных зданий, в технологических процессах,
протекающих при низких, средних и высоких температурах, в получении
электрической энергии, питающей различные автономные устройства. В стремлении
повысить эффективность работы на солнечных установках применяют различные
системы автоматического управления, позволяющие отслеживать положение солнца и
тем самым повышать КПД работы подобных установок.
В данном курсовом проекте разрабатывается цифровая система управления
приводом платформы солнечной батареи. Принципы работы данной цифровой системы будут
положены в основу работы солнечной установки, которая будет функционировать в
полностью автономном режиме и вырабатывать электроэнергию.
Техническое задание
Студент (слушатель) Наумов Г.С._ шифр _220401 _ группа _МТ-81_
.Тема "Проектирование цифровой системы автоматического управления
платформой солнечной батареи"
. Срок представления работы (проекта) к защите "___" ___ 20 __
г.
. Исходные данные:
Спроектировать цифровую систему управления приводами платформы солнечной
батареи.
Система управления должна обеспечивать:
) Автоматическую подачу управляющего напряжения на приводы в зависимости
от степени освещенности;
) Автоматическую остановку привода при достижении им конечного положения;
) Вывод информации об угловом перемещении вала одного из приводов на ЖК-
дисплей;
) Время переходного процесса менее 0,2 сек.
) Отсутствие колебаний;
) Коэффициент перерегулирования менее 0,1;
) Диапазон рабочих температур: -40…+40 0С;
) Влажность воздуха не более 70%;
) Атмосферное давление 760±100 мм.рт.ст.
Руководитель работы (проекта) __________________Яцун С.Ф._____
Задание принял к исполнению ________________________________
1.
Анализ существующих конструкций
Из опыта известно, что солнечные элементы генерируют максимальную
энергию, только когда они располагаются точно перпендикулярно направлению
солнечных лучей, а это может случиться только один раз в день. В остальное
время эффективность работы солнечных элементов составляет менее 10
%.Значительно повысить эффективность солнечного модуля можно, если снабдить его
поворотным механизмом, оснащенным автоматической системой слежения за солнцем.
Система слежения за солнцем - это устройство для ориентирования панели
солнечных батарей или для удержания солнечного отражателя или линзы повернутыми
к солнцу, подобно гелиостату. Также, это один из способов повышения
производительности солнечных элементов. От устройств, снабженных такой
системой, требуется высокая точность, чтобы быть уверенным в том, что собранные
солнечные лучи падают прямо на соответствующее приспособление.
Существует два основных типа поворотных механизмов для солнечных модулей:
одноосевые и двухосевые (рис.1). Одноосевые реализуют поворот солнечного модуля
вокруг единственной центральной оси, что довольно удобно для электростанций
большого масштаба. Двухосевые позволяю более гибко отслеживать положение
солнца, контролируя как азимутальный, так и угол склонения солнца над
горизонтом.
Рис.1. Одноосевые и двухосевые солнечные установки
Устройства, снабженные системой слежения за солнцем, также могут
различаться по типу и виду используемых датчиков, принципам функционирования
системы управления, конструктивным особенностям. Рассмотрим некоторые типы
подобных устройств.
Система слежения за солнцем 01ARX1
Система слежения за солнцем для солнечных батарей 01ARX1 (рис.2) состоит из фотодетектора,
блока управления (рис.3), GPS -
приемника [10]. Она может работать с одним актуатором (движение по одной оси)
или двумя актуаторами (движение по 2 осям) для поворота панели солнечных батарей
вслед за солнцем.
Рис.2. Схема системы слежения за солнцем 01ARX1
В качестве актуаторов используются устройства для передвижения панели
солнечных батарей 01G360 (рис.4, 5).
Рис.3. Схема расположения выводов контроллера
Рис.4. Устройства для передвижения панели солнечных батарей 01G360
Горизонтальные одноосевые системы слежения обычно используются в
солнечных электростанциях и широкомасштабных проектах. Сочетание улучшения
энергоэффективности, низкой стоимости и простоты монтажа приводит к
значительной экономии. Горизонтальные одноосевые устройства слежения также
значительно повышают производительность в течение весны и лета, когда солнце высоко
в небе.
Рис.5. Внешний вид устройства 01G360
Жесткость каркаса и простота механизма влекут за собой высокую
надежность, что снижает затраты на техническое обслуживание. Так как панели
горизонтальны, их можно компактно разместить на трубчатой оси, не опасаясь, что
они будут друг друга затенять, а также оставив их легкодоступными для очистки.
Вертикальные одноосевые системы вращаются только вокруг вертикальной оси,
панели на них закрепляются вертикально под фиксированным, регулируемым или
отслеживаемым углом наклона. Такие системы слежения с фиксированным или
(сезонно) регулируемым углом наклона подходят для высоких широт, где верхняя
точка видимой солнечной траектории не очень высоко, но что приводит к длинным
летним дням, когда солнце движется по длинной дуге.

Достоинства:
. Возможность установки панелей с солнечными элементами дo 460 Вт
(1,7*2,0м2 /40кг).
. Возможность поворота (восток/запад) на 270°.
Технические характеристики установки приведены в таблице 1.
Таблица 1. Технические характеристики системы слежения 01ARX1
Солнечная фотоэлектрическая установка компании "Невинпат"
Изобретатели: Алферов Жорес Иванович; Андреев Вячеслав Михайлович;
Зазимко Вадим Николаевич; Ларионов Валерий Романович; Румянцев Валерий
Дмитриевич; Чалов Алексей Евгеньевич.
Система ориентации солнечной батареи на Солнце содержит основной датчик
13 положения Солнца, размещенный на второй ступени солнечной батареи (рис.7)
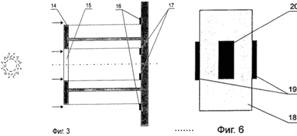
[6]. Основной датчик 13 положения состоит из затеняющего экрана 14 (рис.8) с
отверстием 15 и восьми фотоэлементов каскадного типа, четыре фотоэлемента 16 из
которых размещены сверху, снизу, справа и слева по наружным сторонам экрана и
образуют каналы азимутального и зенитального грубого наведения, вырабатывающие
сигналы при изменении положения Солнца. Четыре других фотоэлемента 17 размещены
сверху, снизу, справа и слева по внутренним сторонам экрана и образуют каналы
точного наведения. Дополнительный датчик 18 положения Солнца состоит из трех
фотоэлементов каскадного типа (рис.8), подключенных к азимутальному каналу.
Этот датчик установлен в верхней части подвешенной рамы 2. Он содержит два
фотоэлектрических элемента каскадного типа 19, направленых направо и налево по
отношению к основному датчику 13. Третий фотоэлектрический элемент 20 направлен
в противоположную от основного датчика 13 сторону и полярность его подключения
меняется специальным переключателем при прохождении направления Юг-Север.
Рис.7. Схематичное изображение солнечной фотоэлектрической установки, вид
сбоку
Рис.8. Схематичное представление конструкции основного (Фиг.3) и
дополнительного (Фиг.6) датчиков положения Солнца
Рис.9. Схематичное изображение солнечной фотоэлектрической установки, вид
сверху
Под цифрами указаны:
- базовая рама; 2 - подвешенная рама; 3, 4, 5 - колёса; 6 - неподвижная
вертикальная ось азимутального вращения; 7 - привод; 8 - неподвижная
горизонтальная ось зенитального вращения; 9 - кронштейны; 10 - Солнечная
батарея, состоящая из модулей, содержащих линзы Френеля, концентраторы
солнечного излучения и фотоэлектрические преобразователи; 11 - зубчатые
сектора; 12 - отдельная солнечная батарея; 13 - датчик положения солнца; 14 -
затемняющий экран; 15 - отверстие; 16, 17- фотоэлементы каскадного типа; 18 -
дополнительный датчик положения солнца.
Поворотный механизм автоматического слежения за солнцем TITAN TRACKER
(Испания). Titan Tracker (рис.10) - это рамная поворотная конструкция для
модулей солнечных батарей, которая динамически ориентируется относительно
видимого положения Солнца, сохраняя оптимальное положение солнечных батарей
[7].
Рис.10. Поворотный механизм автоматического слежения за солнцем TITAN
TRACKER
Достоинства солнечной установки TITAN TRACKER:
) Большая производительность энергии: двухосевое слежение, начиная с 10
градусов, что на 45% больше, чем у фиксированных не движущихся систем (в 40 º широты).
) Достаточная устойчивость под ветровыми нагрузками:, 5 точек крепления
выдерживают до 125 км / ч (20м/с) в любом месте.
) Высокая надежность конструкции: собранная с помощью винтов, без сварки,
без гидравлики в виде оцинкованной 3D структуры из метала холодного
формирования. Решающее значение для надежности имеет независимость между
структурой и системой привода.
) Высокая мощность установки: 219 м2 поверхности модулей.
) Низкая конечная стоимость: экономия материалов (80% стали и 35% бетона)
в сравнении со смонтированными недвижимыми системами.
) Легкая и быстрая установка: меньше винтов на модуле установки, чем
присущее количество у плоских установок.
) Сокращение обслуживания, которое является результатом применения
высокотехнологических разработок и материалов.
) Точность наведения - около 0,01 градуса. Дизайн трекера основан на 5
несущих опорах: 1 фиксированной центральной и четырёх роликовых опор. Опоры держат
две симметричные рамы для солнечных панелей.
Рис.11. Конструкция и дизайн опор трекера
Благодаря наличию не изгибающихся элементов (таких, как встроенная осевая
система) основание является минимальным и, следовательно, может быть достигнута
существенная экономия материалов (до 35% меньше бетона и до 85% меньше стали)
чем у других поворотных солнечных установок.
Рис.12. Расход необходимых на изготовление материалов
В результате такого употребления материала получается основание
плотностью 1,5 кг/см2.
Сам трекер имеет запатентованный механизм (рис.13), который позволяет
адаптироваться к возможным нарушениям в треке, что позволяет избежать возможных
ошибок наведения, связанных с неровной поверхностью. Трекер не требует
идеального уровня и может быть установлен на поверхности с уклоном.
Рис.13. Механизм трекера
Рис.14. Диапазон автоматического слежения двухосевого солнечного трекера
TITAN TRACKER
Установка конструкции Titan Tracker
осуществляется при помощи автомобильного крана (рис.15).
Рис.15. Процесс установки TITAN TRACKER (слева) и
общий вид установленных модулей (справа)
Рис.16. Вид сверху гелиоэлектростанции на основе модулей TITAN TRACKER
Солнечная установка с поворотным механизмом компании "Русский
ветер". Поворотный механизм позволяет ориентировать солнечные модули на
солнце, что существенно повышает эффективность установки. Поворотное устройство
реализуется вместе с солнечным модулем [9].
Рис.17. Солнечная установка компании "Русский ветер"
Достоинства:
) Срок службы солнечного модуля не менее 10 лет.
) Солнечный модуль исполнен в ударозащищенном варианте. Выдерживает удар
градин диаметром 4 см. со скоростью 15 м/сек.
Обслуживание модуля заключается в удалении пыли и снега с поверхности.
При монтаже модуля на мачте легко удалить снег или воду, кратковременно
увеличив угол наклона. Однако, достаточно большой слой пыли снижает
эффективность работы модуля всего на 5-7 %. Поэтому солнечный модуль не требует
постоянного ухода. Для повышения КПД желательно периодически поворачивать
модуль вслед за солнцем и ориентировать угол его наклона так, чтобы солнечные
лучи падали на поверхность под углом около 90 град.
Основной недостаток данной солнечной установки заключается в том, что в
ней отсутствует какая-либо система автоматического управления.
Для обоснования целесообразности применения на солнечной поворотной
установке какой-либо системы автоматического управления, приведём график
зависимости процента вырабатываемой прямой мощности, теряемой вследствие
рассогласования (вертикальная ось), и угла рассогласования, то есть угла между
ориентацией солнечной батареи и падающими на неё солнечными лучами (рис.18).
Рис.18. Зависимость процента теряемой мощности от угла рассогласования
Эффективная, задействованная в выработке электроэнергии часть
фотоэлектрического элемента изменяется с изменением косинуса угла
рассогласования панели с солнцем. Небольшие рассогласования могут быть вполне
допустимыми вследствие незначительного убытка эффективности ( менее 1% до 8
градусов и менее 10 % до 25 градусов), однако, с дальнейшим ростом угла
рассогласования (более 30 градусов), начинает теряться уже довольно
значительный процент мощности.
Угол рассогласования можно минимизировать, если использовать
автоматическую систему наведения.
2. Описание объекта управления
Оснащение солнечной батареи автоматическим поворотным механизмом создает
определённые требования к механике, электронике и системе автоматического
управления [1]. Так, для адекватного отслеживания положения солнца необходимо,
чтобы установка имела две степени свободы. В данном проекте это реализуется с
помощью использования двух исполнительных звеньев - подвижного диска и
подвижной платформы.
На основе анализа существующих конструкций предложим следующее устройство
платформы автоматического слежения за солнцем (рис.19).
Рис. 19. Схема автоматической солнечной установки.
Устройство состоит из неподвижного основания (1) и подвижного диска (2),
приводимого в движение приводом горизонтального вращения (3), двух стоек (4),
платформы с закреплённой на ней солнечной батареей (5), приводимой в движение
приводом горизонтального вращения (6). Для обеспечения обратной связи
устройство также включает в себя несколько датчиков уровня освещенности (7) и
концевые датчики. Кроме основных датчиков уровня освещённости, расположенных по
бокам подвижной платформы, присутствует также ещё и дополнительный датчик,
закрепленный с обратной стороны платформы. Он служит для измерения рассеянного
излучения, исключения его влияния на два других датчика и запуска системы в
утренние часы.
Использование в данной конструкции двух приводов, управляющих вращением
по горизонтальной и вертикальной осям, наиболее целесообразно как с
энергетической, так и экономической точек зрения. Две степени свободы
устройства позволяют наиболее гибко реализовывать отслеживание положения солнца
на любой широте, при этом контролируется как угол склонения солнца над
горизонтом, так и угол азимутального вращения.
Для реализации поворота исполнительных органов установки в заданном
диапазоне вращения применены концевые датчики, расположенные попарно на каждом
валу (рис.20). Вал (1), доходя до границы диапазона вращения, заставляет
столкнуться один из упоров (2) с рычагом (3), вследствие чего рычаг переключает
один из концевых датчиков (4).
Рис.20. Механизм ограничения сектора наведения для горизонтальной оси.
Было проведено проектирование конструкции (рис.21) солнечной установки
[3]. При проектировании преимущественно использовались стандартные детали. Была
проведена оценка напряженно-деформированного состояния основных деталей
конструкции.
фотоэлектрический микроконтроллер двигатель
драйвер
Рис.21. 3D - модель
солнечной установки
Вместо солнечной батареи (фотоэлектрического элемента) можно установить
также солнечный коллектор для сбора тепловой энергии Солнца, или параболический
концентратор, в фокусе отражателя которого на кронштейне будет закреплён
двигатель Стирлинга.
3. Функциональная схема устройства
Датчики интенсивности солнечного излучения, представляющие из себя
фоторезисторы, установленные на подвижной платформе, измеряют текущий уровень
освещённости и передают данные о нём на микроконтроллер. Находящаяся в
микроконтроллере программа производит расчёт разности в показаниях отдельных
пар датчиков, отвечающих за горизонтальное и вертикальное вращение, и сравнение
результатов с задающим воздействием, после чего полученная ошибка в виде
управляющего воздействия поступает на базу силового транзистора. Переходя в
открытый режим, транзистор открывает путь току через мотор-редуктор, приводящий
в движение исполнительный орган [5] - подвижный диск или подвижную платформу.
Подвижная часть, в свою очередь, поворачивает на определённый угол солнечную
батарею, обеспечивая, таким образом, её ориентацию по положению солнца.
Рис.22. Функциональная схема системы
Концевые датчики передают сигнал на микроконтроллер при достижении
подвижной частью одного из двух конечных положений. С помощью них
обеспечивается возможность поворота в диапазоне от 0˚ до 90˚ для
подвижной платформы и от 0˚ до 270˚ для подвижного диска.
Рис.23. Представление функциональной схемы в виде блок-схемы
На функциональной схеме (рис.23) приняты следующие обозначения:
POWER
- выключатель питания установки;
МК - микроконтроллер, включающий АЦП и ШИМ на кристалле. Микроконтроллер
обеспечивает реализацию необходимых законов управления приводами, а также
управляет индикацией и обрабатывает информацию, поступающую с датчиков.
START
- кнопка включения установки. При включённом состоянии осуществляется подача
питания на приводы и датчики, начинается обработка данных с аналоговых входов
микроконтроллера, ЖКИ переходит в режим отображения угла поворота выходного
вала привода горизонтального вращения.
STOP - кнопка
выключения установки.
AD 1, AD 2, AD 3, AD 4, AD 5 - аналоговые датчики уровня
освещенности. После нажатия на кнопку START на них подается питание, и данные с этих датчиков попадают на входы АЦП
микроконтроллера.
DD 1, DD 2, DD 3, DD 4 -
цифровые датчики конечного положения исполнительных звеньев. После нажатия на
кнопку START на них подается питание, и данные с
этих датчиков попадают на входы АЦП микроконтроллера.
DD 5 -
цифровой датчик, регистрирующий угол поворота подвижного диска -
инкрементальный энкодер. После включения кнопки START данные с него начинают отображаться на
жидкокристаллическом дисплее.
ЖКИ - жидкокристаллический дисплей с встроенным контроллером, после
включения кнопки START отображает
значения измеряемой величины (угол поворота вала привода вертикального
вращения).
ДД 1, ДД 2 - драйверы двигателей, осуществляют силовую развязку цифровой
системы управления и электродвигателя.
Д 1, Д 2 - электродвигатели постоянного тока.
4. Структурная схема устройства
На рис.24 приведена структурная схема системы автоматического управления
одним из приводов, в нашем случае - приводом вертикального вращения.
Рис. 24. Структурная схема управления приводом вертикального вращения,
где
ус (p) - передаточная функция усилителя;
Wдвигателя
(p) - передаточная функция двигателя;
Wредуктора (p) - передаточная функция редуктора;
Wос
(p) - передаточная функция обратной
связи;
Wвозм
возд(p) - передаточная функция возмущающего
воздействия;
4.1 Выбор электродвигателя
Выбор электродвигателя будем осуществлять на основании энергетического
расчета. Для определения мощности и момента на валу двигателя были найдены
моменты инерции частей конструкции, расчёт которых, в свою очередь, опирается
на оценку напряженно-деформированного состояния и расчету на прочность каждой
из них, выполненному в среде твердотельного моделирования SolidWorks.
В качестве двигателя для реализации вертикального вращения устройства был
взят двигатель RE 50 Ø 50 мм, Graphite Brushes, 200 Watt
из каталога фирмы Maxon. Основные
параметры двигателя приведены в таблице 2.
Таблица 2. Основные параметры двигателя
|
Наименование параметра
|
Обозначение
|
Значение
|
|
Индуктивность якоря
|
Lя
|
0.0000937
Гн
|
|
Момент инерции, приведённый
к валу
|
J
|
58,4*10-6 Н∙м2
|
|
Номинальный ток якоря
|
i я ном
|
9.15 А
|
|
Номинальное напряжение
|
Uном
|
24 В
|
|
Количество оборотов
|
N
|
5780 об/мин
|
|
Номинальный момент
|
Мном
|
0.354 Н∙м
|
|
Сопротивление в цепи якоря
|
rя
|
0.113 Ом
|
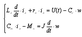
.2 Определение передаточных функций
Так как при фиксированном возбуждении двигатель имеет две степени
свободы, то необходимо иметь для него два исходных дифференциальных уравнения.
Первое уравнение может быть получено, если записать второй закон Кирхгофа для
цепи якоря; второе же представляет собой закон равновесия моментов на валу
двигателя [2].
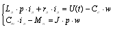
Таким образом, работу привода можно описать следующими уравнениями:
В этих уравнениях
и
- индуктивность и сопротивление цепи
якоря;
и
, где
и
- коэффициенты пропорциональности, а
- поток возбуждения;
- приведенный к оси двигателя
суммарный момент инерции,
- угловая скорость, М - момент нагрузки, приведенный к валу
двигателя
Константы Се и Cm найдём по следующим формулам:
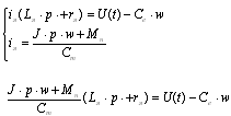
Запишем систему уравнений (1) для пространства Лапласа:
Выразим из второго уравнения системы (5) ток и подставим в первое:
Раскрывая скобки, получим:
Преобразуем выражение (7) к виду:
Отсюда находим передаточную функцию двигателя:
Определяем передаточную функцию по возмущающему воздействию:
Передаточная функция усилителя: Wус (p) = 24
Передаточная функция обратной связи: Wос (p) = 1.
Передаточная функция редуктора Wредуктора (p) = 0.00346.
5. Моделирование системы автоматического управления средствами MATLAB
.1 Исследование непрерывной системы
Проведём моделирование системы автоматического управления средствами
программного пакета MATLAB (рис.25).
Воспользуемся расширением данного программного продукта - средой моделирования Simulink [1].
Рис. 25. Модель системы автоматического управления в среде Simulink
Используя встроенные средства среды Simulink, получим график переходного процесса
системы, при воздействии на неё единичного ступенчатого сигнала (рис. 26).
Из графика можем определить следующие параметры система автоматического
управления:
· величина статической ошибки - 0,0037 %;
· время переходного процесса - 0.00542 с;
· колебательность присутствует;
· коэффициент перерегулирования - 6.81%.
Исходя из этих данных, можно сделать вывод о том, что система
автоматического управления не соответствует техническому заданию (по пунктам
величина статической ошибки и время переходного процесса) и нуждается в
корректировке. В качестве корректирующего звена выберем ПИД (пропорционально-интегрально-дифференциальный)
регулятор.
Рис. 26. График переходного процесса системы при воздействии на неё
единичного ступенчатого сигнала
.2 Настройка
ПИД - регулятора
Для настройки ПИД регулятора - определения значений пропорционального,
дифференциального и интегрального коэффициентов - воспользуемся встроенными
средствами среды Simulink.
Подбор коэффициентов будем осуществлять с помощью блока NCD OutPort. Включим его в схему, как показано на рисунке 27.
Рис. 27. Схема, собранная для настройки ПИД регулятора
Зададим настройки блока NCD OutPort (рис. 28,
29) и ПИД регулятора PID Controller (рис.
30).
Рис. 28. Настройки блока NCD OutPort
Рис. 29. Настройки блока NCD OutPort
Рис. 30. Параметры ПИД регулятора PID Controller
В блоке NCD OutPort зададим ограничения для графика переходного процесса
(рис. 31).
Блок NCD OutPort производит автоматическую коррекцию параметров Kp, Ki и Kd.
Рис. 31. Настройка границ в блоке NCD OutPort
Значения коэффициентов, полученных оптимизацией в блоке NCD OutPort:
Kp =
0.000001
Ki =
9, 00021
Kd =
10, 003
После корректировки переходная функция удовлетворяет техническому заданию
(рис. 32).
Получены следующие характеристики:
) Время переходного процесса - 0.147 с.
) Установившееся значение - 1 с-1.
3) Количество колебаний - 0.
) Коэффициент перерегулирования - 0.
) Статическая ошибка - 0.
Рис. 32. Реакция системы на единичное ступенчатое воздействие
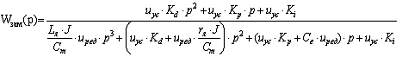
.3 Определение передаточных функций разомкнутой и замкнутой системы
Определим передаточную функцию разомкнутой системы:
раз = Wус (p) ∙ Wдвигателя
(p) ∙ Wредуктора (p) ∙ WПИД-регулятора (p)
Определим передаточную функцию замкнутой системы:
Характеристическое уравнение замкнутой системы имеет вид:
= 0
= 0
.4 Моделирование цифровой системы
Для исследования ЦСАУ необходимо провести z-преобразование передаточной функции непрерывной системы. Для
этого воспользуемся средствами математического пакета VisSim (рис. 33).
Рис. 33. Переход в Z-пространство
средствами VisSim
Итогом этого преобразования станет дискретная передаточная функция (рис.
34).

Смоделируем схему цифровой системы автоматического управления в Simulink (рис. 35).
Рис. 35. Структурная схема ЦСАУ
.5 Исследование цифровой системы на устойчивость
Как известно, непрерывная система устойчива, если все корни ее
характеристического уравнения лежат в левой полуплоскости. При исследовании
дискретных систем вместо р используется новая переменная z =
. Конформное преобразование z =
отображает левую полуплоскость
плоскости р в область, ограниченную окружностью единичного радиуса на плоскости
z, при этом мнимая ось отражается в саму эту окружность [1]. Следовательно, для
того чтобы системы была устойчива необходимо и достаточно, чтобы корни
характеристического уравнения лежали внутри единичной окружности.
Рис. 36. Проверка устойчивости ЦСАУ
Как видно из рис. 36, все корни характеристического уравнения лежат
внутри единичной окружности, следовательно, проектируемая цифровая система
устойчива.
6. Выбор электронных компонентов
Рассматривая функциональную схему устройства (рис. 23), можно сделать вывод
о количестве необходимых компонентов для реализации цифровой САУ.
Представим список необходимых компонентов:
) микроконтроллер;
) драйверы двигателей;
) датчики уровня освещенности;
) концевые датчики;
) ЖКИ - дисплей;
6.1 Микроконтроллер
Для проектируемой ЦСАУ рационально использовать небольшой по размерам, не
требующий для своей работы дополнительных микросхем окружения недорогой
микропроцессор, обладающий в тоже время достаточными возможностями для решения
поставленной задачи.
В качестве микроконтроллера для этой САУ был выбран микроконтроллер
Atmega16 (PDIP) производителя Atmel. Это - экономичный 8 битовый КМОП
микроконтроллер, построенный с использованием расширенной RISC архитектуры AVR.
Исполняя по одной команде за период тактовой частоты, Atmega16 (рис. 37) имеет
производительность около 16 MIPS на 16 МГц, что позволяет разработчикам
создавать системы, оптимальные по скорости и потребляемой мощности.
Рис. 37. Микроконтроллер ATmega16
компании ATmel.
В основе ядра AVR лежит расширенная RISC архитектура, объединяющая
развитый набор команд и 32 регистра общего назначения. Все 32 регистра
непосредственно подключены к арифметико-логическому устройству (АЛУ), что дает
доступ к любым двум регистрам за один машинный цикл. Подобная архитектура
обеспечивает десятикратный выигрыш в эффективности кода по сравнению с
традиционными CISC микроконтроллерами. Atmega16 предлагает следующие
возможности:
· 16 кБ загружаемой флэш-памяти;
· 512 байт EEPROM;
· 32 линий ввода/вывода общего назначения;
· 32*8 рабочих регистра;
· настраиваемые таймеры/счетчики с режимом совпадения;
· внешние и внутренние прерывания;
· программируемый универсальный последовательный порт;
· встроенный генератор,
· трехканальный ШИМ,
· встроенный аналоговый компаратор,
· 8 - канальный 10 - битный АЦП,
· сторожевой таймер.является мощным микроконтроллером, который
позволяет создавать достаточно гибкие и эффективные по стоимости устройства.
Микроконтроллер питается постоянным напряжением 4.5-5.5В, рабочая частота 0-16
МГц.
Распиновка микроконтроллера представлена на рис. 38.
Рис. 38. Распиновка микроконтроллера Atmega16
Ниже приведено описание выводов микроконтроллера Atmega16.- вывод
источника питания
GND -
земля
Port A
(PA7..PA0) - Порт A - 8-разр. порт двунаправленного ввода-вывода с внутренними
подтягивающими к плюсу резисторами (выбираются раздельно для каждого разряда).
Выходные буферы порта A имеют симметричную выходную характеристику с
одинаковыми втекающим и вытекающим токами. При вводе, линии порта А будут
действовать как источник тока, если внешне действует низкий уровень и включены
подтягивающие резисторы.
Port В
(PВ7..PВ0) - Порт B - 8-разр. порт двунаправленного ввода-вывода с внутренними
подтягивающими к плюсу резисторами (выбираются раздельно для каждого разряда).
Выходные буферы порта В имеют симметричную выходную характеристику с
одинаковыми втекающим и вытекающим токами. При вводе, линии порта B будут
действовать как источник тока, если внешне действует низкий уровень и включены
подтягивающие резисторы. Выводы порта B находятся в третьем (высокоимпедансном)
состоянии при выполнении условия сброса, даже если синхронизация не запущена.
Port C
(PC7..PC0) - Порт C - 8-разр. порт двунаправленного ввода-вывода с внутренними
подтягивающими к плюсу резисторами (выбираются раздельно для каждого разряда).
Выходные буферы порта C имеют симметричную выходную характеристику с
одинаковыми втекающим и вытекающим токами. При вводе, линии порта C будут
действовать как источник тока, если внешне действует низкий уровень и включены
подтягивающие резисторы. Выводы порта C находятся в третьем (высокоимпедансном)
состоянии при выполнении условия сброса, даже если синхронизация не запущена.
Port D
(PD7..PD0) Порт D - 8-разр. порт двунаправленного ввода-вывода с внутренними
подтягивающими к плюсу резисторами (выбираются раздельно для каждого разряда).
Выходные буферы порта D имеют симметричную выходную характеристику с
одинаковыми втекающим и вытекающим токами. При вводе, линии порта D будут
действовать как источник тока, если внешне действует низкий уровень и включены
подтягивающие резисторы. Выводы порта D находятся в третьем (высокоимпедансном)
состоянии при выполнении условия сброса, даже если синхронизация не запущена.-
Вход сброса. Удержание на входе низкого уровня в течение двух машинных циклов
(если работает тактовый генератор), сбрасывает устройство.- Вход инвертирующего
усилителя генератора и вход внешнего тактового сигнала.- Выход инвертирующего
усилителя генератора.- питание аналоговых частей микроконтроллера.
AREF -
вход подключения источника опорного напряжения АЦП.
6.2 Драйвер двигателей
Для управления приводами необходим усилитель мощности, так как:
) Уровень тока, поступающий из порта микроконтроллера (около 200 мА), слишком
мал для работы приводов;
) Напряжение питания электроприводов намного больше того, которое может
обеспечить микроконтроллер;
) Электропривод представляет собой индуктивную нагрузку, следовательно,
напрямую подключать микроконтроллер к приводу нельзя из-за возможных
индуктивных выбросов.
В качестве усилителя мощности будем использовать двунаправленный драйвер
двигателей постоянного тока MoviPower Lite компании Movicom (рис. 42). Основными достоинствами
драйвера являются:
· Рабочее напряжение: 5.5 ÷ 36 В
· Рабочий ток: до 8 A
· Пиковый ток: до 30 A
· Частота ШИМ (макс.): 20 кГц
· Реверсивное управление
· Защита от перегрузки по току и от перегрева
· Спящий режим
Рис. 39. Распиновка разъемов подключения драйвера
Рис. 40. Сигналы управления, питания и выходные сигналы драйвера
Рис. 41. Таблица истинности работы драйвера (В - низкий сигнал, Н-
высокий сигнал)
Рис. 42. Драйвер двигателей постоянного тока MoviPower
.3 Датчики уровня освещённости
В качестве датчиков уровня освещённости будем использовать датчики APDS - 9002/3 из серии ALPS, которые
выпускает компания Avago Technologies. Датчики созданы на основе фотодиода (или
фототранзистора) с максимальной спектральной чувствительностью, совпадающей с
максимальной чувствительностью человеческого глаза, которая составляет 550 нм.
Поэтому, эти датчики превосходят аналогичные изделия других типов. На рисунке
44 представлены характеристики чувствительности датчиков ALPS и кремниевых
датчиков уровня освещенности в зависимости от источника освещения:
флуоресцентная лампа, лампа накаливания и галогенная лампа.
Рис.43. Зависимость чувствительности датчиков от длины волны

Наиболее оптимальным по параметрам является датчик APDS - 9002/3. Он, как и все устройства
названной серии, оптимизирован под кривую видимости человеческого глаза, имеет
аналоговый выход и отличную линейность фототока в широком диапазоне от 10 лк до
1 клк, низкое изменение чувствительности в зависимости от разных источников
света, напряжение питания от 2,2 В до 5,4 В, индустриальный температурный
диапазон от -40 до +85 градусов Цельсия, выполнен также в миниатюрном недорогом
корпусе для поверхностного монтажа chipLED (рис. 45). Типовая схема включения датчика APDS - 9002/3 приведена на рисунке 46.
Диапазон изменения фототока от 10 до 400 мкА при изменении уровня освещённости
до 600 лк.
Рис.45. Характеристики датчиков APDS-9002/3
Рис. 46. Типовая схема включения датчика уровня освещенности APDS - 9002/3 и график зависимости
фототока от уровня его освещённости
6.4 Концевые датчики
В качестве концевых датчиков будем использовать выключатели серии Z компании OMRON (рис.47).
Рис. 47. Концевой выключатель в базовом пластмассовом корпусе
Базовые выключатели серии Z в пластмассовом корпусе обеспечивают такие же
электрические и механические показатели, а также срок службы, как и стандартные
концевые выключатели. В то же время базовый пластмассовый корпус делает эти
выключатели идеальным решением с оптимальным соотношением цена-качество для
применения в неопасных средах или для отдельной установки в компоновочных узлах.
Достоинства:
) Недорогой базовый пластмассовый корпус для установки в компоновочных
узлах
) Такие же электрические и механические переключающие показатели, как и у
стандартных концевых выключателей.
6.5 Жидкокристаллический индикатор
Для контроля во время работы установки угла поворота вала привода
вертикального вращения предусмотрен ЖК-индикатор.
Индикатор должен отображать частоту возмущающего воздействия, и
значения получаемых ускорений. В данной работе был предложен ЖКИ фирмы
HITACHI - HD44780U. Этот ЖКИ предлагает следующие возможности: отображение
символов и знаков в режиме 5х8 точек и 5х10; значительное быстродействие шины
контроллера: 2МГц при напряжении питания 5В. Также данный ЖКИ имеет два режима
записи информации: 4-разрядный или 8-разрядный. В данной работе будем
использовать 4-разрядный режим. При этом будем использовать 6 выводов МК.
Напряжения питания ЖКИ и драйвера лежит в диапазоне от 2.7-5.5В. Запись в
данном устройстве происходит в параллельной форме по фронту тактовых импульсов.
Данная микросхема предусматривает также режим считывания выводимых значений,
однако, в рамках данной работы этот режим использоваться не будет. У данной
микросхемы имеются 14 выводов, назначения выводов указаны в таблице 3. Команды
контроллера ЖКИ приведены в таблице 3.
Таблица 3. Назначение выводов микросхемы HITACHI - HD44780U
Таблица 4. Команды контроллера HITACHI - HD44780U
* - состояние битов безразлично;- если бит =1, то после записи символа
курсор перемещается на следующую позицию;- если бит=1, то изображение
смещается;- включить/выключить дисплей;
С - включить/выключить курсор;
В - включить/выключить мигание курсора;- включить/выключить режим
изображение сдвига на экране;- Направление сдвига курсора (0 - влево, 1 -
вправо);- Разрядность данных (0 - 4-х разрядные, 1 - 8-ми разрядные);- Число
строк на экране (0 - одна, 1 - две);- Размер символов (0 - 5х7, 1 - 5х10);
А - Адрес;- данные;- равен 1, если ЖКИ занят выполнением операции.
6.6 Энкодер
Будем использовать инкрементный энкодер ECW1J-B28-BC0024L компании Bourns
(рис. 48).
Рис. 48. Инкрементный энкодер ECW1J-B28-BC0024L компании Bourns
Характеристики энкодеров серии ECW представлены на рис. 49.
Рис. 49. Характеристики энкодеров серии ECW
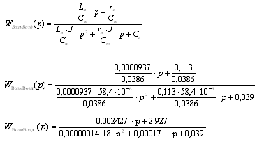
7. Принципиальная схема устройства
С учетом выбранных компонентов спроектируем управляющую плату. Ее
принципиальная схема представлена на рисунке 50.
Рис. 50. Принципиальная схема управляющей платы
Список компонентов:
D1 -
разъемы питания на 24 и 5 В;
D2 -
инкрементный энкодер ECW1J-B28-BC0024L;
DD1 -
микроконтроллер ATmega16;
X1 -
жидкокристаллический индикатор HITACHI - HD44780U;
X2, X3 -драйверные схемы MoviPower Lite;
AD1, AD2, AD3, AD4, AD5 - датчики
уровня освещенности APDS - 9002/3;, S4, S5, S6 - концевые датчики;
M1, M2 - электродвигатели;
XTL1 -
кварцевый резонатор на 8МГц;
R1, R2, R3, R4, R5 - резисторы на 220 Ом;
R6, R7 - резисторы на 4,7 кОм;
С1, С2 - конденсаторы по 22 пФ;
C3 -
конденсатор на 0, 1 мкФ;
C4, C5, C6, C7 -
конденсаторы по 47 мкФ;
HL1, HL2 - светодиоды.
8. Алгоритмы управления
С учетом всех аппаратных особенностей проектируемой цифровой системы
автоматического управления [4], напишем алгоритм функционирования управляющей
программы для нее (рис. 51).
Рис. 51. Алгоритм функционирования управляющей программы
Распишем подробнее процедуру обработки информации с датчиков уровня
освещенности.
Сперва происходит съем сигнала с горизонтальной пары датчиков, отвечающих
за поворот вдоль вертикальной оси (рис. 52). Если показания датчиков равны,
следовательно, относительно вертикальной оси платформа сориентирована верно, и
угол рассогласования составляет меньше 10°. Если же они не равны, вычисляется
разница между их показаниями, и в зависимости от ее знака, микроконтроллер
подает либо прямой, либо реверсивный сигнал на привод вертикального вращения.
Затем цикл повторяется, и так до тех пор, пока разница в показаниях датчиков не
станет равна нулю.
Затем осуществляется наведение в горизонтальной плоскости по той же схеме
(рис. 53). Но здесь съем показаний осуществляется уже с вертикальной пары
датчиков.
Процесс наведения заканчивается, когда разница в показаниях обоих
датчиков не станет равным нулю.
Рис. 52. Алгоритм наведения устройства в вертикальной плоскости
Рис. 53. Алгоритм наведения устройства в горизонтальной плоскости
Заключение
В данном курсовом проекте была спроектирована система цифрового
автоматического управления платформой солнечной батареи. Для этого был проведен
анализ существующих конструкций, выявлены их недостатки, предложена новая
конструкция солнечной установки, построена ее функциональная схема. Было
произведено исследование характеристик непрерывной и дискретной систем
управления, дискретная система рассчитана на устойчивость.
Для практической реализации данной системы цифрового управления были
выбраны необходимые компоненты, разработана принципиальная схема, построены
алгоритмы управления.
Библиографический список
1. Подураев, Ю. В. Мехатроника : основы, методы,
применение [Текст]: уч. пос. / Ю. В. Подураев. - М.: Машиностроение, 2006.
2. Бесекерский, В. А. Теория систем автоматического
управления [Текст] / В. А. Бесекерский, Е. П. Попов. - СПб.: Профессия, 2003.
. Егоров, О. Д. Мехатронные модули. Расчет и
конструирование [Текст]: уч.пос. / О. Д. Егоров, Ю. В. - М.: ИЦ МГТУ
"СТАНКИН", 2004.
. Олссон, Г. Цифровые системы автоматизации и
управления [Текст] / Г. Олссон, Пиани Д. - СПб.: Невский Диалект, 2001.
. Пат. 2286517 Российская Федерация. Солнечная
фотоэлектрическая установка [Текст] / Алферов Ж.И., Андреев В.М., Зазимко В.Н.,
Ларионов В.Р., Румянцев В.Д., Чалов А.Е.; заявл. 2005.
. Компания Domus Rapide
[Электронный ресурс]. - Режим доступа: http://domusrapide.com.ua, свободный.
. Датчики уровня освещенности, приближения и цвета
компании Avago Technologies [Электронный ресурс]. - Режим
доступа: http://www.kit-e.ru/articles/sensor/2006_7_68.php, свободный.
. Компания "Русский Ветер" [Электронный
ресурс]. - Режим доступа: http://www.rusveter.ru, свободный.
. Устройство слежения за солнцем 01ARX1 [Электронный ресурс]. - Режим
доступа: http://www.aktuator.ru/Solar_Actuator/01ARX1.shtml, свободный.