Синтез систем управления реверсивного электропривода
Содержание
Исходные данные на
проектирование
Задание на проектирование
. Реверсивный коммутатор
1.1
Описание системы управления и определение цены деления
.2
Схема включения обмоток
1.3
Печатные платы
2. Блок реверса без
изменения порядка чередования фаз
2.1
Алгоритм реверса без изменения порядка переключения обмоток
2.2
Расчёт параметров ВЧГИ и НЧГИ
2.3
Принципиальная схема формирователя импульсов
3. Искусственное
дробление шага
3.1
Блок искусственного дробления шага
3.2 Расчёт генератора импульсов
3.3
Печатные платы разработанных устройств
4. Торможения двигателя
.1 Блок управления
торможения двигателя
4.2
Печатная плата разработанного устройства
5. Пуск двигателя в
режиме самокоммутации
. Номенклатура
используемых элементов
Заключение
Список использованной
литературы
Исходные
данные на проектирование
|
Наименование
параметра
|
Значение
|
|
Параметры
двигателя: а) фазность СШД б) порядок включения обмоток Характеристика СУ: а)
полярность б) комплектность Число микросхем на плате В схеме использовать
преимущественно Использовать серию микросхем
|
3
несимметрично разнополярное двухкомплектное ∞ D-триггер К176
|
|
Параметры
двигателя: а) номинальное напряжение, В б) конструктивный параметр Kм Параметры
обмотки возбуждения: а) активное сопротивлениеRов, Ом б) индуктивность
Lов, Гн Момент сопротивления на валу двигателя Мс, Н*м
Частота низкочастотного генератора, Гц
|
96 0,91 8,5
5*103 1,4 165
|
|
Коэффициент
дробления шага Кдр Базис микросхем Число микросхем на плате Схема
генератора
|
4 ∞ 4 на
таймере
|
|
Принудительное
торможение после «n» шагов Естественно торможение после «n» шагов Ном. момент
двигателя МНдвиг, Н*м Момент инерции привода, кг*м2
|
5 ∞ 2,3
0,2
|
|
Осуществить
пуск двигателя в режим
|
С
самокоммутацией
|
Задание на проектирование
При выполнении I этапа необходимо:
· Произвести синтез распределителя импульсов
СУ реверсивного электропривода с СШД на дискретно-логических элементах с
использованием микросхем типовых серий в соответствии с заданным вариантом;
· Определить цену деления шага в
пространственных градусах;
· Изобразить силовую схему включения
обмоток, нарисовать циклограмму работы шагового двигателя, составить алгоритм
работы обмоток, привести векторную диаграмму, разработать принципиальную и
монтажную схемы узлов или блоков САУ, а также нарисовать ее печатную плату;
· Привести описание работы с учетом
конкретно выбранной базы микросхем.
При выполнении II этапа необходимо:
· Разработать алгоритм работы реверсивного
РИ без изменения последовательности подаваемых импульсов напряжения на обмотках
шагового двигателя;
· Рассчитать верхнюю и нижнюю границы
частоты высокочастотного генератора импульсов и длительность сигналов
формирователя импульсов;
· Разработать принципиальные схемы ВЧГИ и
НЧГИ, а также ФИ (формирователь импульсов). Разработанные устройства согласовать
с предыдущей схемой РИ;
· Рассчитать параметры ВЧГИ и НЧГИ;
· Нарисовать циклограмму работы РИ;
· Описать работу разработанного РИ.
При выполнении III этапа необходимо:
· Рассчитать и синтезировать схему
генератора импульсов для схемы с искусственным дроблением шага в соответствии с
заданной частотой низкочастотного генератора и заданной кратностью дробления
шага Кдр.;
· Нарисовать диаграмму работы во времени по
тактам с искусственным дроблением шага с учетом только фазности двигателя;
· Составить монтажную схему с учетом
заданного базиса микросхем и числа микросхем на плате.
При выполнении IV этапа необходимо:
· Перевести двигатель на скорость 0,1 со
приемистости;
· Синтезировать схему старт-стопного
управления СШД, осуществляемого после нажатия на кнопку «стоп»;
· Рассчитать время задержек Atp и
Atp.
При выполнении V этапа необходимо:
· Синтезировать САУ пуска СШД в режиме
программного запуска или запуска с самокомутацией в соответствии с вариантом.
1. Блок реверсивного коммутатора
.1 Описание системы управления и определение цены деления
В общем случае структурная схема системы управления СШД имеет
следующий вид:
Рис. 1
П - преобразователь
К - коммутатор
СШД - синхронно-шаговый двигатель
РМ - рабочий механизм
ДШ - датчик шагов
Преобразователь обеспечивает реверс, разгон, торможение,
старт/стопный режим, а также включает в себя блоки дробления шага; преобразует
управляющий сигнал в ту или иную систему команд, поступающих на коммутатор К.
Коммутатор - устройство, включающее в себя логическую часть,
распределитель импульсов и выходные усилители, с которых сигналы поступают на
обмотки СШД. Датчик шагов является вспомогательным органом и используется в
специальных режимах.
Для данной системы управления коэффициент тактирования будет
равен:
T=m*k1*k2,
где m - число обмоток управления,1=2 при
несимметричной коммутации,2=2 при разнополярном управлении.
Угол поворота вала двигателя за один шаг составит:
где p - число пар полюсов двигателя.
Скорость вращения двигателя при частоте НЧГ=65 Гц составит:

об/мин
.2 Схема включения обмоток
Векторная диаграмма и схема включения обмоток:
Рис. 2
Рис. 3
Циклограмма работы коммутатора на вращение вперёд
Рис. 4
Циклограмма работы коммутатора на вращение назад
Рис. 5
- Q4 - сигналы с триггеров;- для включения первой обмотки в
прямом направлении;- для включения первой обмотки в обратном направлении;- для
включения второй обмотки в прямом направлении;- для включения второй обмотки в
обратном направлении;- для включения третьей обмотки в прямом направлении;- для
включения третьей обмотки в обратном направлении;
По циклограммам находим уравнения для выходных величин:
Для вращения вперёд:
Для вращения назад:
Обобщённые уравнения для выходных величин:
=b1*B+c1*H; Y1=b2*B+c2*H
Y1=b3*B+c3*H=b4*B+c4*H Y1=b5*B+c5*H
Y1=b6*B+c6*H
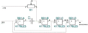
Принципиальная электрическая схема счётчика импульсов:
Рис. 6
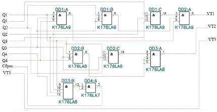
Схема коммутатора на включение вперёд:
Рис. 7
Схема коммутатора на включение назад:
Рис. 8
Схема распределения сигналов на включение соответствующих
обмоток:
Рис. 9
.3 Печатные платы
Печатная плата счётчика импульсов:
Рис. 10
Печатная плата схемы коммутатора на включение вперёд:
Рис. 11
Печатная плата коммутатора на включение назад:
Рис. 12
Печатная плата распределителя сигналов:
Рис. 13
Описание разработанного устройства.
Распределитель импульсов действует следующим образом. Имеется
двоичный счётчик импульсов (Рис. 6), построенный на четырёх D-триггерах (DD1:B,
DD2:A, DD2:B, DD3:A). Когда счётчик досчитает до 13, произойдёт сброс триггеров
DD1:B, DD2:A, DD2:B, таким образом наступит не тринадцатое положение счётчика,
а первое; цикло начнётся заново. Выхода Q1-Q8 снимают прямые и инверсные
сигналы с триггеров для их дальнейшего распределения.
Схема коммутаторов работают следующим образом. После
прохождения первого импульса на выходах счётчика будут следующие значения Q1=0,
Q2=1,Q3=1,Q4=0,Q5=0,Q6=1,Q7=0,Q8=, которые поступают на схемы коммутаторов на
вращение вперёд и назад. После этого на схемах коммутаторов на вращение вперёд
и назад на элементе DD4:A на выходе появится логический 0, на элементе DD4:B -
1, на элементе DD5:A - 1, на элементе DD6:A - 1, на элементе DD1:A - 1, на
элементе DD1:B - 1, на элементе DD3:A - 0, на элементе DD2:A - 1, на элементе
DD2:B - 1, на элементе DD3:B - 0, на элементе DD5:B - 1, на элементе DD7:A - 1,
на элементе DD3:C - 0, на элементе DD7:B - 1, на элементе DD8:A - 1, на
элементе DD3:D - 0, на элементе DD8:B - 1, на элементе DD9:A - 1, на элементе
DD6:B - 0. Таким образом, на выходах коммутатора вперёд будут значения: b1=1,
b2=0, b3=0, b4=0, b5=0,b6=0.
На выходах коммутатора на вращение назад будут значения: с1=1, с2=0,
с3=0, с4=0, с5=0, с6=0.
Следовательно, сигналы на включение обмоток для вращения вперёд и назад будут
иметь следующий вид: Y1=1, Y2=0, Y3=0, Y4=0,
Y5=0, Y6=0.
После прохождения второго импульса на выходах счётчика будут
следующие значения Q1=1, Q2=0,Q3=0,Q4=1,Q5=0,Q6=1,Q7=0,Q8=, которые поступают
на схемы коммутаторов на вращение вперёд и назад. После этого на схемах
коммутаторов на вращение вперёд и назад на элементе DD4:A на выходе появится
логическая 1, на элементе DD4:B - 0, на элементе DD5:A - 1, на элементе DD6:A -
1, на элементе DD1:A - 1, на элементе DD1:B - 1, на элементе DD3:A - 0, на
элементе DD2:A - 1, на элементе DD2:B - 1, на элементе DD3:B - 0, на элементе
DD5:B - 1, на элементе DD7:A - 1, на элементе DD3:C - 0, на элементе DD7:B - 1,
на элементе DD8:A - 1, на элементе DD3:D - 0, на элементе DD8:B - 0, на
элементе DD9:A - 1, на элементе DD6:B - 1. Таким образом, на выходах
коммутатора вперёд будут значения: b1=1, b2=0, b3=0,
b4=0, b5=0,b6=1. На выходах коммутатора на
вращение назад будут значения: с1=1, с2=0, с3=0,
с4=1, с5=0, с6=0. Следовательно, сигналы на
включение обмоток для вращения вперёд будут иметь следующий вид: Y1=1,
Y2=0, Y3=0, Y4=0, Y5=0, Y6=1,
сигналы на включение обмоток на вращение назад: Y1=1, Y2=0,
Y3=0, Y4=1, Y5=0, Y6=0.
При последующих импульсах схема будет работать в соответствии
с уравнениями аналогично предыдущему описанию.
2. Блок реверса без изменения порядка чередования фаз
.1 Алгоритм реверса без изменения порядка переключения
обмоток
Исходные данные для расчета:
- номинальное напряжение,
- конструктивный коэффициент двигателя,
- сопротивление обмотки возбуждения,
- индуктивность обмотки возбуждения,
- момент сопротивления на валу двигателя,НЧГ=165Гц -
частота низкочастотного генератора.
2.2 Расчёт параметров ВЧГИ и НЧГИ
Выразим из формулы (1) tтр и подставим в неё
уравнение (2) и (3):
Для низкочастотного генератора:
Рис. 14. НЧГИ
Для высокочастотного генератора:
Рис. 15. ВЧГИ
Принцип работы этого блока системы управления заключается в
следующем: при реверсе на вход коммутатора подается пачка высокочастотных
импульсов. Частота импульсов выбирается такой, чтобы двигатель не успевал
отрабатывать шаги; число импульсов kТ-1. При этом после прохождения
пачки коммутатор будет оставаться в состоянии, сдвинутом на один шаг назад,
относительно исходного. В результате двигатель не успевает отрабатывать шаги с
частотой высокочастотного генератора и после прохождения 11 высокочастотных
импульсов коммутатор находится в состоянии на такт меньше того в котором
находится двигатель. В этот момент происходит отработка шага назад т. к. пачка
высокочастотных импульсов закончилась.
Максимальная частота ВЧ генератора ограничивается
быстродействием микросхем коммутатора. По справочным данным для микросхем
К176ТМ2, которые используются в схеме коммутатора, максимальная частота
входного сигнала не должна превышать 1МГц, и при этом длительность импульса не
должна быть менее 100 нс. Число импульсов, которое необходимо подавать на
коммутатор при реверсе:
=kТ -1=11.
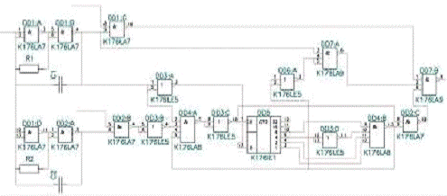
.3 Принципиальная схема формирователя импульсов
Циклограмма работы схемы:
Схема электрическая
Рис. 16
Печатная плата
Рис. 17
Описание разработанного устройства:
НЧГИ построен на элементах DD1:A, DD1:B, резисторе R1,
конденсаторе С1 (Рис. 16). ВЧГИ построен на элементах DD1:D, DD2:A, резисторе
R2, конденсаторе С2. Схема из логических элементов и счётчика работает
следующим образом. При наличии согнала Вперёд и отсутствии сигнала Назад при
появлении импульса с НЧГИ на выходе элемента DD1:C появится логический ноль, на
выходе DD3:B - 0, на выходе DD3:C - 0, на выходе DD2:C - 1, на выходе DD2:D -
1, следовательно на выходе Y будут только сигналы с элемента DD1:C, которые
представляют собой импульсы с НЧГИ. При наличии сигнала Назад и отсутствии
сигнала Вперёд при появлении сигналов с НЧГИ и ВЧГИ на выходе элемента DD1:C
будет логическая единица, на выходе DD2:B - 0, на выходе DD4:A - 0, на выходе
DD3:C - 1, которая поступает на счётный вход счётчика DD5. Элемент DD4:B
собирает сигналы со счётчика: на выходе у него будет логическая 1, пока не
пройдёт 11 импульсов. После 11 импульса на выходе DD4:B будет 0, который
перейдёт на DD4:A, не давая больше поступать сигналам на счётчик. Таким
образом, на выходе Y пройдут 11 импульсов от ВЧГИ, которые переведут двигатель
на 11 положений вперёд, что аналогично 1 положению назад. Счётчик DD5 сбрасывается
элементом DD3:A, который означает спад сигнала с НЧГИ.
3. Искусственное дробление шага
.1 Блок искусственного дробления шага
Разработку устройства начнём с построения векторной диаграммы
вращающегося поля статора и диаграммы подачи сигналов на него. Так как
необходимо учитывать только фазность двигателя, то диаграмма примет следующий
вид:
Рис. 18
При искусственном дроблении шаг будет составлять:
Диаграмма изменения напряжения на обмотках двигателя
приведена на рисунке ниже:
Рис. 18
Как видно из диаграммы, каждая обмотка двигателя подключена к
источнику ступенчатого напряжения (ИСН). Построим наш ИСП из резисторов и
транзисторов, который будет подавать напряжение в соответствии с диаграммой:
Рис. 19
Составим таблицу значений сигналов со счётчика Q1-Q4 и в
соответствии с ними сигналы на базу транзисторов VT1-VT3 для управления первой
обмоткой (a):
|
№ импульса
|
Сигналы со
счётчика
|
Сигналы на
базах транзисторов
|
|
Q4
|
Q3
|
Q2
|
Q1
|
VT1
|
VT2
|
VT3
|
|
1
|
0
|
0
|
0
|
1
|
1
|
1
|
1
|
|
2
|
0
|
0
|
1
|
0
|
1
|
0
|
1
|
|
3
|
0
|
0
|
1
|
1
|
1
|
1
|
0
|
|
4
|
0
|
1
|
0
|
0
|
1
|
0
|
0
|
|
5
|
0
|
1
|
0
|
1
|
0
|
0
|
0
|
|
6
|
0
|
1
|
1
|
0
|
0
|
0
|
0
|
|
7
|
0
|
1
|
1
|
1
|
0
|
0
|
0
|
|
8
|
1
|
0
|
0
|
0
|
0
|
0
|
0
|
|
9
|
1
|
0
|
0
|
1
|
0
|
0
|
0
|
|
10
|
1
|
0
|
1
|
0
|
1
|
0
|
0
|
|
11
|
1
|
0
|
1
|
1
|
1
|
1
|
0
|
|
12
|
1
|
1
|
0
|
0
|
1
|
0
|
1
|
По данной схеме составим уравнения для открытия транзисторов
ИСП для первой обмотки:
Принципиальные схемы для открытия транзисторов по полученным
уравнениям:
Рис. 20
Рис. 21
.2 Расчёт генератора импульсов
Генератор импульсов выполним на таймере кр1006ви1:
Схема включения элемента в генераторном режиме:
Рис. 22
1=0.69*(R1+R2)*c2=0.69*R2*c
с = 0,01мкФ, 
=139кОм, R2=150 кОм.
3.3 Печатные платы разработанных устройств
Рис. 23
Рис. 24
Описание разработанного устройства:
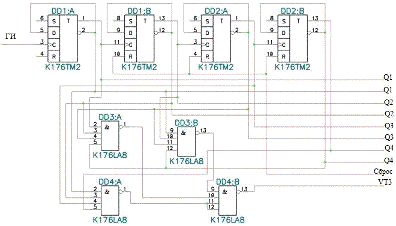
Генератор (Рис. 22), основанный на таймере КР1006ВИ1 выдаёт
импульсы с частотой 165 Гц. Далее следует четырёхразрядный счётчик импульсов
(Рис. 20), состоящий из четырёх D-триггеров DD1:A, DD1:B, DD2:A, DD2:B. После
прохождения первого импульса будут следующие состояния счётчика: Q1=1, Q2=0,
Q3=0, Q4=0. Таким образом, на выходе элемента DD3:A будет логический 0, на
DD3:B - 1, на DD4:A - 1, на DD4:B - 1; появится сигнал на базу транзистора VT3
(Рис. 19). Далее рассмотрим Рисунок 21. На выходе элемента DD1:A будет
логический 0, на DD1:B - 1, на DD1:C - 1, на DD2:A - 1, на DD2:B - 0, на DD2:C
- 1, на DD3:A - 1; появятся сигналы на базы транзисторов VT1 и VT2 (Рис. 19).
Так как открыты все транзисторы, то на обмотку А поступает полное напряжение U.
После прохождения второго импульса будут следующие состояния
счётчика (Рис. 20): Q1=0, Q2=1, Q3=0, Q4=0. Таким образом, на выходе элемента
DD3:A будет логическая 1, на DD3:B - 0, на DD4:A - 1, на DD4:B - 1; появится
сигнал на базу транзистора VT3 . Далее рассмотрим Рисунок 21. На выходе
элемента DD1:A будет логическая 1, на DD1:B - 0, на DD1:C - 1, на DD2:A - 1, на
DD2:B - 1, на DD2:C - 1, на DD3:A - 0; появится сигнал на базу транзистора VT1.
Так как транзистор VT2 закрыт, то на обмотку А поступает 0,75U от полного. При
последующих прохождениях импульсов схема действует аналогичным образом.
После прохождения тринадцатого импульса состояния счётчика
примут вид: Q1=1, Q2=0, Q3=1, Q4=1, на выходе элемента DD4:A появится 1,
которая перейдёт на выхода R триггеров DD1:B, DD2:A, DD2:B (Рис. 20) и сбросит
их. Так как триггер DD1:A останется не сброшенным, то состояние счётчика после
тринадцатого импульса такое, как после первого импульса. При дальнейшем
поступлении импульсов цикл начнётся заново.
4. Торможение двигателя
.1 Блок управления торможения двигателя
Естественное торможение:
Рассчитаем время работы и торможения. В данном случае
двигатель тормозится только моментом сопротивления:
Т.е. в процессе торможения вал двигателя сделает 84 полных
оборотов и повернётся ещё на 5,42 радиана (310,5°).
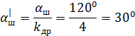
Алгоритм работы: у двигателя после 5 шагов необходимо
отключить питание на время tT, после которого необходимо подать
питание на обмотки, соответствующие ближайшее фиксированное положение вала на
данный момент и зафиксировать его.
Искусственное торможение:
В данном случае двигатель тормозится моментом сопротивления и
тормозным моментом, создаваемым самим двигателем. МТ = 2,3 Н*м.
Т.е. в процессе торможения вал двигателя сделает 32 полных
оборотов и повернётся ещё на 0,7 радиана (40°).
Алгоритм работы: у двигателя после 5 шагов необходимо
совершить реверс на время tT, после которого необходимо подать
питание на обмотки, соответствующие ближайшее фиксированное положение вала на
данный момент и зафиксировать его.
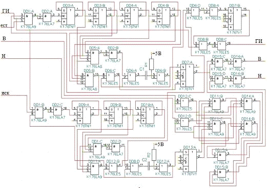
Принципиальная схема для торможения представлена ниже:
Рис. 25
В схеме для торможения (Рис. 25) имеются два таймера,
собранных на двух логических элементах, резисторе и конденсаторе. Схема таймера
и диаграмма работы представлена на рисунке ниже:
Рис. 26
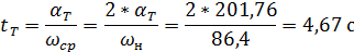
Расчёт таймеров:
С1 = 10 мкФ, R1=1,234 МОм.
Для искусственного торможения: tT = 4,67 с.
С2 = 10 мкФ, R2 = 467 кОм.
.2 Печатная плата разработанного устройства
Рис. 27
Описание разработанного устройства:
Рассмотрим принцип действия естественного торможения. При
поступлении сигнала на естественное торможение (Рис. 24)счётчик, представленный
на четырёх D-триггерах DD3:A, DD3:B, DD4:A, DD4:B, отсчитает 5 импульсов. После
прохождения пятого импульса с генератора импульсов ГИ на элементе DD2:B
появится логическая единица, поступающая на таймер, представленный на элементах
DD6:A, DD6:B, резисторе R1 и конденсаторе С1; принцип работы такого таймера
представлен на рисунке 25. Также логическая единица с DD2:B устанавливает в
единицу RS-триггер DD7:A. Логический ноль с инверсного входа RS-триггера
поступает на элементы DD15:C и DD15:D, тем самым снимая сигнал на вращение
вперёд либо назад, в зависимости от того, что было включено. Так как на В или Н
отсутствуют сигналы, то подача напряжения на обмотки прекращается, начинается
естественное торможение двигателя. После прохождения ещё 10 импульсов с ГИ на
выходе элемента DD5:B появится логический ноль, который поступает на вход
DD1:A, ставя тем самым на самоблокировку элемент DD5:B. После того таймер
отсчитает 12,343 секунды, на выходе DD6:B появится логический ноль, который
поступит на вход DD6:C. На выходе DD6:C появится логическая единица, которая
сбросит триггер DD7:A, а также установит в единицу RS-триггер DD7:B. Таким
образом, появится сигнал на В или Н в зависимости от того что было выбрано, а
также будет поступать постоянный сигнал на ГИ, после чего не будет происходить
дальнейшее переключение обмоток и ротор будет находиться в фиксированном
положении.
Рассмотрим принцип действия искусственного торможения. При
поступлении сигнала на искусственное торможение счётчик, представленный на трёх
D-триггерах DD9:A, DD9:B, DD10:A, отсчитает 5 импульсов. После прохождения
пятого импульса с генератора импульсов ГИ на элементе DD2:D появится логическая
единица, поступающая на таймер, представленный на элементах DD8:D, DD12:A,
резисторе R2 и конденсаторе С2. Также логическая единица с DD2:D установит в единицу
RS-триггер DD13:A. Логический ноль с инверсного выхода DD13:A поступит на
реверсивный вход K JK-триггеров DD13:B и DD14:A, тем самым перекинет значение
того триггера который был установлен в соответствии с тем, в какую сторону
происходило вращение: DD13:B - если вперёд и DD14:A - если назад. Пусть
происходило вращение вперёд, то есть В=1, Н=0. После пятого импульса с ГИ на
выходе DD11:B - 1, DD11:C - 1, DD14:A - 1, DD14:B - 0, DD15:A - 0, DD15:B - 1,
DD16:A - 0, DD16:B - 1. Следовательно, произойдёт переключение на направление
вращения двигателя. После того таймер отсчитает 4,67 секунды, на выходе DD12:А
появится логический ноль, который поступит на вход DD12:В. На выходе DD12:B
появится логическая единица, которая сбросит триггер DD7:A, а также установит в
единицу RS-триггер DD7:B. Таким образом, будет поступать постоянный сигнал на
ГИ, после чего не будет происходить дальнейшее переключение обмоток и ротор
будет находиться в фиксированном положении.
5. Пуск двигателя в режиме самокоммутации
Одним из способов заставить СШД работать на частотах
превышающих частоту приемистости, является использование режима самокоммутации.
Этот режим наиболее эффективен т. к. позволяет работать на переменной нагрузке.
Его можно реализовать при наличии в приводе обратной положительной связи по
положению. Здесь необходимым элементом будет ДШ - датчик шагов, вырабатывающий
управляющий импульс при каждом повороте ротора на шаг.
Если сигнал с датчика шагов подать на коммутатор, задерживая
его во времени, то такой привод позволит регулировать частоту вращения
двигателя.
Фотоэлектрический датчик шагов.
Рис. 28
Датчик предназначен для определения моментов нахождения вала
двигателя в фиксированных положениях, соответствующих определенным состояниям
коммутатора. Это необходимо для работы принципиальной схемы работы схемы.
Датчик шагов устроен следующим образом: на вал двигателя
насажен диск, имеющий 12 узких прорезей, расположенных под углом 30°. На
статоре закреплена оптопара таким образом, чтобы прорези диска находились
напротив ее только при окончательной отработке шага двигателем. При прохождении
прорези через оптопару на выходе блока появляется импульс положительной
полярности.
Расчёт ограничивающих сопротивлений:
Напряжение питания U= 5 В. Так как ток светодиода составляет
20 мА, то R1= 250 Ом. Ток фотодиода 10 мА, то R2=500 Ом.
Технические характеристики свето- и фотодиода приведены ниже:
Светодиод КИПД85У30-Ж-П7, желтый:
ТЕХНИЧЕСКИЕ ПАРАМЕТРЫ ПОЗИЦИИ КИПД85У30-Ж-П7, ЖЕЛТЫЙ
|
Материал
|
TS AlInGaP
|
|
Цвет свечения
|
желтый
|
|
Длина волны,нм
|
590
|
|
Максимальная
сила света Iv макс.,мКд
|
4000
|
|
при токе
Iпр.,мА
|
20
|
|
Видимый
телесный угол,град
|
30
|
|
Цвет линзы
|
прозрачный
|
|
Форма линзы
|
круглая
|
|
Размер линзы,мм
|
5
|
|
Максимальное
прямое напряжение ,В
|
2.5
|
|
Рабочая
температура ,С
|
-60…85
|
Диаграмма работы схемы пуска двигателя в режиме
самокоммутации приведена на рисунке ниже:
Рис. 29
Схема пуска двигателя в режиме самокомутации:
Рис. 30
Печатная плата разработанного устройства:
Рис. 31
Описание разработанного устройства:
При завершении шага двигателя на датчик шагов ДШ (Рис. 29)
выдаёт короткий импульс (Рис. 28), который запускает таймер, принцип действия
которого представлен на рисунке 25. Длинна сигнала на коммутатор будет зависеть
от длительности сигнала линии задержки ЛЗ, время которой в свою очередь T=R*C.
Изменяя регулируемым резистором R сопротивление, тем самым изменяем и время
задержки на подачу сигнала на коммутатор. Скорость двигателя при этом обратно
пропорциональна времени задержки: чем больше время задержки, тем меньше
скорость вращения двигателя.
6. Номенклатура используемых элементов
|
№
|
Наименование
элементов
|
Тип
|
Шт.
|
|
Счётчик импульсов
|
|
1
|
Микросхема
|
К176ЛА8
|
1
|
|
2
|
Микросхема
|
К176ТМ2
|
2
|
|
Коммутатор на
включение вперёд
|
|
1
|
Микросхема
|
К176ЛА8
|
7
|
|
2
|
Микросхема
|
К176ЛА7
|
1
|
|
3
|
Микросхема
|
К176ЛА9
|
1
|
|
Коммутатор на
включение назад
|
|
1
|
Микросхема
|
К176ЛА8
|
7
|
|
2
|
Микросхема
|
К176ЛА7
|
1
|
|
3
|
Микросхема
|
К176ЛА9
|
1
|
|
Распределитель
сигналов
|
|
1
|
Микросхема
|
К176ЛА7
|
5
|
|
Формирователь
импульсов для реверса без изменения порядка переключения обмоток
|
|
1
|
Микросхема
|
К176ИЕ1
|
1
|
|
2
|
Микросхема
|
К176ЛЕ5
|
2
|
|
3
|
Микросхема
|
К176ЛА7
|
2
|
|
4
|
Микросхема
|
К176ЛА8
|
1
|
|
5
|
Микросхема
|
К176ЛА9
|
1
|
|
6
|
Резистор
|
3,05 кОм
|
1
|
|
7
|
Резистор
|
1,11 Ом
|
1
|
|
8
|
Конденсатор
|
1 мкФ
|
2
|
|
Дробление шага
|
|
1
|
Микросхема
|
К176ЛА8
|
3
|
|
2
|
Микросхема
|
К176ЛА7
|
1
|
|
3
|
Микросхема
|
К176ЛА9
|
2
|
|
4
|
Микросхема
|
К176ТМ2
|
2
|
|
5
|
Микросхема
|
КФ1006ВИ1
|
1
|
|
6
|
Конденсатор
|
0,01 мкФ
|
2
|
|
7
|
Резистор
|
139 кОм
|
1
|
|
8
|
Резистор
|
150 кОм
|
1
|
|
Торможение
двигателя
|
|
1
|
Микросхема
|
К176ТМ1
|
4
|
|
2
|
Микросхема
|
К176ТВ1
|
2
|
|
3
|
Микросхема
|
К176ЛА7
|
3
|
|
4
|
Микросхема
|
К176ЛА8
|
1
|
|
5
|
Микросхема
|
К176ЛА9
|
3
|
|
6
|
Микросхема
|
К176ЛЕ5
|
3
|
|
7
|
Резистор
|
1,234 МОм
|
1
|
|
8
|
Резистор
|
467 кОм
|
1
|
|
9
|
Конденсатор
|
10 мкФ
|
2
|
|
Режим
самокоммутации
|
|
1
|
Микросхема
|
К176ЛЕ5
|
1
|
|
2
|
Резистор
регулируемый
|
|
1
|
|
3
|
Конденсатор
|
10 мкФ
|
1
|
|
4
|
Резистор
|
250 Ом
|
1
|
|
5
|
Резистор
|
500 Ом
|
1
|
|
6
|
Светодиод
|
КИПД85У30-Ж-П7
|
1
|
|
7
|
Фотодиод
|
ФД-265
|
1
|
Заключение
В данном курсовом проекте был представлен вариант системы
управления синхронно-шаговым двигателем, выполняющей разгон, работу двигателя
на номинальной скорости, старт/стопный режим и торможение двигателя в заданном
режиме. Конструкция системы управления была сделана блочной, что позволяет
произвольно конфигурировать ее параметры в зависимости от задач, возлагающихся
на привод, в котором используется двигатель.
В конструкции системы управления были применены современные
микросхемы. Применение микросхем счетчиков и триггеров вместо логических
элементов позволило уменьшить число микросхем, входящих в систему управления,
что дополнительно снизило энергопотребление, габариты и стоимость
комплектующих, а также затраты на сборку.
Список использованной литературы
1.
Интегральные микросхемы: Справочник/ Б.В. Тарабрин и др. М.: Радио и Связь
1984. - 528 с., ил.
.
Материалы сайта Чип и Дип - http://www.chipdip.ru/
.
Материалы сайта Joyta.ru - http://www.joyta.ru/