Проект регулируемого электропривода переменного тока с силовыми тиристорными преобразователями
Содержание
Задание на
курсовой проект
Введение
. Выбор
двигателя
. Расчет
управляемого вентильного преобразователя
.1 Выбор
силовой схемы управляемого вентильного преобразователя
3. Расчёт и выбор элементов силовой
части
3.1 Расчёт и
выбор силового трансформатора
.2 Выбор
тиристоров
.3 Выбор
сглаживающего реактора
.4 Выбор и
расчет элементов защит
.4.1 Защита
от коротких замыканий и перегрузки
.4.2 Защита
тиристоров от перенапряжений
4.
Статические характеристики и передаточные функции элементов разомкнутой системы
электропривода
4.1 Система
импульсно-фазового управления
4.2
Регулировочная характеристика силового преобразователя
4.3
Передаточный коэффициент преобразователя
4.4 Расчет
внешней характеристики
4.5 Расчет
электромеханической характеристики
4.6 Расчет
постоянных времени электропривода
.7
Передаточные функции элементов разомкнутой системы электропривода
5. Расчет элементов замкнутой системы
электропривода
5.1 Принципы
построения системы регулирования
5.2 Расчет параметров систем управления электроприводами с суммирующим
усилителем
5.3 Расчет
системы управления с ООС по скорости
.3.1 Расчет
задержанной обратной связи по току
.3.2 Проверка
устойчивости СУЭП
.3.3
Коррекция динамических показателей систем управления с суммирующим усилителем
.3.4 Расчет элементов
управления с суммирующим усилителем
5.3.4.1
Расчет цепи главной обратной связи системы
.3.4.2 Расчет
цепи токовой отсечки
.4 Расчет
параметров систем подчиненного регулирования
.4.1 Синтез
контура тока
.4.2 Синтез
контура частоты вращения
.4.3 Расчет
статических и динамических характеристик СПР
.5 Влияние
ЭДС двигателя на динамику процессов в СПР
.5
Моделирование переходных процессов на ЭВМ
.5.1
Моделирование контура тока
.5.2
Моделирование контура скорости
.5.3
Моделирование контура скорости с нелинейными элементами (ограничителями) и
влиянием нагрузки
Литература
Введение
Технический прогресс в области электроники и электротехники привел к
существенным изменениям в теории и практике электропривода. Эти изменения,
прежде всего, касаются новой элементной базы и технических средств
автоматизации, расширения областей применения регулируемого электропривода
постоянного и переменного тока с силовыми тиристорными преобразователями.
Значительные изменения произошли и в развитии систем автоматического управления
электроприводами. Это характеризуется преимущественным использованием принципов
подчиненного регулирования координат, развитием работ по векторным принципам
управления электроприводами переменного тока, применением аналоговых и цифровых
систем управления на базе интегральных микросхем.
1. Выбор двигателя
Исходя из задания на курсовой проект, выбираем подходящий двигатель,
параметры которого сводим в таблицу 1.
Электродвигатель 2ПН200L, где
2 - порядковый номер серии;
П - машина постоянного тока;
Н - исполнение по роду защиты и охлаждения: защищенное с
самовентиляцией;
- высота оси вращения;
L -
условная длина сердечника якоря: вторая длина.
1.1 Расчет параметров двигателя
Конструктивный
коэффициент двигателя,
сеФ=С=
,
где
номинальная
угловая скорость вращения вала двигателя;
сопротивление
якорной цепи двигателя.
Здесь
коэффициент,
учитывающий изменение сопротивления обмоток при нагреве до рабочей температуры
;
-
температурный коэффициент сопротивления меди;
-
температура обмоток, при которой указано сопротивление в каталоге;
-
сопротивление щеточного контакта.
Индуктивность
цепи якоря двигателя, Гн:
,
где
=0.5;
р =
2 - число пар полюсов.
Таблица 1
Параметры выбранного двигателя 2ПН200L
|
Рн, кВт
|
nн, об/мин
|
Iян, А
|
Uян, В
|
Rя, Ом
|
Rдп., Ом
|
Iвозб.н., А
|
момент инерции
|
h, %
|
|
16
|
1000
|
82
|
220
|
0.083
|
0.053
|
3.04
|
0.3
|
86
|
2. Расчет управляемого вентильного преобразователя
.1 Выбор силовой схемы управляемого вентильного
преобразователя
В тиристорных электроприводах постоянного тока для питания якорных цепей
применяют различные силовые схемы управления вентильных преобразователей (УВП).
Выбор той или иной схемы зависит от ряда факторов. Основными из них являются:
мощность двигателя, диапазон и точность регулирования, режим работы,
энергетические показатели, простота и надежность привода.
Для нашего случая наиболее целесообразно выбрать трёхфазную мостовую
симметричную схему с реверсом. Так как она имеет достаточно жёсткую внешнюю
характеристику и хорошее использование типовой мощности трансформаторов. При
выборе силовой схемы необходимо учитывать не только энергетические показатели,
но и требования к регулировочным показателям. В нашем случае необходимо
применить трёхфазную мостовую реверсивную схему. Изменение направления момента
и скорости вращения двигателя будет достигаться изменением направления тока в
цепи якоря с помощью двух вентильных групп, обеспечивающих противоположную
полярность на его зажимах и протекание тока в обоих направлениях.
Рисунок 1 Трёхфазная мостовая реверсивная схема
3. Расчёт
и выбор элементов силовой части
.1 Расчёт и выбор силового трансформатора
Силовой трансформатор необходим для понижения переменного напряжения с
целью согласования напряжения сети и выходного напряжения преобразователя, а
также для гальванического разделения цепи нагрузки и сети. Кроме того, он
служит для уменьшения скорости нарастания прямого тока тиристоров и ограничения
тока короткого замыкания.
Исходными
данными для расчета силового трансформатора являются номинальные средние
значения выпрямленного напряжения и тока, определяемые по паспортным данным электродвигателя.
Трансформатор выбирается по расчетным значениям типовой мощности
и ЭДС фазы вторичной обмотки
.
Расчетное
ЭДС фазы вторичной обмотки трансформатора, В:
,
где
коэффициент схемы по напряжению для идеального
выпрямителя при угле управления α=0;
-
коэффициент запаса по напряжению;
-
коэффициент учета неполного открывания вентилей;
-
коэффициент учета падения напряжения на элементах схемы и коммутационных
провалов напряжения.
Расчетная
типовая мощность силового трансформатора, кВ·А:
,
где
- коэффициент схемы по мощности для идеального
холостого выпрямителя;
-
коэффициент отклонения формы анодного тока тиристоров от прямоугольной.
Действующее значение линейного тока вторичной обмотки силового
трансформатора, А:
,
где
- коэффициент схемы по току для идеального
выпрямителя при токе, имеющем прямоугольную форму.
Номинальное
значение линейного тока вторичной цепи, А:
По
полученным значениям расчётной мощности выбирается силовой трансформатор,
соблюдая следующие условия: ST £ Sн; U2лн /
£ E2Ф; I2 £ I2н, где Sн, U2лн, I2н -
номинальные значения полной мощности, фазных напряжений и тока выбранного
трансформатора соответственно.
Выбран
трансформатор ТС-63/0,66 с техническими данными, приведёнными в таблице
2.
Таблица 2
Технические данные силового трансформатора ТС-63/0,66
|
Sн, кВт
|
Напряжение
|
Потери
|
Uк, %
|
Схема соединения обмоток
|
|
U1н, В
|
U2н, В
|
Р0, Вт
|
∆ркз, Вт
|
|
|
|
63
|
380
|
230
|
280
|
1010
|
4.5
|
U / U0
|
Активное сопротивление фазы вторичной обмотки трансформатора, Ом:
,
где
∆ркз - потери короткого замыкания, Вт.
Полное
сопротивление фазы вторичной обмотки трансформатора, Ом:
.
Индуктивность
фазы вторичной обмотки трансформатора, Гн:
,
где
- индуктивное сопротивление фазы, Ом;
- частота питающей сети, Гц.
Значения
активного сопротивления (Ом) и индуктивности трансформатора (Гн), приведённые к
цепи выпрямленного тока
где
а=2 - число обмоток трансформатора, обтекаемых рабочим током.
3.2 Выбор тиристоров
Тиристоры выбираются по допустимым значениям тока и напряжения, учитывая
способ и эффективность охлаждения.
Наиболее часто используют воздушное (естественное или принудительное) и
водяное охлаждение. Водяное охлаждение эффективнее воздушного, но его
применение связано с рядом технических сложностей, поэтому такое охлаждение
оправдано в преобразователях большой мощности.
Выбор тиристоров с воздушным охлаждением.
Требуемая величина тока тиристора (среднее значение), А:
,
гдеIdн = 82 А- номинальный ток нагрузки;
Кзi
= 3 - коэффициент запаса по току, учитывающий пусковой ток двигателя;
m = 3
- число фаз;
Кохл = 0.35 - коэффициент, учитывающий условия охлаждения
(естественное стандартное охлаждение).
Расчётное напряжение тиристора, В:
,
где
КЗU = 1.3 - коэффициент запаса по напряжению, учитывающий
возможное перенапряжение;
-
коэффициент запаса по напряжению;
максимальное
значение ЭДС преобразователь при α=0.
Номинальный
ток тиристора IТн ³ IdT.
Проверка
выбранного тиристора при внешнем коротком замыкании на устойчивость.
Ток
короткого замыкания, А:
Проверка тиристора на устойчивость, как
.
Класс
тиристора - 3, характеризующий величину рабочего напряжения. Определяется
делением
на 100.
Повторяющееся
напряжение выбранного тиристора должно быть не менее расчетного.
Выбран тиристор по номинальному току типа Т-500, основные параметры
которого сведены в таблицу 3
Таблица 3
Технические данные силового тиристора Т-500
|
Предельный ток Iпт, А
|
Ударный ток Iуд,
А при 125 °С
|
Повторяющееся напряжение Uпт, В
|
Ток управления Iу, мА
|
Напряжение управления Uу, В
|
|
|
|
|
|
|
500
|
7000
|
100-1600
|
400
|
7
|
3.3 Выбор уравнительного реактора
Уравнительные реакторы применяют для ограничения уравнительного тока в
реверсивных схемах с совместным управлением выпрямительной и инверторной
группами тиристоров.
Индуктивность уравнительного контура, необходимая для ограничения
уравнительного тока, Гн:
,
Где
В,
-
расчетный коэффициент (для трехфазных мостовых схем),
А
Величина
уравнительного тока ограничивается суммарной индуктивностью уравнительных
дросселей и индуктивностями рассеяния обмоток трансформатора уравнительного
контура. Следовательно, индуктивность уравнительных дросселей, необходимая для
ограничения уравнительного тока на заданном уровне:
,Гн
Выбираем ограничивающий реактор следующего типа: РОС-32/0.5 основные
параметры которого сведены в таблицу 4
Таблица 4
Технические данные уравнительного реактора РОС-32/0.5
|
Тип
|
Номинальное напряжение, В
|
Номинальный ток, А
|
Уравнительный ток, А
|
Номинальная индуктивность, мГн
|
|
РОС-32/0,5
|
400
|
160
|
14.5
|
40
|
.4 Выбор сглаживающего реактора
Пульсации выпрямленного напряжения приводят к пульсациям тока нагрузки,
увеличивающим нагрев электродвигателя, и ухудшают его коммутацию. Величина
пульсаций тока зависит от схемы выпрямления, угла управления и индуктивности
контура нагрузки. С целью уменьшения пульсаций тока и расширения зоны темной
коммутации двигателей в цепь нагрузки включают сглаживающие дроссели.
Максимальное значение угла управления:
где
D = 20 - заданный диапазон регулирования частоты
вращения двигателя;
-
сопротивление якорной цепи двигателя;
-
сопротивление выбранного шунта таблица 5
Таблица 5
Технические данные шунта калибровочного стационарного
|
Тип
|
Номинальный ток Iнш, А
|
Падение напряжения ∆Uнш, мВ
|
Номинальное сопротивление Rщ, мкОм
|
|
|
|
|
|
75 ШСМ
|
100
|
75
|
750
|
Активное сопротивление тиристорного преобразователя, Ом:
,
где
Rтр - сопротивление трансформатора, приведенное к цепи
постоянного тока.
.4.1
Реактор для сглаживания пульсаций тока
Пульсации
выпрямленного напряжения приводят к пульсациям тока нагрузки, который
увеличивает нагрев электродвигателя и ухудшает его коммутацию. Величина
пульсаций тока зависит от схемы выпрямления, угла управления и индуктивности
контура нагрузки. Для машин малой мощности допустимый уровень пульсаций тока
якоря составляет
.
Требуемая
индуктивность цепи выпрямленного тока, Гн:
,
где
- относительная величина действующего значения первой
гармоники выпрямленного напряжения при максимальном угле управления:
Требуемая индуктивность сглаживающего реактора, Гн:
.
Т.к.
, то сглаживающий реактор не нужен.
3.4.2 Реактор для ограничения тока через тиристоры при коротком замыкании
на стороне постоянного тока
Для ограничения скорости нарастания аварийного тока до момента
срабатывания защитных устройств в цепь нагрузки включается реактор,
индуктивность которого определяется из выражения:
Т.к.
, то сглаживающий реактор для ограничения тока через
тиристоры при коротком замыкании на стороне постоянного тока не нужен.
Окончательный выбор сглаживающего реактора на стороне выпрямленного тока
Индуктивность
сглаживающего реактора
должна быть больше или равна наибольшей из
рассчитанных. Т.к. каждый из трёх рассчитанных ректоров не нужен, то и
результирующий реактор не целесообразно использовать.
3.5 Выбор и расчет элементов защит
.5.1 Защита от коротких замыканий и перегрузки
В тиристорных преобразователях малой и средней мощности (до 1000 А при
напряжениях постоянного тока 230 и 460 В) для защиты от внешних коротких
замыканий и опрокидывания инвертора применяют, как правило, автоматические
выключатели серии А3700, устанавливаемые на стороне постоянного тока. При
питании преобразователя от сети с напряжением до 380 В эти выключатели
устанавливают со стороны переменного тока для защиты не только вентилей, но и
трансформаторов и токоограничивающих реакторов.
Уставки защит автоматического выключателя, установленного на первичной
стороне силового трансформатора рассчитывают следующим образом.
Установившееся значение тока короткого замыкания:
,
где
- номинальный ток первичной обмотки силового
трансформатора, А;
-
коэффициент трансформации выбранной семы трансформатора (схема Ларионова).
Ток
уставки электромагнитного расцепителя автоматического выключателя выбирается из
условия:
Ток
уставки теплового расцепителя, А:
Ток
плавкой вставки предохранителей для защиты двигателей постоянного тока от
коротких замыканий:
Таблица 6
Технические данные быстродействующего предохранителя ПНБ-5
|
Тип
|
Падение напряжения сети, В
|
Номинальное постоянное напряжение, В
|
Номинальный ток, А
|
|
|
|
|
|
ПНБ - 5 - 380/250
|
380
|
440
|
125
|
Таблица 7
Технические данные автоматического выключателя серии3700
|
Тип
|
Номинальное напряжение, В
|
Номинальный ток электромагнитного расцепителя , АНоминальный ток уставки
теплового расцепителя Время отключения, с
|
|
|
|
|
|
|
|
|
А3710Б
|
постоянное
|
переменное
|
80
|
1.25 Iн
|
0.1-0.4
|
|
440
|
660
|
|
|
|
3.5.2 Защита тиристоров от перенапряжений
В УВП различают перенапряжения внутренние (коммутационные) и внешние (при
разрыве цепи выпрямленного тока и включения или отключении ненагруженного
трансформатора).
Защиту тиристоров от коммутационных перенапряжений осуществляется
включением параллельно вентилям индивидуальных R - C
цепочек (рисунок 2).
R = 20
Oм, C = 0.4 мкФ.
Рисунок
2. Индивидуальные R - C цепочки
Защита
от коммутационных перенапряжений осуществляется включением R - C
цепочек на входных шинах преобразователя при помощи трёхфазного мостового
выпрямителя, нагруженного на R - C цепь, с шунтирующим емкость высокоомным разрядным
сопротивлением (рисунок 3).
Рисунок
3. Трёхфазный мостовой выпрямитель, нагруженный на R - C
цепь
Параметры
емкости и сопротивления:
R = 20 kOм, C =
100 мкФ.
4. Статические характеристики и передаточные функции
элементов разомкнутой системы электропривода
4.1 Система импульсно-фазового управления
В современных управляемых вентильных преобразователях наибольшее
распространение получили полупроводниковые системы импульсно-фазового
управления (СИФУ) с вертикальным принципом управления.
Основные требования к СИФУ:
· амплитуда тока управляющего импульса 0.2¸0.4 А;
· ширина управляющего импульса 10¸15° электрических;
· крутизна переднего фронта импульса не менее 10 А/с;
· диапазон регулирования фазы 150°¸160° электрических;
· высокое быстродействие.
Функциональная схема СИФУ с вертикальным принципом управления приведена
на рисунке 4. Генератор опорного напряжения (ГОН), синхронизирующий с
напряжением сети, формирует опорное напряжение Uо. Последнее сравнивается с управляющим напряжением на входе
СИФУ. В момент их равенства генератор импульсов (ГИ) формирует управляющие
импульс Uи, подаваемый на управляющий электрод тиристора.
Рисунок
4 Функциональная схема СИФУ
Генератор опорного напряжения (ГОН), синхронизированный с напряжением
сети, формирует опорное напряжение Uо. Последнее сравнивается с управляющим напряжением на входе СИФУ. В
момент их равенства генератор импульсов (ГИ) формирует управляющий импульс Uи, подаваемый на управляющий электрод
тиристора.
Вид регулировочной характеристики СИФУ a = f (Uу) и управляемого преобразователя Ed = f (Uу) зависит от формы опорного
напряжения.
Рисунок 5 Синусоидальное опорное напряжение
Выбираем синусоидальное опорное напряжение и рассчитывается для него
характеристика по нижеприведенным формулам, результаты сведены в таблицу
8.Опорное напряжение и напряжение управления рассчитывается по формулам:
,
где
- максимальное значение опорного напряжения.
Таблица 8
Данные регулировочной характеристики СИФУ
|
a
|
0°
|
30°
|
45°
|
60°
|
90°
|
|
Uу
|
10
|
8.66
|
7.07
|
5
|
0
|
Пользуясь рассчитанными значениями можно построить регулировочные
характеристики СИФУ:
На рисунке 6 показана регулировочная характеристики a=f(Uу)
Рисунок
6 Регулировочная характеристика СИФУ
.2
Регулировочная характеристика силового преобразователя
Характеристики
управляемых вентильных преобразователей различны в зависимости от вида
нагрузки, схем силовой части и СИФУ.
При
совместном согласованном управлении группами вентелей режим прерывистого тока
отсутствует, то уравнение регулировочной характеристики силовых схем имеет вид,
во всем диапазоне регулирования:
Ed = Ed0×cosa.
Расчеты
регулировочной характеристики сведены в таблицу 9. сама характеристика
приведена на рисунке 7.
Таблица 9
Данные регулировочной характеристики
|
a
|
0°
|
30°
|
60°
|
90°
|
120°
|
150°
|
180°
|
|
Ed
|
254.68
|
220.56
|
127.39
|
0
|
-127.39
|
-220.56
|
-254.68
|

4.3 Передаточный коэффициент преобразователя.
Передаточный коэффициент управляемого выпрямителя определяется по
формуле:
Регулировочная характеристика управляемого вентильного преобразователя с
синусоидальным опорным напряжением приведена на рисунке 8
Рисунок 8 Регулировочная характеристика ТП
4.4 Расчет внешней характеристики
Внешние характеристики управляемого вентильного преобразователя зависят
от схемы силовой части преобразователей и вида нагрузки.
В общем случае уравнение внешних характеристик Ud = f (Id) имеет вид:
Uda = Eda - RтпId,
где Rтп - эквивалентное сопротивление преобразователя, Ом:
Результаты расчетов сведены в таблицу 10.
Таблица 10
Данные внешней характеристики
|
a
|
8°
|
30°
|
60°
|
77.6°
|
102.4°
|
120°
|
150°
|
172°
|
|
Uda
|
Id = 0
|
252.2
|
220.56
|
127.34
|
54.69
|
-54.69
|
-127.34
|
-220.56
|
-252.2
|
|
Idн = ±82
|
225.23
|
193.58
|
100.36
|
27.71
|
-27.71
|
-100.36
|
-193.58
|
-225.23
|
Рисунок 9. Внешние характеристики УВП
Здесь
-
минимальный угол управления для гарантированного включения всех вентилей
фронтом управляющего импульса. Выбран достаточно маленький ввиду не большой
мощности выпрямителя.
- угол
дрейфа системы;
- угол
восстановления запирающих свойств тиристора.
4.5 Расчет электромеханической характеристики
Уравнение электромеханической характеристики двигателя в режиме
непрерывного тока:
ω = ω 0 - KдRpId,
где ω 0 = KдEda - частота вращения идеального
холостого хода двигателя;
Кд = 1/С = 0.52 - передаточный коэффициент двигателя, В-1С-1;
С = 1.93 - конструктивный коэффициент электродвигателя;
Rp - расчетное значение сопротивления якорной цепи в системе
“Преобразователь-двигатель”, Ом:
Rp = Rтп + Rяд + Rщ = 0.279 + 0.215 + 0.00075 = 0.5,
где Rтп - эквивалентное сопротивление
силового преобразователя;
Rяд - приведенное к рабочей температуре
сопротивление якорной цепи двигателя;
Rщ - сопротивление шунта.
Уравнение электромеханической характеристики двигателя имеет вид, С-1:
ω = Кд×Ed0×cosa - KдRpId
Результаты расчета электромеханической характеристики двигателя и
граничного тока сведены в таблицу 11.
Таблица 11
Данные электромеханической характеристики
|
a
|
8°
|
30°
|
60°
|
77.6°
|
102.4°
|
120°
|
150°
|
172°
|
|
w
|
Id = 0
|
130.5
|
114.12
|
65.89
|
28.3
|
-28.3
|
-65.89
|
-114.12
|
-130.5
|
|
Id = 82
|
109.3
|
92.9
|
44.67
|
7.1
|
-7.1
|
-44.67
|
-92.9
|
-109.3
|
Рисунок 10. Электромеханические характеристики двигателя
4.6 Расчет постоянных времени электропривода
Электромагнитная постоянная времени якорной цепи системы
“Преобразователь-двигатель”, с:
Расчетное
значение момента инерции привода, кг×м2
Jр = Jя + Jмех = 0.3 + 0.12 = 0.42,
где
Jя - момент
инерции якоря двигателя;
Jмех - приведенный к валу двигателя момент инерции
нагрузки, кг×м2
Jмех = J*×Jя = 0.4×0.3 =0.12,
где
J* -
относительное значение момента инерции (задано).
Электромеханическая
постоянная привода, с:
.
Аналогичные значения постоянных времени цепи отдельно двигателя и УВП
равны:
двигатель преобразователь силовой электропривод
4.7 Передаточные функции элементов разомкнутой системы
электропривода
Передаточные
функции ДПТ получена на основании постоянства потока двигателя и постоянной
нагрузке на валу. При таких условиях ДПТ эквивалентен колебательному звену.
Т.к.
, то ПФ примет вид:
,
ПФ
УВП без учета фильтрующих свойств:
,
где
- среднестатистическое время чистого запаздывания.
ПФ
УВП с учетом фильтрующих свойств:
,
где
- эквивалентная постоянная времени УВП совместно с
СИФУ;
- постоянная времени фильтра на входе СИФУ.
5. Расчет
элементов замкнутой системы электропривода
.1 Принципы построения системы регулирования
В электроприводе применяют дна наиболее распространенных принципа
построения систем регулирования, показанные на рис. 11.
Рисунок 11 Структурные схемы замкнутых систем на основе суммирующего
усилителя (а) и подчиненного регулирования (б): Р - регулятор; PC, РТ - регуляторы скорости и тока; П
- преобразователь; Д двигатель; Хз - задающее воздействие; Xр, Xрс,: Хрт - выходные координаты соответствующих регуляторов; ω,
Id - угловая скорость и ток двигателя;
ТО - токовая отсечка.
Системы управления электроприводами (СУЭП) на основе
суммирующего усилителя (рис. 11, а) нашли широкое применение из-за их простоты,
удовлетворительных показателей в статических и динамических режимах работы
привода. Обычно по такой структуре выполняются системы управления приводом
относительно небольшой мощности (единицы, десятки киловатт) при относительно
небольших диапазонах регулирования скорости (D = 50-100) и отсутствии жестких требований к качеству
переходных процессов.
Недостатком СУЭП с суммирующим усилителем является то,
что при наличии одного регулятора (усилителя) невозможно осуществить
оптимальное регулирование координат электропривода. Поэтому в последнее время
распространены системы подчиненного регулирования (СПР, рис. 11, б), имеющие
ряд преимуществ: простота расчета и наладки, легкость ограничения любой
регулируемой координаты привода, возможность построения системы управления на
основе унифицированных блоков (УБСР-АИ). Однако и эта система имеет недостаток,
связанный со снижением быстродействия замкнутой системы при увеличении числа
регулируемых координат привода.
5.2 Расчет параметров систем управления
электроприводами с суммирующим усилителем
В зависимости от требований к жесткости механических
характеристик в СУЭП с суммирующим усилителем могут применяться различные
комбинации отрицательных и положительных обратных связей. Наиболее часто
применяются: отрицательная обратная связь (ООС) по скорости; ООС по напряжению
преобразователя с добавлением при необходимости положительной обратной связью
(ПOC) по току якоря; ООС по скорости в
комбинации с ПОС по току якоря. Для формирования переходных процессов в приводе
при наличии указанных ООС и их комбинаций применяются отсечка по скорости, току
якоря, а также упреждающее токоограничение. Предварительно указанные ООС либо
их комбинации выбирают на основе данных задания или по согласованию с
руководителем. В процессе расчета проверяют возможность выбранной ООС для
обеспечения данных задания и техническую реализуемость выбранной ООС.
5.3 Расчет системы управления с ООС по скорости
Структурная схема системы управления с отрицательной обратной связью по
скорости изображена на рисунке 12.
Рисунок 12. Структурная схема стабилизации скорости с ООС по скорости
Уравнение электромеханической характеристики для данной системы:
,
где
- перепад скорости в разомкнутой системе,
- задающее напряжение, пропорциональное заданию на
скорость двигателя.
Требуемый
коэффициент усиления системы в разомкнутом состоянии:
,
где
и
-
статизм скоростных характеристик в замкнутой и разомкнутой системах.
Коэффициент
ОС по скорости, определяющий величину задающего напряжения:
,
где
- максимальное задающее напряжение;
-
максимальная скорость идеального холостого хода.
Передаточный
коэффициент усилителя:
.
В
дальнейших расчетах примем
.
5.3.1 Расчет задержанной обратной связи по току
Обратные связи с отсечками широко применяются в СУЭП с суммирующим
усилителем для формирования требуемых переходных процессов. При жестких
требованиях к стабильности тока якоря (момента) в переходных режимах применяют
отсечку по скорости и току либо упреждающее токоограничение, в остальных
случаях используют обычно отсечку по току.
При
работе привода в режиме, когда действуют ООС по скорости и ООС по оттоку (
), можно записать:
Для
режима стопорения (ω
= 0) входное напряжение преобразователя
равно:
Напряжение
(ЭДС) УВП в режиме стопорения:
Коэффициент
отсечки:
,
где
Напряжение
сравнения:
Граничная
ЭМХ:
ЭМХ
замкнутой системы для первого участка:
На втором участке:
Для
нижней
уравнение ЭМХ определяется из уравнения для
идеального холостого хода при
:
Численные
данные вышеприведенных уравнений сведены в таблицу 11, и построен график
изображенный на рисунке 13.
Таблица 11
Данные ЭМХ
|
I
|
0
|
50
|
100
|
131.2
|
164
|
170
|
|
140.5
|
127.56
|
114.62
|
106.55
|
98.06
|
96.5
|
|
|
105.08104.93104.78104.690-
|
|
|
|
|
|
|
Рисунок 13. Электромеханическая характеристика замкнутой системы
.3.2 Проверка устойчивости СУЭП
В основу синтеза СУЭП с суммирующим усилителем положены, в первую
очередь, показатели статического режима работы электропривода, в частности,
требуемый статизм механических характеристик. Поэтому после определения
параметров системы, обеспечивающих выполнение требований к статическому режиму
работы, необходимы проверка динамических показателей электропривода и коррекция
динамики привода.
Для
использования алгебраических критериев устойчивости необходимо знать ПФ
замкнутых систем по заданию
-
входная величина
и по возмущению
-
входная величина
.
ПФ
имеют вид:
Здесь
для общности выводов УВП вместе с промежуточным усилителем представлен одним
звеном с ПФ
.
Проверка
ПФ замкнутых СУЭП на устойчивость с помощью алгебраического критерия Гурвица.
=
отсюда
.
Из
условия устойчивости этого метода:
,
- выполняется;
- не
выполняется, следовательно, система не устойчива. Для придания системе
устойчивости необходимо использовать корректирующее устройство.
Отсюда
Из
условия устойчивости этого метода:
,
- выполняется;
- не выполняется,
следовательно, система не устойчива.
.3.3
Коррекция динамических показателей систем управления с суммирующим усилителем
Желаемая ПФ разомкнутой системы с последовательным корректирующим
устройством:
,
где
- ПФ по управлению нескорректированной системы;
- ПФ КУ.
ЛАЧХ
КУ находится на основании желаемой ЛАЧХ, построенной по заданным показателям
качества регулирования σ
и tпп. Заменяя в
последнем уравнении оператор Лапласа p на jω и логарифмируя, получим:
.
Для построения желаемой ЛАЧХ по номограмме Солодовникова принято исходя
из заданного перерегулирования σ=32%:
Р
=1,3,
,
=
=18.849 с
,
где
0.8 (из условий задания). Так же из диаграммы выбрано
предельное значение логарифмических амплитуд
Дб.
После
определения необходимых параметров, на графике строятся прямые равные
предельному значению логарифмических амплитуд
Дб, а
так же наносится на ось частоты значение
=18.849 с
(
Строится
низкочастотная область, которая определяет статические свойства разомкнутой
системы. До частоты
=3.76 с
низкочастотная асимптота ЛАЧХ является прямой исходя из упрощения КУ. После
частоты
=3.76 с
прямая в
низкочастотной области совпадает с прямой среднечастотной области.
Далее
через частоту среза
=18.849 с
(
), в границах
,
проводится прямая с наклоном -20 Дб/дек, которая является среднечастотной областью
сопряженная с низкочастотной областью. Среднечастотная область определяет
динамические свойства системы - устойчивость и показатели качества переходной
характеристики.
Высокочастотная
асимптота желаемой ЛАЧХ мало влияет на свойства системы. Асимптота начинается с
точки пересечения
и среднечастотной асимптоты. Наклон взят -60 Дб/дек,
т.к при таком наклоне корректирующее устройство будет наиболее простым.
ЛАЧХ
для корректирующего устройства определяется как разница ЛАЧХ неизменяемой части
системы и желаемой ЛАЧХ. После вычета соответствующих графиков получилась
кривая, показанная на нижеприведенном рисунке.
Рисунок
14. ЛАЧХ разомкнутой системы
По ЛАЧХ корректирующего устройства определяется её передаточная функция.
Коэффициент усиления определён из точки пересечения данной ЛАЧХ и оси L(ω):
К=
Низкочастотной
совместно со среднечастотной асимптоте ЛАЧХ корректирующего устройства
соответствует апериодическое звено:
Для
остальной части ЛАЧХ КУ, где асимптота идёт параллельно оси
, соответствует передаточная функция форсирующего
звена:
,
где
постоянная времени
определяется по графику ЛАЧХ корректирующего
устройства, а именно по точке излома этой:
Аналогично
определяется
В
итоге передаточная функция корректирующего устройства примет вид:
Скорректированная
ЛАЧХ разомкнутой системы имеет вид (рисунок 15) по задающему воздействию:
Рисунок
15. ЛАЧХ скорректированной разомкнутой системы
Проверка
ПФ замкнутой скорректированной СУЭП на устойчивость с помощью алгебраического
критерия Гурвица аналогично п. 5.3.2:
Отсюда
Из
условия устойчивости этого метода:
,
- выполняется;
- выполняется,
следовательно, система устойчива.
Определение
параметров КУ.
Т
, примем С=1мкФ, тогда:
R
=
;
.
Тогда
R
=266 кОм - R
= 266 - 47=218 кОм.
Выбрана
ёмкость МБМ-160-1-1×МF
Резистор
R
- ОМЛТ-0.25-47 кW±10%
Резистор
R
- ОМЛТ-0.25-220 кW±10%
На
рисунке 16 показана структурная схема КУ.
Рисунок
16. структурная схема КУ устройства
Показатели
качества:
· время переходного процесса
tп =
· время достижения максимума
· запас устойчивости по фазе определен графически из рисунка 17
Рисунок
17 ЛФЧХ скорректированной системы
,
· запас устойчивости по амплитуде определен графически из рисунка 17
· перерегулирование
Все
показатели удовлетворяют условиям качества системы.
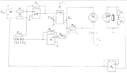
5.3.4 Расчет элементов управления с суммирующим усилителем
Функциональная схема системы управления с суммирующим усилителем при
действии обратной связи по скорости и отсечкой потоку приведена на рисунке 18.
Рисунок 18. Функциональная схема СУЭП
Исходными
данными для расчета элементов СУЭП с суммирующим усилителем AW
является для ООС по скорости -
.
5.3.4.1
Расчет цепи главной обратной связи системы
Номинальный
коэффициент передачи тахогенератора встроенного в выбранный двигатель:
,
где
- номинальное напряжение тахогенератора;
-
номинальная угловая скорость вращения вала тахогенератора.
Коэффициент
передачи резисторного делителя выходного напряжения газогенератора:
Сопротивления
делителя:
,
где
- выбрано самостоятельно.
Коэффициент
обратной связи:
,
где
- выбрано самостоятельно.
5.3.4.2 Расчет цепи токовой отсечки
Коэффициент
усиления промежуточного усилителя
:
Сопротивление
отсечки, Ом:
, т.к.
.4 Расчет параметров систем подчиненного регулирования
В настоящее время созданы и внедрены унифицированные структуры СПР для
электроприводов механизмов, работающих в режиме пуска, торможения и реверса, а
так же в режиме автоматической стабилизации скорости. СПР является
многоконтурной с каскадным включением регуляторов, количество которых
соответствует числу регулируемых координат электропривода.
Достоинство СПР:
контроль и ограничение выходной величины каждого из контуров путем
ограничения выхода регулятора внешнего (предыдущего) контура;
применение унифицированных узлов и блоков, с помощью которых может быть
построена любая структурная схема СПР электропривода;
использование быстродействующих статических преобразователей, применение
которых в сочетании с унифицированной блочной системой регулирования значительно
повышает качественный уровень электропривода;
ввиду небольшого качества унифицированных элементов и каскадности
включения регуляторов каждый контур настраивается в отдельности, что
значительно облегчает наладку и эксплуатацию электроприводов.
Структурная схема разомкнутой системы тиристорного привода изображена на
рисунке 19.
Рисунок 19. Структурная схема силовой части электропривода
5.4.1 Синтез контура тока
В большинстве систем подчиненного регулирования контур тока является
первым внутренним, поэтому от выбора величины не компенсируемой постоянной
времени этого контура будет зависеть быстродействие системы регулирования.
Uзс Uзт Uу Еп I Iст I ω
Объект регулирования контура тока состоит из УВП, якорной цепи двигателя
и обратной связи по току. Его ПФ имеет вид:
где
Кт - передаточный коэффициент обратной связи по току, В/А.
Желаемая
передаточная функция разомкнутого контура тока при настройке его на модульный
оптимум:
Передаточная
функция регулятора тока при настройке системы на модульный оптимум:
Данному
уравнению соответствует ПИ регулятор.
Roc CocRзт
Uзт А Uрт(Uу)Rт
Рисунок 20. Схема ПИ - регулятора
Параметры регулятора:
· постоянная времени цепи обратной связи:
· постоянная времени интегрирования:
· сопротивление Rзт, Ом:
,
где
Сос = 1мкФ - выбрано самостоятельно.
Отсюда
Передаточный коэффициент цепи обратной связи по току:
.
ПФ
замкнутого контура тока:
5.4.2 Синтез контура частоты вращения
Объект регулирования КС состоит из замкнутого контура тока, механической
части привода и ОС по скорости. Его ПФ имеет вид:
Желаемая
ПФ разомкнутого КС:
ПФ
РС:
Уравнению
ПФ КС соответствует П - регулятор с передаточным коэффициентом
Сопротивление Rзс = 30 кОм и Rос = 60 кОм выбраны самостоятельно.
Выбираем резистор ОМЛТ-0.5-30 кW±10% и ОМЛТ-0.5-60 кW±10%
Сопротивление Rс:
СТ
СТ
Roc
А Uoc(Uизм)
Rс
Рисунок 21. П - регулятор скорости
Данная система регулирования скорости называется однократно
интегрирующей.
В системах ЭП по условиям коммутации и допустимым моментам, ток двигателя
не должен превышать некоторого максимального значения I £ Iдоп. Для этого ОУ охватывается ОС через нелинейные элементы -
два стабилизатора.
Выбраны стабилизаторы типа КС510А
1) напряжение стабилизации - 10 В
2) максимальный ток - 79 мА
ПФ замкнутого контура скорости:
Статическая
точность регулирования:
Относительное
изменение скорости вращения двигателя, %:
.
Т.к.
условие
выполняется, то однократноинтегрирующяя система
подходит.
5.4.3 Расчет статических и динамических характеристик СПР
Статические ЭМХ в однократноинтегрирующей СПР строятся по уравнению:
Так
как для СПР
, то при токе
ЭМХ
претерпевает излом под углом 90°.
Численные
данные расчета сведены в таблицу 13, и построен график изображенный на рисунке
22
Таблица 13
Данные ЭМХ
|
I050100131.2164170
|
|
|
|
|
|
|
|
140.5
|
127.56
|
114.62
|
106.55
|
98.06
|
96.5
|
|
|
105.08104.93104.78104.69--
|
|
|
|
|
|
|
Рисунок 22. Электромеханическая характеристика замкнутой системы
Переходные процессы при скачкообразном воздействии по управлению Uзс:
При
ударном приложении нагрузки:
Изменяя
время t от 0 до 0.4 с, получим графики переходных процессов
скорости и тока:
Рисунок
23. Переходные процессы по скорости
Рисунок
24. Переходные процессы по току
Данные
переходные процессы построены при небольших возмущениях по управления и
нагрузке, когда регуляторы тока и скорости не заходят в область ограничения
выходных сигналов. Так же в данном анализе переходных процессов не было учтено
влияние ЭДС двигателя. Более точное исследование переходных процессов
производится на ЭВМ.
.5 Влияние ЭДС двигателя на динамику процессов в СПР
При определенных соотношениях параметров СПР влияние ЭДС двигателя на
переходные процессы достаточно велико и должно учитываться при настройке
регуляторов.
Уменьшить
влияние ЭДС на динамику электропривода можно так при помощи сигнала
компенсации. Для этого параллельно с сигналом обратной связи по току на вход
регулятора тока подается ПОС по ЭДС двигателя через компенсирующее звено с ПФ,
обратной ПФ регулятора тока
:
.
5.5 Моделирование переходных процессов на ЭВМ
Моделирование процессов производится в MatLab.
Построение моделей контуров осуществлено со следующими допущениями:
· влияние внутренней обратной связи по ЭДС на токовый контур не
учитывается;
· УВП описывается апериодическим звеном 1-го порядка;
· параметры объекта управления неизменны во времени;
· все элементы модели представлены в виде линейных ПФ;
· работа системы осуществляется без нагрузки;
· режим прерывистого тока отсутствует или пренебрежимо мал по
длительности.
5.5.1 Моделирование контура тока
Модель такого контура приведена ниже.
Рисунок 25. Модель ЗКТ
На рисунке 25 приведена модель ЗКТ (обозначена пунктиром). Так же
приведена вариация параметров, для изучения их влияния на процессы.
Рисунок 26. График переходного процесса в контуре тока, настроенном на
модульный оптимум
Вывод: увеличение постоянной времени Тос приводит к снижению времени
переходного процесса, при этом возрастает колебательность системы . В то время
как увеличение Ти приводит к обратному эффекту (Время ПП увеличивается).
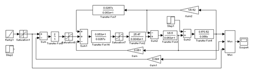
5.5.2 Моделирование контура скорости
Модель такого контура приведена ниже.
Рисунок 27. Модель ЗКТ
Рисунок 28. График переходного процесса в контуре скорости, настроенном
на модульный оптимум
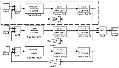
5.5.3 Моделирование контура скорости с нелинейными элементами
(ограничителями) и влиянием нагрузки
Модель СПР тока и скорости электропривода постоянного тока приведена на
рисунке 29.
Графики переходных процессов с ПОС по ЭДС и без нее изображены на рисунке
30.
Из графика переходного процесса с ПОС по ЭДС можно заметить что учет
влияние ЭДС приводит к колебательности переходных процессов.
Вариации параметров Тя и Тм показаны на рисунке 31. из результатов
моделирования можно сделать вывод, что изменение постоянной времени Тя
практически не влияет на переходный процесс (это влияние можно заметить при
сильном увеличении графика ПП). При этом увеличение Тм ведет к увеличению
времени переходного процесса, т.е. затягивается сам процесс во времени.
Рисунок 29. Модель СПР тока и скорости электропривода постоянного тока
Рисунок 30. Переходных процессов с ПОС по ЭДС и без нее
Литература
1. Лазовский
Н.Ф., Пахомов А.Н. Системы управления ЭП: Учебное пособие, КГТУ,2005 г.
. Башарин
А.В., Голубев Н.В., Каперлык Б.Г. Примеры расчетов автоматизированного ЭП Л.
Энергия, 1972 г.
. Лазовский
Н.Ф., Титович В.И. Системы управления ЭП: Учебное пособие ч.1,КГТУ,1989 г.
. Лазовский
Н.Ф., Титович В.И. Автоматическое управление ЭП: Уч.
Пособие,
КГТУ, Красноярск, 1984 г.