|
№ варианта
|
21
|
|
Ток нагрузки, А
|
500
|
|
Максимальное напряжение
нагрузки, В
|
220
|
|
Схема силовой части
|
Коммутатор переменного
напряжения
|
|
Нагрузка
|
активно- индуктивная
|
|
Вариант охлаждения
тиристоров
|
водяной
|
|
Вид подключения
преобразователя к сети
|
реакторное
|
|
Напряжение сети, В
|
380
|
|
Частота сети, Гц
|
50
|
СОДЕРЖАНИЕ
ВВЕДЕНИЕ
. РАЗРАБОТКА
ПРИНЦИПИАЛЬНОЙ СХЕМЫ СИЛОВОЙ ЧАСТИ КОММУТАТОРА
.1 Разработка
принципиальной схемы силовой части коммутатора
.2 Расчет
параметров и выбор элементов силовой части коммутатора
. РАЗРАБОТКА
ПРИНЦИПИАЛЬНОЙ СХЕМЫ СИСТЕМЫ УПРАВЛЕНИЯ КОММУТАТОРОМ
.1 Выбор
блок-схемы системы управления коммутатором
.2 Разработка
принципиальной схемы каждого блока системы управления
ЗАКЛЮЧЕНИЕ
СПИСОК
ИСПОЛЬЗОВАННЫХ ИСТОЧНИКОВ
ПРИЛОЖЕНИЕ
ВВЕДЕНИЕ
Управляемые преобразователи электрической энергии нашли широкое
применение в промышленных предприятиях. Инженерно-технический персонал,
деятельность которого связана с преобразовательной техникой, должен обладать
знаниями в области расчета и проектирования силовой части и систем фазового
управления тиристорными преобразователями. Целью курсового проекта является
подготовка студентов к самостоятельному использованию знаний, полученных при
изучении теоретического курса «Преобразовательная техника».
Управляемые преобразователи имеют высокую надежность, просты в
эксплуатации, имеют высокие технико-экономические показатели и нашли широкое
применение в промышленности. Коэффициент полезного действия преобразователей
весьма высок и составляет более 95%. К недостаткам тиристорных преобразователей
следует отнести - искажение синусоидальной формы напряжения источника питания,
что негативно сказывается на характеристиках других потребителей подключённых к
этому же источнику электроэнергии.
Электроприводы по системе тиристорный преобразователь-двигатель имеют
следующие достоинства:
силовой тиристорный преобразователь исключает электрические
инерционности, вносимые цепями возбуждения и якоря генератора, поэтому
повышается быстродействие, которое ограничивается главным образом
коммутационной способностью и механической инерционностью привода;
электропривод довольно прост и безопасен в работе;
электропривод требует минимального обслуживания;
номинальный КПД преобразователя превышает 95%;
малые габариты, масса, блочная компоновка позволяет сократить требуемые
производственные площади, уменьшить капитальные затраты и расходы на установку
и эксплуатацию.
В то же время свойственны недостатки:
значительные пульсации на выходе преобразователя порождают проблемы
нагрева и коммутации; для улучшения формы кривой выпрямленного тока, как
правило, требуется установка сглаживающих реакторов;
перегрузочная способность ТП ниже, чем мотор-генераторного
преобразователя;
- при работе ТП искажается форма напряжения в сети переменного тока, как
правило, комплектуются сложными аналоговыми или цифровыми системами управления.
В данном курсовом проекте рассматривается создание коммутатора
переменного напряжения (КПН). Функциональным назначением КПН является
преобразование переменного напряжения с постоянной частотой и амплитудой в
регулируемое по амплитуде переменное напряжение с неизменяемой частотой.
Область применения КПН:
организация пусковых и тормозных режимов асинхронных электродвигателей
(ЭП) с короткозамкнутым ротором работающих на вентиляторную нагрузку.
Вентиляторная нагрузка характерна малым пусковым током;
управление температурными режимами нагревательных элементов;
управление освещенностью в осветительных установках (галогенные
нагреватели, лампы накаливания).
Улучшить технико-экономические показатели можно применив современные
микропроцессорные системы управления, которые позволят в полной мере
использовать высокие регулировочные возможности тиристорного преобразователя.
1 РАЗРАБОТКА ПРИНЦИПИАЛЬНОЙ СХЕМЫ СИЛОВОЙ ЧАСТИ КОММУТАТОРА
1.1 Разработка принципиальной схемы силовой части коммутатора
Согласно варианту в качестве силовой части преобразователя используется
трехфазный коммутатор переменного напряжения, принципиальная схема которого
показана на рисунке 1.
.2 Расчет параметров и выбор элементов силовой части коммутатора
.2.1 Расчет и выбор силовых тиристоров
Расчет элементов силовой части коммутатора начнем с выбора силовых
вентилей. Максимальное напряжение закрытого состояния тиристора найдем по
формуле
,
где
- максимальное (действующее) значение напряжения на
нагрузке (фазное);
-
коэффициент запаса, принимаем равным 1,2.
Тогда
максимальное напряжение закрытого состояния тиристора будет равно
.
Максимальный
ток открытого состояния тиристора найдем по формуле
где
- максимальный ток нагрузки, по заданию равен 500 А;
-
коэффициент охлаждения (для водяного охлаждения).
По
справочнику [1] выберем тиристоры, отвечающие заданным требованиям: T153-800
(тиристор силовой унифицированный, низкочастотный). Электрические параметры и
предельные эксплуатационные данные приведены таблице 2 и таблице 3
соответственно.
Таблица
2 - Электрические параметры тиристора Т153-800
|
Наименование параметра
|
Значение
|
|
Импульсное напряжение в
открытом состоянии при Iос, и =
3,14 Iос, ср max, tи = 10мс не более
|
1,9 В
|
|
Пороговое напряжение не
более
|
1,15 В
|
|
Отпирающее постоянное
напряжение управления при Uзс = 12
В не более: Tп = -60
°C, Iу, от =
0,9 А Tп = 125
°C, Iу, от =
0,25 А
|
9 В 3 В
|
|
Неотпирающее постоянное
напряжение управления при Uзс,и =
0,67 Uзс, п, Rу = 20 Ом, Tп = 125 °C не менее
|
0,5 В
|
|
Повторяющийся импульсный
ток в закрытом состоянии при Uзс, и = Uзс,п, Rу = ∞,
Tп = 125
°C не более
|
50 мА
|
|
Ток удержания при Uзс = 12 В, Rу = ∞ не более
|
0,3 А
|
|
Ток включения при Iу,
пр, и = 1 А, diу/dt
= 1 А/мкс, tу = 50
мкс, не более
|
0,7 А
|
|
Повторяющийся импульсный
обратный ток при Uобр, и =
Uобр,п, Rу = ∞, Tп = 125 °C не более
|
50 мА
|
|
Отпирающий постоянный ток
управления при Uзс = 12
В не более Tп = -60
°C Tп = 125
°C
|
0,9 А 0,25 А
|
|
Неотпирающий постоянный ток
управления при Uзс, и =
0,67Uзс, п, Rу = 20 Ом, Tп = 125 °C не менее
|
10 мА
|
|
Время включения при Uзс = 100 В, Iос, и = Iос, ср max, Iу,
пр, и = 1 А, diу/dt
= 1 А/мкс, tу = 50
мкс, не более
|
30 мкс
|
|
Время задержки при Uзс = 100 В, Iос, и = Iос, ср max, Iу,
пр, и = 1 А, diу/dt
= 1 А/мкс, tу = 50
мкс не более
|
10 мкс
|
|
Время выключения при Uзс,
и = 0,67 Uзс, п, duзс/dt
= (duзс/dt)кр,
Uобр, и =
100 В, Iос, и = Iос,
ср max, (diос/dt)сп
= 5 А/мкс, Tп = 125
°C, не более
|
500 мкс
|
|
Время обратного
восстановления при Uобр, и =
100 В, Iос, и = Iос,
ср max, (diос/dt)сп
= 5 А/мкс, Tп = 125
°C, не более
|
30 мкс
|
|
Заряд обратного
восстановления при Uобр, и =
100 В, Iос, и = Iос,
ср max, (diос/dt)сп
= 5 А/мкс, Tп = 125
°C не более
|
1100 мкКл
|
|
Динамическое сопротивление
в открытом состоянии, не более
|
0,34 МОм
|
|
Тепловое сопротивление
переход-корпус, не более
|
0,026 °С/Вт
|
Таблица 3 - Предельные эксплуатационные данные тиристора Т153-800
|
Наименование параметра
|
Значение
|
|
Повторяющееся импульсное
напряжение в закрытом состоянии
|
1000 В
|
|
Неповторяющееся импульсное
напряжение в закрытом состоянии
|
1,12 Uзс,
п В
|
|
Рабочее импульсное
напряжение в закрытом состоянии
|
0,8 Uзс,
п В
|
|
Максимально допустимое
постоянное напряжение в закрытом состоянии
|
0,75 Uзс,
п В
|
|
Повторяющееся импульсное
обратное напряжение .
|
1000 В
|
|
Неповторяющееся импульсное
обратное напряжение
|
1,12 Uобр,
п В
|
|
Максимальное допустимое
постоянное обратное напряжение
|
0,75 Uобр,
п В
|
|
Критическая скорость
нарастания напряжения в закрытом состоянии при Uзс, и = 0,67Uзс, п, Rу = ∞, Tп = 125 °С: группа 4 группа 5 группа 6 группа 7
группа 8
|
200 В/мкс 320 В/мкс 500
В/мкс 1000 В/мкс 1600 В/мкс
|
|
Максимальное допустимый
средний ток в открытом состоянии при f = 50 Гц, β = 180°, Tк = 85 °С
|
800 А
|
|
Максимально допустимый
действующий ток в открытом состоянии при f = 50 Гц, β = 180°, Tк = 85 °С
|
1820 А
|
|
Ударный неповторяющийся ток
в открытом состоянии при Uобр = 0,
tи = 10
мс, Tп =
125°С
|
16000 А
|
|
Защитный показатель при Uобр = 0, tи = 10
мс, Tп = 125
°С
|
3,2 кА2∙с
|
|
Критическая скорость
нарастания тока в открытом состоянии при Uзс, и = Uзс, п, Iос,
и = 2 Iос, ср max, diу/dt
= 1 А/мкс, f = 1-5 Гц, tу = 50 мкс, Tп = 125 °С
|
100 А/мкс
|
|
Минимально допустимый
прямой импульсный ток управления
|
0,5 А
|
|
Максимально допустимый
прямой импульсный ток управления
|
10 А
|
|
Температура перехода
|
От -60 до +125 °С
|
|
Температура корпуса
|
От -60 до +125 °С
|
1.2.2 Расчет и выбор предохранителей
Предохранители F1, F2 и F3 выбираем по току протекающему через вентиль. Так как
амплитудное значение тока, протекающего через вентиль равно амплитудному
значению тока, протекающего через нагрузку. Конструктивные особенности
предохранителей марки (наличие теплового аккумулятора, локального места плавкой
вставки, где происходит значительная концентрация тепла, а также механическое
натяжение плавкой вставки) значительно сокращают время перегорания
предохранителя. В связи с этим ток предохранителя выбираем по амплитудному
значению максимального тока, равному максимальному току открытого состояния
тиристора:
.
Выбираем
марку предохранителя ПП57-3968. Его основные характеристики:
номинальный
ток плавкой вставки - 630 А;
номинальные
потери мощности плавкой вставки - 200 Вт.
.2.3
Расчет и выбор автоматического выключателя
Автоматический
выключатель QF1 выбираем по действующему току, протекающему через
вентиль, с учетом коэффициента запаса:
.
Выбираем
марку автоматического выключателя ВА5139.
Его
основные характеристики:
ток
- 630 А,
размер
-
,
цена
- 20000 тенге.
.2.4
Расчет реакторов
Реакторы
L1, L2 и L3 выбираем по индуктивности и амплитудному значению
максимального тока. Индуктивность находим из соотношения
,
где
- индуктивное сопротивление реактора,
-
угловая частота.
Угловую
частоту найдем по формуле
,
где
- частота сети.
Откуда
индуктивность
.
.
.2.5
Выбор резисторов и конденсаторов
Величина сопротивлений резисторов R1-R3, R7-R9 и их необходимость обусловлены надежностью работы силового
вентиля, их значения регламентированы: сопротивление равно 20 Ом.
Их
марка - C2-33-2-20 Oм
5%.
RC цепи R4-C1, R5-C2, R6-C3
предназначены для обеспечения надежного открывания тиристоров при работе на
активно-индуктивную нагрузку. Емкость конденсаторов рассчитываем по формуле
.
По
справочным материалам выбираем конденсаторы марки
.
Резисторы R3, R4, R7, R8
служат для ограничения прямого тока во время разряда конденсаторов через
прибор. Значение сопротивления их обычно лежит в пределах нескольких единиц или
десятков Ом. Выбираем их марки ПЭВ-10-1,8 Ом±5%.
2 РАЗРАБОТКА ПРИНЦИПИАЛЬНОЙ СХЕМЫ СИСТЕМЫ УПРАВЛЕНИЯ КОММУТАТОРОМ
.1 Выбор блок-схемы системы управления коммутатором
В соответствии с вариантом курсового проекта выбираем блок-схему,
представленную на рисунке 2. Она состоит из трех идентичных систем управления
для каждой фазы.
ИФ - избирательный фильтр, предназначенный для выделения первой гармоники
синусоидального сигнала синхронизации, выполняет функции повышения
помехозащищенности системы управления.
ДППВ - двухполупериодный прецизионный выпрямитель.
ЛЭС1 - логический элемент сравнения, формирующий рабочий фронт в момент
времени, когда опорное напряжение сравнивается с мгновенным значением
напряжения выходного сигнала ДППВ.
ГПН - генератор пилообразного напряжения, формирует на рабочем участке
линейно падающий однополярный сигнал, нормированный по длительности и
амплитуде.
ЛЭС2 - логический элемент сравнения, формирующий рабочий фронт в момент
времени, когда напряжение управления сравнивается с мгновенным значением
напряжения выходного сигнала ГПН.
УД - устройство дифференцирования. Формирует короткий управляющий
импульс, синхронизированный с рабочим фронтом выходного сигнала ЛЭС2.
ИУ - импульсный усилитель. Работает в ключевом режиме и предназначен для
усиления по току и напряжению сигнала с выхода устройства дифференцирования.
ЯГР - ячейка гальванической развязки. Предназначена для согласования
выходного сигнала импульсного усилителя с цепями силовых тиристоров.
Дополнительно ЯГР осуществляет требования техники безопасности - гальваническую
развязку цепи системы управления с цепями силовых тиристоров.
В качестве базового операционного усилителя применен операционный
усилитель марки КР140УД8. Его основные технические характеристики сведены в
таблицу 4.
Таблица 4 - Основные технические характеристики ОУ КР140УД8
|
Параметр
|
Значение
|
Параметр
|
Значение
|
|
Напряжение питания  Выходной
ток 
|
|
|
|
Максимальное
выходное напряжение
Максимальное
входное напряжение
.2 Разработка принципиальной схемы каждого блока системы управления
.2.1 Разработка принципиальной схемы избирательного фильтра
Принципиальная схема избирательного фильтра ИФ представлена на рисунке 3.
Рисунок 3 - Принципиальная схема избирательного фильтра
Сопротивление входной цепи
.
Сопротивление
цепи обратной связи
.
Передаточная
функция фильтра
.
Для
расчета и выбора элементов корректирующих цепей избирательного фильтра исходной
информацией является:
Откуда
следует, что
.
Основные
параметры передаточной функции
,
.
Сопротивления
резисторов
и
примем
равными базовому значению сопротивления, равному 75 кОм.
Значения
оставшихся элементов
,
.
По
ряду Е24 принимаем подходящие значения:
,
.
На
рисунке 4 представлены ЛАЧХ и ФЧХ ИФ, полученные в среде Electronics Workbench.
Рисунок
4 - ЛАЧХ и ФЧХ ИФ
Конденсатор
С1 - марки
.
Конденсатор
С2 - марки
.
Резисторы
R1 и R2 - марки
.
Операционный
усилитель D1 - марки КР140УД8.
.2.2
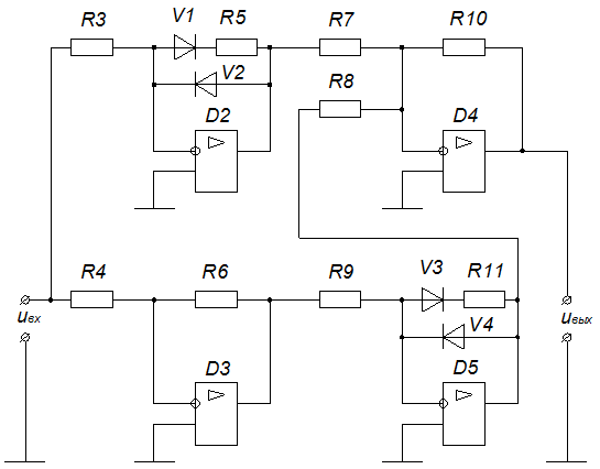
Разработка принципиальной схемы двухполупериодного прецизионного выпрямителя
Принципиальная
схема ДППВ приведена на рисунке 5.
Рисунок
5 - Принципиальная схема ДППВ
ДППВ
состоит из двух одинаковых однополупериодных прецизионных выпрямителей,
инвертирующего каскада и сумматора.
Однополупериодные
прецизионные выпрямители собраны на ОУ D2 и D5.
Выпрямление осуществляется за счет разного значения сопротивления обратной
связи для различных полярностей выходного сигнала. При положительном выходном
сигнале сопротивление обратной связи определяется сопротивлением открытого
перехода диода V2. При отрицательном выходном сигнале сопротивление
обратной связи выпрямителя определяется сопротивлением открытого перехода диода
V1 и резистора R5. При
отрицательном входном сигнале напряжение на выходе практически не зависит от
него и равно падению напряжения на открытом диоде V2 (примерно 0,7
В):
;
при
положительном входном сигнале напряжение на выходе равно:
.
Инвертирующий
каскад, собранный на D3, инвертирует входной сигнал для второго выпрямителя.
Предназначен для обеспечения двухполупериодного выпрямления.
Суммирующий
каскад, собранный на D4, предназначен для сложения выходных сигналов
однополупериодных выпрямителей.
В
качестве диодов используются диоды марки КД-510. Для обеспечения 1%-ой ошибки
необходимо, чтобы ток в цепи обратной связи определялся выпрямителем:
.
Для
КД-510 . Значит необходимо, чтобы ток обратной связи был равен
.
Для
этого при минимальном значении выходного напряжения (напряжения падения на
открытом диоде), сопротивление обратной связи
.
Принимаем
по ряду Е24 R5=3,3 кОм.
Для
обеспечения единичного коэффициента усиления необходимо чтобы
R5=R3=3,3 кОм.
Для
обеспечения единичного коэффициента усиления инвертирующего суммирующего
каскадов принимаем значения оставшихся резисторов, равного базовому значению
сопротивления.
На
рисунке 5 элементы:
ОУ
D2-D5 - марки КР140УД8,
резисторы
R3, R5, R9, R11 - марки
,
резисторы
R4, R6, R7, R8, R10 - марки
.
.2.3
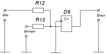
Разработка принципиальной схемы логического элемента сравнения ЛЭС1
Принципиальная
схема логического элемента сравнения ЛЭС1 приведена на рисунке 6.
Рисунок
6 - Принципиальная схема логического элемента сравнения
ЛЭС1
работает в дискретном режиме. Переход из одного состояния в другое происходит в
момент равенства входных значений сравниваемых сигналов.
На
резисторах R12 и R13 выполняется функция аналогового сложения входных
сигналов.
Значения
резисторов примем равными базовому значению сопротивления.
Марки
элементов схемы:
ОУ
D6 - марки КР140УД8,
резисторы
R12, R13 - марки
.
.2.4
Разработка принципиальной схемы генератора пилообразного напряжения
Принципиальная
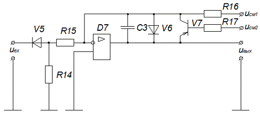
схема ГПН приведена на рисунке 7. ГПН работает в ждущем режиме.
Рисунок
7 - Принципиальная схема ГПН
-
синхронизирующий сигнал, поступающий с выхода ЛЭС1.
-
напряжение смещения, определяющее наклон рабочего участка.
-
напряжение смещения, определяющее величину амплитудного значения выходного
сигнала ГПН.
С
помощью диода V5 и резистора R14 формируется
однополярный сигнал прямоугольной формы.
Резистор
R15 определяет ток в момент времени когда выходной
сигнал ГПН имеет положительное или отрицательное максимальное значение.
Рабочий
участок формируется элементами R16, C3.
Диод
V6 ограничивает выходной сигнал отрицательной
полярности ГПН.
Транзистор
V7 и резистор R17 обеспечивает ограничение
максимального значения выходного сигнала ГПН положительной полярности.
Принимаем
значения:
резистора
R14 - 10 кОм;
резистора
R15 - 2 кОм;
резистора
R17 - 75 кОм;
конденсатора
С3 - 0,68 мкФ;
напряжения
;
напряжения
.
Рассчитаем
значение сопротивления резистора R16.
;
,
откуда
сопротивление R16
,
где
- продолжительность рабочего участка,
-
максимальное значение выходного сигнала ГПН.
Значение
найдем из выражения
.
составляет
97% от периода, равного 10 мс (соответствует удвоенной частоте сети):
.
Таким образом
.
По
ряду Е24 выбираем ближайшее значение R16=3,3 кОм.
Ошибка
составит
.
Марки
элементов
диодов
V5, V6 - КД510;
транзистора
V7 - КТ3107А;
резистора
R14 -
;
резистора
R15 -
;
резистора
R16 -
;
резистора
R17 -
;
конденсатора
С3 -
;
ОУ
D7 - КР140УД8.
2.2.4
Разработка принципиальной схемы логического элемента сравнения ЛЭС2
Принципиальная
схема ЛЭС2 представлена на рисунке 8.
Рисунок
8 - Принципиальная схема логического элемента сравнения ЛЭС2
Работа
ЛЭС2 аналогична работе ЛЭС1, только в данном случае происходит дополнительно
инвертирование сигнала.
Марки элементов схемы:
ОУ D8 - марки КР140УД8,
-
резисторы R18, R19 - марки
.
.2.5
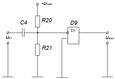
Разработка принципиальной схемы устройства дифференцирования
Устройство
дифференцирования УД выполнено по схеме, изображенной на рисунке 9.
Рисунок
9 - Принципиальная схема устройства дифференцирования
Конденсатор
С4 и резистор R21 образуют дифференцирующую цепь и выполняют функцию
дифференцирования сигнала с выхода ЛЭС2.
ОУ
D9 работает в дискретном режиме и формирует
прямоугольный импульс.
Диаграммы,
поясняющие принцип работы УД, приведены на рисунке 10.
Рисунок
10 - Диаграммы устройства дифференцирования
Длительность
должна составлять 5% от времени периода. Напряжение
смещения
должно составлять 10% максимального значения входного
напряжения ОУ.
,
.
Значение
постоянной времени
.
Принимаем
значение сопротивления R21=5,1 кОм.
.
Принимаем ближайшее значение по ряду Е24 С4=33пФ.
Напряжение
смещения
определяется выражением
,
откуда
находим значение сопротивления R20
.
Принимаем
по ряду Е24 ближайшее значение R20=56 кОм.
Марки
элементов:
конденсатор
С4 - марки
,
резистор
R20 - марки
,
резистор
R21 - марки
,
операционный
усилитель D9 - марки КР140УД8.
.2.6
Разработка принципиальной схемы ячейки гальванической развязки
Принципиальная
схема ячейки гальванической развязки приведена на рисунке 11.
Рисунок
11 - Принципиальная схема ячейки гальванической развязки
В
качестве диодов V12 и V13 принимаем диоды марки КД213А.
Основные
характеристики:
максимальный
прямой ток - 10 А,
обратное
напряжение - 200 В,
частота
- 100 кГц.
Напряжение
на вторичных обмотках трансформатора Т1
,
где
- среднее отпирающее напряжение управления силового
тиристора,
-
напряжение открытого состояния диодов V12 и V13.
Следовательно
.
Напряжение
на первичной обмотке трансформатора Т1
.
Ток
управления силового тиристора
.
Мощность,
расходуемая на управление силовым тиристором
.
Мощность
трансформатора
,
где
- число управляемых от одного звена тиристоров.
Трансформатор
собирается из Ш-образного железа марки Э.
Сечение
керна определяется по формуле
,
где
.
Число
витков первичной обмотки трансформатора Т1
.
Число
витков вторичных обмоток трансформатора Т1
.
Ток
первичной обмотки
.
Ток
вторичных обмоток
.
Толщина
провода первичной обмотки
.
Толщина
провода вторичных обмоток
.
Сопротивление
резисторов R28 и R29
.
Выбираем
по ряду Е24 ближайшее значение R28=R29=1,3 Ом.
Сопротивление
резисторов R26 и R27
.
Выбираем
по ряду Е24 ближайшее значение R26= R27=1,8 кОм.
Параметры
трансформатора Т1 сведены в таблицу 5.
Таблица
5 - Параметры трансформатора Т1
|
Параметр
|
Обмотка I
|
Обмотка II
|
Обмотка III
|
|
Ток, А
|
2,58
|
5,64
|
5,64
|
|
Напряжение, В
|
29,3
|
13,4
|
13,4
|
|
Число витков
|
14,9
|
7,7
|
7,7
|
|
Диаметр провода, мм
|
0,52
|
1,13
|
1,13
|
|
Мощность, Вт
|
75,6
|
|
Сечение магнитопровода, 9,45
|
|
|
Марка магнитопровода
|
Э
|
Марки элементов:
диоды V12, V13 - марки КД206А,
-
резисторы R26, R27 - марки
,
резисторы
R28, R29 - марки
.
2.2.7
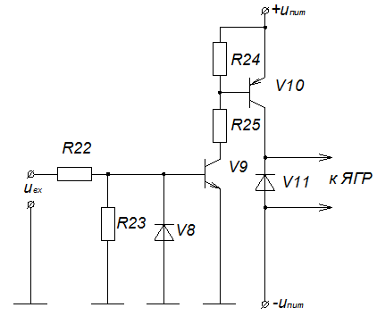
Разработка принципиальной схемы импульсного усилителя
Принципиальная
схема импульсного усилителя представлена на рисунке 12.
Рисунок
12 - Принципиальная схема импульсного усилителя
Транзистор
V9 - марки КТ630Е. Основные данные:
статический
коэффициент передачи тока
- 160,
допустимое
напряжение коллектор-эмиттер - 40 В,
постоянный
ток коллектора - 1 А,
напряжение
насыщения коллектор-эмиттер - 0,11 В.
Транзистор
V10 - марки КТ818Б. Основные данные:
граничное
напряжение транзистора - 40 В,
статический
коэффициент передачи тока
- 20,
напряжение
насыщения база-эмиттер - 3 В.
постоянный
ток коллектора - 10А.
Ток
коллектора V10 является током первичной обмотки трансформатора Т1
ЯГР и равен 2, 58 А.
Ток
базы V10 c учетом коэффициента насыщения
.
Откуда
находим значение резистора R25, предназначенного для ограничения тока базы V10:
.
Рассеиваемая
мощность на резисторе
.
Резистор
R25 составим из 3-х последовательно соединенных
резисторов марки
. Его сопротивление равно
.
Значение
тока базы транзистора V9
.
Рассчитываем
значение сопротивления резистора R22
.
Выбираем
ближайшее по ряду Е24 значение R22=1,5 кОм.
Резисторы
R23 и R24 необходимы из условия технической эксплуатации
транзисторов V9 и V10 соответственно.
Принимаем
значения резисторов R23=10 кОм, R24=1 кОм.
Элементы:
резистор
R22 - марки
,
резистор
R23 - марки
,
резистор
R24 - марки
,
- диод V8 - марки КД510А,
диод V11 - марки КД512А.
.2.8 Разработка принципиальной схемы блока питания и синхронизации
Блок питания и синхронизации (БПС) выполняет функции гальванической
развязки, формирования стабилизированного напряжения питания (двухполярного
относительно средней точки) и напряжения синхронизации с соответствующим
фазовым сдвигом.
Принципиальная схема БПС приведена на рисунке 13.
Здесь блок А1 - это аналогичный выпрямитель и стабилизатор, собранных на
диодах V14 - V19, конденсаторах С5 - С8 и микросхеме D10.
Расчет параметров трансформатора Т2 проведем в следующем порядке.
Исходные данные:
,
,
,
.
Для
того чтобы рассчитать параметры 1-3 обмоток необходимо определить параметры
магнитопровода трехфазного трансформатора.
В
качестве магнитопровода используются следующие материалы: сталь электротехническая
марки Э-4, шихтованная, покрытая лаком.
Мощность
стержня
.
Сечение
одного стержня
,
где
- коэффициент пропорциональности для маломощных
трансформаторов, выполненных из электротехнической стали марки Э4.
Число
витков первичных обмоток
Сечение
провода обмоток 1-3
,
где
- допустимая плотность тока.
Диаметр
провода обмоток 1-3
.
Фазное
напряжение обмоток 4-9
.
Суммарная
мощность вторичных обмоток
,
где
- КПД для маломощных трансформаторов.
Мощность
каждой обмотки
.
Ток
во вторичных обмотках 4-9
.
Число
витков обмоток 4-9
.
Сечение
провода обмоток 4-9
.
Диаметр
провода обмоток 4-9
.
Число
витков обмоток 10-12
.
Так
как ток обмоток синхронизации 10-12 очень мал, то из технологических
соображений принимаем диаметр провода
.
Таблица
6 - Параметры трансформатора Т2
|
Параметр
|
Обмотки 1-3
|
Обмотки 4-9
|
Обмотки 10-12
|
|
Ток, А
|
0,09
|
0,74
|
0,0005
|
|
Фазное напряжение, В
|
220
|
11,6
|
10
|
|
Число витков
|
6097
|
356
|
309
|
|
Диаметр провода, мм
|
0,17
|
0,485
|
0,12
|
|
Мощность, Вт
|
60
|
|
Сечение стержня, 1,75
|
|
|
Марка стали
|
Э4
|
Цепи R36-V20 и R37-V21выполняют функции формирования
напряжения смещения для ГПН. Для этого в качестве V20 использован стабилитрон КС182, в качестве V21 - стабистор марки КС117.
Ток обоих элементов принимаем 10 мА. Рассчитываем значения сопротивлений R36 и R37
По
ряду Е24 принимаем ближайшие значения резисторов: R36 = 680 Ом, R37 =
1,3 кОм.
Резистор
R36 - марки
.
Резистор
R37 - марки
.
Диоды
V14-V19 - марки КД202А.
Конденсатор
С6 - марки
.
Интегральный
стабилизатор D10 - марки КР142ЕН8В.
Конденсаторы
С5, С7, согласно требованию эксплуатации стабилизаторов марки КР142ЕН8В,
используются следующие
. Конденсатор С8 - марки
.
Предохранители
F1-F3 на 0,5 А.
Резисторы
R30-R35 - марки
.
ЗАКЛЮЧЕНИЕ
Разработанный
в данном курсовом проекте трехфазный коммутатор переменного напряжения обладает
техническими характеристиками, приведенными в таблице 7.
Таблица
7 - Технические параметры коммутатора
|
Максимальное напряжение
нагрузки
|
220 В
|
|
Максимальный ток нагрузки
|
500 А
|
|
Напряжение сети
|
380 В
|
|
Охлаждение тиристоров
|
Водяное
|
|
Вид подключения
преобразователя к сети
|
Реакторное
|
|
Частота сети
|
50 Гц
|
СПИСОК ИСПОЛЬЗОВАННЫХ ИСТОЧНИКОВ
1. Справочник по проектированию
автоматизированного электропривода и систем управления технологическими
процессами / Под ред. В.И. Купоро-вича, Ю.Г. Барыбина, М.Л. Самовера. - 3-е
изд., перераб. и доп. - М.: Энергоиздат, 19 82.-416с.
2. Полупроводниковые приборы: Диоды,
тиристоры, оптоэлектронные приборы: Справочник / А.В. Баюков, А.Б. Гитцевич,
А.А. Зайцев и др.; Под общ. ред. Н.Н. Горюнова. - 3-е изд., пер. - М.:
Энергоатомиздат, 1987.-744 с..
3. Сен П. Тиристорные электроприводы
постоянного тока: Пер. с англ. - М.: Энергоатомиздат, 1985. - 232 с..
4. Полупроводниковые приборы.
Транзисторы средней и большой мощности: Справочник / А.А. Зайцев, А.И. Миркин,
В.В. Мокряков и др.; Под ред. А.В. Голомедова. М.: Радио и связь, 1989. - 640
с..
5. Мощные полупроводниковые приборы.
Тиристоры: Справочник / В. Я. Замятин, Б.В. Кондратьев, В.М. Петухов. - М.:
Радио и связь, 1988. -576 с.
6. Разработка и оформление
конструкторской документации РЭА: Справ, пособие / Э.Т. Романычева, А.К.
Иванова, А.С. Куликов, Т.П. Новикова. -М.: Радио и связь, - 1984. - 256 с..
7. Цифровые и аналоговые интегральные
микросхемы: Справочник / С. В. Якубовский, Л.И. Ниссельсон, В.И. Кулешова и
др.; Под ред. С.В. Якубовского М.: Радио и связь, 1990. - 496 с..
8. Комплектные тиристорные
электроприводы: Справочник/И. X. Евзеров, А.С. Горобец, Б.И. Мошкович и др.;
Под ред. канд. техн. наук В.М. Перельмутера. -М.: Энергоиздат, 1988. - 319 с.
ПРИЛОЖЕНИЕ
Таблица 8 - Перечень элементов силовой части коммутатора
|
Позиционное обозначение
|
Марка
|
Количество
|
|
Тиристоры
|
|
V1-V6
|
T153-800
|
6
|
|
Предохранители
|
|
F1-F3
|
ПП57-3968
|
3
|
|
Автоматические выключатели
|
|
QF1
|
ВА5139
|
1
|
|
Резисторы
|
|
R1-R3, R7-R9
|
C2-33-2-20 Ом 5%6
|
|
|
R3, R4, R7, R8
|
ПЭВ-10-1,8 Ом 5%4
|
|
|
Конденсаторы
|
|
С1-С3
|
МБГЧ-1-10-1 мкФ 10%3
|
|
Таблица 9 - Перечень элементов схемы управления коммутатора
|
Позиционное обозначение
|
Марка
|
Количество
|
|
Операционные усилители
|
|
D1-D9
|
КР140УД8
|
9 3
|
|
Микросхемы
|
|
D10
|
КР142ЕН8В
|
1 2
|
|
Резисторы
|
|
R1, R2, R4, R6,
R7, R8, R10, R12, R13, R17, R18, R19
|
МЛТ-0,25Вт-75кОм 5%12 3
|
|
|
R3, R5, R9, R11,
R16
|
МЛТ-0,25Вт-3,3кОм 5%5 3
|
|
|
R14, R23, R30-R35
|
МЛТ-0,25Вт-10кОм 5%8 3
|
|
|
R15
|
МЛТ-0,25Вт-2кОм 5%1 3
|
|
|
R20
|
МЛТ-0,25Вт-56кОм 5%1 3
|
|
|
R21
|
МЛТ-0,25Вт-5,1кОм 5%1 3
|
|
|
R26, R27
|
МЛТ-0,25Вт-1,8кОм 5%2 3
|
|
|
R28, R29
|
C2-23-2Вт-1,3Ом 5%2 3
|
|
|
R22
|
МЛТ-0,25Вт-1,5кОм 5%1 3
|
|
|
R24
|
МЛТ-0,25Вт-1кОм 5%1 3
|
|
|
R25
|
МЛТ-2Вт-10 Ом 5%3 3
|
|
|
R36
|
МЛТ-0,25Вт-68Ом 5%1
|
|
|
R37
|
МЛТ-0,25Вт-1,3кОм 5%1
|
|
|
Конденсаторы
|
|
С1
|
КМ-10-7Б-0,047мкФ 5%1 3
|
|
|
С2
|
КМ-10-7Б-0,039мкФ 5%1 3
|
|
|
С3
|
КМ-10-7Б-0,68мкФ 5%1 3
|
|
|
Позиционное обозначение
|
Марка
|
Количество
|
|
С4
|
КМ-10-7Б-33пФ 5%1 3
|
|
|
С5, С7
|
КМ6-Н90-0,33мкФ
|
2 2
|
|
С6
|
К50-20-500мкФ-25В
|
1 2
|
|
С8
|
К50-20-10мкФ-25В
|
1 2
|
|
Диоды
|
|
V1-V6, V8
|
КД510А
|
7 3
|
|
V11
|
КД512А
|
1 3
|
|
V12, V13
|
КД206А
|
2 3
|
|
V14-V19
|
КД202А
|
6 2
|
|
Стабилитроны
|
|
V20
|
КС182
|
1
|
|
Стабисторы
|
|
V21
|
КC117
|
1
|
|
Транзисторы
|
|
V7
|
КТ3107А
|
1 3
|
|
V9
|
КТ630Е
|
1 3
|
|
V10
|
КТ818Б
|
1 3
|