Разработка усилительного устройства

  • Вид работы:
    Контрольная работа
  • Предмет:
    Информатика, ВТ, телекоммуникации
  • Язык:
    Русский
    ,
    Формат файла:
    MS Word
    317,87 Кб
  • Опубликовано:
    2012-10-18
Вы можете узнать стоимость помощи в написании студенческой работы.
Помощь в написании работы, которую точно примут!

Разработка усилительного устройства

Задание


Основанием для разработки является задание по курсу «Электроника и микросхемотехника». Разработка предназначена для усиления электрических сигналов низкой частоты. Область применения - радиоэлектронная аппаратура.

. Условия эксплуатации системы:

а) температура окружающего воздуха от -10 до +350 С;

б) относительная влажность до 95% при температуре +200 С;

в) атмосферное давление 750 ± 30 мм рт. ст.

. Эксплуатационно-технические характеристики системы:

а) источник сигнала……………………………..;

б) нагрузка………………………………………….., ;

в) частотный диапазон…………………………., ;

г) линейные искажения.………………………;

д) нелинейные искажения……………………………...

 


Введение


Усилительные устройства находят применение в самых различных областях науки, техники и производства, являясь либо самостоятельными устройствами, либо частью сложных приборов и систем.

В настоящее время основными элементами большинства радиоэлектронных устройств являются полупроводниковые приборы. Техника усиления электрических сигналов непрерывно развивается. Это связано в первую с развитием и совершенствованием радиоэлектроники и технологии, разработкой новых усилительных приборов. Появление новых полупроводниковых приборов и технологических процессов позволило объединить множество транзисторов, диодов, резисторов в одно устройство - интегральную микросхему (ИМС). Всё это значительно повысило надёжность электронной аппаратуры.

При развитии линейных ИМС значительно расширились возможности использования усилительных устройств. Применяя в качестве усилительного прибора ИМС, можно решать ряд задач, связанных с аналоговой обработкой сигналов.

Однако реализовать достоинства полупроводниковых приборов можно только при знании их физических свойств, параметров, характеристик и эксплуатационных особенностей.

Полупроводниковые приборы способны работать с большой эффективностью при низком напряжении источников питания и в отдельных случаях при малом рабочем токе. В то же время они весьма чувствительны к перегрузкам, поэтому при проектировании схемы необходимо правильно выбирать рабочие режимы.

Большая чувствительность транзисторов и диодов к изменению температуры и режимов, а также разброс параметров, изменение их величин во время хранения и работы являются особенностями полупроводниковых приборов.

1. Расчет оконечного каскада


Рисунок 1.1 - оконечный каскад УНЧ

. Выберем транзисторы по допустимой мощности рассеяния на коллекторе , максимальной амплитуде коллекторного тока  и по верхней граничной частоте :








;

;


Выбираем транзисторы BDW93B и BDW94B

По характеристикам выбранного транзистора определяем его рабочую область:

Рисунок 1.2 - выходные характеристики транзистора

Определяем максимальный ток базы и напряжение насыщения

;


Рисунок 1.3 - входная характеристика транзистора по входной характеристике определяем

,

Отсюда

. Определяем максимальное напряжение на нагрузке  и напряжение питания :

  


. Определяем глубину отрицательной обратной связи по формуле:

;


. Рассчитываем резисторы делителя:

Так как мы берем четыре диода, то на каждом из них падение напряжения будет равно:

Выбираем диод 1N4934.


По ВАХ диода определяем Iд = 2мА и находим значение сопротивления делителя напряжения :

.

5. Рассчитаем входное сопротивление усилителя :


. Рассчитаем амплитудные значения входного сигнала, обеспечивающие заданную мощность на выходе:


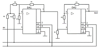
2. Расчет входного каскада

1. Определим необходимый коэффициент усиления Ku:

  

;

Выберем операционный усилитель OP183G.

Fоу=5 МГц

;

- следовательно, условия по заданной граничной частоте не выполняются, и необходимо взять второй ОУ.

.

;

- следовательно, условия по заданной граничной частоте выполняются


  

Откуда найдем R4 = R5 = R7

усилитель частота полупроводниковый

3. Расчет надежности

Таблица 3.1 - интенсивность отказов элементов принципиальной схемы

ТИП

li, 10-6 (интенсивность отказов)

N (кол - во)

Диоды

0.2

4

Транзисторы

0.5

2

МС

0.5

2

Резисторы

0.04

10

Соединения

0.004

46

Вероятность безотказной работы в течении t часов вычисляется:

 

Вероятность безотказной работы в течение тысячи часов:

Как видим, вероятность безотказной работы в течение тысячи часов достаточно велика и можно утверждать, что схема не выйдет из строя с вероятностью 99,7%.

Вероятность безотказной работы в течение миллиона часов:

Можно утверждать, что в течение миллиона часов схема примерно с вероятностью 97% выйдет из строя.

 


Заключение


В данном курсовом проекте был разработан усилитель электрических сигналов первичных измерительных преобразователей систем автоматического регулирования, который представляет собой усилитель переменного тока низких частот (0..14 кГц).

В схеме используются резисторы, диоды, транзисторы, операционные усилители, которые не могут осуществлять работу схемы от одного источника, поэтому было использовано 4 источника энергии: 2 во входном и 2 в оконечном каскадах.

В качестве входного каскада использован операционный усилитель, что значительно облегчило расчет и проектирование. Однако в процессе расчёта входного каскада выяснилось, что одна микросхема не может дать должный коэффициент усиления из-за верхней граничной частоты (при необходимом коэффициенте усиления = 703.56, она в 2 раза меньше заданной), поэтому пришлось использовать два последовательно соединенных операционных усилителя.

В результате, разработанный прибор полностью удовлетворяет данным, представленным в техническом задании (Rнагрузки = 18 Ом, Pр.на нагр. = 11 Вт), а вероятность безотказной работы в течение 1000 часов равна 99.7%.

 

 


Перечень ссылок

1. Гершунский Б.С. Справочник по расчету электронных схем / Гершунский Б.С. - 1987.

2. Гершунский Б.С. Основы электроники и микроэлектроники / Гершунский Б.С. - 1987.

3. Лавриненко В.Ю. Справочник по полупроводниковым приборам / Лавриненко В.Ю. - 1984

4. Булычев А.Л. Аналоговые интегральные схемы / Булычев А.Л., Галкин В.И., Прохоренко В.А. - 1993.


Не нашли материал для своей работы?
Поможем написать уникальную работу
Без плагиата!
Без нейросетей!