Расчет усилительного каскада по схеме с общим эмиттером на транзисторе МП 40
Министерство
образования и науки Республики Казахстан
Евразийский
национальный университет им. Л.Н. Гумилева
Физико-технический
факультет
Кафедра
«Космическая техника и технологии»
Курсовая
работа
«Расчет
усилительного каскада по схеме с общим эмиттеромна транзисторе МП 40»
По
дисциплине «Электроника и схемотехника аналоговых устройств»
г. Астана
Введение
Усилителем называется устройство, увеличивающее
мощность входного сигнала за счет энергии источника питания. Маломощный входной
сигнал лишь управляет передачей энергии источника питания в нагрузку усилителя.
Классификацию усилителей можно проводить по
различным признакам:
по виду используемого усилительного элемента -
ламповые, транзисторные, усилители на туннельных или параметрических диодах, на
микросхемах и т.д.;
по диапазону усиливаемых частот - усилители
постоянного тока (УПТ), низкой частоты (УНЧ), радио- или промежуточной частоты
(УРИ, УПИ) и сверхвысокой частоты (СВЧ);
по ширине полосы усиливаемых частот -
узкополосные, широкополосные усилители;
по характеру усиливаемого сигнала - усилители
непрерывных и импульсных сигналов;
по усиливаемой электрической величине -
усилители напряжения, тока, мощности;
по типу нагрузки - резистивные (апериодические),
резонансные (избирательные) усилители.
Основными параметрами усилителя являются:
коэффициент усиления по напряжению
Кu=uвых/ еr;
коэффициент усиления по току
Кi=iвых/iвх;
коэффициент усиления по мощности
Кр=Рвых/Рвх.
В качестве усилительного элемента используются
чаще всего транзисторы. Три схемы включения транзисторов: общим эмиттером (ОЭ),
с общей базой (ОБ) и с общим коллектором (ОК). Конечно, физические процессы,
происходящие в транзисторе, не зависят от схемы его включения, в частности
сохраняются соотношения между токами эмиттера, базы и коллектора. Однако
характеристики и параметры транзистора зависят от схемы его включения.
В схеме с общей базой:
нет усиления по току (-);
малое входное и большое выходное сопротивления
(-);
большое усиление по напряжению (+);
высокая линейность и более высокая верхняя
частота (+).
В схеме с общим коллектором:
нет усиления по напряжению (-);
большое усиление по току (+);
большим входным и малым выходным сопротивлениями
(+);
Схема с общим эмиттером получила большее
распространение, так как имеет:
усиление по току (+);
усиление по напряжению (+);
большое усиление мощности сигнала (+);
Цель курсовой работы
Цель курсовой работы состоит в закреплении
знаний, полученных при изучении дисциплины «Электроника и схемотехника
аналоговых устройств», в получении опыта разработки и расчета основных
характеристик усилительных каскадов, в развитии навыков выполнения
информационного поиска, пользования справочной литературой, определения
параметров эквивалентных схем биполярных и полевых транзисторов, в создании
разностороннего представления о конкретных электронных элементах.
Задание на курсовую работу
В ходе выполнения курсовой работы необходимо для
заданного типа транзистора выписать паспортные параметры и статические
характеристики, в соответствии со схемой включения и величинами элементов схемы
усилительного каскада выбрать положение режима покоя, для которого следует
рассчитать параметры эквивалентных схем транзистора и малосигнальные параметры
транзистора, определить основные параметры усилительного каскада.
1. Паспортные данные транзистора МП
40
МП 40 - это транзисторы германиевые сплавные
р-n-p усилительные низкочастотные с ненормированным коэффициентом шума на
частоте 1кГц.
Предназначены для усиления сигналов низкой
частоты.
Выпускаются в металлостеклянном корпусе с
гибкими выводами. Обозначение типа приводится на боковой поверхности корпуса.
Масса транзистора не более 2 г.

Рис. 1
транзистор усилительный каскад
частота
Электрические параметры
Предельная частота передачи тока при Uкб= 5В, Iэ
= 1 мА не менее 1 МГц;
Коэффициент шума при Uкб= 1,5 В, Iэ = 0,5 мА, f
= 1кГц не более 12 дБ;
Коэффициент передачи тока в режиме малого
сигнала при Uкб= 5 В, Iэ = 1 мА, f = 1кГц, Т= 293 К: 20-40;
Обратный ток коллектора при Uкб= 5 В, Т= 293 К
не более 15 мкА;
Обратный ток эмиттера при Т= 293 К, Uэб= 5 В не
более 30 мкА;
Сопротивление базы при Uкб= 5 В, Iэ = 1 мА, f =
500 кГц не более 220 Ом;
Выходная полная проводимость в режиме малого сигнала
при холостом ходе при Uкб= 5 В, Iэ = 0,5 мА, f = 1кГц не более 3,3 мкСм;
Емкость коллекторного перехода при Uкб= 5 В, Iэ
= 0,5 мА, f = 1кГц не более 60 пФ.
Предельные эксплуатационные данные
Постоянное напряжение коллектор-база при Т = 213÷
313 К
15 В;
Постоянное напряжение коллектор-эмиттер при Rэб ≤
10 кОм 15 В;
Постоянное напряжение эмиттер-база 10 В;
Постоянный ток коллектора 30 мА;
Постоянная рассеиваемая мощность при Т = 213÷
328 К
150 мВт;
Общее тепловое сопротивление 200 К/В;
Температура окружающей среды от 213 до 343 К.
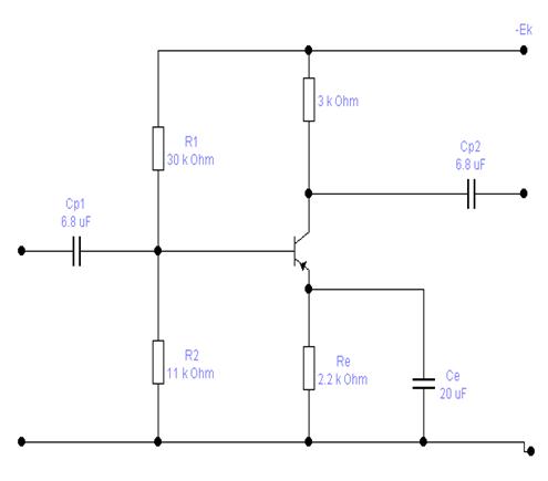
2. Исходные данные к заданию
= 1мА;эо = 5 В;эо = 2,2 В;э = 900 Ом;э =
8*10-6;э = 30э = 60*10-6 См;= 3*103 Ом;н = 30 Гц;= 0,15 Вт;н = Rвх.

Пояснение:бo - начальный ток коллектора (в
режиме покоя каскада).- начальный ток коллектора.э - резистор на эмиттерной
цепи (пропускает постоянную составляющую сигнала).
Сэ - емкость на эмиттерной цепи (пропускает
переменную составляющую сигнала). Вместе с Rэ образуют эмиттерную схему
термостабилизации.эо - напряжение на эмиттерном резисторе Rэ; Uэо
=Rэ*(Iko+Iбo).и R2- образуют делитель напряжения, для задания и фиксирования
начального тока базы. Вместе с Rэ образуют обратную отрицательную связь (ООС).
Ср1 и Ср2 - разделительные конденсаторы,
пропускают переменную составляющую сигнала и разделяющие каскады по постоянному
току.
Ек - напряжение питания.э - входное
сопротивление транзистора для переменной составляющей тока при коротко
замкнутой выходной цепи.э - коэффициент обратной передачи по напряжению при
разомкнутой входной цепи по переменному току.э (β) - коэффициент
передачи переменного тока при коротком замыкании выходной цепи.э - выходная
проводимость при разомкнутой входной цепи по переменному току.н - нижняя
граничная частота полосы пропускания усилителя.- максимально допустимая
рассеиваемая мощность на Rk.
3. Расчеты
Падение напряжения на резисторе Rk в состоянии
покоя:
= Iko * Rk = 10-3 *3*103 =3 B.
Ток базы в состоянии покоя:
бo = Iko/ h21э = 10-3/30 = 0,033 мА.
Ток делителя напряжения (ток делителя
принимается равным (5..10) Iбo):
д = 7*Iбo = 0,23 мА.
Напряжение питания усилителя (по второму закону
Киргофа):
Ек = Ukэо+ Uko + Uэо = 5+3+2,2 =10,2 В.
Падение напряжения на R2:
= Uэо + Uбэо, Uбэо для германиевых транзисторов
0,1 -0,2.= 2,2 +0,2 =2,4 В.
Падение напряжения на R1:
=Ек - U2 = 10,2 -2,7= 7,8 В.
Сопротивление R2:
= U2/Iд = 2,4 / 0,23мА =10,43 кОм. Принимаем R2=
11кОм.
Сопротивление R1:
= U1 /(Iд+Iбo) = 7,8/(0,23 мА +0,033 мА) =30
кОм.
Входное сопротивление:
=813 Ом.
Сопротивление нагрузки усилителя Rн.
н=
=813 Ом.
Сопротивление
.
=Uэо/ (Iko+Iбo)
=2,2/(10-3+0,033*10-3) = 2,13 кОм.
Берем
= 2,2кОм
Емкость шунтирующего конденсатора в
эмиттерной цепи Сэ.
Сэ>
э= 2h12э/h22э=2*8*10-3/60*10-6=267
Ом.
Сэ=1/2*3,14*30*267=19,8 мкФ.
Принимаем емкость равную 20 мкФ.
Ср1 и Ср2:
Ср1 = Ср2=
=
1/2*3.14*30*813=6.53 мкФ
Берем емкости по 6.8 мкФ.
Коэффициент усиления по напряжению:
/
=1/Rk + 1/Rн + 1/Rвых, где Rвых=
1/h22э.
/
= 1,62*10-3 См.
= 617 Ом.
.
Мощность рассеивания на коллекторе:
Рк=Iko*Ukэо=5*10-3= 0,005 Вт.
По условию Pkmax = 0,15 Вт,
следовательно Рк<Pkmax.
Ответы:
=30 кОм;= 12кОм;
= 2.2 кОм;н=
=813 Ом;
Ср1 = Ср2= 6.8 мкФ;
.
4. Динамические характеристики
усилительного каскада
Находим нагрузочную прямую и рабочую
точку транзистора.
Для этого вычисляем:
Точку
Точка А соответствует режиму
насыщения транзистора. В этом режиме транзистор полностью открыт и протекающий
ток равен максимальному значению
.
Точку В=Ek, при
. Точка В
соответствует режиму отсечки, при котором транзистор заперт и ток его близок к
нулю.
Находим рабочую точку С,
соответствующая активному режиму, способному обеспечить нормальное усиление. С
лежит примерно посередине между точками А и В.
Выходная характеристика начерчена в
Приложении 1 на миллиметровой бумаге.
Вывод
Результатом выполнения данной
курсовой работы является расчет основных характеристик усилительного каскада,
выполненного на биполярном транзисторе.
Рассмотренный в работе усилительный
каскад обладает не высоким коэффициентом усиления по напряжению Ku=20.6, что
позволяет использовать такие каскады, например, в средней мощности усилителях.
Наибольшие трудности для меня
вызвало определение динамических характеристик усилительного каскада.
Наиболее полезно для меня как
результат выполнения данной курсовой работы является закрепление знаний,
полученных при изучении дисциплины «Электроника и схемотехника аналоговых
устройств 2», а также получение опыта разработки и расчета основных
характеристик усилительных каскадов.
Данная курсовая работа помогла более
полно разобраться в методике расчета усилительных каскадов, которая будет
полезна в моей будущей инженерной деятельности.
Литература
1.
Горюнов Н.Н. Транзисторы. Москва. 1985 г.
.
Красько. А.С. Схемотехника аналоговых электронных устройств. Томск. 2005 г.
.
Игумнов Д.В., Костюнина Г.П. Полупроводниковые устройства непрерывного
действия. - М.: Радио и связь, 1986.
.
Забродин Ю.С. Промышленная электроника. - М.: Высшая школа, 1982.
.
Зи С.М. Физика полупроводниковых приборов. - М.: Мир, 1984.