Разработка электронного устройства
Министерство образования Республики
Беларусь
Учреждение образования:
"Белорусский государственный
технологический университет"
ПОЯСНИТЕЛЬНАЯ ЗАПИСКА
К КУРСОВОЙ РАБОТЕ НА ТЕМУ:
"РАЗРАБОТКА ЭЛЕКТРОННОГО
УСТРОЙСТВА"
Разработал: студент 3 курса, 4 группы,
специальности АТПиЭ,
факультета ХТиТ,
Федоренков А.Ю.
Принял: Оробей И.О.
Минск 2012
Содержание
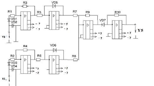
1. Разработка структурной схемы
1.1 Синтез и расчет транзисторного усилителя
1.2 Синтез преобразователей уровня на ОУ
1.3 Синтез схемы арифметических преобразователей
1.4 Схема компаратора на ОУ
1.5 Разработка цифровой схемы
1.6 Расчёт электронного ключа на транзисторе
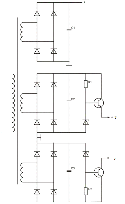
2. Расчет блока питания
3. Рассчитаем ток нагрузки блока питания
4. Рассчитаем мощности, потребляемые всеми усилителями и микросхемами
Заключение
Список использованных источников
1. Разработка
структурной схемы
1.1 Синтез и
расчет транзисторного усилителя
Поскольку необходимо усилить сигнал по напряжению, то в
качестве схемы нормирующего усилителя выбираем схему с общим эмиттером. Однако
схеме присущи следующие недостатки:
) даже при отсутствии переменного сигнала через нагрузку
протекает постоянный ток;
) схема является температурно-нестабильной, т.к. при
увеличении температуры транзистора на 10°, ток коллектора увеличивается в 2
раза, что приводит к дальнейшему увеличению температуры транзистора. В
результате транзистор либо сгорает, либо переходит в режим насыщения;
) в данной схеме большие нелинейные искажения сигнала.
Схема усилителя с ОЭ:
электронное устройство блок питание
Выбираем из справочника транзистор, например, КТ3107Б.
Его параметры:
Проведем расчет по постоянному току (одинаков для всех
усилителей).
Выбираем
(округления определяются рядам номинальных значений E24 (резисторы и конденсаторы))
Проведем расчет усилительного каскада по переменному сигналу (для
каждого усилителя свой).
Выходные напряжения:
Коэффициент усиления по напряжению:
Рассчитаем конденсаторы
и
:
Конденсатор
выбираем из условия (сопротивление
конденсатора
рассчитывается на частоте среза в 10 раз
меньше, чем частота основного сигнала):
,
где
для первых трёх каналов и
для четвертого и пятого каналов.
конденсатор
выберем из следующего соотношения:
,
где
для 1-3 каналов и
для 4-5 канала.
Рассчитаем конденсаторы каскадов, округлив данные значения по ряду
Е24:
Тогда для первых трёх каналов
,
для четвертого-пятого канала
.
Выбор нагрузки.
В качестве нагрузки возьмем буферный повторитель (это ОУ с Ku=1 и очень большим
входным сопротивлением).
Выберем операционный усилитель (ОУ). Для этого подойдет
КР1408УД1, вот его следующие характеристики:
. ОУ общего применения.
2.
.
.
.
1.2
Синтез преобразователей уровня на ОУ
Необходимо, чтобы усилитель на ОУ преобразовывал напряжение
последующему закону: входному напряжению на 0В должно соответствовать выходное
напряжение 2.77В, а входному напряжению 1.265В - выходное напряжение - 1.23В.
Т.е. между входным и выходным сигналом должна быть следующая
выходная зависимость:
Выходное напряжение усилителя зависит от входных в
соответствии с уравнениями:
При
и
получаем:
Получаем:
Принимаем
;
.
1.3 Синтез
схемы арифметических преобразователей
Расчет интегратора на ОУ (Y2=инт (Y1))
Для интегрирования сигнала первого канала с постоянной времени
используем интегратор на базе
операционного усилителя.
Выходное напряжение усилителя зависит от входного в соответствии с
уравнениями:
.
В связи с тем, что инвертирующий вход имеет потенциальное
заземление, выходное напряжение определяется следующим образом:
Отсюда
и
выбираем из условия
.
Принимаем
,
.
Используем два ОУ. В первом случае интегрируем значение
напряжения, но значение сигнала получится отрицательным, поэтому ставим
инвертирующий усилитель с Кu=-1
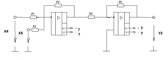
Расчет сумматора на ОУ (Выполнение Y3=0.6X5+0.6Х4)
Выходное напряжение усилителя зависит от входных в соответствии с
уравнениями:
Используем два ОУ. В первом случае суммируем два значения
напряжение, но сумматор суммирует со знаком минус, поэтому потом ставим
инвертирующий ОУ с Ku=-1.
Расчет дифференциатора на ОУ (Y4=Диф. Х2)
Для дифференцирования сигнала второго канала с постоянной времени
используем дифференциатор на базе
операционного усилителя.
Выходное напряжение усилителя зависит от входного в соответствии с
уравнениями:
Используем два ОУ. В первом случае дифференцируем значение
напряжения, но значение сигнала получится отрицательным, поэтому ставим
инвертирующий усилитель с Кu=-1
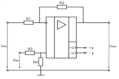
Расчет операционного усилителя, выполняющего вычитание сигналов (Y1=0.35 (X3-X1))
Для того чтобы отнять два значения напряжения друг от друга
используем не инвертирующий ОУ.
Расчет усилителей, выполняющих перемножение сигналов (Y5=| Y3|*| X1|)
Выберем диод марки КД102Б (Uпрям=1В, Iпрям=50мА)
Для произведения сигналов сначала пустим их на логарифмические
усилители, затем на сумматор, после чего проэкспоненцируем используя
экспоненциальный усилитель. На вход первого логарифмического усилителя подводим
Y2 а на вход второго Х4.
Для логарифмического усилителя:
,
Для первого логарифмического усилителя:
,
,
Подадим полученные сигналы на сумматор:
При
получаем:
Подадим полученный сигнал на экспоненциальный усилитель. Выходное
напряжение усилителя зависит от входного в соответствии с уравнениями:
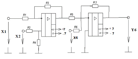
Выполнение Y6=Х2-0.25Х4-0.7Х1
Используем два ОУ. Не инвертирующий операционный усилитель,
выполняющий вычитание сигналов, вычитает Х3 с Х1, затем используем сумматор,
который суммирует Х3-Х1 с Х2, получаем требуемую операцию.
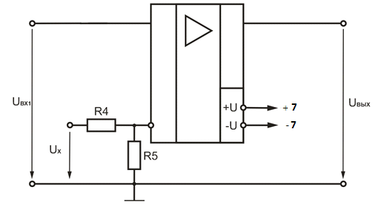
1.4 Схема
компаратора на ОУ
Сигналы Y1-Y6 пропускают через схемы с компаратором на ОУ, которые преобразуют
уровни напряжения на выходе арифметических операций на ОУ в ТТЛ или КМОП.
Значения напряжения от - Up до Ux=1.015 должен соответствовать логическому
"0" на выходе цифровой схемы, а значение Ux до +Up-логическая
"1". Компаратор должен обеспечивать на выходе уровень логического
нуля для ТТЛ или КМОП при UвхÎ [-1; 1,12] В и уровень
логической единицы при UвхÎ [1,015; 3] В.
Для обеспечения этого условия необходимо для первого канала на
инвертирующий вход подать Uвх (выходное напряжение операционного
усилителя), а на неинвертирующий вход подать напряжение
, а для остальных каналов на инвертирующий
вход подать подать напряжение
, а на неинвертирующий вход подать Uвх (выходное
напряжение операционного усилителя).
Рассчитываем делитель напряжения
и
:
Пусть через резистор
протекает ток
;
;
1.5
Разработка цифровой схемы
1) составляем карту Карно, располагая по вертикали и
горизонтали значения входных переменных таким образом, что при переходе от
одного квадрата к другому изменялось значение только одной переменной (по
аналогии с кодом Грея);
) записываем в квадраты карты Карно значение выходных
переменных, соответствующей данным наборам значений выходных переменных.
) описываем обведенные квадраты как произведения входных
функций или их инверсные значения;
) производим минимизацию карты Карно и, используя булеву
алгебру, представляем искомую логическую функцию суммой значений соответствующих
квадратов;
) по полученному выражению изображаем принципиальную схему,
пользуясь элементами "ИЛИ-НЕ”.
Составим карту Карно по таблице истинности:
|
Выходная
переменная Y
|
Входные
переменные
|
|
Х1
|
Х2
|
Х3
|
Х4
|
Х5
|
Х6
|
|
1
|
0
|
0
|
0
|
0
|
0
|
1
|
|
2
|
0
|
0
|
0
|
0
|
1
|
0
|
|
3
|
0
|
0
|
0
|
0
|
1
|
1
|
|
4
|
0
|
0
|
0
|
1
|
0
|
0
|
|
7
|
0
|
0
|
0
|
1
|
1
|
1
|
|
15
|
0
|
1
|
1
|
1
|
1
|
|
26
|
0
|
1
|
1
|
0
|
1
|
0
|
|
35
|
1
|
0
|
0
|
0
|
1
|
1
|
|
36
|
1
|
0
|
0
|
1
|
0
|
0
|
|
38
|
1
|
0
|
0
|
1
|
1
|
0
|
|
43
|
1
|
0
|
1
|
0
|
1
|
1
|
|
49
|
1
|
1
|
0
|
0
|
0
|
1
|
Тогда карта Карно выглядит следующим образом:
|
X4X5X6
|
000
|
001
|
011
|
010
|
110
|
111
|
101
|
100
|
|
|
|
|
|
|
|
|
|
|
|
X1X2X3
|
|
|
|
|
|
|
|
|
|
000
|
0
|
0
|
1
|
0
|
0
|
0
|
0
|
0
|
|
001
|
1
|
0
|
0
|
1
|
0
|
0
|
0
|
|
011
|
1
|
0
|
0
|
0
|
0
|
0
|
1
|
1
|
|
010
|
1
|
0
|
1
|
0
|
0
|
0
|
0
|
0
|
|
110
|
0
|
0
|
0
|
0
|
0
|
0
|
0
|
1
|
|
111
|
1
|
1
|
0
|
0
|
0
|
0
|
0
|
0
|
|
101
|
0
|
0
|
0
|
0
|
0
|
0
|
0
|
0
|
|
100
|
1
|
0
|
0
|
0
|
0
|
0
|
0
|
1
|
Минимизация по "0":
1)
)
)
)
)
)
)
)
) 
)
)
Перемножим выражения отдельных областей и преобразуем по теореме
Моргана:

1.6
Расчёт электронного ключа на транзисторе
UL=52.5В;
IL=0.824 А;
По этим параметрам выберем транзистор:
КТ851A;
Ik=0.6A; Uкэ max=180 В; b=20…200;
2. Расчет
блока питания
Разработаем трансформаторный источник питания от сети 220В.
Исходные данные:
,
,
,
=2*E=14В
3.
Рассчитаем ток нагрузки блока питания
. Усилитель на биполярном транзисторе
. Усилители на ОУ, повторители, компараторы, сумматоры,
дифференциатор, интегратор, выбрали из справочника, и их марка КР1408УД1
. Логические схемы
. Общий потребляемый ток
. Выберем стабилитрон для источника питания ±7В
Выбираем 2 стабилитрона 2С212Ц с напряжением стабилизации
6. Рассчитаем выпрямитель для питания ±7В
Выберем диод 2Д122АС
7. Выберем стабилитрон для источника питания +75В.
Выбираем 2С502М с напряжением стабилизации
8. Рассчитаем выпрямитель для питания +75В
Выберем диод КД102А
4.
Рассчитаем мощности, потребляемые всеми усилителями и микросхемами
1. Усилитель на биполярном транзисторе:
. Усилители на ОУ, повторители, компараторы, сумматоры,
дифференциатор, интегратор, выбрали из справочника, и их марка КР1408УД1
. Все резисторы
Общая потребляемая мощность
Заключение
Для реализации электронной схемы управления понадобится 5
каскадов усилителей на биполярном транзисторе КТ3107Б, 25 операционных
усилителей КР1408УД1, 2 схемы "И-НЕ" (К564ЛА9), 1 схема
"И-НЕ" (К564ЛА7), 1 схема "ИЛИ-НЕ" (К564ЛЕ5), 2 схемы
"И-НЕ" (К564ЛА7)), 14 буферных инверторов (К564ЛН2).
Список использованных
источников
1. Конспект
лекций.
2. И.А.
Арабей, Дз.А. Грынюк "Электронныя прылады аутаматыки".
. Справочник
по цифровым логическим микросхемам.