Наземная радиолокационная станция обнаружения воздушных целей
Контрольная
работа
по
теме: Наземная
радиолокационная станция обнаружения воздушных целей
Наземная радиолокационная станция
обнаружения воздушных целей
|
Подвариант
Параметры
|
3
|
|
Дальность
обнаружения, км
|
180
|
|
PПО/
PЛТ
|
0,5/0,01
|
|
ЭПР
целей, не более, м2
|
8
|
|
Сектор
обзора АЗ, о
|
80
|
|
Сектор
обзора УМ, о
|
15
|
|
Разрешающая
способность (реальная) по дальности D, не хуже, м
|
100
|
|
Разрешающая
способность (реальная) по АЗ, о
|
н/д
|
|
Разрешающая
способность (реальная) по УМ, о(d
(j))
|
0,6
|
|
Среднеквадр.
знач. ошибки определения дальности D, м
|
60
|
|
Среднеквадр.
знач. ошибки определения АЗ, о
|
5
|
|
Среднеквадр.
знач. ошибки определения УМ, о
|
0,3
|
|
Период
обзора (сектора), не более, с
|
10
|
|
Наибольший
размер раскрыва антенны, м
|
6
|
|
Средняя
мощность излучения передатчика, не более
|
н/д
|
|
Импульсная
мощность излучения передатчика, не более
|
н/д
|
|
Вид
гидрометеоров (наихудший случай)
|
Очень
слабый дождь
|
Длина волны
Длина волны и геометрические размеры антенны
определяют ширину ДН антенны РЛС.
Для наиболее распространенных в настоящее время
зеркальных антенн справедливо соотношение:
Q0.5 »57,3l/dA,(1)
где Q0.5 - ширина ДН по
половинной мощности; dA - размер раскрыва антенны в соответствующей плоскости.
где Q0 - угол между
направлением главного лепестка и оси антенны.
При заданном максимальном размере антенны
реализовать значение ширины луча, требуемое для обеспечения желаемого
разрешения, можно вариацией длинны волны. Реальная разрешающая способность по
угловой координате равна:
d (j) = gjQ0.5
, (2)
где gj - коэффициент
ухудшения потенциальной разрешающей способности.
Для большинства известных РЛС значение gj
колеблется в пределах от 1.5 до 3.Выберем gj=2.
Из формулы (1) с учетом (2) определяется
значение длины волны l1, при которой обеспечивается
требуемая (заданная) разрешающая способность по угловой координате.
Q0.5= 57,3*0,0314/6 = 0,299
d (j) = 2*0,299 = 0,6
Среднеквадратическое значение ошибки измерения
определяется формулой:
s (j) = hjQ0.5
/
;
(3)
где hj - коэффициент
ухудшения потенциальной точности измерения.
Можно предположить: hj»3.-
соотношение сигнал/шум для точно известного сигнала.
Определяется по формуле (4).
= 2 [ln(1/PЛТ) /
ln(1/PПО) - 1]. (4)
= 2 [ln(1/0,01) /
ln(1/0,5) - 1] = 2*(4,6/0,69-1) = 11,3
s (j) =3*0,299/
=0,15
Из формулы (3) с учетом (1) определяется
значение длины волны l2, при которой обеспечивается
требуемое среднеквадратическое значение ошибки измерения по угловой координате.
Если из двух рассчитанных значений длинны волны l1
и l2выбрать
меньшее, то будет обеспечено выполнение требований и по разрешению и по
точности измерения угловой координаты.
Выбираем значение длины волны l=0,0312м
Определение коэффициента поглощения
.
Вид гидрометеоров - очень слабый дождь.
Рис. 1 - Зависимость коэффициента поглощения
энергии от длины волны и вида гидрометеоров
Рис. 2 - Изменение энергии излучаемых колебаний
в зависимости от длины волны
Определим оптимальное значение длины волны для
заданной дальности действия РЛС (180км). Согласно рис.2 l3=0,03м.
. (5)
Эффективная отражающая площадь гидрометеоров
равна:
, (6)
где
-
элемент объемного разрешения на максимальной дальности Dмакс п;
- удельная
эффективная отражающая площадь гидрометеоров.
Для упрощения расчета l4,
следует, предварительно приняв l4=min{l1,
l2,
l3},
найти по нижеприведенномуграфику
для требуемого
вида гидрометеоров и проверить выполнение условия (5). Если условие (5) не
выполняется следует скорректировать l4.
l4=0,03 м.
На рис. 3,а приведены зависимости
для
дождя в зависимости от интенсивности pи длины волны
РЛС.
Рис. 3 - Удельная отражающая площадь дождя
м2
более чем в 5 раз,
следовательно, обеспечивается надежное обнаружение цели в присутствии
гидрометеоров.
Параметры системы обзора
При последовательном обзоре по угловым
координатам связь между параметрами системы обзора характеризуется формулой:
Тобз= КобзТобл ФАЗ ФУМ / QАЗQУМ
, (7)
где Тобз - период обзора РЛС;
ФАЗ, ФУМ - секторы обзора по АЗ и УМ
соответственно;
QАЗ, QУМ - ширина ДН по
АЗ и УМ соответственно;
Тобл - время облучения точечной цели;
Кобз
1
- относительный период обзора.
Величины Тобз, ФАЗ,ФУМ - задаются при
проектировании. Относительный период обзора Кобз целесообразно принять равным
среднему значению: Кобз ср»2.
Система обзора: строчный обзор с линейным
законом медленного и быстрого движения луча.
Равенство (7) позволяет определить взаимно
соответствующие значения ширины луча и времени облучения точечной цели:
QАЗQУМ / Тобл = Кобз ср
ФАЗ ФУМ / Тобз(8)
Предположим равенство угловых размеров луча QАЗ=QУМ.
Окончательное нахождение времени облучения цели
(Тобл) возможно с учетом оценки энергетического баланса станции.
Рассмотрение особенностей проектируемой РЛС
позволяет обычно принять решение о ширине и форме луча и о законе его движения.
Так, например, для наземной РЛС обнаружения самолетов очень важно хорошее
разрешение по азимуту, поэтому в станции данного типа целесообразно
использовать круговой обзор плоским лучом, имеющим малую ширину по азимуту.В
самолетной РЛС перехвата и прицеливания, наоборот, разрешающая способность по угловым
координатам особенно важного значения не имеет (требуемое разрешение целей
обеспечивается по дальности или скорости), но важна точность измерения угловых
координат; высокая точность измерения обеспечивается при использовании либо
моноимпульсной системы, либо конического сканирования луча; в обоих случаях
необходим симметричный луч, а его ширина не особенно существенна.
Окончательное нахождение времени облучения цели
(Тобл) возможно с учетом оценки энергетического баланса станции и равенства
(8).
Энергетический баланс станции
Из формулы максимальной длительности действия
РЛС получается второе уравнение, связывающее между собой время облучения цели и
ширину луча.
Для расчета по средней мощности излучения Pср,
формула дальности записывается следующим образом:
Dмакс п =
.
(9)
- постоянная
Больцмана;
- абсолютная
температура приемника;
- коэффициент шума
приемника.пр - эффективная площадь антенны приемника;
- среднее значение
эффективной отражающей площади цели;
Здесь значения Dмакс п,
,
заданны.
Примем
=100Вт.
Значение коэффициента шума нетрудно определить с
достаточной точностью после выбора длины волны и принятия решения (имеется ли
УВЧ или его нет; применяется ли ЛБВ или параметрический усилитель и т.д.) рис.
3.
Рис. 4 - Зависимость коэффициента шума от
частоты принимаемого сигнала
Принимаем
=2,5(для
параметрических усилителей)
Рабочая частота РЛС: f=c/l=3*108
/0,03=10ГГц
Коэффициент различимости для одного сигнала,
равен:
(в данном случае
Nc=1),
где q - удвоенное соотношение сигнал/шум,
определяемое по характеристикам обнаружения для заданных априорных сведений о
сигнале и заданных значений вероятностей PПО и PЛТ;
- суммарные потери
в системе обработки приемника РЛС.
Усредненное значение q, можно вычислить по
формуле (4):
=11,3
Для предварительного расчета можно принять, что
суммарные потери
= 10.
Коэффициент поглощения dп(l)
определяется по графику рис. 1, и значение экспоненциального множителя
вычисляется для заданной дальности действия РЛС.
Таким образом, в формуле (9) остаются только две
неизвестные величины - время облучения Tобл и площадь раскрыва антенны Sпр.
Sпр» 2800 l2/QАЗQУМ,
(10)
Решая совместно (8) и (9), получаем значение
Тобл и угловых размеров луча QАЗ и QУМ.
QАЗQУМ= Тобл Кобз ср
ФАЗ ФУМ / Тобз
=
Тобл=0,205с.
QАЗ= QУМ=
Sпр» 2800 l2/QАЗQУМ=0,102м2
Характеристики импульсного излучения
Для импульсной РЛС необходимо выбрать
характеристики импульсного излучения: частоту следования, вид излучения
(когерентное или некогерентное), длительность и форму импульсов и их тонкую
структуру (простые немодулированные, фазоманипулированные,
частотно-модулированные). Этот выбор определяется в основном требованиями к
разрешающей способности и точности РЛС по дальности и скорости.
Если от РЛС не требуется разрешения целей по
скорости и её измерения, то естественно принять вначале некогерентный вариант
РЛС. Импульсная мощность Pи, средняя мощность Pср, частота следования импульсов
Fии длительность импульсов tи связанны соотношением
Pср= PиFиtи. (11)
Если в качестве генератора используется
магнетрон, то импульсная мощность является величиной заданной и практически не
изменяемой. При этом варьировать можно только частоту следования и длительность
импульса. Применяя многокаскадный передатчик, можно считать переменной
величиной и Pи.
Для однозначного измерения длительности должно
выполняться условие:
Fи <c/2Dмакс. (12)и <
Длительность импульсов выбирается, главным
образом, исходя из требований разрешения по дальности. Реальная разрешающая
способность по дальности равна
d(D)= gD 0.5ctи,
(13)
tи= 2d(D)/сgD,
(14)
где gD - коэффициент
ухудшения потенциальной разрешающей способности по дальности. ПримемgD
= 4.
tи=
=1,6
Среднеквадратическая ошибка определения
дальности в этом случае равна
s(D)= hD 0.5ctи/
,
где hD - коэффициент
ухудшения потенциальной среднеквадратической ошибки (точности измерения) по
дальности. ПримемhD = 6.
s(D)=
Если длительность импульсов, определенная из
(14), оказывается меньше той, которая получается из (11), следует увеличить
время облучения за счет уменьшения скорости обзора или увеличения ширины луча.
Если это недопустимо из-за ухудшения точности и разрешения по угловым
координатам и требуемого темпа выдачи информации, следует рассмотреть
возможность перехода на более длинную волну, так как в этом случае обычно
увеличивается и располагаемая импульсная мощность генератора. При этом
необходимо также увеличивать и размеры антенного устройства. Если же условия
работы РЛС не позволяют этого, то следует сделать вывод о невозможности
удовлетворить поставленным требованиям при некогерентном излучении простых
импульсных сигналов и необходимо применить сложные сигналы.
Во всех случаях импульсного излучения число
импульсов в пачке, накапливаемых при обработке, можно определить при выбранной
частоте следования по формуле
NC= FИТобл= FИQ0.5/WA
, (15)
где WA - угловая
скорость движения луча РЛС, град/с.=833,3*0,205 = 170,82
WA=833,3*0,299/170,82 = 1,458 (АФАР)
Определим импульсную мощность передатчика по
формуле (11):
Pи=Pср/Fиtи=
100/833,3*1,6*10-7=750030(Вт)
Уточнение параметров РЛС
Построение окончательной функциональной схемы
В общем случае импульсная РЛС имеет следующий
вид
Рис. 5
Когерентно-импульсная РЛС с фазируемым
когерентным гетеродином (система СДЦ с эквивалентной внутренней
когерентностью):
Рис. 6
Генератор станции должен быть импульсным. Схема
псевдокогерентнойимпульсной РЛС с фазируемым когерентным гетеродином.
Особенность станций такого типа состоит в том, что импульсы СВЧ генератора
некогерентны.
В станциях такого типа задающий высокостабильный
генератор работает, например, на частоте, равной промежуточной частоте f0=fпр
приемника. Для создания зондирующего сигнала, колебания задающего генератора
умножаются по частоте в n раз, усиливаются по мощности и проходят через каскад
импульсной модуляции.
Выбор генератора СВЧ
Генерирование и усиление колебаний в диапазоне
СВЧ реализуется с помощью электронных приборов различных типов: генераторных
триодов, тетродов, пролетных (ПК) и отражательных (ОК) клистронов, магнетронов,
ламп бегущей волны (ЛБВ), ламп обратной волны (ЛОБ), платинотронов и др. Каждый
из этих приборов имеет определенные достоинства и недостатки, а поэтому свои и
преимущественные (оптимальные) области применения. При составлении структурной
схемы радиопередающего устройства следует выбирать такой прибор, который в
наибольшей степени удовлетворяет заданным требованиям, являясь в этом отношении
оптимальным.
Проведя сравнительный анализ, в качестве
генератора СВЧ выберемЛОВ-М(карсинотроны), т.к. он имеет достаточную выходную
мощность иприемлемый кпд.
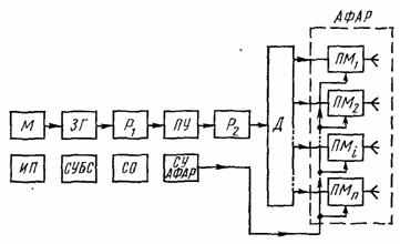
В качестве передатчика СВЧ был выбран передатчик
типа «активной фазированной антенной решетки» (АФАР):
Рис. 7
Методы обзора пространства
Метод обзора пространства выбираем строчный
(зигзагообразный), так как рассчитываемая РЛС предполагает измерение обеих
угловых координат применяя однолучевой обзор, то сканирование совершается
игольчатым лучом зигзагообразно. При этом период обзора больше, чем при
круговом или секторном вращении плоского луча.
Строчный (зигзагообразный) обзор означает
колебательное движение луча по азимуту или углу места с постепенным изменением
его положения по другой угловой координате. Такая траектория луча выгодна тем,
что позволяет устанавливать секторы обзора независимо по азимуту и углу места.
сигнал волна радиолокационный
станция
Рис. 8 - Строчный обзор иглообразным лучом
Выводы
В ходе выполнения НИРС была рассчитана РЛС в
соответствии с исходными данными. Была выбрана структура РЛС и отдельные
функциональные элементы.
Литература
1. Васин
В.В., Степанов Б.М. Справочник-задачник по радиолокации. М., «Сов.радио», 1977,
320 с.
2. Белоцерковский
Г.Б. Основы радиолокации и радиолокационные устройства. М., «Сов. Радио», 1975.
. Передающие
устройства СВЧ: Учебн. пособие для радиотехнич. спец. Вузов / Вамберский М.В.,
Казанцев В.И., Шелухин С.А.; под ред. М.В. Вамберского - М.: Высш. шк.,
1984-448 с.
4. Проектирование
радиопередающих устройств СВЧ: Учеб. Пособие для вузов / Уткин Г.М.,
Благовещенский М.В., Жуховицкая В.П. и др.; под ред. Г.М. Уткина.- М:
Сов.радио, 1979.-320 с.
5. Приемники
радиолокационных станций с селекцией движущихся целей: Учебн. Пособие по II
части курса Радиоприемные устройства / Канд. техн. Наук В.А. Довженко, изд.
МИРЭА, 1978.
. Изюмова
Т.И., Свиридов В.Т. Волноводы, коаксиальные и полосковые линии. М., «Энергия»,
1975.
. А.В.
Харвей «Техника сверхвысоких частот» Перевод с англ. под ред. В.И. Шушкевича,
М., «Советское радио», 1965.