Обоснование тактико-технических характеристик антенной системы самолета дальнего радиолокационного дозора и наведения
1.
Обоснование тактико-технических характеристик антенной системы самолета
дальнего радиолокационного дозора и наведения
.1 Анализ
боевого применения самолетов дальнего радиолокационного дозора и наведения
.1.1 Предназначение и задачи, решаемые самолетами дальнего
радиолокационного обнаружения
Авиационный комплекс радиолокационного дозора и наведения (АКРЛДН)
является всепогодной системой дальнего обнаружения воздушных целей (ВЦ) и
наведение на них средств ПВО [6]
АКРЛДН предназначен для создания на дальних подступах к зоне ПВО
вынесенных рубежей обнаружения средств воздушного нападения противника.
Комплекс должен обнаруживать все типы ВЦ на любых высотах в том числе и на
предельно малых, во всем диапазоне их боевого применения в том числе и на фоне
мешающих отражений от земли. Данные о воздушной обстановке передаются на
командные пункты и центры управления ВВС и ПВО всех видов вооруженных сил.
АКРЛДН используется для усиления воздушного контроля на угрожающих
направлениях и быстрого восстановления нарушенного радиолокационного поля. С
помощью АКРЛДН осуществляется управление фронтовой авиацией при решении задач
завоевания превосходства в воздухе и непосредственной поддержки сухопутных
войск.
Высокогерентная импульсно-доплеровская радиолокационная станция (РЛС)
трехкоординатная, кругового обзора позволяет обнаруживать и сопровождать по
траекториям движения воздушные цели (включая малоразмерные) в свободном
пространстве и в условиях маловысотного полета на фоне подстилающей поверхности
(вода и земная поверхность любого рельефа), а также надводные корабли.
Радиолокационная станция, работающая в сантиметровом диапазоне, способна
обнаружить цель класса "истребитель", летящую на малой высоте на фоне
земли на дальности 200-400 км, на большой высоте - 300-600 км. Морские цели
обнаруживаются на удалении до 400 км.
Основные задачи, решаемые самолетами ДРЛО заключаются в следующем:
1 Обнаружение, определение координат и сопровождение воздушных целей
(возможно использование А-50 и для обнаружения морских целей).
2 Наведение истребительной авиации, как из положения дежурства в
воздухе, так их положения дежурства на земле на выбранные цели. Взаимодействие
с перехватчиками осуществляется как по фиксированным автоматизированным каналам
наведения, так и в ручном режиме при использовании обычных каналов связи с
подачей команд в эфир голосом
Передача информации о воздушной обстановке на центры управления
ВВС и ПВО страны, ПВО сухопутных войск и ВМФ (возможна передача информации на
всплывшие подводные лодки), а также спутниковым потребителям информации.
Управление воздушным движением и наведение на цель.
Обнаружение, измерение координат и сопровождение наземных и
надводных целей.
Вывод самолетов фронтовой авиации в район ведения боевых
действий.
Государственное опознавание всех целей.
Пеленгация постановщиков активных помех.
Самолет может выполнять задачи как автономно, так и в составе
автоматической системы управления авиацией. Действуя автономно, самолет ДРЛО
выполняет функции воздушного пункта наведения.
1.1.2 Анализ необходимости совершенствования антенной системы
Известно [10], что для увеличения требуемой дальности обнаружения
малозаметных воздушных целей, разработанных по технологии «Стелс»
целесообразным является изменение частотного диапазона у радиолокационной станции
АК РЛДН, а также увеличение мощности сигнала излучаемого антенной системой.
До появления малозаметных летательных аппаратов, разработанных по
технологии «Стелс», рабочую длину волны выбирали, исходя, прежде всего, из
требований к коэффициенту направленного действия (КНД) антенны, из углового
разрешения, условий распространения радиоволн и допустимых массогабаритных
характеристик антенны. Из этих соображений выгодно было иметь как можно меньшую
длину волны. Во вторую очередь учитывалось наличие и состояние элементной базы
радиоприемных, радиопередающих и антенно-фидерных устройств для различных
диапазонов длин волн, что и ограничивало снизу рабочую длину волны. Некоторые
различия эффективной площади рассеяния (ЭПР), принимались во внимание, однако
решающего значения не имели.
Появление в последнее время средств воздушного нападения с ЭПР,
составляющей десятые доли квадратного метра, приводит к тому, что комплексов
ДРЛО таких как Е - 3, Е - 2С и А-50 наблюдается резкое сужение площади зоны
обнаружения, что, в свою очередь, вызывает необходимость значительного
увеличения требуемого количества самолетов для прикрытия больших областей на
угрожаемых направлениях нанесения удара СВН.
Так, согласно [11], для самолетов ДРЛО Е - 3 и Е - 2С дальность
обнаружения ЛА с ЭПР, равной 0,01 м2, сократилась до 54 и 48 км соответственно
по сравнению с обнаружением ЛА с ЭПР, составляющей 50 м2, на дальности, равной
632 и 480 соответственно. Для обеспечения согласования потенциальной и
энергетической площади зоны обнаружения необходимо примерно в 3 - 5 и 4 - 7,5
раз увеличить дальность обнаружения воздушных целей с ЭПР, равной 0,1 - 0,01
м2, на современных самолетах Е - 3 и Е - 2С соответственно. Это потребует
увеличения средней мощности передатчиков в 81 - 625 и 256 - 3100 раз. Поскольку
средняя мощность РЛС комплексов Е - 3 и Е - 2С достаточно велика и составляет
10,8 - 15 и 3,5 - 3,9 кВт соответственно, то повысить ее на указанную выше
величину не предоставляется возможным.
Наиболее подходящими путями решения этой проблемы является, во первых,
применение антенн, способных работать на достаточно большой длине волны и
имеющих соответственно большую апертуру. Во вторых, способных излучать
достаточно мощный зондирующий сигнал. Такие антенны должны иметь полностью
электронное сканирование для обеспечения возможности использования гибкой
программы обзора пространства с увеличением времени облучения целей при
одновременном увеличении на реалистическую величину средней мощности излучения.
Из вышесказанного следует, что для повышения дальности обнаружения
летательных аппаратов с малой ЭПР необходимо увеличивать длину волны и мощность
излучаемого сигнала.
Однако увеличение длины волны приводит либо к ухудшению разрешающей
способности РЛС по угловым координатам (если геометрические размеры антенной
решетки остаются прежними), либо к пропорциональному увеличению требуемых
размеров антенны (при сохранении углового разрешения). Так, при увеличении
длины волны радиолокатора АК РЛДН в 3 раза, увеличение геометрических размеров
антенной системы возрастет также в 3 раза и составит, по сравнению с
существующей АР [10], около 30 метров. В качестве одного из способов размещения
антенной системы на борту ЛА предлагается установить ее вдоль фюзеляжа самолета
- носителя сверху ЛА.
Увеличение длины волны радиолокатора АК РЛДН, кроме повышения возможности
обнаружения целей с малой ЭПР, также приводит к повышению максимального времени
когерентного накопления сигнала, что способствует увеличению отношения «сигнал
шум» и повышает способность разрешать цели в плотных боевых порядках [12].
Кроме того, повышается помехозащищенность и живучесть систем и средств
обнаружения.
1.1.3 Разработка тактико-технических требований,
предъявляемых к авиационному комплексу радиолокационного дозора и наведения
(АКРЛДН)
Исходя из анализа боевого применения самолетов ДРЛО, используемый ими
комплекс РЛДН должен обеспечивать:
. Обнаружение, распознавание и разведку целей в зоне ведения боевых
действий.
Технические характеристики самолетов ДРЛО, стоящих на вооружении
зарубежных стран [13], а также анализ их применения при ведении боевых действий
в локальных конфликтах показал, что самолет такого класса способен за один
проход антенны РЛС обнаружить и распознать до 600 воздушных целей. Кроме того,
опыт применения авиации многонациональных сил в зоне Персидского залива и
Югославии, где комплекс на базе самолета А-50 успешно обнаруживал и сопровождал
самолеты союзников, наносившие удары по Ираку с территории Турции показал, что
большая роль в современной воздушной войне отводится малозаметным летательным
аппаратам, главной задачей которых является уничтожение ПВО противника и
создание коридора для пролета основных сил. Исходя из сказанного,
разрабатываемый авиационный комплекс должен обеспечить обнаружение и разведку
до 600 воздушных целей, в том числе и выполненных по технологии «Стелс».
Уступая американскому E-3 в дальности обнаружения целей и по числу
автоматизированных каналов наведения, А-50 превосходит его по уровню выделения
целей на фоне мешающих отражений от земной поверхности
. Вывод летательного аппарата в район уничтожения воздушных целей и
возвращение их на место базирования. Количество воздушных целей действиями,
которых должен управлять АК РЛДН, определяется в основном вычислительной
мощностью бортовой ЭВМ и пропускной способностью радиоканала командной
радиолинии управления. Исходя из анализа характеристик авиационных систем,
стоящих на вооружении стран НАТО, общее количество наводимых аналогичным
комплексом самолетов не превышает 45 % от общего числа обнаруженных воздушных целей.
Таким образом, количество летательных аппаратов, действием которых должен
управлять АК РЛДН, не должно быть меньше, чем 270. память
В бортовую ЭВМ (построен с использованием БЦВМА-50) радиотехнического
комплекса «Шмель» заложены данные о спутниках, с помощью которых можно
ретранслировать информацию практически на неограниченную дальность (E-3 такой
возможностью не обладает)
. Определение государственной принадлежности воздушных, наземных и
надводных целей. АК РЛДН должен обеспечивать определение государственной
принадлежности всех целей, обнаруженных им в зоне боевого дежурства.
. Определение группировок наиболее опасных воздушных целей на применяемом
театре военных действий.
Все цели делятся на две большие группы: опасные и неопасные. Неопасными целями
являются цели, находящиеся на удалении, не позволяющем им применить свое
оружие. К опасным целям относятся цели, которые угрожают государственным и
военным объектам, расположенным на охраняемой территории или цели, угрожающие
самому самолету ДРЛО. Для определения группировок наиболее опасных воздушных
целей в АК РЛДН должны использоваться следующие критерии:
- количество летательных аппаратов в группе;
- величина эффективной площади рассеяния;
- скорость движения группы;
- направление полета группы;
- минимальное время сближения;
- допустимому расстоянию возможного применения оружия.
5. Выполнение поставленных боевых задач при выходе из строя части
оборудования.
Входящая в состав АК РЛДН бортовая вычислительная система должна иметь
минимум двукратное резервирование, так как она обеспечивает выполнение
требований, перечисленных в пп. 1, 2 и 4.
. Время непрерывной работы комплекса определяется временем полета
самолета-носителя.
При использовании в качестве носителя самолета ИЛ - 76, время непрерывной
работы составляет не менее 12 часов.
. Аппаратура, входящая в состав радиоэлектронного комплекса, не должна
создавать помехи другим средствам электро- и радиооборудования.
В связи с этим, в состав комплекса должно входить устройство,
определяющее протокол работы, входящих в него радиотехнических систем.
. Время наработки на один отказ определяется надежностью самого сложного
устройства, входящего в состав комплекса. Самой сложной из всех систем является
радиолокационная станция. Наработка на отказ радиолокационной станции не должна
быть меньше, чем время нахождения самолета в полете, то есть менее чем 12
часов.
. Для обеспечения предполетной проверки, проверки по сокращенной
программе в воздухе и выдачи информации об исправности комплекса на индикаторы
аппаратуры отображения информации, в состав комплекса должна входить система
встроенного контроля.
. С целью анализа результатов боевых полетов и полетов по программе
учебно-боевой подготовки на борту, в состав комплекса должна входить
аппаратура, обеспечивающая запись основных параметров полета и стыковку с
наземным средством для их обработки.
. Питание комплекса должно осуществляться от общих самолетных источников.
. Комплекс должен иметь наименьшие возможные массу и габариты, а также
обеспечивать наиболее компактное размещение на борту самолета. Известно, что
полезная нагрузка самолета ИЛ-76 составляет 40000 килограмм. Тогда общая масса
устанавливаемого на борту оборудования будет равна разности между полезной
нагрузкой и общей массой обслуживающего персонала. Учитывая, что стандартная
масса одного человека составляет 90 кг, а в состав экипажа входит 14 человек,
то общая масса обслуживающего персонала составляет 1260 килограмм. Таким
образом, масса всего оборудования не должна быть больше, чем 38740 кг.
2. РАЗРАБОТКА ПРОЕКТИРУЕМОЙ СХЕМЫ
.1 Выбор и
обоснование структурной схемы авиационного комплекса радиолокационного дозора и
наведения
Структурная схема, построенная с учетом требований, предъявленных к АК
РЛДН, представлена на рисунке 1. В ее состав входят следующие элементы:
- бортовой радиотехнический комплекс (БРТК);
- пилотажно-навигационный комплекс (ПНК);
- бортовой комплекс обороны (БКО).
Рисунок 1. Структурной схемы авиационного комплекса радиолокационного
дозора и наведения
Помимо перечисленных комплексов АКРЛДН должен иметь бланкирующую систему,
то есть систему, которая обеспечивает электромагнитную совместимость
перечисленных комплексов. Под электромагнитной совместимостью в данном случае
понимается запирание приемников комплексов на время работы передатчиков, либо
наоборот.
Большинство требований, предъявляемых к комплексу реализует БРТК, в
состав которого входит:
- радиолокационная система (РЛС);
- аппаратура опознавания, радиовизирования и передачи команд (АОРВ
и ПК);
- аппаратура отображения информации и управления, а также
средства документирования информации (АОИ и У);
- аппаратура синхронизации комплекса и преобразования
навигационных данных (АС и ПНД);
- комплекс средств связи (КСС);
- аппаратура коммутации и контроля.
Каждая из выше перечисленных систем решает свой определенный круг задач.
Так аппаратура опознавания, радиовизирования и передачи команд наведения
обеспечивает:
- опознавание государственной принадлежности воздушных и
надводных объектов, оборудованных ответчиками систем радиолокационного
опознавания;
- радиовизирование воздушных объектов, оборудованных
специальными ответчиками, с целью определения их координат и приема полетной
информации от этих объектов, а также радиовизрования приемопередающего центра
(ППЦ) для уточнения его местоположения;
- передачу команд наведения на истребители и
истребители-перехватчики.
Бортовая вычислительная сеть представляет собой многомашинную двукратно
резервированную систему обработки информации с радиальными связями как машин с
абонентами комплекса, так и между собой. Она предназначена для:
- автоматизированного сопровождения траекторий до 600 целей;
- автоматизированного управления действиями истребителей и
перехватчиков при наведении их на воздушные цели;
- вывод фронтовой авиации в район наземных целей.
Помимо основных, входящая в состав авиационного комплекса вычислительная
сеть должна обеспечивать автоматизированное опознавания целей и оповещения
командных пунктов автоматических систем управления, а также соседних АК РЛДН.
Исходя из вышесказанного следует, что основу вычислительной системы
должны составлять не менее шести БЦВМ: трех основных и трех резервных.
Аппаратура отображения информации и управления комплексом обеспечивает
боевой расчет комплекса необходимой информацией с тактической обстановкой в
зоне его ответственности о ходе выполнения своей авиацией боевых задач, о
работоспособности элементов комплекса, в том числе и самой аппаратуры
отображения. Аппаратура также должна обеспечивать свободное вмешательство лиц
боевого расчета в ход решаемых задач и ввод в БВС необходимой для этого
информации.
Аппаратура синхронизации и преобразования навигационных данных
предназначена для обеспечения правильного счисления координат летательного
аппарата и точного определения параметров его движения.
Комплекс средств связи представляет собой средства связи, которые
используются в телекодовых и оперативно-командных радиомаяках обеспечивающих:
- ведение двухсторонней оперативно-командной радиосвязи в
радиотелефонном режиме с наземными центрами, пунктами управления, соседними
АКРЛДН, истребителями и перехватчиками;
- передачу и прием по телекодовым каналам связи информации из
БВС и для БВС.
В его состав должна входить следующая аппаратура:
- аппаратура коротковолновых радиолиний с аппаратурой
адаптации;
- аппаратура радиолиний МВ-ДМВ диапазонов;
- аппаратура широкополосной радиолинии;
- аппаратура спутниковой радиолинии.
Следующим необходимым для решения задач АКРЛДН является
пилотажно-навигационный комплекс. Он обеспечивает решение задач
самолетовождения как при полетах в зонах дежурства, так и при полетах по
маршрутам. Также данные используются в БРТК для привязки измеренных координат
целей к единой системе координат, связанной с наземной АСУ и для формирования
стабилизирующих и компенсирующих сигналов.
БКО же включает в себя только средства РЭП. Из БКО в БРТК поступает
информация об облучающих РЛС воздушных объектов, опасных для самолета. В БКО из
БРТК поступает информация о воздушной обстановке. В соответствии с предъявленными
требованиями информация о наиболее опасных целях, должна поступить в БРТК
тогда, когда расстояние между самолетом ДРЛО и самолетом противника будет не
менее максимальной дальности применения противником оружия. Это расстояние
составляет около 150-170 км.
Для обеспечения работоспособности комплекса, а также для своевременного
обнаружения вышедших из строя узлов и систем в состав комплекса должна входить
аппаратура коммутации и контроля.
2.2 Выбор
и обоснование структурной схемы радиолокационной станции
Бортовая РЛС является основным элементом АКРЛДН. Исходя из предъявленных
требований, она должна обеспечивать на заданной дальности обнаружение всех
типов воздушных и надводных целей. Для выполнения всех вышеперечисленных задач
в РЛС должны быть обеспечены следующие режимы работы:
- когерентный импульсно-доплеровский режим с обзором в
угломестной плоскости;
- когерентный импульсно-доплеровский режим с фиксацией одного,
луча антенны в угломестной плоскости (высота цели не измеряется);
- некогерентный режим с низкой частотой повторения,
используемый для обнаружения надводных морских целей;
- режим пеленгации постановщиков активных помех, работающий
совместно с основными режимами. Кроме того возникает необходимость
комбинировать когерентный и некогерентный режимы с периодичностью 2:1 и 5:1
[12].
Структурная схема радиолокационной станции представлена на рисунке 2.
По своей структуре РЛС должна быть импульсно-доплеровской. В состав
основных элементов РЛС входят:
- крупноапертурная фазированная антенная система -
предназначена для формирования ДН нужной формы (в зависимости от режима
работы), излучения высокочастотной энергии, приема отраженных сигналов;
- передатчик и задающий генератор - предназначен для
формирования зондирующих, гетеродинных, контрольных сигналов;
Рисунок 2: Структурная схема радиолокационной станции
-система цифрового управления - предназначена для того, чтобы выставлять
луч ДН в заданную точку воздушного пространства по командам от БЦВМ.
- блок усиления промежуточной частоты - предназначен для
усиления сигналов после первичной обработки их в антенной системе. Так как
длина антенной системы большая, от каждого модуля сигнал поступает на
промежуточной частоте по коаксиальному кабелю. Предполагая, что геометрические
размеры модуля АФАР должны быть минимальными, а устройство системы охлаждения
наиболее простым, зададимся условием, что сигнал на выходе модуля не должен
превышать 0,5 Вт. Зная затухание ЭМВ в кабеле и расстояние от каждого модуля до
суммирующего устройства определить величину сигнала.
- устройство аналоговой режекции - предназначено для
преобразования и усиления входных сигналов, многоканальной фильтрации,
обнаружения сигналов целей, выделения шумовой помехи, формирования сигналов
измерения дальности, угловых координат и скорости сближения, непрерывного
сопровождения по дальности, углам и скорости сближения;
- блок цифровой обработки информации - предназначен для
оконечной для оконечной узкополосной фильтрации и обнаружения целей;
- генератор промежуточной частоты;
- синхронизатор - предназначен для синхронизации устройств,
входящих в состав станции;
- коммутатор - предназначен для коммутации СВЧ сигнала, а также
для коммутации сигнала при поступлении команд (стробов) на запрет излучения. Излучение
воспрещается в начале каждого такта, когда производится перестройка
управляемого гетеродина, смена частот повторения и другого переключения в
структуре БРЛС;
- блок питания - предназначен для подачи питающих напряжений
всем потребителям, входящим в состав РЛС;
- встроенная автоматизированная система контроля -
предназначена для оценки технического состояния РЛС при оперативных
подготовках, периодическом осмотре и в полете.
Принцип работы структурной схемы состоит в следующем. Принятый с помощью
активной фазированной антенной решетки и усиленный до необходимого уровня
полезный сигнал на частоте Fпр поступает на блок усиления промежуточной частоты
(УПЧ). В блоке УПЧ происходит дополнительное усиление сигнала и стробирование
элементами разрешения неоднозначной дальности. В узле аналоговой режекции
происходит выделение сигнала кварцевым гребенчатым фильтром на фоне мешающих
отражений от земли. После аналоговой режекции происходит цифровая режекция и
выполняется спектральный анализ с помощью алгоритма быстрого преобразования
Фурье в блоке цифровой обработки информации. В этом же блоке реализованы
обобщения отметок цели, отбрасывания ложных целей, определение отметок целей
однозначной дальности азимута, угла места и радиальной скорости. ЦВМ готовит
информацию РЛС в виде формуляра цели, который в каждом цикле обзора содержит:
- полярные координаты, привязанные к направлению на север;
- проекцию скорости цели на линию визирования РЛС.
Формуляр цели выдается в систему сопровождения, которая является частью
бортовой вычислительной системы.
Для формирования сигнала на передачу генератор промежуточной частоты
формирует гармонические колебания, промодулированные полезным сигналом с
модулятора. Далее сигнал подается на приемо-передающий модуль АФАР, где в 3х
каскадном оконченном усилителе происходит его усиление до необходимого уровня и
излучение в пространство. Синхронизация работы устройства осуществляется
внутренним синхронизатором, работающим по сигналам синхронизации станции.
Для эффективной работы в условиях постановки противником помех в РЛС
предусмотрены следующие режимы:
- когерентного импульсно-доплеровский режим;
- режим низкого уровня боковых лепестков диаграммы
направленности антенны, который достигается дополнительного использования
канала ПАП в режиме пеленгации помех;
- наличие схемы поддержания уровня ложной тревоги на выходе
приемного устройства.
РЛС является основным источником информации о воздушных и надводных целях
в некогерентном режиме (режим НЧ). Благодаря когерентному
импульсно-доплеровскому режиму работы РЛС, обеспечивается обнаружение как
высотных, так и низколетящих целей на фоне земной и водной поверхности. В
пассивном режиме обеспечивается пеленгация источников активных помех
Для одновременного обнаружения воздушных целей во всем просматриваемом
объеме целесообразно сформировать многолучевую диаграмму направленности в
угломестной плоскости (рисунок 3). В этом случае за один проход луча антенной
системы будет возможно просмотреть все контролируемое пространство с требуемой
разрешающей способностью и определить высоту расположения цели. Для
однозначного определения высоты расположения цели и разделения процесса
обработки в вычислительной системе все имеющиеся лучи необходимо разделить по
частоте.
Рисунок 3. Внешний вид многолучевой диаграммы направленности антенной
системы в угломестной плоскости
2.3 Требования
к антенной системе
Основные требования, предъявляемые к новой антенной системе, вытекают из
перечня задач, решаемых комплексом самолета ДРЛО, а также из требований к РЛС,
использующей разрабатываемую антенную систему. В частности, предлагаемая
антенная система должна обладать следующими характеристиками:
- должна формировать ДН игольчатой формы, позволяющие улучшить
характеристики разрешения по угловым координатам;
уровень боковых лепестков ДН не должен превышать - 50…-60 дБ для первого
бокового лепестка. Так как в противном случае возможен выход из строя приемного
тракта бортовой РЛС мощным зондирующим сигналом, отраженным от земной
поверхности;
-
сектор обзора по азимуту должен составлять ±±700. Ограничение диапазона
сканирования вызвано расширением луча ДН антенной системе при приближении его к
плоскости решетки, а соответственно и ухудшению точностных характеристик РЛС;
сектор
обзора по углу места должен составлять 25-30 градусов. Данная цифра получена на
основе следующих соображений. Основной задачей комплекса является обнаружение
всех возможных целей на требуемой дальности. В рассматриваемом секторе обзора
по углу места контролируемая область должна ограничиваться сверху максимальной
высотой полета летательного аппарата истребительной авиации (18000 м), а снизу
зоной контроля земной поверхности.
Однако
из-за сильного влияния альтиметровых отражений, а также из за расположения
антенной системы в непосредственной близости от плоскости крыла луч диаграммы
направленности антенной системы нельзя опустить перпендикулярно вниз. Угол
наклона луча антенной системы будет определятся максимальной мощностью отраженного
от земной поверхности сигнала на входе приемника. Исходя из сказанного и
учитывая, что мощность сигнала на входе приемника должна составлять примерно
10-14 Вт, а коэффициент загрубления АРУ около 170 дБ угол наклона должен быть
равен 12 - 150;
габаритные
характеристики: размер раскрыва в азимутальной плоскости не более 43 метров, в
угломестной плоскости не более 3 метров; глубина антенной системы в
направлении, перпендикулярном большой оси антенны, должна составлять не более 1
метра. Необходимость таких ограничений заключается в следующем. Прямая часть
фюзеляжа самолета, который является носителем комплекса ДРЛО (ИЛ-76) составляет
примерно 43 метра.[13] Поэтому целесообразно проводить размещение АФАР
задействовав только его прямолинейную часть. Размер в угломестной плоскости
выбран из условий улучшения аэродинамических свойств летательного аппарата, с
учетом того, что он не приведет к ухудшению качества обнаружения и разрешающей
способности.
антенная
система должна формировать 4 луча для качественного обзора в угломестной
плоскости просматриваемого пространства, причем один такт обзора сектора не
должен быть менее 2,2 мс. Данная цифра получена из условий необходимого времени
облучения цели для ее обнаружения. Исходными данными при выборе этого параметра
служили следующие соображения. Необходимое время облучения цели РЛС для
обнаружения составляет примерно 11 мкс [14]. Сектор обзора по азимуту в нашем
случае составляет 1400. Ширина диаграммы направленности в азимутальной
плоскости составляет 0,70, следовательно, весь сектор обзора разбит примерно на
200 равных областей. Исходя из этих рассуждений нетрудно получить заявленную
цифру.
время
переключения с одного положения на другое должно составлять, согласно исходных
данных, 10 мкс. Данное время определяется быстродействием элементной базы,
входящей в состав диаграммообразующей схемы, а также из необходимости
мгновенного выставления луча в заданную точку пространства. Уменьшение
необходимо из условий обеспечения качественного слежения за целью, так как на
большой дальности увеличение времени может привести к срыву слежения, ввиду
большой маневренности и скорости движения современных летательных аппаратов на
максимальной дальности.
2.4
Определение параметров активной фазированной антенной решетки
.4.1
Определение дальности обнаружения воздушных целей
При определении дальности обнаружения комплекса, в состав которого входит
разрабатываемая АФАР, будем использовать следующую формулу:[15]
,(2.1)
где
РРЛС - мощность РЛС, Вт; tи - длительность импульса, мкс; G - коэффициент
направленного действия; l - длина волны, см; s - средняя
эффективная площадь отражения (ЭПО) объекта, м2 ; Кш - коэффициент шума; К -
постоянная Больцмана, равная
; Кр -
коэффициент различности; Tо - температура в кельвинах.
Расчёт
(2.1) будем проводить с учётом заданных исходных данных: l = 30 с;, разрешающей способности по дальности
выходной мощности излучения единичного модуля
.
Определим
мощность РЛС РРЛС. Как было сказано ранее разрабатываемая нами антенная система
устанавливается вдоль фюзеляжа самолета. Известно, что [13] прямая часть
фюзеляжа составляет 43,25 м. Исходя из сказано и используя [2] определим
размеры одиночного излучателя:
,
где
х- размер излучателя, см.
После подстановки известных значений получаем
Отсюда следует, что количество излучателей в линейке АФАР будет
составлять:
,
где
N- количество излучателей, D - толщина стенок единичного
излучателя, равная 0,1 см, К - прямая часть фюзеляжа, м.
После подстановки получим:
Принимая во внимание аэродинамических особенностей размещения антенного
полотна сверху фюзеляжа самолета определяем, что высота антенной системы не
должна превышать 2 метра, следовательно количество линеек антенной системы
составляет:
,
где
Н - высота антенной системы, м; М - количество линеек антенной системы, DН - предельно допустимое расстояние между рядами излучателей, которое
определяется особенностью охлаждающей системы модулей. Принимая во внимание,
что охлаждение будет осуществляться посредством циркуляции воздуха, расстояние
между линейками должно составлять не менее 50% от геометрической высоты модуля.
Тогда,
.
Исходя их полученных данных, определим общее количество излучателей в
решетке:
,
где
В - общее количество излучателей.
.
Из
исходных данных известно, что
, тогда
общая мощность РЛС определится как
Величину tи
определяем на основе заданной разрешающей способности по дальности [15].
,
где
С - скорость света, равная
Исходя
из этого выражения
Теперь зададимся коэффициентом различности Кр. Согласно [15] он равен.
,
где q - отношение сигнал/шум на входе приемника.
Отношение сигнал/шум можно определить используя
,
где, PЛТ - вероятность ложной тревоги; PПО - вероятность правильного
обнаружения.
Известно [15], что для таких радиолокационных систем PЛТ и PПО составляют
0,09 и 0,91 соответственно.
.
Отсюда
= 4,229, а Кр = 2,115
Заметим, что данный коэффициент определен с учётом того, что используется
один сигнал (то есть РЛС работает в режиме ОБЗОР)
Определимся с коэффициентом шума приемника. Согласно графика [15]
значение Кш на частоте 1 ГГц равно 0,75.
Температура работы приемника в кельвинах
.
Найдем
значение ЭПО. Согласно [15] ЭПО цели может лежать в пределах от 15…3. При
проведении расчетов будем использовать самый наихудший вариант, то есть
.
Теперь
определим коэффициент направленного действия антенной системы. Известно [16],
что он зависит от вида используемого излучателя.
В
качестве излучателя разрабатываемой АФАР будем использовать пирамидальный
рупор. Его выбор обусловлен следующими причинам:
- он является естественным продолжением волноводной секции, где
расположено возбудитель электромагнитного колебания;
- характеризуется высоким уровнем пропускаемой мощности;
- их свойства можно предсказать на основе анализа и расчетов,
что играет главную роль при проектировании.
Коэффициент направленного действия любой апертурной антенны определяется
как
,(5.2)
где S - эффективная площадь излучателя, n - коэффициент использования поверхности.
Учитывая, что стенки пирамидального рупора равны между собой его
коэффициент направленного действия можно выразить формулой:- коэффициент
направленного действия Н плоскостного рупора; DЕ - коэффициент направленного
действия Е плоскостного рупора; ар, вр - размеры стенок рупора.
Учитывая, что ар = вр = х; DH = DЕ = D; S = ар × вр = х × х получаем
S = 15×15 = 225
см2.
Принимая коэффициент направленного действия рупора [16] n = 0,64 определим (5.2)
Отсюда численное значение (5.3) составляет
.
Общей коэффициент направленного действия антенной решетки определится как
произведение
Теперь при наличии всех исходных данных определим дальность обнаружения
РЛС целей:
км
2.4.2 Определение
направленных свойств АФАР
Под направленными свойствами антенной системы понимается ее диаграмма
направленности. При проектировании особое внимание было уделено двум основным
элементам диаграммы направленности: ширине ее главного максимума и уровню
первого бокового лепестка. Первым параметром определяется разрешающая
способность, вторым, соответственно, уровень допустимой мощности излучаемой
антенной системой и как следствие дальность обнаружения целей.
Ширина главного максимума антенной системы в азимутальной и угломестной
плоскостях будет определяться ее геометрическими размерами. В свою очередь
уровень первого бокового лепестка - неравномерностью амплитудного распределения
создаваемого в раскрыве антенны.
Воспользовавшись характеристиками излучения антенн с различным
амплитудным распределением [2] определяем, что удовлетворительным для нас будет
специальное оптимальное распределение близкое к косинусу на пьедестале с
уровнем первого бокового лепестка -55 дБ. Для этого распределения ширина
диаграммы направленности в азимутальной плоскости будет определяться выражением
,
где
a - максимальный размер решетки в азимутальной или
угломестной плоскостях.
Подставляя известные значения, получаем в азимутальной плоскости ширину диаграммы
направленности равную
.
Соответственно в угломестной плоскости (для одного луча)
.
Диаграммы направленности представленные на рисунках 4, 5 и построенные с
учетом неравномерного распределения определяемого выражением:
.
Рисунок
4. Диаграмма направленности антенной системы в азимутальной плоскости
Рисунок 5. Диаграмма направленности антенной системы в угломестной
плоскости (один луч)
2.4.3 Определение
сектора сканирования по азимуту
Размеры сектора сканирования по азимуту определим исходя из
особенностей боевого применения самолетов ДРЛО. Известно, что необходимая зона,
которую нужно перекрыть по азимуту составляет около 1700 -1900 км. Так же
известно, что расстояние до этой зоны обнаружения составляет около 550-600 км.
Исходя из этих соображений рассчитаем необходимый сектор сканирования, то есть
угол в пределах которого будет перемещаться луч разрабатываемой антенной
системы (рисунок 6).
Из
рисунка видно, что
определяется выражением:
.
где D - дальность обнаружения, км; R - наибольшее удаление по дальности
при максимально возможном отклонение луча, км/
Рисунок 6. Пояснение к определению сектора сканирования антенной
системы Из рисунка видно, что проведя простейшие геометрические преобразования
получим
,
отсюда
= 1400.
2.4.4 Определение
сектора сканирования по углу места
Сектор сканирования по углу места определим исходя из следующего. Боевой
полет самолета А-50 производится на высоте порядка 11 тыс. метров. Практический
потолок самолета истребительной авиации вероятного противника F-22 Raptor составляет 18 тыс. метров. Исходя из требований к
современному самолету ДРЛО, необходимо обеспечить обнаружение не только
воздушных, но и наземных (надводных) целей на дальности 550-660 км.
Также нужно отметить, что при работе по земле формируемый антенной луч не
должен касаться консоли крыла. Исходя из этих соображений произведем расчет
сектора в пределах которого будет перемещаться луч разрабатываемой антенной
системы (рисунок 7)
Рисунок 7: Сектор обзора РЛС в угломестной плоскости
Из рисунка видно, что сектор обзора по углу места определяется из
выражения:
,
где
Θумнп- угол обзора по углу места в нижней полусфере, Θумвп- угол обзора по углу места в верхней полусфере.
Угол
обзора в верхней полусфере будет составлять 750, так при большем увеличении
угла и приближении луча к плоскости антенной системы происходит сильное
искажение диаграммы направленности.
Угол
обзора в нижней полусфере определим исходя из рисунка 7.
,
где
hпол -высота полета А-50, D - дальность до
цели.
Это
соотношение определяет сектор обзора только в одну сторону относительно
поперечной оси летательного аппарата. Следовательно, чтобы определить весь
сектор, полученное значение необходим умножить на 2.
,
где
- полный сектор сканирование в угломестной плоскости.
2.4.5 Определение
разрядности кода, необходимого для постановки луча диаграммы направленности в
заданную точку пространства
Зная сектор сканирования антенной системы и ширину диаграммы
направленности формируемого луча, определим разрядность кода, необходимую для
установки луча в любую точку пространства заданного сектора.
,
где
Nум - необходимая разрядность кода для постановки луча
в угломестной плоскости; Θумп - сектор сканирования по углу места, Θ0,5ум - ширина диаграммы направленности в угломестной
плоскости.
,
где
Nаз - необходимая разрядность кода для постановки луча
в азимутальной плоскости; Θаз -
сектор сканирования по азимуту, Θ0,5аз - ширина диаграммы направленности в азимутальной плоскости.
Необходимая
разрядность кода должна удовлетворять следующим условиям:
- разрядность кода для постановки луча в угломестной плоскости
, если n=4,
то неравенство верно
- разрядность кода для постановки луча в азимутальной плоскости
, если n=8,
то неравенство верно
2.5 Функциональная
схема антенной системы
2.5.1 Общие замечания
Как уже указывалось ранее для решения задач стоящих перед РЛС и антенной
системой в частности, необходимо выполнять ее в виде АФАР, с использованием в
качестве согласующих и управляющих элементов диаграммообразующей схемы
устройств построенных на микрополосковых линиях. Данный выбор сделан исходя из
следующих преимуществ такой антенной системы. Применение в антенной технике
полосковых и микрополосковых устройств позволяет в значительной мере снизить
массу, габаритные размеры и стоимость устройств, а также повысить их
надежность. Полосковые и микрополосковые устройства могут использоваться в
качестве печатных проводников, канализирующих систем, делителей мощности и
направленных ответвителей, фазовращателей, циркуляторов, вентилей, фильтров
и.т.д. Такие преимущества печатной технологии, как уменьшение трудоемкости
изготовления, повторяемость параметров при серийном производстве и возможность
интеграции, позволили использовать эти устройства при конструировании
диаграммообразующей схемы антенной системы с обработкой сигнала в сантиметровом
диапазоне волн.
Введение активного элемента в тракт СВЧ позволяет не только уменьшить
потери, но и увеличить излучаемую мощность, упростить распределительную систему
СВЧ и облегчить электрические требования к ней, а также снизить массогабаритные
характеристики всей антенной системы в целом. Помимо выше сказанного применение
АФАР позволяет реализовать остронаправленную диаграмму направленности, что
позволяет увеличить предельно допустимую разрешающую способность как по
азимуту, так и по углу места. Также необходимо отметить то, что реализация
нескольких амплитудно-фазовых распределений, используемых в зависимости от
реальной обстановки в АФАР значительно проще чем других антеннах СВЧ, ввиду
того, что в возбуждающие устройства можно включать коммутаторы и другие элементы,
обеспечивающие требуемое распределение и управление.
Рассматривая состав АФАР, необходимо отметить следующее. АФАР - это
многоэлементная сканирующая антенна, в тракт каждого излучателя которой,
включены активные элементы. В самом общем случае АФАР должна состоять из двух
основных узлов: антенного полотна и распределительной системы. Антенное
полотно, как правило, состоит из слабонаправленных однотипных излучателей (в
нашем случае рупорного типа). Требуемый уровень излучаемой мощности и
необходимое амплитудно-фазовое распределение сигналов, определяющее форму
диаграммы направленности, обеспечиваются диаграммообразующей схемой, основными
элементами которой являются фазирующая и распределительная система, управляемая
посредством команд формируемых центральной вычислительной системой. Элементы
диаграммообразующей схемы, относящиеся к одной группе излучателей, объединяются
обычно в единый модуль. Функции каждой из систем заключаются в следующем.
Фазирующая система предназначена для формирования необходимого фазового
распределения фазовых сигналов. В нашем случае она представляет собой систему,
формирующую аналог плоской электромагнитной волны, с управляемой фазовой
скоростью. Отличительной особенностью используемого колебания является
постоянство его частоты и изменяемость фазовой скорости, которая зависит от
частот формирующих ее генераторов. Использование для управления антенной
системой такого способа позволяет существенно сократить массогабаритные
характеристики всего полотна (за счет исключения из схемы фазовращателей), а
также снизить ее стоимость. Снижение стоимости обусловлено тем, что вместо
дорогостоящих СВЧ устройств используются относительно дешевые и маломощные
полевые транзисторы, способные обрабатывать сигнал на рабочей частоте
разрабатываемой антенной системы. Реализация вышеописанного способа подробно
рассмотренного в предыдущих дипломных проектах в основном возложена на модуль
приема-передачи. [17]. На распределительную систему возлагается функция подачи
необходимого уровня энергии на вход усилительного устройства конструктивно
расположенного в модуле АФАР. Также помимо перечисленных устройств необходимо
иметь систему управления. Ее состав, а также решаемые задачи рассмотрены ниже.
2.5.2 Функциональная схема
Разрабатываемая схема включает в себя:
приемо-передающий модуль, в состав которого входят усилитель,
переключатель прием передача, коммутатор, смесители;
гетеродин;
система управления положением луча.
Функциональная схема изображена на рисунке 8.
Как уже указывалось ранее для управления амплитудно-фазовым
распределением в АФАР, применяются различные электронно-управляемые устройства.
В нашем случае это приемо-передающий модуль.
Излучающие элементы объединяются в линейки, которые в последствии
образуют этажи. Число элементов в разрабатываемой АФАР составляет более трех
тысяч штук, число этажей более десяти. Объединение излучателей в линейки
необходимо для снижения массы кабельной системы и уменьшения ее массогабаритных
характеристик.
В формировании диаграммы направленности в заданном направлении, участвует
только рабочая зона поверхности АФАР. Чем меньше линеек входит в рабочую зону,
тем сложнее коммутатор.
Коммутатор служит для подключения в каналы последующей обработки линеек,
участвующих в образовании рабочей зоны. Число высокочастотных входов
коммутаторов равно общему числу линеек на поверхности АФАР, а число выходов
равно числу линеек входящих в рабочую зону. Коммутатор состоит из множества
высокочастотных переключателей, соединенных в соответствии с таблицей
истинности и управляемых сигналами, вырабатываемыми в блоке управления
коммутатором (БУК).
Имеющиеся на вооружении АФАР представляют собой сложную конструкцию. Эта
конструкция при внешних воздействиях (изменение температуры, дождь, снег,
ветер) претерпевает деформации, как упругие, так и необратимые. В результате
меняется положение направления главного максимума диаграммы направленности в
пространстве. Если ошибки, вызываемые этими деформациями, превышают заданную
точность визирования, появляется необходимость настройки и автоматической подстройки.
На вход блока автоматической настройки (БАН) поступает информация о геометрии
АФАР, внешних воздействиях, истинных координатах целей и реперов, по которым
проводится настройка. Вырабатываемые БАН корректирующие сигналы, подаются в
модуль приема-передачи, устраняя или уменьшая ошибки фазового распределения.
Для ослабления влияния помех применяется частотная, пространственная и
временная фильтрация. Любая направленная антенна осуществляет пространственную
фильтрацию. Однако и при пространственной фильтрации помехи с разных
направлений, попадая в боковые лепестки диаграммы направленности существенно
ухудшают прием, если их мощность намного больше мощности полезного сигнала.
Для ослабления влияния помех в АФАР применяются системы адаптации. В
следствии адаптации амплитудно-фазовое распределение изменяется таким образом,
чтобы существенно ослабить прием с направлений источников помех, сохранив при
этом достаточный уровень полезного принимаемого сигнала в направлении главного
лепестка диаграммы направленности. В результате адаптации образуются «нули» или
«провалы» диаграммы направленности в направлении действия помех.
Блок управления адаптацией (БУА) вырабатывает сигналы управления на
модуль приема-передачи (МПП). Алгоритмы, по которым вырабатываются эти сигналы
управления, зависят от наличия и полноты информации об источнике помех, а также
от выбора показателя качества адаптации.
При многоканальной антенне и моноимпульсной обработке появляется
возможность формирования 4-х диаграмм направленности, попарно смещенных на
половину ширины диаграммы направленности на уровне 0,5 от мощности (рисунок 2).
Для этого в каждый канал устанавливаются по четыре расщепляющих МПП. Сдвиг фаз
на них необходимо менять при смене направлений фазирования внутри одной рабочей
зоны и при смене рабочих зон. Следовательно, расщепляющие МПП управляемые, а
для управления предусмотрен блок управления моноимпульсной обработкой сигналов
(БУМ).
В систему управления АФАР помимо перечисленных блоков (БУМ, БУК, БАН,
БУА) входит также блок автоматического контроля (БАК) работоспособности, как
самой системы управления, так и антенной системы в целом. Следует отметить, что
контроль работоспособности АФАР требует четкого определения отказа всей
антенны. Экспериментально установлено [18], что отказ 10% всех элементов, не
приводит к отказу всей антенной системы. При этом несколько изменяется форма
диаграммы направленности, но антенна остается работоспособной.
Как уже отмечалось ранее использовать АФАР построенную по классической
схеме в проектируемой РЛС невозможно из-за высокой стоимости и массы.
2.5.3 Принцип работы
Принцип работы функциональной схемы заключается в следующем. При
включении питания в блоке управления модулем, задающий генератор начинает
вырабатывать высокостабильные гармонические колебания рабочей частоты.
Поскольку мощность задающего генератора напрямую влияет на стабильность его
частоты, то она должна быть как можно меньше. С выхода задающего генератора
рабочее колебание поступает на усилитель мощности. В усилителе мощности обеспечивается
усиление сигнала до уровня необходимого для нормальной работы последующих
устройств.
В когерентном режиме сигнал опорного генератора должен подаваться на все
модули одновременно. Равномерное распределение энергии между модулями
осуществляется с помощью коммутатора, работой которого управляет блок
управления коммутатором. Последний в свою очередь, через систему
переключателей, управляет работой диаграммообразующих схем модулей.
Фазовый набег, приобретаемый разделенными в коммутаторе сигналами, в процессе
их следования до модуля, остается всегда постоянным. Постоянство фазового
набега обеспечивается за счет использования линий с разными коэффициентами
замедления. Далее в модуляторе происходит импульсная модуляция и сигнал после
усиления в оконечных каскадах излучается в пространство. При приеме сигнала
происходит его предварительная пространственная фильтрация, за счет
направленности антенных излучателей. После этого сигнал усиливается до
необходимого уровня и поступает транзитом через коммутатор и адаптер в
моноимпульсный блок, где происходит предварительная обработка сигнала и
определение параметров принимаемого колебания. Полученная информация о целях
поступает в БЦВМ РЛС и далее в БВС комплекса РЛДН. При поступлении излучения от
источника помех БЦВМ выдает сигналы на блок управления адаптером. БУА в свою
очередь управляет адаптером. Далее по сигналам адаптера коммутатор преобразует
распределение энергии между излучателями таким образом, что в направлении на
источник помех происходит формирование провала диаграммы направленности. При
превышении ошибок измерения параметров своих допустимых значений происходит
следующее. Информация о рассогласовании поступает на блок автоматической
настройки от БЦВМ. По сигналам от БЦВМ БАН формирует необходимые корректирующие
напряжения, исключающие ошибки измерения.
Особенностью работы антенной системы является то, что её основным режимом
работы является режим ОБЗОР. За несколько тактов режима происходит накопление
информации о воздушной обстановке. По получаемой в режиме ОБЗОР информации
происходит экстраполяция траекторий полета целей, с достаточной достоверностью
определения параметров их движения. Данная задача возлагается на БЦВМ. При
необходимости происходит переход работы системы из режима ОБЗОР в режим СОПРОВОЖДЕНИЕ.
Переход обусловлен обнаружением цели с наиболее быстро изменяющимися
параметрами (скоростью полета дальностью сближения). В направлении излучения на
эту цель формируется луч, позволяющий более точно определять параметры цели.
2.6 Разработка устройства цифрового управления положением
луча диаграммы направленности
2.6.1 Обзор перспективных разработок модулей для активных
фазированных антенных
решеток
Основным элементом АФАР во многом определяющим ее
конструктивные, электрические, механические и массогабаритные характеристики
является модуль. Таким образом, требования, предъявляемые к антенной системе в
целом, во многом будут предопределять требования, предъявляемые к единичному
модулю.
Решаемые современным бортовым комплексом задачи требуют,
чтобы были использованы интеграция и модульность высокого уровня. С этой точки
зрения наиболее подходящим вариантом конструктивного исполнения является
интегральный модуль, с одной стороны которого расположен излучающий элемент.
Как правило, все используемые в АФАР модули выполняются по
арсенидгалиевой технологии. Использование такой технологии позволяет получить
не только модуль, обладающий на СВЧ малым коэффициентом шума, но и существенно
повысить КПД источников питания, снизить его стоимость, и так далее.
Перспективная арсенидгалиевая технология, практически
отвечает одному из главных требований - соотношения
"стоимость-эффективность". Так как даже при заданной стоимости 500
долл. за один приемопередающий модуль их стоимость будет составлять приблизительно
30% стоимости производства активной ФАР с электронным сканированием.
В настоящее время известно [19] о разработке модуля, в состав
которого входит один основной многофункциональный чип, перспективная
специализированная интегральная схема, используемая в качестве схемы
управления, и одна многослойная керамическая подложка для взаимных соединений
высокой плотности. Подложка размещается в корпусе из композита с металлической
матрицей с подводами по концам и собранного с помощью лазерной пайки. Автоматизация производства важна для
массового изготовления модулей. Основными процесса производства модулей
являются обработка с помощью ро ботов, автоматическое размещение элементов на
кристалле, распыление эпоксидной смолы и изготовление проводных соединений.
Эффективные и действенные методы контроля совместно со специализированным
испытательным оборудованием могут потребоваться для уменьшения времени проверки
работоспособности модуля до 3 -5 мин.
Отвод и подвод энергии к каждому модулю АФАР может быть
осуществлен как за счет использования обычной "медной" системы
распределения информации, так и за счет использования оптроники.
Волоконно-оптические линии связи (ВОЛС) дают большую гибкость при размещение
апертур подсистем комплекса в пределах планера самолета. Низкие потери при передаче
и высокая нечувствительность к шумам ВОЛС снимают ограничения, касающиеся длины
и маршрута прокладки линий связи. Другими потенциальными преимуществами
являются небольшие физические размеры и масса по сравнению с многожильными
медными кабелями.
Кроме того, активная ФАР с электронным сканированием может
получить дополнительные преимущества от применения оптроники при управлении
лучом с задержкой времени в реальном масштабе времени на уровне подрешетки для
режимов работы в широкой промежуточной полосе частот.
Архитектура датчика на основе оптроники базируется на
одномодовой ВОЛС для удовлетворения требований к несущей и динамическому
диапазону высокочастотной линии связи. Для упрощения взаимосвязи между
подсистемой генерирования сигнала и формирования луча и приемопередающими
модулями используется мультиплексирование со спектральным разделением каналов.
Это дает возможность одной ВОЛС передавать сигналы гетеродина, цифровые данные
управления и цифровые принимаемые сигналы. Применение оптроники дает возможность удовлетворить требования
к динамическому диапазону и шуму, использовать надежные и дешевые
оптоэлектронные компоненты, например, соединители, модуляторы и
оптические/электрические преобразователи.
Проблемы в интегральном высокочастотном датчике, объединяющем
РЛС, систему РЭБ и линии передачи данных, связанные с различными требова-ниями
к несущей частоте, ширине полосы частот сигнала, модуляции и динамическому
диапазону и могут быть решены с помощью набора стандартных высокочастотных
модулей.
Для процессов приема некоторые функции подсистемы требуют
особых характеристик полосы пропускания и средств детектирования/модулирования.
Универсальному приемнику требуется широкий диапазон настройки, широкий
динамический диапазон, большое количество допускающих дискретный выбор полос
пропускания промежуточной частоты и гибкая перестройка аналого-цифрового
преобразователя. Для процессов передачи требуются различные виды модуляции с
аналогичным широким диапазоном частотной подстройки и спектральная чистота
характеристик. Другие проблемы касаются различия в требованиях к местному
генератору, электромагнитной совместимости и совместному использованию общего
оборудования.
Для удовлетворения этих разных требований оптимальным
способом потребуется разработка высокочастотной архитектуры и инфраструктуры
открытой системы (стандартные интерфейсы, объединительные платы план частот и
методы управления), базирующейся на минимальном наборе типов стандартных
высокочастотных модулей, выполняющих частотное преобразование прием, генерацию
сигналов, цифровое преобразование, переключение высокой/промежуточной частоты и
удовлетворяющей требованиям граничных пределов рабочих характеристик.
2.6.2 Принцип управления положением луча с помощью цифрового
сигнала
Известны три основных способа электрического управления лучом
в фазированных антенных решетках. К их числу относятся:
- частотное
качание - изменение фаз между элементами, приводящее к отклонению луча, осуществляется за
счет изменения частоты возбуждающегосигнала;
качание путем изменения временных задержек - в трактах
излучателей предусматривается программное подключение и отключение отрезков
линии передачи;
качание путем управления фазами - основан на изменении
фазовых сдвигов в трактах излучателей.
Фазирование может осуществляться непосредственно в трактах,
например, с помощью ферритовых или диодных фазовращателей, либо с помощью
вспомогательного устройства» такого, как управляющий смеситель.
Цифровое устройство управлением диаграммой направленности
выполняет функцию перемещения диаграммы направленности в пространстве;
Принцип управлением лучом диаграммы направленности
заключается в следующем: качание луча производится с помошью управляющих
смесителей. Информация о фазе подается на гетеродинный вход смесителей. При
приеме на сигнальные входы подаются колебания, сдвиг фаз которых от элемента к
элементу определяется распределением фазы принимаемого сигнала по раскрыву
антенны. При передаче на гетеродинный вход также подается информация о фазе, а
на второй вход подается передаваемый сигнал. Изменение фазы в тракте излучателя
осуществляется с помощью линейного преобразования частоты.
Цепи питания этих излучателей организованы так, что
излучение, испускаемое каждым излучателем, когерентно с излучением всех
излучателей, в то время как фаза излучаемых волн, изменяется по заданному
закону. Изменение распределения фаз на излучателях позволяет сформировать луч
антенны в заданном
направлении.
Режим качания луча задается управляющим устройством, которое вырабатывает сигнал для генератора, управляемого напряжением. Принцип работы этого устройства будет рассмотрен
ниже.
2.6.3
Требования, предъявляемые к схеме управления положением луча диаграммы направленности
Разрабатываемое устройство должно обладать следующими
характеристиками:
- должно выдавать напряжение на выходе от
до
для
обеспечения отклонения диаграммы направленности в заданном секторе
сканирования. Напряжение между уровнями дискретизации должно составлять не
менее 0,05 В. Следовательно диапазон в котором будет изменятся управляющее
напряжениебудет определятся выражением:
где
_ напряжение которое необходимо, подавать на
цифро-аналоговый преобразователь(принцип работы будет рассмотрен ниже), чтобы
обеспечить постановку луча в заданную точку пространства с заданной точностью;
- напряжение между уровнями дискретизации,
- разрядность кода, которая обеспечивает плавный
обзор всего пространства;
код, поступающий из БЦВМ должен обеспечить установку луча в заданную
точку пространства. Разрядность кода, позволяющая выполнить это условие, была
вычислена в пункте 2.4.5;
схема должна обеспечить перемещение луча из одного дискретного
положения в другое не более чем за 10 мкс в режиме ОБЗОР (согласно заданию) и
мгновенно в режиме СОПРОВОЖДЕНИЕ;
надежность устройства не должна быть меньше чем время нахождения
самолета в полете, то есть не менее чем 12 часов;
устройство должно обеспечить изменение скорости сканирования лучом, что
позволит увеличить эффективность радиолокационной станции, за счет более
тщательного сканирования секторов, где вероятность появления цели наибольшая.
2.6.4 Функциональная схема
Разрабатываемая схема (рисунок 9) будет включать следующие устройства:
·
цифро-аналоговый
преобразователь - преобразует цифровой сигнал, поступающий из БЦВМ в напряжение,
которое впоследствии возбуждает генератор управляемый напряжением;
·
усилитель
- усиливает напряжение с цифро-аналогового преобразователя до уровня, необходимого
для работы последующих устройств;
·
генератор,
управляемый напряжением - вырабатывает частоты, которые в зависимости от
команды с БЦВМ позволяют переместить луч диаграммы направленности в заданную точку
пространства.
- система
проверки исправности - позволяет провести контроль исправности, как при
поведении работ на авиационной технике, так и при выполнении боевой задачи
Принцип работы заключается в следующем: в зависимости от
поступления управляющего кода от БЦВМ цифро-аналоговый преобразователь
вырабатывает ступенчатое напряжение, показанное на рисунке 10, б. Этот
ступенчатый сигнал представляет собой управляющее напряжение генератора
управляемого напряжением, причем каждая ступенька соответствует некоторому
дискретному положению луча. Очевидно, что время пребывания луча в каком-либо
дискретном положении будет зависеть от промежутка между поступлениями тактовых
импульсов. При обзоре пространства импульсы с постоянным периодом повторения
обеспечивают равное время нахождения луча в каждом участке сектора. Можно также
предусмотреть следующее. Если решетка ориентирована так, что нормаль к ней
совпадает с направлением максимума распределения плотности целей, то тактовые импульсы можно генерировать
так, чтобы их скважность возрастала симметрично и монотонно; при этом луч будет
дольше находиться в направлениях, где вероятность появления цели выше. Таким
образом, изменяя скважность импульсов можно производить изменение скорости
движения луча в пространстве.
Подаваемое на генератор напряжение приводит к изменению
частоты выходного сигнала, чем обеспечивается перемещение луча в пространстве.
Рисунок 10. Формы напряжений, используемых в управляющем
устройстве: а - тактовые импульсы от БЦВМ;
б -ступенчатое напряжение для
дискретного перемещения луча.
В дополнение к вышеуказанным автоматическим операциям
программное устройство позволяет осуществлять ручное перемещение луча в
дискретные положения, при получении с пульта команды на обзор пространства в
определенном секторе.
2.6.5 Принципиальная схема приемо-передающего модуля с
цифровым устройством управления
Общие требования к принципиальной схеме модуля
Современная концепция построения радиопередающих устройств
основана на полной замене
электровакуумных СВЧ приборов их твердотельными аналогами. В связи с этим
разрабатываемый модуль целесообразно изготавливать в одном корпусе, где
функционально объединено несколько функциональных узлов. Для сокращения
массогабаритных характеристик унификации и высокой ремонтопригодности предлагается
изготавливать разрабатываемый модуль по интегральной технологи.
Необходимо чтобы функциональные узлы при этом имели
геометрические размеры не превышающие 1,5 на 2
сантиметра.
Транзисторы должны использоваться бескорпусные, так как это уменьшит
габариты, паразитные емкости и
индуктивности выводов.
Применение транзисторов для усилений колебаний СВЧ весьма
желательно, так как по сравнению с другими
полупроводниковыми и электровакуумными усилительными приборами они имеют меньший уровень собственных шумов, более высокий КПД и низкое напряжение
питания.
Реактивные элементы схемы должны быть выполнены в виде
отрезков микрополосковых линий. Эта замена
также позволит существенно снизить массогабаритные показатели.
Малошумящий усилитель (МШУ)
Усилитель приведен в приложении рисунок 20.
В данном усилителе для питания полевого транзистора с
барьером Шотки (ПТШ) применяется схема с общим истоком.
Для защиты транзистора от перенапряжения
при переходных процессах в фильтры источников питания вводится R1СЗ и С2 цепь с различными
постоянными времени. Это обеспечивает вначале подачу напряжения на сток, а затем на исток и затвор.
В схемах широкополосных МШУ учитывается спад усиления транзистора на верхних
частотах. Это учет может заключаться в том, что точное согласование линии со
входом транзистора осуществляется только на верхней частоте. Уменьшение
рассогласования по мере уменьшения частоты ведет к выравниванию общего
коэффициента передачи. Но увеличение рассогласования может вызвать самовозбуждение.
Свободен от этого недостатка МШУ с диссипативным фильтром - цепь
.
В диссипативных цепях выравнивание усиления происходит за счет увеличения
активных потерь на нижних частотах. Для МШУ с полосой пропускания в 1..2 октавы
диссипативная цепь состоит из резистора и шунтирующего шлейфа, в
нашем случае только из шунтирующего шлейфа.
С этим учетом была построена эта схема. Каскад МШУ выполняется на сапфировой
подложке. На которой располагаются пассивные элементы и микрополосковые
линии. Транзисторы монтируются на плату при помощи пайки и сварки.
Площадь тонкопленочных конденсаторов 0,6 мм2 при емкости 30 пФ. Микрополосковые
согласующие цепи выполняются в виде меандра с шириной линии
0,1 мм и зазором 0,2 мм. Схема транзисторного МШУ заключаются в герметичный
металлокерамический корпус.
Усилитель радио частоты
Схема приведена в приложении - рисунок 22.
Преимущество имеют УРЧ на полевых транзисторах (ПТ). А определяется оно
достоинствами ПТ. По сравнению с биполярными транзисторами они обладают:
·
более
высоким входным и выходным сопротивлением, что дает возможность полного подключения их к
соответствующим контурам.
·
-более
коэффициентом усиления напряжения, тока и мощности;
·
-малой
проходной емкостью (малой паразитной ОС), чем обеспечивается более устойчивая работа;
·
-меньшим
уровнем собственных шумов;
·
большей
линейностью входной характеристики.
В данной схеме:
·
-конденсаторы
С1,С4,С7 - разделительные;
·
-резистор
R1 - резистор утечки в цепи
затвора;
·
-цепь R2, СЗ - цепь автоматического смещения
транзистора;
--выходной колебательный контур - катушка индуктивности L1 и суммарная емкость конденсатора С6 и
варикап VD.
Перестройка контура производится изменением емкости варикапа VD путем подачи регулируемого напряжения R4, R6, питающегося от источника стабилизированного напряжения Ест.
Преобразователь частоты (смеситель)
Схема приведена в приложении рисунок 23.
В преобразователе частоты на двухзатворном ПТШ АП 328-2
напряжения сигнала и гетеродина подаются на разные затворы, что позволяет
добиться лучшей развязки между сигнальной и гетеродинной цепью по сравнению со
смесителем на : однозатворном ПТ ([27]). Преобразование частоты обеспечивается
за счет изменения крутизны сток - затворной характеристики по сигнальному
затвору под воздействием переменного напряжения на гетеродинном затворе.
Рисунок 11.
Основные параметры транзистора берем из справочника
Пользуясь характеристиками ПТ (рис. 7.4), выбираем напряжение смещения:
Сумма амплитуд сигнала и гетеродина не должна превышать Есм. Полагаем,
что для ПТ крутизна при Uзи=0, Sнач=6 мА/В, при Uзи= Uзиотс/2, Sнач/2 = 1,5 мА/В.
При подаче на вход смесителя напряжений сигнала
и гетеродина
получаем амплитуду тока частоты
:
Крутизна преобразования:
Зададимся
;
Характеристическое сопротивление контуров:
По таблице 6.1 [27] находим отношение полосы пропускания двухконтурного
резонансного каскада к полосе приёмника:
Полоса пропускания одного каскада УГГЧ по уровню -3 дБ:
Эквивалентное затухание контуров:
Полагаем коэффициент включения транзистора в резонансный
контур
Исходя из условий [3] зададимся собственными затуханиями:
. Принимаем:
Коэффициент подключения
:
Коэффициенты передачи смесителя: по напряжению:
по мощности:
Для расчета коэффициента шума смесителя на ПТШ необходимы матрицы S-параметров транзистора АП328А2, которые, как правило, определяются экспериментально
(в справочной литературе не обнаружены). Поэтому оценжм коэффициент шума
транзистора в режиме преобразования частоты :
Расчёт смесителя по постоянному току :
Напряжение смещения:
Напряжение источника питания:
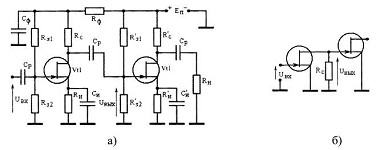
Усилитель промежуточной частоты (УПЧ)
Усилители с широким динамическим диапазоном могут быть построены по схеме
усилителя-ограничителя (УО) или усилителя с логарифмической амплитудной
характеристикой (ЛАХ). У последних между входным и выходным сигналом существует
вполне определенная функциональная зависимость вида :
УО такой зависимостью не характеризуются.
Логарифмические усилители могут быть выполнены по параллельной и
последовательной и схеме. В первой используется параллельное включение каскадов
усилителя с различным коэффициентом усиления. Для защиты от перегрузок и
повышения стабильности на выходе каждого каскада ставится двусторонний
усилитель-ограничитель, и с выхода каждого канала сигналы суммируются. Однако
увеличение массогабаритных показателей, связанное с необходимостью
использования значительного числа каналов, обусловило большее распространение
усилителей с ЛАХ, построенных по методу последовательного усиления и
суммирования, рисунок представлен в приложении - рисунок 23.
Такой усилитель (рис. 24) представляет собой последовательное
соединение нескольких каскадов, каждый из которых, в общем случае, содержит
линейный усилитель и двусторонний ограничитель. Выходы всех каскадов объединены
сумматором через буферные каскады (БК), способствующие увеличению развязки
между каскадами и повышению устойчивости усилителя. Для получения амплитудной
характеристики, достаточно хорошо приближающейся к логарифмической, все каскады
должны быть идентичны. В зависимости от особенностей реализации и назначения
логарифмического усилителя, в обобщенную схему могут вноситься изменения. Так,
возможно совмещение функций линейного усиления и двустороннего ограничения,
например в ИМС; сумматор может быть выполнен в виде резистора, усилительного
каскада или линии задержки; буферные каскады могут использоваться также и для
коррекции частотной и фазовой характеристик усилителя.
Амплитудная характеристика логарифмических усилителей описывается
системой уравнений:
где
- коэффициент усиления в линейном режиме;
- пороговый уровень входного
сигнала, начиная с которого амплитудная характеристика становится логарифмической;
- коэффициент, определяющий наклон ЛАХ.
Основные показатели логарифмического усилителя могут быть определены из
соотношений [29]:
где
- коэффициент усиления одного каскада на ИМС;
-
логарифмический динамический диапазон усилителя, определяемый протяженностью
логарифмического участка амплитудной характеристики и равный динамическому
диапазону изменения уровня входных
сигналов;
-
максимальный уровень входного напряжения, соответствующий концу
логарифмического участка амплитудной характеристики;
-
напряжение на входе ИМС, при котором начинается амплитудное ограничение;
-
число каскадов усилителя;
-
коэфициент усиления всего усилителя в линейном режиме;
-
ошибка, связанная с отклонением АХ от логарифмической.
Данные к расчету:
частота сигнала ПЧ:
;
избирательность по соседнему каналу:
;
коэффициент усиления УПЧ:
;
искажения переднего фронта импульса:
;
динамический диапазон входных сигналов
;
динамический диапазон выходных сигналов
;
порог логарифмирования АХ:
.
Принципиальная схема УПЧ [29] приведена в приложении -
рисунок 24.
Принципиальная схема передающей части модуля
Смеситель
В связи с разработкой двухзатворных полевых полевых
транзисторов СВЧ
сейчас разрабатываются
смесители на них, отличающиеся малыми габаритами, так как напряжение сигнала и
гетеродина поддаются на разные затворы транзистора и, следовательно, для
развязки цепей сигнала и гетеродина не требуется громоздких мостов или
направленных ответвите лей. Коэффициент шума таких смесителей практически не
хуже, чем у диодных, а коэффициент усиления по мощности около 5-10 дБ. Кроме
того, они могут быть изготовлены в виде монолитных интегральных схем СВЧ.
Схема транзисторного смесителя на двухзатворном полевом транзисторе СВЧ
приведен на рисунке 25. Напряжение сигнала и гетеродина поддаются на
соответствующие затворы полевого транзистора через отрезки микрополосковых
линий передачи. Индуктивность
компенсирует
емкость промежутка затвор-исток на частоте входного сигнала, а отрезок
микрополосковой линии длинной
согласует активную часть входного
сопротивления транзистора с сопротивлением источника сигнала.
Для развязки цепей сигнала и смещения включен разомкнутый на конце
отрезок линии длинной
и отрезок линии длинной
. Отрезок линии длинной
обеспечивает
короткое замыкание стока для колебаний гетеродин во
избежание перегрузки УПЧ напряжением гетеродина. В настоящее время такие
смесители широко используются в сантиметровом диапазоне длин волн.
Предварительный усилитель
Схема приведена в приложении - рисунок 25.
Преимущество имеют УРЧ на полевых транзисторах (ПТ). А определяется оно
достоинствами ПТ. По сравнению с биполярными транзисторами они обладают:
·
более
высоким входным и выходным сопротивлением, что дает возможность полного подключения их к
соответствующим контурам.
·
более
коэффициентом усиления напряжения, тока и мощности;
·
малой
проходной емкостью (малой паразитной ОС), чем обеспечивается более устойчивая работа;
·
меньшим
уровнем собственных шумов;
·
большей
линейностью входной характеристики.В данной схеме:
·
конденсаторы
С1,С4,С7 - разделительные;
·
резистор R1 - резистор утечки в цепи затвора;
·
цепь R2, СЗ - цепь автоматического смещения
транзистора;
-выходной колебательный контур - катушка индуктивности
исуммарная емкость конденсатора С6 и варикап
.
Перестройка контура производится изменением емкости варикапа VD путем подачи регулируемого напряжения R4, R6, питающегося от источника стабилизированного
напряжения
.
Усилитель мощности (УМ)
Усилитель приведен в приложении рисунок 26.
В данном усилителе для запитки палевого транзистора с барьером Шотки
(ПТШ) применяется схема с заземленным истоком. Для защиты транзистора от
перенапряжения при переходных процессах в фильтры источников питания вводится R1СЗ и С2 цепь с различными постоянными времени.
Это обеспечивает вначале подачу напряжения на сток, а затем на исток и затвор.
В схемах широкополосных УМ учитывается спад
усиления транзистора на • верхних частотах. Это учет может заключаться в том,
что точное согласование линии со входом транзистора осуществляется только на
верхней частоте. Уменьшение рассогласования по мере уменьшения частоты ведет к
выравниванию общего коэффициента передачи. Но увеличение рассогласования может
вызвать самовозбуждение. Свободен от этого недостатка УМ с диссипативным
фильтром -цепь
. Диссипативных цепях выравнивание усиления происходит
за счет увеличения активных потерь на нижних частотах. Для УМ с полосой
пропускания в 1..2 октавы диссипативная цепь состоит из резистора и
шунтирующего шлейфа, в нашем случае только из шунтирующего шлейфа.
С этим учетом была построена эта схема. Каскад УМ выполняется на
сапфировой подложке. На которой располагаются пассивные элементы и
микрополосковые линии. Транзисторы монтируются на плату при помощи пайки и
сварки. Площадь тонкопленочных конденсаторов
при
емкости 30 пФ. Микрополосковые согласующие цепи выполняются в виде меандра с
шириной линии 0,1 мм и зазором 0,2 мм. Схема транзисторного МШУ заключаются в
герметичный металлокерамический корпус.
Расчет корректирующих цепей широкополосных усилительных каскадов на полевом
транзисторе.
Наша цель - получение законченных аналитических выражений для расчета
коэффициента усиления, полосы пропускания и значений элементов корректирующих
цепей наиболее известных и эффективных схемных решений построения усилительных
каскадов на полевых транзисторах (ПТ). Основные результаты работы - вывод и
представление в удобном для проектирования виде расчетных соотношений для
усилительных каскадов с простой индуктивной и истоковой коррекциями, с
четырехполосными диссипативными межкаскадными корректирующими
цепями второго и четвертого порядков, для входной и выходной корректирующих
цепей. Для усилительного каскада с межкаскадной корректирующей цепью четвертого
порядка приведена методика расчета, позволяющая реализовать заданный наклон его
амплитудно-частотной характеристики с заданной точностью. Для всех
схемных решений построения усилительных каскадов на ПТ приведены примеры
расчета.
Расчет элементов высокочастотной коррекции является неотъемлемой частью
процесса проектирования усилительных устройств. В известной литературе
материал, посвященный этой проблеме, не всегда представлен в удобном для
проектирования виде. В этой связи в статье собраны наиболее известные и
эффективные схемные решения построения широкополосных усилительных устройств на
ПТ, а соотношения для расчета коэффициента усиления, полосы пропускания и
значений элементов корректирующих цепей даны без выводов. Ссылки на литературу
позволяют найти, при необходимости, доказательства справедливости приведенных
соотношений.
Особо следует отметить, что в справочной литературе по отечественным ПТ
[30,31] не приводятся значения элементов эквивалентной схемы замещения ПТ.
Поэтому при расчетах следует пользоваться параметрами зарубежных аналогов
[31,32] либо осуществлять проектирование на зарубежной элементной базе [32].
Исходные данные
В соответствии с [33, 34, 35], предлагаемые ниже соотношения для
расчета усилительных каскадов на ПТ основаны на использовании эквивалентной
схемы замещения транзистора, приведенной на рисунке 12,а, и полученной на её
основе однонаправленной модели, приведенной на рисунке 13.6.
Рисунок 12 Исходные данные
Здесь СЗИ - емкость затвор-исход, СЗС - емкость затвор-сток,
ССИ - емкость сток-исток, RВЫХ -
сопротивление сток-исток, S - крутизна ПТ, СВХ=СЗИ+Сзс(1+СRЭ), RЭ=RВЫХRН (Квых+Кн), RН - сопротивление нагрузки каскада на ПТ, СВЫХ=ССИ+СЗС
Расчет некорректируемого каскада с общим истоком
Оконечный каскад
Принципиальная схема некорректированного усилительного каскада
приведена на рисунке 13,а, эквивалентная схема по переменному току -
на рисунке 13,б.
Рисунок 13.
В соответствии с [35], коэффициент усиления каскада в области верхних частот
можно описать выражением:
где
-
текущая круговая частота.
При заданном уровне частотных искажений
верхняя частота
полосы пропускания каскада равна:
,
где
Входное сопротивление каскада на ПТ, без учета цепей смещения, определяется
входной емкостью:
Промежуточный каскад
Принципиальная схема каскада приведена на рисунке 9,а, эквивалентная
схема по переменному току - на рисунке 14,б.
Рисунок 14.
Коэффициент усиления каскада в области верхних частот
описывается выражением (3.1), в котором значения
и
рассчитываются
по формулам:
где
-
входная емкость нагружающего каскада.
Значения
и
каскада рассчитываются по соотношениям
приведенным выше.
Расчет искажений, вносимых входной цепью
Принципиальная схема входной цепи каскада приведена на рисунке 15,а, эквивалентная
схема по переменному току - на рисунке 15,б.
Рисунок 15.
Коэффициент передачи входной цепи в области верхних частот описывается
выражением [35]:
где
;
- входная емкость каскада на ПТ.
Значение
входной цепи рассчитывается по формуле, приведенной
выше.
Расчет каскада с высокочастотной индуктивной коррекцией
Принципиальная схема каскада с высокочастотной индуктивной коррекцией
приведена на рисунке 16,а, эквивалентная схема по переменному току - на рисунке
16,б.
Рисунок 16.
Коэффициент усиления каскада в области верхних
частот можно описать выражением [35]:
где
;
Значение
соответствующее
оптимальной по Брауде амплитудно-частотной характеристике (АЧХ) [35],
рассчитывается по формуле:
.
При заданном значении ув верхняя частота полосы пропускания каскада равна:
.
Входная емкость каскада определяется соотношением, приведенным выше.
При работе каскада в качестве предоконечного все перечисленные выше соотношения
справедливы. Однако
,
и
принимаются
равными:
где
- входная емкость оконечного каскада.
Расчет каскада с истоковои коррекцией
Принципиальная схема каскада с истоковой коррекцией приведена на
рисунке 12,а, эквивалентная схема по переменному току - на рисунке 17,6.
Рисунок
17
Коэффициент усиления каскада в области верхних частот можно описать
выражением [35]:
где
;
Значение
, соответствующее оптимальной по Брауде АЧХ,
рассчитываетсяпо формуле:
.
При заданном значении
верхняя
частота полосы пропускания каскада равна:
Входная емкость каскада определяется соотношением:
При работе каскада в качестве предоконечного все перечисленные выше
соотношения справедливы. Однако Кэ и Со принимаются равными:
-
входная емкость оконечного каскада.
Расчет входной корректирующей цепи
Из приведенных выше примеров расчета видно, что наибольшие искажения
АЧХ обусловлены входной цепью. Для расширения полосы пропускания входных цепей
усилителей на ПТ предложено использовать схему, приведенную на рисунке 18.
Рисунок 18
Коэффициент передачи входной цепи в области верхних частот можно
описать выражением:
где
- входная емкость каскада на ПТ.
Значение
, соответствующее оптимальной по Брауде АЧХ,
рассчитывается по формуле:
При
заданном значении
и расчете
верхняя
частота полосы пропускания входной цепи равна:
Pасчет
выходной корректирующей цепи.
В рассматриваемых выше усилительных каскадах расширение полосы пропускания
связано с потерей части выходной мощности в резисторах корректирующих цепей
(КЦ) либо цепей обратной связи. От выходных каскадов усилителей требуется, как
правило, получение максимально возможной выходной мощности в заданной полосе
частот. Из теории усилителей известно [37], что для выполнения указанного
требования необходимо реализовать ощущаемое сопротивление нагрузки для
внутреннего генератора транзистора равным постоянной величине во всем рабочем
диапазоне частот. Этого можно достигнуть, включив выходную емкость транзистора
в фильтр нижних частот, используемый в качестве выходной КЦ. Схема включения
выходной КЦ приведена на рисунке 19.
Рисунок 19
При работе выходного каскада без выходной КЦ модуль коэффициента отражения ощущаемого сопротивления нагрузки
внутреннего генератора транзистора равен
[37]:
.
Уменьшение выходной мощности относительно максимального значения,
обусловленное наличием
составляет величину:
,
где
максимальное
значение выходной мощности на частоте
при
условии равенства нулю
,
- максимальное значение выходной мощности
на частоте
при наличии
Использование фильтра нижних частот в качестве выходной КЦ при
одновременном расчете элементов
,
по методике Фано [37] позволяет обеспечить минимально
возможное, соответствующее заданным
и
, значение
максимальной величины модуля коэффициента отражения
в полосе
частот от нуля до
.
В таблице 1 приведены нормированные значения элементов
,
,
рассчитанные
по методике Фано, а также коэффициент
,
определяющий величинуощущаемого сопротивления нагрузки
, относительно которого вычисляется
[37].
Таблица 1
|
B1(c1н)
|
B2(l1н)
|
B3(cвых н)
|
│sос│макс
|
|
|
0,1
|
0,18
|
0,099
|
0,000
|
1,000
|
|
0,2
|
0,382
|
0,195
|
0,002
|
1,001
|
|
0,3
|
0,547
|
0,285
|
0,006
|
1,002
|
|
0,4
|
0,682
|
0,367
|
0,013
|
1,010
|
|
0,5
|
0,788
|
0,443
|
0,024
|
1,020
|
|
0,6
|
0,865
|
0,513
|
0,037
|
1,036
|
|
0,7
|
0,917
|
0,579
|
0,053
|
1,059
|
|
0,8
|
0,949
|
0,642
|
0,071
|
1,086
|
|
0,9
|
0,963
|
0,704
|
0,091
|
1,117
|
|
1,0
|
0,966
|
0,753
|
0,111
|
1,153
|
|
1,1
|
0,958
|
0,823
|
0,131
|
1,193
|
|
1,2
|
0,944
|
0,881
|
0,153
|
1,238
|
|
1,3
|
0,927
|
0,940
|
0,174
|
1,284
|
|
1,4
|
0,904
|
0,998
|
0,195
|
1,332
|
|
1,5
|
0,882
|
1,056
|
0,215
|
1,383
|
|
1,6
|
0,858
|
1,115
|
0,235
|
1,437
|
|
1,7
|
0,833
|
1,173
|
0,255
|
1,490
|
|
1,8
|
0,808
|
1,233
|
0,273
|
1,548
|
|
1,9
|
0,783
|
1,292
|
0,292
|
1,605
|
|
2,0
|
0,760
|
1,352
|
0,309
|
1,664
|
Истинные значения элементов рассчитываются по формулам:
Оконечный каскад при использовании выходной КЦ частотные искажения
вносимые выходной цепью, определяются соотношением:
Коэффициент усиления каскада с выходной КЦ определяется выражением
приведенным ранее.
Расчет диссипативной межкаскадной корректирующей цепи второго порядка.
Принципиальная схема усилителя с межкаскадной КЦ второго порядка
приведена на рисунке 15,а, эквивалентная схема по переменному току - на рисунке
20,6. [38].
Рисунок 20
Коэффициент усиления каскада на транзисторе Т1 в области верхних частот можно
описать выражением :
где
;
- сопротивление сток-исток транзистора
;
-
нормированные относительно
и
значения
элементов
;
- нормированная частота;
-
текущая круговая частота;
-
высшая круговая частота полосы пропускания разрабатываемого усилителя;
-
входная емкость транзистора Т2;
-
выходная емкость транзистора Т1.
В таблице 2 приведены нормированные значения элементов
,
вычисленные для ряда нормированных значений
, при двух значениях допустимой
неравномерности АЧХ
.
Таблица 2 получена с помощью методики проектирования
согласующе-выравнивающих цепей транзисторных усилителей, предполагающей
составление и решение системы компонентных уравнений [41], и методики синтеза
прототипа передаточной характеристики, обеспечивающего максимальный коэффициент
усиления каскада при заданной допустимой неравномерности АЧХ в заданной полосе
частот.
Таблица
2
|
 
|
|
|
|
  
|
|
|
|
|
|
|
0,01
|
1,597
|
88,206
|
0,01
|
1,597
|
88,206
|
0,01
|
|
0,05
|
1,597
|
18,08
|
0,05
|
1,597
|
18,08
|
0,05
|
|
0,1
|
1,597
|
9,315
|
0,1
|
1,597
|
9,315
|
0,1
|
|
0,15
|
1,597
|
6,393
|
0,15
|
1,597
|
6,393
|
0,15
|
|
0,2
|
1,596
|
4,932
|
0,2
|
1,596
|
4,932
|
0,2
|
1,596
|
3,471
|
0,3
|
1,596
|
3,471
|
0,3
|
|
0,4
|
1,595
|
2,741
|
0,4
|
1,595
|
2,741
|
0,4
|
|
0,6
|
1,594
|
2,011
|
0,6
|
1,594
|
2,011
|
0,6
|
|
0,8
|
1,521
|
1,647
|
0,8
|
1,521
|
1,647
|
0,8
|
|
1
|
1,588
|
1,429
|
1
|
1,588
|
1,429
|
1
|
|
1,2
|
1,58
|
1,285
|
1,2
|
1,58
|
1,285
|
1,2
|
|
1,5
|
1,467
|
1,178
|
1,5
|
1,467
|
1,178
|
1,5
|
|
1,7
|
1,738
|
1,017
|
1,7
|
1,738
|
1,017
|
1,7
|
|
2
|
1,627
|
0,977
|
2
|
1,627
|
0,977
|
2
|
|
2,5
|
1,613
|
0,894
|
2,5
|
1,613
|
0,894
|
2,5
|
|
3
|
1,61
|
0,837
|
3
|
1,61
|
0,837
|
3
|
|
3,5
|
1,608
|
0,796
|
3,5
|
1,608
|
0,796
|
3,5
|
|
4,5
|
1,606
|
0,741
|
4,5
|
1,606
|
0,741
|
4,5
|
|
6
|
1,605
|
0,692
|
6
|
1,605
|
0,692
|
6
|
|
8
|
1,604
|
0,656
|
8
|
1,604
|
0,656
|
8
|
|
10
|
1,604
|
0,634
|
10
|
1,604
|
0,634
|
10
|
При известных значениях
расчет межкаскадной КЦ состоит из следующих
этапов. Вычисление
. Нормирование значения
по
формуле:
.
Нахождение по таблице 8.1 ближайшего к вычисленному табличного значения
. Определение по таблице 8.1
соответствующих значений
и их денормирование по формулам:
.
Вычисление
значения
.
При использовании рассматриваемой КЦ в
качестве входной
принимается
равной нулю,
принимается равным
, а коэффициент передачи входной цепи на
средних частотах рассчитывается по формуле, описанной
ранее.
В случае необходимости построения нормированной частотной
характеристики проектируемого усилительного каскада значения
следует
подставить в выражение
и найти модуль
. Реальная частотная характеристика
может быть найдена после денормирования
коэффициентов
по формулам:
Расчет диссипативнои межкаскадной корректирующей цепи четвертого
порядка.
Принципиальная схема усилителя с межкаскадной корректирующей цепью
четвертого порядка приведена на рисунке 21,а, эквивалентная схема по
переменному току - на рисунке 21,б
Рисунок
21
Несмотря на то, что КЦ содержит пять корректирующих элементов,
конструктивно ее выполнение может оказаться проще выполнения КЦ второго порядка.
Коэффициент усиления каскада на транзисторе Т1 в
области верхних частот можно описать выражением [42]:
где
- сопротивление сток-исток ^транзистора Т1;
-
входная емкость транзистора Т2;
- нормированные относительно
и Квых1 значения элементов L1,
R2, C3, C4, C5 соответствующие
преобразованной схеме КЦ, в которой значение Свых1 равно нулю, а значение
Свх2 равно бесконечности; Свых - выходная емкость транзистора T1;
- нормированная частота;
- текущая круговая частота;
- высшая круговая частота полосы пропускания
разрабатываемого усилителя.
В таблице 3 приведены нормированные значения элементов L1,
R2, C3, C4, C5, вычисленные
для случая реализации усилительного каскада с различным наклоном АЧХ,
лежащим в пределах ±6 дБ, при допустимом значении
, равном
±0,25 дБ и ±0,5 дБ, и при условии равенства нулю значения Свых1 и
бесконечности - значения Свх2.
Таблица 3
|
Наклон АЧХ, дб
|

|
|
|
  
|
|
|
|
|
-6
|
2,40
|
1,58
|
2,40
|
1,58
|
|
-5
|
2,47
|
1,63
|
2,47
|
1,63
|
|
-4
|
2,49
|
1,65
|
2,49
|
1,65
|
|
-3
|
2,48
|
1,64
|
2,48
|
1,64
|
|
-2
|
2,42
|
1,59
|
2,42
|
1,59
|
|
-1
|
2,29
|
1,51
|
2,29
|
1,51
|
|
0
|
2,09
|
1,38
|
2,09
|
1,38
|
|
+1
|
1,84
|
1,21
|
1,84
|
1,21
|
|
+2
|
1,60
|
1,05
|
1,60
|
1,05
|
|
+3
|
1,33
|
0,876
|
1,33
|
0,876
|
|
+4
|
2,69
|
1,35
|
2,69
|
1,35
|
|
+5
|
2,23
|
1,11
|
2,23
|
1,11
|
|
+6
|
1,76
|
0,879
|
1,76
|
0,879
|
Таблица 3 получена с помощью методики проектирования
согласующевыравнивающих цепей
транзисторных усилителей, предполагающей составление и решение систем компонентных уравнений
[13], и методики синтеза прототипа передаточной характеристики, обеспечивающего максимальный коэффициент
силения каскада при заданной допустимой неравномерности АЧХ в заданной полосе частот [42].
Для расчета нормированных значений элементов L1, R2, C3, C4, C5, обеспечивающих заданную форму АЧХ с учетом реальных нормированных
значений Свых1 и Свх2, следует воспользоваться формулами
пересчета [14]:
где
Свых 1н и Свх 2н - нормированные относительно Rвых
и
значения Свых1 и Свх2. При известных значениях Rвых,
, Свых1, Свх2 расчет
межкаскадной КЦ состоит из следующих этапов. Вычисление нормированных значений
Свых1 и Свх2 по формуле: Сн=СRвых1в
.
Определение табличных значений элементов
заданному
наклону и требуемой неравномерности АЧХ. Расчет L1,
R2, C3, C4, L5, по
формулам пересчета и их денормирование.
При использовании рассматриваемой КЦ в качестве входной Свых
принимается равной нулю, Квых1 принимается равным RГ, а коэффициент передачи входной цепи на
средних частотах рассчитывается по формуле:
В случае необходимости построения нормированной частотной
характеристики проектируемого усилительного каскада значения
следует
подставить в KU и найти модуль KU. Реальная частотная характеристика может быть
рассчитана после денормирования коэффициентов
по формулам:
3. ВОЕННО-ЭКСПЛУАТАЦИОННЫЕ ВОПРОСЫ
3.1
Особенности эксплуатации
антенной системы
Техническая эксплуатация нашего комплекса осуществляется в соответствии
с уже разработанной документацией для подобного комплекса, установленного на
самолете А-50. В соответствии с ней эксплуатация систем комплекса
осуществляется в соответствии с ФАП ИАО, то есть проводится предварительная и
предполетная подготовки, подготовка к повторному вылету, послеполетная
подготовка.
В силу того, что разрабатываемый комплекс является весьма сложным
проведение оперативных видов подготовок, поиска и устранение неисправностей,
выполнение регламентных работ осуществляется большим количеством
высококвалифицированных специалистов. Так предварительную подготовку проводят
десять инженеров и четыре механика по РЭО. Всего же в предварительной
подготовке участвуют, включая обслуживающий персонал наземного обслуживания и
контролирующих лиц 71 человек.
Время, затрачиваемое на предварительную подготовку комплекса,
составляет примерно 5,5 часов, предполетную подготовку 5 часов. Трудозатраты на
предварительную подготовку составляют более 360 человеко-часов, на 200 часовые
регламентные работы - более 10000 человеко-часов. Регламентные работы на
самолете должны проводиться через 200, 600 и 1200 часов, причем без съема
аппаратуры с борта самолета.
Для проведения регламентных работ на АКРЛДН применяется около 250
единиц КИА общего и специального назначения. Масса всех средств контроля
составляет более 5,5 тонн.
В полете для настройки РЛС применяется нештатная
контрольно-проверочная аппаратура, в работе по подготовке радиолокационной
станции и настройке участвуют два оператора.
3.2 Противодействие иностранной технической разведке
Для защиты от иностранной технической разведки (ИТР)
предусматривается проведение мероприятий и применение мер по обеспечению
радиомаскировки в воздухе и на земле. В авиационных частях имеются специальные
документы и инструкции в соответствии с которыми проводятся данные мероприятия.
Одним из них является следующий:
«Вопросы
обеспечения противодействия ИТР при инженерном авиационном обеспечении»,
введено указом ГИ ВВС № 879 от 1983 года.
Меры по радиотехнической маскировке радиоэлектронных средств
ведутся с целью исключения или существенного затруднения ведения разведки
радиотехнических параметров, к которым относятся рабочий диапазон частот,
длительность импульса и период повторения импульсов, мощность излучения
передатчика. Инструкции по радиотехнической маскировке включают как общие
требования, так и специальные, определяемые типом радиоэлектронного средства.
Общими требованиями определены 3 основных режима работы для радиоэлектронных
средств:
1. При его вводе запрещается работа радиоэлектронных средств всех назначений с излучением в открытое
пространство и работы радиоэлектронных средств на эквивалент антенн и пеленгационные устройства,
если облучение может быть обнаружено за пределами охраняемой территории;
2. На земле запрещается работа всех радиоэлектронных
средств на эквиваленты антенн при получении извещения о появлении лиц
одозреваемых введении радиотехнической разведки, если излучения прослушиваются
за пределами охраняемой территории;
. Данный режим является повседневно эффективным для
всех радио электронных средств в мирное
время. Все радиоэлектронные средства при этом режиме разрешается использовать в
соответствии с ограничениями обозначенными в инструкции;
При организации радиотехнической маскировки параметров
рекомендуется:
определение разрешенных литеров частот работы на излучение ;
проверка работоспособности РСЛ с использованием режимов пониженной
мощномти и работы на эквивалент;
обеспечение временной скрытности;
Этот комплекс мероприятий проводится на земле. При выполнении боевого
полета осуществляется:
беспечение скрытности путем секторного обзора воздушного
противника;
- постановка помех радиоэлектронным средствам противника.
При четком выполнении всех мероприятий организационного и
технического характера можно обеспечить эффективное противодействие иностранным
техническим разведкам.
Вопросы
обеспечения электромагнитной совместимости (ЭМС) разработанной антенны РЛС,
модуля приема-передачи с другими элементами комплекса РЭО самолета ДРЛО
решается путем разноса спектра излучения РЛС с другими изделиями комплекса РЭО
по частоте, разноса по времени работы, а также правильным расположением
антенны.
Временной разнос работы РЛС с другими излучениями АКРЛДН
обеспечивается аппаратурой блокирования (АБ).
3.3 Расчет надежности
Интенсивность отказов каждого из элементов схемы
электрической принципиальной функционального узла, может быть представлена в
виде [11].
где:
-
значение интенсивности отказов i-го элемента без учета условий его
эксплуатации;
- поправочный коэффициент, учитывающий влияние
температуры. Для элементов работающих в диапазоне температур от - 600 до +
1250 он составляет 1,5;
-
поправочный коэффициент, учитывающий влияние электрической нагрузки. Значение
этого коэффициента для резисторов, микросхем, транзисторов и диодов принимается
равным 1,5. для конденсаторов - 3;
-поправочныйкоэффициент,
учитывающий влияние механических воздействий. Для элементов бортового РЭО он
равен четырем.
Значения
для элементов различных типов приведены в справочных
данных.
Для конденсаторов
= 0,0000001, для транзисторов минус 0,0000008, для
сопротивлений минус 0,00000002, для дросселей минус 0,0000002.
Рассчитаем интенсивность отказов для каждой группы элементов: Для
одного конденсатора:
Для всей группы элементов:
Для транзисторов:
=0,0000432, для резисторов:
=0,000000036; для дросселей:
=
0,0000324.
В результате суммирования получаем:
=0,000090036.
Вероятность безотказной работы рассчитывается по формуле:
R=ехр(-
Т),
где Т - время работы комплекса, полученное из требований к АКРЛДН,
отражающее время выполнения комплексом своих задач, равное 12 часов. В итоге
получаем R =
0,99.
Среднее время безотказной работы составляет часов.
3.4
Метрологическое
обеспечение
Для оценки технического состояния разрабатываемого модуля, необходимо
как уже указывалось ранее использовать контрольно-измерительную и
контрольно-проверочную аппаратуру. Используемая аппаратура определяется
параметрами сигналов, регистрация которых позволит определить правильность функционирования
устройства. Наиболее важными для данного устройства параметрами являются
частота излучаемого сигнала, напряжение источника питания
и мощность излучения. В соответствии с этим нам необходимо исполь зовать
следующие приборы для измерения этих параметров:
вольтметр;
измеритель мощности;
- частотомер.
Проведенный анализ приборов позволил выделить следующие,
наиболее близко соответствующие пределам и
точности измерения параметров устройства. Для измерения мощности
излучения целесообразно применять приборы МЗ-ЗА и МЗ-13;
для измерения частоты - Ч3-45 и Ч3-46; напряжения - В4-13 и В7-16. Сравнительные
характеристики этих приборов приведены в таблицах 1-3.
Таблица 1. Сравнительные характеристики вольтметров
|
Характеристики
|
В7-16
|
В4-13
|
|
Вид измеряемого Напряжения
|
Постоянное и переменное
|
Постоянное, переменное, импульсное
|
|
Диапазон измеряемых напряжений
|
0,1 мв-1000 В
|
0,1 В -150В
|
|
Погрешность
измерения, %
|
0,2
|
0,1-0,15
|
Из анализа характеристик видно, что вольтметр В4 - 13 может
быть использован для измерения всех видов напряжения, используемых для питания
модуля АФАР. Помимо этого этот же вольтметр имеет минимальную погрешность в измерении, что позволяет наиболее точно измерить питающие напряжения и
добиться таким образом требуемого амплитудно-фазового распределения всей антенной системы.
Таблица 2. Сравнительные
характеристики измерителей мощности
|
Характеристики
|
М3-3А
|
М3-13
|
|
Пределы измерений
мощности
|
0,5-500квт
|
6-2000 Вт
|
|
Погрешность
измерения, %
|
15-20
|
4
|
Таблица 3. Сравнительные
характеристики частотомеров
|
Характеристики
|
43-45
|
43-46
|
|
Диапазон измерения
частоты
|
100-2000Мгц
|
100-1000 Мгц
|
|
Время счета
|
10-2 - 10-4
|
10-2
|
|
Массогабаритные
показатели, кг, мм.
|
12,380 х 367 х 185
|
22,488x133x185
|
Исходя из данных таблиц, видно, что лучшими из приведенных в
них приборов являются вольтметр В4-13, измеритель мощности М3-13 и частотомер Ч3-45. Следовательно, для обеспечения
метрологических мероприятий целесообразно использовать именно их.
4. ОЦЕНКА ПОКАЗАТЕЛЕЙ ЭФФЕКТИВНОСТИ И ЭКОНОМИЧЕСКОЕ ОБОСНОВАНИЕ
4.1 Оценка показателей эффективности
Для оценки эффективности разработанного модуля необходимо
обратить внимание на характеристики РЛС, зависящие от данного устройства, а
затем произвести сравнение с существующими аналогами. Выберем два критерия
эффективности:
1.
Дальность
обнаружения
2.
Время
выставления луча в заданную точку
Эффективность дальности обнаружения определяется следующим
образом. Необходимо сравнить полученную дальность обнаружения с теми, которые
отражены в тактико-технических требованиях для других комплексов. Отметим,
данное сравнение будет проводиться для целей с разными ЭПР и отраженно на
графике, приведенном на плакате. Из анализа графика видно, что разрабатываемое
устройство имеет лучшие показатели по дальности обнаружения, чем ранее
созданные аналоги. Сравнительные характеристики по дальности обнаружения для
рассматриваемых комплексов приведены в таблице:
Таблица 4. Сравнительные
характеристики комплексов по дальности обнаружения
|
Эпр
|
Дальность обнаружения для
комплекса авакс,
км
|
Дальность обнаружеия для коплекса шмель, км
|
Дальность обнаружения для
разрабатываемого комплекса, Км
|
|
0,01 м2
|
78
|
46,8
|
130
|
|
3 м2
|
300
|
180
|
570
|
|
50 м2
|
650
|
390
|
1100
|
Рассматривая скорость выставления луча в заданную точку можем
отметить следующее. Антенны аналогов разрабатываемой системы совершают круговое
вращение в горизонтальной плоскости со скоростью 6 оборотов в минуту. В АФАР в
идеальном случае существует возможность мгновенного выставления луча в заданную
точку пространства. В нашем случае из-за инерционности элементной базы время
выставления ограничивается величиной 10 мкс. Для существующих систем это время
составляет около 4 секунд. Гистограммы, приведенные на плакате, отражают,
преимущество разрабатываемой системы.
4.2 Оценка экономических показателей разработанной АФАР
Определение экономического выигрыша получаемого от
использования рассматриваемого способа будем проводить в несколько этапов. На
первом этапе определим приблизительную стоимость линейной крупноапертурной АФАР
с традиционным способом фазирования. На втором этапе последовательно произведем
оценку стоимости новой АФАР с коаксиальной и волоконно-оптической системой
разводки первичных колебаний. Кроме того при оценке стоимости будем
рассматривать только передающую часть АФАР, так как в режиме приема
используются практически те же элементы антенного модуля, что и на передачу.
При этом передающая часть будет значительно дороже из-за использования
устройств охлаждения и более мощной элементной базы.
Математическое выражение для стоимостной модели линейной
крупноапертурной АФАР с традиционным способом фазированания, имеет вид:
где N- излучателей в антенном полотне;
- стоимость одного излучателя;
- стоимость одного излучателя;
- стоимость одного
делителя мощности, используемого в распределительной системе АФАР;
- стоимость одного погонного метра коаксиальной
линии передач; L - длина АР;
- стоимость
одноваттного модуля АФАР; П - потенциал;
- КНД
одного излучателя;
- КПД
фазовращателей;
- КПД
распределительной системы; х1, х2 - параметры, зависящие от мощности и количества
изготавливаемых экземпляров.
Тогда математическая модель линейной крупноапертурной АФАР с но вым
способом фазирования и коаксиальной системой разводки первичных коле баний
будет определятся выражением:
где
К - число формиуемых АФАР лучей.
А математическая модель той же АФАР но с волноводно-оптической системой
разводки первичных колебаний имеет вид:
где С1Вт - стоимость одного погонного метра
волоконно-оптической линии связи; С1но- стоимость одного оптического направленного
ответвителя; С1лд- стоимость одного лазерного диода, С1фп - стоимость одного
фотоприемника.
Количественную оценку стоимостных характеристик будем производить для
рассматриваемых антенн в условных единицах. Расчет стоимости будем производить
для случая, когда С1Вт = 1 ; С1изл = 0,1; С1фв = 0,5; С1дел=0,01; С1дел=0,001;
С1но=0,1; С1лд=0,1; С1фп=0,05; С1кл=0,01; D01 = 3;
=0,5; х1=0,63; х2=0,5.
Стоимость АФАР с предлагаемым способом фазирования в 5 раз ниже
стоимости АФАР с традиционным способом фазирования, а АФАР с системой разводки,
выполненной на волоконно-оптических линиях передачи, в 1,5 дороже АФАР с
системой разводки на коаксиальных линях передач. Таким образом, рассматриваемый
способ фазирования является экономичным и его целесообразно применять для
управления в крупноапертурных линейных АФАР.
ЗАКЛЮЧЕНИЕ
В результате выполнения дипломного проекта были получены следующие
результаты:
1
Разработана
цифровая система управления положением луча диаграммы направленности активной фазированной
антенной решетки, что являлось основным заданием данного диплома.
2
В связи с
внедрением приемо-передающего модуля в АКРЛДН был изменен состав и
функционирование радиолокационной станции комплекса. Это дало положительный результат, так как
конструкция упростилась, следовательно и уменьшились массогабаритные характеристики.
3
Разработана
структурная схема модуля АФАР. Рассмотрены и рассчитаны ее основные
характеристики.
4
Проведен
анализ эффективности разработанной системы, который показал, что дальность
обнаружения системы описанной в данном проекте существенно выше чем у существующих. Помимо этого
отметим то, что стоимость модуля при перечисленных достоинствах, уменьшилась по сравнению с уже существующими.
В общем, разработка цифрового устройства управления привела к
улучшению характеристик АКРЛДН, и, следовательно, к решению поставленных перед
комплексом задач. Внедрение данного устройства в производство позволит
существенно снизить затрачиваемые ресурсы на эксплуатацию, диагностику и
ремонт.
самолет боевой радиолокационный антенна разведка
ЛИТЕРАТУРА
1.
Молочков
Ю.Б. Авиационные антенно-фидерные устройства. - М.: ВВИА им. Н.Е. Жуковского, 1983.
2.
Инв.8110
3.
Кочкин
Е.В. Дипломный проект на тему «Разработка способа фазирования для активных фазированных
антенных решеток посредством квазиволн», - Иркутск: ИВВАИИ, 2002 г.
4.
http//Subscreen.ru
5.
Инв.6436.
6.
Д.Н.
Верещиков, С.Н. Салтыков. Самолет ИЛ-76, аэродинамика и динамика полета: Учебное пособие
Иркутск. ИВАИИ, 2003 г.
7.
С.П. Жиронкин, А.С. Лисовицкий РЛПК самолёта
МиГ-29.ИВВАИУ 1993. г.
8.
В.В.Васин,
Степанов Б.М. Справочник-задачник по радиолокации. М., «Сов. радио» 1977 г.
9.
9.Огурцов
В.К. Авиационные
антебнно-фидерные устройства. Конспект лекций. Иркутск: ИВВАИУ, 1991 г.
10.
10.Косов.
А.И. Дипломный проект на тему «Разработка приемопередающего модуля АФАР для
перспективного комплекса ДРЛО», - Иркутск: ИВВАИИ, 2002 г
11.
Обеспечение
надёжности авиационного радиоэлектронногооборудования. Разработка военно-эксплуатационных
вопросов в курсовых идипломных проектах. Под редакцией А. Ф. Воскобоева М.
ВВИА. им. Жуковского
1999 г.