Моделирование системы управления углом поворота инерционного объекта
Федеральное
государственное бюджетное образовательное учреждение высшего профессионального
образования
«Ковровская
государственная технологическая академия имени В. А. Дегтярева»
Кафедра
приборостроения
Пояснительная
записка к курсовой работе
по
дисциплине «Моделирование систем управления»
на
тему: «Моделирование системы управления углом поворота инерционного объекта»
Исполнитель: Астафеева Анна
Александровна
Руководитель: Баунин
СОДЕРЖАНИЕ
ЗАДАНИЕ
НА КУРСОВУЮ РАБОТУ
1. Разработка математической модели системы
управления
1.1
Математическая модель ЭВМ
.2
Математическая модель ЦАП
.3
Математическая модель усилителя мощности
.4
Математическая модель исполнительного двигателя
.5
Математическая модель механической передачи
.6
Математическая модель приборного редуктора
.7
Математическая модель тахогенератора
.8
Математическая модель согласующего усилителя
.9
Математическая модель АЦП
.10
Математическая модель ЦДУ
.11
Математическая модель системы управления
.
Разработка МАШИННой модели системы
управления
. Результаты математического моделирования
ЗАКЛЮЧЕНИЕ
Задание к
курсовой работе
Исходные данные
Дана функциональная схема системы управления
углом поворота нагрузки и алгоритм работы ЭВМ изображение на рис. 1 и рис. 2
соответственно.
Рис. 1. Функциональная схема системы управления
На рисунке 1 приняты следующие обозначения:
ЭВМ - электронно-вычислительная машина;
ЦАП - цифро-аналоговый преобразователь;
УМ - усилитель мощности;
ИД - исполнительный двигатель;
ПР - приборный редуктор;
ТГ - тахогенератор;
СУ - согласующий усилитель;
АЦП - аналого-цифровой преобразователь;
Р - редуктор;
ОУ - объект управления;

- цифровое представление сигнала заданного
угла поворота, рад;
φ - угол поворота объекта
управления, рад;

- цифровое представление сигнала
угла поворота ОУ, рад;
- цифровое представление скорости
вращения ИД, рад;
- цифровое представление сигнала
управления, рад.
Рис. 2. Алгоритм работы ЭВМ
На рисунке 2 приняты следующие
обозначения:

- цифровое представление сигнала
заданного угла поворота, рад;
φ - угол поворота объекта
управления, рад;

- цифровое представление сигнала
угла поворота ОУ, рад;
- цифровое представление скорости
вращения ИД, рад;

- цифровое представление сигнала
управления, рад;
- уровень ограничения сигнала
управления
, В;
- период квантования в контуре
регулирования положения, с;
- постоянная времени регулятора
скорости ИД, с;
- коэффициент передачи регулятора
скорости ИД;
Tc - период
квантования в контуре регулирования скорости ИД, с.
Число разрядов ЦДУ n0=16.
Число разрядов ЦАП nцап=12,
максимальное выходное напряжение ЦАП Uцап m=10 В.
Число разрядов АЦП nацп=12,
максимальное входное напряжение АЦП Uацп m=10 В.
Уровень ограничения сигнала
управления U*упр
определяется по следующему выражению:
Uрм=Uцап m/Kцап,
где Uцап m -
максимальное выходное напряжение ЦАП, В;
Kцап - крутизна
ЦАП, В/рад.
Уровень ограничения выходного
сигнала регулятора положения Unm определить
по выражению:
Unm =
,
где iпр -
передаточное отношение приборного редуктора; Ωид ном -
номинальная скорость вращения ИД, рад/с.
Период квантования в контуре
регулирования положения Т0 = 0,05 с.
Усилитель мощности:
Кум = 6 - коэффициент
передачи усилителя мощности;
Uум m = 27 В -
максимальное выходное напряжение усилителя мощности.
Исполнительный двигатель:
в качестве ИД используется
электродвигатель постоянного тока с возбуждением от постоянных магнитов;
Uя ном = 27 В -
номинальное напряжение якоря;
Iя ном = 6,4 А -
номинальный ток якоря;
nном = 6000
об/мин - номинальная скорость вращения;
Мном ид = 0,147 Нм -
номинальный вращающий момент двигателя;
Jд = 3.10-6
кг.м-6 - собственный момент инерции ротора
исполнительного двигателя.
Редуктор:
i = 1800 -
передаточное число редуктора;
σ = 1,2 -
коэффициент, позволяющий учесть момент инерции вращающихся частей редуктора;
ηпх = 0,7 - КПД
прямого хода;
ηох = 0,65 -
КПД обратного хода;
Δ = 1 мрад - люфт
редуктора;
с = 30000 Нм/рад - жесткость
редуктора.
Приборный редуктор:
приборный редуктор считать абсолютно
жестким и безлюфтовым;
iпр = 2 -
передаточное отношение приборного редуктора.
Тахогенератор:
Ктг = 5 мВ.мин/об
- крутизна тахогенератора.
Объект управления:
Jн = 30 кг.м2
- момент инерции нагрузки;
Мтр = 50 Нм - момент
трения;
Мну = 100 Нм - момент
неуравновешенности нагрузки.
Определить:
1. Значения Kрп, Крс,
Кос, Трс, периода квантования Тс сигналов
управления в контуре регулирования скорости ИД, при которых обеспечиваются
следующие характеристики:
· время отработки заданного угла φ*з=20
мрад до ошибки не более 0,5 мрад - не более 2с;
· время отработки заданного угла φ*з=900
до ошибки не более 0,5 мрад - не более
t=(
) = 6,5 с,
где i -
передаточное число редуктора;
· перерегулирование при отработке
заданных углов φ*з=20
мрад - не более 4 мрад, при отработке φ*з=900
- не более 20 мрад.
. Исследовать влияние периода квантования Тс
сигналов управления в контуре регулирования скорости ИД на показатели качества
переходного процесса.
1. РАЗРАБОТКА МАТЕМАТИЧЕСКОЙ МОДЕЛИ
СИСТЕМЫ УПРАВЛЕНИЯ
.1 Математическая модель ЭВМ
Структурная схема математической модели ЭВМ
представлена на рис. 3.
Рис. 3. Структурная схема ЭВМ
На рисунке 3 приняты следующие обозначения:

- цифровое представление сигнала
заданного угла поворота, рад;
φ - угол поворота объекта
управления, с;

- цифровое представление сигнала
угла поворота ОУ, рад;
- цифровое представление скорости
вращения ИД, рад;

- цифровое представление сигнала
управления, рад;
- уровень ограничения сигнала
управления
, рад;
- период квантования в контуре
регулирования положения, с;
- постоянная времени регулятора
скорости ИД, с;
- коэффициент передачи регулятора
скорости ИД;
Tc - период
квантования в контуре регулирования скорости ИД, с.
Рассчитаем параметры математической
модели ЭВМ.
Выбираем разрядность ЭВМ: n0 = 16.
Определяем величину единицы младшего
разряда ЭВМ:


рад.
1.2 Математическая модель ЦАП
Структурная схема математической
модели ЦАП представлена на рис. 4.
Рис. 4. Структурная схема ЦАП
На рисунке 4 приняты следующие
обозначения:

- величина единицы младшего разряда
ЦАП, рад;

- коэффициент крутизны ЦАП, 
;
p - оператор
Лапласа;

;
T0- период
квантования, с; 
- максимальное выходное напряжение
ЦАП, В; 
- сигнал управления, В; 
- цифровое представление сигнала
управления, рад.
Основные параметры математической
модели ЦАП:
Uцап max = 10В -
максимальное выходное напряжение ЦАП;
δцап = 0,0015
рад/сек - величина младшего разряда ЦАП;
Кцап = 3,18 В/рад -
крутизна ЦАП;
U*упр - цифровой
(дискретный) сигнал управления;
Uупр -
аналоговый сигнал управления.
рад,
Крутизна ЦАП определяется по
следующему выражению:

,
где
= 10 В - максимальное выходное
напряжение ЦАП;
5. Уровень ограничения сигнала
управления U*упр определяется
по выражению:

рад,
где Uцап max = 10 В -
максимальное выходное напряжение ЦАП;
= 3,184 В/рад - крутизна ЦАП.
. Определяем величину единицы
младшего разряда АЦП и крутизны АЦП:

рад/В;
рад.
. Зададимся максимальной скоростью
вращения исполнительного двигателя от номинала:

рад/сек,

рад/сек;
где Ωдmax , рад/сек -
максимальная скорость вращения ИД,
nдном = 6000
об/сек - номинальная скорость вращения ИД.
1.3 Математическая модель усилителя
мощности
аналоговый преобразователь редуктор сигнал
Структурная схема математической модели
усилителя мощности представлена на рис. 5.
Рис. 5. Структурная схема усилителя мощности
На рисунке 5 приняты следующие обозначения:

- максимальное выходное напряжение
УМ, В;

- коэффициент передачи усилителя
мощности.
Основные параметры математической
модели усилителя мощности:
Кум = 6 - коэффициент
передачи усилителя мощности;
Uум max = 27 В -
максимальное выходное напряжение усилителя мощности.
.4 Математическая модель
исполнительного двигателя
Принципиальная схема ИД
представлена на рисунке 6.
Рис. 6. Принципиальная схема ИД
На рисунке 6 приняты следующие обозначения:

- напряжение на якоре двигателя, В;

- напряжение питания обмотки
возбуждения, В;
Динамика электродвигателя
характеризуется двумя уравнениями:
уравнением напряжения на якорной
цепи и уравнением моментов на его валу.
1) Уравнение напряжений для цепи
якоря ИД:


где 
- напряжение на якоре двигателя, В;

- ток якоря, А;

и 
- индуктивность и активное
сопротивление обмотки якоря, Гн и Ом;

- коэффициент противо - ЭДС;

- скорость вращения вала двигателя,
.
= 6,4 А - ток якоря;

рад/с - скорость вращения ИД,

В.с/рад - коэффициент
противо-ЭДС,

Гн - индуктивность якоря, Гн,

Ом - сопротивление якоря.
) Уравнение моментов на валу
двигателя:

(1.2)
где 
- момент развиваемый
электродвигателем, Н
м;

- момент инерции якоря двигателя, кг
м2;

- момент нагрузки на валу двигателя,
Н
м.
Момент, развиваемый исполнительным
двигателем определяется по выражению:
Мд(t) = cмiя(t), (1.3)
где cм -
коэффициент момента, Нм/А.
С учетом (1.6) уравнение (1.5)
примет вид:

. (1.7)
Тогда структурная схема ИД
построится по двум дифференциальным уравнениям:

, (1.8)

,
Структурная схема ИД представлена
на рисунке 7.
Рис. 7 Структурная схема ИД
Момент инерции ротора двигателя, с
учетом приведенного к его валу момента инерции вращающихся частей редуктора:

,
где 
- коэффициент, учитывающий момент
инерции вращающихся частей редуктора;

- собственный момент инерции ротора
исполнительного двигателя,
.
Jд = σ.Jд0 = 1,2.3.10-6
= 3,6.10-6 кг.м2,
где Jд0 = 3.10-6
кг.м2 - собственный момент инерции ротора ИД;
.5 Математическая модель приборного
редуктора
Структурная схема математической
модели приборного редуктора представлена на рис. 8.
Ωид
Ωвх тг
Рис. 8. Структурная схема приборного
редуктора
Основные параметры математической
модели приборного редуктора:
Кпр = 1/iпр = 1/2 = 0,5
- коэффициент усиления приборного редуктора;
= 2 - передаточное отношение
приборного редуктора.
1.6 Математическая модель
тахогенератора
Структурная схема математической
модели приборного редуктора представлена на рис. 9.
Ωвх тг Uвых тг
Рис. 9. Структурная схема
тахогенератора
На рисунке 9 приняты следующие
обозначения:

- коэффициент крутизны ТГ,
;

- максимальное выходное напряжение
тахогенератора, В.
Основные параметры математической
модели тахогенератора:

.

.
.7 Математическая модель
согласующего усилителя
Структурная схема математической
модели согласующего усилителя представлена на рис. 10.
Рис. 10. Структурная схема
согласующего усилителя
На рисунке 10 приняты следующие
обозначения:

- коэффициент согласующего
усилителя;

- выходное напряжение
тахогенератора, В;

- напряжение АЦП, В.
Рассчитаем параметры математической
модели согласующего усилителя.
Коэффициент передачи согласующего
усилителя:

,

.
1.8 Математическая модель АЦП
Структурная схема математической
модели согласующего усилителя представлена на рис. 11.
Рис. 11. Структурная схема АЦП
На рисунке 11 приняты следующие
обозначения:

- максимальное входное напряжение
АЦП, В;
T0 - период
квантования по времени, с;

- коэффициент крутизны АЦП;

- величина единицы младшего разряда
АЦП, рад;

- входное напряжение АЦП, В;

- цифровое представление выходного
напряжения АЦП, рад.
Рассчитаем параметры математической
модели АЦП.
. Величина младшего разряда АЦП
определяется как:


рад,
где δ0 = 9,5876.10-5
рад - величина младшего разряда ЭВМ;
n0 = 16 - количество
разрядов ЭВМ;
nацп = 12 -
количество разрядов АЦП.
. Крутизна АЦП определяется по
следующей формуле:

рад/В,
где
= 10 В - максимальное входное
напряжение АЦП.
1.9 Математическая модель
механической передачи
Принципиальная схема механической
передачи представлена на рисунке 12.
Рис.12. Принципиальная схема
механической передачи
На рисунке12 приняты следующие
обозначения:

- момент, развиваемый двигателем, Н
м;

- угловая скорость вращения вала
двигателя, 
;

- момент инерции ротора двигателя с
учетом приведенных к его валу моментов инерции вращающихся частей редуктора,
;

- передаточное число редуктора;

- величина люфта в механической
передаче, рад;

- коэффициент жесткости
механической передачи, 
;

- коэффициент демпфирования (потери
на упругую деформацию), рад;

- величина упругой деформации, рад;

- момент инерции нагрузки
;

- угловая скорость нагрузки,
;

- момент нагрузки, Н
м.
Математическая модель механической
передачи описывается дифференциальными уравнениями.
) Уравнение величины упругой
деформации имеет следующий вид:
,
где δ(t), рад -
величина упругой деформации (угол закручивания редуктора);
φн(t), рад -
угол поворота нагрузки;
Δ, рад - люфт редуктора;
i -
передаточное отношение редуктора.
) Уравнение момента, передаваемого
механической передачей, имеет вид:
Ммп(t) = c.δ(t) + b.dδ(t)/dt,
где Ммп(t), Н.м
- момент, возникающий в упругом элементе;
с, Н.м/рад - жесткость
редуктора;
b, Н.м.с/рад
- коэффициент демпфирования.
) Уравнение момента нагрузки,
приведённого к валу ИД, имеет вид:
,(1.6)
где Мнд (t), Н.м
- момент нагрузки, приведенный к валу ИД;
ηпх - КПД
прямого хода механической передачи;
ηох - КПД
обратного хода механической передачи;
Ωид, рад/с - скорость
вращения ИД.
) Уравнение моментов на валу
нагрузки имеет вид:

(1.7)
где Jн, - момент
инерции нагрузки, кг.м2;
Ωн, - скорость
вращения нагрузки, рад/с;

- момент неуравновешенности
нагрузки, Н
м.
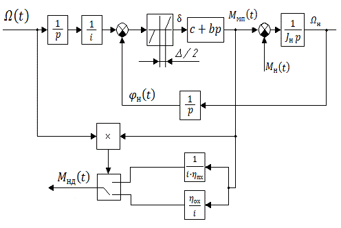
По уравнениям (1.4-1.7) составлена
структурная схема редуктора, приведённая на рис. 1.9.
Рассчитаем параметры математической
модели редуктора.
Коэффициент демпфирования:
b = 2ξ
= 2.0,3
= 569 Н.м.с/рад,
где 
- коэффициент демпфирования
редуктора;
с = 3.104 Н.м/рад
- жесткость редуктора;
Jн = 30 кг.м2
- момент инерции нагрузки.
Структурная схема механической
передачи представлена на рисунке 13.
Рис. 13. Структурная схема
механической передачи
.10 Математическая модель цифрового
датчика угла
Цифровой датчик угла (ЦДУ) преобразует угловое
перемещение в цифровой код. Он состоит из квантователей по уровню и по времени.
Структурная схема математической модели ЦДУ
представлена на рис. 14.
φ
φ*
Рис. 14. Математическая модель ЦДУ
На рисунке 14 приняты следующие обозначения:

- величина единицы младшего разряда
ЦДУ, рад;
φ - угол поворота объекта
управления, рад;

- цифровое представление сигнала
угла поворота ОУ, рад;
T0- период
квантования, с.
Рассчитаем основные параметры ЦДУ.
Величина младшего разряда ЦДУ определяется по
следующему выражению:
,
где nцду = 16 - нам
известно по заданию.
.11 Математическая модель системы
управления
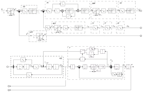
Соединив математические модели элементов в
соответствии с заданием, получаем математическую модель всей системы
управления, структурная схема которой изображена на рис. 15.
Рис. 15. Структурная схема системы управления
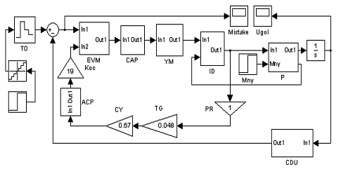
2. РАЗРАБОТКА МАШИННОЙ МОДЕЛИ
СИСТЕМЫ УПРАВЛЕНИЯ
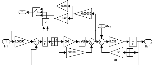
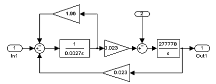
Машинная модель системы управления выполним в MATLAB
Version 6.5.0.18091 3а
Release 13 с использованием Simulink 5. При моделировании используем метод
численного интегрирования Рунге-Кутта 4-го порядка с шагом 0,001 с. Распечатка
машинной модели в виде общей структурной схемы и структурных схем элементов
представлена на рис. 2.1 - 2.8.
Рис. 16. Структурная схема машинной модели системы
управления
Рис. 17. Структурная схема машинной модели ЭВМ
Рис. 18. Структурная схема машинной модели ЦАП
Рис. 19. Структурная схема машинной модели УМ
Рис. 20. Структурная схема машинной модели ИД
Рис. 21. Структурная схема машинной модели
редуктора
Рис. 22. Структурная схема машинной модели ЦДУ
Рис. 23. Структурная схема машинной модели АЦП
3. РЕЗУЛЬТАТЫ МАТЕМАТИЧЕСКОГО
МОДЕЛИРОВАНИЯ
В результате проведения математического моделирования
и исследования системы управления были определены значения Крп, Крс,
Кос, Трс, Тс, при которых обеспечиваются
требуемые показатели качества системы:
Крп = 10, Крс = 39, Кос
= 1, Трс = 0.2, Тс = 0.01 с, Uпm
= 0,2.
Рассмотрим характеристики системы при
использовании данных параметров.
При отработке системой угла φ*з
= 20 мрад обеспечиваются следующие характеристики переходного процесса:
установившееся значение ошибки системы ε
= 0,2
мрад (см. рис. 3.2-3.3);
максимальное перерегулирования σmax
= 4 мрад (см. рис. 3.1).
К системе предъявлялось требование ко времени
отработки угла 20 мрад до максимальной ошибки 0,5 мрад, которое не должно
превышать величину 2 с. Кроме того, перерегулирование не должно превышать 4
мрад.
Полученные характеристики полностью
удовлетворяют этим требованиям. Графики переходных процессов и ошибки при
входном воздействии 20 мрад представлены на рис. 3.1 - 3.3.
t,
с
Рис. 24. График переходного процесса при
отработке системой угла 20 мрад
Рис. 25. График ошибки системы при отработке
угла 20 мрад
Рис. 26. Увеличенный график ошибки системы при
отработке угла 20 мрад
При отработке системой угла φ*з
= 900 = 1,57 рад обеспечиваются следующие характеристики переходного
процесса:
время переходного процесса tпп
= 6,4 с (см. рис. 3.4-3.5);
установившееся значение ошибки системы ε
= 0,1
мрад (см. рис. 3.6-3.7);
максимальное перерегулирование σmax
= 1,2 мрад.
Графики переходных процессов и ошибки при
входном воздействии 1,57 рад представлены на рис. 3.4 - 3.7.
Рис. 27. Переходный процесс при отработке
системой угла 1,57 рад
Рис. 28. Увеличенный график переходного процесса
при отработке системой угла 1,57 рад
Рис. 29. Ошибка системы при отработке угла 1,57
рад
Рис. 30. Увеличенный график установившегося
значения ошибки системы при отработке угла 1,57 рад
К системе предъявлялось требование ко времени
отработки угла 1,57 рад до максимальной ошибки 0,5 мрад, которое не должно
превышать величину t = 6,5 с.
Кроме того, перерегулирование не должно превышать 20 мрад.
Полученные характеристики удовлетворяют данным
требованиям.
Исследуем влияние периода квантования Тс
на показатели качества переходного процесса.
Увеличим период до величины Тс = 0,05
с. График переходного процесса представлен на рис. 3.8. При отработке системой
угла φ*з
= 20 мрад обеспечиваются следующие характеристики переходного процесса:
установившееся значение ошибки системы ε
= 7 мрад;
максимальное перерегулирование σmax
= 8 мрад.
Рис. 31. Переходный процесс при отработке
системой угла 20 мрад при Тс = 0,05 с
Переходный процесс не удовлетворяет заданным
условиям. Уменьшим период до величины Тс = 0,001 с. График
переходного процесса представлен на рис. 3.9.
При отработке системой угла φ*з
= 20 мрад обеспечиваются следующие характеристики переходного процесса:
установившееся значение ошибки системы ε
= 3 мрад;
максимальное перерегулирование σmax
= 2 мрад.
Рис. 32. Переходный процесс при отработке
системой угла 20 мрад при Тс = 0,001 с
Таким образом, период квантования Тс
= 0,01 с обеспечивает наиболее оптимальные показатели качества переходного
процесса.
Заключение
В ходе выполнения данной курсовой работы была
разработана математическая модель системы управления углом поворота нагрузки.
Для этого были составлены уравнения, описывающие элементы системы и проведен
расчет параметров математических моделей отдельных элементов.
Далее с помощью MATLAB
6.5 Release 13 и с использованием Simulink
5.0. была разработана машинная модель системы управления. При моделировании
использовался метод численного интегрирования Рунге-Кутта 4-го порядка с шагом
0,001 с.
Затем, с помощью графиков переходных процессов
угла поворота нагрузки и ошибки отработки входного воздействия, было проведено
исследование системы управления и определены параметры Крп = 10, Крс
= 39, Кос = 1, Трс = 0.2, Тс = 0.01 с, при
которых обеспечиваются требуемые характеристики системы.
Также было проведено исследование влияния
периода квантования Тс сигналов управления в контуре регулирования
положения ИД на показатели качества переходного процесса, в ходе которого было
выяснено, что значение периода квантования, равное 0.01 с является оптимальным.