Испытания автомобиля с системой VDC при резком изменении направления движения

  • Вид работы:
    Реферат
  • Предмет:
    Транспорт, грузоперевозки
  • Язык:
    Русский
    ,
    Формат файла:
    MS Word
    1,97 Мб
  • Опубликовано:
    2014-07-22
Вы можете узнать стоимость помощи в написании студенческой работы.
Помощь в написании работы, которую точно примут!

Испытания автомобиля с системой VDC при резком изменении направления движения

Содержание

 

1. Предварительные сведения

2. Концепция и вариационные параметры системы VDC

3. Функциональная блок-схема системы VDC

4. Техническая реализация системы VDC

4.1 Основные компоненты

4.2 Датчики системы VDC

4.3 Гидросистема

4.4 Электронный блок управления

5. Результаты экспериментальных исследований

5.1 Испытания автомобиля с системой VDC при резком изменении направления движения

5.2 Торможение при движении автомобиля по гладкому льду

6. Надежность системы VDC. Поиск неисправностей

Список литературы

1. Предварительные сведения

Управление движением автомобиля на извилистой дороге с уклонами и подъемами, например на горном серпантине, является исключительно трудной и опасной работой для среднестатистического водителя. задача управления еще более осложняется при изменении погодных условий, при дожде, снегопаде и особенно на обледенелом шоссе. Движение по горным дорогам в таких случаях запрещается.

Однако и на высококлассных равнинных автомагистралях бывают достаточно крутые повороты и гололед, что при практически неограниченной скорости движения часто приводит к дорожно-транспортным происшествиям (ДТП).

Причиной всех подобных аварий является практически неконтролируемое падение сцепления колесных шин автомобиля с дорожным покрытием, которое (сцепление) еще более ослабевает при появлении продольного и бокового скольжения, т.е. неуправляемого юза колес.

При движении юзом автомобиль плохо поддается управлению и вывести его из такого состояния на большой скорости может не каждый водитель. Вина за случившееся в таком случае ДТП всегда возлагается на водителя. Так, по статистическим данным американской дорожной полиции, которые мало расходятся с данными ГИБДД, около 95% всех ДТП, имеющих место на равнинных скоростных дорогах во время дождя, пурги, гололеда, происходят по вине водителей, в результате совершенных ими ошибок в управлении.

Ряд американских, немецких и японских исследователей не согласны с такой трактовкой причин ДТП. Так Kappler [4] и Brown [5] провели более тщательную обработку полицейской информации о ДТП и указали, что только в 19% всех случаев виноваты неопытность, невнимательность или беспечность водителя; 31% ДТП приходится на "тупость" (несовершенство) автомобиля, когда даже мастеровитый водитель не в состоянии справиться с автомобилем и предотвратить аварию; оставшиеся 50% ДТП имели место из-за резкого, неожиданного для водителя изменения дорожной ситуации (например, масляное пятно или лёд на дорожном покрытии), когда водитель просто не успевал среагировать.

По данным Rompe и др. [6], которые исследовали действия водителей при резком изменении дорожной ситуации ещё до совершения ими аварии, только в 50% случаев водители пытались предотвратить ДТП. Edwards и др. [7] уточняют, что действия водителей по предотвращению столкновений имеют место в 52%, а по предотвращению съезда с автомагистрали за ограждение или по предотвращению опрокидывания автомобиля в 64% случаев.

Отсюда ясно, что почти всегда в половине состоявшихся ДТП виноваты не беспечность или невнимательность водителя, а его природная инерционность восприятия, приводящая к запаздыванию реакции при необходимости выполнения мгновенного действия в современных условиях движения.

Forster [8] указывает на то, что водитель не обладает способностью мгновенно воспринимать неожиданно появляющееся скольжение между колёсами и дорогой и тем более понятия не имеет, что такое боковая устойчивость автомобиля и как её в таком случае реализовать. Таким образом, если предел нормального устойчивого сцепления колёс с дорогой нарушен, то возникший на повороте боковой увод автомобиля юзом застанет водителя врасплох. Отсюда Forster делает вывод, что человек, как инерционное звено в системе "автомобиль-водитель-дорога", должен быть освобождён от необходимости выполнения мгновенных (быстрее 0,1 с) действий и за него такие действия должна выполнять бортовая электронная автоматика, подчинённая обычному человеческому восприятию и реальной ситуации движения.

параметр датчик гидросистема электронный

Среди водителей высокого класса, профессиональных водителей-испытателей и автогонщиков хорошо известно, что безаварийное управление автомобилем на большой скорости и на скользкой дороге возможно, если умело (своевременно и быстро) воздействовать на рулевое управление, педаль тормоза и педаль газа. Это позволяет удерживать динамический момент разворота автомобиля вокруг вертикальной оси в равновесии с инерциальным моментом бокового увода и тем самым обеспечивать устойчивое курсовое направление движения автомобиля боковым юзом.

Однако требовать такого умения вождения от среднестатистического водителя нельзя и рациональнее переложить задачу управления в критической ситуации движения на бортовую аппаратуру автоматического управления.

Исследованиями Fuchs [9] показано, что электронная автоматика вновь разрабатываемых моделей автомобилей, которые будут обязательно оснащаться системой курсовой устойчивости, должна отвечать следующим требованиям:

·        при нарушении штатных (обычных) условий движения, когда сцепление колёсных шин автомобиля с дорогой приближается к своему физическому пределу, автомобиль не должен вести себя непредсказуемо, динамика его движения не должна изменяться резко, не должны иметь место заносы, резкие развороты, съезды с дороги или опрокидывание;

·        даже на скользких или обледенелых дорогах отклонения от заданного водителем направления движения должны оставаться минимальными (в пределах обеспечения безопасности);

·        степень загруженности автомобиля в пределах предписанной нормы не должна оказывать влияния на устойчивость его движения;

·        боковой ветер, неубранное от незначительных песчаных или снежных наносов состояние автомагистрали не должны сильно влиять на движение автомобиля;

·        параметры и характеристики автомобиля, ответственные за безопасность движения, должны оставаться в оптимальных нормах для субъективного восприятия водителем.

Чтобы выполнить перечисленные требования, обеспечивающие устойчивость движения автомобиля, был проведен ряд теоретических и экспериментальных исследований. В первую очередь пересмотру подверглись возможности уже серийно выпускаемых системы антиблокировки тормозов (ABS) и системы регулирования крутящего момента двигателя (ASR). Дополнительно к ним была разработана система управления активной подвеской (ABR), позволяющая регулировать дорожный просвет.

Помимо систем ABS и ASR в систему управления динамикой движения автомобиля немецкими инженерами Нееs и др. было предложено включить систему управления активной подвеской (ACR) и систему контроля рулевого управления (APS). Так четырьмя ранее разработанными системами (ABS, ASR, ACR, APS) был образован единый комплекс автоматического управления курсовой устойчивостью движения автомобиля в чрезвычайных ситуациях. Этот комплекс получил название "система VDC" (от нем. "Vehicle Dynamics Control").- это система активной безопасности автомобиля, которая постоянно контролирует действия водителя и в чрезвычайных ситуациях, например при резких поворотах на скользкой дороге, автоматически включается в процесс управления и предотвращает возможность возникновения боковых уводов (заносов) автомобиля. При этом система VDC адаптирует крутящий тяговый момент двигателя (посредством системы ASR) и тормозные усилия на колесах (посредством системы ABS) под заданное рулем (посредством, системы APS) направление движения. Система активной подвески (ACR) удерживает автомобиль от бокового наклонения.

Для реализации такого способа автоматического управления курсовой устойчивостью в компонентный состав системы VDC включается гироскопическое устройство, которое является датчиком сигнала отклонения направления движения от продольной оси автомобиля. Гироскоп - это своего рода вестибулярный аппарат системы VDC, реагирующий на малейшие флуктуации направления движения.

Однако следует заметить, что система VDC не является системой беспилотного управления, а лишь дополняет действия водителя, оставляя за ним ответственность за выбор направления движения на дороге, не вмешиваясь в его управляющие манипуляции до тех пор, пока движение автомобиля протекает штатно (без юза колес и без заноса автомобиля). С 1995 года система VDC вышла из стадии экспериментальных исследований и стала устанавливаться на эксклюзивных легковых автомобилях.

2. Концепция и вариационные параметры системы VDC


В штатных условиях движения траектория перемещения автомобиля подорожному полотну задается управляющими манипуляциями водителя. Эти манипуляции, с помощью соответствующих датчиков, преобразуются в электрические сигналы угла поворота рулевого колеса, крутящего момента двигателя (по углу поворота оси дроссельной заслонки) и давления жидкости в тормозной системе.

Однако этих сигналов для автоматической стабилизации устойчивости движения в критических ситуациях недостаточно и дополнительно требуется информация о таких непрерывно изменяющихся величинах, как угол бокового увода передних колес (α), угол бокового сноса автомобиля (β), боковое скольжение (S) колес относительно дорожного покрытия и его направление (угол γ), коэффициент (µ) сцепления колес с дорогой. Все эти величины являются входными вариационными параметрами системы VDC и значительно влияют на траекторию движения автомобиля, как только под колесами появляется юз.

На рис.2.1 показано, какую траекторию будет описывать автомобиль, заходящий на скорости 80 км/час в крутой поворот при одном и том же неизменном положении руля, на постоянном газе без торможения, но при различных состояниях дорожного покрытия. Кривая "А" соответствует траектории поворота автомобиля с радиусом 40 м на сухом асфальте, когда боковое скольжение колес относительно дорожного покрытия не имеет места (µ>0,95). Фактическое направление движения соответствует направлению, выбранному водителем посредством соответствующего поворота рулевого колеса. Кривая "В" отображает траекторию движения автомобиля при повороте на мокрой дороге сразу после дождя, когда асфальтное покрытие особенно скользкое (µ<0,65). Появляющееся боковое скольжение передних колес приводит к боковому сносу автомобиля от заданного рулем направления движения, и радиус поворота зависит не только от положения руля, но и от силы бокового увода. На зимней дороге при гололеде (µ <0,15) боковой снос автомобиля на повороте может стать настолько большим, что потеряется контроль над управлением и автомобиль независимо от действий водителя перейдет в перемещение по автодороге боковым юзом (кривая "С" на рис.2.1) или, более того, может начать вращаться вокруг вертикальной оси.

Из рассмотрения траекторий, показанных на рис.2.1, очевидно, что при повороте автомобиля на скользкой дороге угол бокового увода (сноса) автомобиля должен быть ограничен значением, при котором коэффициент сцепления µ колес с дорогой не становится меньше критического для данных состояний эластичности протектора колесных шин и дорожного покрытия. Одним из способов повышения коэффициента сцепления µ является применение в зимнее время более жесткой шипованной колесной резины.

Рис. 2.1 Зависимость траектории движения автомобиля от состояния полотна дорожного покрытия.

 

На рис. 2.2, а приведена векторная диаграмма сил, приложенных к переднему колесу во время движения автомобиля на повороте, которая отображает физическую картину потери устойчивости при появлении юза под колесами.

На рис. 2.2, б показаны точки приложения векторных сил и момента разворота вокруг вертикальной оси, а также линейные координаты а, b, с, d этих точек относительно центра масс в системе координат х, у, z.

Угол α бокового увода колеса возникает под воздействием боковой силы Fs, когда эластичная шина деформируется в боковом направлении, в результате чего вектор скорости V автомобиля отклоняется от плоскости вращения колеса [2].

Увеличение боковой силы Fs является главной причиной увеличения угла α. Отношение Fs/α называется коэффициентом сопротивления уводу.

Ку = F</α (Н/град).

Если угол α достигает значений 12-20°, то боковая сила Fs на сухом асфальте становится равной силе F1 сцепления шины колеса с дорогой (Fs= Fr) и увод колеса переходит в его боковое скольжение (юз).

При воздействии на колесо продольной тяговой силы Fl или тормозной силы Fв коэффициент сопротивления уводу (Ку) снижается. Если колесо наклоняется по вертикали, в сторону действия боковой силы, то угол увода колеса увеличивается, при обратном направлении силы Fs угол α уменьшается.

Если при повороте передние колеса вращаются свободно (без бокового юза и без торможения), то Fb = 0 и λ = 0, а результирующая сила Fr = Fs0.

Когда под передними колесами появляется юз, угол λ, определяющий направление скольжения, возрастает и, в зависимости от изменения коэффициента скольжения S в пределах 0 < S < 1, меняет свою величину от 0° до 90°. При этом за счет юза начинает увеличиваться сила Fb торможения колеса (без срабатывания тормозной системы), а боковая сила Fs в соответствии с векторной диаграммой (рис. 2.2, a) уменьшается.

Изменение направления скольжения (угол λ) при боковом юзе приводит к вращению результирующей силы Fr вокруг вертикальной оси поворота колеса, что вызывает перераспределение сил Fl, Fb, Fs и образование момента М вращения кузова автомобиля относительно центра масс под воздействием скольжения данного колеса. Ясно, что при боковом скольжении S, близком к единице (S=l), боковой увод автомобиля превышает критическое значение и автомобиль становится неуправляемым.

Суммарный момент Мe вращения кузова вокруг вертикальной оси равен сумме моментов от каждого колеса в отдельности: Мe=М1+М2+М3+М4.

Рис. 2.2 Силы, действующие на колеса автомобиля во время поворота V - вектор скорости движения автомобиля; S - продольная ось автомобиля; γ - угол поворота колеса относительно оси S; α - угол бокового увода колеса от фактического направления движения (от вектора V); β= (γ-α) - угол бокового увода автомобиля ("угол рыскания"); Fs - боковая сила действующая на ось колеса; Fb - тормозная сила колеса при его скольжении по дороге; Fr - результирующая сила бокового увода колеса, равная векторной сумме тормозной (Fb) и боковой (Fs) сил. (Fr=Fs+Fb); λ - угол между осью колеса и направлением его скольжения

Управляя тяговыми силами Fd ведущих колес (Fd3 + Fd4) и тормозными силами Fb всех четырех колес (Fb1, Fb2, Fb3, Fb4), возможно добиться такого состояния движения автомобиля на поворотах или на скользкой дороге, при котором Мe<<Мk. Мk - критическое значение суммарного момента Мe, при котором углы бокового увода центров переднего и заднего мостов появляются не под воздействием бокового юза, а в результате эластичного прогиба шин всех четырех колес. В таком случае колеса не срываются в юз и автомобиль остается управляемым. (Согласно ОСТ 37.001.05186, управляемость автомобиля - это его способность точно следовать повороту передних колес [3].) Функции автоматического управления подтормаживанием и тяговой силой колес при повороте автомобиля на большой скорости или при движении по скользкой дороге выполняет система управления курсовой устойчивостью (система VDC).

3. Функциональная блок-схема системы VDC


Функциональная блок-схема системы VDC, отвечающая решению фундаментальной задачи управления курсовой устойчивостью автомобиля, показана на рис. 3.1 Такая схема описывает функциональную взаимосвязь параметров системы VDC и порядок их обработки.

Рис. 3.1 Функциональная блок-схема системы VDC

Во-первых, по входным параметрам (воздействиям водителя на органы управления), которые с помощью датчика угла поворота рулевого колеса, датчика дроссельной заслонки и датчика давления в тормозной системе преобразуются в электрические сигналы, определяется номинальное (штатное) поведение автомобиля, описанное номинальными значениями регулируемых переменных. Это наиболее важная и наиболее сложная задача для контроллера системы VDC, так как поведение автомобиля зависит не только от воздействий водителя, но и от неизвестных воздействий окружающей среды.

Во-вторых, по полученным значениям от датчиков скорости колес, датчика рыскания и датчика боковых ускорений определяется фактическое поведение автомобиля, соответствующее фактическим значениям регулируемых переменных. Далее вычисляется и используется разность между номинальными и фактическими значениями переменных величин как набор управляющих сигналов в контроллере системы VDC.

Для реализации задачи управления боковым уводом каждого колеса в отдельности, т.е. при выполнении основной функции системы VDC, необходимо, чтобы тормозное давление на каждом колесе могло модулироваться независимо от водителя и как этого требует заложенная в память ЭБУ-VDC программа управления. Отсюда очевидно важное различие между системами ABC и VDC. Для системы ABC колесо является объектом управления скоростью его вращения, чтобы предотвратить блокировку и сохранить скольжение колеса малым (в пределах допустимой нормы). При этом предотвращается возможность появления и некоторого воздействия поперечной силы. Для системы VDC автомобиль является объектом управления с целью стабилизации движения в критических ситуациях, когда пробуксовкой колес можно и нужно управлять, чтобы получить требуемые поперечные и продольные силы воздействия на движущийся автомобиль.

В критической ситуации, когда автомобиль начинает срываться в движение боковым юзом, ширина полосы скольжения между передними и задними колесами больше ширины автомобиля. Это позволяет выбрать каскадную структуру системы управления, в которой внутренний контур управления с обратной связью управляет пробуксовкой колес, а внешний - движением автомобиля. Такая структура системы управления показана на рис. 3.2.

 

Рис. 3.2 Каскадная структура системы VDC с двумя контурами обратной связи

Во внешнем контуре управления с обратной связью происходит коррекция номинальных значений скольжения колес под требуемое для нештатных условий движения. При этом контроллер скольжения получает сигналы управления от контроллера динамики автомобиля в виде разностных величин между номинальными и фактическими параметрами движения, а также от датчиков автомобиля. Во внутреннем контуре формируются сигналы управления для исполнительных механизмов, с помощью которых корректируется боковой увод колес до номинальных значений скольжения. Наблюдатель используется для того, чтобы оценить фактическое значение угла бокового увода автомобиля и других неизмеряемых величин, например, сил воздействия на колеса, направленных по нормали.

Система управления двигателем реализована как внутренний контур управления с обратной связью. Номинальные значения сигналов, передающиеся к системе управления двигателем по шине CAN-интерфейса, определяют пределы регулирования крутящего момента.

Датчик скорости рыскания, акселерометр бокового ускорения, датчик угла поворота рулевого колеса и электронный блок управления устанавливаются в салоне или багажнике автомобиля. При разработке системы VDC были использованы составные компоненты ранее освоенных систем ABC и ASR, такие как гидроустройства, нагнетательные насосы, датчики скорости колес, акселерометр боковых ускорений, блок автоматического управления дроссельной заслонкой, электронный блок управления.

Рис. 4.1 Основные компоненты системы VDC

- электронный блок управления; 2 - гидравлический блок; 3 - гидронагнетательный насос с электроприводом; 4 - дифференциальный гидроусилитель с датчиком давления; 5 - колесные датчики; 6 - гироскопический датчик скорости рыскания; 7 - акселерометр бокового ускорения; 8 - датчик угла поворота руля

На рис.4.2 показано расположение компонентов системы VDC на автомобиле Mercedes.

Рис. 4.2 Расположение компонентов системы VDC на автомобиле

4.2 Датчики системы VDC


К датчикам скорости колес никаких специальных требований не предъявлялось. В системе VDC они такие же, как и в системе ABS, - индуктивного типа.

Вновь были разработаны датчик скорости рыскания (yaw-sensor) и датчик поворота руля. Датчик скорости рыскания относится к классу вибрирующих гироскопов. Основной элемент гироскопа - металлический цилиндр, чья оправа колеблется в эллиптических формах. Сигнал гироскопа возникает под воздействием ускорения Кориолиса, которое является следствием вращения цилиндра относительно своей оси и его вибраций, пропорциональных вращательной скорости автомобиля вокруг вертикальной оси и относительно оси цилиндра. Для надежной работы системы VDC очень важно, чтобы слабый выходной сигнал датчика рыскания был достаточно устойчивым, поэтому на выходе датчика устанавливается интегрирующее устройство, исключающее случайные возмущения выходного сигнала.

В датчике угла поворота рулевого колеса используется оптико-электронный преобразователь, выполненный с применением светодиодов и фототранзисторов. Оптоэлектронные пары соединены с ЭБУ цифровым интерфейсом. Датчик установлен на рулевом колесе и измеряет абсолютный угол его поворота. Для получения высокой точности применяется ступенчатое кодирование с помощью калиброванного набора фототранзисторов, установленных за светомодулирующим диском. Данная конструкция приводит к исключительно высокой надежности и точности датчика, на который можно полагаться как на эталонный при калибровке других датчиков системы VDC.

Демпфирование амортизаторов в системе управления активной подвеской используется в акселерометре датчика боковых ускорений. Такой датчик вырабатывает электрический сигнал, пропорциональный смещению центра масс, а смещение центра масс пропорционально боковому уводу (сносу) автомобиля. Ошибки при установке датчика и кренность автомобиля приводят к погрешности в показаниях датчика, что компенсируется программой управления, которая заложена в ПЗУ системы VDC [2].

Датчик давления установлен в тормозном контуре передних колес и предназначен для измерения давления в тормозной системе, которое нагнетается водителем посредством педали тормоза. Основной элемент датчика - микроэлектронный чип, выполненный с применением кремниевой диафрагмы. Выходной сигнал чипа заземлен на корпус датчика. Так как в гидросистеме давление может достигать высоких значений (до 350 бар), то датчик должен иметь высокую конструктивную прочность и надежное крепление.

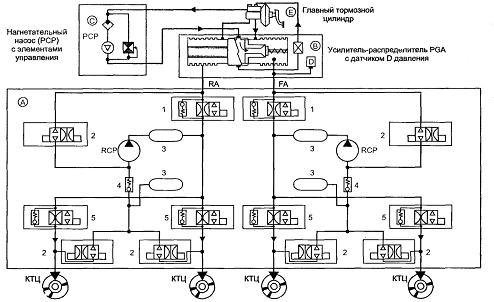
4.3 Гидросистема


Одна из наиболее важных эксплуатационных особенностей автомобильных гидросистем - это надежность их функционирования при низких температурах. Поскольку при температуре ниже - 20°С текучесть тормозной жидкости заметно уменьшается, то это приводит к замедлению скорости жидкостных потоков в тормозной системе, что недопустимо при применении системы VDC. Связано это с тем, что генерирование тормозного момента в холодной гидросистеме значительно замедляется. Приходится применять гидронагнетатель высокого давления с приводом от электродвигателя в каждом тормозном контуре.

На рис. 4.3 показана гидравлическая часть системы VDC, которая устойчиво работает при низких температурах. Компоненты системы, которые функционально связаны между собой, на рис. 4.3 сгруппированы рамками в отдельные блоки.

Блок "А" содержит гидроустройство системы ABS/ASR с двумя гидронасосами рециркуляции (RCP - Recirculalion Pumps), замкнутый тормозной контур для передних колес (FA - Front Axle) и такой же контур для задних колес (RA - Rear Axle). Блок "В" содержит дифференциальный гидроусилитель давления (PGA - Pressure Generator Assembly), который включает в себя датчик D давления, который измеряет давление Pcirc тормозной жидкости в тормозном контуре FA (передние колеса). В блок "С" входят главный нагнетательный насос (РСР - Precharge Pump) и элементы его управления. В верхней части (Е) рисунка показан главный тормозной цилиндр с усилителем и бачком для тормозной жидкости.

Как только сигнал активного торможения с электронного блока системы ABS передается на контроллер скольжения системы VDC, главный нагнетательный насос РСР высокого давления начинает работать и подает тормозную жидкость из тормозною бачка гидросистемы в центральную камеру дифференциального гидроусилителя PGA.

При этом два плунжера в PGA начинают раздвигаться и нагнетают тормозную жидкость в насосы рециркуляции RCP под заданным давлением, которое формируется пружинными (1 и 4) и электрическими (2) клапанами и поддерживается ресиверами (3). Это приводит к тому, что поток жидкости, идущий от RCP, подается в рабочие контуры FA и RA под давлением, которое является нормальным для устойчивого функционирования системы VDC при низких температурах. Из соображений функциональной надежности и эксплуатационной безопасности системы VDC главный нагнетательный насос RCP снабжает тормозной жидкостью насосы рециркуляции RCP через буферные камеры дифференциального гидроусилителя PGA.

Электрические гидроклапаны 2 и 5 могут отрабатывать две программы автоматического управления давлением в колесных тормозных цилиндрах (КТЦ) - программу ABS (торможения без блокировки колес) и программу VDC (курсовой устойчивости движения автомобиля избирательным подтормаживанием колес с одновременным регулированием крутящего момента двигателя). Эти программы хранятся в постоянном запоминающем устройстве (ПЗУ) электронного блока управления [3].

Рис. 4.3 Гидравлическая часть системы VDC

4.4 Электронный блок управления


Электронный блок управления (ЭБУ) содержит стандартную четырехслойную печатную плату с двумя частично резервными микроконтроллерами 83C196KL. Каждый контроллер снабжен блоком постоянной памяти объемом в 48 килобайт. На плате также установлены все запускающие и коммутирующие устройства для включения каналов управления и контрольных ламп, полупроводниковые реле для подачи питания на мощные электропотребители (гидроклапаны и нагнетательные насосы), цепи CAN интерфейса. В связи с увеличением количества управляющих сигналов CAN интерфейс интегрирован в микрочипы контроллеров и обеспечивает управляемый (по заданной программе) обмен информацией между ЭБУ двигателя, ЭБУ ABS, ЭБУ активной подвески и функциональными блоками системы VDC. Связь осуществляется с помощью модифицированной интерфейсной шины.

5. Результаты экспериментальных исследований

5.1 Испытания автомобиля с системой VDC при резком изменении направления движения


Для оценки эффективности системы VDC проводились модельные и натурные испытания автомобиля во время маневра изменения траектории движения. Сравнивались два однотипных автомобиля, один из которых оборудован системой VDC. Маневр осуществлялся путем резкого поворота рулевого колеса в положительную и отрицательную стороны с шагом 90°. Были приняты следующие начальные условия эксперимента: скорость автомобиля 40 м/с, положение педалей управления тормозом и акселератором во время маневра не изменялось; поверхность дороги однородна (сухой асфальт), коэффициент трения между колесами и дорогой высокий (µ=1,0).

На рис. 5.1, а показаны сравнительные значения наиболее важных переменных величин, анализ которых осуществлялся в процессе моделирования: угол поворота руля (град.), скорость рыскания (град/с), боковое ускорение (м/с2), угол бокового ухода автомобиля (град.). На рис. 5.1, б показана моделируемая траектория движения автомобилей. На рис. 5.1, в выделена характерная часть траектории движения автомобилей и результирующая сила на каждом колесе в контрольных точках этой траектории.

Рис. 5.1 Испытание автомобиля с системой VDC при изменении траектории движения

После первого входного воздействия поворотом рулевого колеса на 90° обычный автомобиль показывает возникающую неустойчивость (на рис.5.1, в поз.2), которая следует из-за задержки появления боковой силы на задних колесах (по сравнению с передними). На поз.3 рис.5.1, в угол поворота рулевого колеса изменяется в противоположном направлении. Скорость рыскания и угол бокового увода быстро увеличиваются, стабильность автомобиля не восстанавливается, и автомобиль продолжает съезжать с дороги (поз.4 на рис. 5.1, в).

После первого входного воздействия поворотом рулевого колеса автомобиль с системой VDC также проявляет некоторую неустойчивость. Но при этом система VDC формирует тормозной момент, приложенный к первому переднем колесу (рис. 5.1, с поз.2), что приводит к повороту результирующей силы на этом колесе и, как следствие, - к замедлению роста скорости рыскания и угла бокового увода (рис. 5.1, а). Автомобиль удерживается от сноса. После второго входного воздействия поворотом рулевого колеса (рис. 5.1, а) скорость рыскания изменяет свой знак, а система VDC формирует тормозной момент на левом переднем колесе и автомобиль снова стабилизируется (рис. 5.1, в поз.4) [10].

5.2 Торможение при движении автомобиля по гладкому льду


На рис.5.2 показаны сравнительные характеристики основных параметров движения автомобиля во время полного торможения на гладком льду (µ~0,15). Испытательный автомобиль для сравнения был оборудован серийными системами ABS и VDC.

Рис. 5.2 Торможение при движении автомобилей по гладкому льду

На рис. 5.2 а показаны результаты испытаний с использованием системы ABS, б - с использованием системы VDC. Маневрирование проводилось при скорости движения автомобиля 50 км/ч с участием водителя в управлении. Результаты испытаний с использованием системы ABS показывают, что скорость рыскания и угол бокового увода автомобиля быстро достигают больших значений и водитель должен быстро этому противодействовать. После очередного маневра рулем скорость рыскания и угол бокового увода автомобиля снова быстро изменяются и снова возникает необходимость во вмешательстве.

Результаты испытаний с использованием системы VDC показывают (рис.5.2 б), что скорость рыскания и угол бокового увода автомобиля при торможении изменяются в малых пределах и немедленно откликаются на маневрирование при управлении движением. В этом случае водитель должен успевать задавать дополнительный небольшой угол поворота рулевого колеса в сторону, противоположную уводу, и автомобиль равномерно останавливается. Важно отметить, что при этом тормозной путь автомобиля с системой VDC меньше, чем того же автомобиля с системой ABS. Это объясняется ограничением угла бокового увода автомобиля, чему соответствует лучшая ABS-регуляция.

6. Надежность системы VDC. Поиск неисправностей


Повышенная надежность и бортовая самодиагностика неисправностей как отдельных компонентов, так и всей системы в целом обеспечивают безопасную эксплуатацию системы VDC.

Основные принципы повышения надежности и поиска неисправностей в системе VDC были взяты из программного обеспечения бортовой самодиагностики, внедренного с системы ABS и ASR. Бортовая самодиагностика контролирует все компоненты, которые электрически соединены с ЭБУ. Контролируются электрические соединения, сигналы и их действия. Помимо этого в систему VDC были внедрены новые средства и программное обеспечение. Например, исполнительные гидромеханизмы проверяются путем создания коротких циклов модуляции давления с последующим анализом сигналов от датчика давления. Таким же путем проверяется и исправное функционирование насосов, дифференциального регулятора давления и электромагнитных гидроклапанов.

Датчики контролируются по трем программам.

На первом этапе наиболее важные датчики проверяются с использованием активного теста. Так, правильность показаний датчика давления анализируется в процессе активных тестов для исполнительных механизмов и активного теста торможения. Yaw-датчик (скорости рыскания) проверяется тестом самодиагностики. При этом на чувствительный элемент датчика подается возбуждение, после чего анализируется ответный сигнал. Датчик угла поворота рулевого колеса имеет активную схему самоконтроля. Все ответные сигналы с датчиков поступают в ЭБУ, где постоянно анализируются и на их основе формируется общий сигнал исправности системы VDC.

На втором этапе датчики контролируются по программе постоянного наблюдения, т.е. во время езды автомобиля. При этом используются алгоритмы для определения величины рассогласования сигналов датчика и калибровка сигналов.

На третьем этапе датчики проверяются на разрыв или короткое замыкание соединительных проводов и внутренних соединений, а также регистрируется нарушение формы сигналов (выход за допустимые пределы и искажения).

Все три программы реализуются бортовой системой самодиагностики, которая интегрирована в ЭБУ-VDC. В зависимости от вида неисправности и степени ее влияния на безопасность движения система самодиагностики частично или полностью отключает систему VDC.

В результате внедрения системы VDC достигается следующее:

·        повышается безопасность водителя и движения автомобиля;

·        осуществляется поддержка водителя при управлении автомобилем в критических ситуациях;

·        сохраняется заданная водителем траектория движения автомобиля во всех режимах: полное торможение, частичное торможение, движение накатом, ускорение, торможение двигателем;

·        улучшается использование сил трения между колесами и дорогой, что уменьшает тормозной путь при повышенной силе тяги.

Ясно, что внедрение системы VDC приводит к уменьшению числа несчастных случаев, содействует безопасности вождения и предотвращает дорожно-транспортные происшествия с тяжелыми последствиями [1].

Список литературы


1.      Соснин Д.А., Яковлев В.Ф., Новейшие автомобильные электронные системы. Учеб. пособие. - М.: "СОЛОН-Пресс", 2005. - 167-184 с.

2.      Соснин Д.А., Автотроника. Учеб. пособие. - М.: "Солон-Р", 2001. - 343 с.

.        Яковлев В.Ф. Диагностика электронных систем автомобиля. Учеб. пособие. - М.: "СОЛОН-Пресс", 2003. - 272 с.

4.      Kappler W. D., "Beitrag zur Vorhezage von Einschatzungen des Fahrverhaltens", VDI-Fortschritt-Berichte, Rleihe 12, Nr. 198, 1993.

.        Brown G. W., "Analysis of 104 Eastern Iowa Motor Vehicle Casualty accidents". In: Proccedings of the Third Triannial Congress on Medical and Related Aspects of Motor Vehicle Accidents. Ann Arbor, Michigan: Highway Safety Research Institute 1971, pp.216-218.

.        Rompe K., Heising B., "Moglichkeiten zur Bewertung der Fahreigenschaften". In: K. Rompe (Editor), "Bewertungsverfahren fur die Sicherheit von Personenwagen". Koln: Verlag TUV Rheiland 1984, pp.243-265.

.        Edwards M. L., Malone S., "Driver Crash Avoidance Behavior". In: "Driver Perfomance Data Book". Washington, DC: National Highway Taffic Safety Administration, Final Report DOT HS 807 121, 1987.

.        Forster H. J., "Der Fahrzeugfurer als Bindeglied zwischen Reifen. Fahrwerk und Fahrbahn", VDI Berichte, Nr.916, 1991.

.        Fuchs L., "Beitrag zum Verhalten von Fahrer und Fahrzeug bei Kurvenfahrt", VDI-Fortschritt-Berichte, Reihe 12, Nr.184, 1993.

.        Fiaccabrino C., Rouge T.: Smarter Ventiltrieb - Ein Weg zur Minimierung von Leistungsbedarf und Gerauschen durch eine intellegente Regelung eines optimierten Aktuators. In: Aachener Kolloquium Fahrzeug und Motorentechnik Oktober 1999.

Похожие работы на - Испытания автомобиля с системой VDC при резком изменении направления движения

 

Не нашли материал для своей работы?
Поможем написать уникальную работу
Без плагиата!
Без нейросетей!