Расчет и выбор посадок с натягом
Министерство
высшего и профессионального образования РФ
Томский
политехнический университет
Расчётно-пояснительная
записка
по
метрологии, стандартизации и сертификации.
Выполнил: студент Крайдер А.В
Принял: ассистент Галин Н.
Томск 2012
1. РАСЧЕТ И ВЫБОР ПОСАДОК С НАТЯГОМ
Цель: Рассчитать, выбрать и представить схему расположения полей допусков
посадки с натягом с указанием размеров, отклонений из системы ISO (ИСО)
Исходные данные к решению задачи:
Передаваемая осевая сила P, кН60
Передаваемый момент Мкр, Нм80
Номинальный диаметр D, мм100
Диаметр отверстия пустотелого вала d1, мм60
Наружный диаметр втулки d2, мм240
Номинальная длина сопряжения l, мм0,5*D
Материал вала Чугун СЧ28-48
Материал втулки Сталь 45
Метод запрессовки Механическая со смазкой
Решение
Величина наименьшего натяга:
,(1.1)
где
D - номинальный диаметр сопряжения, мм
ED, Ed - модули
упругости материалов соединяемых деталей, Па
Для
стали E=2,06·1011 Па
Для
чугуна E=1,2·1011 Па
CD, Cd -
коэффициенты Ляме
;
(1.2)
где
D, d1, d2 - соответствующие диаметры сопрягаемых деталей
μd, μD -
коэффициенты Пуассона для металлов охватывающей и охватываемой деталей
Сталь
45:
σТD = σТ = 3,53·108
Па; μD = 0,30
Чугун
СЧ28-48 σТd = σТ = 2,74 ·108
Па; μd = 0,25
-
удельное эксплуатационное давление по поверхности контакта, Па
При
совместном действии осевого сдвигающего усилия и крутящего момента
; (1.3)
n=1,5…2 -
коэффициент запаса прочности соединения на возможные перегружения и воздействие
вибраций
f - коэффициент
трения
f=0,06-0,13
(поверхности сталь-чугун); (1.4)
Принимаем
n=1,7
f=0,19
Тогда:
Прежде,
чем приступить к выбору посадки, следует проверить обеспечение прочности
соединяемых деталей. Для этого определяют предельное допустимое удельное
контактное давление на основе теории наибольших касательных напряжений.
;(1.5)
,(1.6)
где
σТD и σТd - условный предел
текучести или предел прочности сопрягаемых деталей
Принимаем
-для чугуна
-для
стали
Тогда:
=0,58·3,53·108·
= 170 МПа
=0,58·2,74·108·
= 101,7МПа
Величина
определяется в соответствии с формулой:
Принимаем
Тогда
;
;
=9,17·106·0,1·
=20,95·10-5м=21мкм
Величина
определяется в соответствии с формулами (1.1)…(1.3)
при РНБ. В качестве РНБ принимается РДОПd,
т.к. оно имеет меньшее значение, чем РДОПD.
=101.7·106·0,1·
=234мкм
Назначим
посадку
Стандартную
посадку выбирают таким образом, чтобы детали не проворачивались относительно
друг друга, поэтому:
;
Но прежде, чем выбрать посадку, следует учесть, что на прочность
соединения вала и отверстия оказывает существенное влияние высота
микронеровностей.
Для расчета компенсации влияния микронеровностей рекомендуется
пользоваться формулами для материалов с одинаковыми механическими свойствами:
калибр
микронеровность натяг посадка
, (2.9)
где
,
-
коэффициенты, учитывающие смятия микронеровностей поверхностей отверстия и вала
=0.15 и
=0,7 (источник - Метрология, Стандартизация и
Сертификация; Ю.Б. Червач)
Принимаем:
Тогда:
Таким
образом, при выборе посадок выполняются условия:
124 -
условие выполняется
.
232 -
условие выполняется
В
соответствии с ГОСТ 25347-82 принимаем посадку Æ
или Æ
, для которой (рис.1.1) является характерным
следующее:
· допуск отверстия ТDтабл.=0,054
мм;
· допуск вала Тdтабл.=0,054 мм;
· минимальный натяг Nmin табл.=0,124 мм;
· максимальный натяг Nmax тa6л=0,232 мм;
· допуск посадки TNтабл.
= Nmax табл. - Nmin табл. = 0,108 мм
Решение будет правильным, если выполняются условия:
;
.
Принятая посадка обеспечивает неподвижность соединения и при наименьшем
натяге, так как Nmin табл.≥
N'min расч. (124>37,) мкм. А при Nmax табл остается еще некоторый запас
прочности сопрягаемых деталей, поскольку допускаемый наибольший натяг N'max расч.= 250 мкм, а Nmax табл. =232мкм.
Рис. 1.1. Схема расположения полей допусков посадки с натягом
. РАСЧЁТ КАЛИБРОВ
.1 Расчёт исполнительных размеров гладких калибров - скоб
По табл. 2 ГОСТ 24853-81 (СТ СЭВ157-75) «Калибры гладкие для размеров до
500 мм». Допуски определяем:
|
Деталь
|
Калибры-пробки
|
Калибры-скобы
|
Контрольные калибры
|
|
Параметры, мкм
|
|
Z
|
Y
|
Н
|
Z1
|
Y1
|
H1
|
НР
|
|
Отверстие 100Н8
|
8
|
6
|
6
|
-
|
-
|
-
|
-
|
|
Вал 100x8
|
-
|
-
|
-
|
8
|
6
|
10
|
4
|
|
Допуск на форму калибра, мкм
|
IТ2
|
IT3
|
IT1
|
1. По СТ СЭВ 144-75 определяем верхнее и
нижнее отклонения вала Ø100 x8:
верхнее отклонение вала es =
+232 мкм,
нижнее отклонение вала ei =
+178 мкм.
. Наименьший предельный размер вала:
.
Наибольший
предельный размер вала:
.
.
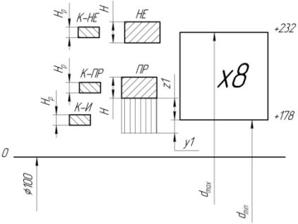
Схема расположения полей допусков вала, ПР и НЕ калибров-скоб для вала Ø100 x8
.
Считаем исполнительные размеры калибров - скоб.
В
качестве исполнительного размера скобы берётся наименьший предельный её размер
с положительным отклонением, равным допуску на изготовление калибра.
Наименьший
предельный размер ПР стороны калибра - скобы :
.
Наименьший
предельный размер НЕ стороны калибра - скобы :
.
.2
Расчёт исполнительных размеров гладких калибров - пробок
.
По СТ СЭВ 144-75 определяем верхнее и нижнее отклонения.
Верхнее
отклонение отверстия ES = +54 мкм, нижнее отклонение отверстия EI =
0 мкм.
1. Находим наибольший размер отверстия:
.
1. Схема расположения полей допусков
вала, ПР и НЕ калибров-пробок для отверстия Ø100 H8
Считаем исполнительные размеры калибров - пробок.
В качестве исполнительного размера калибра - пробки берётся наибольший
предельный размер с его отрицательным отклонением, равным допуску на
изготовление калибра.
Наибольший придельный размер ПР - проходного калибра пробки :
.
Наибольший
предельный размер НЕ непроходного калибра пробки:
.
Предельные и исполнительные размеры калибров
|
Предельные размеры, мм
|
Исполнительные размеры, мм
|
|
Калибр-пробка
|
ПР
|
dmax = 100.011 dmin = 100.005 dизн = 99.994
|
100.011-0.006
|
|
НЕ
|
dmax = 100.058 dmin
= 100.051
|
100.058-0,007
|
|
Калибр-скоба
|
ПР
|
Dmin = 100.154 Dmax
= 100.144 Dизн = 100.135
|
100.144+0,001
|
|
НЕ
|
Dmin = 100.255 Dmax = 100.245
|
100.245+0,01
|
|
Контр калибры
|
К-ПР
|
dmax = dmin =
|
|
|
К-НЕ
|
dmax = dmin =
|
|
|
К-И
|
dmax = 100.141 dmin = 100.133
|
100.141-0,008
|
. ПОСАДКИ ПОДШИПНИКОВ КАЧЕНИЯ
Выбор посадки зависит от вида нагружения колец подшипника. Определим виды
нагружения.
Принимаем класс точности 0 и среднюю серию, по которой зависимости от
диаметров d = 140 мм, D = 300 мм, определяем ширину кольца В = 102 мм и r =6,3 мм.
По условиям работы узла внутреннее кольцо подшипника имеет циркуляционное
нагружение, наружное - местное.
. Для циркуляционно нагруженного кольца подшипника посадку выбирают по
интенсивности радиальной нагрузки на посадочной поверхности:
,
где
R - радиальная реакция опоры на подшипник (реакцию
опоры рассчитываем по значению Мкр)
b - рабочая
ширина посадочной поверхности кольца подшипника за вычетом фасок b = B - 2r мм;
Кn
- динамический коэффициент посадки, зависящий от характера нагрузки;
F - Коэффициент,
учитывающий степень ослабления посадочного натяга при полом вале или
тонкостенном корпусе;
FA -
коэффициент неравномерности распределения радиальной нагрузки между рядами тел
качения.
Смотрим
по таблице 4.90 [1] значение коэффициента F = 1,1,т.к.
подшипник двухрядный то FA = 1,4
Кn
= 1 так как перегрузка до 150%
.
По величине РR и d кольца (табл. 4.89 [1]) находим рекомендуемые
основные отклонения.
Номер
квалитета зависит от класса точности подшипника.
Для
вала в соединении будет k6.
Для
корпуса соединении будет H7.
.
Для построения схем расположения полей допусков находим отклонения наружного и
внутреннего колец подшипника по ГОСТу 520-71. Отклонения вала и отверстия
корпуса находим из таблиц СТ СЭВ 144-75. Найденные отклонения наносим на схему.
Схема
расположения полей допусков на диаметры колец подшипника качения.
.
РАЗМЕРНЫЕ ЦЕПИ
Дано:
Неизвестное
звено размерной цепи:
:
.
По
формуле (11.4)[2] определяем допуск замыкающего размера:
.

=
.
Далее
определяем верхнее и нижнее отклонения:
Правильность
решения можно проверить, определив предельные размеры замыкающего звена:
,
.
т.е.
.
Таким
образом, проверка показала, что задача решена правильно.
.
РАСЧЁТ РЕЗЬБОВОГО СОЕДИНЕНИЯ
.1
Построение схемы расположения полей допусков резьбового отверстия
По
ГОСТу 24705-81 cтр. 428 [3] определяем основные размеры резьбы
: наружный диаметр D = 64 мм;
средний диаметр D2 =62.701
мм; внутренний диаметр D1 =61.835
мм. По ГОСТу 16093-81 (СТ СЭВ 640-77) стр.460 [3] находим предельные отклонения
диаметров резьбы: нижнее отклонение D: EI = +60 мкм;
верхнее отклонение D2 : ES =
+ 460 мкм; верхнее отклонение D1: ES =
+ 810 мкм.
Схема
расположения поля допуска резьбового отверстия гайки
.
.2
Построение схемы расположения полей допусков наружной резьбы болта
По
ГОСТу 24705-81 стр. 458 [3] определяем основные размеры резьбы
: наружный диаметр d =64 мм;
средний диаметр d2
=62.701мм; внутренний диаметр d1 =
61.835мм. По ГОСТу 16093-81 (СТ СЭВ 640-77) стр.458 [3] находим предельные
отклонения диаметров резьбы: верхнее отклонение d,d2,d1 :es =
-95 мкм, нижнее отклонение d: ei = - 570 мкм, нижнее отклонение d2 ei = -395 мкм.
Схема
расположения поля допуска болта
.
Приведенный средний диаметр наружной резьбы
dпр
= d2изм + fp + fα=60,585 мм;
Приведенный средний диаметр внутренней резьбы
Dпp = D2изм - (fp + fα)=59,35 мм;
где d2изм и D2изм - измеренные размеры соответственно среднего диаметра резьбы
болта и гайки, мм.
Диаметральная компенсация погрешности шага на длине свинчивания fp,
мм болт
fp = l,732 ΔPп.б =1,732*0,09=0,155
гайка
fp = l,732 ΔPп.г =1,732*0,03=0,51
где ΔРп - накопленная погрешность шага, мм.
Диаметральная компенсация погрешности угла наклона сторон профиля fα, мм
болт
fα = 0,36 P Δα/2=0,36*4*(-0,5)=-0,72,
гайка
fα = 0,36 P Δα/2=0,36*4*1=1,44,
где Р - шаг резьбы, мм; Δα/2 - средняя ошибка угла наклона сторон
профиля, в градусах.
Из анализа схем следует условие годности резьбы:
· для болта
d2изм ≥ d2min ; dпр
≤ d2max
(61,15) ≤(62,306) ; (60,585) ≤(62,701)
для гайки
D2изм ≤ D2max; Dпр≥D2min.
(61,3) ≤(63,161) ; (59,35) ≤(62,701)
. ШЛИЦЕВОЕ СОЕДИНЕНИЕ
, где 6 -
число зубьев,
мм
- внутренний диаметр,
мм
- наружный диаметр,
из
4.71 [1] b=6.
Используем
центрирование по D,т.к. оно применяется в неподвижных соединениях(в
соединениях с малым износом поверхностей).
Для
данного соединения подходит посадка:
.
Схема
расположения допуска для шлицевого соединения
:
Список литературы
1. Мягков В.Д. Допуски и посадки.
Справочник. Т1,Т2 - Л.: Машиностроение 1982.
2. Якушев А.И. Взаимозаменяемость,
стандартизация и технические измерения.
-М.:
Машиностроение 1986.
3. Анурьев В.И. Справочник конструктора
машиностроителя. Т1. - М.: Машиностроение 1979.
4. Анурьев В.И. Справочник конструктора
машиностроителя. Т2. - М.: Машиностроение 1982.