Проектирование привода стрелы
Задание
Привод стрелы
Выбрать насос с электродвигателем,
распределитель и предохранительный клапан из серийного ряда, рассчитать
необходимые коэффициенты, разработать нелинейную математическую модель с учётом
насыщения, составить структурную схему привода, построить переходный процесс и
частотную характеристику привода, определить время полного переброса нагрузки,
начертить гидравлическую схему привода со спецификацией, структурную схему,
графики переходного процесса по положению и скорости и частотные характеристики
привода.
Параметры гидроцилиндра: Ш = 140/100 мм h = 1600
мм;
Нагрузка на гидроцилиндре: m = 1100 кг;
Расход рабочей жидкости: Q = 120 л/мин;
Рабочее давление: Р = 25 МПа.
1. Выбор структурной схемы привода
В зависимости от требований, связанных с
эксплуатацией машины, в гидроприводе могут применяться объемное и дроссельное
регулирование скорости или сочетание этих способов [1]. Объемное регулирование
скорости осуществляется изменением подачи насоса или гидромотора в зависимости
от рабочего объема, который изменяется автоматически или с помощью управляющих
устройств. При дроссельном регулировании изменяются размеры проходных сечений
дросселей или неполным включением золотников гидрораспределителя.
Объемное регулирование обычно применяют, когда существенными
являются энергетические показатели, например, в ГП большой мощности и с
длительными режимами их непрерывной работы. ГП с дроссельным регулированием
применяют для маломощных систем (до 5 кВт), а также, когда режимы непрерывной
работы ГП кратковременные. При этом стремятся применить недорогие гидромашины,
например шестеренные.
Гидроклапаны относятся к регулирующей
гидроаппаратуре и служат для изменения давления, расхода и направления потока
рабочей жидкости путем частичного открытия рабочего проходного сечения.
Предохранительные клапаны предохраняют систему от давления, превышающего
установленное значение. Они действуют лишь при аварийных ситуациях (пропускают
масло из напорной линии в сливную) в отличие от переливных клапанов,
предназначенных для поддержания заданного давления путем непрерывного слива
масла во время работы.
Клапаны выбираются по номинальному расходу и
давлению (1; 2,5; 6,3; 10; 20 и 32 МПа).
Гидрораспределители относятся к направляющей или
регулирующей гидроаппаратуре и применяются для изменения направления или пуска
и остановки потока рабочей жидкости, а также для управления скоростью
гидродвигателя.
Число позиций распределителя определяется по
числу операций, которые он должен обеспечить. Если, например, требуется
обеспечить движение выходного звена гидродвигателя в двух направлениях, то
распределитель должен быть двухпозиционным. Кроме того, если требуется
обеспечить остановку выходного звена и разгрузку насоса - то он должен быть
трехпозиционным.
Применение гидрооборудования высокого класса
точности, предъявляет повышенные требования к очистке гидросистем машин и
чистоте рабочих жидкостей. Фильтр может эффективно защищать только тот элемент
гидропривода, который установлен непосредственно после него, остальные элементы
получают лишь частичную защиту. Поэтому в ГП применяют различные сочетания
фильтров, установленных на разных линиях гидросистемы.
Сливные фильтры позволяют обеспечить тонкую
фильтрацию рабочей жидкости; они компактны, могут встраиваться в баки, однако в
ряде случаев создают нежелательное повышение давления подпора в сливной линии.
Установка фильтра в сливную линию применяется наиболее часто, т.к. в этом
случае он не испытывает высокого давления, не создает дополнительного
сопротивления на входе в насос. Это очень важно с точки зрения предупреждения
возникновения в
насосе кавитации. Установленный таким образом
фильтр задерживает все механические примеси в рабочей жидкости, возвращающейся
в бак.
Итак, учитывая вышесказанное и значение мощности
гидропривода:
, (1)=
кВт.
Он будет иметь объёмно-дроссельное
регулирование, и состоять из следующих основных элементов (см. рис.1).
Рис.1. Гидравлическая схема привода.
ЭД - приводной электродвигатель; Н - насос; Ц -
гидроцилиндр;
КП - клапан переливной; Р - гидрораспределитель;
ДР1, ДР2 - дроссели с обратным клапаном;
Ф - фильтр; Б - бак; трубопроводы.
1.1 Выбор гидроцилиндра
По заданным параметрам выбираем гидроцилиндр ЦГ
140/100*1600
Основные параметры:
- Диаметр поршня, мм 140;
- Диаметр штока, мм
100;
- Ход поршня, мм
1600;
- Рабочее давление, МПА
25;
- Расход рабочей жидкости, л/мин 120;
- Нагрузка на гидроцилиндре, кг 1100;
- Давление страгивания, МПа 0,25.
2. Выбор конструктивных элементов
гидропривода
.1 Выбор насоса
.1.1 Расчет давления на выходе из
насоса
Рнрас = Ргц +
ΔРзол
+
ΔРl, (2)
где: Ргц - рабочее давление в
гидроцилиндре, Ргц=25 МПа (по заданию); ΔРзол
- потери давления в распределители; ΔРl
- потери давления в трубопроводе.
Определим диаметр трубопровода
тр = (66,7·Qн / π·[Vж])1/2, (3)
где
Vж - скорость течения жидкости в трубопроводе, Vж=2,5
м/с.
тр = (66,7·120 / 3,14·2,5)1/2=31,9
мм тр = 32 мм
ΔРзол =
0,15 МПа [1]
ΔРl
= 7,85·(L·Qн2 / d5) , (4)
где
L - длина трубопровода, L = 10 м.
ΔРl
= 7,85·(10·1202 / 325) = 0,03 МПа
Рн
рас = 25 + 0,15 + 0,03 = 25,18 МПа
2.1.2
Расчет требуемой подачи насоса
нрас = Qгц + ΔQгц + ΔQзол + ΔQпк, (5)
где:
Qгц - рабочий расход в гидроцилиндре, Qгц = 20 л/мин; ΔQгц - утечки в
гидроцилиндре; ΔQзол - утечки в
распределителе; ΔQпк - утечки в
предохранительном клапане.
ΔQгц = ΔQ*гц ·Ргц /
Р*гц, (6)
где
ΔQ*гц - утечки в
гидроцилиндре, рассчитанные для давления
Р*гц
= 5 МПа, ΔQ*гц = 102 см3/мин.
ΔQгц = 102·25·106
/ 5·106 = 510 см3/мин
ΔQзол = ΔQ*зол·Рзол /
Р*зол, (7)
где
ΔQ*зол - утечки в
распределителе, рассчитанные для давления.
Р*зол
= 5 МПа, ΔQ*зол = 300 см3/мин.
ΔQзол = 300·25·106
/ 5·106 = 1500 см3/мин
ΔQпк = 0,1·Qн (8)н
рас = (120 + (510 + 1500)·10-3) / 0,9 = 134,5 л/мин
2.1.3
Выбор насоса по рассчитанным параметрам
Исходя
из условий Рн ≥ Рн рас Qн
≥ Qн рас , выбираем насос.
Данным
условиям соответствует аксиально-поршневой регулируемый насос 313.160.
Основные
параметры:
- Номинальный рабочий объем, см3
160;
- Номинальная подача, л/мин
182;
- Номинальное давление, МПа
20;
- Максимальная частота вращения,
об/мин 2650;
- Минимальная частота вращения, об/мин
400;
- Полный КПД, %
90.
2.2 Выбор электродвигателя
2.2.1 Минимальная частота вращения
вала электродвигателя
эд.min
= nн.min = 400 об/мин.
2.2.2 Максимальная частота вращения
вала электродвигателя
эд.max
= nн.max = 2650 об/мин.
2.2.3 Расчет требуемой мощности
электродвигателя
эд
рас = Nн / (ηм·ηн), (9)
где Nн - мощность насоса; ηм
-
КПД муфты, ηм
= 0,98; ηн
- КПД насоса, ηн
= 0,9.
н
= Рн рас ·Qн, (10)н
= 25,18·106·3,03·10-3 = 76 кВтэд рас
= 76·103 / (0,98·0,9) = 86 кВт
2.2.4 Выбор электродвигателя по
рассчитанным параметрам
Исходя из условий Nэд ≥ Nэд
рас nэд.min < nэд
< nэд.max , выбираем электродвигатель.
Данным условиям соответствует асинхронный
двигатель 4Ф280М6У3:
Мощность элегтродвигателя Nэд = 86
кВт;
- Номинальная частота вращения вала
электродвигателя nэд = 1000 об/мин.
2.3 Выбор предохранительного клапана
Предохранительный клапан выбираем по
номинальному расходу и давлению:
Ркл.ном ≥ Рн Qкл.ном
≥ Qн - Qн рас
Данным условиям соответствует предохранительный
клапан У462.8.5.0:
- Номинальный расход Qкл.ном = 63
л/мин;
- Номинальное давление на входе Ркл.ном
= 20 МПа.
2.4 Выбор гидрораспределителя
Распределитель выбираем по номинальному расходу
и давлению:
Ррас.ном ≥ Рн Qрас.ном
≥ Qн рас
Данным условиям соответствует распределитель
типа МКРН.306.150.088:
- Номинальный расход Qрас.ном = 135 л /
мин;
- Номинальное давление на входе Ррас.ном
= 32 МПа;
- Диаметр условного прохода Dу
= 32 мм.
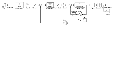
3. Нелинейная математическая модель
гидропривода
Структурная схема нелинейной математической
моделиданного гидропривода, построенная в программе MatLab-Simulink, приведена
в приложении 1.
3.1 Нюансы построения модели
В системе Simulink нежелательно использовать
очень малые значения параметров блоков. Поэтому, для исключения ошибок счета, в
некоторых частях схемы будем заменять единицы измерения (путем введения
поправочных коэффициентов), т.е.:
- 60с = 1 мин;
- 1 м3/с = 6·107
см3/мин;
- 1кгс = 9,81 Н.
3.2 Описание звеньев нелинейной
математической модели
.2.1 Входной ступенчатый сигнал
Параметры входного ступенчатого сигнала в
программе Simulink будут иметь следующие значения
- Step time: 0;
- Initial value: 0;
- Final value: 1;
- Sample time: 0.
3.2.2 Звено, описывающее
распределитель
Для данного распределителя с Dу = 32
мм:
- Кр = 2;
- Тр = 30 мс;
- ζ = 0,8.
3.2.3 Коэффициент усиления К1
На вход данного звена подается значение перемещения
золотника распределителя, на входе имеем теоретический расход.
К1 = Кед.1·КQx, (11)
где: Кед.1 = 100 - коэффициент,
учитывающий смену единиц измерения;
КQx = Qmax / xmax, (12)
где: Qmax - максимальный расход,
проходящий через распределитель, Qmax = 135 л / мин; xmax
- максимальное перемещение золотника, xmax = 0,8 см.
КQx = 135·103 / 0,8 =
169·103 см2 / мин
К1 = 100·169·103 = 16,9*106
см3 / (мин·м)
3.2.4 Звено учитывающее нелинейность
типа «насыщение по расходу»
На входе данного звена - теоретический расход,
на выходе - реальный расход.
Параметры данного звена в программе Simulink
будут иметь следующие значения:
- Upper limit: 13,45·104
(Qmax=Qн
рас
)
Lower limit: -13,45·104
(Qmin=-Qн
рас)
3.2.5 Звено, учитывающее сжимаемость
рабочей жидкости
На входе в данное звено - «расход сжимаемости»,
на выходе - давление в поршневой полости гидроцилиндра.
Здесь Vц - объём гидроцилиндра
Vц = (dп2·

/4) · h , (13)
где dп - диаметр поршня
гидроцилиндра, см (см. задание) h - ход поршня гидроцилиндра, см (см. задание)
ц =
(142·3,14)/4·160 = 24630 см3
Кqp - коэффициент утечек,
Кqp =
Qзол
/ (рнрас - 0,5·
рl
) (14)
Кqp = 1500 / (251,8 - 0,5·0,3) = 5,96
см5 / (кгс·мин)
.2.6 Звено, учитывающее нелинейность
типа «насыщение по давлению»
На вход в данное звено - теоретическое давление,
на выходе - реальное давление.
Параметры данного звена в программе Simulink
будут иметь следующие значения:
- limit: 250 (pmax = pгц)
limit: -250 (pmin = -pгц)
3.2.7 Коэффициент усиления К2
На вход данного звена подается значение реального
давления в поршневой полости гидроцилиндра, на выходе имеем силу, создаваемую
этим давлением.
К2 = Кед.2 ·
·dп2/4, (15)
где Кед.2 = 9,81 -
коэффициент, учитывающий смену единиц измерения
К2 = 9,81·3,14·142 / 4 =
1509,4 Н / кгс
3.2.8 Звено, описывающее
механическую часть гидропривода
Здесь m - приведенная масса на
гидроцилиндре (см. задание); fв.тр. - коэффициент вязкого трения. f в.тр.
= 0,036·lтруб ·
·dп4/ dтруб3
, (16)
где lтруб - длина напорной линии,
примем lтруб = 1 м; dтруб - диаметр напорного
трубопровода, примем
труб = 0,032 м. f в.тр =
0,036·1·3,14·0,144 / 0,0323 = 1,325 кг / с.
3.2.9 Звено, учитывающее
нелинейность типа «сухое трение»
На входе в данное звено - теоретическая сила
трения, на выходе - реальная сила трения. Максимальное значение силы сухого
трения определяется следующим образом:
Рс.тр.max = рстраг ·
·dп2/4, (17)
где рстраг - давление
страгивания, рстраг = 0,25 МПа Рс.тр.max =
,25·106·3,14·0,142
/ 4 = 3846,5 Н
Параметры данного звена в программе
Simulink будут иметь следующие значения:
- Upper limit: 3846,5 (Рс.тр.м
= Р
с.тр.maxрас)
- Lower limit: -3846,5 (Рс.тр.м
= -Р
с.тр.maxрас)
3.2.10 Коэффициент усиления К4
На вход данного звена подаётся значение скорости
поршня гидроцилиндра, на выходе имеем силу сухого трения.
Для мгновенного срабатывания звена, описывающего
сухое трение принимаем К4 = 1·106 кг/с.
3.2.11 Коэффициент усиления К3
На вход данного звена подается значение скорости
поршня гидроцилиндра, на выходе имеем геометрический расход в гидроцилиндре.
К3 = Кед.3 · 
· dп2 /
4, (18)
где: Кед.3 = 9,81 -
коэффициент, учитывающий смену единиц измерения,
К3 = 9,81·3,14·142 / 4 = 1509,4 (см3·с)
/ (м·мин).
3.2.12 Интегрирующее звено
На вход данного звена подается значение скорости
поршня гидроцилиндра, на выходе имеем перемещение поршня гидроцилиндра.
3.2.13.Звено, ограничивающее
перемещение поршня гидроцилиндра
Параметры данного звена в программе Simulink
будут иметь следующие значения:
- Upper limit: 1,60 (xmax = h)
- Lower limit: -1,60 (xmax =
-h)
4. Моделирование гидропривода
4.1 Переходный процесс по
перемещению
Время полного переброса нагрузки: t переброса
= 14,5с
4.2 Переходный процесс по скорости
Максимальная скорость поршня Vгц =
0,27 м/с
4.3 ЛАФЧХ
Анализ частотных характеристик показал, что
система обладает большими запасами устойчивости
Заключение
В ходе курсовой работы выбрали насос с
электродвигателем, составили структурную схему привода, начертили
гидравлическую схему привода. Рассчитав и промоделировав гидропривод в системе
Simulink, получили графики переходного процесса по положению и скорости и
частотные характеристики привода.
Список использованой литературы
1. Свешников В.К. Станочные
гидроприводы: Справочник. - М.: Машиностроение, 1995. - 448 с.: ил.
2. Свешников В.К.
Гидрооборудование: Международный справочник. - М.: Машиностроение, 2001. - в
3-х т.
Приложение 1
привод гидроцилиндр насос клапан
Схема нелинейной математической модели ГП
1 - входной ступенчатый сигнал; 2 - звено,
описывающее распределитель; 3, 8, 11 - коэффициенты усиления; 4 - нелинейность
«насыщение по расходу»; 5,12 - сумматоры; 6 - звено, учитывающее сжимаемость
рабочей жидкости; 7 - нелинейность «насыщение по давлению»; 9 - нелинейность
«сухое трение»; 13 - звено, описывающее механическую часть ГП; 14 -
интегрирующее звено; 15 - звено, ограничивающее перемещение поршня
гидроцилиндра.