Проект привода ленточного конвейера
Курсовая работа
Проект привода ленточного конвейера
Содержание
Введение
. Выбор электродвигателя. Кинематические расчеты
.1 Выбор электродвигателя
.2 Кинематические расчеты
.3 Определение вращающих моментов на валах редуктора
. Расчет зубчатых колес редуктора
.1 Выбор материала колес
.2 Расчет допускаемых напряжений
.3 Расчет геометрических параметров цилиндрических колес
.4 Проверочный расчет зубьев передач
3. Предварительный расчет валов редуктора
4. Выбор подшипников
5. Расстояние между деталями передач
6. Конструирование цилиндрического зубчатого колеса
7. Конструирование элементов корпуса редуктора
8. Расчет клиноременной передачи
9. Проверка долговечности подшипников
9.1 Ведущий вал
9.2 Ведомый вал
10. Уточненный расчет валов
11.Расчет прочности шпоночных соединений
12. Выбор масла
Список использованных источников
Введение
В данном проекте рассматривается привод ленточного
транспортера. Работоспособность привода во многом зависит от того, насколько
правильно и рационально он спроектирован, в том числе насколько он надежен и
экономичен. В данном приводе присутствуют ременная и зубчатая цилиндрическая
передача.
Целью проекта является
. Проанализировать назначение и конструкцию элементов
приводного устройства;
. Изучить, рассчитать, спроектировать и вычертить схему
машинного агрегата и его элементов;
. Определить ресурс приводного устройства.
машинный агрегат приводное устройство
конвейер
1. Выбор
электродвигателя. Кинематические расчеты
1.1 Выбор
электродвигателя
Определяем требуемую мощность двигателя
Общий КПД привода
:
,
где
- КПД цилиндрической передачи,
- КПД ременной передачи,
- КПД пар подшипников,
- КПД муфты.
.
Тогда, мощность двигателя:
Частота вращения приводного вала (число оборотов на выходе):
;
По полученным данным выбираем электродвигатель из табл. 24.9 [1].
|
Тип
|
Мощность, кВт
|
Число оборотов, об/мин
|
Точное число оборотов,
об/мин
|
Диаметр выходного конца
вала, мм
|
|
АИР 160M8
|
11
|
750
|
727
|
48
|
1.2 Кинематические расчеты
Определяем общее передаточное число привода:
;
Подбираем передаточные отношения: uцил =5, uрем=4, тогда фактическое передаточное
число привода:
Погрешность
<4%.
Определяем частоту вращения и угловые скорости валов привода.
Частота вращения и угловая скорость ведущего вала ременной передачи.
;
;
Частота вращения и угловая скорость быстроходного вала редуктора:
;
;
Частота вращения и угловая скорость тихоходного вала редуктора:
.
1.3 Определение
вращающих моментов на валах редуктора
Вращающий момент на ведущем валу ременной
передачи (на валу двигателя):
;
Вращающий момент на быстроходном валу редуктора:
;
Вращающий момент на тихоходном валу редуктора:
;
Результаты кинематических расчетов редуктора:
|
Вал
|
Вращающий момент, Т ( )
|
Угловая скорость, w ( )
|
Частота вращения, n ( )
|
|
Быстроходный
|
551
|
19
|
181.5
|
|
Тихоходный
|
2646
|
3.8
|
36.3
|
2. Расчет зубчатых
колес редуктора
2.1 Выбор материала
колес
Выбираем материал:
для шестерни - сталь 40Х, термообработка-улучшение, средняя твердость HB 270;
для колеса - сталь 30ХГС, улучшенную со средней твердостью НВ 250.
2.2 Расчет
допускаемых напряжений
Допускаемые контактные напряжения: При длительной
эксплуатации принимают коэффициенты
,
.
,
.
Расчетное допускаемое контактное напряжение:
=
МПа.
Допускаемые изгибные напряжения
При длительной эксплуатации принимают коэффициенты
,
.
;
.
2.3 Расчет
геометрических параметров цилиндрических колес
Определяем межосевое расстояние
,мм:
,
где Ка = 43 - для косозубых колес;
вращающий момент на тихоходном валу,
- передаточное число передачи,
ba - коэффициент ширины, принимаем
ba =0.4 (для симметричного расположения
колес).
Коэффициент неравномерности нагрузки принимаем
.
мм;
округляем до ближайшего стандартного значения
.
Ширина зубчатого венца колеса
, мм - округляем до
стандартного линейного размера по ГОСТ 6636-69
Ширина зубчатого венца шестерни
мм, размеры по ГОСТ
6636-69
Модуль
. Полученное значение модуля округляем до
стандартного из ряда чисел по ГОСТ 9563-60.
Принимаем m = 4 мм.
Предварительно принимаем угол наклона зубьев:
Суммарное число зубьев
,
Число зубьев шестерни
,
Число зубьев колеса
Фактическое
, отличается на 0,8%, что допустимо.
Уточним угол наклона зуба
,
Делительные диаметры шестерни и колеса:
;
;
Проверка:
.
Расчет окружностей вершин и впадин шестерни:
;
;
и колеса:
;
;
Окружная скорость колес:
.
Принимаем девятую степень точности.
2.4 Проверочный
расчет зубьев передач
Действующие силы в зацеплении:
Окружная сила:
;
Радиальная сила
;
Осевая сила
.
Проверка зубьев по контактному напряжению
,

,
Условие прочности выполнено.
Проверка зубьев по напряжениям изгиба
,
,
- коэффициенты неравномерности и динамичности нагрузки при
изгибе соответственно,
,
.
- коэффициент формы зуба шестерни,
-коэффициент формы зуба колеса.
Напряжения изгиба на колесе
Напряжения изгиба на зубьях шестерни
Условие прочности на изгиб выполнено.
3. Предварительный расчет валов
редуктора
Предварительный расчет проведем на кручение по пониженным допускаемым
напряжениям.
Определяем диаметр выходного конца ведущего вала:
Принимаем
.
Принимаем диаметр вала под подшипниками dп1 = 60 мм.
Принимаем диаметр буртиков подшипника dбп1 = 70 мм.
Определяем диаметр выходного конца ведомого вала:
,
принимаем
Принимаем диаметр вала под подшипниками dп2 = 90 мм.
Принимаем диаметр буртиков подшипника dбп2 = 100 мм.
Принимаем диаметр вала под зубчатым колесом
4. Выбор подшипников
Для ведущего вала используем шариковые радиальные однорядные подшипники
средней серии: 312 ГОСТ 8338-75
|
№
|
d
|
D
|
B
|
r
|
Грузоподъемность, кН
|
|
|
|
|
|
cr
|
cor
|
|
312
|
60
|
130
|
31
|
2,5
|
81.9
|
48
|
Для ведомого вала используем шариковые радиальные однорядные подшипники
легкой серии: 218 ГОСТ 8338-75
|
№
|
d
|
D
|
B
|
r
|
Грузоподъемность, кН
|
|
|
|
|
|
cr
|
cor
|
|
218
|
90
|
160
|
230
|
2,5
|
95,6
|
62
|
5. Расстояние между деталями передач
Расстояние между внутренней поверхностью стенки корпуса и торцом ступицы
колеса
,
где L - расстояние между внешними
поверхностями деталей передач
;
, принимаем a=11 мм.
Расстояние между дном корпуса и поверхностью колес
,
Принимаем b=36 мм.
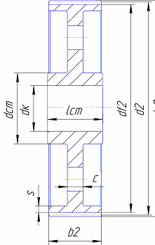
6. Конструирование цилиндрического
зубчатого колеса
диаметр ступицы колеса:
длина ступицы колеса
;
Толщина обода:
;
Толщина диска зубчатого колеса:
.
7. Конструирование элементов корпуса
редуктора
Толщина стенки корпуса и крышки редуктора
;
Принимаем
.
Радиусы скруглений: внутренний
;
внешний
.
Толщина верхнего и нижнего фланцев корпуса и крышки
;
Толщина нижнего пояса без бобышки
;
Диаметр винтов, стягивающих корпус и крышку
, принимаем М18.
Диаметр винтов крепления корпуса к фундаменту
, принимаем М28.
8. Расчет клиноременной передачи
Из кинематического и силового расчета выписываем исходные данные для
расчета:
Мощность на ведущем валу передачи Р= 11000 Вт;
.
Крутящий момент на ведущем валу T1=145Нм.
Выбираем [3] клиновый ремень Б ГОСТ 1284-68 нормального сечения, площадью
сечения 138 мм2, высота ремня h=10.8 мм. Расчетная длина ремня в
интервале
мм.
Диаметр ведущего шкива принимаем
Диаметр ведомого шкива
,
где
- относительное скольжение
Ближайшее стандартное
.
Уточняем передаточное отношение
Погрешность передаточного числа 0,07%<3%, что допустимо.
Межосевое расстояние:
Минимальное
Максимальное
Принимаем промежуточное значение a=1000мм,
Определяем расчетную длину ремней [3]:
мм.
Ближайшее стандартное значение
.
Уточняем межосевое расстояние:
,
.
После подстановки получаем а=1130 мм.
Определяем угол обхвата ремнями малого шкива в градусах:
.
Находим скорость ремня:
.
Окружное усилие
(на один ремень)
Определяем коэффициенты, зависящие от угла обхвата, длины ремня, режима
работы.
;
;
.
Допускаемое окружное усилие
.
Определим окружное усилие, передаваемое всеми ремнями:
.
Определяем число ремней:
, округляем до z=6.
Принимаем натяжение от предварительного
натяжения
.
Предварительное натяжение каждой ветви ремня
.
Рабочее натяжение ведущей ветви
то же ведомой ветви
Отсюда сила, действующая на валы:
.
9. Проверка долговечности подшипников
9.1 Ведущий вал
Ft=11360 Н; Fr=4225
Н; Fа=2386 Н.
На конец вала действует консольная сила от ременной передачи:
По оси x:
;
По оси y:
.1=95 мм, l2=83 мм.
Реакции в подшипниках:
.
.
Результирующие реакции в подшипниках:
.
.
Эквивалентная нагрузка более нагруженного подшипника:
,
Где коэффициенты К
= 1,1 и К
=1, Fа=2386 Н.
Отношение
, этой величине соответствует
.
Отношение
; X=0.56 и Y=1.71.
Расчетная долговечность
Это больше требуемой долговечности 31540 часов.
Рисунок 1 -Расчетная схема ведущего вала
9.2 Ведомый вал
Ft=11360 Н; Fr=4225
Н; Fа=2386 Н.
На конец вала действует консольная сила от полумуфты:
1=109
мм, l2=81 мм
Реакции в подшипниках:
.
.
.
.
Результирующие реакции в подшипниках:
.
.
Эквивалентная нагрузка более нагруженного подшипника:
,
Где коэффициенты К
= 1.1 и К
=1, Fа=2386 Н.
Отношение
, этой величине соответствует
.
Отношение
; X=0.56 и Y=1.8.
Н.
Расчетная долговечность
Это больше требуемой долговечности 31540 часов.
Рисунок 2- Расчетная схема ведомого вала
10. Уточненный расчет валов
10.1 Ведущий вал
Материал вала - Сталь 40Х, улучшенная,
,
,
Опасное сечение - под шестерней
.
Определяем суммарный изгибающий момент в сечении:
Момент сопротивления изгибу:
W =
мм3
Момент сопротивления кручению:
Wр
=
мм3
амплитуда нормальных напряжений:
амплитуда касательных напряжений:
=
Определяем коэффициент запаса прочности по нормальным напряжениям:
.
коэффициент запаса прочности по касательным напряжениям:
.
Определяем результирующий коэффициент запаса прочности:
Условие выполнено.
Опасное сечение - под подшипником (d=60мм)
Из эпюр моментов определяем суммарный изгибающий момент в сечении:
.
Момент сопротивления изгибу:
W =
мм3
Момент сопротивления кручению:
Wр
=
мм3
амплитуда касательных напряжений:
=
Определяем коэффициент запаса прочности по нормальным напряжениям:
.
коэффициент запаса прочности по касательным напряжениям :
.
Определяем результирующий коэффициент запаса прочности:
Условие выполнено.
10.2 Ведомый вал
Материал вала - Сталь 45, нормализованная
,
,
Опасное сечение - под колесом
.
Из эпюр моментов определяем суммарный изгибающий момент в сечении:
Момент сопротивления изгибу:
W =
мм3
Момент сопротивления кручению:
Wр
=
мм3
амплитуда нормальных напряжений:
амплитуда касательных напряжений:
=
Определяем коэффициент запаса прочности по нормальным напряжениям:
.
коэффициент запаса прочности по касательным напряжениям:
; .
Определяем результирующий коэффициент запаса прочности:
Условие выполнено.
11.Расчет прочности шпоночных
соединений
На быстроходном валу
Шпонка
ГОСТ 10748-79
.
На тихоходном валу на конце вала
Шпонка
ГОСТ 10748-79, ставим две шпонки
.
На тихоходном валу под колесо
Шпонка
ГОСТ 10748-79, ставим две шпонки
.
12. Выбор масла
Для редукторов общего назначения применяют непрерывное смазывание жидким
маслом картерным непроточным способом (окунанием).
Объем масляной ванны: V
.
При окружной скорости 0,9 м/c рекомендуемый класс вязкости 68.
Выбираем сорт масла: И-Г-А-68 с кинематической вязкостью при температуре
61…75сСт.
Список использованных
источников
1. Конструирование узлов и деталей машин: учеб. Пособие для
студ. Высш. Учеб. Заведений / Дунаев П.Ф., Леликов О.П. - 9-е изд., перераб. И
доп. -
. Чернавский А.В. Курсовое проектирование деталей машин.- М.:
«Машиностроение», 1979. - 351 с.
. Шейнблит А.Е. Курсовое проектирование деталей машин: Учеб.
Пособие для техникумов.- М.: высш. шк., 1991.- 432с.