Синхронизация в сетях SDH

  • Вид работы:
    Дипломная (ВКР)
  • Предмет:
    Информатика, ВТ, телекоммуникации
  • Язык:
    Русский
    ,
    Формат файла:
    MS Word
    2,21 Мб
  • Опубликовано:
    2012-09-18
Вы можете узнать стоимость помощи в написании студенческой работы.
Помощь в написании работы, которую точно примут!

Синхронизация в сетях SDH

Оглавление

Теоретическая часть

Введение

1. Технология SDH

.1 Состав сети SDH. Типовая структура тракта

.2 Функции и структура заголовков

. Технология современных систем синхронизации

.1 Основные типы синхронизации

.2 Роль синхронизации в сетях связи

.3 Основные параметры системы синхронизации

2.4 Типы и параметры источников синхронизации

.5 Основы построения систем синхронизации

2.6 Защита системы синхронизации

2.7 Проектирование сети ТСС

Программная часть

Практическая часть

Заключение

Список литературы

Теоретическая часть

Введение

Данная дипломная работа посвящена теме синхронизации в сети SDH. Современная первичная сеть ориентирована на использование технологии SDH. В отличие от технологии PDH, где предусматривался режим, плезиохронной ("почти синхронной") работы различных устройств систем передачи, технология SDH предусматривает синхронную работу всей сети и всех устройств, входящих в сеть. Поэтому современной тенденцией в развитии первичной сети является повышение роли СС и эта тенденция сохранится в ближайшем будущем.

Все элементы сети в SDH сети работают, используя одну частоту синхронизации, поставляемую источником синхросигнала. Источником СС может быть внешний эталон или линейный сигнал. Распределение синхросигнала осуществляется по системе передачи SDH. Уровень качества СС, используемого при производстве STM-N линейного сигнала указывается байтом SI SOH. (STM - синхронный транспортный модуль, информационная структура, состоящая из информационной нагрузки и секционного заголовка SOH).

Основная задача синхронизации цифровой сети состоит в том, чтобы гарантировать получение одной и той же скорости передачи и приема информации в цифровых сетях связи и избежать появления "проскальзывании". Все генераторы, установленные в цифровой сети связи, должны быть синхронизированы от одного или нескольких ведущих генераторов с близкими значениями частот выходных колебаний.

1. Технология SDH

Одной из наиболее современных телекоммуникационных технологий, используемых в настоящее время для построения сетей связи, является цифровые системы передачи (ЦСП) принадлежащие к синхронной цифровой иерархии (СЦИ/SDH). Системы SDH обладают существенными преимуществами по сравнению с системами предшествующих поколений, позволяют более полно реализовывать возможности волоконно-оптических и радиорелейных линий, создавать гибкие надежные, удобные для эксплуатации, контроля и управления сети, при гарантии высокого качества связи.

Сравнивая технологию SDH с технологией PDH, можно выделить следующие особенности технологии SDH:

·        предусматривает синхронную передачу и мультиплексирование. Элементы первичной сети SDH используют для синхронизации один задающий генератор, как следствие, вопросы построения систем синхронизации становятся особенно важными;

·        предусматривает прямое мультиплексирование и демультиплексирование потоков PDH, так что на любом уровне иерархии SDH можно выделять загруженный поток PDH без процедуры пошагового демультиплексирования. Процедура прямого мультиплексирования называется также процедурой ввода-вывода;

·        опирается на стандартные оптические и электрические интерфейсы, что обеспечивает лучшую совместимость оборудования различных фирм-производителей;

·        позволяет объединить системы PDH европейской и американской иерархии, обеспечивает полную совместимость с существующими системами PDH и, в то же время, дает возможность будущего развития систем передачи, поскольку обеспечивает каналы высокой пропускной способности для передачи ATM, MAN, HDTV и т.д.;

·        обеспечивает лучшее управление и самодиагностику первичной сети. Большое количество сигналов о неисправностях, передаваемых по сети SDH, дает возможность построения систем управления на основе платформы TMN. Технология SDH обеспечивает возможность управления сколь угодно разветвленной первичной сетью из одного центра.

Иерархия SDH включает в себя несколько уровней STM. В качестве примера использования уровней в сети SDH на рис.1 показана первичная сеть SDH, включающая кольца магистральной сети, построенной на потоках STM-16, региональных сетей, построенных на потоках STM-4, и локальных сетей с потоками STM-1.


Выбор кольцевой топологии обусловлен широкими возможностями резервирования и получил большое распространение в практике внедрения SDH.

В процессе внедрения технологии SDH на первом этапе вероятно появление комбинированных сетей SDH/PDH. Технология SDH внедряется обычно в виде "островов", объединенных каналами существующей первичной сети. На втором этапе "острова" объединяются в первичную сеть на основе SDH. В результате на современном этапе необходимо не только рассматривать технологию SDH, но и ориентироваться на изучение комбинированных сетей и процессов взаимодействия SDH и PDH.

.1 Состав сети SDH. Типовая структура тракта SDH

Типичная система SDH может быть представлена в виде совокупности транспортных секций: мультиплексных секций и регенераторных секций (рис. 2). Система передачи от мультиплексора сборки виртуальных контейнеров (VC) до мультиплексора разборки VC и вывода нагрузки рассматривается обычно как маршрут.

В состав маршрута входят мультиплексоры ввода-вывода (МВВ - ADM), составляющие мультиплексные секции, регенераторы и коммутаторы (SDXC - Synchronous Digital Cross Connect), составляющие регенераторные секции (рис.2).

рис.2 Модель транспортной системы SDH с несколькими секциями

В состав сети SDH входят несколько типовых устройств (рис.3)

Коммутаторы SDXC обеспечивают переключения на уровне потоков иерархий PDH и SDH. Обычно коммутаторы используются для оперативной реконфигурации сети, что повышает ее надежность и живучесть, а также позволяет оперативно управлять ресурсами.

Мультиплексоры ввода/вывода (МВВ - ADM) являются ключевыми элементами сети SDH, поскольку обеспечивают загрузку и выгрузку потоков PDH в сеть SDH, формирование синхронных транспортных модулей STM-n и управление процедурами мультиплексирования/демультиплексирования.

Синхронные мультиплексоры MUX обеспечивают мультиплексирование нескольких потоков PDH или STM низкого уровня иерархии в потоки STM-n. Обычно MUX является составной частью ADM или SDXC.

Регенераторы REG выполняют функции восстановления и усиления линейного сигнала STM-n при его передаче по сети SDH.

Описанное выше разделение маршрута на секции нашло отражение в формате заголовков системы SDH. Заголовки системы SDH используются в процессе формирования синхронного модуля. В качестве примера рассмотрим процесс формирования синхронного транспортного модуля STM-1 из нагрузки потока Е1 (рис.4).

рис.3 Компоненты сети SDH

рис.4 Формирование синхронного транcпортного модуля STM-1 из нагрузки потока E-1.

Как видно из рисунка, в процессе формирования синхронного транспортного модуля к нагрузке сначала добавляются выравнивающие биты, а также фиксированные, управляющие и упаковывающие биты. К сформированному контейнеру С-12 добавляется заголовок маршрута VC-12 POH (Path Overhead), в результате формируется виртуальный контейнер.

Добавление к виртуальному контейнеру 1 байта указателя (PTR) превращает первый в блок нагрузки (TU). Затем происходит процедура мультиплексирования блоков нагрузки в группы блоков нагрузки (TUG) различного уровня вплоть до формирования виртуального контейнера верхнего уровня VC-4. В результате присоединения заголовка маршрута VC-4 РОH образуется административный блок (AU), к которому подсоединяется секционный заголовок SOH (Section Overhead). Учитывая разделение маршрута на два типа секций (рис.2), SOH состоит из заголовка регенераторной секции (RSOH) и заголовка мультиплексной секции (MSOH) (рис.5). Заголовки и указатели играют в SDH очень важную роль, поскольку тесно связаны с процессами загрузки и выгрузки цифрового потока, с процессами управления и т.д.

рис.5 Структура заголовка SOH уровня STM-1

Секционный заголовок (SOH) используется: для создания каналов управления (сервисных каналов) в сети SDH; для выполнения сервисных функций; для обеспечения резервирования и управления автоматическим резервным переключением; для создания каналов передачи данных специального назначения; для обеспечения функций обслуживания сети; для мониторинга качества.

Заголовки маршрута (POH) включая заголовки высокого уровня и заголовки низкого уровня, используются: для создания установления маршрутизации виртуального контейнера (VC); для передачи информации о структуре мультиплексирования VC; для передачи сигналов неисправности (alarms); для обеспечения функций обслуживания сети; для мониторинга качества в рамках VC.

Указатели блоков TU и AU используются для динамического размещения нагрузки в контейнерах SDH.

Системы SDH обеспечивают скорости передачи от 155 Мбит/с до 2487,320 Мбит/с и могут передавать как сигналы существующих цифровых систем, так и новых перспективных служб. Аппаратура SDH является программно управляемой и интегрирует в себе средства преобразования, передачи, оперативного переключения, контроля управления. Линейные сигналы SDH организованны в так называемые синхронные транспортные модули STM. Первый из них - STM 1 - соответствует скорости 155 Мбит/с. Каждый последующий имеет скорость выше, чем предыдущий, и образуетсяпобайтным синхронным мультиплексированием. Скорости передач иерархии SDH указаны в таблице 1.

Таблица 1. Скорости передач иерархии SDH.

Уровень SDH.

Скорость передачи, Мбит/с

STM-1

155,520

STM-4

622,080

STM-8

1244,160

STM-12

1866,240

STM-16


1.2 Функции и структуры заголовков

В общем случае заголовки транспортных структур выполняют следующие функции:

·  формируют кадр (цикл) транспортной структуры;

·        осуществляют контроль состояния (мониторинг) тракта (секции);

·        осуществляют обнаружение ошибок и локализацию их источника;

·        обеспечивают функционирование тракта (секции) и управление.

Структура транспортных модулей STM такова, что заголовки структур всегда отделены от пользовательской информации. Поэтому возможно анализировать, менять и добавлять информацию в байтах заголовков отдельных трактов в любое время без разборки всего модуля. Различают секционные SOH и трактовые заголовки различного уровня.

рис.6 Структура заголовка SOH модуля STM-1

Секционный заголовок SOH модуля STM-1 состоит из восьми строк по 9 байт. Первые три строки являются подзаголовком регенерационной секции RSOH, пять последних - подзаголовком мультиплексной секции MSOH. В четвертой строке находится указатель (PTR AU), который не является составляющей секционного заголовка SOH.

Байты RSOH используются для контроля и управления регенерационными секциями. Эти байты создаются в каждом регенераторе и при необходимости транслируются в следующую секцию.

Байты MSOH действуют от мультиплексора до мультиплексора и недоступны в регенераторах.

А1 и А2 (А1 =11110110, А2=00101000) - в шести байтах помещен цикловой синхросигнал. Синхросигналы всех модулей STM-1 включаются в состав STM-N, соответственно для STM-4 предусмотрено 6 х 4 = 24 байт, для STM-16 - 96 байт и так далее.

Байт S1 несет информацию о типе источника синхронизации для приходящего STM-N. Используются биты 5, 6, 7, 8. Определен только в модуле STM-1 в составе STM-N. Байт S1 определяет параметр качества источника синхронизации узла генерации транспортного модуля. Передача информации о качестве источника синхронизации позволяет избежать проблем, связанных с нарушениями в структуре системы синхронизации. Учитывая, что система передачи на основе SDH использует принципы синхронной передачи и мультиплексирования, параметры синхронизации в SDH чрезвычайно важны. С увеличением разветвленности сети, использованием концепций резервирования и самозалечивающихся сетей, повышается вероятность возникновения проблем, связанных с системой синхронизации. Так, например, в процессе реконфигурации или гибкого переключения на резерв, система синхронизации должна также реконфигурироваться. Передача информации о качестве источника синхронизации конкретного узла дает возможность авторегулирования процессов в системе синхронизации, например, сигнал от источника плохого качества не используется для распределения по сети и синхронизации от него других узлов.

2. Технология современных систем синхронизации

.1 Основные типы синхронизации

Проблемы, связанные с синхронизацией, возникли сразу с появлением цифровых методов передачи информации. Действительно, любая процедура дискретизации, передачи и приема данных в виде бинарного сигнала или кодированного бинарного сигнала, требует согласованности частот передачи и приема, в противном случае передаваемая информация будет некорректно принята. Проблемы синхронизации не ограничиваются только цифровой первичной сетью, но имеют важное значение при рассмотрении сетей ISDN, передачи данных (СПД), цифровой телефонии, сетей специального назначения и других вторичных сетей. В технологии современной связи существует три основных понятия синхронизации: частотная, фазовая и временная (то же самое, что и синхронизация по времени). Наиболее важным типом синхронизации для первичной сети является частотная синхронизация (ЧС), которая означает согласованность генераторов различных цифровых устройств в сети по частоте. В этом случае в идеале все генераторы сети работают с одинаковой частотой, скорость передачи цифровой информации с высокой степенью точности равна скорости приема, в результате в системе связи нет потерь информации вследствие проскальзываний, т.е. нет ошибок, связанных с нарушениями синхронизации. Существенно, что это и является основной целью эксплуатации - добиваться возможно меньшего уровня ошибок в сети. Поэтому именно ЧС представляет главный интерес операторов связи, и рассмотрена ниже наиболее подробно. Фазовой синхронизацией (ФС) называется соответствие фаз приемного и передающего сигналов. Наиболее важна эта синхронизация внутри различных электронных устройств. Для ее достижения используют различные компоненты (фазовращатели), фазовые детекторы и т.д. В современной практике систем связи ФС наиболее часто используется в цепях приемников сигнала в виде петлей ФАПЧ, где осуществляется достижение ФС между линейным сигналом и цепью приемника. Временная синхронизация (ВрС) или синхронизация по времени предусматривает, что все устройства в сети имеют единое время. Это время обычно согласуется со всемирным скоординированным временем (UTC - Coordinated Universal Time). Обычно задача ВрС связана с различными вторичными сетями и системами (СПД, сетями специального назначения, системами биллинга и т.д.). В качестве примера можно рассмотреть очень распространенный метод защиты банковских электронных сетей, когда каждому документу присваивается точная временная метка. На приемной стороне метка сравнивается с текущим временем и анализируется принципиальная возможность преобразования электронного документа при его передаче по сети. В случае превышения задержки передачи определенного порога, документ считается недействительным. Такая схема защиты является довольно мощной, однако требует, чтобы все рабочие станции в сети были синхронизированы по времени. Следует отметить, что ВрС представляет собой совершенно независимую от частотной синхронизации задачу. В современной практике построения корпоративных сетей есть однако несколько методов интегрального решения обоих задач.

Таким образом, из сказанного выше следует, что для современных цифровых первичных сетей наиболее важным вопросом является ЧС. В дальнейшем под синхронизацией понимается ЧС.

2.2 Роль синхронизации в современных сетях связи

Основной задачей частотной синхронизации является достижение одинаковых или кратных частот генераторов (тактовых частот) всех цифровых устройств, входящих в систему цифровой связи. Для достижения синхронизации в сети необходимо:

·        установить единую тактовую частоту для всей системы связи, чтобы система работала с одной скоростью;

·        обеспечить, чтобы все цифровые устройства в сети работали синхронно;

·        синхронизация сети должна поддерживаться в любое время независимо от изменений в структуре сети, вызванных такими факторами, как сбои в каналах и узлах, перестроения сети, ее расширение и т. д.;

·        система синхронизации (СС) должна быть также достаточно стабильной по отношению к таким нарушениям, как изменение частоты или фазы в узле, изменение времени передачи по линии и т.д.;

Из описанного выше раскрывается интегральный смысл синхронизации - для СС практически нет разделения на первичную и вторичные сети, синхронизация должна охватывать все цифровые устройства сети. Тем не менее, современные методы проектирования и построения системы электросвязи устанавливают определенную приоритетность в построении систем синхронизации. Поскольку в системе электросвязи первичная сеть представляет собой ядро сети и создает каналы для вторичных сетей, так и СС наиболее корректно строится в следующем порядке: сначала создается СС первичной сети, а затем вторичная сеть синхронизируется от первичной сети. Таким образом, СС начинается с первичной сети.

Наиболее важны вопросы синхронизации первичной сети. Современная первичная сеть ориентирована на использование технологии SDH. В отличие от технологии PDH, где предусматривался режим, плезиохронной ("почти синхронной") работы различных устройств систем передачи, технология SDH предусматривает синхронную работу всей сети и всех устройств, входящих в сеть. Поэтому современной тенденцией в развитии первичной сети является повышение роли СС и эта тенденция сохранится в ближайшем будущем.

Вторым фактором, который влияет на увеличение роли синхронизации в современных цифровых системах связи, является развитие последних. В общем случае для синхронизации нет разделения на первичную и вторичные сети, все цифровые устройства системы электросвязи должны участвовать в системе синхронизации. В результате уровень проблем, связанных с синхронизацией, находится в зависимости от общего количества цифровых устройств на сети. При малом количестве цифровых устройств проблемы синхронизации могут быть решены в частном порядке, и система синхронизации не рассматривается операторами как отдельная система в составе сети. Однако при увеличении количества цифровых устройств проблемы синхронизации уже не могут быть рассмотрены частично и должны рассматриваться системно. С этим связана определенная локальная революция в подходе: появление определенной "критической массы" цифровых устройств на сети приводит к необходимости рассматривать систему синхронизации как отдельную составную часть системы электросвязи. С дальнейшим увеличением количества цифровых устройств начинают меняться концепции построения СС.

.3 Основные параметры системы синхронизации

Для решения основной задачи синхронизации используются синхросигналы, которые позволяют передавать информацию о единой тактовой частоте различным устройствам сети. В наиболее общем случае СС включает в себя:

·        все цифровые устройства системы электросвязи, которые можно охарактеризовать как генераторы синхросигналов;

·        систему путей, по которым передается информация о единой тактовой частоте;

·        синхросигналы, которые осуществляют передачу информации о тактовой частоте.

Любое устройство в сети синхронизации представляет собой генератор с заданными характеристиками. Отсюда вытекает, что основными параметрами СС являются параметры генераторов синхросигналов и самих синхросигналов при их передаче по распределительной сети.

Характеристики качества синхросигнала

Параметры, определяющие работу задающих генераторов:

• Точность установки номинала тактовой частоты СС

(относительная погрешность) df/f - определяется максимальным относительным отклонением частоты от ее номинального значения для заданного временного интервала

·        Стабильность частоты - случайные изменения частоты задающего генератора, вызываемыми в течение заданного интервала времени внешними воздействиями или внутренними процессами.

·        Дрожание (джиттер) - быстрые (краткосрочные) изменения

значащих моментов цифрового сигнала относительно их эталонного положения во времени. Эта характеристика легко отфильтровывается.

·        Блуждание фазы (вандер) - соответствующие медленные (долгосрочные) изменения. Устранить вандер сложнее.

Некорректная синхронизация в цифровых сетях связи может приводить к очень серьезным проблемам передачи данных. Как следствие, телефонный разговор будет разорван, факсы начнут печатать с ошибками, а передаваемые цифровые данные будут целиком или частично потеряны.

В качестве иллюстрации параметров стабильности и точности на рис. 8 представлены несколько вариантов работы генераторов с номинальной частотой fQ . На рис. 8а показана практически идеальная работа генератора - стабильная и точная. Генератор рис. 8b работает стабильно, но не точно, рис. 8c - точно, но не стабильно, на рис. 8d показана неточная и нестабильная работа генератора.

Неточность в работе генератора связана с наличием постоянного отклонения генерируемой частоты (частотным сдвигом). В случае высокой стабильности генератора передаваемые от него синхросигналы будут иметь постоянный частотный сдвиг. Нестабильная работа генератора, наоборот, характеризуется наличием переменного сдвига частот и переменной вариации. Такие вариации можно характеризовать как собственный вандер генератора.

рис.8 Различные варианты работы генераторов

Главная причина таких проблем синхронизации в цифровых сетях передачи данных - нестабильность временной синхронизации. А качественное управление параметрами временной синхронизации требует мониторинга величины нестабильности в течение большого периода времени (часы или даже дни), что возможно только при использовании только сверхустойчивых генераторов времени.

Медленные изменения фазы характеризуются ОВИ (ошибкой временного интервала), возникают за счет нестабильности частоты.

ОВИ - разность между величиной временного интервала, воспроизводимого данным задающим генератором, и величиной того же самого временного интервала, воспроизводимого эталонным задающим генератором той же частоты и абсолютной стабильности.

МОВИ - (максимальная ошибка временного интервала, MTIE) максимальное значение размаха изменения задержки выходного сигнала задающего генератора по отношению к идеальному сигналу тактовой синхронизации, получаемого от эталонного задающего генератора как функция временного интервала наблюдения.

ДВИ - (девиация временного интервала, TDEV) значение ожидаемого изменения длительности группы тактовых временных интервалов, формируемых задающим генератором как функций временного интервала наблюдения (длительности рассматриваемой группы тактовых временных интервалов).

Дрейф частоты - систематическое изменение частоты генератора, вызываемое старением и внешними воздействиями (радиацией, давлением, температурой, влажностью, источником питания, нагрузкой и т.д.).

В соответствии с европейскими нормами параметры MTIE и TDEV первичного эталонного генератора ПЭГ должны укладываться в маски, показанные на рис. 9. Правая асимптота графика MTIE соответствует долговременной нестабильности частоты, равной 10-11.

рис.9 Характеристики первичного генератора

.4 Типы и параметры источников систем синхронизации

Источники систем синхронизации или генераторы разделяются на два основных типа: кварцевые и атомные (рис. 10). К первой группе относятся три типа источников: обычные кварцевые, кварцевые с температурной компенсацией ТСХО (Temperature Compensated Crystal Oscillator) и охлаждаемые кварцевые источники ОСХО (Oven Compensated Crystal Oscillator). Атомные источники разделяются на три типа: водородные мазеры, цезиевые стандарты и рубидиевые источники. Кварцевые источники частоты в той или иной степени используют пьезоэлектрические свойства кварца, тогда как атомные источники частоты работают на принципе резонансного лазерного излучения.

рис. 10 Иерархия источников синхронизации

2.5 Основы построения систем синхронизации

Задача тактовой синхронизации в сетях СЦИ, так же, как и в плезиохронных сетях, заключается в обеспечении согласованности по частоте задающих генераторов цифровых устройств, работающих на сети. Однако, если в плезиохронных сетях можно ограничиться обеспечением согласованности задающего генератора приемника данного цифрового потока с задающим генератором передатчика этого же потока, то в синхронных сетях следует добиваться согласованности задающих генераторов всех сетевых устройств. Такая согласованность позволяет ускорить доступ к компонентным потокам, что так же является достоинством синхронных цифровых телекоммуникационных систем.

Структура системы синхронизации

На сетях СЦИ используются все виды тактовой синхронизации: взаимная, автономная и принудительная, последняя подразделяется на виды "распределенный ведущий" и "ведущий - ведомый". Относительная нестабильность тактовой частоты должна быть весьма малой.

рис.11 режим взаимной синхронизации

рис.12 режим синхронизации "ведущий-ведомый"

Поэтому стоимость опорного генератора (первичного эталонного генератора, ПЭГ, PRC) оказывается весьма высокой. В связи с этим от одного, ПЭГ синхронизируется значительный участок сети СЦИ, например, региональный.

Распределение синхросигнала осуществляется по линиям передачи. В ведомом узле из линейного сигнала извлекается составляющая тактовой частоты, которая и используется для синхронизации узлового задающего генератора. Архитектура сети синхронизации имеет вид, показанный на рис. 11.


рис12. Эталонная цепь синхронизации

Сигналы синхронизации должны распределяться так, чтобы в случае аварии на цифровой сети синхронизация не нарушалась. Для этой цели, кроме основных путей передачи синхросигнала, создаются и резервные пути. Это важно особенно для обеспечения надежной синхронизации коммутационных станций, которые, по возможности, должны взаимодействовать между собой синхронно.

рис.13 Пример переконфигурирования СП СЦИ при авариях

Для организации резервных путей передачи сигналов синхронизации необходимо ориентироваться на возможности эталонной цепи изменять направление передачи синхросигналов (рис. 13). Для организации перехода на обратное направление передачи синхросигналов используются данные, передаваемые SSM-битами. Такая переконфигурация соответствует алгоритму выбора синхросигнала на входе генератора сетевого элемента (ГСЭ) мультиплексора, при котором всегда выбирается тот синхросигнал, у которого выше уровень качества источника.

Пример такой переконфигурации показан на рис. 13. При аварии на линии ГСЭ2 не получает синхросигнала от ПЭГ и начинает передавать по линии в сторону ВЗГ синхросигнал с качеством ГСЭ. Одновременно ГСЭN получает синхросигнал от ВЗГ более высокого качества и передает его ГСЭN-1 и т.д., вплоть ГСЭ2. В результате все ГСЭ, включенные после аварийного участка, получают синхросигнал от ВЗГ.

Очевидно, при создании сети синхронизации надо стремиться к тому, чтобы ее отдельные ветви были бы возможно короче. Если внутри узла имеется несколько сетевых элементов, их генераторы должны синхронизироваться методом "распределенный ведущий", т.е. внутриузловая сеть синхронизации должна быть звездообразной, как показано на рис. 14.


Таким образом, все генераторы на сети синхронизации располагаются на трех иерархических уровнях: верхний уровень занимает первичный эталонный генератор ПЭГ, ко второму уровню принадлежат вторичные задающие генераторы ВЗГ, а к третьему генераторы мультиплексоров - местные задающие генераторы МЗГ (задающие генераторы оборудования, SEC, SETS). Вторичные задающие генераторы подразделяются на два типа: транзитные сетевые таймеры (TNC) и локальные (местные) сетевые таймеры (LNC).

Первичный эталонный генератор представляет собой сложную систему, стабильность частоты его сигнала весьма высока. В системах СЦИ в качестве таких генераторов используются устройства, опорными элементами которых являются рубидиевые или цезиевые лазеры.

Генераторы второго уровня (блоки обеспечения синхронизацией, SSU), являются внешними относительно мультиплексоров устройствами. Они снабжаются системой подавления фазовых флуктуации. Генераторы третьего уровня - генераторы мультиплексоров (SEC или SETS), обычно имеют доступ ко многим источникам синхросигналов. Интерфейсы синхросигнала генератора мультиплексора условно показывает рис. 15 Во-первых, это два независимых внешних входа, по которым синхросигнал может быть получен от внешнего источника, например, от первичного генератора. Во-вторых, это опорные сигналы, выделяемые из линейных сигналов (STM-N), поступающих на линейные входы мультиплексора. В-третьих, это опорные сигналы, выделяемые из сигналов доступа, как синхронных (STIVM), так и плезиохронных (2, 34, 140 Мбит/с).

Если происходит потеря всех внешних синхросигналов, генератор переходит в режим удержания (holdover), который характеризуется тем, что генератор оказывается как бы "замороженным", переход от частоты в момент потери синхросигнала к частоте свободных колебаний происходит относительно плавно. В режиме свободных колебаний стабильность частоты сигнала будет определяться собственным кварцевым резонатором генератора. Генератор мультиплексора вырабатывает тактовые сигналы для всех блоков мультиплексора и может передавать синхросигнал на внешние выходы, например, для синхронизации других устройств сетевого узла.

В каждом мультиплексоре для доступных источников синхросигналов определены приоритеты. Например, для генератора изображенного на рис. 15 могут быть установлены приоритеты в следующем порядке: внешний вход 1, внешний вход 2, линия 1, линия 2, линия 3, сигналы 2, 34, 140 Мбит/с. Если внешние источники синхросигнала изначально недоступны, генератор мультиплексора конфигурируется как независимый генератор с кварцевой стабилизацией (режим свободных колебаний).

рис.15 Источники синхронизации генератора мультиплексора

В биты 5-8 байта S1 заголовка мультиплексной секции MSOH автоматически вводится код, указывающий уровень качества Q синхросигнала, использованного для формирования данного STM-N.

В табл. 3 приведены значения этих кодов. Уровень качества Q0 обычно соответствует оборудованию прежних выпусков, где байт S1 еще не был определен. Для выбора опорного источника синхронизации из нескольких доступных используются следующие правила.

1. Из всех доступных источников выбирается источник с наивысшим качеством.

2. Если источников наивысшего качества несколько, из них выбирается источник с наивысшим приоритетом.

3. Источнику, полученному от аварийного сигнала, соответствует уровень качества Q6 вне зависимости от кода в байте S1.

4. В байтах S1 потока, направляемого навстречу потоку, из которого был выделен опорный сигнал для синхронизации данного мультиплексора, устанавливается уровень качества Q6.

Таблица 3


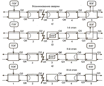
Перечисленные правила иллюстрируются рис. 16, на котором показана цепь синхронизации из пяти мультиплексоров, первый из которых синхронизируется от первичного эталонного генератора ПЭГ, а пятый содержит вторичный (транзитный) задающий генератор ВЗГ.

рис 16 распределение параметра качества в линейной цепи синхронизации

Автономный метод предполагает, что передатчик и приемник одного и того же тракта работают с независимыми задающими генераторами. Такая ситуация может складываться в случае соединения независимых подсетей СЦИ. Независимые подсети могут организовываться специально, например, как подсети территориально удаленных больших регионов, или возникать стихийно, в случае аварийной потери мультиплексорами синхронизирующих сигналов. При автономной синхронизации неизбежно расхождение тактовых частот, которое в общем случае через некоторое время приведет к смещению тактовых последовательностей приемника и передатчика на один тактовый интервал, т.е. к битовому проскальзыванию. Результатом битового проскальзывания является потеря циклового синхронизма с последующим его восстановлением, т.е. потери нескольких циклов передачи.

Для минимизации этого явления специально образованные автономные подсети соединяют между собой через устройства управляемого проскальзывания. Устройства эти представляют собой буферы памяти, емкостью более одного цикла передачи. Если поток поступает с повышенной скоростью, буфер постепенно переполняется. Когда переполнение достигает размера одного цикла, содержимое буфера удаляется, но цикловая синхронизация при этом остается ненарушенной. Таким образом, происходит потеря одного цикла, а не нескольких циклов передачи. Если же поток поступает медленнее, чем считывается, то через цикл начинается повторное считывание цикла передачи. Это эквивалентно задержке передачи на время следования одного цикла также без потери цикловой синхронизации.

Результат потери части информации в передаваемом сигнале из-за переполнения или опустошения буферной памяти, имеющейся в аппаратуре, т.е. следствие несовпадения скоростей записи и считывания информации -проскальзывания (slip).

На качество связи проскальзывания влияют следующим образом:

·   в телефонии только 5% проск-й вызывают слышимые щелчки

·   в вещании 100% щелчков слышимые

·   при передаче данных - потеря синхронизации, одиночные или групповые ошибки

2.6 Защита системы синхронизации

Система синхронизации должна оставаться работоспособной при возникновении аварийных ситуаций: отказах генераторного оборудования и обрывах цепей подачи синхросигналов. Для этого генераторное оборудование резервируется, а подача синхросигнала на каждый сетевой элемент осуществляется как минимум по двум альтернативным направлениям. Выбор источника синхросигнала сетевым элементом осуществляется по приведенным выше правилам: из всех доступных источников выбирается источник с наивысшим качеством, а из источников одинакового качества - источник с наивысшим приоритетом. При проектировании сети синхронизации эти правила должны обязательно учитываться. Кроме того, при возможных отказах на сети должны быть исключены случаи подачи на один и тот же сетевой элемент двух сигналов одинакового качества и равного приоритета (исключены петли в сети синхронизации). В случае относительно простых сетей выполнение этих правил несложно, но для разветвленных структур задача значительно усложняется, и принимаемые решения требуют тщательной проверки. В настоящее время методика проектирования сетей синхронизации практически не разработана, поэтому во многих случаях для одной и той же транспортной сетевой структуры могут быть предложены различные схемы синхронизации. Окончательное решение должно быть принято после анализа всех возможных состояний полученных схем. Характерные примеры восстановления сети синхронизации в линейной и кольцевой транспортной структуре показаны на рисунках. Вначале обратимся к линейной схеме, рассмотренной ранее (см. рис. 16). Предположим, что на участке между узлами 2 и 3 произошел обрыв линии, как это показано на рис. 17,а. В следующий момент времени (рис. 17,б) задающий генератор третьего узла, не получая сигнала синхронизации, переходит в режим удержания. При этом в линейном потоке, передаваемом от узла 3 к узлу 4, устанавливается уровень качества Q5 (местного задающего генератора МЗГ). Генератор пятого узла, конфигурированный как вторичный задающий генератор ВЗГ (уровень качества Q3), ранее синхронизировался сигналом, выделенным из линейного потока, поступавшим от узла 4 и имевшим уровень качества Q2. Поскольку теперь на узел 5 от узла 4 поступает синхросигнал с уровнем качества Q5, происходит отключение этого сигнала, ВЗГ узла 5 переходит в режим удержания и линейным потокам, исходящим из узла 5, придается статус Q3. Указанные операции составляют первый этап восстановления синхронизма.

На втором этапе восстановления синхронизма (рис. 17,в) происходит переключение синхросигнала на узле 4. Вместо синхросигнала, поступавшего от узла 3, и имевшего уровень качества Q5, теперь используется синхросигнал из потока, приходящего от узла 5 и имеющего уровень качества Q3. Заметим, что если бы между узлами 3 и 5 располагался не один, а несколько узлов с местными задающими генераторами, то во всех этих узлах последовательно, начиная с ближайшего к узлу с ВЗГ, произошло бы аналогичное переключение используемых синхросигналов.

рис.17 Поэтапное переключение в линейной схеме синхронизации

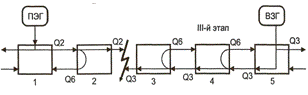
Последний, третий этап восстановления синхронизма (см. рис. 17,г), заключается в выходе МЗГ третьего узла из режима удержания и его переходу к синхронизации от сигнала с уровнем качества Q3, выделенного из потока, поступающего от узла 4. Таким образом, время восстановления синхронизации в линейной цепи тем больше, чем больше время переключения синхросигналов в узле и чем больше узлов, в которых должны произойти переключения синхросигналов, поскольку эти переключения происходят последовательно.

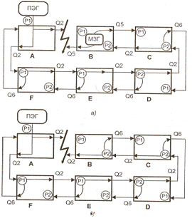
На рис. 18 показана кольцевая транспортная структура. На рис. 18,а приведена схема передачи синхросигналов от узла А, синхронизированного первичным эталонным генератором ПЭГ, по направлениям A-B-C-D и A-F-E. То, что узел D получает синхросигнал от узла С, а узел Е от узла F, обеспечивается соответствующим присвоением приоритетов, поступающим на узлы синхросигналам (индексы Р1 и Р2 в кружках соответствуют первому и второму приоритетам).

При потере первичного эталонного генератора (см. рис. 18,6) местный генератор узла А переходит в режим удержания, что соответствует понижению уровня качества синхросигнала в исходящих из этого узла потоках с Q2 до Q5. Поскольку на данной сети нет генераторов с уровнями выше МЗГ (СБ), вся сеть остается синхронизированной от генератора узла А, но не от ПЭГ, как ранее, а от МЗГ.

рис.18 Система синхронизации при отказе ПЭГ:

а- нормальное состояние; б - состояние при отказе ПЭГ

Качество передачи по данной сети при такой замене источника синхронизации измениться мало.

На рис. 19 представлена та же кольцевая транспортная структура с таким же распределением синхросигналов, но при повреждении линии между узлами А и В. На первом этапе восстановления синхронизма (см.рис.19,а) происходит переход МЗГ узла В в режим удержания и передача синхросигнала от этого генератора с уровнем качества Q5 на узлы C и D. Но поскольку на узел D поступает сигнал с уровнем качества Q2, его МЗГ, в соответствиями с правилами переключения синхросигналов, синхронизируется по сигналу наивысшего качества и передает поток с синхросигналом качества Q2 на узел С и далее на узел B. На втором, заключительное этапе восстановления синхронизма (см, рис. 19,б), местный генератор узла В выходит из режима удержания и синхронизируется сигналом с уровнем качества Q2, поступающим от узла С.

Точной методики построения сети синхронизации пока не существует. Поэтому в каждом конкретном случае необходимо полностью анализировать (для всех возможных состояний отказа) каждый предлагаемый вариант построения сети синхронизации. При этом необходимо учитывать особенности переключения синхросигналов в выбранном оборудовании. Например, в некоторых видах оборудовании реализуются реверсивный и нереверсивный способы переключения. Первый из них предполагает автоматический возврат к источнику синхросигнала высшего качества, после того, как его работа восстановилась. При этом заранее может быть установлен временной интервал ожидания возвратного переключения. Нереверсивный способ переключения предполагает только аварийное автоматическое переключение, возврат к источнику синхросигнала высшего качества осуществляется вручную. Такие способы позволяют устранить неконтролируемые переключения в случае, если по каким-либо причинам оказываются доступными источники одинакового качества с одинаковым приоритетом (образование замкнутой петли в трассе передачи синхросигнала).

Сети ТСС должны строиться так, чтобы ВЗГ и ГСЭ были способны принимать синхросигнал, по крайней мере, из двух трасс передачи синхросигнала. Для этой цели ведомый задающий генератор ГСЭ должен иметь возможность переконфигурироваться, чтобы принимать синхросигнал из альтернативной трассы, если основная трасса нарушена. В результате при нарушении в цепи передачи основного синхросигнала все сетевые элементы должны пытаться восстановить синхронизацию путем приема синхросигнала с направления, в котором наиболее высокий уровень качества источника (QL).

При организации резервных путей передачи синхросигналов очень важно исключать возможность появления замкнутых петель. До некоторой степени этому препятствует наличие в сигналах информации о качестве источника, передаваемой SSM-битами и указывающей, когда это необходимо, что сигнал, поступающий с данного направления, нельзя использовать для синхронизации (DNU код 1111- "не использовать").

рис.20 Схема обмена сигналами, определяющими качество источника (SSM-битами) между мультиплексорами СП СЦИ (ГСЭ)

Необходимо следить, чтобы при распределении синхросигналов на сети ТСС не возникали замкнутые петли образуемые как основными, так и резервными путями передачи синхросигналов. Пример такой замкнутой петли показан на рис. 21.

Замкнутая петля может образоваться при пропадании сигнала от ПЭГ и приема по резервному направлению SSM-бит с качеством ПЭГ в месте подключения ВЗГ. Для исключения возможности образования замкнутой петли необходимо запретить передачу синхросигнала на перечеркнутом направлении.

рис.21

По системам передачи ПЦИ сигнал синхронизации чаще всего передается в потоке Е1. При установке приоритетов в коммутационной станции следует иметь в виду, что сигнал синхронизации, полученный по СП ПЦИ имеет худшие характеристики, чем сигнал синхронизации, переданный по СП СЦИ, и, следовательно, должен иметь более низкий приоритет.

2.7 Проектирование сети ТСС

Общие положения

Задача проектирования сети ТСС состоит в выборе получения сигналов синхронизации, их распределений внутри цифровой сети для обеспечения надежной синхронизацией всего цифрового оборудования, нуждающегося в синхронизации.

В результате проектирования создается схема сети ТСС. В ней указываются источники получения сигналов синхронизации, порядок их распределения на сети связи, а также место установки и вид оборудования синхронизации, необходимого для надежной синхронизации цифровой сети. Проектирование сети ТСС осуществляет проектная организация, имеющая соответствующую лицензию, только после получения необходимых исходных данных.

При проведении перспективного проектирования необходима схема развития и существующая схема сети связи, которые должны содержать данные о предполагаемом к установке и установленном на сети коммутационном оборудовании и оборудовании систем передачи. При необходимости получения эталонных синхросигналов от базовой сети ТСС или от сетей других операторов должны быть определены точки и классы подключения.

В случае непредоставления оператором связи исходных данных в полном объеме необходимые изыскания проводятся силами проектной организации. Проектная организация приступает к разработке схемы ТСС только после получения исходных данных. В процессе разработки схемы сети ТСС необходимо:

·   выбрать источники синхросигнала (основные и резервные);

·   определить основные и резервные пути прохождения синхросигналов;

·   установить приоритеты входов сигналов синхронизации во всем оборудовании сети ТСС;

·   определить качество источников сигналов синхронизации;

·   провести структурный анализ сети с целью исключения возможности образования петель и потери сигналов синхронизации при авариях;

·   выяснить потребность в дополнительном оборудовании синхронизации, устанавливаемом на сети;

·   проверить обеспечена ли сигналами синхронизации каждая коммутационная станция в случае возникновения любой одиночной неисправности.

Программная часть

Тест

Тестирующая программа создана с помощью Test Office Pro. Это - пакет программ для создания, проведения различных тестов и обработки результатов тестирования. По сути, это уже готовое комплексное решение для проведения тестирования в рамках образовательных и других учреждениях (вузы, колледжи, школы, отделы кадров предприятий и т.п.). Доступны просто огромное количество параметров, что позволяет легко и быстро разрабатывать разнообразнейшие тесты, проводить тестирование и обрабатывать результаты. При этом вся информация шифруется методами стойкой криптографии. Интерфейс программы - русский, украинский, белорусский, литовский, французский, немецкий и английский, а может быть и любым другим.

Дипломная программа создана при помощи программы на языке C++. В основе программы лежит использование скрипта:

) main.cpp

???? ?c++ ?? ?? ???????? ???nt main(int argc, char *argv[])

???? ????:main(int argc, char *argv[])

{a(argc, argv); // ????? ????tw; // ???????.show(); // ????????a.exec(); // ????? - ??????? Qt

}

) mainwindow.ui

????????? QtDesigner ... ??? ?????? ????? ?????? ???

) mainwindow.h

?????? ????? ????????? (???? ??? ?????? ???? mainwindow.cppMainWindow : public QMainWindow

{_OBJECT:(QWidget *parent = 0); // ???? ??(????? ~MainWindow(); // ??????(????????, ??? ???)Load(); // ??????????????? ??slots: // slot - ????????? ?????????AddTextItem(); // ?????? void AddImageItem(); // ??????? void DelItems(); // ??????????private:::MainWindow *ui; // ?????????(mainwindow.ui)*scene; // ??, ??????? ???;

) mainwindow.cpp

?? ????????? ?????? ?ainwindow.h ... ??? ?????

?_???????????::?_?????????{

?????? ?? ???

???? ??????????? ?? ??? ???? ???::MainWindow(QWidget *parent) : QMainWindow(parent), ui(new Ui::MainWindow)

{>setupUi(this); // ?????????? mainwindow.ui)(); // ??????? ??= new PuzzleScene(); // ????????? ???????????? scene->setSceneRect(0.0, 0.0, 300.0, 300.0); // ?? ?????? ??= 300?0>graphicsView->setScene(scene); // ??? ui->graphicsView ??? ?????

// ?????????(ui->textButton, SIGNAL(clicked()), SLOT(AddTextItem())); // ??????? ???" ?? "??? ?? ??? ????ddTextItem(ui->selectButton, SIGNAL(clicked()), SLOT(AddImageItem())); // ??????? ???" ?? "??? ?????? ????ddImageItem(ui->clearButton, SIGNAL(clicked()), scene, SLOT(clear())); // ??????? ???" ?? "??? ?" ??? ???? ????ear() ?? scene(ui->delButton, SIGNAL(clicked()), SLOT(DelItems())); // ??????? ???" ?? "?????????? ????elItems

}

// ??????..::~MainWindow()

{ui; // ?????}

// ??? ??????MainWindow::Load()

{d = QDir::current(); // ??? ?? ??? ??? ??? ???? ???QDir d(!d.cd("img")) return; // ??? ??? ??"img"... ? ????????.cd("img")filters; // ????????????.. ??? ?? png<< "*.png";.setNameFilters(filters);.setFilter(QDir::Files | QDir::Hidden | QDir::NoSymLinks); // ??????????... ??? ?? ?????.. ???????? ??list = d.entryInfoList(); // ????????? ??? (??) ??? ??(int i = 0; i < list.size(); ++i) // ??????? {fileName = d.absolutePath() + "/" +list.at(i).fileName(); // ??? ?? ? ?? ?? ??+ ???? ?? ui->comboBox->addItem(QIcon(fileName), list.at(i).fileName(), fileName); // ??? ??? ?? ( ?? + ???? + ?????? ???????????

}

}

// ??????????MainWindow::AddTextItem()

{text = ui->lineEdit->text().trimmed(); // ??? ??????? ????, ????? ?? ??? ?? ? ????(text.isEmpty()) return; // ?????? ?? ??, ??????? ??????* item = scene->addText(text); // ???? ???, ??????????????? item->setFlag(QGraphicsItem::ItemIsMovable); // Р???????? ??? item->setFlag(QGraphicsItem::ItemIsSelectable); // Р????????>setPos(qrand()%int(scene->width()),qrand()%int(scene->height())); //?????? ?????? ???item->setPos(x,y);

// qrand() - ????????? // a%b = ?????? ??????b - ?? ?0 ?b

// ??qrand()%int(scene->width()) - ?? ???-??0 ??? ??

}

// ???????? ???MainWindow::AddImageItem()

{(ui->comboBox->count() < 1) return; // ??????????????? ????index = ui->comboBox->currentIndex(); // ??? ?????? ?? ??? QString fileName = ui->comboBox->itemData(index).toString(); // ? ?? ????? ??? ??? (????? ? ?? ????????* item = scene->addPixmap(QPixmap(fileName)); // ?????? ????. ????oid MainWindow::AddTextItem()>setFlag(QGraphicsItem::ItemIsMovable);>setFlag(QGraphicsItem::ItemIsSelectable);>setPos(qrand()%int(scene->width()),qrand()%int(scene->height()));

}

// ??? ???????MainWindow::DelItems()

{<QGraphicsItem *> list = scene->selectedItems(); // ??? ?? ????? ??? if (list.isEmpty()) return;(int i = 0; i < list.size(); i++) scene->removeItem(list.at(i)); // ?????????? ? ??? scene->clearSelection(); // ???????

}

) PuzzleScene.h ?uzzleScene.?

?? ????????. ????????? ? ? ?? ??? ???????GraphicsScene...

// ????????? ?????QGtaphicsScene ( ??? = ?? ?? ????????, ? ????? ????-??? ???.. ?? ????? ??????)PuzzleScene : public QGraphicsScene

{_OBJECT:(QObject *parent = 0);

};

// ???? ??.. ???????... ?? ????????????

PuzzleScene::PuzzleScene(QObject *parent) : QGraphicsScene(parent)

{

}

Практическая часть

Обучающая программа показывает поэтапное переключение в линейной схеме синхронизации.


Шаг первый: собираем цепь из мультиплексоров.

На рис.1 показана цепь синхронизации из пяти мультиплексоров, первый из которых синхронизируется от первичного эталонного генератора ПЭГ, а пятый содержит вторичный задающий генератор.


Шаг второй: обозначаем место аварии.

На рис.2 показано, что на участке между узлами 2 и 3 произошел обрыв линии.


Шаг третий: подключаем МЗГ, отключаем ВЗГ.

На рис.3 показано, как в следующий момент времени задающий третьего узла, не получая сигнала синхронизации, переходит в режим удержания. При этом в линейном потоке, передаваемом от узла 3 к узлу 4, устанавливается уровень качества Q5 (местного задающего генератора МЗГ). Генератор пятого узла, конфигурированный как вторичный задающий генератор ВЗГ (уровень качества Q3), ранее синхронизировался сигналом, выделенным из линейного потока, поступавшим от узла 4 и имевшим уровень качества Q2. Поскольку теперь на узел 5 от узла 4 поступает синхросигнал с уровнем качества Q5, происходит отключение этого сигнала, ВЗГ узла 5 переходит в режим удержания и линейным потокам, исходящим из узла 5, придается статус Q3. Указанные операции составляют первый этап восстановления синхронизма.


Шаг четвертый: подключаем ВЗГ.

На рис.4 показано, как на втором этапе восстановления синхронизма происходит переключение синхросигнала на узле 4. Вместо синхросигнала, поступавшего от узла 3, и имевшего уровень качества Q5, теперь используется синхросигнал из потока, приходящего от узла 5 и имеющего уровень качества Q3. Заметим, что если бы между узлами 3 и 5 располагался не один, а несколько узлов с местными задающими генераторами, то во всех этих узлах последовательно, начиная с ближайшего к узлу с ВЗГ, произошло бы аналогичное переключение используемых синхросигналов.

Шаг пятый: отключаем МЗГ.

На рис.5 показан последний, третий этап восстановления синхронизма, который заключается в выходе МЗГ третьего узла из режима удержания и его переходу к синхронизации от сигнала с уровнем качества Q3, выделенного из потока, поступающего от узла 4. Таким образом, время восстановления синхронизации в линейной цепи тем больше, чем больше время переключения синхросигналов в узле и чем больше узлов, в которых должны произойти переключения синхросигналов, поскольку эти переключения происходят последовательно.

Задание

1 Ответить на вопросы теста. Тест находится в папке "Test Office Pro". Открыть папку Tester. Нажать кнопку "Начать". Открыть папку "Testmaker", "Synchro"

Выполнить переключения в линейной цепи синхронизации. Открыть папку "PuzzleApp", папка "release", приложение"PuzzleApp.exe"

.1 Собрать цепь из пяти мультиплексоров с двумя генераторами ПЭГ и ВЗГ.

.3 ПОДключить МЗГ. ОТключить ВЗГ. Обозначить уровень качества синхросигнала.

.4 ПОДключить ВЗГ на втором этапе восстановления синхронизации. Отключить МЗГ.

При выполнении задания показать работу преподавателю для оценки.

Заключение

Данная тема является вполне актуальной в связи со стремительным развитием в сфере телекоммуникаций. Современная первичная сеть ориентирована на использование технологии SDH. Задача тактовой синхронизации в сетях SDH заключается в обеспечении согласованности по частоте задающих генераторов цифровых устройств, работающих на сети.

Развитие цифровых сетей связи, которое интенсивно осуществляется в последние годы в нашей стране и за рубежом, предполагает одновременное развитие и совершенствование систем тактовой сетевой синхронизации (ТСС) и соответствующих сетей синхронизации. Система ТСС принципиально необходима вследствие интеграции цифровых систем передачи и коммутации в частности в рамках взаимоувязанной сети связи (ВСС) России. Система ТСС обеспечивает установление и поддержание необходимой синхронности работы аппаратуры систем передачи и коммутации, также чтобы частота проскальзываний на цифровых сетях не превышала норм, установленных для них соответствующими рекомендациями Международного Союза Электросвязи (МСЭ).

Список литературы

телекоммуникационный сеть синхронизация связь

1.       Гордиенко В. Н., Тверецкий М.С. "Многоканальные телекоммуникационные системы. Учебник для вузов " Москва : Горячая линия-Телеком, 2007.

.        Антонова Г.С. "Разработка модели и исследование многосвязной системы тактовой синхронизации ЦСС" 1997.

.        Брени С. "Синхронизация цифровых сетей связи" 2003.

4.       Слепов Н. Н "Синхронные цифровые сети SDH" Москва "Эко-трендз"

.        Соболев Ю.В. "Системы синхронизации в цифровых системах связи" 2002.


Не нашли материал для своей работы?
Поможем написать уникальную работу
Без плагиата!
Без нейросетей!