|
Компания
изготовитель
|
Вариант
|
Количество
ОК
|
Диапазон
длин волн, нм
|
Расстояние
между сосед. ОК
|
|
Alcatel
|
1.1
|
96
|
1530-1570
|
50
ГГц (0,4 нм)
|
|
1.2
|
32
|
1530-1560
|
100
ГГц (0,8 нм)
|
|
1.3
|
8
|
1470-1610
|
2500
ГГц (20 нм)
|
Содержание
Введение
. Разработка сети SDH
.1 Характеристика сети. Типы модулей
сети SDH
.2 Построение мультисервисного
плана. Определение уровня STM
.3 Расчет длины участка регенерации
.4 Схема организации связи в кольце
SDH
. Модернизация сети SDH
.1 Тенденции развития технологии
WDM. Характеристика кольца с WDM
.2 Определение количества длин волн.
Выбор оборудования WDM
.3 Схема организации связи в кольце
WDM
. Посторонние мультисервисной сети
NGN
Заключение
Введение
В данный момент телекоммуникационная сеть
Украины проходит этап активной цифровизации. Старые аналоговые АТС заменяются
на современные цифровые системы передачи, обеспечивающие гораздо более широкий
спектр услуг.
Изначально таковыми цифровыми системами являлись
системы Плезиохронной Цифровой Иерархии (PDH), однако они обладали рядом
определенных недостатков, основными из которых были сложность (а значит
дороговизна) и громоздкость системы согласования скоростей и системы выделения
компонентных потоков.
На смену таковым пришли системы Синхронной
Цифровой Иерархии (SDH). Они изначально разрабатывались для передачи по
оптическим кабелям связи и лишены недостатков систем PDH. Также технология SDH
является неотъемлемой частью сети управления со встроенными каналами управления
и функциями управления (TMN), что обеспечивает высокую надежность таких сетей.
В связи с ростом потребности населения в
различных услугах связи появилась необходимость в уплотнении каналов для
повышения пропускной способности сетей. Это стало возможным благодаря технологиям
WDM (Wavelength-Division Multiplexing), позволяющим одновременно передавать
несколько информационных каналов по одному оптическому волокну на разных
несущих частотах.
Все вышеперечисленные технологии
стали основой для появления универсальной широкополосной пакетной транспортной
сети <#"697769.files/image004.gif">
ПЦП, что не превышает границу
STM-1, но придется использовать оборудование STM-4, так как при аварии 
ПЦП

1.3 Расчет длины участка регенерации
Длина регенерационного участка по
дисперсии рассчитывается по формуле (1.1).

(1.1)
где 
- удельная дисперсия (
);

- ширина спектра излучения лазера
(0,25 нм);

- скорость передачи STM-4 (622,08
Мбит/с).
Длина регенерационного участка по
затуханию рассчитывается по формуле (1.2).

(1.2)
где ЭП - энергетический потенциал (
);

- потери в разъемных соединениях (1
дБ);

- эксплуатационный запас (6 дБ);

- коэффициент затухания (0,3
дБ/км);

- потери в неразъемных соединениях
(0,1 дБ);

- строительная длина кабеля (4 км).
По формулам (1.1)-(1.2) рассчитаем
длину регенерационного участка по дисперсии и по затуханию соответственно.
Длина участка регенерации выбирается
исходя из формулы (1.3).

(1.3)
Таким образом, длина
регенерационного участка составит 67,7 км.
.4 Схема организации связи в кольце
SDH
Таблица 1.2 - Линейные интерфейсы
SDH
|
Назначение
|
Межстанционные
|
|
Короткие
|
Длинные
|
|
Рабочая
длина волны
|
1310
нм
|
1550
нм
|
1310
нм
|
1550
нм
|
1550
нм
|
|
Рекомендация
МСЭ
|
G.652
|
G.652
|
G.652
|
G.652
G.654
|
G.653
|
|
Длина
секции, км
|
15
|
40
|
80
|
|
Тип
STM
|
STM-1
|
S-1.1
|
S-1.2
|
L-1.1
|
L-1.2
|
L-1.3
|
|
STM-4
|
S-4.1
|
S-4.2
|
L-4.1
|
L-4.2
|
L-4.3
|
|
STM-16
|
S-16.1
|
S-16.2
|
L-16.1
|
L-16.2
|
L-16.3
|
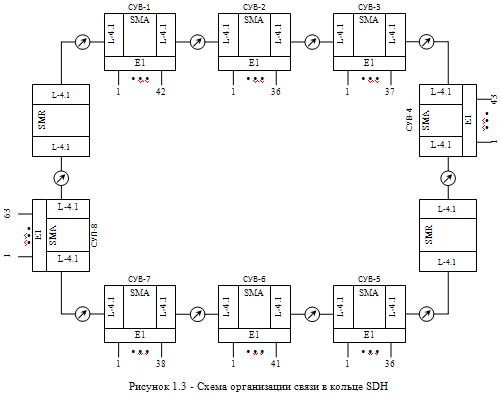
На рис. 1.3 представлена схема организаии связи
в проектируемом кольце SDH (SMA - синхронный мультиплексор add/drop (ввода/вывода),
SMR - синхронный мультиплексор/регенератор).
2. Модернизация сети SDH
.1 Тенденции развития технологии WDM.
Характеристика кольца с WDM
В связи с постоянным ростом нагрузки на сеть
необходима модернизация сети SDH, а именно применение технологий WDM.
Спектральное уплотнение каналов (англ.
Wavelength-Division Multiplexing, WDM - мультиплексирование с разделением по
длине волны) - технология, позволяющая одновременно передавать несколько
информационных каналов по одному оптическому волокну на разных несущих
частотах.
Технология WDM позволяет существенно увеличить
пропускную способность канала (к 2003 году достигнута скорость 10,72 Тбит/с, а
к 2009 - 15,5 Тбит/с), причем она позволяет использовать уже проложенные
волоконно-оптические линии. Благодаря WDM удается организовать двустороннюю
многоканальную передачу трафика по одному волокну.
В простейшем случае каждый лазерный передатчик
генерирует сигнал на определенной частоте из частотного плана. Все эти сигналы
перед тем, как вводятся в оптическое волокно, объединяются мультиплексором
(MUX). На приемном конце сигналы аналогично разделяются демультиплексором
(DEMUX). Здесь, также как и в SDH сетях, мультиплексор является ключевым
элементом. Исторически первыми возникли двухволновые WDM системы, работающие на
центральных длинах волн из второго и третьего окон прозрачности кварцевого
волокна (1310 и 1550 нм). Главным достоинством таких систем является то, что
из-за большого спектрального разноса полностью отсутствует влияние каналов друг
на друга. Этот способ позволяет либо удвоить скорость передачи по одному
оптическому волокну, либо организовать дуплексную связь.
Современные WDM системы, на основе стандартного
частотного плана (ITU-T Rec. G.692), можно подразделить на три группы:
· грубые WDM (Coarse WDM - CWDM) -
системы с частотным разносом каналов не менее 200 ГГц, позволяющие
мультиплексировать не более 18 каналов (Используемые в настоящее время CWDM
работают в полосе от 1270нм до 1610нм, промежуток между каналами 20нм (200
ГГц), можно мультиплексировать 16 спектральных каналов).
· плотные WDM (Dense WDM - DWDM) -
системы с разносом каналов не менее 100 ГГц, позволяющие мультиплексировать не
более 40 каналов.
· высокоплотные WDM (High Dense WDM -
HDWDM) - системы с разносом каналов 50 ГГц и менее, позволяющие
мультиплексировать не менее 64 каналов.
Частотный план для CWDM систем определяется
стандартом ITU G.694.2. Область применения технологии CWDM - городские сети с
расстоянием до 50 км. Достоинством этого вида WDM систем является низкая (по
сравнению с остальными типами) стоимость оборудования вследствие меньших
требований к компонентам. Частотный план для DWDM систем определяется
стандартом ITU G.694.1. Область применения - магистральные сети. Этот вид WDM
систем предъявляет более высокие требования к компонентам, чем CWDM (ширина
спектра источника излучения, температурная стабилизация источника и т. д.).
Толчок к бурному развитию DWDM сетей дало появление недорогих и эффективных
волоконных эрбиевых усилителей (EDFA), работающих в промежутке от 1525 до 1565
нм (третье окно прозрачности кварцевого волокна).
Главное достоинство технологии WDM заключается в
том, что она позволяет преодолеть ограничения на пропускную способность канала
и существенно увеличить скорость передачи данных. Существенно и то, что в сетях
SONET/SDH появилась возможность выбирать для отдельного канала значение
скорости (уровень иерархии), не зависящее от скорости других каналов, и затем
использовать разные методы передачи. Наконец, распространению WDM способствуют
последние технологические достижения: создание узкополосных полупроводниковых
лазеров, имеющих ширину спектра излучения менее 0,1 нм, широкополосных
оптических усилителей и оптических фильтров для разделения близких каналов. Если
говорить об экономической стороне дела, то внедрение WDM в местных сетях
сдерживается высокой стоимостью соответствующей аппаратуры, особенно передающих
устройств, и сложностью коммутации трафика. Вместе с тем исследования
показывают, что решения на базе WDM могут оказаться экономически эффективными и
в сетях меньшего масштаба. Для этого, в частности, в них должны применяться
недорогие мультиплексоры ввода/вывода, устанавливаемые в местах сопряжения
местных и опорных сетей. Среди технических проблем следует упомянуть
значительные потери мощности сигналов в мультиплексорах/демультиплексорах,
несовпадение, во многих случаях, рабочих длин волн WDM-оборудования и устройств
временного мультиплексирования, необходимость повышения производи-тельности
узлов коммутации, усложнение управления сетью из-за различий в технологиях
передачи данных по мультиплексируемым каналам, отсутствие промышленных
стандартов. Наконец, не последнее место в этом перечне занимают нелинейные
явления, которые при одновременной передаче на нескольких несущих способны
приводить не только к ослаблению и искажению сигнала, но и к его проникновению
в другие каналы.
.2 Определение количества длин волн, выбор
оборудования WDM
Построим матрицу межузловых нагрузок для кольца
WDM (табл. 2.1)
Таблица 2.1 - Матрица межузловых нагрузок
|
СЦ
|
СУВ-1
|
СУВ-2
|
СУВ-3
|
СУВ-4
|
СУВ-5
|
СУВ-6
|
СУВ-7
|
СУП-8
|
Всего
|
|
СУВ-1
|
-
|
|
|
|
|
|
|
STM-4
E 10G
|
|
СУВ-2
|
|
-
|
|
|
|
|
|
STM-4
E 10G
|
2
ОК
|
|
СУВ-3
|
|
|
-
|
E
10G
|
|
|
E
10G
|
STM-4
E 10G
|
4
ОК
|
|
СУВ-4
|
|
|
|
-
|
|
|
|
STM-4
E 10G
|
2
ОК
|
|
СУВ-5
|
|
|
|
|
-
|
STM-4
|
|
STM-4
E 10G
|
3
ОК
|
|
СУВ-6
|
|
|
|
|
|
-
|
|
STM-4
E 10G
|
2
ОК
|
|
СУВ-7
|
|
|
|
|
|
|
-
|
STM-4
E 10G
|
2
ОК
|
|
СУП-8
|
|
|
|
|
|
|
|
-
|
-
|
|
Существ.
Нагр.
|
|
STM-4
|
|
Всего
ОК
|
|
18
ОК
|
В данном курсовом проекте используем следующий
метод защиты - SNCP. Мультиплексный план в нормальном режиме работы изображен
на рис.2.1.
Для определения необходимого оборудования и типа
WDM определим требуемую ширину полосы частот каждого ОК с учетом использования
технологий SDH и Ethernet. Для расчета выбирается наибольшая необходимая
скорость (наихудший случай), т.е. в нашем случае это Ethernet 10G.
При мультиплексировании информационный сигнал
подвергается линейному блочному кодированию mBnB, где m - количество входных
информационных символов в блоке, n - количество выходных символов с учётом
служебной информации. При этом скорость закодированного сигнала увеличивается.

(2.1)
Коэффициент n/m не учитывается в том
случае, когда максимальной среди всех является скорость Ethernet. Поэтому
скорость равна:
Ширина полосы частот, отводимая под
один ОК, рассчитывается по формуле (2.2).

(2.2)
где 
- спектр модулированного по
интенсивности колебания;

- увеличение полосы частот за счет
конечной величины линии излучения;

- расширение спектра за счет
температурного изменения параметров оптического излучения;

и показывают нестабильность
несущего колебания.
Спектр модулированного по
интенсивности колебания рассчитывается по формуле (2.3).

(2.3)
где 
- число, которое определяется типом
линейного кода (для Ethernet 
=2);

=2 - выбираемое число спектральных
лепестков.
Рассчитаем ширину полосы частот,
отводимую под один ОК по формулам (2.2) и (2.3).
Согласно полученным результатам
выбираем оборудование фирмы Alcatel обеспечивающее 32 ОК в диапазоне длин волн
1530-1560 нм при расстоянии между соседними ОК 100 ГГц (0,8 нм). Т.о. образом в
кольце мы будем использовать технологию DWDM.
2.3 Схема организации связи в кольце
WDM
Для того, чтобы изобразить схему
организации связи в кольце WDM необходимо рассчитать длину усилительного
участка. Расчет проводится по формулам (1.1) и (1.2) с учетом того, что системы
WDM работают в 3-м окне прозрачности (λ=1550 нм, α=0,1 дБ/км, 
).
На рис. 2.2 представлена схема
организации связи в проектируемом кольце WDM.
3. Построение мультисервисной сети
NGN
Телекоммуникационная сеть
последующего поколения (Next Generation Network - сеть NGN<#"697769.files/image043.gif">
Рисунок 3.1 - Обобщенная схема сети NGN
В настоящее время проблема перехода от
традиционных сетей с коммутацией каналов к сетям с коммутацией пакетов (NGN)
является одной из наиболее актуальных для операторов связи. Перспективные
разработки в области IP-коммуникаций связаны с созданием комплексных решений,
позволяющих при развитии сетей следующего поколения сохранять существующие
подключения и обеспечить бесперебойную работу в любой сети телефонного доступа:
на инфраструктуре медных пар, по оптическим каналам, на беспроводной (WiMAX,
WiFi) и проводной (ETTH, PLC и т. д.) сети. Согласно концепции "неразрушающего"
перехода к NGN, подобные решения должны позволять точечно переводить отдельные
сегменты на новые технологии без кардинальной смены всей структуры сети. В
частности, решения для "неразрушающего" перехода к NGN должны
отвечать следующим требованиям:
· интеграция в существующую сеть
оператора, поддержка не только новой транспортной технологии, но и привычной
модели управления;
· полностью модульная архитектура с
возможностями географического распределения и резервирования;
· возможность гибкого увеличения
производительности путем приобретения лицензий и добавления в систему серверов;
· возможность внедрения новых видов
услуг в минимальные сроки;
· соответствие требованиям
законодательства об архитектуре сети.
Заключение
В данном курсовом проекте была разработана
телекоммуникационная сеть с использованием современных технологий.
Были рассчитаны параметры кольца SDH и
организована соответствующая защита от аварийных ситуаций в этом кольце, а
именно представлены мультиплексные планы в нормальном режиме и режиме обрыва на
секции, указанной в исходных данных данного курсового проекта.
Мы провели модернизацию сети SDH путем внедрения
технологий WDM. Так же описали организацию защиты в кольце WDM и выбрали
необходимое оборудование WDM производства фирмы Acatel согласно рассчитанному
количеству длин волн и ширине полосы частот каждого ОК.
Так же были описаны основные принципы
построения, характеристики и возможности Сетей Следующего Поколения (NGN).