Разработка микропроцессорной системы

  • Вид работы:
    Курсовая работа (т)
  • Предмет:
    Информационное обеспечение, программирование
  • Язык:
    Русский
    ,
    Формат файла:
    MS Word
    1,73 Мб
  • Опубликовано:
    2012-10-17
Вы можете узнать стоимость помощи в написании студенческой работы.
Помощь в написании работы, которую точно примут!

Разработка микропроцессорной системы

Введение


Микропроцессор (МП) представляет собой функционально завершенное универсальное программно-управляемое устройство цифровой обработки данных, выполненное в виде одной или нескольких БИС или СБИС.

Микропроцессорные БИС и СБИС образуют новый класс микросхем, одной из основных особенностей которого является возможность программного управления работой БИС с помощью определенного набора команд. Программно-аппаратный принцип построения МПС является одним из основных принципов их организации и заключается в том, что реализация целевого назначения МПС достигается не только аппаратными средствами, но и с помощью программного обеспечения - организованного набора программ и данных.

При разработке МПС необходимо принимать во внимание большое число особенностей МП и микропроцессорных комплектов БИС: технологических, конструктивных, временных, энергетических, эксплуатационных, функциональных и др. Функциональные особенности характеризуют логическую организацию МП и микропроцессорных БИС, принципы их построения, использования и взаимодействия. Они являются основными, так как определяют прибор как функциональный элемент МПС, раскрывают его потенциальные возможности логической и арифметической обработки информации.

В данном проекте рассматривается процесс проектирования микропроцессорной системы на базе микропроцессора Itanium2.

1. Техническое задание и его анализ


Разработать МПС с датчиками и органами управления устройством ввода-вывода (принтер) на базе микропроцессора Itanium 2.

Таблица 1 - Параметры используемых датчиков и УВВ

№ варианта

Количество датчиков

Частота

Внешнее устройство

7

11

100 КГц

Принтер


14

400 КГц



12

1 МГц



9

1,5 МГц



Анализируя поставленные задачи, можно сделать следующие выводы:

1.     В проектируемой МПС требуется организовать обмен данными с внешним устройством вывода, в качестве которого используется принтер.

2.       Анализ функционирования устройства ввода-вывода показывает относительно небольшой объем данных, поступающих в МПС. Это необходимо учесть при выборе устройств хранения данных, проектировании адресного пространства, при выборе микропроцессора и системной шины.

2. Основные этапы проектирования МПС


При проектировании МПС приходится принимать во внимание большое число особенностей МП и микропроцессорных комплектов: технологических, конструктивных, временных, энергетических, эксплуатационных, функциональных и др. МПС по своей сложности, требованиям и функциям могут значительно отличаться эксплуатационными параметрами, объемом программных средств, типом микропроцессорного набора и т.д. В связи с этим процесс проектирования может видоизменяться в зависимости от требований, предъявляемых к системе.

В настоящее время в процессе проектирования микропроцессорных систем можно выделить следующие этапы:

1.       Разработка и согласование технического задания (ТЗ). На этом этапе необходимо разработать задание на разрабатываемую систему, согласовать задание с принимающей стороной, максимально полно описать требуемый функционал системы, для этого необходимо представлять конечный продукт проектирования, учитывая не только тактико-технические характеристики, но и условия эксплуатации.

2.       Системный этап проектирования. На данном этапе, исходя из полученного ранее ТЗ и функционального назначения проектируемой системы, решаются общесистемные задачи по выделению функциональных блоков (модулей), структурных связей между ними и с внешней средой (внешними устройствами). На данном этапе выбирают МПК. На основании выбора МПК разрабатывается структурная схема МПС.

.        Выбор элементной базы МПК. Выбор элементной базы является одним из главных вопросов проектирования МПС, так как она определяет основные тактико-технические характеристики проектируемой МПС.

.        Разработка и отладка аппаратных средств проектируемой МПС и ее программной составляющей. С целью унификации МПС используется типовая структура, но при необходимости разрабатываются и нестандартные средства. Разрабатываются адаптеры или контроллеры ввода/вывода, аппаратные средства отладки и диагностические программные средства отладки.

.        Разработка и отладка диагностирующих и тестирующих средств проектируемой МПС. В случае разработки МПС типовой структуры можно воспользоваться стандартными средствами диагностики и тестирования. В некоторых случаях рационально разработать нестандартное программное обеспечение диагностики и тестирования. Если МПС не стандартна, то необходимо предусматривать как аппаратные, так и программные средства диагностики.

.        Комплексная отладка системы в целом. Данный этап завершает процесс разработки МПС. Если МПС стандартна, то проверяется ее функционирование в условиях, близких к реальным. Если МПС нестандартна, то предварительно разрабатывают макет либо математическую или программную модель. По завершению комплексной отладки изделие отправляют на эксплуатацию.

.        Разработка документации и руководств пользователя.

3. Выбор микропроцессора и разработка архитектуры МПС


Структуру МПС целесообразно представить как набор одноканальных систем преобразования, осуществляющих параллельное преобразование сигналов от датчиков с помощью отдельных вычислительных преобразователей-адаптеров.

Рисунок 1 - Структура МПС

Микропроцессор - это центральный блок персонального компьютера, предназначенный для управления работой всех остальных блоков и выполнения арифметических и логических операций над информацией.

Основные действия микропроцессора:

. Управляет выполнением команд;

. Осуществляет обмен информацией с внешними устройствами;

. Управляет внешними устройствами в комплексе.

Архитектура типового микропроцессора представлена на рисунке 2

Рисунок 2 - Архитектура типового микропроцессора

Основные узлы микропроцессора:

1. Арифметико-логическое устройство предназначено для выполнения всех арифметических и логических операций над числовой и символьной информацией.

. Устройство управления координирует взаимодействие различных частей компьютера. Выполняет следующие основные функции.

. Микропроцессорная память предназначена для кратковременного хранения, записи и выдачи информации, используемой в вычислениях непосредственно в ближайшие такты работы машины. Микропроцессорная память строится на регистрах и используется для обеспечения высокого быстродействия компьютера, так как основная память не всегда обеспечивает скорость записи, поиска и считывания информации, необходимую для эффективной работы быстродействующего микропроцессора.

. Интерфейсная система микропроцессора предназначена для связи с другими устройствами компьютера. Включает в себя:

внутренний интерфейс микропроцессора;

буферные запоминающие регистры;

схемы управления портами ввода-вывода и системной шиной. (Порт ввода-вывода - это аппаратура сопряжения, позволяющая подключить к микропроцессору, другое устройство.)

Все микропроцессоры можно разделить на группы:

·        Микропроцессоры типа CISC (Complex Instruction Set Computer) с полным набором системы команд. Эту архитектуру характеризует большое количество сложных инструкций, и как следствие сложное устройство управления <#"577310.files/image003.gif">

Рисунок 3 - Внутренняя архитектура Itanium 2

Конвейер в Itanium 2 состоит из 8 этапов, способен за один такт обрабатывать до 6 инструкций и реализует концепцию EPIC (Explicitly Parallel Instruction Computing - явное параллельное выполнение команд).

Основными особенностями EPIC являются:

-   большое количество регистров;

    масштабируемость по количеству функциональных устройств (возможность увеличения числа функциональных устройств в последующих моделях микропроцессора);

    явное задание параллелизма в машинном коде;

    предикатное исполнение инструкций;

    упреждающая загрузка данных по предположению.

Основные функциональные компоненты МП:

·    6 целочисленных АЛУ;

·              6 мультимедийных АЛУ;

·              2 вещественные арифметические устройства увеличенной точности;

·              2 дополнительных вещественных арифметических устройств обычной точности;

·              2 устройства чтения;

·              2 устройства записи;

·              3 устройства ветвления.

Инструкции для этих устройств организуются в связки по три инструкции. Каждой связке соответствует шаблон-индикатор, предоставляемый компилятором, в котором содержится информация о том, какого типа инструкции используются.

Число регистров, в которых размещаются данные для непосредственной обработки их процессором, свыше трехсот. Большое их количество позволяет избежать дефицита регистров при параллельной обработке многих команд. Кроме того, в процессоре Intel Itanium 2 реализованы такие механизмы повышения эффективности работы, как стек и переименование регистров.

Регистры Intel Itanium 2:

•    128 регистров общего назначения;

•           128 регистров с плавающей запятой;

•           64 регистра предикатов;

•           8 регистров перехода.

Кэш - быстродействующая внутренняя память процессора - используется для динамического хранения кода и данных, задействованных в вычислениях в текущий момент. Загрузка часто используемых данных и фрагментов кода в кэш позволяет существенно поднять производительность. Доступ к кэшу в несколько раз быстрее, чем к «медленной» оперативной памяти, и составляет 48 Гб/с.

Процессор Intel Itanium 2 с объемом кэш-памяти 3 уровня 9 МБ оптимизирован для выполнения требовательных корпоративных и научно-технических приложений. Платформы на базе процессоров Intel Itanium 2 позволяют компаниям и организациям получить максимальную отдачу от своих инвестиций, обеспечивая передовые показатели производительности при снижении затрат и предоставляя более широкий выбор конфигураций, по сравнению с закрытыми RISC-технологиями. Процессор Intel Itanium 2 с кэш-памятью объемом 9 МБ предназначен для работы с ответственными приложениями корпоративной среды, включающих обработку больших баз данных, высокопроизводительные вычисления и анализ значительных объемов информации. Дополняющие линейку выпускаемой продукции процессоры Intel Itanium 2 с тактовой частотой 1,60 ГГц и кэш-памятью 3 уровня объемом 3 МБ и процессоры Intel Itanium 2 с пониженным энергопотреблением оптимизированы для двухпроцессорных систем, используемых для научно-технических вычислений и выполнения корпоративных приложений клиентского уровня.

 

.2 Структурные особенности МП Itanium 2


Архитектура IA-64, лежащая в основе процессоров Itanium и Itanium 2, разрабатывалась совместно компаниями Intel и Hewlett Packard. Основана на VLIW <#"577310.files/image004.gif">

Рисунок 4 - Структура МПС

Данная структура МПС строится на базе отдельного модуля вычислительного преобразователя (ВП), формирующего результат в цифровой форме с выполнением операций управления коммутацией.

Так как в конкретный момент времени коммутатор подключает только один датчик, то обработка ведется также последовательно. Поэтому в данном варианте происходит потеря производительности в целом.

4.1 Выбор элементной базы памяти


В качестве элементной базы памяти была выбрана DDR200 SDRAM.

Одной из основных причин выгодности использования двухканальной DDR200 SDRAM в паре с Itanium 2 с 400-мегагерцовой шиной является соответствие пропускных способностей. 128-битная шина Itanium 2, работающая с частотой 400 МГц, обеспечивает пропускную способность 6,4 Гбайта в секунду. Два канала DDR200 SDRAM дают в сумме такую же пропускную способность. Именно поэтому можно утверждать, что двухканальная DDR200 является оптимальной подсистемой памяти для новых Itanium 2 с 400-мегагерцовой шиной.SDRAM (от англ. Double Data Rate Synchronous Dynamic Random Access Memory - синхронная динамическая память с произвольным доступом и удвоенной скоростью передачи данных) - тип компьютерной памяти используемой в вычислительной технике в качестве оперативной и видеопамяти. Пришла на смену памяти типа SDRAM.

При использовании DDR SDRAM достигается удвоенная скорость работы, нежели в SDRAM, за счёт считывания команд и данных не только по фронту, как в SDRAM, но и по спаду тактового сигнала. За счёт этого удваивается скорость передачи данных без увеличения частоты тактового сигнала шины памяти. Таким образом, при работе DDR на частоте 100 МГц мы получим эффективную частоту 200 МГц (при сравнении с аналогом SDR SDRAM).

Ширина шины памяти составляет 64 бита, то есть по шине за один такт одновременно передаётся 8 байт. В результате можно получить следующую формулу для расчёта максимальной скорости передачи для заданного типа памяти: тактовая частота шины памяти x2 (передача данных дважды за такт) x8 (число байтов передающихся за один такт). Например, чтобы обеспечить передачу данных дважды за такт, используется специальная архитектура «2n Prefetch». Внутренняя шина данных имеет ширину в два раза больше внешней. При передаче данных сначала передаётся первая половина шины данных по фронту тактового сигнала, а затем вторая половина шины данных по спаду.

Помимо удвоенной передачи данных, DDR SDRAM имеет несколько других принципиальных (в основном технологических отличий от простой памяти SDRAM.

5. Проектирование подсистемы памяти на базе Itanium 2

 

.1 Общие сведения


-х разрядные МП поддерживают обработку и передачу данных в трех вариантах: 8-, 16-, 32-разрядные.

ПЭВМ являются универсальными, поэтому должны обеспечивать все три варианта обработки данных, а специализированные ЭВМ должны быть ориентированы на заданные ШД.

 

.2 Структура 64-битной подсистемы памяти


Шина Itanium 2 ориентирована на достижение максимальной производительности. Шина данных стала 128-битовой для повышения производительности обмена с памятью. Возможность динамического управления разрядностью шины изъята, согласование по разрядности с интерфейсными шинами возложено на микросхемы чипсета.

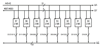
Выборка байта банка осуществляется при помощи сигналов #BE0 -BE7.

При этом 64-х битное содержание 8-ми битной секции S0-S7, подключенной к шине данных D127-D0 через линии D15-D0, D31-D16, D47-D32, D63-D48, D79-D64, D95-D80, D111-D96, D127-D112 показано соответственно на рисунке 5.

Рисунок 5 - Структура 64-х битной подсистемы памяти емкостью 16 Мбайт

В зависимости от размещения данных в 64-х битной памяти для их передачи используется до двух циклов шин. При этом справедливо следующее представление данных (рисунок 6).

Рисунок 6 - Представление данных в подпрограмме памяти-64

 

.3 Повышение быстродействия памяти


Несмотря на технологическое совершенствование, память остается проблемным местом МПС, так как имеет заметно меньшую производительность относительно процессорных устройств. В связи с этим используются различные приемы повышения быстродействия памяти:

1.   Страничная организация или странично-столбцевая организация памяти.

2.       Расслоение памяти (интерливинг).

.        Одновременное использование 1-го и 2-го метода в определенном сочетании.

.        Кэширование памяти.

.        Многоуровневое кэширование.

Для разрабатываемой МПС оптимально использовать странично-столбцевую организацию памяти. Память с такой организацией в процессе считывания сохраняет постоянным адрес строки (равный адресу страницы), поэтому при обращении к одной и той же странице адрес строки или страницы не меняется, а меняется только адрес столбца. Указанный метод сокращает время обращения примерно на 30 %.

микропроцессор интерфейс itanium

Рисунок 7 - Временные диаграммы для странично-столбцевой организации памяти

 

.5 Расчёт информативности и необходимых объёмов ЗУ


Информативность определяется по формуле:


где Fi - частота i-го датчика, Ni - количество датчиков i-го типа, 64 - разрядность шины данных для процессора Itanium 2.

Отсюда:

I = (11*100000 + 14*400000 + 12*1000000 + 9*1500000 ) * 64 = 20608* 105 (бит) = 246 (Мбайт).

Тогда карта памяти будет иметь вид

Рисунок 8 - Карта памяти

Определим число старших разрядов.

Для ПЗУ2 = 4 Кб = 212 нужны адреса А11-А0 - адрес байта;

Для ОЗУ1 = 256 Мб = 228 нужны адреса А27-А0 - адрес байта;

Для ОЗУ2 = 1 Мб = 220 нужны адреса А19-А0 - адрес байта;

Для ПЗУ1 = 2 Кб = 211 нужны адреса А10-А0 - адрес байта;

Эти данные необходимы для распределения адресов ОЗУ и ПЗУ, которые сводятся в таблицу:

Таблица 5 - Данные, необходимые для распределения адресов ОЗУ и ПЗУ


На основании данной таблицы переходим к выбору селекции (частичной или полной).

 

.6 Селекция адресов памяти


Частичная селекция представляет собой выбор модулей частью разрядов адреса. Количество этих разрядов будет определяться количеством модулей, подлежащих селекции.

Частичная селекция имеет следующие достоинства: малые аппаратные средства для реализации селекции. Существуют и недостатки: неэффективное использование адресного пространства; возможны случаи случайного попадания адресов в имеющееся пространство, в котором отсутствует физическая память, значит, с точки зрения надежности проектируемой системы лучше использовать полную селекцию адреса.

Частичная селекция осуществляется 2-мя разрядами 29 и 28, а для полной селекции модулей памяти используются все биты адреса А49-А11, поэтому реализуем частичную селекцию на базе И-НЕ (NAND), тогда принципиальная схема с учетом таблицы будет иметь вид (рисунок 9).

Рисунок 9 - Схема частичной селекции адреса

6. Проектирование подсистемы ввода/вывода

 

.1 Особенности интерфейса микропроцессорных систем


При проектировании микропроцессорных систем обязательными элементами являются периферийные устройства. В качестве периферийных устройств обычно выступают:

·    модемы;

·        принтеры;

·        датчики;

·        дисплеи;

·        устройства управления и др.

Для подключения периферийных устройств к МПС используются специализированые и универсальные устройства ввода/вывода (АЦП, ЦАП, специальные пульты управления, индикаторы и преобразователи различных форм информации). В качестве специализированных устройств, как правило, используются контроллеры и интерфейсы.

Под вводом/выводом понимается любой обмен словами данных между МПС и УВВ. Он осуществляется интерфейсом ввода/вывода. В качестве интерфейса ввода/вывода могут быть использованы регистры, шинные формирователи, специальные интерфейсы БИС. Для физической организации ввода/вывода каждое УВВ подключается через системную шину и контроллеры/адаптеры периферийных устройств.

Рисунок 10 - Общая схема подключения УВВ к МПС

В данной работе по заданию в качестве устройств ввода необходимо использовать датчики с 4-мя типами частот, а в качестве устройства вывода - принтер.

Контроллеры выполняются в виде кристаллов, которые входят в состав микропроцессорного комплекта. В некоторых случаях для согласования по скорости передачи данных используется дополнительная буферная память для накопления и временного хранения информации.

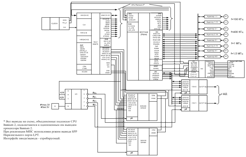
В нашем случае для сопряжения внешних устройств и памяти с процессором будем использовать набор микросхем Intel® Е8870. К основным характеристикам чипсета Intel 8870 относятся:

·    400 МГц, 128-разрядная системная шина, что обеспечивает высокую скорость передачи данных - до 6,4 Гбайт/с,

·              Очень большой объем оперативной памяти - концентратор DMH предоставляет в сумме 32 разъема для установки памяти на каждый процессорный узел, максимальный объем - 128 Гбайт (с 4 DDR Memory Hubs),

·              Два высокопропускных масштабируемых порта,

·              Четыре соединения интерфейса Hub Interface 2.0 с пропускной способностью 1 Гбайт/с на каждое соединение, что позволяет использовать до четырех 64-разрядных контроллера PCI/PCI-X (P64H2) с интерфейсом HI 2.0,

·              Механизм предзагрузки данных и встроенная кэш-память системы ввода/вывода,

·              Поддержка высокопроизводительного моста PCI/PCI-X - поддержка всех устройств ввода/вывода PCI/PCI-X I/O, начиная от устаревших PCI и заканчивая высокопроизводительными PCI-X на частоте 133 МГц (каждый контроллер P64H2 содержит два независимых 64-разрядных канала PCI-X с максимальной частотой 133 МГц).

Кроме того, комбинация таких характеристик, как модули "hot-plug" для процессора и памяти, обнаружение и коррекция ошибок, восстановление сбоев устройств памяти (MDFR), резервные пути ввода/вывода и ведение журнала записи ошибок, предоставляет более надежную платформу, уменьшает время простоев для ремонта и обеспечивает целостность передачи данных по всем соединениям и шинам.

Набор серверной логики E8870 представляет собой модульную многоуровневую архитектуру, которая может состоять из следующих компонентов: Intel E8870IO (SIOH), Intel E8870 (SNC), Intel E8870DH (DMH), Intel 82870P2 PCI/PCI-X (P64H2), Intel 82801DB (ICH4).- Scalable Node Controller (SNC) - основной компонент набора, отвечающийза формирование процессорных шин и связь со всеми остальными модулями чипсета. Процессорная шина имеет ширину 128-bit при частоте 400 MHz, что позволяет, учитывая ее двунаправленность, оценивать пиковую теоретическую пропускную способность весьма внушительной цифрой - 6,4 GBps.DH - DDR Memory Hub (DMH) -- четырехканальный (256-битный) контроллерпамяти, поддерживающий только регистровые модули DDR200 с коррекцией ошибок (на практике это означает, что необходимое для работоспособности системы количество модулей памяти кратно двум).

Пропускная способность соответственно составляет все те же 6,4 GBps.IO Server Input/Output Hub (SIOH) - главный чип, отвечающий за взаимодействие четырех интерфейсных хабов с основным контроллером SNC с помощью портов Scalability Ports (SP). Теоретическая пропускная способность этого соединения также составляет 6,4 GBps. Кроме того, посредством данного модуля осуществляется взаимодействие с хабом вспомогательных интерфейсов ICH4, хорошо знакомым нам по десктопным решениям. Сделано это для получения возможности подключения к системе обычных IDE/PCI-устройств и различной периферии с помощью шины USB.

82870P2 - 64-bit PCI/PCI-X Controller Hub 2 (P64H2). Число таких контроллеров может доходить до четырех. Каждый из них содержит две независимые 64-битные шины PCI-X с тактовой частотой вплоть до 133 MHz. В случае применения четырех P64H2 теоретически в систему допустимо установить восемь PCI-X устройств, каждому из которых будет выделена полоса пропускания, равная 1066 MBps. P64H2 соединяется с E8870IO шиной с пропускной способностью 1 GBps.

Рисунок 11 - Типичная структура сервера, созданного на основе чипсета Intel 8870

Принтер подключается через параллельный порт LPT к контролеру ввода/вывода (англ. Super I/O или SIO). Сам контроллер подключается к E8870IO Server Input/Output Hub (SIOH) через интерфейс LPC. Типичное подключение контроллера ввода/вывода показано на рисунке 12.

Рисунок 12 - Типичное подключение устройств к шине LPC

В качестве порта LTP используется 25-контактный разъём DB-25 (IEEE 1284-A) на материнской плате (рисунок 13).

Рисунок 16 - 25-контактный разъём DB-25

На периферийных устройствах обычно используется 36-контактный разъём Centronics (IEEE 1284-B) (рисунок 14), поэтому кабели для подключения периферийных устройств по параллельному порту обычно выполняются с 25-контактным разъёмом DB-25-male на одной стороне и 36-контактным IEEE 1284-B на другой (AB-кабель).

Рисунок 14 - Кабельный 36-контактный разъём Centronics для подключения внешнего устройства.

Схема подключения принтера показана на рисунке 15.

Рисунок 15 - Схема подключения принтера

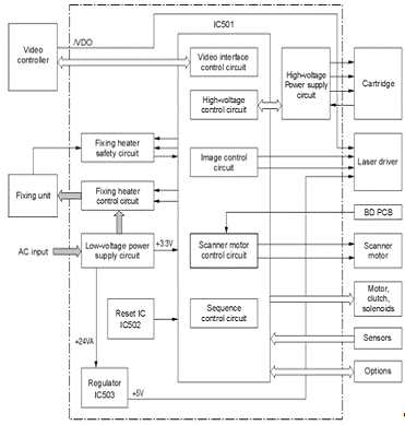
В качестве периферийного устройства (принтера) был выбран принтер Cannon LBP 1760. Блок схема которого представлена на рисунке 16.

Рисунок 16 - Блок схема принтера Cannon LBP 1760

С точки зрения программиста интерфейсная БИС, а следовательно и контроллер УВВ, представляет собой набор 8-ми, 16-ти и 32-х битных регистров ВВ, т.е. портов ВВ. Через эти порты УВВ контактирует с МП и памятью. По своему функциональному назначению в каждой интерфейсной БИС выделяют 3 вида портов:

· порты для буферирования данных;

·        порты для хранения слов состояния УВВ, которые может проверять МП в соответствии с программой работы данного устройства;

·        порты для хранения управляющих слов, поступающих с УВВ на МП.

Каждый из этих портов, входящих в состав контроллера должен иметь свой уникальный адрес. Множество этих портов образует адресное пространство ввода или вывода или интерфейсную карту. Для распознавания адресов при подключении различных УВВ используются следующие схемы - схемы селекция портов ВВ.

Упрощённая (без указания неиспользуемых выводов) электрическая принципиальная схема подключения компонентов МПС приведена в приложении.

Контролер ввода/вывода.

Super I/O (дословно: контроллер ввода/вывода; в технической литературе обозначают как «контроллер I/O») это название было дано классу контроллеров, которые начали использоваться на материнских платах персональных компьютеров позже 1980 года. Контроллер I/O объединяет интерфейсы различных низкочастотных устройств. Как правило, включает в себя следующие функции:

§  контроллер дисковода флоппи;

§   параллельный порт (LPT) (обычно используется для принтеров);

§   один или более последовательных (COM) портов;

§   интерфейс мыши;

§   интерфейс клавиатуры.

Контроллер I/O также может включать в себя и другие интерфейсы, такие как игровой (MIDI или джойстик) или инфракрасный порты. Благодаря сочетанию многих функций в одной микросхеме, уменьшилось число контроллеров на материнской плате, и таким образом, уменьшилась и её стоимость.

Изначально контроллеры I/O связывались с процессором (CPU) через ISA шину. Впоследствии вместо ISA шины стала использоваться шина PCI, но часто одной из причин включения ISA шины в материнскую плату был контроллер I/O. Современные контроллеры I/O для связи с CPU используют шину LPC (Low Pin Count) (рисунок 17) вместо шины ISA. Интерфейс шины LPC предоставляет южный мост материнской платы.

Рисунок 17 - схема интерфейса LPC

 

.2 Селекция портов ввода/вывода


Сигналы селекции портов или интерфейсных БИС могут осуществляться несколькими способами:

·  С помощью селектора адреса;

·        С помощью дешифратора;

·        Селекция портов или интерфейсных БИС, содержащих встроенный дешифратор;

6.3 Стробируемый вывод данных


Структура стробируемого ввода представлена на рисунке 18.

Рисунок 18 - Адаптер стробируемого вывода

МП читает состояние  по линии D7. Если =1 установлен перед началом обмена, то МП с помощью команды OUT передает из МП данные в буферный регистр. При этом сигнал #Зп ВУ сбросит  в 0. Сигнал =0 как сигнал «подтверждения записи» передается в УВВ. Получив его, УВВ считывает данные с буферного регистра во внутренние регистры УВВ. При этом «строб записи» устанавливает  в 1, которая сообщает МП, что он может передавать следующую порцию данных.

7. Практическая часть


В качестве проверки работы МПС разработаем программу на ассемблере, которая выполняет распечатку на принтере введённой строки.

.MODEL SMALL

.STACK 100h

.DATA_STRING_LENGTH EQU 1000DB MAXIMUM_STRING_LENGTH DUP (?)DB MAXIMUM_STRING_LENGTH DUP (?)

.CODEax,@Datads,ax

mov ah,3fh ; функция чтения вводаbx,0 ; описатель стандартного вводаcx,MAXIMUM_STRING_LENGTH ; считать до максимального числа символов

mov dx,OFFSET StringToR ; сохранить строку21h получить строкуax,ax ; были считаны символы?Done ; нет, конецcx,ax ; поместить длину строки в регистр СХ, который можно

; использовать, как счетчикcx ; сохранить в стеке длину

; строкиbx,OFFSET StringToRsi,OFFSET RString si,cxsi ; указывает на конец буфера строки:al,[bx] ; получить следующий символ[si],al ; сохранить символы в обратном порядкеbx ; указатель на следующий символsi ; указатель на предыдущую ячейку bufferRLoop ; переместить следующий символ, если он имеетсяcx ; извлечь длину строкиax,40h ; функция записиbx,4 ; описатель принтера

mov dx,OFFSET RString ; напечатать строку

Done:ah,4ch ; функция завершения программы21h ; завершить программу

Заключение


В результате выполнения данного курсового проекта была разработана структура МПС на базе процессора Itanium 2. Были рассмотрены и изучены типа и структуры памяти, методы повышения быстродействия памяти, основные блоки и архитектура процессора Itanium 2, рассмотрен контроллер для работы с периферийным устройством - принтерном.

В ходе проектирования были получены теоретические сведения о структуре МПС, современных микропроцессорах и типах памяти и, а также приобретены практические навыки по проектированию подсистемы памяти и МПС в целом.

В ходе выполнения была разработана МПС, удовлетворяющая указанным требованиям.

Библиографический список


1.   Микропроцессорные системы: Учебное пособие/ Костров Б. В., Локтюхин В. Н., Ручкин В. Н.; Москва, 2005г, 208стр.

2.       Микропроцессорные системы: Методическое указание к курсовому проекту/ В.Н. Ручкин, Рязань, 2009.-24с.

.        Микропроцессоры Intel. Архитектура, программирование, интерфейсы. / Б. Брей - С-П «Бхв-Перербург», 2005 г. - 1328с.

.        Микропроцессорные системы: Учебное пособие для вузов\Е.К. Александров, Р.И. Грушвицкий, М.С.Куприянов; Под общ. Ред. Д.В. Пузанкова. - СПб.: Политехника, 2002 - 935с.

 

Приложение А


Рисунок А1 - Принципиальная схема разработанной в ходе выполнения работы МПС

Рисунок А2 - Электрическая принципиальная схема принтера Canon LBP 1760

Похожие работы на - Разработка микропроцессорной системы

 

Не нашли материал для своей работы?
Поможем написать уникальную работу
Без плагиата!
Без нейросетей!