|
Объйм внутренней памяти программ, байт
|
Тип памяти программ
|
Объём внутренней памяти данных, байт
|
Максимальная частота следования тактовых сигналов, МГц
|
Ток потребления, мА
|
|
4К
|
ППЗУ
|
128
|
12
|
220
|
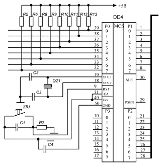
1.4 Разработка
принципиальной схемы МПС
Разработка блока
микроконтроллера
Согласно задания на курсовой проект
в качестве МК используется МК семейства MCS-51. Для работы МК семейства MCS-51
необходимо:
подключить времязадающую цепь для
работы внутреннего тактового генератора;
обеспечить сброс при включении
электропитания;
подключить память программ
(внутреннюю или внешнюю);
Типовая схема подключения МК
семейства MCS-51 представлена на рисунке 1.4.1
Рисунок 1.4.1 Типовая схема
подключения МК семейства MCS-51
Для обеспечения генерации тактовой
частоты ко входам XTAL1, XTAL2 подключен кварцевый генератор. Для обеспечения
запуска внутреннего генератора применяют конденсаторы С2 и С3.
Для фильтрации высокочастотных
помех, возникающих на выводах источника питания применяют конденсатор С4.
Для разрешения работы внутренней
памяти программ на вход ЕА подан высокий уровень напряжения. Для сброса МК при
подаче питания используют цепочку C1R1.
Для выполнения сброса используют
кнопку SB1. К выводам порта Р0 подключены «подтягивающие» резисторы, которые
обеспечивают ток микросхем DTL, подключенные к этому порту. Порты Р1, Р2, Р3
имеют внутренние подтягивающие резисторы.
Параметры элементов в подключении к
микроконтроллеру являются типовой схемой и рассчёту не подлежат. Согласно [1]
выбираем резисторы и конденсаторы:7 МЛТ-0.125-8.2 кОм +5%5-6-R8-13
МЛТ-0.125-4.7 кОм +5%1 К50-31-40В-10мкФ+20%2-3
КТ4-21-100В-20пФ+20%4 К53-30В-0.1мкФ+20%- К155ИМ1-РК
442-9 МГц-кнопка 1
Разработка блока
сопряжения
Для подключения проверяемой
микросхемы типа DIP-14 используют разъём (сокет) XS1. Выводы разъёма подключены
к линиям порта Р1 и Р2. Принципиальная схема блока сопряжения представлена на
рисунке 1.4.2
Рисунок 1.4.2 Принципиальная схема
блока сопряжения
Согласно задания на курсовой проект
в качестве тестируемой ИМС используем цифровую микросхему К155ИМ1. Условное
обозначение и цоколевка ИМС представлена на рисунке 1.4.3 [2]
Рисунок 1.4.3 Условное обозначение и
цоколевка ИМС К155ИМ1
Питание микросхемы осуществляется
при помощи электронного ключа на основе транзистора VT1. Ключ
управляется от линии порта Р3.2 микроконтроллера. При Р3.2=0 ключ открыт и
подается напряжение питания. При Р3.2=1 питание отключено, ключ закрыт.
Выбираем транзистор VT1
исходя из максимального потребляемого тока логической ИМС, который равен
Iпот=35мА.
Выбираем транзистор,имеющий
параметры:к max = 150мА; Uкэ max = 25В; Uкэ нас
= 0.6В; Рк max = 350мВт; h21Э = 120.
Максимальный необходимый ток базы
транзистора равен
(1)
Электронный ключ управляется
низким уровнем напряжения на выводе порта Р3.2. проверяем возможность
управления транзистором от микроконтроллера.
(2)
Задаваясь током управления и выходе
I0вых Р3 = 1мА определяем сопротивление токоограничительного
резистора.
, (3)
где Uбэ нас =
0.4 В - напряжение на базо-эммитерном переходе открытого транзистора.0вых
Р3 = 0.2 В - уровень выходного напряжения логического «0» порта
микроконтроллера.
Выбираем из стандартного
ряда Е24 значение сопротивления R=4.3кОм.
Согласно [1] выбираем
резистор R22,23 - МЛТ-0.125-4.3кОм+5%. Резистор R23
служит для надежного отпирания и запирания транзистора.
Разработка блока
индикации ошибок
Блок индикации выполнен
на основе светодиодной индикации и отображает основные режимы
микроконтроллерной системы.
Назначение сигналов
блока индикации:
«готов» - индикатор
загорается при включении питания МК устройства и гаснет при нажатии кнопки
тест.
«норма» - индикатор
загарается при правильном прохождении диагностического теста.
«ошибка» - индикатор
загорается при неправильном прохождении диагностического теста.
Индикаторы управляются
от линии порта Р3.5-Р3.7. в качестве индикаторов используют светодиоды типа
Ал307Б.
Параметры светодиодов:
Цвет свечения - красный;
Максимальное рбратное
напряжение на светодиоде - 2 В;
Средний прямой ток через
светодиод - 10 мА;
Прямое падение
напряжения на светодиоде - 2 В.
Для обеспечения тока
светодиода используем усилительный элемент на основе инвертора К155ЛН3, для которого
I0вых= 40 мА.
Принципиальная схема
блока индикации ошибок представлена на рисунке 1.4.4
Рисунок 1.4.4
Принципиальная схема блока индикации ошибок
Сопротивление
токоограничительных резисторов выбираем из условия
(4)
где
=
0.4 В - уровень напряжения лог «0» инвертора.
Выбираем из стандартного
ряда значений Е24 величину сопротивления 270 Ом. Согласно [1] выбираем резистор
R2-4 - МЛТ-0.125-270Ом+5%.
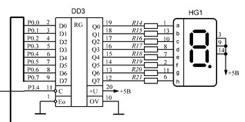
Разработка блока
цифровой индикации
Блок цифровой индикации
формирует номер строки диагностического теста в режиме ручного тестирования.
Для получения семисегментного кода, отображаемого на индикаторе, используем
програмную перекодировку.
В качестве индикатора
используем одноразрядный полупроводниковый семисегментный индикатор с общим
анодом типа АЛС321Б, имеющий параметры:
средний прямой ток через
один сегмент индикатора Iпр=20 мА;
прямое падение
напряжения на одном сегменте Uпр=3.6В.
Для обеспечения
обратного прямого тока индикатора используюем буферный регистр типа КР1533ИР33,
обладающий высокой нагрузочной способностью (I0вых=20мА).
Управление регистром
осуществляется по входу С от линий порта Р3.4. при высоком уровне сигнала С=1
триггеры регистра «прозрачны» и их выходы повторяют сигналы на входах, при
низком уровне сигнала С=0 триггеры защелкиваются, т.е. запоминают состояние
входа в этот момент, после этого сигналы на входах регистра могут иметь
произвольное значение.
Так управление
индикатором осуществляется уровнем логического «0» с выхода регистра, то на
вход регистра необходимо подавать инверсное значение данных с порта Р0
микроконтроллера для отображения их на индикаторе HG1.
Принципиальная схема
блока цифровой индикации изображена на рисунке 1.4.4
Рисунок 1.4.4
Принципиальная схема блока цифровой индикации
Токоограничительные
резисторы выбираем из условия

, (5)
где
=
0.4 В - напряжение логического «0» на выходе регистра.
Выбираем из стандартного
ряда значений Е24 сопротивление равное 51 Ом. Согласно [1] выбираем резисторы R14-21-МЛТ-0.125-51Ом+5%
Так как при програмной
перекодировке все линии порта Р0 заняты, то для подключения блока управления к
линиям этого же порта необходимо применить дополнительный буферный регистр.
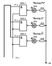
Разработка блока
индикации состояний
Блок предназначен для
отображения в двоичном коде выходных сигналов тестируемой ИМС в режиме ручного
тестирования. В качестве индикаторов используем полупроводниковые светодиоды
типа Ал307Б. для обеспечения среднего прямого тока, протекающего через светодио
и управления режимом работы светодиода используем буферный логический элемент
типа К555ЛА13 - элемент 2И-НЕ с открытым коллектором (I0вых=28мА).
Принципиальная схема
блока индикации состояний представлена на рис. 1.4.5
Рисунок 1.4.5
Принципиальная схема блока индикации состояний
Управление индикацией осуществляется
по линии порта Р3.1. при высоком уровне сигнала Р3.1=1 на выходе логических
элементов формируется напряжение низкого уровня и на индикаторах отображается
значение выходных сигналов тестируемой ИМС. При низком уровне Р3.1=0. Значение
сопротивления токоограничительных резисторов выбираем из условия
, (6)
где
=
0.4 В - уровень напряжения логического «0» на выходе логического элемента.
Из стандартного ряда
значений Е24 выбираем сопротивление R=270 Ом. Согласно [1] выбираем резистор R24-26-МЛТ-0.125-270Ом+5%
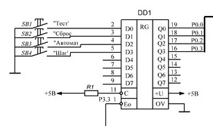
Расчёт блока управления
Блок управления
предназначен для выбора режима тестирования и управления работой ИМС. Блок
управления включает следующие устройства управления:
кнопка «тест» при
нажатии которой гаснет индикаторв готов и МК переходит в режим тестирования;
кнопка «сброс» после
нажатия которой происходит гашение индикаторов результата тестированя,
включается индикатор готов и проверяемую микросхему можно извлечь из сокета;
кнопка 2авт./ручн.»
предназначена для выбора режима тестирвования автоматический или ручной;
кнопка «шаг»
предназначена для ввода следующей строки диагностического теста.
Кроме этого к блоку
управления относится кнопка аппаратного сброса SBI-«сброс аппаратный».
Принципиальная схема
блока управления представлена на рисунке 1.4.6
Рисунок 1.4.6
Принципиальная схема блока управления
Схема предназначена для
програмной перекодировки и одного знакоместа цифрового дисплея.
Согласно [1] выбираем
резистор R1-МЛТ-0.125-4.7кОм+5%. Регистр управляется от линии
порта Р3.3 при низком уровне Р3.3=0 триггеры регистра «прозрачны», при высоком
уровне напряжения Р3.3=1 выходы регистра переходят в Z состояние.
1.5 Разработка блока
питания
Для питания схемы
необходим источник постоянного напряжения +5В. Определяем полный потребляемый
ток МКС на основании данных таблицы 1.6
Таблица 1.6 - Ток
потребления элементов МКС
|
Элемент
|
Количество
|
Iпот, мА
|
Итого, мА
|
|
К1816ВЕ751
|
1
|
220
|
220
|
|
КР1533ИР33
|
2
|
27
|
54
|
|
К555ЛА13
|
1
|
12
|
12
|
|
К155ЛН3
|
1
|
51
|
51
|
|
АЛ307Б
|
6
|
10
|
60
|
|
АЛС321Б
|
7
|
20
|
140
|
|
К155ИМ1
|
1
|
35
|
35
|
|
Итого:
|
572
|
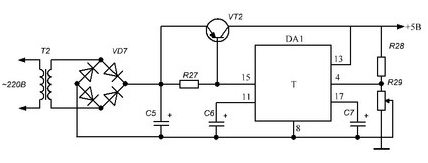
В качестве схемы стабилизатора
выбираем ИМС К142ЕН4. ИМС имеет защиту от перегрева и перегрузки по току.
Основные электричесике параметры
ИМС:вх min>9В; Uвых max<48В; Iвых
max<103мА; Кнс U<0.05%; Кнс
I<0.25%; Uвых=3..30В.
Принципиальная схема блока питания
представлена на рисунке 1.5.1
Рисунок 1.5.1 Принципиальная схема
блока питания
Рекомендуемые справочные значения
элементов:6=2.2мкФ; C7=4700нФ; R28=1.6кОм; R29=22кОм.
Для разгрузки ИМС используем
транзистор VT1, который выбираем из условия:
к max>Iпот=0.572А;
(7)кэ max>U0-U+5B=16.8-5=11.8В;
(8)
Рк max>Uкэ
max∙Iпот=16.8∙0.572=9.61Вт.
(9)
где U0-среднее
выпрямленное значение напряжения на входе стабилизатора.
U0=(U+5B+ Uвх
min)∙(1+Кн+Кп)=(9+5)∙(1+0.1+0.1)=16.8В (10)
Кн=0.1- коэффициент
нестабильности сети;
Кп=0.1 - коэффициент
пульсации на входе стабилизатора.
Выбираем транзистор КТ825Г, имеющий
параметры:k max=20A; Uкэ max=90В; Рк max=125Вт;
- h21Э=750…18000.
Сопротивление R27
выбираем из условия
вх=Iвых max∙ R27=0.7В; (11)
(12)
Принимаем из ряда Е24
ближайшее стандартное значение R27=3.6Ом.
В качестве выпрямителя
используем мостовую схему, для которой согласно справочных данных режимы работы
диодов определяется выражением.
0 обр=1.57∙16.8=26.4В; (13)ср
пр=0.5∙I0=0.5∙0.572=0.286А, (14)
где I0=Iпот=0.572Аср
max=1.57∙ I0=0,898А. (15)
Выбираем диод типа
КД242А, имеющий параметры:об max=100В; Iпр=10А; Iпр
max=10А; Uпр=1В.
В качестве фильтра на
выходе выпрямителя применяем емкость C1, значение ёмкости определяем
исходя из заданного коэффициента пульсации.
(16)
где
=7
мс - время разряда ёмкости при частоте 50 Гц и двухполупериодном выпрямлении.
(17)
эквивалентная нагрузка
на постоянном токе.
Выбираем ближайшее
стандартное значение из ряда Е24 С1=2200мкФ.
Согласно [1] выбираем
резисторы и конденсаторы:27-МЛТ-0.125-3.6Ом+5%;28-
МЛТ-0.125-1.6Ом+5%;29-СП3-19-0.25-30кОм;5-К50-25В-2200мкФ-+30%;
С6-К10-47В-25В-22мкФ+30%;
С7-
К10-47В-25В-4700нФ+30%.
Действующее значение
вторичного напряжения трансформатора равно:
, (18)
где
=1В
- прямое падение напряжения на диодах мостового выпрямителя.
Полная габаритная
мощность трансформатора при подключении мостового выпрямителя работающего на
емкостную нагрузку равна:
Т=1.66∙U0∙I0=1.66∙16.8∙0.8=22.2ВА. (19)
Действующее значение
тока вторичной обмотки при подключении мостового выпрямителя:
I2=1.11∙I0=0.64А. (20)
Выбираем стандартный
трансформатор из условиян>Sт=22.3ВА; U2н>U2=14.5В;
I2н>I2y=0.64А.
Согласно [1] выбираем
трансформатор ТПП251. Имеющего параметрын= 22,3ВА; U2=
15,08В; I2= 0,73А;
2. Эксплуатационно
технологический раздел
.1 Построение
диагностических тестов для заданной ИМС
Таблица истинности тестируемой имс
представлена в таблице 2.1
Таблица 2.1 - Таблица истинности
тестируемой имс К155ИМ1
|
№
|
А1
|
А2
|
А3
|
А4
|
В1
|
В2
|
В3
|
В4
|
Р1
|
S
|
S̅
|
Р2
|
|
1
|
0
|
1
|
1
|
1
|
0
|
1
|
1
|
1
|
0
|
0
|
1
|
1
|
|
2
|
1
|
1
|
1
|
1
|
0
|
1
|
1
|
1
|
0
|
1
|
0
|
1
|
0
|
1
|
1
|
1
|
1
|
1
|
1
|
1
|
0
|
1
|
0
|
1
|
|
4
|
1
|
1
|
1
|
1
|
1
|
1
|
1
|
1
|
0
|
0
|
1
|
1
|
|
5
|
0
|
1
|
1
|
1
|
0
|
1
|
1
|
1
|
1
|
1
|
0
|
0
|
|
6
|
1
|
1
|
1
|
1
|
0
|
1
|
1
|
1
|
1
|
0
|
1
|
0
|
|
7
|
0
|
1
|
1
|
1
|
1
|
1
|
1
|
1
|
1
|
0
|
1
|
0
|
|
8
|
1
|
1
|
1
|
1
|
1
|
1
|
1
|
1
|
1
|
1
|
0
|
0
|
На основании талицы истинности составляем
таблицы диагностических тестов для состояния разрядов порта Р1 и Р2
микроконтроллера (таблица 2.2; 2.3; 2.4).
Таблица 2.2 - состояние разрядов
порта Р1 при тестировании имс
|
№
|
Вывод ИМС
|
-
|
6
|
5
|
4
|
3
|
2
|
1
|
-
|
DEC
|
HEX
|
|
Назначение вывода
|
-
|
S̅
|
S
|
Р2
|
Р1
|
В4
|
В3
|
-
|
|
|
|
Вывод порта
|
Р1.7
|
Р1.6
|
Р1.5
|
Р1.4
|
Р1.3
|
Р1.2
|
Р1.1
|
Р1.0
|
|
|
|
1
|
Состояние выводов
|
0
|
1
|
1
|
1
|
0
|
1
|
1
|
0
|
118
|
76
|
|
2
|
|
0
|
1
|
1
|
1
|
0
|
1
|
1
|
0
|
118
|
76
|
|
3
|
|
0
|
1
|
1
|
1
|
0
|
1
|
1
|
0
|
118
|
76
|
|
4
|
|
0
|
1
|
1
|
1
|
0
|
1
|
1
|
0
|
118
|
76
|
|
5
|
|
0
|
1
|
1
|
1
|
1
|
1
|
1
|
0
|
126
|
7Е
|
|
6
|
|
0
|
1
|
1
|
1
|
1
|
1
|
1
|
0
|
126
|
7Е
|
|
7
|
|
0
|
1
|
1
|
1
|
1
|
1
|
1
|
0
|
126
|
7Е
|
|
8
|
|
0
|
1
|
1
|
1
|
1
|
1
|
1
|
0
|
126
|
7Е
|
Таблица 2.3 - состояние разрядов
порта Р2 при тестировании имс
|
№
|
Вывод ИМС
|
-
|
13
|
12
|
11
|
10
|
9
|
8
|
-
|
DEC
|
HEX
|
|
Назначение вывода
|
-
|
В2
|
В1
|
А4
|
А3
|
А2
|
А1
|
-
|
|
|
|
Вывод порта
|
Р2.7
|
Р2.6
|
Р2.5
|
Р2.4
|
Р2.3
|
Р2.2
|
Р2.1
|
Р2.0
|
|
|
|
1
|
|
0
|
1
|
0
|
1
|
1
|
1
|
0
|
0
|
94
|
5С
|
|
2
|
|
0
|
1
|
0
|
1
|
1
|
1
|
1
|
0
|
92
|
5Е
|
|
3
|
|
0
|
1
|
1
|
1
|
1
|
1
|
0
|
0
|
124
|
7С
|
|
4
|
|
0
|
1
|
1
|
1
|
1
|
1
|
1
|
0
|
126
|
7Е
|
|
5
|
|
0
|
1
|
0
|
1
|
1
|
1
|
0
|
0
|
92
|
5С
|
|
6
|
|
0
|
1
|
0
|
1
|
1
|
1
|
1
|
0
|
94
|
5Е
|
|
7
|
|
0
|
1
|
1
|
1
|
1
|
1
|
0
|
0
|
124
|
7С
|
|
8
|
|
0
|
1
|
1
|
1
|
1
|
1
|
1
|
0
|
126
|
7Е
|
Таблица 2.4 - состояние выходов имс
при правильном тестировании
|
№
|
Вывод ИМС
|
4
|
6
|
5
|
DEC
|
HEX
|
|
Назначение вывода
|
Р2
|
S̅
|
S
|
|
|
|
Вывод порта
|
Р1.4
|
Р1.6
|
Р1.5
|
|
|
|
1
|
|
1
|
1
|
0
|
6
|
6
|
|
2
|
|
1
|
0
|
1
|
5
|
5
|
|
3
|
|
1
|
0
|
1
|
5
|
|
4
|
|
1
|
1
|
0
|
6
|
6
|
|
5
|
|
0
|
0
|
1
|
1
|
1
|
|
6
|
|
0
|
1
|
0
|
2
|
2
|
|
7
|
|
0
|
1
|
0
|
2
|
2
|
|
8
|
|
0
|
0
|
1
|
1
|
1
|
.2 Разработка программы
тестирования на языке Assembler
|
Р3.7
|
Р3.6
|
Р3.5
|
Р3.4
|
Р3.3
|
Р3.2
|
Р3.1
|
Р3.0
|
|
0
|
0
|
0
|
0
|
0
|
1
|
0
|
0
|
000001002=410=04Н
Для инициализации выводим в порт Р3
словосостояние 00000100=04Н
Управление блоками МПС
осуществляется от линий порта Р3 согласно данных таблицы 2.5
Таблица 2.5 - состояние линий порта
Р3 при управлении МПС
|
Р3
|
Состояние
|
Назначение
|
|
Р3.7
|
Логическая 1
|
Индикатор ошибка, включен
|
|
Логический 0
|
Индикатор ошибка, выключен
|
|
Р3.6
|
Логическая 1
|
Индикатор норма, включен
|
|
Логический 0
|
Индикатор норма, выключен
|
|
Р3.5
|
Логическая 1
|
Индикатор готов, включен
|
|
Логический 0
|
Индикатор готов, выключен
|
|
Р3.4
|
Логическая 1
|
Регистр цифровой индикации, ввод данных
|
|
Логический 0
|
Регистр цифровой индикации, запоминание данных
|
|
Р3.3
|
Логическая 1
|
Регистр клавиатуры, блок управления включен
|
|
Логический 0
|
Регистр клавиатуры, блок управления выключен
|
|
Р3.2
|
Логическая 1
|
Питание ИМС, отключено
|
|
Логический 0
|
Питание ИМС, выключено
|
|
Р3.1
|
Логическая 1
|
Индикация состояний ИМС, включено
|
|
Логический 0
|
Индикация состояний ИМС, выключено
|
|
Р3.0
|
Логическая 1
|
-
|
|
Логический 0
|
-
|
При первом включении МПС все порты
МК настроены на ввод информации и на их выходах сформированы логические 1.
Поэтому необходимо выполнить инициализацию МПС: погасить индикаторы и настроить
линии портов на ввод сигналов от блока управления.
Временная задержка используется в
программе работы МПС после подачи питания на тестируемую ИМС, а так же для
устранения влияния дребезга контактов при срабатывании управляющих кнопок.
Временная задержка реализуется подпрограммой DELAY, в которой используется
2 вложенных цикла:
MOV R6, #EXTRR7,
#INTR:DJNZ R7, LOOP1:DJNZ R6,LOOP2
В описании команд на контроллер
указывается, за сколько машинных циклов выполняется каждая команда:
MOV-2 МЦ;DJNZ-2 МЦ; RET-2 МЦ; CALL-2 МЦ.
Время машинного цикла связано со
тактовой частотой контроллера в соотношении.
Принимаем время
внутреннего цикла tвнутр=500мкс,
а внешнего tвнешн=20мс. Таким образом подпрограмма реализует задержку на 20мс
используя повторение внутреннего цикла 500мкс.
Таблица 2.6 -
Формирование результата в ячейке 23Н
|
Разряд ячейки
|
23Н.7
|
23Н.6
|
23Н.5
|
23Н.4
|
23Н.3
|
23Н.2
|
23Н.1
|
23Н.0
|
|
Вывод порта
|
-
|
-
|
-
|
-
|
-
|
Р1.4
|
Р1.6
|
Р1.5
|
|
Вывод ИМС
|
-
|
-
|
-
|
-
|
-
|
Р2
|
S̅
|
S
|
2.3 Разработка алгоритма
поиска и устранения неисправности
Методы поиска неисправности в
устройствах ЭВС:
) Метод измерений. Метод применяется
в случаях, когда имеется информация о предположительном местонахождении
неисправности в блоке. Метод заключается в том, чтобы после проверки значений
постоянных (переменных) напряжений в схеме ЭВС найти противоречия в его работе
и на их основе отыскать неисправные ЭРЭ. При данном методе производят измерения
в характерных точках, для установления формы электрического сигнала,
длительности импульсов, величины постоянных и переменных напряжений.
) Метод воздействия - заключается в
том, что специалист, осуществляющий ремонт ЭВС воздействует на различные
участки цепи. Реакция устройства на эти воздействия дает дополнительную
информацию о местонахождении дефекта. К способам воздействия относится:
установка перемычек, замыкание контрольной точки на корпус, подключение
работоспособному конденсатору параллельно другому элементу РЭА, подача
электрических сигналов к различным участкам цепи.
) Метод исключения - элементы,
входящие в состав блоков ЭВС, условно можно разделить на 2 группы: основные и
вспомогательные. К основным относятся элементы, формирующие выходные параметры
устройства. К вспомогательным, относятся элементы, предназначенные обеспечить
качество выходных параметров (устройство защиты по току и напряжению,
устройство стабилизации выходного уровня, дополнительные фильтры по питанию и
т.д.). Метод исключения состоит в том, чтобы из неисправного блока изъять
вспомогательный элемент и провести анализ блока в целом. Основные способы отыскания
неисправностей: соединение или закарачивание электрических цепей, отключение
элементов, исключение последовательных и параллельных цепей и т.д.
|
Неисправность
|
Причина
|
Метод устранения
|
|
Не поступает питание на устройство
|
Отсутствие контакта, отсутствие напряжения в сети
|
Проверить наличие напряжения в сети, проверить контакт
проводников питания и устройства
|
|
Не работает световая индикация
|
Отсутствие напряжения питания в устройстве, выход из строя
световой индикации
|
Проверить наличие напряжения питания, проверить световую
индикацию на работоспособность
|
2.4 Разработка
технологической инструкции технической эксплуатации микропроцессорной системы
Разработанная микроконтроллерная
система предназначена для тестирования ИМС типа К155ИМ1, по принципу «Годен»/«Негоден»,
выполняя функциональный контроль интегральной микросхемы.
Для подключения к устройству интегральной микросхемы используется разъем
(сокет) для корпуса типа DIP-14.
Техническая инструкция
технологической эксплуатации микропроцессорной системы по проверке интегральной
микросхеме:
) Включить электропитание
устройства, при этом загорается индикатор с надписью «Готов».
) Вставить тестируемую интегральную
микросхему в сокет устройства.
) Нажать кнопку с надписью «Тест».
При нажатии кнопки «Тест» подается электропитание на тестируемую интегральную
микросхему и гаситься индикатор «Готов».
) Выбирается режим тестирования при
помощи кнопки «Автоматический/Ручной».
.1) При нажатии кнопки
«Автоматический/Ручной», выбирается ручной режим тестирования, который
выполняется при нажатии кнопки «Шаг». При этом на цифровой индикации
отображается номер строки диагностического теста, а на светодиодной индикации,
состояние выходов тестируемой интегральной микросхемы и результаты тестирование
на индикаторах «Норма» и «Ошибка».
.2) При отжатом состоянии кнопки
«Автоматический/Ручной», выбирается автоматический режим тестирования. При этом
результаты тестирования отображаются на индикаторах «Норма» и «Ошибка».
) По окончании тестирования нажать
кнопку «Сброс» для перевода устройства в исходное состояние.
) При неправильной работе устройства
(зацикливание режимов работы, отсутствие реакции на управляющие кнопки и т.д.)
нажать кнопку «RESET» для перевода устройства в исходное состояние.
3. Энерго- и
материалосбережение
Энергообеспечение системы измерения
для почти любой цифровой схемы заключается в использовании микросхем ТТЛШ типа,
которые обладают наибольшим быстродействием и малой потребляемой мощностью по
сравнению почти с любыми отечественными сериями микросхем их характеристики
лучше, чем у самых распространенных микросхем ТТЛ типа.
Необходимо обеспечить, чтобы как
можно меньшее количество электроэнергии, проходящей через проводники,
превращалось в тепловую; это обеспечит большее КПД устройства, а следовательно
большую долговечность устройства.
Для выполнения устройства менее
энергоёмким и материало-затратным могут применяться следующие решения:
использование элементной базы с
пониженным энергопотреблением (в данном устройстве использован микроконтроллер
с пониженным энергопотреблением);
- уменьшение площади, занимаемой
данным изделием - миниатюризация;
объединение нескольких блоков в
один, что позволит применить один источник питания, для как можно большей части
схемы.
Так же можно привести примеры,
позволяющие уменьшит затраты при производстве устройства:
уменьшение размеров печатной платы
за счет увеличения плотности компоновки и рационального использование
пространства платы, что экономит текстолит, затрачиваемый на изготовление
платы;
использование более оптимальных
способов монтажа элементов на плату, что позволит еще больше уменьшить площадь,
занимаемую радиоэлементами, что приведет к еще большей миниатюризации данного
устройства.
Заключение
В ходе выполнения курсового проекта,
были выполнены следующие задачи:
· Разработана
структурная схема МПС;
· Произведен выбор
элементной базы;
· Разработана
принципиальная схема;
· Разработан блок
питания МПС;
· Разработано
программное обеспечение;
· Были разработаны
диагностические тесты для тестируемой микросхемы К155ИМ1 и написана программа
тестирования на языке Assembler;
· Разработана
технологическая инструкция по поиску и устранению неисправностей устройства;
· Разработана
технологическая инструкция по эксплуатации МПС;
· Рассмотрены такие
темы как охрана труда, охрана окружающей среды и энерго- материалосбережение.
Литература
1. Акимов Н.Н., Е.Л. Ващуков, Резисторы, конденсаторы,
трансформаторы, дроссели, коммутационные устройства РЭА: Справочник.- Мн:
Беларусь, 1994 г.
2. Богданович М.И., Цифровые интегральные микросхемы
Справочник.
-М.: Радио и связь, 1994 г.
3. Мальцев П. П., Цифровые интегральные микросхемы Справочник.
-М.: Радио и связь, 1994 г.
4. Новаченко И.В. Телец В.А. «Охрана труда и окружающей среды».
Дополнение второе: Справочник. - М.: Радио и связь, 1991 г.
5. Якубовский С.В., Цифровые и аналоговые интегральные
микросхемы: Справочник. - М.: Радио и связь, 1990 г.